压床机构设计说明书
- 格式:pdf
- 大小:1.01 MB
- 文档页数:33
机械原理课程设计说明书设计题目:压床机构设计物理与机电工程学院院(系)机械设计制造及其自动化专业2 班学号2011043637设计者指导教师陈虹微2013 年5 月24 日目录一. 机械原理课程设计任务书(三)------------------------3一、课程设计题目--------------------------------------------------3二、工作原理-------------------------------------------------------3三、设计要求-----------------------------------------------------3四、设计数据--------------------------------------------------------3五、设计内容--------------------------------------------------3六、设计工作量-------------------------------------------------七、设计时间二.压床连杆机构的设计: --------------------------------------------4一、连杆设计--------------------------------------------------3一、连杆运动速度分析--------------------------------------------------3二、连杆运动加速度分析---------------------------3三、连杆运动静力分析------------------------------------------------3三、凸轮机构设计------------------------------------------------12四、附页一、附页一连杆计算程序---------------------------------------------3二、附页二--------------------------3三、附页三------------------------------------------------3四、附页四---------------------------------------------3五、附页五--------------------------3六、附页六------------------------------------------------3一. 机械原理课程设计任务书(三)2224.342.32401.097.214.29701.0m pb u a s m pb u a s m ba u a l B l tB l tBA ⨯==⨯=⨯==⨯=⨯=一、压床机构设计要求1.压床机构简介图9—6所示为压床机构简图。
机械原理课程设计压床机构说明书机械原理课程设计压床机构是一种用于金属冲压加工的机械装置。
它由床身、滑块、曲柄连杆机构、压力系统和控制系统等部分组成。
其基本工作原理是利用电机的动力通过曲柄连杆机构将旋转运动转化为直线往复运动,从而实现金属工件的冲压加工。
床身是压床机构的主体部分,它提供了稳定的工作平台和支撑结构。
滑块是压床机构的工作部件,用于施加压力并实现冲压加工。
滑块通过曲柄连杆机构与电机相连,其往复运动的速度和行程可以根据工件的要求进行调节。
曲柄连杆机构是压床机构的核心部件,通过它可以将电机的旋转运动转化为滑块的直线往复运动。
曲柄连杆机构由曲轴、连杆和滑块组成。
曲轴是通过电机的旋转运动带动的零件,连杆将曲轴的旋转运动转化为滑块的往复运动。
滑块在运动时,通过压力系统施加一定的压力,将工件与模具进行配合,并实现冲压加工。
压力系统是压床机构的重要组成部分,它提供了所需的压力力量。
压力系统由液压缸、液压油箱、油泵等部分组成。
液压油泵通过机械装置提供压力力量,将压力传送到液压缸中,使其产生往复运动,并通过连接杆将压力传递给滑块,实现金属工件的冲压加工。
控制系统是压床机构的智能化部分,它通过传感器、执行器和控制器等系统实现对压床机构运行的监测和控制。
传感器可以实时感知工件的位置、压力和温度等参数,并将其传输给控制器。
控制器根据接收到的参数信号,通过执行器对压床机构的运行状态进行调节和控制,以实现精确的冲压加工效果。
总之,机械原理课程设计压床机构是一种利用曲柄连杆机构将电机的旋转运动转化为滑块的直线往复运动,通过压力系统施加压力进行金属冲压加工的机械装置。
它具有结构简单、操作方便、冲压加工精度高等特点,广泛应用于金属制造行业。
机械原理课程设计压床机构说明书机械原理课程设计压床机构说明书一、设计背景压床是一种常见的机械加工设备,广泛应用于金属材料的冲压加工过程中。
本设计旨在设计一种压床机构,以实现在金属材料上施加高压力的功能,从而满足工业生产中对于高效、稳定的压制需求。
二、设计目标本设计的目标是设计并搭建一台能够产生高压力的压床机构,具备如下特点:1. 结构简单,易于制造和安装;2. 压床操作简便,安全可靠;3. 压床机构运行平稳,能够稳定施加压力;4. 具备一定的自调节功能,能够适应不同压制需求;5. 机构材料选取合适,能够在长时间的工作环境下保持稳定性。
三、机构设计根据设计目标和要求,本压床机构采用了简单的液压系统来实现高压力的施加。
其主要组成部分包括压力源、液压缸和工作台面。
其中,压力源提供稳定的高压液体,液压缸将液体的压力转化为机械力,施加在工作台面上。
液压系统采用闭式回路,以确保稳定的压力输出。
在设计中,需要注意液压缸的规格和材料的选取,以保证经久耐用,并且能够承受所需施加的压力。
在液压系统中加入减压阀和溢流阀等辅助装置,来实现对压力的调节和自动保护功能,提高机构的安全性和稳定性。
此外,在机械结构的设计中,还需要确保液压缸和工作台面的密封性能良好,以防止液体泄漏,影响机构的正常工作。
同时,机床的底座和支架也需要足够坚固,能够支撑和固定整个机构。
四、操作说明使用本设计的压床机构时,需要注意以下操作要点:1. 在使用前检查压力源和液压系统各部分的工作状态,确保正常运行;2. 将待加工的金属材料放置在工作台面上,并调整好位置;3. 打开压力源,液压系统开始工作,液压缸施加压力在材料上;4. 当达到所需压制力时,关闭压力源,停止液压系统工作;5. 完成操作后,及时清理工作台面和液压系统,保持整个机构的清洁。
五、安全注意事项在使用本设计的压床机构时,需要遵循以下安全注意事项:1. 在操作前,熟悉压床机构的使用说明书,确保操作正确;2. 操作人员应进行必要的安全培训,熟悉压床机构的操作要点;3. 在操作过程中,严禁将手指和其他身体部位放置在压力源和液压系统的运动范围内;4. 避免过大压力施加在工作台面上,以免造成工作台面和液压系统的损坏;5. 定期检查液压系统的工作状态,如发现异常及时维修和更换部件。
压床机构设计说明书班级:XXXX学号:XXX姓名:XX完成日期:XXXX年XX月ﻬ一、压床机构简介ﻩ错误!未定义书签。
1、压床机构简介 ............................................................................................................. 错误!未定义书签。
2、设计内容ﻩ错误!未定义书签。
(1)机构得设计及运动分折............................................................................................... 错误!未定义书签。
(2)凸轮机构构设计........................................................................................................ 错误!未定义书签。
二、执行机构得选择 ............................................................................................................... 错误!未定义书签。
方案一 ............................................................................................................................... 错误!未定义书签。
(1)运动分析ﻩ错误!未定义书签。
(2)工作性能.................................................................................................................... 错误!未定义书签。
机械原理课程设计压床机构说明书一、设计目标及任务本次课程设计的目标是设计一种能够满足工业生产需求的压床机构。
通过对压床机构的设计,学生需要掌握机械原理的基本知识和设计方法,并能够应用这些知识和方法解决实际工程问题。
设计任务包括:1.压床机构的结构设计,包括压床的底座、上压板、滑块等主要零部件的设计。
2.压床机构的运动学分析,包括底座和上压板的运动关系、滑块的运动方式等。
3.压床机构的动力学分析,包括对驱动机构和压力传感器的选型和设计等。
4.压床机构的强度和刚度分析,包括对底座和上压板的刚度和强度进行计算和验证。
二、压床机构的结构设计压床的底座是整个机构的支撑结构,其设计应考虑到机械的稳定性和强度要求。
底座的形状和材料选用应根据实际情况进行确定。
上压板是压床机构的主要工作部件,其设计应考虑到压力传递、工作平稳性和刚度等要求。
上压板可以采用整体结构或分段结构,根据具体需求选择材料和加工工艺。
滑块是实现上压板运动的关键组成部分,其设计应满足工作平稳、拆装方便和耐磨损等要求。
滑块的材料可以选择高强度合金钢或铸铁等。
三、压床机构的运动学分析压床机构的运动学分析主要研究底座和上压板之间的相对运动关系,以及滑块的运动方式。
通过分析运动学特性,可以确定机构的工作行程、机械转换原理和机构的运动速度等参数。
四、压床机构的动力学分析压床机构的动力学分析主要研究驱动机构和压力传感器的设计和选型。
驱动机构可以选择液压或气动驱动,根据工作要求确定驱动力和行程。
压力传感器的选型需根据工作负荷大小和精度要求进行选择。
五、压床机构的强度和刚度分析压床机构的强度和刚度分析主要研究底座和上压板的刚度和强度。
通过计算和验证,确定机构在工作过程中不会发生变形或断裂,且能够承受工作负荷。
六、总结通过机械原理课程设计压床机构,学生能够综合运用所学的机械原理知识和设计方法,掌握机械结构设计的基本原理和方法。
在整个设计过程中,学生需要注意结构的稳定性、强度和刚度,以及机械的工作平稳性和精度要求。
机械原理压床机构设计说明书1. 引言本文档旨在对机械原理压床机构的设计进行详细说明。
压床机构是一种用于对零件进行压制和冲压的机械装置,常用于金属加工、汽车制造、航空航天等领域。
本文档将结合机械原理和工程设计原则,对压床机构的设计过程以及设计要点进行阐述。
2. 设计目标本次机械原理压床机构的设计目标如下: - 最大压力:100吨 - 最大行程:200毫米 - 稳定性和可靠性:确保在工作过程中机械结构的稳定性和可靠性 - 安全性:确保工作过程中的操作人员的安全3. 设计过程机械原理压床机构的设计过程包括以下几个步骤:3.1 研究需求和分析首先,我们需要全面了解和研究用户的需求。
对压床机构的使用环境、工作压力、行程要求等进行详细分析,为设计提供依据。
3.2 选择工作原理根据需求和分析结果,选择合适的工作原理。
常见的压床机构工作原理包括液压式、机械式和气动式。
根据设计目标,我们选择了液压式压床机构。
3.3 设计机构布局根据液压式压床机构的工作原理,设计机构布局。
包括选择液压缸的位置和数量、压力传递机构的布置等。
3.4 计算和分析进行机构设计的计算和分析,包括承受压力的零件强度计算、耐磨性和耐腐蚀性设计等。
通过仿真和计算验证机构设计是否满足设计要求。
3.5 选择材料和零件根据计算和分析的结果,选择合适的材料和零件。
确保机构的强度、刚度和耐用性。
3.6 绘制详细图纸根据最终设计结果,绘制详细的机械结构图纸。
包括总装图、零件图和工艺流程图等。
4. 设计要点机械原理压床机构设计的要点如下:4.1 结构稳定性设计中需考虑机构的稳定性,使用合适的支撑结构和防震装置,以提高机构的稳固性。
4.2 压力传递设计中需合理布置液压缸和压力传递机构,确保压力传递的高效性和稳定性。
4.3 液压系统设计液压系统的设计需考虑高压油管、液压管路、流量控制等因素,以确保系统的正常工作。
4.4 安全措施设计中需考虑安全措施,包括装置安全阀、压力传感器、急停按钮等,以保障操作人员的安全。
机械原理课程设计压床机构说明书机械原理课程设计是机械工程专业的重要课程之一,旨在培养学生运用机械原理、机构设计等知识解决实际工程问题的能力。
压床机构是机械工程领域中一种常见的基本机构,用于对工件进行压制、成型、冲裁等工艺操作。
本文将详细介绍压床机构的设计原理和相关参考内容。
一、设计原理:压床机构的设计原理是将电机的旋转运动转化为线性压力,通过压床机构的设计,可以将电机的高速旋转运动转化为工作台的上下运动,从而实现对工件的压制、冲裁等工艺操作。
二、设计要求:1.设计压床机构时,需要考虑压力传递的稳定性和可靠性,确保能够传递足够的压力给工件。
2.设计要满足工艺要求,确保能够对工件进行准确的压制、成型或冲裁操作。
3.设计要尽量简化结构,减少零部件数量,提高生产效率和降低成本。
4.设计要考虑机械安全性,确保操作员的人身安全。
三、设计步骤:1.确定需求:根据实际工艺需求确定机床的规格和性能参数,例如压力、行程等。
2.选择电机:根据需求选择合适的电机,一般会选择步进电机或伺服电机,需要考虑转速、转矩等参数。
3.确定传动方式:根据转动运动转化为线性运动的需求选择适当的传动方式,可以采用滚珠丝杆传动或链条传动等。
4.确定机构类型:根据工艺要求选择压床机构的类型,例如C型压床、H型压床等。
5.绘制机床图纸:根据选定的机构类型和传动方式绘制机床的三维图纸,要确保各部件之间的配合和运动正常。
6.进行运动学分析:利用机械原理中的运动学知识对机床进行分析,包括位置分析、速度分析和加速度分析等。
7.进行强度分析:通过强度学分析,对机床的各个部件进行强度校核,确保机床的使用安全性。
8.选择材料和加工工艺:根据强度分析的结果选择合适的材料和加工工艺,确保机床的质量和使用寿命。
四、参考内容:1.陈静、马乔. 《机械原理及机械设计基础》. 机械工业出版社, 2017.2.邹柏青,马编宏,战士,邢悦. 《机械原理与设计》. 清华大学出版社,2015.3.林杰,张兆龙. 《机构学与机械原理》.北京大学出版社,2013.4.陈锐. 《机械原理》. 清华大学出版社,2014.5.朱斌. 《机械原理》. 清华大学出版社,2012.通过以上参考内容,可以系统地学习和研究机械原理和机构设计的相关知识,为压床机构的设计提供了理论基础和实践指导。
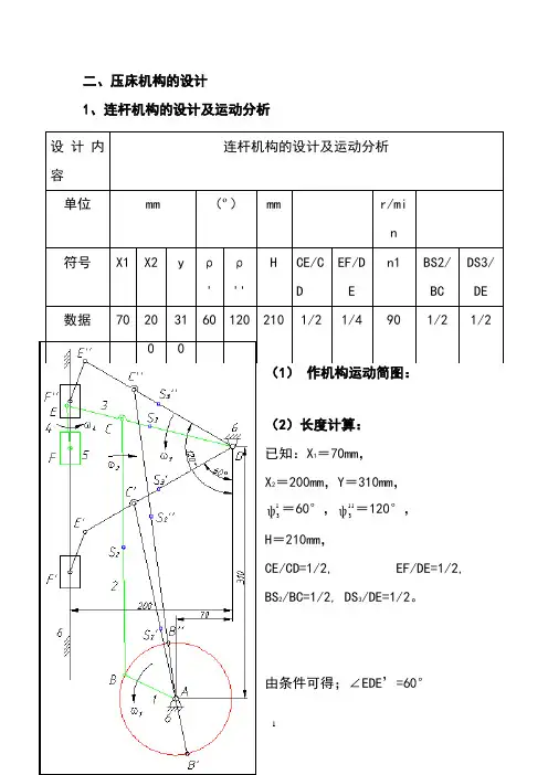
二、压床机构的设计1、连杆机构的设计及运动分析0 0∵DE=DE’∴△DEE’等边三角形过D作DJ⊥EE’,交EE’于J,交F1F2于H∵∠JDI=90°∴HDJ是一条水平线,∴DH⊥FF’∴FF’∥EE’过F作FK⊥EE’过E’作E’G⊥FF’,∴FK=E’G在△FKE和△E’GF’中,KE=GF’,FE=E’F’,∠FKE=∠E’GF’=90°∴△FKE≌△E’GF’∴KE= GF’∵EE’=EK+KE', FF’=FG+GF’∴EE’=FF’=H∵△DE'E是等边三角形∴DE=EF=H=210mm∵EF/DE=1/2, CE/CD=1/2∴EF=DE/4=180/4=52.5mm CD=2*DE/3=2*180/3=140mm 连接AD,有tan∠ADI=X1/Y=70/310又∵317.33=mm∴在三角形△ADC和△ADC’中,由余弦定理得:AC=mmAC ’=mm∴AB=(AC-AC ’)/2=69.015mm BC=(AC+AC ’)/2=314.425mm ∵BS 2/BC=1/2, DS 3/DE=1/2 ∴BS 2=BC/2=314.46/2=157.2125mmDS 3=DE/2=210/2=105mm 由上可得:(3)机构运动速度分析: 已知:n1=90r/min ;1ω =π2601∙n rad/s =π26090∙=9.425 逆时针vB= 1ω·l AB = 9.425×0.069015=0.650451m/sCv = B v + Cb v大小 ? 0.65 ? 方向 ⊥CD ⊥AB ⊥BC选取比例尺μv=0.004m/(mm/s),作速度多边形v C=u v ·pc =0.004×151.4986=0.6059944m/s vCB=uv ·bc =0.004×32.3201=0.1292804m/sv E =u v ·pe =0.004×227.2479=0.9089916m/s v F=u v ·pf =0.004×216.594=0.866376m/sv FE=u v ·ef =0.004×54.5546=0.2182184m/s v S 2=u v ·2ps =0.004×156.3208mm =0.6252832m/svS 3=uv ·3ps =0.004×113.624mm =0.454496m/s∴2ω=BCCBl v =0.1292804/0.314425=0.4112rad/s (逆时针) ω3=CD C l v =0.6059944/0.140=4.3285rad/s (顺时针) ω4=EFFE l v =0.2182184/0.0525=4.15654rad/s (顺时针)aB=ω12LAB=9.4252×0.069015=6.1306456m/s 2a n CB=ω22LBC=0.41122×0. 314425=0.0531647m/s 2 a n CD=ω32LCD=4.32852×0.14=2.623m/s 2 a n FE =ω42LEF=4.156542×0.0525=0.907m/s 2c a= a n CD+ a t CD= aB + a t CB + a n CB大小: ? √ ? √ ? √ 方向: ? C →D ⊥CD B →A ⊥BC C →B选取比例尺μa=0.04m/ (mm/s 2),作加速度多边形图aC=u a ·''c p =0.04×114.7231=4.5889m/s 2aE=u a·''e p =0.04×172.08465=6.8834m/s 2a tCB=u a·=0.04×55.4803=2.219 m/s 2a tCD=ua ·"'n c =0.04×56.2262=2.249 m/s 2aF = aE + a nEF + a tEF大小: ? √ √ ?方向: √ √ F →E ⊥EFaF=u a·''f p =0.04×78.4917=3.13967m/s 2as2=u a·=0.04×132.3339=5.29336m/s 2as3=ua·=0.04×86.0423= 3.4417m/s 2 α2= a t CB/LCB=2.219 /0.314425=7.0573 m/s 2 α3= a t CD/LCD=2.249/0.14=16.064 m/s 2FI2=m2*as2=G2*as2/g=1600×5.29336/9.8=864.222N(与as2方向相反)FI3=m3*as3= G3*as3/g=1040×3.4417/9.8=365.242N(与as3方向相反)FI5= m5*aF=G5*aF/g=840×3.13967/9.8=269.1146N(与aF方向相反)Fr= 0(返回行程)MS2=Js2*α2=1.35×7.0573=9.5274N.m (顺时针)MS3=Js3*α3=0.39×16.064=6.265N.m (逆时针)LS2= MS2/FI2=9.5274/864.222×1000=11.0243mmLS3= MS3/FI3=6.265/365.242×1000=17.153mm2).计算各运动副的反作用力(1)分析构件5对构件5进行力的分析,选取比例尺μF=20N/mm,作其受力图构件5力平衡:F45+F65+F I5+G5=0则F45= 572.604N;F65=42.462NF43=F45(方向相反)(2)对构件2受力分析对构件2进行力的分析,选取比例尺μF=20N/mm,作其受力图杆2对B点求力矩,可得: FI2*LI2+G2*L2 -F t32*LBC =0864.222×120.2776+1600×1.6873- F t32×314.425=0F t32= 339.1786N杆2对S2点求力矩,可得:F t12*LBS2 -FI2*LS2 -F t32*LCS2 =0 F t12×157.2125-864.222×11.0243-339.1786×157.2125=0F t12=399.781N(3) 对构件3受力分析对构件2进行力的分析,选取比例尺μF=20N/mm,作其受力图杆3对点C求力矩得:F t63*LCD –F43*LS3- FI3*LI3 =0 F t63×140-572.604×17.153-365.242×34.3066=0F t63=159.65777N构件3力平衡:F n23+F t23+F43+F I3+F t63+F n63=0则F n23=629.326N ;F n63=626.764N由此可求出:F23=715.572N;F63=646.78N;F32= - F23构件2力平衡:F32 +G2+F I2+F t12+F n12=0则F n12=1752.458N ;F12=1798.258N(4)求作用在曲柄AB上的平衡力矩MbF61=F21=1798.258N.Mb=F21* L =1798.258×67.3219×0.001=121.062N.m(逆时针)三、凸轮机构设计有 H/r0=0.47, 即有 r0=H/0.47=19/0.47=40.426mm 取r0=40mm 取rr=5mm 在推程过程中:由a=2πh ω2sin(2πδ/δ0)/δ02得当δ0 =650时,且00<δ<32.50,则有a>=0,即该过程为加速推程段, 当δ0 =650时,且δ>=32.50, 则有a<=0,即该过程为减速推程段 所以运动方程S=h [(δ/δ0) -sin(2πδ/δ0)/(2π)]在回程阶段,由a=-2πhω2 sin(2πδ/δ0’)/ δ0’ 2得当δ0’ =750时,且00<δ<37.50,则有a<=0,即该过程为减速回程段,当δ0’ =750时,且δ>=37.50, 则有a>=0,即该过程为加速回程段所以运动方程S=h[1-(δ/δ0’)+sin(2πδ/δ0’) /(2π)]凸轮廓线如下:。
机械原理课程设计压床机构机械原理课程设计说明书姓名:***学号:班级:指导老师:成绩:XXX2017年12月8日目录一、机构简介与设计数据1.1 机构简介本文介绍的机构是一个压床机构,用于压制金属材料。
该机构由凸轮机构和传动机构组成。
1.2 机构的动态静力分析在设计机构之前,需要进行动态静力分析,以确保机构的稳定性和可靠性。
1.3 凸轮机构构设计凸轮机构是压床机构的核心部分,它通过旋转运动来驱动压床。
在设计凸轮机构时,需要考虑凸轮的形状、尺寸和旋转速度等因素。
1.4 设计数据在设计压床机构时,需要确定各种参数,包括压力、速度、功率等。
这些参数将直接影响到机构的性能和效率。
二、压床机构的设计2.1 确定传动机构各杆的长度传动机构是指将凸轮机构的旋转运动转化为压床的线性运动的机构。
在设计传动机构时,需要确定各杆的长度,以确保机构的稳定性和准确性。
三、传动机构运动分析3.1 速度分析传动机构的速度分析是指对各杆的速度进行计算和分析。
这将有助于确定机构的速度和加速度。
3.1.1 确定凸轮的旋转速度凸轮的旋转速度是传动机构速度分析的重要参数。
在确定凸轮的旋转速度时,需要考虑机构的稳定性和效率。
3.1.2 确定压床的运动速度压床的运动速度是压床机构的重要参数之一。
在确定压床的运动速度时,需要考虑机构的稳定性和准确性。
3.2 加速度分析传动机构的加速度分析是指对各杆的加速度进行计算和分析。
这将有助于确定机构的加速度和动态性能。
EFDE14BS2BC12DS31DE2根据三角函数可得:$DF=\frac{y}{\sin\angle DFE}$,$FE=\frac{DF}{\tan\angle DFE}$,$DE=DF+FE$。
代入已知数值,计算得到$DF=230.94mm$,$FE=133.74mm$,$DE=364.68mm$。
因此,传动机构各杆的长度为:$AB=60mm$,$BC=182.26mm$,$CD=91.13mm$,$DE=364.68mm$,$EF=91.17mm$,$FG=170mm$。
压床机构设计说明书院系:机电工程学院班级:机械XXX班学号:姓名:指导老师:目录一、设计题目压床机构的设计二、工作原理压床机械是由六杆机构中的冲头(滑块)向下运动来冲压机械零件的。
图1为其参考示意图,其执行机构主要由连杆机构和凸轮机构组成,电动机经过减速传动装置(齿轮传动)带动六杆机构的曲柄转动,曲柄通过连杆、摇杆带动滑块克服阻力F冲压零件。
当冲头向下运动时,为工作行程,冲头在0.75H内无阻力;当在工作行程后0.25H行程时,冲头受到的阻力为F;当冲头向上运动时,为空回行程,无阻力。
在曲柄轴的另一端,装有供润滑连杆机构各运动副的油泵凸轮机构。
三、设计要求电动机轴与曲柄轴垂直,使用寿命10年,每日一班制工作,载荷有中等冲击,允许曲柄转速偏差为±5%。
要求凸轮机构的最大压力角应在许用值[α]之内,从动件运动规律见设计数据,执行构件的传动效率按0.95计算,按小批量生产规模设计。
四、原始数据五、内容及工作量1、根据压床机械的工作原理,拟定执行机构(连杆机构),并进行机构分析。
2、根据给定的数据确定机构的运动尺寸, l CB=0.5l BO4,l CD=(0.25~0.35)l CO4。
要求用图解法设计,并将设计结果和步骤写在设计说明书中。
3、连杆机构的运动分析。
分析出滑块6的位移、速度、加速度及摇杆4的角速度和角加速度。
4、连杆机构的动态静力分析。
求出最大平衡力矩和功率。
5、凸轮机构设计。
根据所给定的已知参数,确定凸轮的基本尺寸(基圆半径r o、偏距e和滚子半径r r),并将运算结果写在说明书中。
画出凸轮机构的实际廓线。
6、 编写设计说明书一份。
应包括设计任务、设计参数、设计计算过程等。
六、设计计算过程1. 压床执行机构(六杆机构)的设计根据给定的数据,利用autocad 绘制出当摇杆摆到两极限位置时,机构运动简图(图3)。
图3 摇杆摆到两极限位置时,机构运动简图由图3可知,因为1501=DD (即压头的行程H ),而三角形41O CC 为等边三角形,可推出四边形D D CC 11为平行四边形,则15011414====DD CC O C CO 则5.5235.04==CO CD,由45.0BO CB =,则1004=BO ,3125.016050tan 42==∠E O O ,则0424.17=∠E O O , 6.42241=∠O O B , 在三角形E O O 42中,165)16040(2242=+=O O ,由42412212422412412)(O O O B O B O O O B O O B C O S ⨯-+=∠得出21O B =113.7,同理可得2BO =210.8,所以55.4821222=-=B O B O A O ,3.162122=+=B O A O AB ,所以得到四条杆长A O 2=48.55,AB =162.3,1004=BO ,165)16040(2242=+=O O利用上述求得的曲柄摇杆机构各杆的长度,利用一款四杆机构设计及运动分析软件(图4),输入四杆的杆长后可以得到:行程速比系数K=(1800+θ)/(1800-θ)得,K=1.105,摇杆的摆角α =600。
机械原理课程设计压床机构设计说明书一、设计背景和目标(此处介绍设计背景和目标,包括压床机构设计的背景和意义,以及设计目标和要求)二、机械压床的原理和分类(此处介绍机械压床的原理和分类,包括压床的工作原理、结构组成和分类)2.1 压床的工作原理(此处详细介绍压床的工作原理)2.2 压床的结构组成(此处详细介绍压床的结构组成,包括床身、滑块、传动装置等)2.3 压床的分类(此处详细介绍压床的分类,包括单柱压床、四柱压床、冲压机等)三、压床机构设计方案(此处介绍压床机构的设计方案,包括压床机构的整体设计思路和设计过程)3.1 压床机构的整体设计思路(此处详细介绍压床机构的整体设计思路,包括采用的设计方法和设计原则)3.2 压床机构的设计过程(此处详细介绍压床机构的设计过程,包括初步设计、详细设计和优化设计等)四、压床机构的设计计算(此处进行压床机构的设计计算,包括强度计算、刚度计算、传动计算等)4.1 压床机构的强度计算(此处详细介绍压床机构的强度计算,包括应力、变形和疲劳寿命等计算)4.2 压床机构的刚度计算(此处详细介绍压床机构的刚度计算,包括刚度、自由度和振动等计算)4.3 压床机构的传动计算(此处详细介绍压床机构的传动计算,包括传动比、轴承选取和齿轮传动等计算)五、压床机构的零部件设计(此处进行压床机构的零部件设计,包括床身、滑块、传动装置等)5.1 床身设计(此处详细介绍床身的设计,包括结构设计和材料选取等)5.2 滑块设计(此处详细介绍滑块的设计,包括结构设计和滑动副选取等)5.3 传动装置设计(此处详细介绍传动装置的设计,包括传动方式和传动零件选取等)六、压床机构的装配与调试(此处介绍压床机构的装配过程和调试方法等)七、设计的评价与展望(此处对设计进行评价和展望,包括设计的优点和不足,以及未来可能的改进方向)附件:(此处本文档所涉及的附件,如设计图纸、计算表格等)法律名词及注释:(此处本文涉及的法律名词及其注释,以便读者了解相关法律知识)。
机械原理课程设计压床机构分析设计说明书机械原理课程设计压床机构分析设计说明书一、设计目标和背景1.1 设计目标本次课程设计旨在通过对压床机构的分析和设计,掌握机械原理相关知识,培养学生解决实际问题的能力。
1.2 设计背景随着工业智能化的不断发展,压床在工业生产中扮演着重要的角色。
因此,对压床机构进行分析和设计的研究具有重要的意义。
二、压床机构简介2.1 压床机构定义压床机构是一种常用的机械设备,主要用于对板材等工件进行压制加工,广泛应用于金属加工、汽车零部件制造等领域。
2.2 压床机构原理压床机构通过电机驱动、传动装置、曲柄连杆机构等,将动力传递给压头,实现对工件的压制加工。
三、压床机构分析3.1 压床机构运动分析3.1.1 机构运动分析方法3.1.2 压床机构运动参数计算3.1.3 运动轨迹分析3.2 压床机构强度分析3.2.1 结构强度计算3.2.2 关键零部件强度计算四、压床机构设计4.1 设计方案选择4.1.1 机械结构方案比较4.1.2 动力传动方案选择4.2 压床机构零部件设计4.2.1 曲柄连杆机构设计4.2.2 传动装置设计4.2.3 压头设计五、附件本文档所涉及的附件包括设计图纸、计算表格和相关文献资料。
请参考附件。
六、法律名词及注释6.1 民事法律名词- 设计:根据规定,发明创造或培育具备实施能力的产物、计划、图纸、数据等媒体,以及有关技术方法、制造过程等文档的创立行为。
- 专利:专利权人对其发明创造享有的法定专有权利。
6.2 知识产权法律名词- 专有技术:指由法律规定保护的技术,包括发明、实用新型和外观设计。
- 著作权:指作者对其创造的文学、艺术和科学作品享有的权利。
七、全文结束。
机械原理课程设计压床机构说明书一、引言压床机构是一种常用的金属加工设备,用于对金属材料进行压制、冲孔等操作。
机械原理课程设计中,我们设计了一台基于摩擦轮原理的压床机构,并进行了制作和实验验证。
本说明书将详细介绍该机构的结构、工作原理、制作过程和实验结果。
二、机构结构我们设计的压床机构包括底座、立柱、动架、活塞杆、摩擦轮、压床平台等主要组件。
底座用于支撑整个机构,立柱固定在底座上,动架通过铰链与立柱相连,活塞杆连接在动架和摩擦轮之间,压床平台则位于摩擦轮下方。
三、工作原理通过手动推动动架,使得活塞杆推动摩擦轮压制工件。
摩擦轮在接触面上施加压力,将压力传递给工件,从而实现压制操作。
摩擦轮与工件接触面之间的摩擦力可以通过调整活塞杆的长度进行调节。
四、制作过程1.制作底座:选择合适的材料制作底座,并使用焊接或螺栓连接固定。
2.制作立柱:选择合适的材料制作立柱,并通过焊接固定在底座上。
3.制作动架:选择合适的材料制作动架,并通过铰链和立柱连接。
4.制作活塞杆:选择合适的材料制作活塞杆,并通过焊接连接在动架和摩擦轮上。
5.制作摩擦轮:选择合适的材料制作摩擦轮,并通过螺栓连接在活塞杆上。
6.制作压床平台:选择合适的材料制作压床平台,并通过焊接连接在底座上。
7.装配:将各个组件按照设计要求进行装配,并进行调试。
五、实验结果我们进行了压床机构的实验,通过不同工件的压制,验证了机构的功能和性能。
实验结果表明,该机构能够有效实现对金属材料的压制和冲孔操作,并且具有较好的稳定性和可靠性。
六、注意事项1.在操作过程中,要注意安全,避免对人身和设备造成伤害。
2.不超过机构规定的最大压制力和冲孔力,以免损坏机构和工件。
3.定期对机构进行保养和检查,确保其工作正常。
4.在使用过程中发现异常情况或故障时,应及时停止操作并进行排除。
七、总结通过本次机械原理课程设计,我们成功设计了一台基于摩擦轮原理的压床机构。
该机构具有结构简单、操作方便、效果良好的优点,能够满足对金属材料进行压制和冲孔的需求。
机械原理课程设计说明书设计题目:压床机构设计学院机械工程学院班级机械0000班设计者学号0000000000指导老师2012 年1 月13日目录一. 设计要求----------------------------------------------------------------31. 压床机构简介--------------------------------------------------------------------32. 设计内容-----------------------------------------------------------------3(1) 机构的设计及运动分折-------------------------------------------------3(2) 机构的动态静力分析----------------------------------------------------3(3) 凸轮机构构设计---------------------------------------------------------3 二.压床机构的设计: ----------------------------------------------------4 1. 连杆机构的设计及运动分析------------------------------------------4(1) 作机构运动简图-----------------------------------------------------4(2) 计算长度-------------------------------------------------------------42. 机构运动速度分析-------------------------------------------------------53. 机构运动加速度分析----------------------------------------------------64. 机构动态静力分析-------------------------------------------------------8(1).各构件的惯性力,惯性力矩---------------------------------------8(2).计算各运动副的反作用力-----------------------------------------8三.凸轮机构设计--------------------------------------------------------11四、齿轮设计------------------------------------------------------------13五、参考文献------------------------------------------------------------13一、压床机构设计要求1.压床机构简介图9—6所示为压床机构简图。
机械原理课程设计说明书设计题目:学院:班级:设计者:学号:指导老师:目录目录..............................................................................................................一、机构简介与设计数据..........................................................................................1.1.机构简介.....................................................................................................1.2机构的动态静力分析 .....................................................................................1.3凸轮机构构设计 ...........................................................................................1.4.设计数据.....................................................................................................二、压床机构的设计................................................................................................2.1.传动方案设计 ..............................................................................................基于摆杆的传动方案......................................................................................六杆机构A ...................................................................................................六杆机构B ..................................................................................................2.2.确定传动机构各杆的长度...............................................................................三.传动机构运动分析...............................................................................................3.1.速度分析.....................................................................................................3.2.加速度分析..................................................................................................3.3. 机构动态静力分析.......................................................................................3.4.基于soildworks环境下受力模拟分析: .........................................................四、凸轮机构设计...................................................................................................五、齿轮设计 .........................................................................................................5.1.全部原始数据 ..............................................................................................5.2.设计方法及原理 ...........................................................................................5.3.设计及计算过程 ...........................................................................................参考文献................................................................................................................一、机构简介与设计数据1.1.机构简介图示为压床机构简图,其中六杆机构为主体机构。