BZ1800X8000重型板式给料机(OK板)技术参数
- 格式:doc
- 大小:49.00 KB
- 文档页数:1
重型板式给料机的轻量化设计摘要:现阶段我国的重型板式给料机的形式都是采用德国的OK板形式,这种板式给料机在性能上能够有效地满足用户的要求,但是存在设备重量较重的情况,影响设备制造厂家的市场占有率。
文章针对这一方面的问题进行分析和阐述。
标签:重型板式给料机;轻量化设计;成本节约重型板式给料机广泛地应用在采矿、建材和煤炭工业部门。
该机主要用于具有一定仓压的料仓和漏斗下面,将各种大容量物料短距离均匀连续的输送给各种破碎、筛分和运输设备,它不仅适合处理粗粒物料,对细粒物料也同样适应。
可在恶劣的环境中完成繁重的工作,对物料的粒度、成份的变化、温度、粘度、冰霜、雨雪的影响或冰结的物料都有较大的适应性,给料量均匀准确可靠。
1 重型板式给料机的基本结构重型板式给料机是一种适用于物料运输的设备。
这种设备相较于皮带输送机来讲,主要的优势在于可以直接承受物料。
重型板式给料机的主要组成部分有七部分。
第一部分是驱动装置。
第二个部分是主轴装置。
第三个部分是拉紧装置。
第四个部分是支重轮1。
第五个部分是支重轮2。
第六个部分是托链轮。
第七个部分是机架。
重型板式给料机的驱动装置最主要的优点在于采用无基础式的安装,驱动装置通过扭矩杆和支撑连接在设备的机架上,不需要设备的用户另外提供安装基础。
同时驱動装置中的减速机和主轴装置的主轴的连接形式是锁紧盘空心轴连接,这样的连接形式更加的实用和安全。
重型板式给料机的主轴装置采用的是轴承座,链轮和支承轮为主要结构。
主轴装置通过轴承座采用螺栓连接的形式连接在机架的头部。
链轮的主要作用是驱动链条进行运动。
通常链轮的节圆直径有三种。
第一种是522.6mm,631.54mm和732.81mm。
在设计的选择过程中,最长选用的是631.54mm的节圆直径,这种形式的链轮转动最稳定。
支承轮在设计过程中根据重型板式给料机的宽度进行选择。
宽度在1600mm以下的不建议采用支承轮。
重型板式给料机的拉紧装置最主要的特点就是螺旋弹簧拉紧的形式,这种形式的拉紧在拉紧效果上来讲是非常好的,在现场的用户反馈中,也是好评。
HZS180混凝土搅拌站配置说明之袁州冬雪创作HZS180是我公司综合近些年来国表里多种机型的优点和先进技术,连系本公司多年生产混凝土搅拌设备的经历而开辟的系列混凝土搅拌站.该系列混凝土搅拌站是制备新鲜混凝土的成套专用设备,适用于各类大中型建筑施工,如水电、公路、港口、桥梁、机场、大中型预制件厂和商品混凝土生产厂等.HZS180配有我公司自行研制的计算机管理系统和自动节制系统,操纵简单、方便.采取Windows2000操纵系统,全中文菜单显示,各设备状态全过程摹拟显示并配有声光报警.在搅拌站工作时,只需操纵少量的按钮后,整个工作过程就全部转交计算机节制. 搅拌主机选用SICOMA双卧轴强制式搅拌主机,主要电气元件采取出口产品.使HZS180系列搅拌站的配置具有:搅拌性能优良、计量切确稳定、靠得住性高、调养维修方便、高环保性能、模块化程度高等特点.是混凝土施工及商品混凝土生产的抱负和首选设备.一、技术参数1、生产才能:180m3/h;2、搅拌主机:MAO4500/3000SDSHO仕高玛双卧轴搅拌主机;3、密实混凝土出料:3000L;4、骨料粒径:≤80mm;5、出料高度:≥4m;6、配料机:料仓容积30m33,共4个仓,单独计量;7、计量范围及精度:骨料: 0~4500Kg±2%水泥: 0~1500Kg±1%粉煤灰/矿粉:0~700Kg±1%水: 0~650Kg±1%外加剂(液):0~50Kg±1%说明:在动态时,以上各种配料精度为计量范围从等于或大于满量程30%到满量程以内.8、装机总功率约:260kW;9、执行尺度:GB/T 10172-2005混凝土搅拌站(楼)GB4477 混凝土搅拌机性能试验方法GB/T 9142 混凝土搅拌机GB/14902 预拌混凝土GBJ107 混凝土强度检验评定尺度GBJ17 钢布局设计规范JB/T834 热带型低压电器技术条件GB10595 带式输送机技术条件GB14249·1 电子衡器平安要求JG/T5093 建筑机械与设备产品分类及型号二、配置说明1、配料站(4×30m3)*骨料仓总容积:120m3,分为4个相同的料仓,每一个料仓容积为30 m3.*每一个骨料仓均设2个卸料门,实现粗称和精称,执行元件选用杰菲特或亚德客系列气缸和电磁阀.*骨料仓设置为2个砂仓和2个石仓,其中每一个砂仓各设有4个振动器(WAM).3,采取单独计量方式,每一个砂斗体设有1个振动器(WAM),称重传感器选用托利多.*平皮带机长15米,由包胶电动滚筒驱动,并带丝杆张紧装置,皮带带宽1000mm,厚10mm,配有挡料板和清扫器,电动滚筒选用天减或泰隆产品.2、斜皮带机*机架为大角钢桁架式,中间有支撑架.*倾斜度为180,皮带机长度约47米,带坠重张紧装置.*五层尼龙橡胶皮带,厚10mm、宽1000mm、长约105米,输送才能900t/h.*皮带机上封3mm厚玻璃彩钢板,皮带下方设有接料槽板.*皮带机两侧均设有宽650mm的维修走道,设有拉绳式急停开关和防跑偏开关.*皮带机驱动功率为45kW,采取减速机外挂式(天减或泰隆)驱动,带逆止装置.*头部配有弹簧合金清扫器,尾部配有空段清扫器.3、搅拌主机*双卧轴形式.*主机钢布局由大型矩型管及厚钢板制成,形成一个刚性很好的框架布局.*轴端密封采取迷宫及浮封环密封.*意大利特有的轴端气压密封呵护装置,在搅拌机原来的呵护上加多一重呵护,使搅拌轴更加耐用、靠得住.*额定容量不超出搅拌轴,使轴端密封更加耐用.*3,密实混凝土出料容量为3m3.*多搅拌刀设计(比传统产品多二把刀),使混凝土搅拌更平均.*二个原装出口意大利三级行星减速机,通过鼓型齿联轴器与搅拌轴相连,由二个55kW电机通过三角皮带驱动,采取减速机高速轴强制同步方式,布局紧凑,适合搅拌各种标号的商品混凝土.*两根搅拌主轴为锻钢制造,轴承为双列滚子轴承.*搅拌臂由耐磨铸铁制成,用螺丝固定在主轴上,搅拌缸侧衬板由耐磨铸铁制成,搅拌叶片及衬板由高铬高镍耐磨合金铸铁制成,用螺丝固定.*自动润滑装置采取德国出口的大容量润滑泵及相应的油管路组成,带有压力表及相应的开关组件.*开门采取出口意大利的全套液压泵站,功率 1.5kW,带手动油泵应急装置.*卸料门采取液压油缸开门方式,带接触式的传感器,门可停留在任何设定的位置.*主机设有收尘管道.*搅拌缸上有较宽的维修盖,正面开启,橡胶密封,装置有平安限制开关及脚踏平台.*采取出口船舶漆,耐腐耐温,完全知足混凝土生产的恶劣环境要求.4、搅拌主楼*出料高度为4米.*搅拌机支撑平台高6m,通道广大于4.2m.*主楼立柱采取直径325的大型钢管制成,刚性大,平台及横梁采取H型钢(350×400)及32b等大型槽钢.*搅拌平台面积达43m2,预留有较大的维修空间,拢料斗装置在搅拌机出料门下,出口橡胶筒为锥形设计, 锥形最下口直径为450mm.*第二层平台装置在搅拌机平台上,用于装置骨猜中间仓、水泥秤、粉料秤、水秤及外加剂秤等,立柱支撑采取直径273的大型钢管制成.*3,由6mm钢板制成,内衬耐磨橡胶板,并配有一个振动器(WAM),执行元件选用杰菲特或亚德客系列气缸和电磁阀.*楼内设有意大利WAM除尘器,过滤面积24m2,并可自动反吹清灰.*楼内楼层间均设有楼梯,楼道宽畅,并按人性化设计.*主楼外封采取C型钢作框架,外封采取50mm厚的夹芯彩钢板.5、水计量系统*3,水计量通过精称仓实现粗、精称量,底部卸料由气动碟阀节制,气动碟阀口径φ150(WAM).*水秤卸水管路设置了加压水泵.*称重传感器3个(托利多).6、水泥计量系统*3,装置在搅拌机的上方,底部卸料由气动碟阀节制,气动碟阀口径φ300(WAM), 并配有一个振动器(WAM).*称重传感器3个(托利多).*水泥计量斗还配有通气帽和通气管.*水泥计量斗可与多根螺旋输送机相匹配.7、粉煤灰/矿粉计量系统*3,装置在搅拌机的上方,底部卸料由气动碟阀节制,气动碟阀口径φ300(WAM), 并配有一个振动器(WAM).*称重传感器3个(托利多).*粉料计量斗还配有通气帽和通气管.*粉料计量斗可与1~2根螺旋输送机相匹配.8、外加剂计量系统*外加剂3,位于水秤的上方.由不锈钢板制成,计量好的外加剂通过水计量斗,和水一起进入搅拌机.外加剂计量通过精称仓实现粗、精称量.*2套独立的外加剂供应管路设备.并配置两个10m3外加剂储料箱.*称重传感器1个(托利多).9、气动系统*配备1台上海复胜或英格索兰空压机,功率11kW.*气动主管道采取为1"橡胶管,与气缸的毗连采取透明PU软管.*333的储气罐.10、电控系统中联搅拌站自动节制系统是连系中联重科多年来在搅拌站生产和使用过程中积累的丰富经历和多年来在同行业形成的专业水准,充分思索客户多方面的特殊需求以及吸取了国表里混凝土搅拌站的优点,采取最新技术开辟和研制出的产品,在同类产品中具有系统稳定性好、自动化程度高、生产效率高、操纵界面友好、操纵方便矫捷等优势,其电气节制系统硬件由电子称量、可编程节制器、外围执行器件和检测器件以及电视监视等部分组成,软件包含自动生产节制软件、数据管理软件.(一)硬件部分:*采取当今先进的工控机加PLC组成上、下位机节制形式.*采取德国西门子S-300系列PLC(或者日本的欧姆龙PLC)作为下位节制机完成所有参数和信号的收集、运算及输出节制,是今朝国内最高的工控配置.*采取台湾研华工业节制计算机作为上位监控机实现配料、卸料、搅拌和出砼全过程的监控.*电控系统发生故障时,操纵人员可通过节制台上的手动按钮手动节制配料节制.*采取施耐德NS系列空气开关和施耐德GV2系列电机呵护器、C32N系列断路器产品.*采取施耐德LC1-D系列交流接触器产品.*采取施耐德中间节制继电器产品.*其它按钮、指示灯采取施耐德产品.*打印机为日本系列产品.*配备1000VA不间断 UPS电源.*专用变压器为节制系统提供靠得住电源,操纵台节制电源也采取专用变压器,有效地对各种干扰停止隔离.(二)软件部分:可提供采取SQL SERVER-2000数据库管理系统自行开辟的网络管理系统.可开放和提供数据库接口给第三方数据库管理系统停止毗连,在不影响生产的情况下,实现双向传输数据及节制管理.节制软件分为两部分:一部分是装置在PLC,用于节制整个生产过程的下位机程序;另外一部分装置在工控机,用于搅拌站节制系统和信息管理系统,分别负责生产过程的监控及搅拌站的信息管理.◆系统的功能:对生产过程停止动态节制和监控,如启动、暂停、复位、启动或取消下车生产等节制,并可实时的对各种参数停止设置,如搅拌时间等各种时间参数、各种秤的振动选择、落差数据、加减水等,体现了操纵的简便性和节制的矫捷性,大大提高了生产效率;在节制系统的主界面上,可以清晰地、实时地看到从配料、皮带运输、投料、搅拌、卸料的整个混凝土生产过程,并在生产过程实时的反映整个搅拌站设备的状态,对故障报警提示.◆信息管理系统的功能对搅拌站各种信息停止统一管理,并根据用户分歧的权限,停止分歧的操纵节制,通过数据库服务器停止网络管理,实现实时数据交换,使搅拌站各种数据的在任何时间都能坚持统一性和完整性.主要功能有:用户管理、配方管理、任务管理、资料管理、车辆管理、报表查询、客户与供应商及员工信息阅读等.中联搅拌站电气节制系统的特点:*生产监控和数据管理同时停止双机单控(选配)方式:用户任意选择数据选择保管的计算机,两台计算机可同时与PLC通信,由用户随意切换两台计算机的节制权.当一台计算机节制时,可通过另外一台计算机监控主机生产状态、修改或添加数据,所有更改的数据在主控机上同步显示,真正实现了数据的共享和同步.当主控机出现故障时,可以当即把节制权交给另外一台计算机,包管生产过程的持续性,大大提高系统的平安性.别的一种方式是通过网络,任务调度室能将任务提交给操纵员,实验室能将管理各种配比,财务能阅读统计打印各种报表,并包管在所有用户过程中数据的统一性和完整性,真正实现了网络节制,信息共享.*在当车生产过程中,能启动下车生产,在下车配料之前能取消下车生产,当车骨料投完后顿时停止下车计量,实现持续无间隔的生产,大大提高了生产效率.*节制过程矫捷,可以任意切换在生产过程中,能暂停生产并对故障和超欠称停止处理,处理完成后可继续停止生产,包管了生产质量、降低了物料华侈、提高了生产效率.*具有暂停配料、卸料功能,取消暂停后重新返回自动运行;*骨料进料采取双气缸门节制,分别节制粗称、精称门,精称粗称时间实时可调,包管称量精度和缩短进料时间,提高了产品质量;*骨料含水率的输入与自动换算;搅拌站工作人员通过常常使用参数设置页面输入当时骨料实际含水率,软件将根据含水率自动换算,得到骨料和水的实际配比值,体现了节制系统的简便性.*生产过程中能根据实际情况动态的加减水,确保了生产质量.*操纵员能根据实际情况和生产过程在出现的问题动态修改落差值,确保在复杂情况下骨料计量的切确性,进一步提高了产品质量.*配比值、实际值、误差百分比、落差值、所需方量、供应方量动态实时显示,并可设置当车生产方量和主机容量,程序将根据操纵员设定的生产方量和主机容量以及含水率等一些信息自动计算各物料的配比值,大大简化了操纵员的工作,操纵员对生产过程一目了然;*自动故障诊断、报警功能在生产过程中动态的给出个部件的故障信息,并提示用户处理.*电子称重终端具有自检、清零、校秤及扣称等功能;*操纵员登陆暗码设置及权限管理操纵员通过登陆页面的暗码认证才干进入节制系统,管理员可增加和删除操纵员,并可为其分配权限或修改权限,增加了系统的平安性,体现了管理系统的特点.*可手工输入生产数据,并特别为客户思索简化了输入生产数据的过程.当出现电脑故障或网络中断,或者由于特殊原因需要手动生产,此时,用户可以通过手工输入生产数据,将这些生产数据加入生产数据库,确保了生产数据的完整性,便于以后的统计或查询.*强大的发货单打印功能根据客户需要,可以为客户打印任意格式的发货单,并可以选择自动打印或手动发货单,发货单提供定制表格打印和完整表格打印两种方式供用户选择,用户可以根据需要设置打印纸的大小,提高了打印的矫捷性,节俭了打印纸张.*系统平安靠得住性高用户可以根据需要选择双机单控系统,实现节制的无间隙切换,共享数据,确保生产的持续性;各种数据可以定时备份,开机备份,高速还原,真正实现数据的平安性;*专业坍落度节制系统可以以实时曲线的方式对混凝土坍落度状况停止监控,在坍落度超出允许范围时能及时报警,并节制出砼(通过选择也可不节制出砼).*强大的信息管理功能⏹网络节制,信息共享,可与大型管理软件缓冲毗连,数据共享,相对独立,互不影响.⏹用户管理,信息平安.⏹任务管理:调度室人员具有任务增、减、修改等功能,当网络中断时,操纵员也可停止任务管理.⏹配方管理:实验室人员具有配方增、减、修改、打印等功能,当网络中断时,操纵员也可停止任务管理.⏹车辆管理:系统具有车辆信息维护的功能.⏹生产报表和发货单:系统生产报表完善,提供多种查询功能.⏹打印管理:系统打印功能完善,提供发货单打印、生产详单打印、原资料消耗打印、各种统计信息打印、配方打印,用户可根据需要自动打印和设置打印纸的大小.11、监控系统*两点摄像监视(最多八点监视).*黑色摄像机(精视SCY-4530):一套.*联想商务计算机(17"液晶显示器)及监视卡:一套.12、节制室及室内设置*配备冷暖1.5P壁挂式空调一台.*复合木地板装修地面.*配备照明、换气扇、窗帘及办公椅.选购配套设备:1、螺旋输送机(φ273) 2条*直径273,长8-9米,WAM/仕高玛.2、螺旋输送机(φ323)2条*直径323,长8-9米,WAM/仕高玛.3、粉罐(200T/密度按1.35计算)粉煤灰/矿粉2个*含上、下料位指示器(WAM) 、手动蝶阀(WAM)、仓顶除尘器(WAM)、压力平安阀(WAM)、助流气垫(WAM)以及冒顶警示灯、振动清灰开关.)水泥2个*含上、下料位指示器(WAM) 、手动蝶阀(WAM)、仓顶除尘器(WAM)、压力平安阀(WAM)、助流气垫(WAM)以及冒顶警示灯、振动清灰开关.。
XXXXX公司选矿专业技术标准第一条为了加强公司选矿技术管理,提高选矿生产效率、产品质量和选矿技术水平,特制定本标准。
第二条本标准根据公司现有原矿性质、生产流程、设备状况、浮选技术条件而制定,本标准适用于公司选矿技术管理。
第三条碎矿工序(一)碎矿工序概述及技术要求1.碎矿工序是选矿生产的第一工序,其主要任务是为磨矿工序提供合格粒度,碎矿工序作业的好坏,直接影响磨矿处理量,碎矿粒度小,磨矿效率就高,反之磨矿效率就低。
2.碎矿工序作业直接影响磨矿能耗,从而也影响整个选矿能耗,因此加强碎矿工序技术操作,是搞好浮选指标的重要前提。
(二)碎矿工艺流程一段开路碎矿流程。
原矿仓的矿石经重型板式给料机给到颚式破碎机,颚式破碎机破碎后由胶带运输机运至粉矿仓。
(三)主要设备1.BZ1500×9000重型板式给料机1台。
2.C110颚式破碎机1台。
3.DTII(A)B1000*88.1带式输送机1条。
4.GC12-11湿式高效除尘器1台。
(四)工艺参数1.给矿粒度≤500mm。
2.排矿粒度≤200mm。
3.原矿仓格筛规格500mm×700mm。
4.破碎比为2.5。
(五)设备操作参数1.重型板式给料机的链速:0.05~0.095m/s。
2.重型板式给料机变频调速电机的变频范围5~50HZ。
3.破碎机进口尺寸1100mm*850mm。
4.破碎机排矿口尺寸70mm~200mm。
第四条磨矿工序(一)磨矿工序概述及技术要求1.磨矿分级工序是选矿生产的重要工序,其主要任务是为下道选别工序提供解离充分且过磨轻的入选物料。
2.磨矿分级工序作业的好坏,直接影响选别指标,因此加强磨矿分级工序技术操作,是搞好选别指标的重要前提,必须严格磨矿工序技术操作,确保入选物料的浓细度,以满足选别工序技术要求。
3.磨矿分级工序是选矿生产能耗最高的工序,为此加强磨矿管理,严格技术操作,在满足溢流浓度细度的前提下,尽可能地提高磨矿台效,是降低磨矿分级工序以及选矿生产全过程能耗最有效的途经。
重型板式给料机使用说明书重型板式给料机使用说明书唐山开泰起重输送机械有限公司目录一( 用途及使用范围……………........1 二( 主要技术参数及特点……………1 三( 工作原理………………………....1 四( 机器的主要结构…………………1 五( 安装………………………………2 六( 调试………………………………4 七( 设备的润滑………………………5 八( 设备的使用与维护………………5 九( 配套件清单………………………6 十( 图一驱动装置…………………..7 十一( 图二主轴装置…………………8 十二( 图三下托辊……………………9 十三( 图四上托链辊…………………10 十四( 图五承重辊……………………11 十五( 图六运行机构…………………12 十六( 图七尾部张紧装置……………13 十七( 图八驱动装置安装示意图(一) 十八( 图九驱动装置安装示意图(二) 十九( 图十驱动装置安装示意图(三)共16页第1页 1.用途:重型板式给料机主要用于向破碎机连续均匀的给料。
在使用中不允许卸空物料,不允许大块物料直接冲击负荷链板(输送槽),不允许在负荷链板上进行爆破破拱操作。
2(设备整体布置:参见我公司提供的设备总图。
3(主要技术参数和特点:链板宽度:1200mm 1400mm 1500 mm 1600 mm1800 mm2000 mm 2200 mm 2300 mm 2400 mm头尾轮中心距:5000,15000 mm输送量:150,1000t/h链速:0.05m,0.095m/s(50HZ时)oo 安装倾角:α=0,25电机型号:YTP型变频调速电机功率15,75KW变频范围5,50HZ减速机型号:KDAB型低速输出为轴装式,驱动装置为悬挂式与机身相连,不需另设驱动基础。
驱动装置:安装可分为左式或右式,可由用户自行选择。
为满足用户使用,我们可以按用户所需特殊需要设计制造各类重型板式给料机。
B1250×18000中型板式喂料机技术文本二.供货范围及主要零部件规格板式喂料机是破碎工艺辅助设备,由料仓向初级破碎机连续和均匀给料,也可用于短距离的物料输送,被广泛用于矿山、水泥、化工及冶金企业的采选、转运、配料等工艺过程中。
其最大的特点在于适用大中型水泥厂生产线中松散、块状、量大喂料工序,尤其能在高温高湿恶劣环境中可靠工作。
板式喂料机是水泥行业必不可少的设备之一,在水泥生产中发挥着不可估量的作用。
因此,水泥企业为了提供整体工作效率,做到正确选择设备和维修保养设备是十分重要的。
供应商的研发实力是企业选择设备的重要因素很多企业在购买设备时往往过于关注在使用过程中容易出现的故障是否存在,如焊接技术是否过关;机器表面是否完美;安装之后螺丝那里是否有垫片;出厂前,是否有检测设备验,收产品是否合格等问题。
然而设备的倾角、产能及进料粒度却很少有企业看重。
在当前竞争如此激烈的环境下,很多企业都视产品质量为企业的生命,然后每个企业真正的差别在于企业实力的不同,而企业实力主要由企业的科研团队来体现。
因此,水泥企业要选择优质高效的板式喂料机,必须先了解设备供应商的研发实力。
据了解,郑州鼎盛工程技术有限公司自成立十多年了,拥有数十位国家级专家组成的一个强有力的科研团队。
鼎盛公司研发的板式喂料机设计合理,均能延长各部件的使用寿命。
如机尾部有枕木吸震,中部有一定数量特殊吸震托辊支承,改善大块物料冲击两侧滚轮和槽板的受力条件,提高运行部件的寿命;牵引链和承载链分开,动载荷小,提高寿命……板式喂料机可水平安装,也可倾斜安装,最大倾角为25°。
如何操作维修保养设备是保障高效生产不可或缺的水泥企业能正确的安装、调试与操作,正常的维护都是保证板喂机的良好使用,提高使用寿命的必要手段。
然而现在很多设备供应商提供的只是简单的售后服务,即设备出现故障时售后人员才会感到作业现场。
事实上,鼎盛公司急客户之所急,解客户之所需。
板式给料机功率计算摘要:本文阐述了板式给料机功率的定义及计算方法。
关键词:板式给料机、功率、力、产量、运料速度。
问题的提出在国内大型矿山中,运送物料方式主要分为皮带运输和板式给料机运输两种。
由于皮带易被矿石头割裂,使用寿命短,平均为一个月。
有时三五天就要更换一次,每换一次需要停产半天到一天,致使停产维修。
皮带机的给料速度太快,矿仓经常放空,物料很容易砸坏托辊,使皮带机的损坏加剧。
综上可以看出皮带机的维修量大且奋勇高。
板式给料机是钢结构件,与物料接触面为16Mn耐磨材质,不易被物料磨损割裂,运行特点是低速重载,具有很强抗压性。
综上所述在振动筛和破碎机上方的料仓下普遍选用板式给料机。
那么如何根据已知条件正确选择板式给料机驱动电机的功率,使功率得到有效利用,功率既要够用也不浪费。
下面将详细介绍功率定义及计算方法并举例说明功率的定义功率是指物体在单位时间内所做的功,即功率是描述做功快慢的物理量。
功的数量一定,时间越短,功率值就越大。
功率的计算求功率的公式为功率=功/时间(即p=w/t),功的计算公式W=FsP表示功率,单位是“瓦特”,简称“瓦”,符号是“w”。
W表示功,单位是“焦耳”,简称“焦”,符号是“J”。
t表示时间,单位是“秒”,符号是“s”。
因为W=F (f 力)*s(s 距离)(功的定义式),所以求功率的公式也可推导出P=F·D①(F 为力,D为速度)对于板式给料机运送的物料我们选取其中的一个单元dv。
物料运行方式主要分0度和有倾角两种情况。
0度物料单元受力分析如图:在相对静止的物料中,物料单元受到的其他物料的作用力相互抵消。
去掉抵消的力。
物料主要受图示4个力的作用。
由图中可以知道,重力和支撑力是一对作用力与反作用力,牵引力和摩擦力是一对作用力与反作用力。
即G=F2,F1=f沿着力的位移方向重力和支撑力不做功,我们要求的功率就是单位时间内牵引力所做的功,也就是单位时间内摩擦力消耗的功。
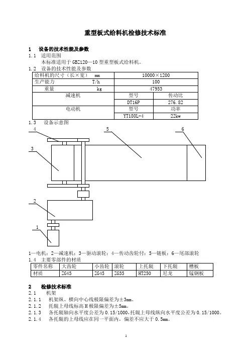
重型板式给料机检修技术标准1 设备的技术性能及参数1.1 适用范围本标准适用于GBZ120—10型重型板式给料机。
1—电机;2—减速机;3—驱动滚轮;4—传动齿轮付;5—链板;6—尾部滚轮2 检修技术标准2.1 机架2.1.1 机架纵、横向中心线极限偏差为±3mm。
2.1.2 托辊上母线标高H极限偏差为±5mm。
2.1.3 各托辊轴向水平度公差为0.15/1000,托辊上母线纵向水平度公差为0.15/1000。
2.1.4 各托辊的上母线应在同一平面内,偏差不应大于0.5mm。
2.1.5 各托辊的轴线与板式给料机的纵向中心线应垂直,垂直公差为1/1000。
2.2 传动部2.2.1 联轴器同轴度公差为0.10/1000。
2.2.2 传动大小齿轮啮合面的接触斑点要求:沿齿高大于40%,沿齿宽大于是60%;齿轮付的齿侧间隙为:0.08-0.16 mm。
2.2.3 驱动轮轴的纵、横向中心线极限偏差为±3mm,并与机架安装中心线的相对差不大于2mm。
2.2.4 驱动轮轴对托辊上母线之相对标高极限偏差为±1mm。
2.2.5 驱动轮的水平公差为0.15/1000。
2.2.6 驱动轮轴线与板式给料机的纵向中心线应垂直,垂直度公差为0.5/1000。
2.2.7 驱动轮轴与轴瓦的底瓦成60°-90°的接触角,要达到每25 mm×25 mm不少于15-25点;轴颈与轴瓦的间隙为1.4 mm。
2.3 链板2.3.1 槽板磨损后的厚度不得小于7 mm。
2.3.2 槽板焊接需牢固,无脱焊,焊缝高度不小于10mm。
2.3.3 链板销轴磨损后的直径不得小于66 mm。
2.3.4 链板连接环无变形、无脱焊。
2.3.5 链板上部的拦矿板距离链板的间隙不得大于40 mm。
2.4 托辊2.4.1 下托辊磨损后的直径不得小于200mm。
2.4.2 上托辊磨损后的直径不得小于70%。
重型板式给料机安全操作规程1. 引言重型板式给料机是一种用于物料输送和给料的重要设备。
为保证其安全运行,避免事故发生,特制定本安全操作规程。
2. 设备概述重型板式给料机由送料机构、机械传动部分、运行控制部分和保护控制部分组成。
其工作原理是通过送料机构将物料从储料仓中均匀地送入给料机的工作场地。
3. 操作前的准备工作3.1. 操作人员应熟悉设备的结构和工作原理,并具备相关的技能和知识。
3.2. 检查设备是否处于正常工作状态,如有异常情况应及时报修。
3.3. 清理工作区域,确保周围无杂物和障碍物。
3.4. 穿戴个人防护装备,包括安全帽、安全鞋、工作服等。
4. 操作过程4.1. 在启动设备前,应先确认周围无人员,并进行设备自检。
4.2. 启动设备时,应按照操作面板上的提示和指示进行操作,如有异常情况应立即停机检查。
4.3. 在工作过程中,严禁伸手或戴手套直接接触物料,以防止手部受伤。
4.4. 定期检查设备的传动部分和运行控制部分,如发现异常现象应及时处理。
4.5. 在停机时,应按照规定的程序进行停机操作,并确保设备完全停止后方可离开。
4.6. 若需要对设备进行维护和保养,应先切断电源,并进行必要的安全防护措施。
5. 安全注意事项5.1. 不得超载运行设备,以免设备过载导致事故发生。
5.2. 当设备出现异常声音、振动或其他异常现象时,应立即停机检查,排除故障后才能继续使用。
5.3. 不得将手指、手臂或其他身体部位伸入设备运行区域,以免夹伤或拉伤。
5.4. 不得随意堆放杂物或障碍物在设备周围,以免影响设备的正常运行。
5.5. 不得在设备运行时随意拆卸或更换零部件,以免影响设备的正常工作。
5.6. 不得随意调整设备的工作参数,如需调整应由专业人员进行。
5.7. 若设备长时间不使用,应切断电源,并进行必要的防护措施,以免设备产生异常或危险。
6. 突发情况处理6.1. 在设备运行过程中,若发生火灾、爆炸等突发情况,应立即切断电源,并采取必要的灭火和紧急疏散措施。
重型板式给料机2200X10000 产品说明书重型板式给料机产品说明书(2200×10000mm)沈阳矿山机械(集团)进出口公司目录1.用途和使用范围2.技术特性3.工作原理与结构特性4.安装、调整和试运转5.操作规程与维护6.机器的润滑1、用途和使用范围重型板式给料机,广泛地应用在采矿,冶金,建材和煤碳等工业部门。
该机主要用于具有一定仓压的料仓和漏斗下面,将各种大容重物料短距离均匀连续的输送给个级破碎,筛分和运输设备,特别是用在初碎以下更合适。
它不仅适合处理粗粒物料,对细粒物料也同样适应。
可在恶劣的环境中,完成繁重的工作,对物料的粒度成分的变化,温度,粘度,冰霜,雨雪的影响或冰结的物料都有较大的适应性。
给料量均匀准却可靠,该机可水平安装,也可倾斜安装,向上运输最大倾角为23°。
2、技术特性:规格-----------------------------------------2200X9944mm链板宽度-------------------------------------2200 mm链轮轴心线至拉紧轴心线的距离--------------------9944 mm给料速度-------------------------------------0.01∽0.067m/s生产能力-------------------------------------100~650t/h给料粒度-------------------------------------≤1.0x1.0x1.2m拉紧装置调整距离-----------------------------700 mm向上运输倾角---------------------------------20°电动机:型号-----------------------------------YP2280M-6功率-----------------------------------55KW转速-----------------------------------980r/min 减速器:行星与直交复合式总速比---------------------------------6103、工作原理与结构特性重型板式给料机是将电动机的动力,经过联轴器和减速器驱动链轮轴旋转通过链轮齿与链条销轴啮合,拖动链板作连续直线运动。
重型板式给料机设计分析摘要:板式给料机是选矿厂常用的给料设备,主要分为重型、中型、轻型三种。
而各种型号的板式给料机按传动方式分右式传动和左式传动,顺物料运行方向,传动系统在机器右侧的为右式传动,反之为左式传动。
重型板式给料机是运输机械的辅助设备,主要负责在大型选矿厂破碎分级车间及水泥、建材等部门,作为料仓向初级破碎机连续和均匀给料之用,也可用于短距离输送粒度与比重较大的物料。
本文主要从重型板式给料机结构的组成、应用、工作原理等方面进行具体的阐述,从而分析重型板式给料机的设计要点和经验。
关键词:重型板式给料机原始参数摩擦阻力驱动功率中图分类号: tf351.2 文献标识码: a 文章编号:重型板式给料机属于短距离转载输送设备,经常在仓压工况下的转载作业和初破系统的给料中得到应用。
它主要是由主轴装置、驱动装置、支承装置、链带装置、拉紧装置、栏板料斗、机架等部分组成。
在主轴装置中,主要是由驱动链轮、驱动轴、支承星轮、轴承座等组成。
在驱动装置中,主要有减速器、电机、扭矩杆、联轴器等组成。
支承装置由滑轨组成。
链带装置中有牵引链轨、承料槽板。
拉紧装置由改向轮、拉杆、尾轴、滑动轴承座、复合弹簧等组成。
机架是型材组焊成的,并且是其他装置的主要载体。
重型板式给料机的工作原理是利用驱动装置来旋转主轴装置。
主轴装置中的链轮促使链带装置开展直线运动,把物料输送到需要的地方。
这种设备的特点是,可以承载深仓仓压,也能满载启动变频调速,只要在小于25度的倾角范围内,就可以安装使用。
既可以水平安装,也可以倾斜安装。
料仓不能处于卸空的状态,这样物料会直接打到给料机的上方。
1设计要点分析1.1确定主要的设计参数根据工艺流程设计,得出一些原始的参数,例如头尾轮中心距l、物料密度、给料能力q、安装倾角、槽板宽度b、在一小时内输出料层的平均厚度h、仓压g以及物料粒度α。
根据原始的参数,确定出一些主要的设计参数公式。
装载的有效长度公式为,槽板的有效宽度公式为,链带运行速度公式为。
产品说明书ZB1500X8000重型板式给料机沈阳矿山机器厂目录1.用途和使用范围 (2)2.机器外型图 (2)3.技术特性 (2)4.工作原理 (2)5.机器结构 (2)6.安装 (3)7.机器调试 (4)8.机器操作与使用 (4)9.机器润滑 (5)10.机器维护保养 (5)1.用途和使用范围:重型板式给料机广泛地应用在采矿、冶金、建材和煤炭等工业部门。
该机主要用于具有一定仓压的料仓和漏斗下面,将各种大容量物料短距离均匀、连续的输送给各种破碎、筛分和运输设备特别是用在初破以下更为合适。
它不仅适合处理粗粒物料,对细粒物料也同样适应。
可在恶劣的环境中完成繁重的工作,对物料的粒度成分的变化,温度、粘度、冰霜的影响或冰结的物料都有较大的适应性,给料量均匀准确可靠。
在使用中不允许卸空物料及大块物料直接冲击链板表面,更不允许在链板表面上进行爆破。
该机可水平安装,也可倾斜安装,向上运输最大倾角为250。
2.机器外型图:(图1)3.技术特性:规格----------------------------------------------------------1500X8000mm链板宽度------------------------------------------------------1500mm链轮轴中心线至拉紧轴中心线距离--------------------------------8000mm生产能力------------------------------------------------------≤100-200t/h物料容重------------------------------------------------------物料粒度------------------------------------------------------≤600mm给料速度------------------------------------------------------0.02~0.06m/s安装倾角------------------------------------------------------00电动机型号------------------------------------------------------YP2200L1-6功率------------------------------------------------------18.5KW转速------------------------------------------------------970r/min 减速器型号-----------------------------------------------------ZJX8-Ⅰ(Ⅱ)-440速比-----------------------------------------------------4404.工作原理:机器运转由电动机的转动经过联轴器、减速器带动主轴装置旋转,并通过主轴装置上的链轮与链条啮合带动链条上的链板作直线运动,达到将链板上的物料运送给破碎机的目的。
一、单台成套圆盘给料机规格、性能、技术参数指标:二、圆盘给料机技术要求:(一)、控制部分技术要求:⑴、就地/远程控制箱带有所有电机的启/停按钮、急停按钮、运行/停止/故障状态显示(LED)指示灯、电流表、操作指示牌、远程/就地转换开关(变频器由投标方提供)。
⑵、就地/远程控制箱要有效接地装置,并要有明显的接地标志。
⑶、就地/远程控制箱的绝缘电阻应大于1MΩ。
⑷、就地/远程控制箱出厂前要进行1s耐压试验,试验电压一般具有两倍的电气设备额定电源电压值或1000V,试验1s无闪烁现象;不适宜经受该试验的元器件要在试验期间断开。
(二)、圆盘给料机质量、性能、技术要求:1、圆盘给料机由圆盘本体及套筒(短管)组成。
圆盘本体包括本体支架(回转支承)、底座、圆盘(含衬板)、盘面底座、卸料罩、调节闸门、传动部分(含变频电机)、套筒包括套筒组装(含衬板)、刮料刀、巡检平台等全套满足正常给料生产的圆盘给料机系统,且应满足工艺布置及基础设计要求。
2、圆盘给料机随圆盘转动的物料通过可调节闸门溢出并依靠刮料刀使物料沿圆盘和刮刀面向外滑动,至圆盘边沿滑落,完成均匀可控给料作业。
3、采用不堵料挂料的短管(套筒),短管采用蜗壳结构,使物料能够顺利卸出;套筒上设有检修门,便于处理堵料、清理杂物。
4、圆盘给料机圆盘或大锥齿轮的锥形孔与竖轴的配合要紧密,接触面积不少于锥形孔总面积的70%;采用大直径回转支承结构,可长期承收15米以上物料压力。
5、采用开启灵活的可调节料量控制闸门,改变闸门的高度,与圆盘转速配合,可以方便地设置给料量大小,闸门要求能关到底。
6、传动装置自带循环润滑系统;主传动采用变频调速电机,并配冷却风机;各转动件必须转动灵活,无卡阻现象;润滑密封良好、润滑良好,无堵油、漏油现象。
轴承温升≤35℃。
7、电机、减速机安装在圆盘下面;驱动器是电动机、减速系统、给料机机座、主支撑转动轴多部件有机直联一件多用途的组合。
8、能实现变频无级自动调速系统,调整范围大,充分调节给料量,满足配料要求。
(19)中华人民共和国国家知识产权局(12)实用新型专利(10)授权公告号 (45)授权公告日 (21)申请号 201920351922.5(22)申请日 2019.03.20(73)专利权人 云南华联锌铟股份有限公司地址 663701 云南省文山壮族苗族自治州马关县都龙镇云南华联锌铟股份有限公司(72)发明人 许维维 李爱玲 李振球 秦龙斌 李永芬 (51)Int.Cl.B65G 47/18(2006.01)B65D 88/66(2006.01)B02C 23/02(2006.01)(54)实用新型名称一种改进型重型板式给料机(57)摘要一种改进型重型板式给料机,及给料设备改进,在受料槽上设置有自动整料装置,所述自动整料装置包括:滑槽、滑动块、固定挡块、震动电机、启动限位开关、停止限位开关、物料挡块;彻底解决重型板式给料机运行过程中矿石卡死问题,从根源上杜绝了矿石卡死对操作人员的劳动强度以及设备使用寿命的影响。
权利要求书1页 说明书3页 附图1页CN 210001098 U 2020.01.31C N 210001098U权 利 要 求 书1/1页CN 210001098 U1.一种改进型重型板式给料机,包括物料缓冲仓(300)、受料槽(100),所述受料槽(100)一端连接缓冲仓(300)另一端连接颚式破碎机,物料从缓冲仓(300)出来后通过受料槽(100)运送进入颚式破碎机,其特征在于,在受料槽(100)上设置有自动整料装置(200),所述自动整料装置(200)包括:滑槽(209)、滑动块(205)、固定挡块(203)、震动电机(206)、启动限位开关(208)、停止限位开关(210)、物料挡块(207);所述受料槽(100)的两边上沿纵向设置有滑槽(209),在滑槽(209)靠近的物料缓冲仓(300)一端设置有停止限位开关(210),在滑槽的另一端设有启动限位开关(208),所述启动限位开关(208)和停止限位开关(210)连通震动电机(206);所述滑动块(205)骑跨安装在受料槽(100)的滑槽(209)内构成滑动副,所述物料挡块(207)固定在滑动块(205)顶端向斜上方倾斜延伸,物料挡块(207)末端为三角形且延伸方向与物料流向相反,所述受料槽(100)上沿还横置一块固定挡块(203),所述固定挡块(203)位于滑槽(209)和颚式破碎机之间;滑动块(205)与固定挡块(203)之间通过弹性装置(204)连接,所述震动电机(206)安装在滑动块(205)上。