各种气瓶的颜色标志word精品
- 格式:docx
- 大小:5.75 KB
- 文档页数:1
常用气瓶颜色标志一览表
欧阳家百(2021.03.07)
表2-1-1
1.1气瓶状况
(1)在检验周期内使用
①钢制无缝气瓶:盛装腐蚀性气体的气瓶、潜水气瓶、常与海水接触的气瓶每2年检验一次;一般性气瓶每3年检验一次;惰性气瓶每5年检验一次;对使用年限超过30年的气瓶,登记
后不予检验按报废处理。
②钢制焊接气瓶:盛装腐蚀性气体的气瓶每2年检验一次;一般性气瓶3年检验一次;腐蚀性气瓶12年报废。
③液化气瓶:自制造日期起,第一次到第三次检验周期均为4年,第四次检验周期为3年;15年后报废处理。
④乙炔气瓶:每3年检验一次。
(2)气瓶外观无缺陷,无机械性损伤和严重腐蚀。
腐蚀点<2mm×200mm。
(3)气瓶表面漆色、字样和色环标记应符合规定,且有气瓶警示标签。
(见附件中表2-1-1)
(4)安全附件齐全、完好—气瓶附件包括气瓶专用爆破片、安全阀、易熔合金塞、瓶阀、瓶帽、防震圈等。
GB 7144—1999国家质量技术监督局1999—12—17批准2000—10—01实施前言本标准是GB 7144—1986《气瓶颜色标记》的修订本。
主要有四处变动:舍弃“特种气体类”的气瓶色标;增列17种气体的气瓶色标;二氧化氮气瓶和硫化氢气瓶互换瓶色;更改工业用液化石油气瓶的色标。
此外,从1989年版《气瓶安全监察规程》引入气瓶检验色标。
本标准从实施之日起代替GB 7144—1986。
本标准由全国气瓶标准化技术委员会提出并归口。
本标准起草单位:上海高压容器有限公司。
本标准主要起草人:陈保仪、陈伟明。
本标准于1986年12月首次发布,1999年12月首次修订。
范围本标准规定了作为充装气体识别标志的气瓶外表面涂色和字样。
本标准适用于公称工作压力不大于30MPa、公称容积不大于1 000L、移动式可重复使用的气瓶。
1.本标准不适用于灭火用的气瓶、车辆燃料气瓶和机器设备上附属的气瓶。
2.进口气瓶应按本标准的要求涂敷(或改涂、复涂)颜色标志。
3.4. 2 引用标准5.下列标准所包含的条文,通过在本标准中引用而构成为本标准的条文。
本标准出版时,所示版本均为有效。
所有标准都会被修订,使用本标准的各方应探讨使用下列标准最新版本的可能性。
6.GB/T 3181—1995 漆膜颜色标准7.GSB G51001—1995 漆膜颜色标准样卡8.9. 3 定义10.本标准采用下列定义。
11.3.1气瓶颜色标志coloured cylinder mark for gas12.气瓶外表面涂敷的字样内容、色环数目和涂膜颜色按充装气体的特性作规定的组合,是识别充装气体的标志。
13.3.2 色环colour ring14.公称工作压力不同的气瓶充装同一种气体而具有不同充装压力或不同充装系数的识别标志。
15.3.3 色卡colour chip16.表示一定颜色的标准样品卡(GB/T 3181—1995中3.10)。
1.2. 4 气瓶的涂膜颜色名称和鉴别3.4.1 气瓶的漆膜颜色应符合GB/T 3181的规定(铝白、黑、白除外)。
常用气瓶颜色标志一览表
1.1气瓶状况
(1)在检验周期内使用
①钢制无缝气瓶:盛装腐蚀性气体的气瓶、潜水气瓶、常与海水接触的气瓶每2年检验一次;一般性气瓶每3年检验一次;惰性气瓶每5年检验一次;对使用年限超过30年的气瓶,登记后不予检验按报废处理。
②钢制焊接气瓶:盛装腐蚀性气体的气瓶每2年检验一次;一般性气瓶3年检验一次;腐蚀性气瓶12年报废。
③液化气瓶:自制造日期起,第一次到第三次检验周期均为4年,第四次检
验周期为3年;15年后报废处理。
④乙炔气瓶:每3年检验一次。
(2)气瓶外观无缺陷,无机械性损伤和严重腐蚀。
腐蚀点<2mm×200mm。
(3)气瓶表面漆色、字样和色环标记应符合规定,且有气瓶警示标签。
(见附件中表2-1-1)
(4)安全附件齐全、完好—气瓶附件包括气瓶专用爆破片、安全阀、易熔合金塞、瓶阀、瓶帽、防震圈等。
气瓶颜色标志GB7144-1999自2000-10-1 起执行前言本标准是GB7144-1986《气瓶颜色标记》的修订本。
主要有四处变动:舍弃“特种气体类”的气瓶色标;增列17种气体的气瓶色标;二氧化氮气瓶和硫化氢气瓶互换瓶色;更改液化石油气瓶的色标。
此外,从1989年版《气瓶安全监察规程》引入气瓶检验色标。
本标准从实施之日起代替GB7144-1986本标准由全国气瓶标准化技术委员会提出并归口。
本标准起草单位:上海高压容器有限公司。
本标准主要起草人:陈保仪、陈伟明。
本标准于1986年12月首次发布,1999年12月首次修订。
1 范围本标准规定了作为充装气体识别标志的气瓶外表面涂色和字样。
本标准适用于公称工作压力不大于30MPa、公称容积不大于1000L、移动式可重复使用的气瓶。
本标准不适用于灭火用的气瓶、车辆燃料气体和机器设备上附属的气瓶。
进口气瓶应按本标准的要求涂敷(或改涂、复涂)颜色标志。
2 引用标准下列标准所包含的条文,通过在本标准中引用而构成为本标准的条文。
本标准出版时,所示版本均为有效。
所有标准都会被修订,使用本标准的各方应探讨使用下列标准最新版本的可能性。
GB/T3181—1995 漆膜颜色标准GSBG51001—1995 漆膜颜色标准样卡3 定义本标准采用下列定义。
3.1 气瓶颜色标志 coloured cylinder mark for gas气瓶外表面涂敷的字样内容、色环数目和涂膜颜色按充装气体的特性作规定的组合,是识别充装气体的标志。
3.2 色环 colour ring公称工作压力不同的气瓶充装同一种气体而具有不同充装压力或不同充装系数的识别标志。
3.3 色卡 colour chip表示一定颜色的标准样品卡(GB/T3181—1995中3.10)。
4 气瓶的涂膜颜色名称和鉴别4.1 气瓶的漆膜颜色应符合GB/T3181的规定(铝白、黑、白除外)。
4.2 气瓶的漆膜颜色编号、名称和色卡见表1。
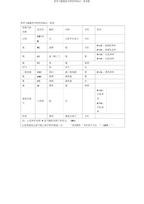
常有气瓶瓶色字样色环标记一览表格
常有气瓶瓶色字样色环标记一览表
充装气体
化学式瓶色字样字色色环名称
乙炔CH≡C
白乙炔不行近火大红H
氢H2淡绿氢大红
P=20 ,淡黄色单环
P=30 ,淡黄色双环氧O2淡(酞)兰氧黒
P=20 ,白色单环
P=30 ,白色双环氮N2黒氮淡黄
空气黒空气白
二氧化碳CO2铝白液二氧化碳黒P=20 ,黑色单环氨NH3淡黄液化氨黒
氯Cl2深绿液化氯白
氩Ar银灰氩深绿
P=20 ,
白色单
液化石油
工业用棕白
环
气P=30 ,
白色双
环
民用银灰液化石油气大红
注: 1.色环栏内的 P 是气瓶的公称工作压力, MPa。
2.民用液化石油气瓶上的字样应排成二行,“家用燃料”居中的下方为“( LPG )”。
气瓶使用安全管理规范一、目的为了进一步加强规范对公司内气瓶的安全管理和使用,根据国家《气瓶安全监察规程》的各项有关规定,障公司安全生产的正常秩序,特制定本制度。
二、适用范围本公司符合《气瓶安全监察规程》所规定压力范围的气瓶有:甲烷瓶、氢气瓶、氮气瓶、丙烷瓶、丁烷瓶、氩气瓶、液化石油气瓶等。
三、领用管理领用气瓶时,领用人必须检查气瓶上是否粘贴符合国家标准的警示标签和充装标签。
如缺失或没有标签,气瓶不得进入厂区。
四、搬卸管理在搬运和装卸气瓶时,必须配戴好瓶帽,轻装轻卸,防止震动,严禁抛、滑、滚、碰、掷、摔及其它容易引起撞击的方法;吊装时,严禁使用电磁起重机和金属链绳。
五、收发贮存管理1、收发贮存保管人员应培训上岗。
2、气瓶贮存保管单位需建立验收制度,指定专人对气瓶的入库与发放及回收实行登记制度(登记内容应包括:气瓶类别、编号、定检周期、外观检查、入或出库时间和领用单位、管理责任人等)。
3、气瓶贮存保管单位每周对工业气瓶的收、发货情况以及使用情况进行检查,设备管理部门、安全生产管理部门不定期对使用、发放、管理情况进行检查。
4、收货时必须检查气瓶外观和标志等。
对盛装气体进行确认,并做好验收记录。
对不符合下列要求之一的拒绝接收:4.1 无充灌合格证的。
4.2 气瓶外观有缺陷及腐蚀、有机械性损伤和严重腐蚀的。
4.3 不在有效的使用、检验周期内,无气瓶检验钢印和不能识别的气瓶。
4.4 漆色及标志不明显的。
4.5 字样和色环标记不符合规定,没有气瓶警示标签(见附表)。
常用气瓶的颜色标志4.6 安全附件不齐全、完好(包括专用爆破片、安全阀、易熔合金塞、瓶阀、瓶帽、防震阀、防震圈等)。
5、贮存管理存放气瓶时,应遵守下列要求:5.1 仓库状况良好,安全标志完善5.1.1储存气瓶的仓库或临时仓库,必须使用防爆开关和灯具.周围禁止动用明火,禁止堆放易燃可燃物资;5.1.2气瓶宜存储在室外带遮阳、雨蓬的场所,存储在固定专用库房室内时,建筑物应符合有关标准要求。
常用气瓶颜色标志一览表
表2-1-1
1.1气瓶状况
(1)在检验周期内使用
①钢制无缝气瓶:盛装腐蚀性气体的气瓶、潜水气瓶、常与海水接触的气瓶每2年检验一次;一般性气瓶每3年检验一次;惰性气瓶每5年检验一次;对使用年限超过30年
的气瓶,登记后不予检验按报废处理。
②钢制焊接气瓶:盛装腐蚀性气体的气瓶每2年检验一次;一般性气瓶3年检验一次;腐蚀性气瓶12年报废。
③液化气瓶:自制造日期起,第一次到第三次检验周期均为4年,第四次检验周期为3年;15年后报废处理。
④乙炔气瓶:每3年检验一次。
(2)气瓶外观无缺陷,无机械性损伤和严重腐蚀。
腐蚀点<2mm×200mm。
(3)气瓶表面漆色、字样和色环标记应符合规定,且有气瓶警示标签。
(见附件中表2-1-1)
(4)安全附件齐全、完好—气瓶附件包括气瓶专用爆破片、安全阀、易熔合金塞、瓶阀、瓶帽、防震圈等。
常用气瓶颜色标志一览表表2-1-1
气瓶状况
(1)在检验周期内使用
①钢制无缝气瓶:盛装腐蚀性气体的气瓶、潜水气瓶、常与海水接触的气瓶每2年检验一次;一般性气瓶每3年检验一次;惰性气瓶每5年检验一次;对使用年限超过30年的气瓶,登记后不予检验按报废处理。
②钢制焊接气瓶:盛装腐蚀性气体的气瓶每2年检验一次;一般性气瓶3年检验一次;腐蚀性气瓶12年报废。
③液化气瓶:自制造日期起,第一次到第三次检验周期均为4年,第四次检验周期为3年;15年后报废处理。
④乙炔气瓶:每3年检验一次。
(2)气瓶外观无缺陷,无机械性损伤和严重腐蚀。
腐蚀点<2mm×200mm。
(3)气瓶表面漆色、字样和色环标记应符合规定,且有气瓶警示标签。
(见附件中表2-1-1)
(4)安全附件齐全、完好—气瓶附件包括气瓶专用爆破片、安全阀、易熔合金塞、瓶阀、瓶帽、防震圈等。
气瓶的颜色标记和钢印标志一、气瓶的颜色标记气瓶的颜色标记系指气瓶外表面的瓶色、字样、字色和色环,其作用有二:一是气瓶种类识别根据;二是防止气瓶锈蚀。
1.颜色标记详见表4-16和表4-17。
①表中P为公称工作压力。
②瓶色包括瓶帽、护罩的颜色。
2.颜色标记的若干说明(1)关于字样字样除了指表4—16中的气瓶充装介质的名称以外,还包括气瓶所属单位的名称和其它内容。
例如:溶解乙炔气瓶内的不可近火等。
字样一律采用仿宋体宇表示,凡属液化气体在介质名称前一律冠以液化、液字样,对于小容积气瓶可用化学式表示。
对于4 0L的气瓶,字体高度为80~100mm,对于其它规格的气瓶,字体大小按相应比例放大或缩小。
说明:①字样一律采用仿宋体,字体高度一般为80毫米②色环宽度一般为40毫米图4—21 气瓶漆色、标志示意图字样排列如图4—21所示。
对于立式气瓶介质名称按瓶的环向横写,位于瓶高3/4处,单位名称按瓶的轴向竖写,位于介质名称的下方或转向180°的瓶侧;对于卧式气瓶介质名称和单位名称均以瓶的轴向从阀端向右(瓶的阀端在涂字人的左方)分项横列于瓶身中部,单位名称位于介质名称之下,项间为气瓶筒身周长的1/4或1/2。
(2)关于色环色环是区别充装同一介质,但具有不同公称工作压力的气瓶标记。
凡充装同一介质且公称工作压力比规定起始级高一等级的气瓶要加涂一道色环,高二个等级的加涂二道色环,公称工作压力分级按表4—1执行。
对于公称容积40L的气瓶,单环宽度为40mm,二环每环宽度为30mm。
其它规格的气瓶,色环宽度按相应比例放宽或缩窄,色环间距等于色环宽度。
色环的位置是:立式气瓶色环位于气瓶高2/3处,且介于介质名称和单位名称之间;卧式气瓶色环位于距阀端1/4瓶体长度处。
色环、字样、防震圈之间,均应保持适当距离。
二、气瓶的钢印标志气瓶的钢印标志是识别气体的依据。
气瓶的钢印标志包括制造钢印标志和检验钢印标志,其位置见图4—22。
GB 7144—1999国家质量技术监督局1999—12—17批准2000—10—01实施前言本标准是GB 7144—1986《气瓶颜色标记》的修订本。
主要有四处变动:舍弃“特种气体类”的气瓶色标;增列17种气体的气瓶色标;二氧化氮气瓶和硫化氢气瓶互换瓶色;更改工业用液化石油气瓶的色标。
此外,从1989年版《气瓶安全监察规程》引入气瓶检验色标。
本标准从实施之日起代替GB 7144—1986。
本标准由全国气瓶标准化技术委员会提出并归口。
本标准起草单位:上海高压容器有限公司。
本标准主要起草人:陈保仪、陈伟明。
本标准于1986年12月首次发布,1999年12月首次修订。
范围本标准规定了作为充装气体识别标志的气瓶外表面涂色和字样。
本标准适用于公称工作压力不大于30MPa、公称容积不大于1 000L、移动式可重复使用的气瓶。
1.本标准不适用于灭火用的气瓶、车辆燃料气瓶和机器设备上附属的气瓶。
2.进口气瓶应按本标准的要求涂敷(或改涂、复涂)颜色标志。
3.4. 2 引用标准5.下列标准所包含的条文,通过在本标准中引用而构成为本标准的条文。
本标准出版时,所示版本均为有效。
所有标准都会被修订,使用本标准的各方应探讨使用下列标准最新版本的可能性。
6.GB/T 3181—1995 漆膜颜色标准7.GSB G51001—1995 漆膜颜色标准样卡8.9. 3 定义10.本标准采用下列定义。
11.3.1气瓶颜色标志coloured cylinder mark for gas12.气瓶外表面涂敷的字样内容、色环数目和涂膜颜色按充装气体的特性作规定的组合,是识别充装气体的标志。
13.3.2 色环colour ring14.公称工作压力不同的气瓶充装同一种气体而具有不同充装压力或不同充装系数的识别标志。
15.3.3 色卡colour chip16.表示一定颜色的标准样品卡(GB/T 3181—1995中3.10)。
1.2. 4 气瓶的涂膜颜色名称和鉴别3.4.1 气瓶的漆膜颜色应符合GB/T 3181的规定(铝白、黑、白除外)。
气瓶颜色标志
空气:瓶身黑色,字样白色;氮气:瓶身银灰,字样深绿色;氟气:瓶身白色,字样黑色;氮气、氮气、就气:瓶身银灰,字样深绿色;一氧化氮:瓶身白色,字样黑色;氮气:瓶身黑色,字样白色;氧气:瓶身淡蓝,字样黑色;一氧化碳:瓶身银灰,字样大红;氢气:瓶身淡绿,字样大红;甲烷:瓶身棕色,字样白色;天然气:瓶身棕色,字样白色;二氧化碳:瓶身铝白,字样黑色;一氧化二氮:瓶身银灰,字样黑色;乙烷:瓶身棕色,字样白色;乙烯:瓶身棕色,字样淡黄色;磷化氢:瓶身白色,字样淡红;氯气:瓶身深绿,字样白色;
七氟丙烷:瓶身铝白,字样黑色;二氧化氮:瓶身白色,字样黑色;二氧化硫:瓶身银灰,字样黑色;氨气:瓶身淡黄,字样黑色;
丙烷:瓶身棕色,字样白色;
液化石油气(工业用):瓶身棕色,字样白色; 液化石油气(民用):瓶身银灰,字样大红;乙快:瓶身白色,字样大红。