常用气瓶颜色标志一览表
- 格式:docx
- 大小:58.63 KB
- 文档页数:3
常用气瓶颜色标志一览表
欧阳家百(2021.03.07)
表2-1-1
1.1气瓶状况
(1)在检验周期内使用
①钢制无缝气瓶:盛装腐蚀性气体的气瓶、潜水气瓶、常与海水接触的气瓶每2年检验一次;一般性气瓶每3年检验一次;惰性气瓶每5年检验一次;对使用年限超过30年的气瓶,登记
后不予检验按报废处理。
②钢制焊接气瓶:盛装腐蚀性气体的气瓶每2年检验一次;一般性气瓶3年检验一次;腐蚀性气瓶12年报废。
③液化气瓶:自制造日期起,第一次到第三次检验周期均为4年,第四次检验周期为3年;15年后报废处理。
④乙炔气瓶:每3年检验一次。
(2)气瓶外观无缺陷,无机械性损伤和严重腐蚀。
腐蚀点<2mm×200mm。
(3)气瓶表面漆色、字样和色环标记应符合规定,且有气瓶警示标签。
(见附件中表2-1-1)
(4)安全附件齐全、完好—气瓶附件包括气瓶专用爆破片、安全阀、易熔合金塞、瓶阀、瓶帽、防震圈等。
气瓶的颜色标记和钢印标志一、气瓶的颜色标记气瓶的颜色标记系指气瓶外表面的瓶色、字样、字色和色环,其作用有二:一是气瓶种类识别根据;二是防止气瓶锈蚀。
1.颜色标记详见表4-16和表4-17。
①表中P为公称工作压力。
②瓶色包括瓶帽、护罩的颜色。
2.颜色标记的若干说明(1)关于字样字样除了指表4—16中的气瓶充装介质的名称以外,还包括气瓶所属单位的名称和其它内容。
例如:溶解乙炔气瓶内的不可近火等。
字样一律采用仿宋体宇表示,凡属液化气体在介质名称前一律冠以液化、液字样,对于小容积气瓶可用化学式表示。
对于4 0L的气瓶,字体高度为80~100mm,对于其它规格的气瓶,字体大小按相应比例放大或缩小。
说明:①字样一律采用仿宋体,字体高度一般为80毫米②色环宽度一般为40毫米图4—21 气瓶漆色、标志示意图字样排列如图4—21所示。
对于立式气瓶介质名称按瓶的环向横写,位于瓶高3/4处,单位名称按瓶的轴向竖写,位于介质名称的下方或转向180°的瓶侧;对于卧式气瓶介质名称和单位名称均以瓶的轴向从阀端向右(瓶的阀端在涂字人的左方)分项横列于瓶身中部,单位名称位于介质名称之下,项间为气瓶筒身周长的1/4或1/2。
(2)关于色环色环是区别充装同一介质,但具有不同公称工作压力的气瓶标记。
凡充装同一介质且公称工作压力比规定起始级高一等级的气瓶要加涂一道色环,高二个等级的加涂二道色环,公称工作压力分级按表4—1执行。
对于公称容积40L的气瓶,单环宽度为40mm,二环每环宽度为30mm。
其它规格的气瓶,色环宽度按相应比例放宽或缩窄,色环间距等于色环宽度。
色环的位置是:立式气瓶色环位于气瓶高2/3处,且介于介质名称和单位名称之间;卧式气瓶色环位于距阀端1/4瓶体长度处。
色环、字样、防震圈之间,均应保持适当距离。
二、气瓶的钢印标志气瓶的钢印标志是识别气体的依据。
气瓶的钢印标志包括制造钢印标志和检验钢印标志,其位置见图4—22。
各种⽓瓶的颜⾊标志及使⽤规则GB 7144—1999国家质量技术监督局1999—12—17批准2000—10—01实施前⾔本标准是GB 7144—1986《⽓瓶颜⾊标记》的修订本。
主要有四处变动:舍弃“特种⽓体类”的⽓瓶⾊标;增列17种⽓体的⽓瓶⾊标;⼆氧化氮⽓瓶和硫化氢⽓瓶互换瓶⾊;更改⼯业⽤液化⽯油⽓瓶的⾊标。
此外,从1989年版《⽓瓶安全监察规程》引⼊⽓瓶检验⾊标。
本标准从实施之⽇起代替GB 7144—1986。
本标准由全国⽓瓶标准化技术委员会提出并归⼝。
本标准起草单位:上海⾼压容器有限公司。
本标准主要起草⼈:陈保仪、陈伟明。
本标准于1986年12⽉⾸次发布,1999年12⽉⾸次修订。
范围本标准规定了作为充装⽓体识别标志的⽓瓶外表⾯涂⾊和字样。
本标准适⽤于公称⼯作压⼒不⼤于30MPa、公称容积不⼤于1 000L、移动式可重复使⽤的⽓瓶。
1.本标准不适⽤于灭⽕⽤的⽓瓶、车辆燃料⽓瓶和机器设备上附属的⽓瓶。
2.进⼝⽓瓶应按本标准的要求涂敷(或改涂、复涂)颜⾊标志。
3.4. 2 引⽤标准5.下列标准所包含的条⽂,通过在本标准中引⽤⽽构成为本标准的条⽂。
本标准出版时,所⽰版本均为有效。
所有标准都会被修订,使⽤本标准的各⽅应探讨使⽤下列标准最新版本的可能性。
6.GB/T 3181—1995 漆膜颜⾊标准7.GSB G51001—1995 漆膜颜⾊标准样卡8.9. 3 定义10.本标准采⽤下列定义。
11.3.1⽓瓶颜⾊标志coloured cylinder mark for gas12.⽓瓶外表⾯涂敷的字样内容、⾊环数⽬和涂膜颜⾊按充装⽓体的特性作规定的组合,是识别充装⽓体的标志。
13.3.2 ⾊环colour ring14.公称⼯作压⼒不同的⽓瓶充装同⼀种⽓体⽽具有不同充装压⼒或不同充装系数的识别标志。
15.3.3 ⾊卡colour chip16.表⽰⼀定颜⾊的标准样品卡(GB/T 3181—1995中3.10)。
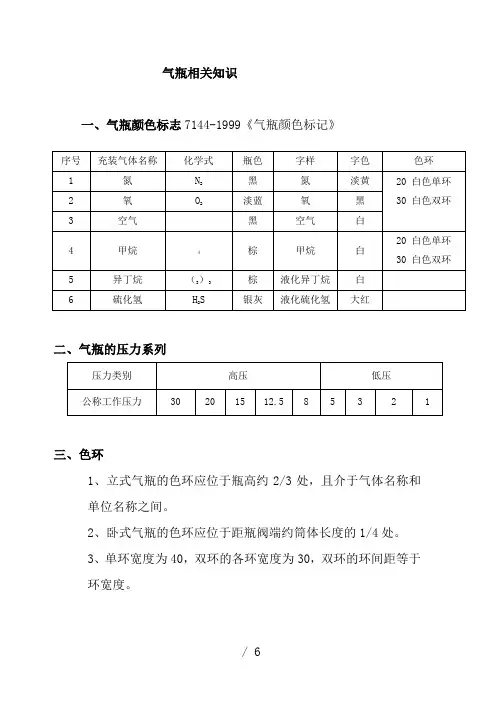
气瓶相关知识一、气瓶颜色标志7144-1999《气瓶颜色标记》二、气瓶的压力系列三、色环1、立式气瓶的色环应位于瓶高约2/3处,且介于气体名称和单位名称之间。
2、卧式气瓶的色环应位于距瓶阀端约筒体长度的1/4处。
3、单环宽度为40,双环的各环宽度为30,双环的环间距等于环宽度。
四、气瓶检验色标1、在气瓶检验钢印标志上应按检验年份涂检验色标。
10年一循环。
2、气瓶检验色标的涂膜颜色和形状《气瓶安全监察规程》质技监局锅发[2000]250号五、各类气瓶的检验周期,不得超过下列规定1.盛装腐蚀性气体的气瓶、潜水气瓶以及常与海水接触的气瓶每二年检验一次。
2.盛装一般性气体的气瓶,每三年检验一次。
3.盛装惰性气体的气瓶,每五年检验一次。
4.液化石油气钢瓶,按国家标准8334的规定。
5.低温绝热气瓶,每三年检验一次。
6.车用液化石油气钢瓶每五年检验一次,车用压缩天然气钢瓶,每三年检验一次。
汽车报废时,车用气瓶同时报废。
7.气瓶在使用过程中,发现有严重腐蚀、损伤或对其安全可靠性有怀疑时,应提前进行检验。
8.库存和停用时间超过一个检验周期的气瓶,启用前应进行检验。
9.发生交通事故后,应对车用气瓶、瓶阀及其他附件进行检验,检验合格后方可重新使用。
六、气瓶的钢印标记和检验色标气瓶出厂和检验都有钢印标记,如下图:(1)钢印标记打在瓶肩上时,其位置如图5—1(a)所示,打在护罩上时,如图 5—1(b)所示。
(2)钢印标记的项目和排列,如图5—2(a)和图5—2(b)所示。
(3)制造钢印标记,也可在瓶肩部沿一条圆周线排列。
各项目的排列应以图5—2(a)中的指引号为顺序。
图5—1 气瓶钢印标记(a)制造钢印标记图中标记含义:1—气瓶制造单位代号;2—气瓶编号;3—水压试验压力,;4—公称工作压力,;5—实际重量,;6—实际容积,L;7—瓶体设计壁厚,;8—制造单位检验标记和制造年月;9—监督检验标记;10——寒冷地区用气瓶标记;(b)检验钢印标记图5—2 钢印标记的项目和排列图1-33.钢印标记应排列整齐、清晰。
常用气瓶颜色标志一览表
1.1气瓶状况
(1)在检验周期内使用
①钢制无缝气瓶:盛装腐蚀性气体的气瓶、潜水气瓶、常与海水接触的气瓶每2年检验一次;一般性气瓶每3年检验一次;惰性气瓶每5年检验一次;对使用年限超过30年的气瓶,登记后不予检验按报废处理。
②钢制焊接气瓶:盛装腐蚀性气体的气瓶每2年检验一次;一般性气瓶3年检验一次;腐蚀性气瓶12年报废。
③液化气瓶:自制造日期起,第一次到第三次检验周期均为4年,第四次检
验周期为3年;15年后报废处理。
④乙炔气瓶:每3年检验一次。
(2)气瓶外观无缺陷,无机械性损伤和严重腐蚀。
腐蚀点<2mm×200mm。
(3)气瓶表面漆色、字样和色环标记应符合规定,且有气瓶警示标签。
(见附件中表2-1-1)
(4)安全附件齐全、完好—气瓶附件包括气瓶专用爆破片、安全阀、易熔合金塞、瓶阀、瓶帽、防震圈等。
GB7144-1999 气瓶颜色标志本标准是GB7144-1986《气瓶颜色标记》的修订本。
主要有四处变动:舍弃特种气体类”的气瓶色标;增列17种气体的气瓶色标;二氧化氮气瓶和硫化氢气瓶互换瓶色;更改液化石油气瓶的色标。
此外,从1989年版《气瓶安全监察规程》引入气瓶检验色标。
本标准从实施之日起代替GB7144-1986本标准由全国气瓶标准化技术委员会提出并归口。
本标准起草单位:上海高压容器有限公司。
本标准主要起草人:陈保仪、陈伟明。
本标准于1986年12月首次发布,1999年12月首次修订。
1范围本标准规定了作为充装气体识别标志的气瓶外表面涂色和字样。
本标准适用于公称工作压力不大于30MPa、公称容积不大于1000L、移动式可重复使用的气瓶。
本标准不适用于灭火用的气瓶、车辆燃料气体和机器设备上附属的气瓶。
进口气瓶应按本标准的要求涂敷(或改涂、复涂)颜色标志。
2引用标准下列标准所包含的条文,通过在本标准中引用而构成为本标准的条文。
本标准出版时,所示版本均为有效。
所有标准都会被修订,使用本标准的各方应探讨使用下列标准最新版本的可能性。
GB/T3181—1995漆膜颜色标准GSBG51001—1995漆膜颜色标准样卡3定义本标准采用下列定义。
3. 1 气瓶颜色标志coloured cylinder mark for gas气瓶外表面涂敷的字样内容、色环数目和涂膜颜色按充装气体的特性作规定的组合,是识别充装气体的标志。
4. 2 色环colour ring公称工作压力不同的气瓶充装同一种气体而具有不同充装压力或不同充装系数的识别标志。
5. 3 色卡colour chip表示一定颜色的标准样品卡(GB/T3181—1995中3.10)。
4气瓶的涂膜颜色名称和鉴别6. 1气瓶的漆膜颜色应符合GB/T3181的规定(铝白、黑、白除外)。
4.2气瓶的漆膜颜色编号、名称和色卡见表1。
表1 气瓶的漆膜颜色编号、名称和色卡4. 3选用漆膜以外方法涂敷的气瓶,其涂膜颜色均应符合表1的规定。
气瓶颜色标志GB7144-1999自2000-10-1 起执行前言本标准是GB7144-1986《气瓶颜色标记》的修订本。
主要有四处变动:舍弃“特种气体类”的气瓶色标;增列17种气体的气瓶色标;二氧化氮气瓶和硫化氢气瓶互换瓶色;更改液化石油气瓶的色标。
此外,从1989年版《气瓶安全监察规程》引入气瓶检验色标。
本标准从实施之日起代替GB7144-1986本标准由全国气瓶标准化技术委员会提出并归口。
本标准起草单位:上海高压容器有限公司。
本标准主要起草人:陈保仪、陈伟明。
本标准于1986年12月首次发布,1999年12月首次修订。
1 范围本标准规定了作为充装气体识别标志的气瓶外表面涂色和字样。
本标准适用于公称工作压力不大于30MPa、公称容积不大于1000L、移动式可重复使用的气瓶。
本标准不适用于灭火用的气瓶、车辆燃料气体和机器设备上附属的气瓶。
进口气瓶应按本标准的要求涂敷(或改涂、复涂)颜色标志。
2 引用标准下列标准所包含的条文,通过在本标准中引用而构成为本标准的条文。
本标准出版时,所示版本均为有效。
所有标准都会被修订,使用本标准的各方应探讨使用下列标准最新版本的可能性。
GB/T3181—1995 漆膜颜色标准GSBG51001—1995 漆膜颜色标准样卡3 定义本标准采用下列定义。
3.1 气瓶颜色标志 coloured cylinder mark for gas气瓶外表面涂敷的字样内容、色环数目和涂膜颜色按充装气体的特性作规定的组合,是识别充装气体的标志。
3.2 色环 colour ring公称工作压力不同的气瓶充装同一种气体而具有不同充装压力或不同充装系数的识别标志。
3.3 色卡 colour chip表示一定颜色的标准样品卡(GB/T3181—1995中3.10)。
4 气瓶的涂膜颜色名称和鉴别4.1 气瓶的漆膜颜色应符合GB/T3181的规定(铝白、黑、白除外)。
4.2 气瓶的漆膜颜色编号、名称和色卡见表1。
常用气瓶颜色标志一览表常用气瓶颜色标志一览表下表列出了常见气瓶的充装气体名称、化学式、瓶色、字样和色环标记。
在使用气瓶时,需要注意气瓶的状况和检验周期。
表2-1-1序号充装气体名称化学式瓶色字样色环1 乙炔 C2H2 大红乙炔不可近火大红2 氢 H2 大红氢大红3 氧 O2 黑氧黑4 氮 N2 淡黄氮淡黄5 空气 - 白空气白6 二氧化碳 CO2 黑液化二氧化碳黑7 氨 NH3 黑液氨黑8 氯 Cl2 白液氯白9 氟 F2 黑氟黑10 四氟甲烷 CF4 铝白氟氯烷14 铝白11 甲烷 CH4 棕甲烷棕12 天然气 C2H6 棕天然气棕13 乙烷 C3H8 棕液化乙烷深绿P=20,白色单环14 丙烷 C4H10 棕液化丙烷深绿P=30,白色双环15 丁烷 C2H4 棕液化丁烷深绿16 液化石工业用 - 银灰液化石油气银灰17 油气民用 - 棕液化石油气棕18 乙烯 C2H4 银灰液化乙烯银灰19 氩 Ar 银灰氩银灰20 氦 He 银灰氦银灰21 氖 Ne 银灰氖银灰22 氪 Kr 银灰一氧化碳 P=15,白色单环银灰气瓶的状况和检验周期如下:1.1气瓶状况1)在检验周期内使用①钢制无缝气瓶:盛装腐蚀性气体的气瓶、潜水气瓶、常与海水接触的气瓶每2年检验一次;一般性气瓶每3年检验一次;惰性气瓶每5年检验一次;对使用年限超过30年的气瓶,登记后不予检验按报废处理。
②钢制焊接气瓶:盛装腐蚀性气体的气瓶每2年检验一次;一般性气瓶3年检验一次;腐蚀性气瓶12年报废。
③液化气瓶:自制造日期起,第一次到第三次检验周期均为4年,第四次检验周期为3年;15年后报废处理。
④乙炔气瓶:每3年检验一次。
2)气瓶外观无缺陷,无机械性损伤和严重腐蚀。
腐蚀点<2mm×200mm。
3)气瓶表面漆色、字样和色环标记应符合规定,且有气瓶警示标签。
常用气瓶颜色标志一览表
表2-1-1
1.1气瓶状况
(1)在检验周期内使用
①钢制无缝气瓶:盛装腐蚀性气体的气瓶、潜水气瓶、常与海水接触的气瓶每2年检验一次;一般性气瓶每3年检验一次;惰性气瓶每5年检验一次;对使用年限超过30年
的气瓶,登记后不予检验按报废处理。
②钢制焊接气瓶:盛装腐蚀性气体的气瓶每2年检验一次;一般性气瓶3年检验一次;腐蚀性气瓶12年报废。
③液化气瓶:自制造日期起,第一次到第三次检验周期均为4年,第四次检验周期为3年;15年后报废处理。
④乙炔气瓶:每3年检验一次。
(2)气瓶外观无缺陷,无机械性损伤和严重腐蚀。
腐蚀点<2mm×200mm。
(3)气瓶表面漆色、字样和色环标记应符合规定,且有气瓶警示标签。
(见附件中表2-1-1)
(4)安全附件齐全、完好—气瓶附件包括气瓶专用爆破片、安全阀、易熔合金塞、瓶阀、瓶帽、防震圈等。
GB7144-1999 气瓶颜色标志本标准是GB7144-1986《气瓶颜色标记》的修订本。
主要有四处变动:舍弃“特种气体类”的气瓶色标;增列17种气体的气瓶色标;二氧化氮气瓶和硫化氢气瓶互换瓶色;更改液化石油气瓶的色标。
此外,从1989年版《气瓶安全监察规程》引入气瓶检验色标。
本标准从实施之日起代替GB7144-1986本标准由全国气瓶标准化技术委员会提出并归口。
本标准起草单位:上海高压容器有限公司。
本标准主要起草人:陈保仪、陈伟明。
本标准于1986年12月首次发布,1999年12月首次修订。
1 范围本标准规定了作为充装气体识别标志的气瓶外表面涂色和字样。
本标准适用于公称工作压力不大于30MPa、公称容积不大于1000L、移动式可重复使用的气瓶。
本标准不适用于灭火用的气瓶、车辆燃料气体和机器设备上附属的气瓶。
进口气瓶应按本标准的要求涂敷(或改涂、复涂)颜色标志。
2 引用标准下列标准所包含的条文,通过在本标准中引用而构成为本标准的条文。
本标准出版时,所示版本均为有效。
所有标准都会被修订,使用本标准的各方应探讨使用下列标准最新版本的可能性。
GB/T3181—1995 漆膜颜色标准GSBG51001—1995 漆膜颜色标准样卡3 定义本标准采用下列定义。
3.1 气瓶颜色标志coloured cylinder mark for gas气瓶外表面涂敷的字样内容、色环数目和涂膜颜色按充装气体的特性作规定的组合,是识别充装气体的标志。
3.2 色环colour ring公称工作压力不同的气瓶充装同一种气体而具有不同充装压力或不同充装系数的识别标志。
3.3 色卡colour chip表示一定颜色的标准样品卡(GB/T3181—1995中3.10)。
4 气瓶的涂膜颜色名称和鉴别4.1 气瓶的漆膜颜色应符合GB/T3181的规定(铝白、黑、白除外)。
4.2 气瓶的漆膜颜色编号、名称和色卡见表1。
表1 气瓶的漆膜颜色编号、名称和色卡4.3 选用漆膜以外方法涂敷的气瓶,其涂膜颜色均应符合表1的规定。
GB7144-1999 气瓶颜色标志本标准是GB7144-1986《气瓶颜色标记》的修订本。
主要有四处变动:舍弃“特种气体类”的气瓶色标;增列17种气体的气瓶色标;二氧化氮气瓶和硫化氢气瓶互换瓶色;更改液化石油气瓶的色标。
此外,从1989年版《气瓶安全监察规程》引入气瓶检验色标。
本标准从实施之日起代替GB7144-1986本标准由全国气瓶标准化技术委员会提出并归口。
本标准起草单位:上海高压容器有限公司。
本标准主要起草人:陈保仪、陈伟明。
本标准于1986年12月首次发布,1999年12月首次修订。
1 范围本标准规定了作为充装气体识别标志的气瓶外表面涂色和字样。
本标准适用于公称工作压力不大于30MPa、公称容积不大于1000L、移动式可重复使用的气瓶。
本标准不适用于灭火用的气瓶、车辆燃料气体和机器设备上附属的气瓶。
进口气瓶应按本标准的要求涂敷(或改涂、复涂)颜色标志。
2 引用标准下列标准所包含的条文,通过在本标准中引用而构成为本标准的条文。
本标准出版时,所示版本均为有效。
所有标准都会被修订,使用本标准的各方应探讨使用下列标准最新版本的可能性。
GB/T3181—1995 漆膜颜色标准GSBG51001—1995 漆膜颜色标准样卡3 定义本标准采用下列定义。
3.1 气瓶颜色标志coloured cylinder mark for gas气瓶外表面涂敷的字样内容、色环数目和涂膜颜色按充装气体的特性作规定的组合,是识别充装气体的标志。
3.2 色环colour ring公称工作压力不同的气瓶充装同一种气体而具有不同充装压力或不同充装系数的识别标志。
3.3 色卡colour chip表示一定颜色的标准样品卡(GB/T3181—1995中3.10)。
4 气瓶的涂膜颜色名称和鉴别4.1 气瓶的漆膜颜色应符合GB/T3181的规定(铝白、黑、白除外)。
4.2 气瓶的漆膜颜色编号、名称和色卡见表1。
表1 气瓶的漆膜颜色编号、名称和色卡4.3 选用漆膜以外方法涂敷的气瓶,其涂膜颜色均应符合表1的规定。
常用气瓶颜色标志及使用安全注意事项一、常用气瓶颜色标志
氧气瓶外表颜色天蓝色,瓶体打印氧(黑色)字样
乙炔瓶外表颜色白色,瓶体打印乙炔(红色)字样
二、气瓶使用安全注意事项
1、使用前,检查调节阀/流量表/气瓶/软管和防回火装置是否有泄漏,磨损及接头松懈等现象。
2、开启瓶阀时缓慢操作,绝不可使用锤子/凿子/管钳等工具,避免损坏阀门或造成事故。
3、先开启1/4圈以吹洗瓶阀内的油污灰垢,操作人员应站在侧面,以防被气流和吹出的杂物冲伤。
4、瓶阀和减压阀冻结时,严禁用火烤,可用清洁的热水、蒸汽解冻。
5、气瓶不得靠近热源/可燃或助燃气体,氧气瓶和乙炔气瓶分别单独存放,两瓶之间至少5米间距,且离明火装置不少于10米,夏季要防止日光暴晒。
6、瓶内的气体不能全部用尽,必须留有剩余压力,以防止外界介质渗入。
7、使用氧气的操作人员,其手/手套/工具不得沾有油脂。
8、氧气和乙炔软管必须使用防回火装置,使用专用夹具保证软管和气瓶的可靠连接。
9、乙炔气瓶不可以卧倒使用,并绑牢防止其倾倒,阀盖始终放在气瓶上。
10、使用后关闭气瓶上的阀门,并释放调节阀和软管压力。
常用气瓶颜色标志一览表表2-1-1
气瓶状况
(1)在检验周期内使用
①钢制无缝气瓶:盛装腐蚀性气体的气瓶、潜水气瓶、常与海水接触的气瓶每2年检验一次;一般性气瓶每3年检验一次;惰性气瓶每5年检验一次;对使用年限超过30年的气瓶,登记后不予检验按报废处理。
②钢制焊接气瓶:盛装腐蚀性气体的气瓶每2年检验一次;一般性气瓶3年检验一次;腐蚀性气瓶12年报废。
③液化气瓶:自制造日期起,第一次到第三次检验周期均为4年,第四次检验周期为3年;15年后报废处理。
④乙炔气瓶:每3年检验一次。
(2)气瓶外观无缺陷,无机械性损伤和严重腐蚀。
腐蚀点<2mm×200mm。
(3)气瓶表面漆色、字样和色环标记应符合规定,且有气瓶警示标签。
(见附件中表2-1-1)
(4)安全附件齐全、完好—气瓶附件包括气瓶专用爆破片、安全阀、易熔合金塞、瓶阀、瓶帽、防震圈等。
气瓶的颜色标记和钢印标志一、气瓶的颜色标记气瓶的颜色标记系指气瓶外表面的瓶色、字样、字色和色环,其作用有二:一是气瓶种类识别根据;二是防止气瓶锈蚀。
1.颜色标记详见表4-16和表4-17。
①表中P为公称工作压力。
②瓶色包括瓶帽、护罩的颜色。
2.颜色标记的若干说明(1)关于字样字样除了指表4—16中的气瓶充装介质的名称以外,还包括气瓶所属单位的名称和其它内容。
例如:溶解乙炔气瓶内的不可近火等。
字样一律采用仿宋体宇表示,凡属液化气体在介质名称前一律冠以液化、液字样,对于小容积气瓶可用化学式表示。
对于4 0L的气瓶,字体高度为80~100mm,对于其它规格的气瓶,字体大小按相应比例放大或缩小。
说明:①字样一律采用仿宋体,字体高度一般为80毫米②色环宽度一般为40毫米图4—21 气瓶漆色、标志示意图字样排列如图4—21所示。
对于立式气瓶介质名称按瓶的环向横写,位于瓶高3/4处,单位名称按瓶的轴向竖写,位于介质名称的下方或转向180°的瓶侧;对于卧式气瓶介质名称和单位名称均以瓶的轴向从阀端向右(瓶的阀端在涂字人的左方)分项横列于瓶身中部,单位名称位于介质名称之下,项间为气瓶筒身周长的1/4或1/2。
(2)关于色环色环是区别充装同一介质,但具有不同公称工作压力的气瓶标记。
凡充装同一介质且公称工作压力比规定起始级高一等级的气瓶要加涂一道色环,高二个等级的加涂二道色环,公称工作压力分级按表4—1执行。
对于公称容积40L的气瓶,单环宽度为40mm,二环每环宽度为30mm。
其它规格的气瓶,色环宽度按相应比例放宽或缩窄,色环间距等于色环宽度。
色环的位置是:立式气瓶色环位于气瓶高2/3处,且介于介质名称和单位名称之间;卧式气瓶色环位于距阀端1/4瓶体长度处。
色环、字样、防震圈之间,均应保持适当距离。
二、气瓶的钢印标志气瓶的钢印标志是识别气体的依据。
气瓶的钢印标志包括制造钢印标志和检验钢印标志,其位置见图4—22。
GB7144-1999 气瓶颜色标志本标准是GB7144-1986《气瓶颜色标记》的修订本。
主要有四处变动:舍弃“特种气体类”的气瓶色标;增列17种气体的气瓶色标;二氧化氮气瓶和硫化氢气瓶互换瓶色;更改液化石油气瓶的色标。
此外,从1989年版《气瓶安全监察规程》引入气瓶检验色标。
本标准从实施之日起代替GB7144-1986本标准由全国气瓶标准化技术委员会提出并归口。
本标准起草单位:上海高压容器有限公司。
本标准主要起草人:陈保仪、陈伟明。
本标准于1986年12月首次发布,1999年12月首次修订。
1 范围本标准规定了作为充装气体识别标志的气瓶外表面涂色和字样。
本标准适用于公称工作压力不大于30MPa、公称容积不大于1000L、移动式可重复使用的气瓶。
本标准不适用于灭火用的气瓶、车辆燃料气体和机器设备上附属的气瓶。
进口气瓶应按本标准的要求涂敷(或改涂、复涂)颜色标志。
2 引用标准下列标准所包含的条文,通过在本标准中引用而构成为本标准的条文。
本标准出版时,所示版本均为有效。
所有标准都会被修订,使用本标准的各方应探讨使用下列标准最新版本的可能性。
GB/T3181—1995 漆膜颜色标准GSBG51001—1995 漆膜颜色标准样卡3 定义本标准采用下列定义。
3.1 气瓶颜色标志coloured cylinder mark for gas气瓶外表面涂敷的字样内容、色环数目和涂膜颜色按充装气体的特性作规定的组合,是识别充装气体的标志。
3.2 色环colour ring公称工作压力不同的气瓶充装同一种气体而具有不同充装压力或不同充装系数的识别标志。
3.3 色卡colour chip表示一定颜色的标准样品卡(GB/T3181—1995中3.10)。
4 气瓶的涂膜颜色名称和鉴别4.1 气瓶的漆膜颜色应符合GB/T3181的规定(铝白、黑、白除外)。
4.2 气瓶的漆膜颜色编号、名称和色卡见表1。
表1 气瓶的漆膜颜色编号、名称和色卡4.3 选用漆膜以外方法涂敷的气瓶,其涂膜颜色均应符合表1的规定。
常用气瓶颜色标志一览
表
Company Document number:WTUT-WT88Y-W8BBGB-BWYTT-19998
常用气瓶颜色标志一览表
表2-1-1
气瓶状况
(1)在检验周期内使用
①钢制无缝气瓶:盛装腐蚀性气体的气瓶、潜水气瓶、常与海水接触的气瓶每2年检验一次;一般性气瓶每3年检验一次;惰性气瓶每5年检验一次;对使用年限超过30年的气瓶,登记后不予检验按报废处理。
②钢制焊接气瓶:盛装腐蚀性气体的气瓶每2年检验一次;一般性气瓶3年检验一次;腐蚀性气瓶12年报废。
③液化气瓶:自制造日期起,第一次到第三次检验周期均为4年,第四次检验周期为3年;15年后报废处理。
④乙炔气瓶:每3年检验一次。
(2)气瓶外观无缺陷,无机械性损伤和严重腐蚀。
腐蚀点<2mm×
200mm。
(3)气瓶表面漆色、字样和色环标记应符合规定,且有气瓶警示标签。
(见附件中表2-1-1)
(4)安全附件齐全、完好—气瓶附件包括气瓶专用爆破片、安全阀、易熔合金塞、瓶阀、瓶帽、防震圈等。