气力输送系统说明书(纽普兰)-2
- 格式:doc
- 大小:802.00 KB
- 文档页数:16
ZSJ-100型散装机使用说明书镇江纽普兰气力输送有限公司目录1.前言 12.技术参数 13.结构与工作原理 24.安装、调试与运行 35.使用注意事项与维护 36.故障分析与排除方法 47.易损件清单4一、前言本产品适用于电力、建材、冶金、煤炭以及化工等其它行业的无腐蚀、低研磨性粉粒状物料的装车或装船作业。
在火力发电厂主要用于灰斗或贮灰库下装车、装船。
本产品可与料库下给料设施联锁运行,通过控制系统的控制,实现了装卸过程的自动化。
其装车效率高,密封性能好,无粉尘污染。
是散装粉状物料装车、装船的理想设备。
二、主要技术参数2.1出力2.2出力:100m3/h2.3控制方式:设半自动和自动2.4散装头升降行程:1300mm (亦可按用户需要而定)2.5散装头升降速度:0.1m/s2.6配带升降电动机参数:·型号:YEJ90S-6·功率:0.75kW·电压:380V·转速:910r/min2.7减速机参数:·型号:WHT08-VII·减速比:1:632.8抽尘风机参数:·型号:9-19 No 4.5 ※型号:4-72 No 3.6·流量:2817m3/h ※流量:2930m3/h·风压:4.04kPa ※风压:1.65kPa1·抽尘风机电机型号:Y112M-2 ※抽尘风机电机型号:Y100L-2·抽尘风机电机功率:4.0kW ※抽尘风机电机功率:3.0kW·抽尘风机电机电压:380V ※抽尘风机电机电压:380V·抽尘风机电机转速:2890r/min ※抽尘风机电机转速:2870r/min2.9料位计形式:电容式料位开关2.10料位计型号:TLK-C15A1-4C2.11散装机下料管直径:φ3502.12散装机吸尘管直径:φ558注:带※为D型散装机参数。
三、主要结构与工作原理3.1主要结构(见附图一、二、三)3.1.1可伸缩散装头散装头由底座、伸缩管、吸尘管、套箍、钢丝绳、绳卡等主要部件组成,通过吸尘管、钢丝绳把它们连接起来,形成可伸缩的结构。
气力输送系统操作规程1 范围本标准规定了LD-0.6型仓泵组成的气力输送系统及其辅助设备的操作过程、遵循标准、使用维护及常见故障处理等内容程序。
本标准仅适用于本烟气制酸装置LD-0.6型仓泵组成的气力输送系统及其辅助设备的使用操作。
2 内容2.1 概述LD型浓相气力输送系统根据国内外先进技术及经验,结合科学实验,并经过多年实际运行的考验,被确认是一种既经济又可靠的气力输送系统。
该系统输送中灰气比高,耗气量少,输送时物料速度低,有效降低了管道的磨损。
系统结构简单,操作维修方便,为一高效低耗的气力输送系统。
该系统主要由LD型仓泵、压缩空气气源、控制系统、输送管、灰库等五大部分组成。
其系统的布置见图1。
2.1.1 LD型仓泵LD型浓相仓泵具有较厚的壁厚,能承受粉煤灰的长期冲刷磨损,为一耐疲劳耐磨损的低压容器。
在整个系统中,它接受除尘器集灰斗的飞灰,经加压流化后通过输灰管送至灰库,是整个输送系统的发送部分。
LD型仓泵采用间断输送的方式,每进、出料一次为一个工作循环。
2.1.2 压缩空气气源由空气压缩机、除油器、干燥器、储气罐及供气管道等组成,主要为仓泵及气动控制部分提供高质量的压缩空气。
除油器和干燥器等是用于降低压缩空气中含有的油、水、杂质,提高压缩空气的质量。
2.1.3 控制系统以PLC可编程控制器(也可以采用工控机)作为控制系统的核心部件,对仓泵工作中的各种参数进行控制,并通过气动元件控制各种机械元件动作,通过模拟屏或CRT显示器显示当前工作状态。
同时并附有手动就地操作功能。
2.1.4 输送管道由于输送速度低,在一般情况下,可以不采用耐磨钢管而采用一般的无缝钢管即可。
经实验,气力输送的输送距离可达1000米以上。
2.1.5 灰库由灰库本体、布袋除尘器、真空释放阀、料位计、卸灰设备等组成。
它是气力输送系统的接收部分,它可以是混凝土的,也可以是钢结构的。
其中布袋除尘器是用于库内排放废气用,真空释放阀用于保护灰库免受过高的正压或负压影响,料位计用于检测灰库内的灰位高低。
气力输灰操作系统使用及维护说明书使用方:供货方:二〇一三年10月目录一、公司简介 (3)二、系统简介 (3)三、系统操作说明 (3)3.1远程操作说明: (6)3.2就地柜操作说明: (9)四、系统常见故障及排除方案 (11)一、公司简介二、系统简介本工程按一套输送系统设计,通过加热器,将粉库中的石灰石加热,有下料机将石灰石下到管道再由罗茨风机输送到锅炉内,石灰石受热分解成氧化钙和二氧化碳,再与烟气中二氧化硫,反应生成亚硫酸钙和硫酸钙,最终被氧化成硫酸钙。
三、系统操作说明在启动系统之前首先检查整个控制部分、机械部分及气源供气的设备是否完好。
完成以上两点以后,首先打开控制电源开关,再打开PLC开关。
本套系统可以分为手动、自动输送两种:1.手动:将控制柜上的旋钮转到就地控制是就可以通过面板上的各个按钮直接控制输送系统。
2.自动:将控制柜上的旋钮转到远程控制就可以通过监控室的操作系统操作。
四.系统自动操作说明:1、远程系统操作画面如下图主页:在主页中可以进行如下操作自动1)输灰的3个就地柜全部切换到远程状态;2)选择自动3)点击启动此时,系统将四列仓泵全都进行一次吹管,目的是清除管道内的余灰,第二次时才进行所选择列的输灰。
如果在系统运行过程中切换其它列的仓泵请先点击需要停用列的“停止”,再将点击需要运行列的“投入”。
5)如果需要停用系统请点击“停止”,点击“复位”系统将停止并且停用一切状态。
注意:在系统运行过程中可以通过主页画面中可以看到阀门的开关状态及阀门是否到位的状态。
手动1)输灰的3个就地柜全部切换到远程状态;2)选择主页中的“手动操作”;3)点击各个阀门的开关,即可单独控制各个阀门注意:手动状态下将停用自动状态,自动状态下将停用手动状态。
灰库页面:灰库操作1)将灰库就地柜切换到远程;2)点击启动;3)如果需要停用即可点击停止。
灰库中可以监控灰库的各个阀门和设备的运行状态以及灰库的料位。
注意:灰库的自动操作只能控制干灰下料。
正压浓相气力输送系统安装、调试、使用、维护说明书镇江纽普兰气力输送有限公司目录1 概述------------------------------------------------------------------------------2 2系统组成------------------------------------------------------------------------3 3 系统工艺流程------------------------------------------------------------------5 4运输和存贮--------------------------------------------------------------------6 5 系统安装----------------------------------------------------------------------7 6系统调试-----------------------------------------------------------------------9 7运行-----------------------------------------------------------------------------12 8故障-----------------------------------------------------------------------------12 9维护---------------------------------------------------------------------------13 附表A 故障分析及排除方法-------------------------------------------------141概述1.0总则本工程采用纽普兰正压相气力输送系统,它是目前国际上一种先进的气力输送系统,它具有输送压力低、输送浓度高、无流态化、串联制下引式的输送特点。
气动输送系统使用说明书使用说明书注意事项:1. 本说明书适用于气动输送系统的安装、操作、维护和保养等内容,使用者在使用前请仔细阅读并按照说明书的指导进行操作。
2. 气动输送系统的使用应符合国家相关的安全标准和指导文件要求,任何未经授权的调整和改动都可能导致系统故障或人员伤害。
3. 要确保气动输送系统的操作环境清洁、干燥,并避免灰尘和湿气侵入系统,以免影响正常使用。
4. 不得将未经处理的可燃或易燃物质输送至气动输送系统中,以防止意外火灾发生。
5. 在操作过程中,应定期检查气动输送系统是否有异响或异常情况,如发现问题应及时停机排查,并在故障清除后方可重新启动。
6. 本说明书中所述的操作方法和维护保养措施仅供参考,请在实际使用中结合具体情况进行操作。
一、气动输送系统的安装1. 打开包装箱,确认系统内各组件完好无损。
2. 将输送系统放置在固定支架上,并根据需要与其他设备进行连接。
3. 确保系统各连接处密封可靠,不得出现漏气现象。
4. 连接好输送管道,并检查系统内无杂质。
二、气动输送系统的操作1. 接通电源开关,确保系统供电正常。
2. 打开系统控制面板,按照操作说明进行系统设置。
3. 验证系统的运行参数是否符合要求,如输送速度、输送量等。
4. 将待输送的物料加入进料口,并调节供料装置,确保物料均匀输送。
5. 观察输送过程中的压力变化和管道状况,及时清理堵塞或杂质。
三、气动输送系统的维护与保养1. 每日对气动输送系统进行定期巡检,确保系统安全运行。
2. 清理输送管道,避免积聚灰尘和杂质对系统造成堵塞。
3. 定期检查和更换系统内部的密封件和易损件。
4. 停机保养时,先切断气源和电源,待系统完全停止运行后方可进行维护工作。
5. 定期清洗和保养输送设备的过滤器和除尘装置。
四、常见故障处理以下列举了一些可能出现的常见故障及处理方法,仅供参考:1. 输送速度过慢或无法输送:检查气压是否正常,清理输送管道,检查阀门是否打开。
纽普兰正压浓相气力输送系统安装、运行、维护手册镇江纽普兰气力输送有限公司2009年10月第四版目录第一章气力输灰系统---------------------------------------------------3 第一节系统结构组成和工作原理-------------------------------------3 第二节系统设备安装--------------------------------------------------8 第三节系统调试------------------------------------------------------16 第四节系统运行规程-------------------------------------------------21 第四节系统日常维护和保养-----------------------------------------29 附录 A 故障曲线特征和解决办法-----------------------------------35 附录B料位计调试方法----------------------------------------------36 第二章系统主要相关设备-----------------------------------------------37第一章气力输灰系统第一节系统结构组成和工作原理一、气力输送系统的概念气力输送系统设备是以压缩空气作为动力,通过密封管道输送粉粒状物料的系列装置。
气力输送系统设备主要应用于火力发电厂锅炉飞灰、石子煤、石灰石、循环硫化床锅炉的床砂及炉底渣的输送,亦可用于水泥、化工、塑料、粮食和食品行业的物料输送,具有广泛的使用性。
气力输送系统在燃煤电站主要用来替代传统的水力除灰系统设备。
传统的水力除灰系统设备的主要缺点是冲灰水的二次污染和灰浆难以综合利用,而干法输灰系统是将灰输送到灰库进行储存,再通过卸料设备进行干灰装车外运或加水调湿后送至砖厂制砖,既避免了环境污染,节约了水资源,又能将粉煤灰加以综合利用带来经济效益,因此气力除灰系统已成为环保产业的一个重要组成部分。
气力输送系统工程货物需求一览表及技术规范书1 总则1.1 本技术规范是为新建项目所需气力输送设备编制的。
在本技术规范中,对设备的技术性能、技术参数、供货范围、技术服务和责任提出了基本要求。
本气力输送项目为总承包工程项目。
该项目自设计、设备制作及采购(含电、仪采购)、设备管道安装及施工(含电、仪安装及施工)、调试、试生产等均由投标方负责完成。
1.2 招标方在本技术规范中提出了最低限度的技术要求,并未规定所有的技术要求和适用的标准,投标方应提供一套满足本技术规范和所列标准要求的高质量的产品及相应的服务,对本技术规范中未提及的但投标设备必不可少的内容,投标方有责任在投标书中提出,并提供所依据的标准规范。
1.3 如未对本技术规范提出偏差,将认为投标方提供的设备完全符合本技术规范和标准的要求。
偏差(无论多少)都必须清楚地表示在投标文件附件“技术偏离表中”。
1.4 投标方执行本技术规范所列标准,如有矛盾时按较高标准执行。
1.5 投标方应保证提供的设备是全新的、先进的、可靠的、完整的且组合布置合理的,所有设备达到或超过国家标准。
2 工程概况2.1 项目名称:“生产线及配套工程”2.2 建设单位:2.3 安装地点:“生产线及配套工程”项目现场。
3 自然条件及工作环境3.1 自然条件据收集到市气象资料,本区气象特点,干旱少雨,多风沙,冬冷夏热,昼夜温差大,属典型干旱大陆性气候。
大气压冬899.8 夏887.0室外通风计算温度冬-8℃夏28 ℃绝对最高气温 40.2℃绝对最低气温 -23.7℃年平均气温 8℃相对湿度冬 60 % 夏 68%年平均降水量 156.5主导风向夏季东南风,冬季西北风平均风速 2.8 冬2.7 夏2.9最大风速 20.0基本风压计算值 0.52最大冻土深度 1580风载 0.5 2雪载 0.25 2地震烈度 8建筑物场地土类别Ⅱ类地面粗糙度类型Ⅰ类3.2 现场条件3.2.1 仪表空气温度:常温,压力:0.5(G)3.2.2 电源: 380V*3*503.3 电机防爆等级Ⅱ43.4 安装地点:输送系统有部分管道在室外安装外,其余均在室内。
正压浓相气力输送系统安装、调试、使用、维护说明书镇江纽普兰气力输送有限公司目录1 概述------------------------------------------------------------------------------2 2系统组成------------------------------------------------------------------------3 3 系统工艺流程------------------------------------------------------------------5 4运输和存贮--------------------------------------------------------------------6 5 系统安装----------------------------------------------------------------------7 6系统调试-----------------------------------------------------------------------9 7运行-----------------------------------------------------------------------------12 8故障-----------------------------------------------------------------------------12 9维护---------------------------------------------------------------------------13 附表A 故障分析及排除方法-------------------------------------------------141概述1.0总则本工程采用纽普兰正压相气力输送系统,它是目前国际上一种先进的气力输送系统,它具有输送压力低、输送浓度高、无流态化、串联制下引式的输送特点。
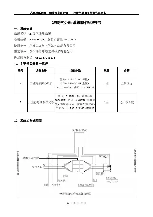
2#废气处理系统操作说明书一、系统信息系统名称:2#废气处理系统系统规模:20000m ³/H ,总装机容量:19.118KW使用单位:兰妮比加利(吴江)纺织有限公司施工单位:苏州净溪环境工程技术有限公司售后服务电话:二、主要设备参数一览表编号设备名称详细参数数量品牌1工业变频离心风机型号:4-72-7.1C,风量:15736-25265m³/H,全压:2422-1801Pa,功率:18.5KW-4P1台上海应达2工业静电油烟净化器型号:S-48K*1.5,处理风量20000CMH,功率:0.618KW,电源顶置,带喷淋灭火,前置初效过滤,外形尺寸:L3910*W1622*H21471台苏州净百威三、系统工艺流程图四、系统运行前设备检查流程4.1、风机运行前检查:检查风机皮带、联轴器、润滑油、风机叶轮是否正常,安全防护是否可靠,具体请严格参照风机产品说明书。
4.2、工业静电油烟净化器运行前检查:极板电场检查:确认电场方向是否正确,左进风电场钨丝在左侧,右进风电场钨丝在右侧,并确保电场内无杂物,极板未变形,绝缘陶瓷接触点干净无杂物。
高压电源接线确认:确保高压电源输出线与电场高低压连接线接线正确,设备左进风红线在左,右进风红线在右。
检修门;静电油烟净化设备开启前应确保设备检修门处于关闭状态且封闭性良好。
电气控制箱检修门处于安全关闭状态。
排油管路:静电油烟净化设备开机前应检查设备排油污管路,确保各排污口排污阀处于开启状态,油污收集箱已经就位,避免开机后造成油污泄露。
消防系统确认:设备开机前应确认消防系统各常开常闭阀门处于正确状态,详细请参照消防管路阀门常开常闭标示牌,且必须确认消防系统供水正常。
模块控制开关确认:在设备开机前应确认静电油烟净化设备各模块分控开关是否开启,分控模块开关在设备检修门上方红色隔离开关按钮。
4.3、防火阀开机前确认:系统开机前应确认防火阀为常开状态,防火阀信号接线是否正确,具体可参照现场防火阀执行器标示与接线原理图。
SZ型双轴搅拌机使用说明书书使用说明纽普兰气力输送有限公司镇江镇江纽普兰气力输送有限公司目录一、前言 (1)二、技术参数 (1)1.型号表示方法 (1)2.主要技术参数 (2)三、结构与工作原理 (2)1.结构简图 (2)2.工作原理 (3)四、安装与使用 (3)五、保养与维护 (6)六、故障原因与排除方法 (7)七、易损件清单 (7)双轴搅拌机-、前言我厂生产的SZ型双轴搅拌机系列,是引进国外先进技术而设计的新型产品,是目前国内先进的干灰调湿设备。
本系列产品主要用于火电厂等部门的灰库灰斗下部作喷水湿式搅拌及输送粉状物料用。
该产品用二根螺旋叶片轴对粉状物料进行均匀搅拌及输送,湿度可由手动调节阀控制,达到适合输送的要求。
该系列产品也适用于化工、矿山等部门含固体颗粒物料的加湿搅拌和输送。
二、技术参数1.型号表示方法SZ100CC:直联型传动形式出力,100t/h D:链传动双轴搅拌机代号2.主要技术参数型号SZ20SZ60SZ100SZ200出力t/h2060100200含水率%15~20水压MPa0.2~0.6主轴转速r/min23383442螺旋直径mmΦ520Φ590Φ690Φ754电机型号Y132M-4Y160L-4Y200L2-6Y225M-6电机功率kW7.5152230减速机型号BWY27-35-7.5BWY33-23-15BWY45-29-22BWY45-23-30三、结构与工作原理1.结构简图2.工作原理双轴搅拌机装有一对大刚度的搅拌轴,轴上以一定螺旋角及螺距分布着多片扇形搅拌叶片;箱体顶盖上装有数只喷嘴,喷水均匀;两根刚性搅拌轴反向旋转对均匀加湿的粉煤灰进行搅拌、螺旋输送。
双轴结构的优点是搅拌效率高。
搅拌机密封严密,无飞灰外扬。
减速机采用摆线针轮减速机,结构紧凑、占地面积小、传动平稳、噪音低。
叶片采用耐磨铸铁制成,耐磨性好。
搅拌机搅拌均匀,运行可靠,操作维修方便。
四、安装与使用1.现场检查。
气力输送系统操作规程1 范围本标准规定了LD-0.6型仓泵组成的气力输送系统及其辅助设备的操作过程、遵循标准、使用维护及常见故障处理等内容程序。
本标准仅适用于本烟气制酸装置LD-0.6型仓泵组成的气力输送系统及其辅助设备的使用操作。
2 内容2.1 概述LD型浓相气力输送系统根据国内外先进技术及经验,结合科学实验,并经过多年实际运行的考验,被确认是一种既经济又可靠的气力输送系统。
该系统输送中灰气比高,耗气量少,输送时物料速度低,有效降低了管道的磨损。
系统结构简单,操作维修方便,为一高效低耗的气力输送系统。
该系统主要由LD型仓泵、压缩空气气源、控制系统、输送管、灰库等五大部分组成。
其系统的布置见图1。
2.1.1 LD型仓泵LD型浓相仓泵具有较厚的壁厚,能承受粉煤灰的长期冲刷磨损,为一耐疲劳耐磨损的低压容器。
在整个系统中,它接受除尘器集灰斗的飞灰,经加压流化后通过输灰管送至灰库,是整个输送系统的发送部分。
LD型仓泵采用间断输送的方式,每进、出料一次为一个工作循环。
2.1.2 压缩空气气源由空气压缩机、除油器、干燥器、储气罐及供气管道等组成,主要为仓泵及气动控制部分提供高质量的压缩空气。
除油器和干燥器等是用于降低压缩空气中含有的油、水、杂质,提高压缩空气的质量。
2.1.3 控制系统以PLC可编程控制器(也可以采用工控机)作为控制系统的核心部件,对仓泵工作中的各种参数进行控制,并通过气动元件控制各种机械元件动作,通过模拟屏或CRT显示器显示当前工作状态。
同时并附有手动就地操作功能。
2.1.4 输送管道由于输送速度低,在一般情况下,可以不采用耐磨钢管而采用一般的无缝钢管即可。
经实验,气力输送的输送距离可达1000米以上。
2.1.5 灰库由灰库本体、布袋除尘器、真空释放阀、料位计、卸灰设备等组成。
它是气力输送系统的接收部分,它可以是混凝土的,也可以是钢结构的。
其中布袋除尘器是用于库内排放废气用,真空释放阀用于保护灰库免受过高的正压或负压影响,料位计用于检测灰库内的灰位高低。
Enterprise Development专业品质权威Analysis Report企业发展分析报告江苏纽普兰气力输送技术工程有限公司免责声明:本报告通过对该企业公开数据进行分析生成,并不完全代表我方对该企业的意见,如有错误请及时联系;本报告出于对企业发展研究目的产生,仅供参考,在任何情况下,使用本报告所引起的一切后果,我方不承担任何责任:本报告不得用于一切商业用途,如需引用或合作,请与我方联系:江苏纽普兰气力输送技术工程有限公司1企业发展分析结果1.1 企业发展指数得分企业发展指数得分江苏纽普兰气力输送技术工程有限公司综合得分说明:企业发展指数根据企业规模、企业创新、企业风险、企业活力四个维度对企业发展情况进行评价。
该企业的综合评价得分需要您得到该公司授权后,我们将协助您分析给出。
1.2 企业画像类别内容行业空资质增值税一般纳税人产品服务、锅炉的研发、销售及技术服务;环境工程设计1.3 发展历程2工商2.1工商信息2.2工商变更2.3股东结构2.4主要人员2.5分支机构2.6对外投资2.7企业年报2.8股权出质2.9动产抵押2.10司法协助2.11清算2.12注销3投融资3.1融资历史3.2投资事件3.3核心团队3.4企业业务4企业信用4.1企业信用4.2行政许可-工商局4.3行政处罚-信用中国4.5税务评级4.6税务处罚4.7经营异常4.8经营异常-工商局4.9采购不良行为4.10产品抽查4.12欠税公告4.13环保处罚4.14被执行人5司法文书5.1法律诉讼(当事人)5.2法律诉讼(相关人)5.3开庭公告5.4被执行人5.5法院公告5.6破产暂无破产数据6企业资质6.1资质许可6.2人员资质6.3产品许可6.4特殊许可7知识产权7.1商标7.2专利7.3软件著作权7.4作品著作权7.5网站备案7.6应用APP7.7微信公众号8招标中标8.1政府招标8.2政府中标8.3央企招标8.4央企中标9标准9.1国家标准9.2行业标准9.3团体标准9.4地方标准10成果奖励10.1国家奖励10.2省部奖励10.3社会奖励10.4科技成果11 土地11.1大块土地出让11.2出让公告11.3土地抵押11.4地块公示11.5大企业购地11.6土地出租11.7土地结果11.8土地转让12基金12.1国家自然基金12.2国家自然基金成果12.3国家社科基金13招聘13.1招聘信息感谢阅读:感谢您耐心地阅读这份企业调查分析报告。
第一章气力输送系统介绍气力输送系统与传统输送方式的比较气力输送的优点和缺点从气力输送的输送机理和应用实践均表明它具有一系列的优点:输送效率高,设备结构总体较简单,维护管理方便,易于实现自动化以及有利于环境保护等。
特别是用于工厂车间内部输送时,可以将输送过程和生产工艺相结合,这样有助于简化工艺过程的设备。
为此,可大大地提高劳动生产率、降低成本和减少占地空间。
概括起来,气力输送有如下的特点:1)输送管道能灵活地布置,从而使工厂设备工艺配置合理。
然而,与其他输送形式相比,其缺点是动力消耗稍大,由于输送风速较高,易产生管道磨损和被输送物料的破碎。
当然,上述不足之处在采用低输送风速、高混合比输送情况下可得到显著地改善,此外,被输送物料的颗粒尺寸也受到一定的限制,一般,当颗粒尺寸超过30mm,粘结性、吸湿性强的物料其输送均较困难。
吸送式和压送式气力输送装置优缺点的比较根据气力输送状态而言,在气固两相流动时,物料的运动状态会随着输送风速风量的变化而变化的。
当物料风速高时,物料处于悬浮状态,呈均匀分布状被气流输送;随着输送风速的降低,物料开始团聚;之后,部分物料在管道中聚集,呈集团脉动态输送;继续降低输送风速,物料堵塞截面,形成不稳定的料栓,这时料栓被空气的压力推动;再降低输送风速,不稳定的料栓将成为稳定的料栓,由空气的压力推动输送。
可以认为在垂直管中物料呈均匀分布界限和水平管中物料飞翔输送的界限,便是稀相和密相的界限。
故经济速度线可视为稀相和密相的分界线。
因此,概括起来,整个气力输送系统可以分为以下四类:1.稀相气力输送气流速度较高,物料2.密相气力输送物料在管道内已不再均匀分布,3.栓流气力输送这种输送是目前气力输送中一种较好的中等距离的输送方法4.集装容器式气力输送按装料容器的不同而分为无轮的传输筒和有轮的集容器车两类。
第二章气力输送系统的操作和维护安装和调试气力输送装置通常是由多台机械和多种部件组成的输送系统,因此安装工作量较大,安装工艺也较为复杂,涉及起重、钳工、管道、电气等工种。
气力输送系统操作规程一、系统运行流程进料阀密封圈泄压,延时3秒(或者其它设定时间),打开进料阀,开始落料,当落料达到料位计设定值或者落料时间到(设定时间现场可调),关进料阀,3秒后进料阀密封圈进行充压,当密封压力开关给出信号后,延时3秒(设定时间现场可调),打开管路上的出料阀,出料阀打开到位后打开进气阀、补气阀,进行物料输送,当输送压力降至压力开关设定值后,压力开关给出信号,表示输送过程结束,关进气阀、补气阀,延时3秒,关出料阀,系统进入下一次循环过程。
二、发送器的单体调试2.1调试前应先进行机务、电气检查,检查无误后,方可送上电源调试。
(是否符合安装安装要求,电气及电缆连接是否正确)2.2气源品质检查及管道吹扫。
➢单体调试前,输送风储气罐和仪用风储气罐内应充满气,输送风压力大于0.45Mpa,仪用风压力大于0.50Mpa。
➢打开输送风及仪用风前的手动阀门,就地控制箱前气源三联体中的减压阀调为≥0.50Mpa。
➢用仪用空气进行仪用管道吹扫。
吹扫时应在就地控制箱前气源三联体螺纹接头处进行断开,通入仪用空气进行吹扫,直至仪用空气管道吹扫干净为止。
2.3检查各阀门及设备的动作及性能情况。
在就地箱上使用电磁阀进行试验。
➢进料阀动作应灵活,开关到位,密封可靠。
➢密封压力开关值调为0.45~0.50Mpa之间。
➢进气阀开关到位,动作灵活,密封可靠。
➢出料阀开关到位,动作灵活,此外应检查此阀门开到位开关的到位情况。
➢补气阀开关到位,动作灵活,密封可靠。
➢记录下各阀门开关时间,程序设定时各阀门开关时间应在记录数据上加上1~2秒。
3、发送器的空载试运3.1输灰管道和仪用空气管道等进行气密封性试验合格后,应对整个输灰系统进行手动空载试运,手动空载试运时具体步骤如下:➢运行程序(1)关闭进料阀,延时3-5 s对密封圈加压充气密封;(2)打开补气阀,4-6s延时后,打开进气阀;➢进气阀组中的进气孔板应使用较小的φ20的孔板。
正压浓相气力输送系统安装、调试、使用、维护说明书镇江纽普兰气力输送有限公司目录1 概述------------------------------------------------------------------------------2 2系统组成------------------------------------------------------------------------3 3 系统工艺流程------------------------------------------------------------------5 4运输和存贮--------------------------------------------------------------------6 5 系统安装----------------------------------------------------------------------7 6系统调试-----------------------------------------------------------------------9 7运行-----------------------------------------------------------------------------12 8故障-----------------------------------------------------------------------------12 9维护---------------------------------------------------------------------------13 附表A 故障分析及排除方法-------------------------------------------------141概述1.0总则本工程采用纽普兰正压相气力输送系统,它是目前国际上一种先进的气力输送系统,它具有输送压力低、输送浓度高、无流态化、串联制下引式的输送特点。
系统简洁,布置方便,性价比高。
本操作规程有助于您熟悉系统安装、调试、使用、维护方面要点,安全、合理、经济地使用该系统。
遵循本操作规程有助于避免危险情况发生、减少修理成本和停机时间、提高可靠性和使用寿命。
在执行本操作规程时,还应参照现行国家事故预防及环境保护规范。
所有接触发送器部件的人都应知道并遵守这些操作规程。
在使用系统中,无论有何疑问,请随时于我公司工程部联系,您会得到满意的答复。
我公司保留对本操作规程中的解释和数据技术改动权利。
1.1原则虽然发送器及其部件是最先进的设备,且根据已被认可的安全工程规则设计,但仍有可能威胁使用者或第三者人身安全。
因此发送器应在运行状况良好、符合它们用途的场合使用,使用者要有安全第一的态度和危险意识,并能遵守操作规则,特别要提醒的是,必须尽快排除那些危及安全的因素!发送器及其部件只用于操作规程中规定的特定使用,任何超出此范围的使用都不符合技术规范,我公司不会对由此产生的事故负责。
事故损失将由用户独自承担。
特定使用还包括遵守操作规程和维护周期。
1.2安全符号说明请注意下列的一些安全符号,并遵守使用说明书中的相关的注意事项。
小心–有受伤的危险!这个符号指出了一种表示对员工的安全有危险的情况小心–危险!这个符号指出了一种潜在的即将发生的危险。
小心–有发生物资损失的危险!这个符号指出了一种可能导致装置损坏的操作警告–对生命有危险!这个符号指出一种由于电力造成对员工安全的危险。
1.3安全指令在打开该设备之前,你自己应该阅读这些使用说明,来熟悉它的保护、操作和监控单元。
操作人员必须胜任这个工作,并受到过培训和指导!不要对设备进行任何不熟练的修理或者更改。
在开始任何维修工作之前,设备需要从主机上断开连接,并且要确保防止意外重新启动的情况的发生。
在开始任何维修工作之前,请关闭设备上的原料的进料。
在开始任何维修工作之前,请去掉任何压力组件上的压力,例如电磁阀、气力传动装置等等。
另外,要防止发送器产生意外的加压。
在对发送器进行(维修)工作之前要放掉剩余的压力。
2 系统组成2.1 L型发送器2.2 T型发送器2.3 NPT型发送器2.4 NPD型发送器3 系统工艺流程3.1 L型发送器进料阀密封圈泄压,延时3秒(或其它设定的时间),打开进料阀,开始落料,当料位到或落料时间到(设定时间现场可调),关进料阀,3秒后进料阀密封圈进行充压,当密封压力开关给出信号后,打开管路上的出料阀,出料阀打开到位后打开进气阀、补气阀,进行物料输送,当输送压力开关给出信号,表示输送过程结束,关进气阀、补气阀,延时3秒,关出料阀,系统进入下一次循环过程。
3.2 T型发送器进料阀密封圈泄压,延时3秒(或其它设定的时间),打开进料阀,开始落料,当料位到或落料时间到(设定时间现场可调),关进料阀,3秒后进料阀密封圈进行充压,当密封压力开关给出信号后,打开管路上的出料阀,出料阀打开到位后打开进气阀、补气阀,进行物料输送,当输送压力开关给出信号,表示输送过程结束,关进气阀、补气阀,延时3秒,关出料阀,系统进入下一次循环过程。
3.3 NPT型发送器进料阀密封圈泄压,延时3秒(或者其它设定时间),打开进料阀、平衡阀,开始落料,当料位到或落料时间到(设定时间现场可调),关进料阀、平衡阀,3秒后进料阀密封圈进行充压,当密封压力开关给出信号后,出料阀密封圈泄压,延时3秒,打开管路上的出料阀,出料阀打开到位后打开进气阀、补气阀,延时6秒,开助吹阀,进行物料输送,当输送压力开关给出信号,表示输送过程结束,关进气阀、补气阀、助吹阀,延时3秒,关出料阀,3秒后出料阀密封圈进行充压,当密封压力开关给出信号后,系统进入下一次循环过程。
3.4 NPD型发送器进料阀密封圈泄压,延时3秒(或者其它设定时间),打开进料阀、平衡阀,开始落料,当料位到或落料时间到(设定时间现场可调),关进料阀、平衡阀,3秒后进料阀密封圈进行充压,当密封压力开关给出信号后,打开管路上的出料阀,出料阀打开到位后打开进气阀组,进行物料输送,当输送压力开关给出信号,表示输送过程结束,关进气阀组,延时3秒,关出料阀,系统进入下一次循环过程。
3.5吹堵工艺流程排堵装置的原理是使用正吹反抽法进行排堵。
当输送管路上的压力开关探测到输送压力高于设定压力(此压力根据现场工况设定)并保持一段时间不下降,系统会自动转入排堵程序。
首先打开排堵阀组中的气动阀门,这时输送管道中的物料会有一定的松动,延时一定时间后,关闭排堵阀组中的气动阀门,然后打开进气阀,对松动的物料进行冲击,如果压力还居高不下,再重复上述步骤,如此重复几次,直到管道吹通为止。
当管道吹通后,程序又会转入正常程序。
注:以上时间、压力等参数应根据现场实际情况确定。
4 运输和存贮4.1运输运输系统零部件发货时,应根据供货清单核实要装运的货物是否齐全,货物于装箱单的内容是否一致。
对要求防雨、防震、防冲击的包装箱应在包装箱上加注标志。
对于裸装货物,应用标牌注明货物名称、数量、到货站地址。
在运输输送系统时要遵守以下条款:要用不仅提升而且适合运输的起重机和升降机,同时要求这些设备要有足够的承载能力或容量。
用货物升降机、升降式装卸车或起重机运送压力设备及其部件。
严禁在悬荷下站立或工作确保各部件装配精确,无任何扭曲或变形4.2存贮为保证系统零部件存贮质量,应根据包装物标志要求分门别类地存贮。
对阀门、控制柜、测量器具、法兰、开关柜等要求室内存贮的,应存贮在通风、干净的货房内。
对发送器、管道、弯头等可露天存放。
5 系统安装5.1概述只有受过专门训练和培训的员工,并具有相应资质的员工才可安装设备。
负责安装的一方要对非专业装配引起的损坏负责。
装配前必须做以下几件事:➢根据取货单核实所要安装的设备及零部件是否齐全;➢对于设备进行目测检查;➢根据装配图,在装配地检查、测量安装部位的连接点应根据图纸安装无损部件。
装配时应避免损坏零、部件。
例如避免电花火、焊渣以及各种机械损伤。
装配时要戴安全设施,穿防护衣。
必须服从安全管理员的命令。
5.2 法兰连接去除法兰表面的任何灰尘或油污。
连接法兰的所有螺栓必须按照对称的十字交叉的顺序拧紧。
5.3 密封法兰接头标准化符合工业标准,例如发送器的连接件、输运管道、排水管道、排气管道等,都要用石棉橡胶板密封,其厚度为3mm。
密封方法如下:内径=管道内径外径=法兰螺栓孔节圆直径这种密封方法主要是防止挤出。
螺栓连接用生料带密封。
对于非标准的法兰连接,如角法兰(例如:),当温度大于80°C时,要求用密封带进行密封,法兰连接的一侧要求使用密封胶。
所有法兰入口都是在内部密封。
在拐角出密封带必须交迭在一起。
5.4安装前的准备工作工种人员:起吊工、钳工、电焊工、电工、热控人员等安装工具:起吊工具、氧乙炔气割设备、电焊机、手提砂轮机、转尺、水平仪、万用表、扳手、榔头等安装前做好安装现场的清理工作。
对改造工程,应将原除灰设备拆掉或移位;对新建工程应将安装现场清理干净,安装层找平。
5.5安装顺序顺序原则:先设备后管道、先主要设备后辅助设备、先机务后电气热控5.5.1安装人员应认真阅读安装图纸、说明书等技术资料,熟悉安装技术要求,安装顺序,并穿戴安全设施。
5.5.2对照安装图纸等,检查设备,安装设备时,本着先上后下的原则,先安装手动插板门、进料阀、后安装发送器,再安装进气阀组。
➢注意各法兰间加衬石棉橡胶密封垫,厚度为3mm。
➢螺栓紧固应按照对角顺序原则,确保密封可靠。
➢注意使相关发送器的出口在一条中心线上,发送器于基础应安装牢固。
➢阀门手轮及气缸朝向一致便于操作。
➢阀门应注意进出口方向。
➢进料阀在安装过程中,请勿因连接管焊接烧损密封圈。
➢进气阀组进入发送器的管道应有不少于300mm直端管道。
➢进入各补气环的补气管道应从上向下进入,并装有单向阀,安装时应注意单向阀的方向。
➢助推阀应尽可能靠近输送管道。
5.5.3按照图纸要求,连接输送管道及其它管道。
➢安装时各螺纹连接部分应缠几层生料带后再连接,使之紧密不漏气。
➢注意输送管道连接法兰应使管道中心线对中,对轴度的控制在1.5mm,法兰连接密封可靠。
➢气源管道走向合理、美观,做到横平竖直。
➢对管道按照规范要求设置安装管道支架。
对管道要求密封。
对气源管道特别是仪用气源管道应注意管道内腔清洁。
➢补气环安装时应按图施工,注意方向,严禁反装。
➢单向阀是防止灰逆流的阀门,安装时应按图施工,注意方向,严禁反装。
➢对连接平衡阀与灰斗的平衡管,应安装在灰斗高料位以上500mm处,对吹堵管道与灰斗相连接,同样要按此要求。