力学实验专题-精选.pdf
- 格式:pdf
- 大小:1.48 MB
- 文档页数:19
2024年高考真题和模拟题物理分类汇编专题17力学实验两球的质量分别为a m 、b m ,实验中须满足条件a m N x 、a m 和b m 在实验误差范围内满足关系式______,则验证了两小球在碰撞中满足动量守恒定律。
实验中,用小球落点与O 点的距离来代替小球水平飞出时的速度,依据是______。
①.m x m x m x =+②.小球离开斜槽末端后做平抛运动,竖直(1)该实验中同时研究三个物理量间关系是很困难的,因此我们采用的研究方法是_____;B.控制变量法C.补偿法(2)该实验过程中操作正确的是____;A.6322(15)x x a T -=B.6322(3)x x a T -=C.()54322(10)x x x x a T +-+=【答案】①.B②.B ③.远大于④.系统误差⑤.C⑥.6410x x T-(1)电梯静止时测力计示数如图所示,读数为_____N(结果保留1位小数);(2)电梯上行时,一段时间内测力计的示数为4.5N ,则此段时间内物体处于_____(填“超重”或“失重”)状态,电梯加速度大小为_____2m/s (结果保留1位小数)。
【答案】(1)5.0(2)①.失重②. 1.0【解析】(1)由图可知弹簧测力计的分度值为0.5N,则读数为5.0N。
(2)[1]电梯上行时,一段时间内测力计的示数为4.5N ,小于物体的重力可知此段时间内物体处于失重状态;[2]根据5.0NG mg ==根据牛顿第二定律mg T ma-=代入数据联立解得电梯加速度大小21.0m/s a ≈4.(2024年山东卷考题)13.在第四次“天宫课堂”中,航天员演示了动量守恒实验。
受此启发,某同学使用如图甲所示的装置进行了碰撞实验,气垫导轨两端分别安装a 、b 两个位移传感器,a 测量滑块A 与它的距离x A ,b 测量滑块B 与它的距离x B 。
部分实验步骤如下:①测量两个滑块的质量,分别为200.0g 和400.0g;②接通气源,调整气垫导轨水平;③拨动两滑块,使A、B 均向右运动;④导出传感器记录的数据,绘制x A 、x B 随时间变化的图像,分别如图乙、图丙所示。
高考物理实验专题复习:力学实验—、基本仪器1、请认真观察本题图示并读出螺旋测微器的测量结果为mm,游标卡尺的测量结果为mm。
二、纸带(一)匀加速直线运动(用纸带计算瞬时速度和加速度)1.(9分)某学生用打点计时器研究小车的匀变速直线运动。
他将打点计时器接到频率为50Hz 的交流电源上,实验时得到一条纸带。
他在纸带上便于测量的地方选取第一个计时点,在这个点下标明A,第六个点下标明B,第十一个点下标明C,第十六个点下标明£>, 第二十一个点下标明E。
测量时发现B点已模糊不清,于是他测得AC长为14.56cm、CD长为11.15cm,OE长为13.73cm,财丁C点时小车的瞬时速度大小为m/s,小车运动的加速度大小为m/s2, AB的距离应为cm。
(保留三位有效数字)参考答案1.(每);旨 & B /1—14. 56cm —13. 73cm(用纸带计算瞬时速度和加速度,分析由于电源频率引起的误差)2、在做“研究匀变速直线运动”的实验时,某同学得到一条用打点计时器打下的纸带如图所示,并在其上取了A、B、C、D、E、F、G等7个计数点,每相邻两个计数点之间还有4个点,图中没有画出,打点计时器接周期为T=0.02S的交流电源.他经过测量并计算得到打点计时器在打3、C、。
、E、F各点时物体的瞬时速度如下表:(1) __________________________________计算VF的公式V F = ;(2)以A点对应的时刻为t=0,根据表格中数据做出物体的v-t图象,利用图象求得其加速度a =m/s2;(3)如果当时电网中交变电流的频率是上51Hz,而做实验的同学并不知道,那么加速度的测量值与实际值相比(选填:偏大、偏小或不变)。
参考答案 4. (12 分)(1)* =<10? (2)=0.425±0.005m/s2;图略(3)偏小(纸带的迁移)3、(本题满分13分(1)(3分)图中给出的是用螺旋测微器测量某一圆柱形工件的直径时的示数图,由图可知此工件的直径应为mm o2(10分)如图甲所示,是用包有白纸的质量为1.00kg的圆柱棒替代纸带和重物,蘸有颜料的毛笔固定在电动机的飞轮上并随之匀速转动,以替代打点计时器。
专题 力学实验一、测量物质的密度1。
下面是小方和小王设计的“测食用油密度”的实验方案,请完善他们的方案,并回答后面的问题: (1)小方的方案:用调节平衡的天平测出空烧杯的质量m 1,向烧杯内倒入适量食用油,再测出烧杯和食用油的总质量m 2,然后把烧杯内的食用油全部倒入量筒内,读出量筒内食用油的体积为V 1;其测得的食用油密度的表达式是:ρ油= 。
(2)小王的方案:在烧杯内倒入适量的食用油,用调节平衡的天平测出烧杯和食用油的总质量m 3,然后将烧杯内的适量食用油倒入量筒内,再测出烧杯和剩余食用油的总质量m 4,读出量筒内食用油的体积V 2。
其测得的食用油密度的表达式是:ρ油= .(3)按__________的实验方案进行测量,实验误差可能小一些;如果选择另一种方案,测得的密度值________(填“偏大”、“偏小”),(4)图是按小王的实验方案进行某次实验的情况,请将实验的数据及测量结果填入表中。
剩余油和烧杯的总质量2.小科在实验室里测量一块形状不规则、体积较大的矿石的密度。
(1)把托盘天平放在水平桌面上,调节天平平衡后,把小石块放在左盘,用镊子向右盘加减砝码,当把砝码盒中最小的砝码放入右盘后,发现指针偏向分度盘的右侧,再取回右盘中最小的砝码,接下来的操作步烧杯和食用油的总质量(g)烧杯和剩余油的总质量(g )倒出油的质量(g )倒出油的体积(cm 3)油的密度(g/cm 3)34。
116.8骤是移动_____________,直到天平再次平衡,测得矿石的质量是210g;(2)因矿石体积较大,她按如图所示方法进行测量,求得矿石的体积为_______cm3;(3)矿石的密度为_______g/cm3。
3.彤彤很想知道牛奶的密度,她用天平(带砝码)(或弹簧测力计)、一个干净的带盖子的空塑料瓶和水,进行了测量。
请你将她的主要实验步骤补充完整(水的密度用ρ水表示)。
主要实验步骤:(1)她把天平放在水平桌面上,在调节天平平衡时,当天平的指针位置如图所示,她应该将天平的平衡螺母向移动(填“左”或“右”),使天平达到平衡;(2)用天平测量出一个干净空瓶子(带盖子)的质量是m1;(3)用天平测量出装满水的瓶子(盖紧盖子)的总质量是m2;(4)用天平测量出用所测物理量表示牛奶的密度ρ牛奶= 。
解密14 力学实验⎧⎫⎧⎪⎪⎧⎪⎨⎪⎪⎪⎪⎪⎪⎪⎩⎪⎪⎪⎪⎪⎪⎨⎬⎨⎧⎪⎪⎪⎪⎪⎪⎪⎪⎨⎪⎪⎪⎪⎪⎪⎪⎩⎪⎪⎪⎩⎩⎭研究匀变速直线运动实验原理探究性实验探究弹力和弹簧伸长的关系实验器材探究动能定理实验步骤力学实验步骤验证力的平行四边行定则数据处理验证牛顿运动定律误差分析验证性实验验证机械能守恒注意事项验证动量守恒定律考点1 研究匀变速直线运动一、实验目的1.练习正确使用打点计时器,学会利用打上点的纸带研究物体的运动。
2.掌握判断物体是否做匀变速直线运动的方法(2x aT ∆=)。
3.测定匀变速直线运动的加速度。
二、实验原理 1.打点计时器(1)作用。
计时仪器,每隔0.02 s 打一次点。
(2)两种打点计时器的比较(3)纸带上点的意义表示和纸带相连的物体在不同时刻的位置;通过研究纸带上各点之间的距离,可以判断物体的运动情况;可以利用纸带上打出的点来确定计数点间的时间间隔。
2.匀变速直线运动的判断连续相等时间内的位移之差是恒量,即213243x x x x x x x ∆=-=-=-==恒量(不为零),则物体做匀变速直线运动,且2x aT ∆=。
3.由纸带求物体运动速度的方法根据匀变速直线运动某段时间中间时刻的瞬时速度等于该段时间内的平均速度,即12n n n x x v T++=。
4.由纸带求加速度 (1)用“逐差法”求加速度根据24152633x x x x x x aT -=-=-=,求出加速度41123x x a T -=、52223x x a T -=、63323x x a T -=,再计算出a 1、a 2、a 3的平均值,即为物体运动的加速度,即45612329x x x x x x a T ++---=。
(2)利用v –t 图象的斜率求加速度 先根据12n n n x x v T++=求出多个时刻随对应点的瞬时速度,然后画出v –t 图象,图线的斜率即为物体运动的加速度。
三、实验器材电火花计时器(或电磁打点计时器)一端固定有定滑轮的长木板、小车、纸带、细绳、钩码、刻度尺、导线、电源、复写纸。
实验专题(力学、电学、其他)1、力学实验1.[2024·甘肃卷] 用图甲所示实验装置探究外力一定时加速度与质量的关系.(1)以下操作正确的是 . A .使小车质量远小于槽码质量 B .调整垫块位置以补偿阻力C .补偿阻力时移去打点计时器和纸带D .释放小车后立即打开打点计时器(2)保持槽码质量不变,改变小车上砝码的质量,得到一系列打点纸带.其中一条纸带的计数点如图乙所示,相邻两点之间的距离分别为S 1,S 2,…,S 8,时间间隔均为T.下列加速度算式中,最优的是 . A .a =17S 8-S 7T 2+S 7-S 6T 2+S 6-S 5T 2+S 5-S 4T 2+S 4-S 3T 2+S 3-S 2T 2+S 2-S 1T2B .a =16S 8-S 62T 2+S 7-S 52T 2+S 6-S 42T '2+S 5-S 32T 2+S 4-S 22T 2+S 3-S 12T 2C .a =15S 8-S 53T 2+S 7-S 43T 2+S 6-S 33T 2+S 5-S 23T 2+S 4-S 13T 2D .a =14S 8-S 44T 2+S 7-S 34T 2+S 6-S 24T 2+S 5-S 14T 2(3)以小车和砝码的总质量M 为横坐标,加速度的倒数1a为纵坐标,甲、乙两组同学分别得到的1a -M 图像如图丙所示.由图可知,在所受外力一定的条件下,a 与M 成 (填“正比”或“反比”);甲组所用的 (填“小车”“砝码”或“槽码”)质量比乙组的更大.1.(1)B (2)D (3)反比 槽码[解析] (1)为了使小车所受的合外力大小近似等于槽码的总重力,故应使小车质量远大于槽码质量,故A 错误;为了保证小车所受细线拉力等于小车所受合力,则需要调整垫块位置以补偿阻力,也要保持细线和长木板平行,故B 正确;补偿阻力时不能移去打点计时器和纸带,需要通过纸带上点迹是否均匀来判断小车是否做匀速运动,故C 错误;根据操作要求,应先打开打点计时器再释放小车,故D 错误.(2)根据逐差法可知S 5-S 1=4a 1T 2,S 6-S 2=4a 2T 2,S 7-S 3=4a 3T 2,S 8-S 4=4a 4T 2,联立可得小车加速度表达式为a =14S 8-S 44T 2+S 7-S 34T 2+S 6-S 24T 2+S 5-S 14T 2,此方法用到了纸带上的所有数据,故选D .(3)根据图像可知1a 与M 成正比,故在所受外力一定的条件下,a 与M 成反比;设槽码的质量为m ,则由牛顿第二定律得mg =(m +M )a ,化简可得1a =1mg ·M +1g ,故斜率越小,槽码的质量m 越大,由图可知甲组所用的槽码质量比乙组的更大.2.[2024·广东卷] 下列是《普通高中物理课程标准》中列出的三个必做实验的部分步骤,请完成实验操作和计算.(1)图甲是“探究加速度与物体受力、物体质量的关系”实验装置示意图.图中木板右端垫高的目的是 .图乙是实验得到的纸带一部分,每相邻两计数点间有四个点未画出,相邻计数点的间距已在图中给出.打点计时器电源频率为50 Hz,则小车的加速度大小为 m/s 2(结果保留3位有效数字).(2)在“长度的测量及其测量工具的选用”实验中,某同学用50分度的游标卡尺测量一圆柱体的长度,示数如图丙所示,图丁为局部放大图,读数为 cm .(3)在“用双缝干涉实验测量光的波长”实验调节过程中,在光具座上安装光源、遮光筒和光屏.遮光筒不可调节.打开并调节 ,使光束沿遮光筒的轴线把光屏照亮.取下光屏,装上单缝、双缝和测量头.调节测量头,并缓慢调节单缝的角度直到目镜中观察到 .2.(1)平衡摩擦力 2.86 (2)4.122 (3)光源 清晰的干涉条纹[解析] (1)“探究加速度与物体受力、物体质量的关系”实验中,图中木板右端垫高的目的是平衡摩擦力;打点计时器打点的周期T =1f =150 s=0.02 s,因为纸带上每相邻两计数点间有四个点未画出,故纸带上每相邻两计数点间的时间间隔为Δt =5T =0.1 s,由逐差法可得小车的加速度大小为a =Δx (Δt )2=[(16.29+13.43+10.59)-(7.72+4.88+2.01)]×10-2(3×0.1)2m/s 2≈2.86 m/s 2.(2)根据游标卡尺读数规则,读数为41 mm+11×0.02 mm=41.22 mm=4.122 cm .(3)在“用双缝干涉实验测量光的波长”实验中,安装完元件后,应打开并调节光源,使光束沿轴线照亮光屏.取下光屏,装上单缝、双缝和测量头,调节测量头,并缓慢调节单缝的角度直到目镜中观察到清晰的干涉条纹.3.[2024·海南卷] 水平圆盘上紧贴边缘放置一密度均匀的小圆柱体,如图甲所示,图乙为俯视图,测得圆盘直径D =42.02 cm,圆柱体质量m =30.0 g,圆盘绕过盘心O 的竖直轴匀速转动,转动时小圆柱体相对圆盘静止.甲乙丙为了研究小圆柱体做匀速圆周运动时所需要的向心力情况,某同学设计了如下实验步骤: (1)用秒表测圆盘转动10周所用的时间t =62.8 s,则圆盘转动的角速度ω= rad/s(π取3.14).(2)用游标卡尺测量小圆柱体不同位置的直径,某次测量的示数如图丙所示,该读数d = mm,多次测量后,得到平均值恰好与d 相等.(3)写出小圆柱体所需向心力表达式F = (用D 、m 、ω、d 表示),其大小为 N(保留2位有效数字).3.(1)1 (2)16.1 (3)mω2·(D -d )26.1×10-3[解析] (1)圆盘转动10周所用的时间t =62.8 s,则圆盘转动的周期为T =62.810s=6.28 s,根据角速度与周期的关系有ω=2πT =1 rad/s .(2)根据游标卡尺的读数规则有1.6 cm+1×0.1 mm=16.1 mm . (3)小圆柱体做圆周运动的半径为r =D -d2,则小圆柱体所需向心力表达式F =mω2·(D -d )2,代入数据得F ≈6.1×10-3 N .4.[2024·海南卷] 为验证两个互成角度的力的合成规律,某组同学用两个弹簧测力计、橡皮条、轻质小圆环、木板、刻度尺、白纸、铅笔、细线和图钉等器材,按照如下实验步骤完成实验:a.用图钉将白纸固定在水平木板上;b.如图甲、乙所示,橡皮条的一端固定在木板上的G点,另一端连接轻质小圆环,将两细线系在小圆环上,细线另一端系在弹簧测力计上,用两个弹簧测力计共同拉动小圆环到某位置,并标记圆环的圆心位置为O点,拉力F1和F2的方向分别过P1和P2点,大小分别为F1=3.60 N、F2=2.90 N;撤去拉力F1和F2,改用一个弹簧测力计拉动小圆环,使其圆心到O点,在拉力F的方向上标记P3点,拉力的大小为F=5.60 N.请完成下列问题:(1)在图乙中按照给定的标度画出F1、F2和F的图示,然后按平行四边形定则画出F1、F2的合力F'.(2)比较F和F',写出可能产生误差的两点原因.4.(1)如图所示(2)①没有做到弹簧测力计、细线、橡皮条都与木板平行;②读数时没有正视弹簧测力计[解析] (1)按照给定的标度画出F1、F2和F的图示,然后按平行四边形定则画出F1、F2的合力F',如图所示.(2)F和F'不完全重合的误差可能是:①没有做到弹簧测力量计、细线、橡皮条都与木板平行;②读数时没有正视弹簧测力计.5.[2024·江西卷] 某小组探究物体加速度与其所受合外力的关系.实验装置如图1所示,水平轨道上安装两个光电门,小车上固定一遮光片,细线一端与小车连接,另一端跨过定滑轮挂上钩码.(1)实验前调节轨道右端滑轮高度,使细线与轨道平行,再适当垫高轨道左端以平衡小车所受摩擦力.(2)小车的质量为M1=320 g.利用光电门系统测出不同钩码质量m时小车加速度a.钩码所受重力记为F,作出a-F图像,如图2中图线甲所示.(3)由图线甲可知,F较小时,a与F成正比;F较大时,a与F不成正比.为了进一步探究,将小车的质量增加至M2=470 g,重复步骤(2)的测量过程,作出a-F像,如图2中图线乙所示.(4)与图线甲相比,图线乙的线性区间,非线性区间.再将小车的质量增加至M3=720 g,重复步骤(2)的测量过程,记录钩码所受重力F与小车加速度a,如下表所示(表中第9~14组数据未列出).序号12345钩码所受重力0.0200.0400.0600.0800.100F/(9.8 N)小车加速度0.260.550.821.081.36a/(m·s-2)序号6789~1415钩码所受重力0.1200.1400.160…0.300F/(9.8 N)小车加速度1.671.952.20…3.92a/(m·s-2)(5)请在图2中补充描出第6至8三个数据点,并补充完成图线丙.(6)根据以上实验结果猜想和推断:小车的质量 时,a 与F 成正比.结合所学知识对上述推断进行解释:.5.(4)较大 较小 (5)如图所示(6)远大于钩码的质量 对钩码根据牛顿第二定律有F -F T =ma ,对小车根据牛顿第二定律有F T =Ma ,联立解得F =(M +m )a ,变形得a =1M+mF ,当m ≪M 时,可认为m +M ≈M ,则a =1MF ,即a 与F成正比[解析] (4)根据题图2分析可知,与图线甲相比,图线乙的线性区间较大,非线性区间较小.(5)在坐标系中进行描点,结合其他点用平滑的直线连接各点,使尽可能多的点在线上,不在线上的点均匀地分布在线的两侧.作出图线丙如图所示.2、电学实验1.[2024·安徽卷] 某实验小组要将电流表G(铭牌标示:I g=500 μA,R g=800 Ω)改装成量程为0~1 V和0~3 V的电压表,并用标准电压表对其进行校准.选用合适的电源、滑动变阻器、电阻箱、开关和标准电压表等实验器材,按图甲所示连接电路,其中虚线框内为改装电路.(1)开关S1闭合前,滑片P应移动到(填“M”或“N”)端.(2)根据要求和已知信息,电阻箱R1的阻值已调至1200 Ω,则R2的阻值应调至Ω.(3)当单刀双掷开关S2与a连接时,电流表G和标准电压表V的示数分别为I、U,则电流表G 的内阻可表示为.(结果用U、I、R1、R2表示)(4)校准电表时,发现改装后电压表的读数始终比标准电压表的读数偏大,经排查发现电流表G 内阻的真实值与铭牌标示值有偏差,则只要即可.(填正确答案标号)A.增大电阻箱R1的阻值B.减小电阻箱R2的阻值C.将滑动变阻器的滑片P向M端滑动(5)校准完成后,开关S2与b连接,电流表G的示数如图乙所示,此示数对应的改装电压表读数为V.(保留2位有效数字)1.(1)M(2)4000(3)U-R1-R2(4)A(5)0.86I[解析] (1)由图可知,该滑动变阻器采用分压式接法,为了保护仪表安全,在开关S1闭合前,滑片P应移到M端;(2)当开关S2接b时,电压表量程为0~1 V,根据欧姆定律有U1=I g(R g+R1),当开关S2接a时,电压表量程为0~3 V,根据欧姆定律有U2=I g(R g+R1+R2),其中R1=1200 Ω,联立解得R2=4000 Ω; (3)当开关S2接a时,根据欧姆定律有U=I(R g+R1+R2),则电流表G的内阻可表示为R g=U-R1-R2;I(4)校准电表时,发现改装后电压表的读数始终比标准电压表的读数偏大,可知电流表G内阻的真实值小于铭牌标示值,根据闭合电路的欧姆定律知,可以增大两电阻箱的阻值.故选A. (5)根据闭合电路欧姆定律可得U V=I A(R g+R1)=430×10-6×(800+1200) V=0.86 V.2.[2024·甘肃卷] 精确测量干电池电动势和内阻需要考虑电表内阻的影响.可用器材有:电压表(量程0~1.5 V,内阻约为1.5 kΩ)、电流表(量程0~0.6 A)、滑动变阻器、开关、干电池和导线若干.某小组开展了以下实验.甲乙(1)考虑电流表内阻影响①用图甲所示电路测量电流表的内阻.从图乙电压表和电流表读数可得电流表内阻R A=Ω(保留2位有效数字).②用图丙所示电路测量干电池电动势和内阻.电压表读数、电流表读数、干电池内阻和电流表内阻分别用U、I、r和R A表示.则干电池电动势E=U+(用I、r和R A表示).③调节滑动变阻器测得多组电表读数,作出图丁所示的U-I图像.则待测干电池电动势E= V(保留3位有效数字)、内阻r=Ω(保留1位小数).丁(2)考虑电压表内阻影响该小组也尝试用图戊所示电路测量电压表内阻,但发现实验无法完成.原因是.A.电路设计会损坏仪器B.滑动变阻器接法错误C.电压太大无法读数D.电流太小无法读数2.(1)①1.0②I(r+R A)③1.401.0(2)D[解析] (1)①由图乙可知,电压表读数为U=0.60 V,电流表读数为I=0.58 A,根据欧姆定律可得电流表内阻为R A=UI =0.600.58Ω≈1.0 Ω;②由闭合电路欧姆定律可知,干电池电动势的表达式为E=U+I(r+R A);③根据E=U+I(r+R A)变形得到U=-(r+R A)I+E,根据图像可知,纵截距b=E=1.40 V,斜率的绝对值|k|=r+R A=1.40-1.000.20-0Ω=2.0 Ω,所以待测干电池电动势为E=1.40 V,内阻为r=1.0 Ω.(2)由于将电压表串联接在电路中,电压表内阻很大,电路中电流太小,故无法完成实验的原因可能是电流太小无法读数,故选D.3.[2024·广东卷] 某科技小组模仿太阳能发电中的太阳光自动跟踪系统,制作光源跟踪演示装置,实现太阳能电池板方向的调整,使电池板正对光源.图甲是光照方向检测电路.所用器材有:电源E(电动势3 V);电压表V1和V2(量程均有0~3 V 和0~15 V,内阻均可视为无穷大);滑动变阻器R;两个相同的光敏电阻R G1和R G2;开关S;手电筒;导线若干.图乙是实物图.图中电池板上垂直安装有半透明隔板,隔板两侧装有光敏电阻,电池板固定在电动机转轴上.控制单元与检测电路的连接未画出.控制单元对光照方向检测电路无影响.请完成下列实验操作和判断.(1)电路连接.图乙中已正确连接了部分电路,请完成虚线框中滑动变阻器R、电源E、开关S和电压表V1间的实物图连线.(2)光敏电阻阻值与光照强度关系测试.①将图甲中R的滑片置于端,用手电筒的光斜照射到R G1和R G2,使R G1表面的光照强度比R G2表面的小.②闭合S,将R的滑片缓慢滑到某一位置.V1的示数如图丙所示,读数U1为V,V2的示数U2为1.17 V.由此可知,表面光照强度较小的光敏电阻的阻值(选填“较大”或“较小”).③断开S.(3)光源跟踪测试.①将手电筒的光从电池板上方斜照射到R G1和R G2.②闭合S,并启动控制单元.控制单元检测并比较两光敏电阻的电压,控制电动机转动.此时两电压表的示数U1<U2,图乙中的电动机带动电池板(填“逆时针”或“顺时针”)转动,直至时停止转动,电池板正对手电筒发出的光.3.(1)如图所示(2)①b②1.63(1.61~1.65均可)较大(3)②逆时针U1=U2(或R G1=R G2)[解析] (1)由题图甲可知,V1测R G1两端电压,V2测R G2两端电压,滑动变阻器采用分压式接法,由题图乙可知,此时V2已并联在R G2两端,V1未并联在电路中,故应将V1的“3”接线柱连到滑动变阻器右上接线柱处,滑动变阻器分压式接入电路中.(2)①从安全性角度考虑,一开始应将题图甲中R的滑片置于b端,使两个电压表的示数均为零.②由题图丙知电压表的分度值为0.1 V,根据读数原则需估读到0.1 V的下一位,读数为1.63 V.由串联电路中电流相等,电阻之比等于电压之比,可知电压较大时对应的电阻较大.由题图甲知,V1测R G1两端电压,V2测R G2两端电压,且U1>U2,则R G1>R G2,由①可知R G1表面的光照强度比R G2表面的小,说明表面光照强度较小的光敏电阻的阻值较大.(3)②U1<U2,说明R G1电阻小,对应光照强度大,而R G2电阻大,对应光照强度小,因此光是从左上方斜向右下方照射,所以应逆时针转动电池板,使光线和太阳能电池板垂直,直至U1=U2时停止转动,此时R G1=R G2,两板对应光照强度相同,电池板正对手电筒发出的光.4.[2024·广西卷] 某同学为探究电容器充、放电过程,设计了图甲实验电路.器材如下:电容器,电源E(电动势6 V,内阻不计),电阻R1=400.0 Ω,电阻R2=200.0 Ω,电流传感器,开关S1、S2,导线若干.实验步骤如下:(1)断开S1、S2,将电流传感器正极与a节点相连,其数据采样频率为5000 Hz,则采样周期为s;(2)闭合S 1,电容器开始充电,直至充电结束,得到充电过程的I -t 曲线如图乙,由图乙可知开关S 1闭合瞬间流经电阻R 1的电流为 mA(结果保留3位有效数字);(3)保持S 1闭合,再闭合S 2,电容器开始放电,直至放电结束,则放电结束后电容器两极板间电压为 V;(4)实验得到放电过程的I -t 曲线如图丙,I -t 曲线与坐标轴所围面积对应电容器释放的电荷量为0.018 8 C,则电容器的电容C 为 μF .图丙中I -t 曲线与横坐标、直线t =1 s 所围面积对应电容器释放的电荷量为0.003 8 C,则t =1 s 时电容器两极板间电压为 V(结果保留2位有效数字). 4.(1)15000(2)15.0 (3)2 (4)4.7×103 5.2[解析] (1)采样周期为T =1f =15000 s .(2)由图乙可知开关S 1闭合瞬间流经电阻R 1的电流为15.0 mA .(3)放电结束后电容器两极板间电压等于R 2两端电压,根据闭合电路欧姆定律得电容器两极板间电压为U C =ER 1+R 2·R 2=2 V . (4)充电结束后电容器两端电压为U C '=E =6 V,故可得ΔQ =(U C '-U C )C =0.018 8 C,解得C =4.7×103 μF;设t =1 s 时电容器两极板间电压为U C ″,得(U C '-U C ″)C =0.003 8 C,代入数值解得U C ″≈5.2 V .5.[2024·海南卷] 用如图甲所示的电路观察电容器的充放电现象,实验器材有电源E 、电容器C 、电压表、电流表、电流传感器、计算机、定值电阻R 、单刀双掷开关S 1、开关S 2、导线若干.(1)闭合开关S 2,将S 1接1,电压表示数增大,最后稳定在12.3 V .在此过程中,电流表的示数 .(填选项标号) A .一直稳定在某一数值 B .先增大,后逐渐减小为零C .先增大,后稳定在某一非零数值(2)先后断开开关S 2、S 1,将电流表更换成电流传感器,再将S 1接2,此时通过定值电阻R 的电流方向为 (选填“a →b ”或“b →a ”),通过传感器将电流信息传入计算机,画出电流随时间变化的I -t 图像,如图乙,t =2 s 时I =1.10 mA,图中M 、N 区域面积比为8∶7,可求出R = kΩ(保留2位有效数字).5.(1)B (2)a →b 5.2[解析] (1)电容器充电过程中,当电路刚接通后,电流表示数从0增大至某一最大值,后随着电容器的不断充电,电路中的充电电流在减小,当充电结束电路稳定后,此时电路相当于断路,电流为0,故选B .(2)根据电路图可知充电结束后电容器上极板带正电,将S 1接2,电容器放电,此时通过定值电阻R 的电流方向为a →b ;t =2 s 时,I =1.10 mA,可知此时电容器两端的电压为U 2=IR ,电容器开始放电前两端电压为12.3 V ,根据I -t 图像与横轴围成的面积表示放电荷量可得,0~2 s 的放电荷量为Q 1=ΔU ·C =(12.3-1.10×10-3·R )C ,2 s 后到放电结束放电荷量为Q 2=ΔU'·C =1.10×10-3·RC ,根据题意Q 1Q 2=87,解得R ≈5.2 kΩ.6.[2024·河北卷] 某种花卉喜光,但阳光太强时易受损伤.某兴趣小组决定制作简易光强报警器,以便在光照过强时提醒花农.该实验用到的主要器材如下:学生电源、多用电表、数字电压表(0~20 V)、数字电流表(0~20 mA)、滑动变阻器R (最大阻值50 Ω,1.5 A)、白炽灯、可调电阻R 1(0~50 kΩ)、发光二极管LED 、光敏电阻R G 、NPN 型三极管VT 、开关和若干导线等. (1)判断发光二极管的极性使用多用电表的“×10 k”欧姆挡测量二极管的电阻.如图甲所示,当黑表笔与接线端M 接触、红表笔与接线端N 接触时,多用电表指针位于表盘中a 位置(见图乙);对调红、黑表笔后指针位于表盘中b 位置(见图乙).由此判断M 端为二极管的 (选填“正极”或“负极”).(2)研究光敏电阻在不同光照条件下的伏安特性①采用图丙中的器材进行实验,部分实物连接已完成.要求闭合开关后电压表和电流表的读数从0开始.导线L 1、L 2和L 3的另一端应分别连接滑动变阻器的 、 、接线柱(以上三空选填接线柱标号“A”“B”“C”或“D”).②图丁为不同光照强度下得到的光敏电阻伏安特性曲线,图中曲线Ⅰ、Ⅰ和Ⅰ对应光敏电阻受到的光照由弱到强.由图像可知,光敏电阻的阻值随其表面受到光照的增强而(选填“增大”或“减小”).(3)组装光强报警器电路并测试其功能图戊为利用光敏电阻、发光二极管、三极管(当b、e间电压达到一定程度后,三极管被导通)等元件设计的电路.组装好光强报警器后,在测试过程中发现,当照射到光敏电阻表面的光强达到报警值时,发光二极管并不发光,为使报警器正常工作,应(选填“增大”或“减小”)可调电阻R1的阻值,直至发光二极管发光.6.(1)负极(2)①A A C(或D)[或者三空分别为:C(或D)A B]②减小(3)增大[解析] (1)使用多用电表欧姆挡测二极管电阻时,电流也是“红进黑出”,即表内电源正极与黑表笔相连,电源负极与红表笔相连,且测二极管正向电阻时阻值很小,测二极管反向电阻时阻值无穷大.当黑表笔与接线柱M接触、红表笔与接线柱N接触时,多用电表指针位于表盘中a 位置(电阻无穷大),而对调红、黑表笔后指针位于表盘中b位置(电阻很小),说明黑表笔(连接电源正极)与接线柱N接触时测的是二极管正向电阻,即N端为二极管的正极.(2)①要求闭合开关后电压表和电流表的读数从0开始,所以滑动变阻器应采用分压式接法,导线L2应连接A接线柱,导线L1和导线L3应“一上一下”连接滑动变阻器的接线柱,可以导线L1连接A接线柱,导线L3连接C或D接线柱,或者导线L3连接B接线柱,导线L1连接C或D接线柱.②伏安特性曲线上的点与原点连线的斜率的倒数表示电阻,由所给伏安特性曲线图可知,曲线Ⅰ、Ⅰ、Ⅰ对应的电阻在减小,说明随着光照由弱到强,光敏电阻的阻值减小.(3)在测试过程中发现,当照射在光敏电阻表面的光强达到报警值时,发光二极管并不发光,说明三极管未被导通,这是因为b、e间电压较小,未达到是三极管导通的值,为使报警器正常工作,应调大R1两端分得的电压直至发光二极管发光,由于R1与R G串联后总电压一定,所以要调大R1的阻值.7.[2024·江苏卷] 某同学在实验室做“测定金属的电阻率”的实验,除被测金属丝外,还有如下实验器材可供选择:A.直流电源:电动势约为3 V,内阻可忽略不计;B.电流表A:量程0~100 mA,内阻约为5 Ω;C.电压表V:量程0~3 V,内阻为3 kΩ;D.滑动变阻器:最大阻值为100 Ω,允许通过的最大电流为0.5 A;E.开关、导线等.(1)该同学用刻度尺测得金属丝接入电路的长度L=0.820 m,用螺旋测微器测量金属丝直径时的测量结果如图甲所示,从图中读出金属丝的直径为mm.(2)用多用电表欧姆“×1”挡测量接入电路部分的金属丝电阻时,多用电表的示数如图乙所示,从图中读出金属丝电阻约为Ω.(3)若该同学根据伏安法测出金属丝的阻值R=10.0 Ω,则这种金属材料的电阻率为Ω·m.(结果保留两位有效数字)7.(1)0.787(0.785~0.788均可)(2)9.0(3)5.9×10-6[解析] (1)根据螺旋测微器的读数规律,该读数为d=0.5 mm+28.7×0.01 mm=0.787 mm.(2)根据欧姆挡的读数规律,该读数为R x=9.0×1 Ω=9.0 Ω.(3)根据电阻定律有R=ρLS =ρLπ(d2)2=4ρLπd2,解得ρ=πd2R4L,代入数据得ρ=5.9×10-6 Ω·m.8.[2024·江西卷] 某小组欲设计一种电热水器防触电装置,其原理是:当电热管漏电时,利用自来水自身的电阻,可使漏电电流降至人体安全电流以下.为此,需先测量水的电阻率,再进行合理设计.(1)如图1所示,在绝缘长方体容器左右两侧安装可移动的薄金属板电极,将自来水倒入其中,测得水的截面宽d=0.07 m和高h=0.03 m.(2)现有实验器材:电流表(量程0~300 μA,内阻R A=2500 Ω)、电压表(量程0~3 V或0~15 V,内阻未知)、直流电源(3 V)、滑动变阻器、开关和导线.请在图1中画线完成电路实物连接.(3)连接好电路,测量26 ℃的水在不同长度l时的电阻值R x.将水温升到65 ℃,重复测量.绘出26 ℃和65 ℃水的R x-l图线,分别如图2中甲、乙所示.(4)若R x-l图线的斜率为k,则水的电阻率表达式为ρ=(用k、d、h表示).实验结果表明,温度(选填“高”或“低”)的水更容易导电.(5)测出电阻率后,拟将一段塑料水管安装于热水器出水口作为防触电装置.为保证出水量不变,选用内直径为8.0×10-3m的水管.若人体的安全电流为1.0×10-3A,热水器出水温度最高为65 ℃,忽略其他电阻的影响(相当于热水器220 V的工作电压直接加在水管两端),则该水管的长度至少应设计为m.(保留2位有效数字)8.(2)如图所示(4)kdh高(5)0.46[解析] (2)由于电流表阻值已知,因此电流表采用内接法时,水的电阻R =U I-R A ,可消除伏安法测电阻的系统误差;因电源电动势为3 V ,则电压表选用0~3 V 量程.实物连线如图所示. (4)根据电阻定律有R x =ρl S ,又S =dh ,联立可得R x =ρdℎl ,故R x -l 图像的斜率k =ρdℎ,解得ρ=kdh ;根据题图2可知,65 ℃水的R x -l 图像的斜率比26 ℃水的R x -l 图像的斜率小,说明温度高的水的电阻率较小,更容易导电.(5)根据欧姆定律和电阻定律有R =UI =ρl 'πD 24,其中ρ=kdh ,由题图2可知,65 ℃水的R x -t 图像的斜率k =80.7×103 Ω/m,代入数据解得l'≈0.46 m,故该水管长度的最小值为0.46 m .9.[2024·辽宁卷] 某探究小组要测量电池的电动势和内阻.可利用的器材有:电压表、电阻丝、定值电阻(阻值为R 0)、金属夹、刻度尺、开关S 、导线若干.他们设计了如图所示的实验电路原理图.(1)实验步骤如下:①将电阻丝拉直固定,按照图甲连接电路,金属夹置于电阻丝的 (选填“A ”或“B ”)端; ②闭合开关S,快速滑动金属夹至适当位置并记录电压表示数U ,断开开关S,记录金属夹与B 端的距离L ;③多次重复步骤②,根据记录的若干组U 、L 的值,作出图丙中图线Ⅰ;④按照图乙将定值电阻接入电路,多次重复步骤②,再根据记录的若干组U 、L 的值,作出图丙中图线Ⅰ.(2)由图线得出纵轴截距为b ,则待测电池的电动势E = .(3)由图线求得Ⅰ、Ⅰ的斜率分别为k 1、k 2,若k2k 1=n ,则待测电池的内阻r = (用n 和R 0表示).9.(1)A (2)1b(3)R 0n -1[解析] (1)为了保护电路,避免通过电源的电流过大,闭合开关前,金属夹应置于使电阻丝接入电路的阻值最大处,即应该置于A 端.(2)对于图甲电路,根据闭合电路欧姆定律有U =E -Ir ,设金属丝的电阻率为ρ,横截面积为S ,根据欧姆定律和电阻定律有I =UR ,R =ρLS ,联立可得U =E -USρL r ,整理可得1U =1E +Sr Eρ·1L ,对于图乙电路,根据闭合电路欧姆定律有U =E -I (r +R 0),根据欧姆定律和电阻定律有I =UR,R =ρL S,联立并整理可得1U =1E+S (r+R 0)Eρ·1L ,所以图线的纵轴截距b =1E ,解得E =1b .(3)由题意可知k 1=SrEρ,k 2=S (r+R 0)Eρ,又k2k 1=n ,联立解得r =R0n -1. 10.电阻型氧气传感器的阻值会随所处环境中的氧气含量发生变化.在保持流过传感器的电流(即工作电流)恒定的条件下,通过测量不同氧气含量下传感器两端的电压,建立电压与氧气含量之间的对应关系,这一过程称为定标.一同学用图甲所示电路对他制作的一个氧气传感器定标.实验器材有:装在气室内的氧气传感器(工作电流1 mA)、毫安表(内阻可忽略)、电压表、电源、滑动变阻器、开关、导线若干、5个气瓶(氧气含量分别为1%、5%、10%、15%、20%).(1)将图甲中的实验器材间的连线补充完整,使其能对传感器定标; (2)连接好实验器材,把氧气含量为1%的气瓶接到气体入口;(3)把滑动变阻器的滑片滑到 端(选填“a ”或“b ”),闭合开关;。
力学实验实验一:研究匀变速直线运动实验二:探究弹力和弹簧伸长的关系实验三:验证力的平等四边形定则实验四:验证牛顿运动定律实验五:探究动能定理实验六:验证机械能守恒定律其中有四个实验(实验一实验四实验五实验六)需要用到打点计时器......实验一:研究匀变速直线运动实验原理1.判断物体运动状态的方法:求相邻位移的△X设相邻点之间的位移为X l、X2、X3……(1)若X2 -X l =X3-X2=X n-X n-1=0,则物体做匀速直线运动(2)若X2 -X l =X3-X2=X n-X n-1= aT2(定值),则物体做匀变速直线运动2.求物体加速度的方法(1)逐差法:若纸带上有相邻的6个计数点,相邻的位移为X l、X2、X3……X6,则则:这样使所给的数据得到了有效利用,达到了减小误差的目的.(2)图象法:由求出各个计数点的瞬时速度,作v-t图象,图线的斜率即为物体的加速度。
实验器材电火花计时器或电磁打点计时器,一端附有滑轮的长木板,小车,纸带,细绳,钩码,刻度尺,开始释放小车时,应使小车靠近打点计时器.应先接通电源,待打点计时器工作稳定后再释放小车.小车的加速度适当大些,能在约50 cm的纸带上取出7-8个计数点为宜.要尽量减小纸带与打点计时器的限位孔之间的摩擦.要在钩码(或码桶)落地处放置软垫或码箱,防止撞坏钩码.要在小车到达滑轮前用手按住它或放置泡沫塑料挡板,防止车掉在地上或撞坏滑轮.1.某学生用打点计时器研究小车的匀变速直线运动。
他将打点计时器接到频率为50 Hz的交流电源上,实验时得到一条纸带,他在纸带上便于测量的地方选取第一个计时点,在这点下标明A,第六个点下标明B,第十一个点下标明C,第十六个点下标明D,第二十一个点下标明E.测量时发现B点已模糊不清,于是他测得AC长为14. 56 cm,CD长为11. 15 cm,DE长为13. 73 cm,则打C点时小车的瞬时速度大小为m/s,小车运动的加速度大小为m/s2,AB的距离应为cm.(保留三位有效数字)2.在“研究匀变速直线运动”的实验中,打点计时器使用的交流电源的频率为50 Hz,记录小车运动的纸带如图所示,在纸带上选择6个计数点A、B、C、D、E、F,相邻两计数点之间还有四个点未画出,各点到A点的距离依次是2.0 cm、5.O cm、9.O cm、14.0 cm、20.O cm.(1)根据学过的知识可以求出小车在B点的速度为V B=m/s,CE间的平均速度为m/s;(2)以打B点时为计时起点,建立v-t坐标系如图所示,请在图中作出小车运动的速度与时间的关系图线;(3)根据图线可得小车运动的加速度为m/ s23.有4条用打点计时器(所用交流电频率均为50 Hz)打出的纸带A、B、C、D,其中一条是做“验证机械能守恒定律”实验时打出的.为找出该纸带,某同学在每条纸带上选取了点迹清晰的、连续的4个点,用刻度尺测出相邻两个点间的距离依次为Sl、S2、S3,请你根据下列Sl、S2、S3的测量结果确定该纸带为.(已知当地的重力加速度为9. 791 111/S2)A. 61. 0 mm, 65. 8 mm, 70. 7 mmB. 41. 2 mm, 45. 1 mm, 53. 0 mmC. 49. 6 mm, 53. 5 mm, 57. 3 mmD. 60. 5 mm, 61. 0mm, 60. 6 mm某同学用如图所示装置测量重力加速度g,所用交流电频率为50 Hz.在所选纸带上取某点为0号计数点,然后每3个点取一个计数点,所有测量数据及其标记符号如图所示.该同学用两种方法处理数据(T为相邻两计数点的时间间隔):方法1:由方法2:由取平均值从数据处理方法看,在某些方面x1,、X2、X3、X4、x5、X6中,对实验结果起作用的,方法1中有__ __;方法2中有.因此,选择方法(选填“1”或“2”)更合理,这样可以减少实验的(填“系统”或“偶然”)误差.本实验误差的主要来源有(试举出两条).4. 某同学用图所示的实验装置研究小车在斜面上的运动.实验步骤如下:a.安装好实验器材.b。
力学实验专题一、 力的作用效果及性质1、有关力的概念,不合理的是( )A 、力是物体对物体的作用B 、只有接触的物体才能产生力C 、力不能脱离物体而存在D 、相互接触的物体不一定产生力的作用2、鸡蛋碰石头,石头完好却鸡蛋破了,其中道理是( )A 、鸡蛋主动碰石头B 、鸡蛋受到的力比石头的大C 、鸡蛋受到了力,石头没有受到力D 、两者受到的力大小相等,只是鸡蛋易碎3、一只小船的人用力推开另一只船,结果两只船向相反方向运动,说明:_____________,力可以改变_____________。
二、弹力1、如图所示,在弹簧测力计的两侧沿水平方向各加4N 拉力并使其保持静止,此时弹簧测力记的示数为( )A .0N B .2N C .4N D .8N2、、一个球形物体O 静止放在光滑的水平地面上,并与竖直墙相接触,A 、B 两点是球与墙和地面的接触点,则下列说法正确的是( )A .物体受三个力,重力、B 点的支持力、A 点的弹力B .物体受二个力,重力、B 点的支持力C .物体受三个力,重力、B 点的支持力、地面的弹力D .物体受三个力,重力、B 点的支持力、物体对地面的压力3、若在弹簧测力计的吊环上安装一挂钩,把弹簧测力计倒过来悬挂,对新安装的挂钩施加5N 的拉力,则弹簧测力计的示数是( )A 、 大于5NB 、等于5NC 、小于5ND 、不能确定1、一个在地球上质量为50kg 的物体,在地在月球上它的质量为___,在月球上受到的重力和地球上受到的重力大小___(“一样”或“不一样”)2、一个质量为100kg 的降落伞在空中匀速下降,求降落伞在空中受到摩擦力的大小3、月球对其表面附近物体的引力是地球表面附近引力的61,质量为72kg 的宇航员登山月球,它的质量是________,所受到的月球的吸引力是________(g=10N/kg )4、足球运动员把足球踢向空中,如图所示.若不计空气阻力,则下列表示足球在空中飞行时的受力图中(F 表示脚对球的作用力),正确的是( )四、惯性1、水平桌面上的物体,在水平拉力F 作用下向右运动,当它离开桌面时,假设所有外力同时消失,那么它( )A 沿竖直方向下落B 沿水平方向向右匀速直线运动C 做曲线运动D 无法确定运动情况2、教室里悬挂着的电灯处于静止状态,假如它受到的所有力突然全部消失,它将( )A 加速下落B 匀速下落C 保持静止D 可以向各个方向运动3、物体表现出惯性的现象我们经常遇见如:(解释惯性现象)⏹ 1·汽车起动时,乘客向后倾倒⏹ 2·汽车刹车时,乘客向前倾倒⏹ 3·汽车向右转弯时,乘客向左倾倒⏹ 4·汽车向左转弯时,乘客向右倾倒⏹ 回答惯性现象,主要步骤:①确定研究对象②此物体原来处于什么运动状态③若不受外力(外力消失)则保持原来运动状态五、二力平衡1、2010年温哥华冬奥会,我国选手取得优异成绩为国争光。
一、本部分历年考生常见的失分点有:1.对游标卡尺和螺旋测微器的读数原理理解不够,没有熟练掌握读数方法,主要有以下几个方面:(1)不注意主尺上的单位;(2)不注意零刻度线;(3)不懂卡尺的精度.2.对实验原理理解不透,在验证牛顿第二定律实验中,小车与砂桶间质量的关系,怎样平衡摩擦力,满足什么条件才能使实验成功;在“研究平抛物体的运动”和“碰撞中的动量守恒”实验中,小球所放位置的选择以及小球的选择,在用单摆测定重力加速度实验中,计时点的选择等.3.在验证某一定律的过程中随意使用该定律,出现用结论证结论的循环论证错误,如在验证机械能守恒定律中经常出现这样的问题.出现上述失误的根本原因在于对实验原理没有理解,实验方法没有掌握,实验目的不明确.请同学们根据自己答题的情况,总结并纠正其中的错误点。
其二把后面每道题所考的知识点写在题号前面。
预测:07年结合新课标,要突显“过程与方法”,最大可能将在力学实验中出一道创新设计型题目。
希望同学们在复习时,多对实验原理和设计的过程加以探究,切忌死记结果的现象。
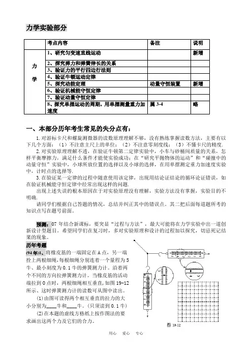
历年考题(94年)1、将橡皮筋的一端固定在A 点,另一端拴上两根细绳,每根细绳分别连着一个量程为5牛、最小刻度为0.1牛的弹簧测力计。
沿着两个不同的方向拉弹簧测力计。
当橡皮筋的活动端拉到O 点时,两根细绳相互垂直,如图19-12所示、这时弹簧测力计的读数可从图中读出。
(1)由图可读得两个相互垂直的拉力的大小分别为____牛和____牛。
(只须读到0.1牛) (2)在本题的虚线方格纸上按作图法的要求画出这两个力及它们的合力。
2、某同学利用多频率电火花计时仪研究自由落体运动,他把重锤固定在纸带下端,让纸带穿过电火花计时仪,然后把纸带的上端用铁夹子固定在铁架台上.先调整电火花计时仪的放电频率为 50 Hz ,再接通电源,使它工作起来,然后释放纸带.重锤带动纸带自由下落,纸带上被电火花打出一系列点迹,如下图Ⅱ-8所示,其中A 、B 、C 、D 、E 是连续打出的几个点,下面标注的数字是相邻两点间的距离,单位是 cm.(1)有些同学做这个实验时不用铁架台和铁夹子固定纸带上端,而是用手拿着纸带上端,使它保持静止.这 2种方法哪个更好?为什么?答:___________________________________________. (2)由纸带上给出的几个数据判断,该运动是不是匀变速直线运动?根据是什么? 答:________________________________________.(3)根据这几个数据测出的重力加速度g 的数值是_______m ·s -2(保留 3位有效数字)(03上海)3、如图所示,在研究平抛运动时,小球A 沿轨道滑下,离开轨道末端(末端水平)时撞开轻质接触式开关S ,被电磁铁吸住的小球B 同时自由下落。
专题08 力学实验(1)专项测试(满分60分,时间60分钟)学校:___________姓名:___________班级:___________考号:___________一、实验题(共12小题,每小题5分,共 60分)1.(2019·山东)地球附近的物体都要受到重力,小明同学认为物体的重力大小与物体的质量有关,于是他进行了相关的探究.(1)为了完成探究除了需要质量不同的物体外,还需要的两样测量工具是弹簧测力计和________.(2)他将实验得到的数据填入表格中.其中第2次实验的重力大小由甲图弹簧测力计示数读为________N.(3)根据表格数据在乙图方格纸中作出重力随质量变化的图象.(4)由图象可得出结论为________.(5)若干年后,小明在我国建成的太空站工作时,你认为他用同样的器材在太空站________(填“能”或“不能”)完成该探究.2.(2019·临沂)小明在探究“滑动摩擦力大小于哪些因素有关”的实验中,提出以下猜想:猜想一:滑动摩擦力的大小与物体运动的速度有关;猜想二:滑动摩擦力的大小与接触面所受的压力大小有关;猜想三:滑动摩擦力的大小与接触面的粗糙程度有关;小明通过如图所示的实验验证猜想,验证猜想二和猜想三的数据如下表:回答下列问题:(1)实验中,小明用弹簧测力计水平拉着木块在水平方向做________运动,其目的是使滑动摩擦力的大小________(选填“大于”、“小于”或“等于”)弹簧测力计的示数。
(2)为验证猜想一,小明用弹簧测力计水平拉着木块沿水平方向以不同的速度在木板上做实验时,发现弹簧测力计示数相同,说明滑动摩擦力的大小与运动速度________。
(3)分析________次实验可验证猜想二,在其他条件相同时,滑动摩擦力的大小与接触面所受的压力大小________。
(4)分析1、4、5三次实验,小明得出结论:滑动摩擦力的大小与接触面的粗糙程度有关。
模块一力学专题11 力学实验*知识与方法一、初中物理实验方法1.控制变量法:在研究物理问题时,某一物理量往往受几个不同因素的影响,为了确定该物理量与各个不同因素之间的关系,就需要控制某些因素,使其固定不变,只研究其中一个因素,看所研究的因素与该物理量之间的关系。
分析思路:找好自变量、因变量和控制变量。
自变量:实验中主动变化的量。
因变量:实验中被动变化的量,一般也是研究目标。
控制变量:除自变量之外其他可能会引起因变量变化的量,需控制不变。
2.转换法:在科学探究中,对于一些看不见、摸不着或者不易观察的现象,通常改用一些非常直观的现象去认识。
3.等效替代法:等效替代法是在保证某种效果(特性和关系)相同的前提下,将实际的、陌生的、复杂的物理问题和物理过程用等效的、简单的、易于研究的物理问题和物理过程代替来研究和处理的方法。
4.科学推理法:以可靠的事实为基础,以真实的实验为原型,通过合理的推理得出结论,深刻地揭示科学规律的本质。
二、测定性实验1.用刻度尺测量物体长度用刻度尺测量长度(1)使用注意事项:刻度尺的刻度线应紧贴被测物体,不能以磨损的刻度线为起点。
(2)读数注意事项:读数时,视线经过被测物体测量末端并与尺面垂直,需要估读到分度值的下一位。
2.用停表测量时间3.测量平均速度实验原理:v ts = 后半程平均速度:v 222t s =11——t t s s = 小车平均速度的关系为:v 1< v < v 2。
4.用天平测物体质量5.用量筒测物体体积6.测量物体的密度实验原理:ρVm = (1)测密度比水大的物体的密度实验器材:陶块、细线、适量水、烧杯、量筒、天平①用调好的天平测出物体质量m ,记入表格;②用量筒取适量的水,测出水的体积V 1,记入表格;③用细线拴着物体放入量筒内的水中,使其浸没,测出此时的总体积V 2 ,记入表格;④利用ρVm =12—V V m =,计算物体的密度ρ,记入表格。
一、探究摩擦力的大小例题1、在探究“滑动摩擦力的大小与哪些因素有关”的实验中。
(1)小明的三次实验情况分别如图19中的甲、乙、丙所示。
实验时,用弹簧测力计拉木块在水平木板(或毛巾)上做匀速直线运动,根据______知识可知,这时滑动摩擦力的大小等于弹簧测力计的示数。
(2)小明在探究“滑动摩擦力的大小与压力的关系”时,利用图19中甲、乙两组数据比较得出:“压力越大,滑动摩擦力就越大”的结论。
你认为他这样对比这两组数据就得出这样的结论对吗?______。
你的理由是:___________。
(3)请你根据小明这三次实验情况设计一个实验数据记录表格。
(4)从图中甲、丙两组数据比较,你能得出的结论是:____________________。
分析:自我提升:1、在探究“滑动摩擦力大小与哪些因素有关”的实验中:(1)用弹簧测力计水平拉着木块在水平桌面上做运动时,弹簧测力计的示数为1.2N ,滑动摩擦力的大小等于,这是利用了。
(2)王永同学猜想:滑动摩擦力大小除了与接触面的粗糙程度以及接触面之间的压力有关外,还可能与物体的运动方向有关。
如果要用弹簧测力计、表面平整的木板、带钩的木块等器材,对此猜想进行探究,请你说出主要的实验步骤:2通过物理知识的学习,同学们不难发现:(1)当要研究的物理量不易直接测量时,都要想办法把它们的大小间接表示出来。
例如:在探究摩擦力与什么因素有关的实验中(如图17所示),用弹簧测力计拉动木块时,必须让木块在水平面上做_________运动,通过读取弹簧测力计上的示数可间接知道摩擦力的大小;又如,在研究“牛顿第一定律”的实验中(如图18所示),让同一小车从斜面上相同的高度由静止滚下,在粗糙程度不同的平面上运动,小车在水平方向上受力的大小可通过小车 _____表现出来。
(2)当要研究某个物理量与多个因素的关系时,一般要采用_______ 法。
例如:在探究摩擦力与什么因素有关的实验中,要研究摩擦力的大小与压力大小关系,就要多次改变 _____,同时保持接触面的粗糙程度不变。
一.实验探究题(共37小题)1.小明在“测小车的平均速度”的实验中,设计了如图所示的实验装置:小车从带刻度(分度值为lcm)的斜面顶端由静止下滑,图中的圆圈是小车到达A、B、C三处时电子表的显示(数字分别表示“小时分秒”),则;(1)该实验是根据公式进行测量的;(2)实验中为了方便计时,应使斜面的坡度较(填“大”或“小”);(3)请根据图中所给信息回答:S AB=cm;v AC=m/s;(4)实验前必须学会熟练使用电子表,如果让小车过了A点后才开始计时,则会使所测AC段的平均速度V AC偏(填“大”或“小”)2.如图是测平均速度的实验装置:(1)实验的原理是;(2)实验中为了便于测量小车的运动时间,斜面应保持坡度(填“较小”或“较大”)。
(3)由实验测量可知,小车通过上半程的平均速度比小车通过下半程的平均速度(填“小”、“大”或“等于”),表明小车做的是(填“匀速”或“变速”)运动。
(4)实验过程中某一时刻秒表示数如图所示,则读数为s。
3.如图甲是“探究某种固体物质熔化特点”的实验装置,图乙是根据实验数据描绘出的该物质在熔化过程中温度随加热时间变化的图象。
(1)实验中,用烧杯中的热水加热试管中固体物质,好处是;A.便于观察B.受热均匀(2)由图乙可知,物质是(晶体/非晶体)。
(3)图乙中,该物质加热8min时,其状态是态(选填固、液、固液共存),此时的温度是℃。
(4)除图中所示实验器材及火柴外,要完成此实验,还需要的器材是。
4.如图,图甲是“探究某种固体物质熔化特点”的实验装置,图乙是根据实验数据描绘出的该物质在熔化过程中温度随时间变化的图象。
(1)试验中使用的温度计是根据液体的原理制成的;(2)图甲中,用烧杯中的热水加热试管中固体物质,好处是;由图乙可知,该物质是(选填“晶体”或“非晶体”);(3)图乙中,该物质在BC段处于(填“固体”、“液体”、“固液共存”)状态,在熔化过程中该物质的温度(选填“升高”、“降低”或“不变”).该物质在B点具有的内能(选填“大于”、“等于”或“小于”)在C点的内能;(4)由图乙可知,该物质在AB段比CD段升温要快,其原因是该物质固态时的比热容比其液态时的比热容(选填“大”、“小”或“相同”)(不考虑热量散失)。
5.一同学在做“平面镜成像特点”的实验时,将一块玻璃板竖直架在一把直尺的上面,再取两段等长的蜡烛A和B 一前一后竖直放在直尺上,点燃玻璃板前的蜡烛A,用眼睛进行观察,如图所示。
在此实验中:(1)直尺的作用是便于比较物与像到镜面的的关系。
(2)两段等长的蜡烛是为了比较物与像的的关系。
(3)通过多次实验得到的结论是:平面镜所成像的大小与相等,像和物体到平面镜的距离,像和物体的连线与镜面。
(4)移去蜡烛B,并在其所在位置上放一光屏,则光屏上(选填“能”或“不能”)接收到蜡烛A的烛焰的像。
这说明平面镜成的像是像。
6.小滨用如图所示装置进行了“探究平面镜成像特点”的实验。
(1)他选取两支外形相同的蜡烛进行实验的目的是。
(2)小滨选择用玻璃板代替平面镜进行实验的目的是。
(3)在探究实验的过程中,他把蜡烛A放在距玻璃板30cm处,蜡烛A在玻璃板中所成的像到蜡烛A的距离是cm;当蜡烛A远离玻璃板时,它的像的大小将(选填“变大”、“变小”或“不变”)。
(4)在玻璃板后放一光屏,无论怎样移动光屏,都不能接收到蜡烛的像,说明。
(5)若在实验中,不能使另一颗等长的蜡烛与A的像完全重合是因为玻璃板没有与桌面放置所致。
7.如图所示,在“探究凸透镜成像规律”实验中:(1)为了使烛焰的像完整地成在光屏中央,只需要调整高度一个元件是。
若不调整,会使烛焰的像成在光屏的(选填“上”或“下”)方。
(2)若实验中使用的凸透镜焦距为10cm,调整高度后,不改变图中蜡烛、凸透镜和光屏的位置,发现光屏上无像,此时应该向(选填“左”或“右”)移动光屏,将会在光屏上呈现一个倒立、的实像。
8.小明做“探究凸透镜成像规律”的实验:(1)调整器材高度时,应(选填“点燃”或“不点燃”)蜡烛。
(2)如图所示,蜡烛和光屏之间的距离为45cm,此时在光屏上得到一个清晰的像,就是利用这一成像规律工作的。
若将凸透镜向蜡烛移动适当距离,光屏上又得到一个清晰的(选填“放大”或“缩小”)的像。
(3)接下来,小明把自己的近视眼镜放在蜡烛和凸透镜之间且靠近凸透镜的位置,结果光屏上原来清晰的像变模糊了,若不改变蜡烛和凸透镜的位置,应将光屏(选填“远离”或“靠近”)凸透镜。
9.小明用一个焦距为8cm的凸透镜探究凸透镜的成像规律,当装置如图甲所示时,烛焰在光屏上成清晰的像。
(1)图甲中光屏离凸透镜的距离可能是(填序号)A.22cmB.14cmC.6cm D.无法确定(2)保持凸透镜的位置不变,将蜡烛向右调节一段距离后,要想在光屏上成清晰的像,应将光屏向(填“左”或“右”)调节;(3)若步骤(2)中未调节光屏的位置,则需在凸透镜前加一个(填“凸”或“凹”)透镜,才能在光屏上得到清晰倒立的像;的纸片(图乙)放在离凸透镜5cm的地方,我们能看到的清晰的像是丙图中的(填(4)若将印有字母“F”序号),生活中应用该原理制作的光学仪器是。
10.以下是某实验小组进行的两组光学实验:(1)图甲是“探究平面镜成像特点”的实验。
①实验中选取两只完全相同的蜡烛,是为了比较像和物的关系。
②移去玻璃板后面的蜡烛,将光屏放在此处,则光屏上(选填“能”或“不能”)接收到烛焰的像。
③将蜡烛远离玻璃板,像的大小将(选填“变大”、“变小”或“不变”)(2)图乙、丙、丁是探究“凸透镜成像规律”的实验。
①让一束平行光射向凸透镜,移动光屏,直到光屏上出现最小最亮的光斑,如图乙所示,则该透镜的焦距为cm。
②把蜡烛放在距凸透镜15cm处,如图丙所示,在凸透镜的另一侧前后移动光屏,光屏上会得到一个倒立、的实像。
③若烛焰在光屏上所成的像如图丁所示,为了使像能清晰地呈在光屏中央,应将凸透镜向(选填“上”或“下”)移动。
11.某小组同学利用光具座进行“探究凸透镜成像规律”的实验:(1)将蜡烛、凸透镜、光屏依次放在光具座上,点燃蜡烛后,应调整烛焰、透镜和光屏的中心大致在。
(2)已知所用的凸透镜的焦距f=15cm,如图所示,要使蜡烛在光屏上成清晰的像,在蜡烛、凸透镜和光屏三者中,只移动其中一个的位置,其余两个不动,可行的措施是:。
(3)如果把凸透镜固定在光具座上50cm刻度线处,将蜡烛移至10cm刻度线处,移动光屏,当光屏上呈现烛焰清晰的像时,该像是倒立、的实像;当烛焰放在距凸透镜12cm处时,在凸透镜另一侧前后移动光屏,(选填“能”或“不能”)在光屏上得到像。
(4)实验中,燃烧的蜡烛逐渐变短,光屏上的像会逐渐向(填“上”或“下”)移动,为了使像成在光屏的中心,可将蜡烛向(填“上”或“下”)调整。
(5)分析实验数据可知,当物体通过凸透镜成实像时,物距增大,像距。
12.小刚用天平和量筒测金属块的密度时,进行了下列操作。
请回答问题:(1)将天平放在水平台面上,游码归零后,发现指针指示的位置如图甲所示,他应将平衡螺母向调节(选填“左”或“右”),才能使天平水平平衡。
(2)用调节好的天平测金属块质量时,天平平衡后,砝码及游码在标尺上的位置如图乙所示,则金属块质量m= g。
(3)用细线系住金属块放入装有20mL水的量筒内,水面如图丙所示,则金属块体积V=cm3,计算出金属块密度ρ=g/cm3。
(4)完成上述实验后,小刚又用弹簧测力计和密度为ρ的金属块,测出了如图丁所示烧杯中盐水的密度。
请将实验步骤补充完整:①用调好的弹簧测力计测出金属块在空气中重力为G;②,记录此时弹簧测力计的示数为F;③请用G、F和ρ表示盐水密度,则ρ盐水=。
13.测量一个陶瓷小酒杯的密度(指图中小酒杯材料的密度).小明实验步骤如下:(1)用调节好的天平测量小酒杯的质量,当天平平衡后,右盘中砝码和游码的位置如图甲所示,小酒杯的质量m 为g。
(2)在量筒中放入适量的水,如图乙所示,读出水面所到的刻度值V1;(3)将小酒杯浸没在量筒的水中,如图丙所示,读出水面所到的刻度值V2;(4)小酒杯的密度为ρ酒杯=kg/m3。
(5)小华在测量过程中,不用天平,只用量筒也测出小酒杯的密度。
去掉步骤(1),在步骤(3)之前加上一个步骤:将小酒杯在量筒的水中,读出水面所到的刻度值V3.则小酒杯的密度为ρ酒杯=(用V1、V2、V3来表示,水的密度为ρ水)。
14.实验室有如下器材:天平(含砝码)、量筒、烧杯、弹簧测力计、金属块、细线(质量和体积不计)、足量的水:小陈选用上述一些器材测量金属块的密度,实验步骤如下:(1)向量筒中倒入25mL水;(2)将金属块浸没在量筒的水中,如图1所示,由此可知金属块的体积;(3)将天平放在水平桌面上,如图2甲所示,接下来的操作是:①将游码拨到零刻度线处;②向(选填“左”或“右”)调节平衡螺母,使天平平衡;③取出量筒中的金属块直接放在左盘,向右盘加减砝码并移动游码使天平重新平衡,如图2乙所示。
计算金属块的密度是kg/m3在交流评估中,小陈知道了自己的实验步骤有问题,他的实验所测得的密度比金属块实际的密度(选填“大”或“小”)。
15.小明发现橙子放入水中会下沉,于是想办法测量它的密度。
(1)将托盘天平放在水平桌面上,将标尺上的游码移至零刻度线处,调节平衡螺母,直到指针在分度盘的中央,表示天平平衡。
(2)用天平测量橙子质量,天平平衡时砝码和游码的示数如图所示,橙子质量为g,小明利用排水法测得橙子的体积,计算得到橙子的密度。
(3)做实验时,小明若先用排水法测出橙子的体积,接着用天平测出橙子质量,这样测得的密度值将比真实值(选填“偏大”或“偏小”)。
(4)小亮不用天平,利用弹簧测力计、细线、盛有水的大烧杯等器材,也巧妙测出了橙子的密度。
用请弹你簧将测他力的计测测量出步橙骤子补的充重完力G整,;已知水的密度为ρ水。
①②;③橙子密度的表达式为ρ橙=(用测出的物理量和已知量的字母表示)。
16.在探究“阻力对物体运动的影响”时,使用的器材有斜面、木板、毛巾、棉布和小车。
(1)实验时要固定斜面,并让小车从斜面上(同一/不同)位置由静止滑下,这样做的目的是;(2)根据实验现象,可以得出结论,水平面上小车受到的阻力越小,在水平面上运动的距离越;(3)如果水平面绝对光滑,对小车没有阻力,则小车将做运动;(4)小车在毛巾、木板表面上克服阻力做功分别为W1、W2,则W1(>/=/<)W2;(5)如果要测小车在毛巾表面上运动时所受阻力的大小,正确做法是:用测力计,读出测力计示数。
17.在探究“阻力对物体运动的影响”时,使用的器材有斜面、木板、毛巾、棉布和小车。
(1)实验时要固定斜面,并让小车从斜面上(选填“同一”或“不同”)位置由静止滑下,目的是使小车到达水平面时的速度大小(选填“相同”或“不相同”)。