文控中心文件管理流程.doc
- 格式:doc
- 大小:67.31 KB
- 文档页数:5
文件管理控制程序文件一、目的为了确保公司文件的准确性、完整性、可用性和安全性,提高文件管理的效率和质量,特制定本文件管理控制程序。
二、适用范围本程序适用于公司内部所有文件的生成、审批、发布、存储、检索、使用、修改、废止等全过程的管理。
三、职责分工1、文件的起草者负责按照公司的规定和业务需求,准确、清晰地起草文件,并确保文件内容符合相关法律法规和公司政策。
2、部门负责人对本部门起草的文件进行审核,确保文件内容的合理性、准确性和完整性,符合部门的业务需求和公司的整体战略。
3、相关职能部门对涉及到本部门职责范围内的文件进行会签,提出专业意见和建议。
4、文控中心负责文件的编号、登记、存档、发放、回收和销毁等管理工作,确保文件的流通和使用符合规定。
5、公司管理层对重要文件进行最终审批,确保文件符合公司的发展方向和战略目标。
四、文件的分类1、按文件的性质分类(1)管理性文件:包括公司的规章制度、工作流程、岗位职责等。
(2)技术性文件:包括产品标准、工艺文件、检验规范等。
(3)记录性文件:包括各种表单、报告、台账等。
2、按文件的来源分类(1)内部文件:由公司内部自行编制的文件。
(2)外部文件:来自于公司外部的法律法规、标准规范、客户文件等。
五、文件的编号1、编号原则文件编号应具有唯一性、系统性和可识别性,便于文件的检索和管理。
2、编号规则(1)管理性文件:以“GL”开头,后面接部门代码、文件序号和版本号。
(2)技术性文件:以“JS”开头,后面接产品代码、文件序号和版本号。
(3)记录性文件:以“JL”开头,后面接部门代码、记录序号和版本号。
六、文件的起草1、文件起草的依据文件起草应依据公司的业务需求、法律法规、标准规范以及相关的管理要求。
2、文件起草的要求(1)文件内容应准确、清晰、完整,语言简洁明了,避免使用模糊、含混的词汇。
(2)文件格式应规范,包括字体、字号、行距、页边距等。
(3)文件应具有可操作性,明确规定各项工作的流程、方法和要求。
文控管理制度流程一、概述文控管理制度是企业管理的重要组成部分,其主要职责是负责企业文件的管理、保存和归档工作。
通过建立科学的文控管理制度,可以有效地管理企业的文件,提高工作效率,减少文件丢失和错乱的风险,确保企业信息的安全性和完整性。
本文将从文件的分类、存档、归档、检索和销毁等方面介绍文控管理制度的流程。
二、文件的分类1. 根据文件的性质,可以将文件分为内部文件、外部文件和机密文件三类。
2. 内部文件是指企业内部使用的文件,例如会议记录、工作报告等。
3. 外部文件是指企业与外部单位交流的文件,例如合同、函件等。
4. 机密文件是指对企业具有保密性的文件,例如财务报告、商业计划等。
5. 在文件分类时,还可以根据文件的重要性和紧急程度进行分级管理,以便更好地进行管理和保护。
三、文件的存档1. 存档是指将文件按照规定的方法和程序进行保存和管理,以便统一管理和方便检索。
2. 存档的目的是保证文件的安全性和完整性,防止文件丢失和错乱,保证文件可以长期保存。
3. 存档时,需要对文件进行编号、分类、整理和装订,以便更好地进行管理和保护。
4. 存档的地点通常选择在文控室或专门的存档室中,这样可以更方便地管理和保护文件。
四、文件的归档1. 归档是指将文件按照一定的顺序和方法进行整理和装订,以便更好地进行管理和保护。
2. 归档时,需要对文件进行分类、编号、整理和装订,以便更好地进行管理和保护。
3. 归档的目的是方便文件的检索和使用,减少文件丢失和错乱的风险,确保文件可以长期保存。
4. 归档的方法通常采用按照时间、部门、项目等方式分类整理,以方便将来的检索和使用。
五、文件的检索1. 检索是指根据需要对文件进行查找和获取,以便更好地进行使用和管理。
2. 检索时,可以通过手工检索和电子检索两种方式进行,以方便更快地获取所需文件。
3. 检索的目的是提高文件的利用率和工作效率,减少重复工作和浪费时间。
4. 检索时,需要根据文件的编号、分类、时间等信息进行查找,从而快速获取所需文件。
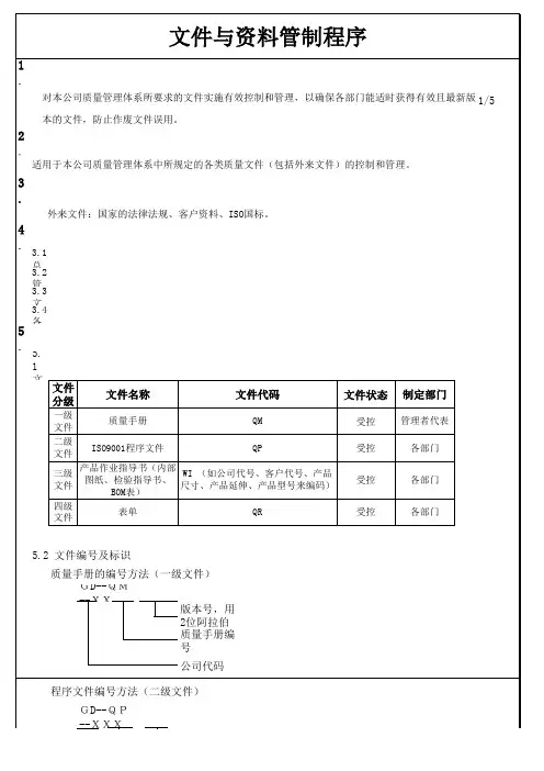
文件控制程序1目的规范公司质量管理体系文件的建立、审批、输出、发放、归档、更改及作废,确保与质量管理有关的文件处于受控状态,确保各场所使用的文件现行有效。
2适用范围本程序适用于公司质量管理体系所覆盖的所有受控文件的控制与管理。
3定义3.1 输出:文件履行审批手续后由各部门移交文控中心的过程。
3.2 归档:文件履行审批手续后可以移交文控中心的过程。
3.3 发放:输出的文件由文控中心统一盖受控标识章后分发到所有使用部门的过程。
3.4 受控文件:被控制版本、使用场所、发放数量的文件。
变更时须通知文件使用部门更换,并于作废时自使用场所回收或由使用场所专人销毁/隔离的文件。
受控文件包括如下:体系文件、技术文件。
3.5 非受控文件:仅提供信息作为参考,变更时不须更换,也无须回收的文件。
3.6 文件:信息及其载体。
文件按类别分为三大类:管理体系文件、技术文件、外来文件。
文件按控制管理方式分为两大类:受控文件、非受控文件。
3.6.1 管理体系文件3.6.1.1 第一层文件:质量手册,由文控中心统一受控管理。
3.6.1.2 第二层文件:程序文件,由文控中心统一受控管理。
3.6.1.3 第三层文件:操作指导书、企业技术标准、记录表格,由文控中心统一受控管理。
3.6.1.4 质量管理体系内部审核及第二方、第三方审核资料,由文控中心统一归档管理。
3.6.2 技术文件3.6.2.1 产品技术文件:工艺文件及作业指导书,由文控中心统一受控管理。
3.6.2.2 证书:上级主管部门颁发的型号核准证、产品第三方检测报告、各类许可证,由文控中心统一归档管理。
3.6.3 外来文件A)客户提供的文件和资料,客户为使本公司产品满足其特定技术要求而提供的技术规格书、检测标准及相关图纸等。
B)供应商技术资料,包括技术规格书、图纸等。
C)外来标准:国际标准、国家标准、行业标准。
D)国家及行政主管部门颁发的有关法律、法规要求。
外来文件的管理由责任部门填写《 XXX文件移交文控中心登记表》,提交文控中心统一受控管理。
文件控制程序范本一、目的文件控制程序的目的在于确保公司内使用的文件均为有效版本,且文件的编制、审核、批准、发放、使用、更改、回收和销毁等过程得到有效的管理和控制,以保证公司的各项活动能够依据准确、完整和最新的文件进行。
二、适用范围本程序适用于公司内所有与质量、环境、职业健康安全管理体系以及与公司运营相关的各类文件,包括但不限于管理手册、程序文件、作业指导书、技术文件、外来文件等。
三、职责分工1、管理者代表负责组织制定和审核管理体系文件,并负责批准程序文件。
2、各部门负责人负责组织编写和审核本部门相关的作业指导书和技术文件,并确保其符合管理体系的要求。
3、文控中心负责文件的编号、登记、发放、回收、存档和销毁等管理工作,并建立文件的总清单和相应的记录。
4、公司员工应按照规定使用文件,并妥善保管,不得随意涂改、损坏或丢失。
四、文件的分类1、管理手册:是公司管理体系的纲领性文件,描述了管理体系的范围、方针、目标和主要过程。
2、程序文件:是对管理手册中各项过程的具体描述,规定了各项活动的流程和职责。
3、作业指导书:是对程序文件的进一步细化和补充,详细说明了具体的操作方法和步骤。
4、技术文件:包括产品标准、工艺文件、检验规范等,用于指导产品的设计、生产和检验。
5、外来文件:包括法律法规、标准规范、客户提供的文件等。
五、文件的编号1、为了便于文件的识别和管理,对各类文件进行统一编号。
编号规则应具有唯一性和可追溯性。
2、管理手册的编号规则为:公司代码MM版本号3、程序文件的编号规则为:公司代码PF程序文件序号版本号4、作业指导书的编号规则为:公司代码WI部门代码作业指导书序号版本号5、技术文件的编号规则为:公司代码TD技术文件类型代码技术文件序号版本号6、外来文件的编号规则为:公司代码WL外来文件来源代码外来文件序号六、文件的编写1、文件的编写应遵循清晰、准确、易懂的原则,语言应简洁明了,避免使用模棱两可或含糊不清的词汇。
文控室管理制度一、总则文控室是公司重要的信息管理中心,负责公司内外文件的管理、资料的汇总整理以及部门间的信息传递。
为了做好文控工作,保障公司信息的安全和便捷的使用,特制订本制度。
二、岗位职责1.负责文件的收发、登记、分发和归档工作;2.负责公司内外部资料的整理、归档和妥善存储;3.负责文件的编制和印刷工作;4.负责会议文件的准备、分发和整理;5.负责对来自外部的文件、资料及时整理并传达给相关部门;6.负责文控室日常的卫生、整理和环境管理;7.负责文控室的设备、设施的维护和管理。
三、工作流程1.文件收发流程(1)公司内部文件:由部门主管或经办人向文控室提交文件,文控室收到文件后进行登记,并按照文件的紧急程度和重要程度进行分发。
(2)公司外部文件:由文控室负责人接收邮递来的文件,按照相关部门进行分发,并及时通知相关部门领取文件。
2.文件整理流程文控室定期对公司资料进行整理,按照规定的分类进行归档和存储。
同时将最新的文件和资料整理在便于查阅的位置,方便相关部门的查询和使用。
3.会议文件流程(1)会议文件准备:部门主管提出开会请求后,文控室将会议文件准备好,并按照参会人员进行分发。
(2)会议文件整理:会议结束后,文控室负责将会议文件归档,并存储在专门的位置,方便日后查阅。
四、管理制度1.文件管理文控室将文件分为机密文件、重要文件和一般文件,分别进行分类存储,并设置相应的权限控制,确保重要文件的安全性和保密性。
2.设备管理文控室负责管理和维护相关设备和设施,定期进行设备检查和维修,确保设备的正常运转。
3.环境管理文控室负责管理文控室的环境卫生和整理,保持文控室的整洁和舒适。
4.档案管理文控室将公司资料进行档案管理,建立归档清单和档案索引,方便日后的查阅和利用。
五、考核制度1.绩效考核文控室负责人对文控室工作进行定期考核,主要考核考核文控室的工作效率、文控质量和卫生环境等方面。
2.奖惩制度对文控室成员的工作表现进行奖惩,对于工作出色的成员进行奖励,对于工作不力的成员进行处罚。
文件管理办法为了规范公司的文件管理,确保文件及时传递到相关部门而不耽误上下级或同级的工作,以规范公司的各项文件形成、收、发工作,制定本法。
1 管理原则1.1文控中心是公司文件管理的归口部门,负责指导全公司行政公文、规章制度、流程文件、产品工艺文件、购/销政策、合同、证照等管理工作。
1.2公司上报下发正式文件由文控中心负责,各部门一律不得自行向上、向下、对外发送正式文件。
1.3所有经文控中心管理的文件必须建立“文件清单”(附件1)。
2 发文基本要求2.1部门或个人需要正式文件发文应向文控中心提出发文申请,并将文件底稿(电子档)交文控中心,根据按本办法办理相关程序处理。
2.2 送件部门(个人)应把文件内容、报送日期、部门、文件类别、编号(新编文件由文控中心编号)、接收人等事项在收发文件登记表中填写清楚。
3 发文管理3.1文件管理业务流程分为收文和发文。
3.1.1 收文一般包括签收、登记、分发、归档、销毁等程序;3.1.2发文指以公司、或部门名义制发文件的全过程。
3.2发文程序与要求拟稿→主办部门负责人审核→审核/复核→相关部门会签→领导签发→复核→印制→盖章→分发→归档。
3.2.1拟稿(附带“文件处理单”附件2)①各部门需要发文,应事先以上级指示或工作实际需要草拟文件初稿。
问题比较复杂的,负责人应亲自草拟,或经集体研究提出方案后,指定专人草拟。
②草拟文稿必须做到情况确实、条理清楚、层次分明、文字简炼、标点符号正确。
③文稿拟就后,详细写明文件标题、发送范围、印制份数、拟稿部门与拟稿人,并签名、标定日期和密级。
3.2.2 审核/复核①主办部门负责人根据有关文件规定,对文稿是否符合相应规定,是否符合公司利益,是否符合实际需要进行审查和修改,对涂改不清、文字错漏严重、内容不妥、格式不符的文件应退回拟稿人重新拟稿。
②文控中心复核的重点是:是否需要行文、行文方式是否妥当,是否符合行文规则和拟制文件的有关要求,文件是否符合相应规定,是否符合公司利益,是否与现行的共它文件相冲突、是否符合实际需要。
文件控制管理程序文件一、目的为了对公司的文件进行有效的控制和管理,确保各部门和相关人员能够及时获得准确、完整、有效的文件,特制定本程序文件。
二、适用范围本程序文件适用于公司内部所有文件的编制、审核、批准、发布、分发、使用、更改、回收、销毁等全过程的管理。
三、职责分工1、总经理负责批准公司的质量手册、程序文件和重要的管理制度等文件。
2、各部门负责人负责审核本部门编制的文件,并负责确保本部门使用的文件是有效的。
3、文控中心负责公司文件的编号、登记、存档、分发、回收和销毁等管理工作。
4、员工应按照规定使用文件,并妥善保管。
四、文件的分类1、质量手册:描述公司质量管理体系的总体要求和框架。
2、程序文件:规定各项质量活动的流程和方法。
3、作业指导书:详细说明具体的操作步骤和要求。
4、表单记录:用于记录质量活动的结果和数据。
五、文件的编号1、质量手册的编号为“QM____”,其中“____”为流水号。
2、程序文件的编号为“QP____”,其中“____”为流水号。
3、作业指导书的编号为“WI____”,其中“____”为流水号。
4、表单记录的编号为“FR____”,其中“____”为流水号。
六、文件的编制1、文件的编制应遵循公司的规定和要求,内容应准确、清晰、完整,具有可操作性。
2、编制人员应在文件上签名,并注明编制日期。
七、文件的审核1、审核人员应对文件的内容进行认真审查,确保文件符合公司的政策、法规和标准的要求。
2、审核人员应在文件审核栏签名,并注明审核日期。
八、文件的批准1、经审核通过的文件,由规定的批准人员进行批准。
2、批准人员应在文件批准栏签名,并注明批准日期。
九、文件的发布1、文控中心负责将批准后的文件发布到相关部门和人员。
2、发布方式可以是纸质文件的分发、电子文件的共享等。
十、文件的分发1、文控中心应根据文件的适用范围,制定文件分发清单,并确保文件分发到相关部门和人员。
2、接收文件的部门和人员应在文件分发签收表上签名。
☆☆☆知识是人类进步的阶梯☆☆☆1目的:本程序对与体系有关文件的编制、审核、批准、发放、使用、保管、修改、作废和归档等做出规定,以确保公司各相关场所使用的文件得到有效控制,防止使用失效和作废的文件,结合公司实际,特制定本程序。
2范围:本程序适用于与公司管理体系有关的文件,包括外来文件的控制。
3定义:3.1归档:文件履行审批手续后可以移交文控部门的过程。
3.2发放:输出的文件由文控部门统一盖受控标识章后扫描为PDF版上传到公司电脑公共盘,各部门使用。
3.3受控文件:体系文件、技术文件。
3.4非受控文件:仅提供信息作为参考,变更时不须更换4职责:4.1QCI&EHS部(文控部门)4.1.1负责组织公司《管理手册》的编写、修订、发放和控制4.1.2负责各部门输出文件的接收、归档、发放、发布、更新、回收、作废等统一受控管理及台帐建立。
4.1.3负责国家及政府行政主管部门颁发的有关质量、环保、安全生产方面的法律、法规的收集、归档。
4.2HR 部4.2.1负责国家及政府行政主管部门颁发的有关劳动保障方面的法律、法规的收集、归档。
4.3技术部4.3.1负责将编制定型的工艺文件Bom表及电子档归档。
4.3.2负责与公司产品技术相关的国家、行业标准以及国际、国内同类产品的相关技术文件和资料的收集,并输出到文控部门受控。
4.4销售部负责收集客户提供的文件和资料归档。
4.5运营部负责公司生产、能源、设备等方面文件控制4.6总经办:负责原辅材料供应商材料的收集及归档。
公司科技项目、产品型号核准证、产品第三方检测报告、各类许可证、技术专利证书归档。
4.7所有部门4.7.1负责本部门职能范围内的文件的编制、审核、归档、输出和使用有效性管理。
4.7.2负责对文控部门发放的受控文件的管理和正确使用。
4.7.3负责本部门产生及接收的内部文件、记录的归档管理。
4.7.4负责将归档的文件移交到文控信息管理平台,以便文件存储及安全性。
文控中心管理规章制度第一章总则第一条为了加强公司文控中心的管理,规范文控中心的运作,保障公司信息的安全、有效和有序流动,根据国家有关法律法规和公司的相关规定,制定本制度。
第二条文控中心是公司的重要部门,负责公司文件、资料的收集、整理、归档、保管、利用和销毁等工作,是公司信息资源的管理和服务中心。
第三条本制度适用于公司文控中心的各项工作,包括文控中心的组织结构、职责分工、工作流程、管理制度等。
第四条文控中心的管理工作应遵循合法、合规、公开、公正、效率的原则,确保公司信息的真实性、完整性和及时性。
第二章组织结构与职责分工第五条文控中心设有一个主任,若干名工作人员。
主任由公司高层领导任命,负责文控中心的整体工作。
工作人员根据工作需要,由公司人事部门安排。
第六条文控中心的职责包括:(一)制定和完善文控中心的各项管理制度,并组织实施;(二)负责公司文件的收集、整理、归档、保管和利用工作;(三)负责公司资料的保管和借阅工作,确保资料的安全、完整和及时更新;(四)负责公司信息的保密工作,制定保密制度,并进行保密培训;(五)负责公司文件的销毁工作,确保文件的合法、合规和环保;(六)负责文控中心的设备、设施的管理和维护工作;(七)完成公司领导交办的其他工作。
第三章工作流程与管理制度第七条文控中心的各项工作应按照以下流程进行:(一)文件收集:由各部门将形成的文件交给文控中心;(二)文件整理:文控中心对收集到的文件进行分类、编号、整理;(三)文件归档:文控中心将整理好的文件归档,并建立索引;(四)文件保管:文控中心对归档的文件进行安全保管,确保文件的安全、完整;(五)文件利用:各部门向文控中心提出文件利用申请,文控中心根据申请提供文件;(六)文件销毁:文控中心对超过保管期限的文件进行合法、合规的销毁。
第八条文控中心应制定以下管理制度:(一)文件保管制度:明确文件的保管要求、保管期限、保管方式等;(二)文件借阅制度:明确文件的借阅程序、借阅期限、借阅要求等;(三)保密制度:明确文件的保密等级、保密范围、保密措施等;(四)销毁制度:明确文件的销毁程序、销毁方式、销毁要求等;(五)设备管理制度:明确设备的采购、使用、维护、报废等要求;(六)其他管理制度:根据工作需要,制定其他相关管理制度。
文控中心文件管理制度流程一、前言文控中心文件管理制度流程是指文控中心在日常工作中遵循的一系列文档管理政策、程序和流程,以确保文档的正确编制、传输和存档,并保证文档的保密性、完整性和可用性。
文控中心文件管理制度流程的建立和执行,对于组织结构的规范化管理具有重要的意义。
因此,对文控中心文件管理制度流程的建立和执行,需要根据组织的实际情况进行制定和完善。
二、文件的分类文件是组织内部和外部沟通交流的主要工具,是组织运作的载体,是组织内部和外部信息交流的重要方式。
对于文控中心文件管理制度流程的制定要从对文件的分类开始。
1. 内部文件内部文件是指组织内部员工之间的文件,如会议记录、审批文件、通知通告等。
内部文件的管理要求严格,需要确保文件的完整性、准确性和保密性。
内部文件的管理通常包括文件的编制、传输、审批和存档等流程。
2. 外部文件外部文件是指组织与外部单位和个人之间的文件,如合同、协议、往来函件等。
外部文件的管理要求与内部文件相比复杂,需要根据具体情况进行分类和管理。
外部文件的管理通常包括文件的编制、传输、审核、签署和存档等流程。
三、文控中心文件管理制度流程的建立文控中心文件管理制度流程的建立,是组织规范化管理的基础。
只有通过制定合理的文件管理政策和流程,才能有效地提高组织内部文件的质量和效率,提升组织的管理水平和执行力。
因此,文控中心文件管理制度流程的建立要从以下几个方面进行制定:1. 制定文件管理政策文件管理政策是文控中心文件管理制度流程的基础,是指对文件管理的理念、目标、原则和要求的总结和规范。
需要制定文件管理政策,明确文件的编制、传输、审批、存档和销毁等流程,并且明确责任人和责任部门。
2. 设立文件管理流程文件管理流程是文控中心文件管理制度流程的具体体现,是指对文件管理具体流程和环节的规定和规范,包括文件的编制、传输、审批、存档和销毁等流程。
需要制定文件管理流程,明确每个流程的具体操作步骤和要求。
1 .目的对公司文件和资料进行控制,确保相关部门及时得到并使用有效的版本。
2 .耀合用于与质量/环境管理体系有关的文件和资料。
3 .权责3.1 体系优化课:建立与维护文件控制程序。
负责公司文件与资料的编号(如需要)、发放、回收、管理及监控工作,并对各部电子文件的受控进行监督。
3.2 各部文员:本部门所用文件和资料的管理,电子文件的打印控制。
3.3 MIS :负责电子文件访问权限的设定,电子文件的定期备份。
3.4 管理者代表:负责文件受控的监督,质量/环境手册的审核、程叙文件和作业指导书的批准。
3.5 总经理:批准质量/环境手册。
4 .定义4.1 按性质体系文件可分为:4.1.1 质量/环境方针:总经理正式发布的质量/环境的宗旨和方向。
4.1.2 质量/环境目标:在质量/环境方面所追求的目的。
4.1.3 质量/环境手册:阐明本组织质量/环境方针与目标,说明本质量/环境体系如何满足ISC)相关标准要求,是质量/环境体系的纲领性文件。
4.1.4 程叙文件:描述部门之间的接口,规定何人、于何时、在什么地方做什么事,是质量所境手册的支持性文件。
4.1.5 业指导书(用于指导编制生产作业指导书/生产作业的文件)、检验规范、工艺文件和图纸【包括零件图纸(电子、结构、包装等)、装配图(产品装配W页序图、工艺流程图)等等】、产品/部(零)件规格【描述产品/部(零)件特性、性能指针的文件】等:具体说明如何做,是质量/环境手册件呈叙文件的支持性文件。
4.1.6 记录:用以记载、采集、传递资讯、控制作业流程或者证明作业符合要求。
4.2 按储存媒介的不同可分为:4.2.1 电子文件:是指以电子为存储媒介的文件(EIeCtrOniC File, or Soft copy)o4.2.2 纸介文件:是指以纸张为存储媒介的文件(PaPer copy, Hard Copy)o4.3 按来源途径的不同可分为:4.3.1 外来文件:与质量/环境体系或者产品相关的国际、国家、行业标准、法律法规,客户提供的设计图纸、技术数据、工艺文件、客户要求、出货释放报告、产品检验标准,供货商提供的图样、样品检测报告、部品书等。
公司文控中心管理制度一、概述公司文控中心是公司重要的管理机构,负责统一管理公司各部门的文件和资料,保证公司的文件管理规范、有序,并确保文件的完整性、真实性和安全性,以提高公司的工作效率和信息管理水平。
二、组织架构公司文控中心由一名主管和若干名文控人员组成。
主管负责整体协调和管理工作,保证文控中心的正常运转。
文控人员负责具体的文件管理工作,包括文件的归档、记录、检索等。
三、文件管理流程1.文件的发文(1)发文申请:各部门车间需要发文时,必须填写发文申请表,并经上级主管批准后提交给文控中心。
(2)发文登记:文控人员在收到发文申请后需要对其进行登记,包括文号、发文日期、标题等信息,并为该文件分配一个唯一的编号。
(3)文件起草:发文申请获得批准后,各部门车间需要起草正式的文件,包括文件的正文和附件等内容,并确保文件的准确性和完整性。
(4)主管审定:文件起草完成后,需要经主管审定,并签署批准意见。
(5)文件复印:通过复印机将待发的文件复制多份,其中一份作为正本发出,其余为副本。
(6)文件装订:文控人员将正本和副本依次装订在文件夹中,加盖公司公章,并在文件夹上标明文件号和发文日期等信息,然后将其交给发文人员。
(7)发文登记更新:文控人员要及时更新发文登记信息,并将文件的电子版本存储在服务器上。
2.文件的收文(1)收文登记:文控人员负责收到文件后及时登记,并为其分配一个唯一的编号。
(2)文件整理:文控人员按照文件的种类、日期等进行分类和整理,并将其归档到相应的文件柜中。
(3)文件归档:文控人员将整理好的文件装箱、编号,并存放到文件库中,确保文件的安全和完整。
(4)收文通知:文控人员需要通知收文人员文件的到达,并通知其前来领取文件。
(5)文件借阅:使用人员如需要借阅文件,必须填写借阅申请,并经上级主管批准后方可取走,同时文控人员要记录相关信息。
(6)文件检索:使用人员需要查找文件时,可以向文控中心提出申请,并提供文件的相关信息,文控人员根据信息进行检索。