油层地层压力分析
- 格式:ppt
- 大小:613.50 KB
- 文档页数:60
六、地层压力计算1、地层孔隙压力与压力梯度(1)地层孔隙压力式中,P p—-地层孔隙压力(在正常压实状态下,地层孔隙压力等于静液柱压力),MPa;ρf-—地层流体密度,g/cm3;g—-重力加速度,9、81m/s2;H—-该点到水平面得重直高度(或等于静液柱高度),m、在陆上井中,H为目得层深度,起始点自转盘方钻杆补心算起,液体密度为钻井液密度ρm,则,式中,p h——静液柱压力,MPa;ρm—-钻井液密度,g/cm3;H-—目得层深度,m;g——重力加速度,9.81m/s2。
在海上钻井中,液柱高度起始点自钻井液液面(出口管)高度算起,它与方补心高差约为0、6~3、3m,此高差在浅层地层孔隙压力计算中要引起重视,在深层可忽略不计。
(2)地层孔隙压力梯度式中Gp—-地层孔隙压力梯度,MPa/m、其它单位同上式。
2、上覆岩层压力及上覆岩层压力梯度(1)上覆岩层压力式中 P o-—上覆岩层压力,MPa;H-—目得层深度,m;Φ——岩石孔隙度,%;ρ——岩层孔隙流体密度,g/cm3;ρm—-岩石骨架密度,g/cm3。
(2)上覆岩层压力梯度式中,G o--上覆岩层压力梯度,MPa/m;P o——上覆岩层压力,MPa;H——深度(高度),m。
(3)压力间关系式中,Po-—上覆岩层压力,MPa;P p—-地层孔隙压力,MPa;σz--有效上覆岩层压力(骨架颗粒间压力或垂直得骨架应力),MPa。
3、地层破裂压力与压力梯度(1)地层破裂压力(伊顿法)式中, Pf-—地层破裂压力(为岩石裂缝开裂时得井内流体压力),MPa;μ——地层得泊松比;σz—-有效上覆岩层压力,MPa;P p——地层孔隙压力,MPa。
或式中,P f——地层破裂压力。
MPa;Ph——液柱压力,MPa;P试——试验时地层破裂时得立管压力,MPa。
(2)破裂压力当量密度式中,ρf-—破裂压力当量密度,g/cm3;ρm——试验时所用钻井液密度,g/cm3;PL—-试验时地层漏失压力,MPa;H——裸眼段中点井深,m。
地层压力(formation pressure)是指由于沉积物的压实作用,地层中孔隙流体(油、气、水)所承受的压力,又称之孔隙流体压力(pore fluid pressure)或孔隙压力(pore pressure)。
正常压实情况下,孔隙流体压力与静水压力一致,其大小取决于流体的密度和液柱的垂直高度,凡是偏离静水压力的流体压力即称之为异常地层压力(abnormal pres.sure),简称异常压力。
孔隙流体压力低于静水压力时称为异常低压或欠压,这种现象主要发现于某些致密气层砂岩和遭受较强烈剥蚀的盆地。
孔隙流体压力高于静水压力时称为异常高压或超压,其上限为地层破裂压力(相当于最小水平应力),可接近甚至达到上覆地层压力。
地层压力分类常用的指标是地层压力梯度(单位长度内随深度的地层压力增量,单位为MPa/km)和压力系数(实际地层压力与静水压力之比)。
本文来自: 博研石油论坛详细出处参考/thread-27166-1-5-1.html压力系数:指实测地层压力与同深度静水压力之比值。
压力系数是衡量地层压力是否正常的一个指标。
压力系数为0.8~1.2为正常压力,大于1.2称高压异常,低于0.8为低压异常。
摘自《油气田开发常用名词解释》压力梯度:首先理解什么是梯度:假设体系中某处的物理参数(如温度、速度、浓度等)为w,在与其垂直距离的dy处该参数为w+dw,则其变化称为该物理参数的梯度,也即该物理参数的变化率。
如果参数为速度、浓度或温度,则分别称为速度梯度、浓度梯度或温度梯度。
当涉及到压力的变化率时,即为压力梯度。
区别之处就在于,压力系数为衡量地层压力是否正常的一个指标,压力梯度为压力的变化率。
压力系数就是实际地层压力与同深度静水压力之比。
压力梯度即地层压力随深度的变化率。
地层的压力系数等于从地面算起,地层深度每增加10米时压力的增量。
压力梯度是指地层压力随地层深度的变化率。
储集层的基本特征是具孔隙性和渗透性,其孔隙渗透性的好坏、分布规律是控制地下油气分布状况、油气储量及产量的主要因素。
设计三:油藏压力分析及油水界面确定
一、目的要求
理解油藏压力及压力系统概念,了解油藏压力分布特征及油水界面物理意义,掌握压力计算及油水界面确定方法。
二、步骤及要求
首先由已知条件推导油藏压力及油水界面深度计算公式,以加深对油藏油水界面及各压力概念的理解,推导步骤要求简要明晰;其次,对油藏油层压力、折算压力、压力梯度、压力系数、油水界面等基本概念做出具体文字解释。
三、题意及图示
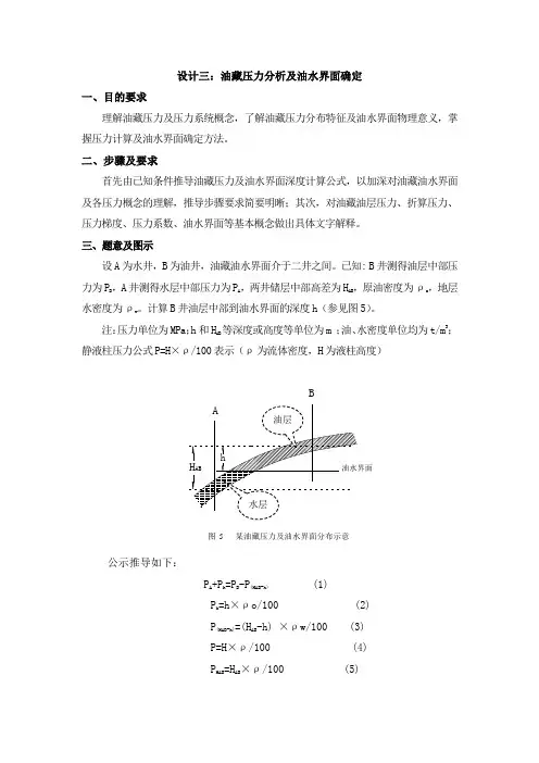
设A 为水井,B 为油井,油藏油水界面介于二井之间。
已知: B 井测得油层中部压力为P B ,A 井测得水层中部压力为P A ,两井储层中部高差为H AB ,原油密度为ρo ,地层水密度为ρw 。
计算B 井油层中部到油水界面的深度h (参见图5)。
注:压力单位为MPa ;h 和H AB 等深度或高度等单位为m ;油、水密度单位均为t/m 3;
静液柱压力公式P=H ×ρ/100表示(ρ为流体密度,H 为液柱高度)
公示推导如下: P A +P h =P B -P (HAB-h) (1)
P h =h ×ρo /100 (2)
P (HAB-h)=(H AB -h) ×ρw /100 (3)
P=H ×ρ/100 (4)
P HAB =H AB ×ρ/100 (5)
B
图5 某油藏压力及油水界面分布示意
ρ为流体密度(ρo为油密度,ρw为地层水密度) H为油层中部深度
P静水柱压力
联立(1)、(2)、(3)解出h
得出h=(100(PB-PA)-HAB×ρw)/( ρo-ρw)。
中国石油大学油层物理实验报告实验日期:成绩:班级:学号:姓名:教师:同组者:实验七 地层油高压物性测定一、实验目的1.掌握地层油高压物性仪的结构及工作原理;2.掌握地层油的饱和压力、单次脱气的测定方法;3.掌握地层油溶解气油比、体积系数、密度等参数的确定方法;4.掌握落球法测量地层油粘度的原理及方法。
二、实验原理1.绘制地层油的体积随压力的关系,在泡点压力前后,曲线的斜率不同,拐点对应的应力即为泡点压力。
2.使PVT筒内的压力保持在原始压力,保持压力不变将PVT筒内一定量的地层油放入分离瓶中,记录放出油的地下体积,记录分离瓶中分出的油、气的体积,便可计算地层油的溶解气油比、体积系数等数据。
3.在地层条件下,钢球在光滑的盛有地层油的标准管中自由下落,通过记录钢球的下落时间,由下式计算原油的粘度:其中 μ- 原油动力粘度,mPa·s; t- 钢球下落时间,s;ρ1、ρ2- 钢球和原油的密度,g/cm3;k- 粘度计常数,与标准管的倾角、钢球的尺寸及密度有关。
三、实验流程图一 高压物性试验装置流程图四、实验步骤1.泡点压力测定⑴粗测泡点压力从地层压力起以恒定的速度退泵,压力以恒定速度降低,当压力下降到速度减慢或不下降甚至回升时,停止退泵。
稳定后的压力即为粗测的泡点压力。
⑵细测泡点压力A.升压至地层压力,让析出的气体完全溶解到油中。
从地层压力开始降压,每降低一定压力(如2.0MPa)记录压力稳定后的泵体积读数。
B.当压力降至泡点压力以下时,油气混合物体积每次增大一定值(如5cm3),记录稳定后的压力(泡点压力前后至少安排四个测点)。
2.一次脱气⑴将PVT筒中的地层原油加压至地层压力,搅拌原油样品使温度、压力均衡,记录泵的读数;⑵取一个干燥洁净的分离瓶称重,将量气瓶充满饱和盐水;⑶将分离瓶安装在橡皮塞上,慢慢打开放油阀门,保持地层压力不变排出一定体积的地层油,当量气瓶液面下降200ml左右时,关闭放油阀门,停止排油。
采油工程基础知识采油工程是油田开采过程中根据开发目标通过生产井和注入井对油藏采取的各项工程技术措施的总称。
以下是由店铺整理关于采油工程基础知识,提供给大家参考和了解,希望大家喜欢!采油工程基础知识1、什么叫地静压力、原始地层压力、饱和压力、流动压力?答:地静压力:由于上覆地层重量造成的压力称为地静压力。
原始地层压力:在油层未开采前,从探井中测得的地层中部压力叫原始地层压力。
饱和压力:在地层条件下,当压力下降到使天然气开始从原油中分离出来时的压力叫饱和压力。
流动压力:油井在正常生产时测得的油层中部压力叫流动压力。
2、什么叫生产压差、地饱压差、流饱压差、注水压差、总压差?答:生产压差:静压(即目前地层压力)与油井生产时测得的井底流压的差值。
地饱压差:目前地层压力与原始饱和压力的差值叫地饱压差。
流饱压差:流动压力与饱和压力的差值叫流饱压差。
注水压差:注水井注水时的井底压力与地层压力的差值叫注水压差。
总压差:原始地层压力与目前地层压力的差值叫总压差。
3、什么叫采油速度、采出程度、含水上升率、含水上升速度、采油强度? 答:采油速度:是指年产油量与其相应动用的地质储量比值的百分数。
采出程度:累积采油量与动用地质储量比值的百分数。
含水上升率:是指每采出1%地质储量的含水上升百分数。
含水上升速度:是指只与时间有关而与采油速度无关的含水上升数值。
采油强度:单位油层有效厚度的日产油量。
4、什么叫采油指数、比采油指数?答:采油指数:单位生产压差下的日产油量。
比采油指数:单位生产压差下每米有效厚度的日产油量。
5、什么叫水驱指数、平面突进系数?答:水驱指数是指每采出1吨油在地下的存水量单位为方/吨。
边水或注入水舌进时最大的水线推进距离与平均水线推进距离之比,叫平面突进系数。
6、什么叫注采比?答:注采比是指注入剂所占地下体积与采出物(油、气、水)所占地下体积之比值。
7、什么叫累积亏空体积?答:累积亏空体积是指累积注入量所占地下体积与采出物(油、气、水)所占地下体积之差。
1 饱和压力地层原油在压力降低到天然气开始从原油中分离出来时的压力叫饱和压力。
饱和压力是衡量油藏弹性能量大小的重要参数之一。
饱和压力越低,弹性能量越大,有利于用放大生产压差来提高油井产量和油田采油速度。
但饱和压力低,井筒内脱气点高,能量损失大,油井自喷能力差。
2地层静压力{上覆岩层压力)地层静压力也叫上覆岩层压力,指由上覆岩层骨架和孔隙中流体重量引起的压力。
其大小可用下列公式表示:3 静水压力油(气)层中地层水液柱重量所产生的压力叫静水压力。
可用下列公式计算:4 地层压力(孔隙流体压力}又称孔隙流体压力,是指地层孔隙内流体所承受的压力。
如果该流体为油或天然气,就称为油层压力或气层压力。
油(气)层未开采之前,各处的地层压力相对平衡,投入开发后,平衡状态遭到破坏,油(气)层压力与油(气)井井底压力之间产生压差,使油(气)层内的油(气)流人井底,甚至喷出井口。
5 压力系数与异常压力指实测地层压力与同深度静水压力之比值。
压力系数是衡量地层压力是否正常的一个指标。
压力系数为0 . 8 ~1 .2 为正常压力,大于1.2 者称高压异常,小于0 . 8 者称低压异常。
6 原始地层压力油(气)层开采以前的地层压力,称为原始状态下的地层压力,单位为兆帕C M P a )。
原始地层压力一般都是通过探井、评价井(资料井)试油时,下井底压力计至油(气)层中部测得。
原始地层压力也可用试井法、压力梯度法等求得07目前地层压力与静止压力(静压)目前地层压力指油(气)田在开发过程中某一时期的地层压力。
油(气)井关井恢复压力,稳定后所测得的油(气)层中部压力叫静止压力,简称静压。
油(气)层静压代表测压时的目前油(气)层压力,是衡量油(气)层压力水平的标志,因此需要定期进行监测。
8 静压梯度指同一井内单位深度(10 m或1 0 0 m )静止压力的变化值。
利用静压梯度可以计算井内不同深度的静压值,确定油水或气水界面,判断各油(气)层是否属于同一个压力系统等。
1、地层静压全称为地层静止压力,也叫油层压力,是指油井在关井后,待压力恢复到稳定状态时所测得的油层中部压力,简称静压。
在油田开发过程中,静压是衡量地层能量的标志。
静压的变化与注入和采出油、气、水体积的大小有关。
2、原始地层压力:油层在未开采前,从探井中测得的油层中部压力。
3、静水柱压力:井口到油层中部的水柱压力。
4、压力系数:原始地层压力与静水柱压力之比。
等于1时,属于正常地层压力;大于1时,称为高异常地层压力,或称为高压异常;小于1时,称为低异常地层压力,或称低压异常。
主要是用它来判别地层压力是否异常的一个主要参数。
但是有人说用1来做标准就笼统了,不同的区块有不同的常压值,一般油田都是0.8-1.2是正常值,小于则是低压区,大于则是高压区。
它对钻井、修井、射孔等工程有重要作用,油层高压异常地层钻井修井过程中要加大压井液的密度,防井喷;低压异常地层钻井修井时,要相应降低压井液的密度,防止井漏,污染地层。
地层压力系数也是确定开发层系的一个重要依据,相同压力体系的地层可以用同一套井网开发,不同压力体系的地层需要不同的井网进行开发,否则层间干扰太大,不能有效发挥地层产能,有时可能造成井下倒灌现象的发生。
5、原油体积系数:是指地层条件下单位体积原油与地面标准条件下脱汽体积比值6、井筒储存效应与井筒储存系数:在油井中,由于井筒中的流体的可,关井后地层流体继续向井内聚集,后地层流体不能立刻流入井筒,这种现象称为井筒储存效应。
描述这种现象大小的物理量为井筒储存系数,定义为与地层相通的井筒内流体体积的改变量与井底压力改变量的比值。
7、原油的体积系数:原油在地面的体积与地下体积的比值。
8、微电极电阻率微梯度电阻率与深浅双侧向电阻率的区别(1)深、浅侧向分别测量原状地层、侵入带电阻率,因为存在裂缝时泥浆侵入对深、浅侧向的影响不同,用其幅度差判断裂缝:通常正差异一般为高角度缝,负差异为低角度缝,无幅度差就没缝或者是非渗透层;(2)微电极系测井测量得到微梯度、微电位电阻率,微梯度一般反映泥饼、微电位一般反映冲洗带,二者之差主要用来判断是否为渗透性地层,裂缝发育时地层渗透性较好,从道理上讲是可以用微电极反映出来的。
大庆油田合理地层压力的保持水平油气田地面工程第25卷第1期(2006.1)】1大庆油田合理地层压力的保持水平唐莉(北京大学地球与空间科学学院,大庆油田州十三合作区块管理部) 刘惠(大庆油田勘探开发研究院)姜雪源(大庆油田采油六厂)1.影响地层压力的几个重要因素(1)保持原油在油层中的流动性能不变.国内外许多研究者都把保持地层原油不脱气作为保持地层压力的根本目的.从这点出发,把地层压力不低于饱和压力作为保持压力的最低下限.图1是应用油气两相稳定渗流理论公式和北三区原油物性参数计算的相对采油指数(油气两相流时的采油指数与单相油流采油指数之比)与流饱压差,地饱压差的关系曲线.从图l中可以看到:当地层压力低于饱和压力时,油井的采油指数只有单相油流时的一半左右.这就是说地层压力低的油井生产能力不能得到充分的发挥.当地层压力高于饱和压力时,随着地层压力的下降,油井产能就随之下降,而且地饱压差在0~1.5MPa之间时,地层压力的下降对产能影响最大.一Pb(MPa)圈1相对采油指数与流饱压差理论计算曲线油层压力下降不仅使油井生产压差减小,还会引起油层渗流能力的下降.因此保持地层压力大于饱和压力就成了注水开发油田的一条基本原则.(2)保持油井在一定的生产压差下采油.油井在保持自喷采油的条件下最大生产压差为:AP=PR—PiH=PR—P一一exp(一C+)(1)式中:厶P——油井最大生产压差,MPa.由式(1)看出:当油井最低自喷流压一定时,即保持油井在自喷条件下采油时,地层压力越高,油井最大生产压差越大,随着油井含水上升.生产压差可调的范围也就越大,这样就为保持油井产量稳定或控制油井产量递减速度提供了保证.大庆油田原油粘度高,油层非均质严重,注水开发的无水采收率低,大部分储量需要在含水期采出,因此要求油田要稳产到…定含水阶段.而油井含水后采油指数要下降,井筒举升所消耗的能量要增加(最低自喷流压上_歹),这些都需要靠增加油层压力来弥补.因此保持油层压力就显得异常重要.(3)油层压力过高带来的一些负而影响.到l980年,大庆油田主体部分喇萨杏油田含水已达到60%,油田保持自喷与稳产所需的地层压力达到l1.6MPa,此时油田实际地层压力为1】.43M1a, 由于地层压力较高,已经给油田正常开发带来许多负面影响,这些影响包括:①地层压力保持过高.会加剧层问矛盾;②地层压力过高会增加钻加密调整井,修井和井下作业的难度,会加速套管损坏的速度;③会造成过渡带地区原油外流,如萨北东部过渡带地区;④地层压力提离后,注水泵压必然要相应地提高,在相同注水量下所消耗的能量要增加,设备管线的耐压要求也要提高,这些都会增加原油的开采成本.为了保证油田在合理的条件下进行开发,大庆喇萨杏油田从1980年开始转变开采方式,将自喷井逐渐转为抽油开采,通过注采系统的调整,把地层压力控制在原始地层压力以下.因此油层压力不是越高越好,应该有一个合理的上限值,这个数值应该根据油藏的具体条件来研究确定.2.油田地层压力的合理界限大庆长垣内部各开发区地层压力系数较小,:均为1.O6,油藏原始地层压力接近静水柱压力,属于正常压力油藏,原油粘度高为8.6mPa?s,平均地饱压差为2.16MPa,其中南部杏树岗油田高达3.5—4.OMPa;无水期平均最低自喷流压为7.3MPa,最大生产压差为4.OMI'-0_,含水到60%时最低自喷流压上升至9.3MPa,最大生产压差减小到2.OMPa,属于中等自喷能力的油田.开发过程中如果不保持地层压力,把地层压力由原始压力降低到饱和压力附近,油田含水6O%时油井就会停喷停产,这时油井生产压差将降低到零.大庆长垣外围油田,油井无自喷能力,均采用12油气田地面工程第25卷第1期(2006.1)气液两相流气液量与流型转变的研究吕宇玲王鸿膺(中国石油大学储运与建筑工程学院)石油在开采和输送过程中,通常是以气液混合物的形式存在的,所以对气液两相流动特性的研究就显得尤为重要.在多相流动中,流型是研究压降,持液率等其它参数的前提,只有充分考虑流型的影响,其它参数的研究才能有足够的精度.本文利用电导探针信号研究了水平管路中空气一水两相流动流型,绘制了流型图,并研究了气液量的变化对流型转变的影响.1.实验方法与系统试验装置由水罐(1m),离心泵,气体涡轮流量计,液体涡轮流量计,气液混合器,试验管段和气液分离器组成.试验段下游安装有长lm,直径50mm的有机玻璃管,用于流型的观察,其上安有4 组电导探针,用于测量实验数据和流型的识别.2.气液两相流流型(1)气液两相流流型分类.气液两相在管路中的流动形式较为复杂,目前,学术界存在多种流型分类方式,但作者认为,在不影响研究精度及工业应用的前提下,流型划分种类应尽量少,只有集中在几种流型上才有可能使研究更加深入,结果更具通用性.本文根据观察到的现象将气液两相流划分为以下五种流型:光滑分层流,波浪流,段塞流,环状流和泡状流.由于实验条件所限,实验中观测到的泡状流流型不明显,数据不具代表性,因此,主要研究了前四种流型.(2)气液两相流流型与探针信号的分析.气液两相流动试验中,通过采集卡将流动特征信号以电压的形式采集至计算机,经过处理后得到典型流型的试验结果.图l是四种流型的探针电压输出信号,根据图l对信号予以分析.图中纵坐标为电压值(V),横坐标为时间(s),由图可以看出:光滑分层流动信号比较平缓,波动很小,此时肉眼观察气液分界明显,界面平滑.波浪流电压信号波小而密,振幅不大,最大值与最小值差在1V以内,波峰排列均匀,并且没有明显的间歇性.此时肉眼观察气液分界面明显, 界面有波动.段塞流探针电压信号呈现出明显的波峰,波谷,最大值与最小值差别在3V以上.这是因为在液塞通过时,它充满管路整个界面,液位非常高,当液膜通过时,气泡是不导电的,探针输出抽油方式开采.在抽油开采方式下,保持地层压力同样具有非常重要的意义:①可以保持油井具有较大的生产压差,为油井放大压差采油提供保证;②在油井生产压差一定的条件下,地层压力保持水平越高,泵的工作压力也就越高,这样可以保证泵在最佳的状况下进行工作,使抽油泵具有较高的沉没度和充满系数.大庆油田采取早期内部注水保持压力的开发方针.把地层压力界限确定在原始地层压力附近,是符合油田的实际情况的.不同油田原油性质不同, 油层压力系数不同,注水保持压力的界限也应当有所区别.3.结论在确定地层压力保持水平时,应考虑以下一些基本原则:(1)保证原油在油层中具有很好的渗流条件,为此应使地层压力高于油藏饱和压力.由于油藏弹性驱采收率很低,因此即使地饱压差较大也不应使地层压力下降得太低.(2)地层压力保持水平应能满足油井持续稳定生产的需要.无论是自喷开采还是抽油开采的油井都应保持一定的压力水平,使油井具有足够大的生产压差及合理的井底流压,使油井产量具有较大的调整余地.(3)地层压力上限不宜高于原始地层压力.地层压力水平过高会影响油田的正常合理开发. (4)地层压力系数较高的油藏,可以将地层压力降低到静水柱压力附近,以便充分利用油层的天然能量;对于高凝油藏,当把主要能量用来降低井底流压时,就可以把地层压力在一定范围内降低下来,这是合理的,也是符合油藏地质特征的. (5)对于低或特低渗透油藏,即使采取同步注水,高注采比注水,地层压力也难以保持.对于这类油藏应当允许地层压力有所下降,如果油藏地质条件允许,如储量丰度比较高,可以通过缩小注采井距或提高注采井数比来达到保持地层压力的目的.因此,根据油田其地质及动态特征不同,地层压力保持的合理水平也应当有所不同.(栏目主持杨军)。
地层压力计算的主要影响因素分析作者:张艳军来源:《石油研究》2019年第01期摘要:大庆外围 Y 区块油田自投入开发以来的测压资料表明,有大部分的压力恢复试井资料不出径向流直线段,解释结果多解性强,使得开发人员无法获得准确的地层信息,严重影响了资料利用率;同时目前油田存在大量斜井、水平井,这些井缺乏相应的监测技术。
为此,本文开展了 Y 区块油田压力监测系统优化研究,有效掌握 Y 区块油田的地层压力动态信息,为油田开发及方案制定提供依据,无疑具有重大的意义。
关键词:压力监测;解释方法;影响因素根据油田的地质特征和动态特征,结合测压历史数据,分析了影响油田地层压力主要因素,研究了油田不同开发阶段地层压力保持水平。
研究获得了综合考虑影响因素下的合理地层压力保持水平的计算方法,以含水率为参考,计算了Y区块合理地层压力保持水平。
这些研究性成果的取得,为 Y 区块进一步的油田开发提供了依据,对 Y区块的开发无疑具有及其重大的意义。
1 地层压力计算的影响因素1.1 流压的影响取全取准第一手资料对试井解释和压力计算至关重要。
在地层压力计算中,需要事先准确地确定出有关油藏参数,如渗透率、表皮系数和外推压力等,采用的方法是典型曲线拟合法。
而在典型曲线拟合法中,需要绘制实测资料的时间差与压差的双对数曲线,这就要求监测井关井测试前的流压 pwf必须准确可靠,否则会影响试井曲线形态,导致解释结果不正确。
1.2 流体的物性参数的影响地层压力的计算与流体、岩石的物性参数密切相关。
不同的物性参数计算出不同地层压力。
影响地层压力结果的物性参数主要有孔隙度、渗透率、有效厚度和壓缩系数等,下表给出了不同综合压缩系数对平均压力和边界压力的影响。
从表 1.1 中可以看出,综合压缩系数越大,平均压力和边界压力也越大;综合压缩系数越小,平均压力和边界压力也越小。
松 I 法计算的压力采用的是固定的流体物性参数,因此其值不受影响。
但不同的油藏,其物性参数是不同的。