矿山地下水环境影响评价报告
- 格式:doc
- 大小:22.50 KB
- 文档页数:10
一、项目基本情况二、当地社会、经济、环境简述2.1自然环境2.1.1地理位置第二自来水有限公司选址于******珍东桥头(详见图1)。
***位于***东南部,北纬25°01′,东经118°05′,省道205、212线交叉地带,地处闽南金三角腹地,距离***城13公里,东离***74公里,南抵厦门73公里,西达漳州60公里。
2.1.2气象气候该区域属中亚热带湿润与潮湿山地气候,年均气温16℃,最冷月6℃,最热月25℃,干燥度为80%。
年平均风速1.7m/s,年静风频率为44%,年东北风向频率为9~15%,东南风向频率为8~12%。
2.1.3地形、地貌及地质状况***地处戴云山脉东南坡。
地势自西北向东南倾斜,从湖头盆地西缘的五阆山至官桥盆地西缘的跌死虎一带为天然的分界线,线以西称内***,地势峻陡,坡度大。
线以东称外***,以低山丘陵串珠状河谷盆地为主。
全县最高峰太华尖海拔1600米。
2.1.4水系情况***境内主要河流为晋江上游的西溪(蓝溪),长145公里(境内105公里),支流有小蓝溪、龙潭溪、双溪、金谷溪、蓬莱溪等。
还有九龙江水系的举溪、龙涓溪、福前溪;人工湖有村内、冬青水库等。
本项目最终纳污水体为西溪。
2.2社会环境***位于***东南部,土地总面积106平方公里,辖29个行政村、1个居委会,镇政府驻地在官桥村。
***的主要农作物有水稻、大豆、甘薯等;经济作物以油料、水果、烟叶、茶叶等。
全镇以石材工业为龙头,带动食品加工、运输、建筑、机械及其它产业综合发展的乡镇企业经济格局。
省道205线、212线24米水泥大道贯穿镇区;全镇拥有1万多门电话,是我县第一个程控电话超万门乡镇,全镇有线电视覆盖率达100%。
水电设施方面:拥有11万伏变电站1座,中小型水电厂4家,柴油发电机组1座,已建成日产万吨自来水厂。
文教卫生方面:拥有全日制中学4所、小学习38所,中心卫生院1所,村级卫生所40个。
矿山开采对地下水资源的影响评估在当今社会,矿产资源的开采对于经济发展和工业生产具有至关重要的作用。
然而,我们不能忽视矿山开采所带来的一系列环境问题,其中对地下水资源的影响尤为显著。
矿山开采过程通常包括露天开采和地下开采两种方式。
露天开采需要大规模地剥离表层土壤和岩石,这不仅直接破坏了地表的水文系统,还可能改变地下水的补给和径流条件。
地下开采则往往会导致地下岩层的结构和应力发生变化,从而影响地下水的储存和流动。
首先,矿山开采活动可能会破坏地下含水层的结构。
在开采过程中,为了获取矿产资源,常常需要进行爆破、挖掘等操作,这些行为可能导致含水层的断裂、错动和坍塌。
一旦含水层的结构受到破坏,其储水能力就会大大降低,甚至可能完全失去蓄水功能。
其次,矿山开采容易引发地下水污染。
采矿过程中使用的化学药剂、设备排放的废水以及矿石中的有害物质,都有可能通过渗透、泄漏等途径进入地下水中,从而造成水质恶化。
这些污染物不仅会影响地下水的使用价值,还可能对生态系统和人类健康构成威胁。
例如,重金属污染可能导致慢性疾病的发生,而有机物污染则可能影响水生生物的生存和繁殖。
此外,矿山开采还可能改变地下水流场。
由于开采活动造成的岩层变形和孔隙度变化,地下水的流动路径和速度可能会发生改变。
这可能导致部分地区地下水位下降,形成降落漏斗,而在其他地区则可能出现水位上升,引发洪涝等问题。
同时,地下水流场的改变还可能影响地下水的补给和排泄关系,进而影响整个区域的水资源平衡。
为了评估矿山开采对地下水资源的影响,我们需要采用多种方法和技术。
首先,水文地质勘察是必不可少的。
通过对矿区地质结构、含水层特征、地下水补给和排泄条件等方面的详细调查,可以为后续的评估提供基础数据。
其次,监测地下水的水位、水质和流量变化也是重要的手段。
通过建立长期的监测站点,实时掌握地下水的动态变化情况,有助于及时发现问题并采取相应的措施。
此外,数值模拟技术也可以用于预测矿山开采对地下水资源的影响。
矿山地下水环境影响评价报告
矿山地下水环境影响评价报告是指对矿山在采矿过程中对地下水环境造成的影响进行评价,并对可能产生的环境影响进行预测和评估,最终提出环境保护建议和措施的报告。
该报告是矿山生产经营活动中必不可少的环境保护措施之一。
矿山地下水环境影响评价报告主要包括以下内容:
1. 研究区域基本情况。
包括矿山所在地的地质、水文地质、气象、水文、环境质量等方面的基本资料,明确研究区域的自然环境背景。
2. 评估标准。
根据国家和地方相关法律法规及环保要求,明确评价对象、评价指标、评价标准和评价方法。
3. 矿山地下水环境影响预测。
主要通过对采矿活动的工
艺流程、采矿方式、排水系统等进行分析预测,确定矿山的地下水环境影响程度及空间分布。
4. 矿山地下水环境现状评价。
对矿山现场及周边地下水
环境进行监测与分析,确定矿山导致的地下水环境现状,包括地下水水位、水质、渗流方向和渗透能力等。
5. 矿山地下水环境风险评估。
综合考虑矿山地下水环境
影响预测和现状评价的结果,分析评估矿山对地下水环境可能产生的潜在风险。
6. 矿山地下水环境保护建议和技术措施。
根据研究分析结果,提出合理有效的环境保护建议和技术措施,包括矿山废水治理、矿坑、矿山井筒和巷道降水的回收利用等措施。
矿山地下水环境影响评价报告的编写可以帮助矿山企业合理利用地下水资源的同时,降低对地下水环境的破坏,加强环境保护,进一步推动工业的可持续发展。
10 地下水环境影响评价10.1 地下水环境现状监测与评价10.1.1 地下水现状监测10.1.1.1 监测点位布设根据本工程特点,结合地下水流向和当地井位情况,本工程共布设了两个地下水监测点。
具体监测点位见表10.1-1和图8.2-1。
表10.1-1 地下水现状监测点位布设情况表10.1.1.2 监测时间及频率监测时间为2010年8月22日-8月24日,每天一次。
10.1.1.3 监测项目地下水监测项目包括PH、总硬度、氨氮、硝酸盐氮、亚硝酸盐氮、硫酸盐、高锰酸盐指数、砷、汞、铁、锰、氟化物、细菌总数、大肠菌群共十四项,同时记录井深、水位。
10.1.1.4 分析方法水样采集、保存依据《环境监测技术规范》进行,分析方法采用《生活饮用水标准检验法》(GB/T5750-2006),具体见表10.1-2。
表10.1-2 地下水监测与分析方法10.1.1.5 监测结果监测因子监测结果见表10.1-3。
10.1.2 地下水环境现状评价10.1.2.1 评价标准本次评价采用《地下水质量标准》(GB/T14848-93)Ⅲ类水质标准进行现状评价。
见表10.1-4。
表10.1-4 地下水质量标准 单位:mg/L10.1.2.2 评价方法采用单因子指数法对地下水环境现状监测统计结果进行评价,评价公式为:i i i S C P /式中:P i ——指污染物i 的单因子指数;C i ——指污染物i 的监测结果;S i ——指污染物i 的所执行的评价标准。
对PH 值进行评价的公式为:P PH =(7.0-PHi)/(7.0-PHsd) PHi ≤7.0 P PH =(PHi-7.0)/(PHsu-7.0) PHi ≥7.0式中:P PH ——指PH 值的单因子指数; PH i ——指PH 的监测结果;PH sd ——指水质标准中PH 值的下限;PH su ——指水质标准中PH 值的上限。
表10.1-3 地下水质量监测结果表单位:mg/L10-310.1.2.3 评价结果地下水现状评价结果列于表10.1-3。
采矿工程M ining engineering 铅锌矿开采对地下水环境影响评价分析锅 圆(湖南葆华环保有限公司,湖南 长沙 410000)摘 要:我国的铅锌矿产资源丰富,其储蓄量位居世界前列。
近年来,铅锌矿的开采工程越来越多,其对地下水的影响日益明显。
地下水资源作为我国水资源的重要组成部分,人人都有保护其水质安全的义务,因此在开采铅锌矿前进行地下水环境的影响评价分析是极为必要的。
本文预测评价铅锌矿开采对地下水水质可能造成的直接影响,提出应加强铅锌矿运行期间对地下水的污染防控措施,保证矿区范围内地下水水质安全。
关键词:铅锌矿;开采;地下水环境 中图分类号:P618.4 文献标识码:A 文章编号:1002-5065(2018)10-0071-2Analysis of influence of lead and zinc mining on Groundwater EnvironmentGUO Yuan(Hunan Baohua environmental protection Co., Ltd., Changsha 410000,China)Abstract: China is rich in mineral resources, and lead-zinc resources rank the top in the world. However, with the continuous expansion of lead-zinc mining, its impact on groundwater is more and more obvious. As an important part of water resources in China, groundwater resources have the obligation to protect the water quality. Therefore, it is necessary to evaluate and analyze the influence of the groundwater environment before mining lead and zinc mines. This paper predicts the direct effect of lead and zinc mining on the possible groundwater quality, and proposes to strengthen the prevention and control measures during the operation of lead-zinc mine, so as to ensure the safety of water quality in the area of the mining area.Keywords: lead-zinc mine; mining;groundwater environment我国是水资源稀缺国家之一,而地下水资源中包含的天然淡水资源储存量平均达8837亿m³/a,是我国水资源的重要组成部分。
矿山地下水环境影响评价报告随着我国矿业的不断发展,矿业对地下水环境的影响逐渐受到关注。
为了确保矿山的可持续发展和地下水环境的安全,矿山地下水环境影响评价报告成为必不可少的工作之一。
本文将就矿山地下水环境影响评价报告做进一步的解读。
一、矿山地下水环境影响评价报告的定义矿山地下水环境影响评价报告是指在矿山建设、生产过程中,评价其对地下水环境可能产生的影响程度,为相关方面提供参考建议,达到科学合理利用和保护地下水资源的目的。
二、编制矿山地下水环境影响评价报告的步骤1.前期调查与资料收集。
对矿区周边的地形、地貌、地质等进行调查,并搜集矿业企业有关信息和现场检测数据。
2.评价对象确定。
根据调查和资料收集的情况,确定评价对象和相关指标,以采集更准确的数据和评价结果。
3.评价方法选择。
根据评价对象和指标,选择合适的评价技术和方法,如:物理模拟试验、数学模拟、地球化学等。
4.模型构建与优化。
通过上述方法得到初步的评价结果后,根据实地监测数据和情况进行优化和修正,进一步提高评价准确性。
5.评价结果报告。
根据评价结果撰写报告,向有关部门和企业管理层提供服务,并提出改善建议。
三、矿山地下水环境影响评价报告的意义1.为矿山建设规划提供科学依据。
通过评价报告,可以对矿山建设规划进行科学的分析、监测和控制,在合法、合理的范围内进行矿区开发。
2.为环境保护提供技术支撑。
可利用评价报告结果,优化、完善矿山建设和生产方式,达到减少对环境污染的效果。
3.为矿业企业可持续发展提供支持。
矿山地下水环境影响评价报告是一项长期、系统的工作,可以帮助矿业企业规划发展方向,以最大化利润并实现可持续发展。
四、矿山地下水环境影响评价报告编制存在的问题1.评估标准缺乏统一。
由于不同的地理位置、地质环境和评价对象的差异,评价标准存在一定的差异,这也就会导致不同评价人员的评价结果不一致,难以相互比较。
2.监管机构信任度不高。
在现实中,监管机构的权威性和可信度得到了怀疑,使得一些矿业公司难以对评价报告进行完全的认可。
地下水环境影响评价专题报告(一、二级评价参照)北京中咨华宇环保技术有限公司2014年1月目录1总论 (3)1.1编制依据 (3)1.1.1法律法规、相关政策及技术规范及技术导则 (3)1.1.2工作技术资料及文件 (3)1.2地下水环境功能 (3)1.3评价执行标准及保护目标 (3)1.3.1评价执行标准 (3)1.3.2保护目标 (3)1.4地下水评价等级 (3)1.4.1评价工作定级 (3)1.4.2评价范围 (5)1.4.2.1Ⅰ类建设项目 (5)1.4.2.2Ⅱ类建设项目 (5)1.4.2.3Ⅲ类建设项目 (5)2拟建项目概况与工程分析 (6)3地下水环境现状调查与评价 (7)3.1地下水环境现状调查内容 (7)3.1.1水文地质条件调查 (7)3.1.2环境水文地质问题调查 (7)3.1.3地下水污染源调查 (8)3.1.4地下水环境现状监测 (8)3.1.5环境水文地质勘察与试验 (8)3.2地下水环境现状评价 (9)3.2.1污染源整理与分析 (9)3.2.2地下水水质现状评价 (11)3.2.3环境水文地质问题分析 (12)4地下水环境影响预测与评价 (13)4.1地下水环境影响预测 (13)4.1.1预测范围 (13)4.1.2预测时段 (13)4.1.3预测因子 (13)4.1.4预测方法 (14)4.1.5预测模型概化 (14)4.2地下水环境影响评价 (14)4.2.1评价范围 (14)4.2.2评价方法 (14)5地下水环境保护措施 (16)5.1建设项目污染防治对策 (16)5.2环境管理对策 (17)6评价结论与建议 (18)1总论1.1 编制依据1.1.1法律法规、相关政策、技术规范及技术导则(1)《中华人民共和国环境保护法》(1989 年12 月26 日起实施);(2)《中华人民共和国水污染防治法》(2008 年 6 月 1 日起实施);(3)《环境影响评价技术导则地下水环境》(HJ610-2011);(4)《供水水文地质勘察规范》(GB50027-2001);(5)《地下水水质标准》(GB/T 14848-93);(6)《生活饮用水卫生标准》(GB 5749-2006);(7)《地表水环境质量标准》(GB3838-2002);(8)《水利水电工程注水试验规程》(SL345-2007)。
环境影响评价报告:矿山开发工程环评报告项目背景本文是关于矿山开发工程环境影响评价的报告。
该项目旨在评估矿山开发对环境的潜在影响,以便制定并实施适当的环境保护措施。
研究范围与方法为了全面评估矿山开发对环境的影响,我们进行了广泛的研究。
研究范围包括但不限于以下几个方面:1. 地质研究:对矿山的地质情况进行详细调查与分析,评估矿山开采可能带来的地质灾害风险。
2. 水环境研究:对矿山附近水体的水质、流量等进行监测和分析,评估矿山开采对水环境的影响。
3. 大气环境研究:对矿山开采过程中的粉尘、气体等排放进行监测和分析,评估矿山开采对大气环境的影响。
4. 生物环境研究:对矿山附近的生物多样性、植被覆盖等进行调查和评估,评估矿山开采对生物环境的影响。
环境影响评价结果基于我们的研究和分析,得出了以下环境影响评价结果:1. 地质灾害风险:矿山开采可能增加地质灾害的发生概率,需要采取相应的地质灾害防治措施。
2. 水环境影响:矿山开采可能导致附近水体的水质下降和水量减少,需要采取水资源保护措施。
3. 大气环境影响:矿山开采可能导致粉尘和有害气体排放,造成大气污染,需要采取减排措施。
4. 生物环境影响:矿山开采可能破坏当地的生物多样性和植被覆盖,需要实施生态保护和恢复计划。
环境保护措施建议为了减少矿山开发工程对环境的不利影响,我们提出了以下环境保护措施建议:1. 加强地质灾害防治:采取合适的地质调查和监测措施,及时发现和防范地质灾害风险。
2. 水资源保护:采取有效的水资源管理措施,包括减少用水量、优化水循环利用等。
3. 大气减排:采取减少粉尘和有害气体排放的技术措施,如安装除尘设备、优化燃烧工艺等。
4. 生态保护和恢复:实施生态保护措施,包括植被恢复、保护珍稀动植物等。
结论综上所述,本报告对矿山开发工程的环境影响进行了评价,并提出了相应的环境保护措施建议。
这将有助于矿山开发工程的可持续发展,并最大程度地减少对环境的不利影响。
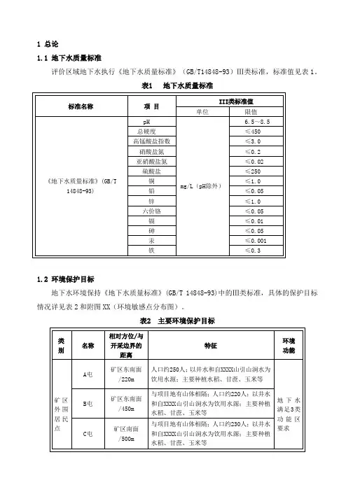
1 总论1.1 地下水质量标准评价区域地下水执行《地下水质量标准》(GB/T14848-93)Ⅲ类标准,标准值见表1。
表1 地下水质量标准1.2 环境保护目标地下水环境保持《地下水质量标准》(GB/T 14848-93)中的Ⅲ类标准,具体的保护目标情况详见表2和附图XX(环境敏感点分布图)。
表2 主要环境保护目标1.3地下水评价等级由于开采过程需要抽排水,可能会引起局部的地下水位下降,同时由于矿体的开挖扰动、废石和矿石的堆放也有可能在一定程度上影响地下水的水质,因此本项目属于Ⅲ类建设项目。
(1)根据Ⅰ类建设项目的评价工作等级划分依据矿区主要含水岩组为基岩构造裂隙含水岩组,其岩性为下奥陶统黄隘组泥质砂岩、长石石英砂岩夹薄层页岩和砂岩等组成,厚约800多米,分布在矿区约90%的地方。
经试验,该岩层的渗透系数K为0.00066m/d(7.64×10-7cm/s)。
从勘察钻孔的静止水位判定,本区地下水位埋深11.16~35m。
因此,包气带防污性能为“中”。
评估区范围内只有一些季节性的溪沟,大气降雨是评估区地下水的主要补给来源,它主要通过表层下渗补给地下水,赋存于下伏的基岩构造裂隙中。
大气降水除少量沿岩石裂隙或孔隙往地下渗透以外,绝大部分均沿山坡流入矿区内小冲沟处。
可见,建设场地的含水层易污染特征为“不易”。
矿区范围内无特殊地下水资源保护区,但矿区外围的塘梨山屯、红星屯等村民以井水为主要饮用水源。
本项目地下水环境敏感程度为“较敏感”。
项目经中和处理达标后外排的生产废水(含矿井涌水)的量为75m3/d,因此,污水的排放强度为“小”。
根据矿石的毒性浸出结果,浸出液呈碱性,因此其主要污染物为酸碱度,推测生产废水的污水复杂程度为“简单”。
对照HJ610-2011《环境影响评价技术导则地下水环境》,按Ⅰ类建设项目的分级判别,本项目地下水环境评价等级定为三级(见表1-3)。
(2)根据Ⅱ类建设项目的评价工作等级划分依据根据工程分析,项目外抽的矿井涌水量为110 m3/d,属于地下水供水、排水规模分级中的“小”。
矿山开发环境影响评价报告一、引言近年来,随着全球经济的发展和人口的增加,矿业开发在各国成为一种重要的经济活动。
然而,矿山开发对于环境的影响也越来越引起人们的关注。
为了全面评估矿山开发对环境的影响,本报告对某矿山项目进行了环境影响评价,并给出了相应的评价结果和建议。
二、评价范围和方法本次环境影响评价的范围包括矿山选址、矿山开采、矿石加工和尾矿处理等环节。
评价方法主要包括前期调查研究、现场观测和数据分析等。
三、矿山选址评价1. 地质环境评价根据地质地貌特征和矿产资源丰富性进行评价,发现该选址地区地质条件良好,适合进行矿山开发。
2.生态环境评价通过调查研究,评估了矿山选址区域的生态环境现状,并使用指标体系综合评价了其对生态系统的潜在影响。
结果显示,该选址区域生态环境脆弱,开发需采取一系列保护措施。
四、矿山开采评价1. 水资源影响评价通过采样测试和水质监测分析,评估了矿山开采对地下水和地表水的影响。
结果表明,在合理管理下,矿山开采对水资源的影响可控制在可接受范围内。
2. 大气环境影响评价评估了矿山爆破、机械设备、运输等活动对大气环境的影响,结果显示,在合理使用环保设施和减排措施的情况下,矿山开采对大气环境的影响可降低到最低限度。
3.土壤环境影响评价通过采样分析,评估了矿山开采对土壤质量的影响。
结果显示,矿山开采过程中会引起一定的土壤污染,但通过科学管理和修复措施,土壤的恢复能力较强。
五、矿石加工评价1.固体废物处理评价通过调查研究、采样测试和数据分析,评估了矿石加工过程中产生的固体废物对环境的影响。
结果表明,采取合理的处置和回收措施,固体废物对环境的影响可以得到有效控制。
2.能源消耗评价评估了矿石加工所需的能源消耗和对环境的影响。
结果显示,矿石加工对能源的消耗较大,但通过能源管理措施和提高能源利用效率,可以减少对环境的负面影响。
六、尾矿处理评价1. 环境风险评价评估了尾矿处理过程中可能存在的环境风险,并提出了相应的风险防范和应急处置措施,以确保尾矿处理对环境的影响最小化。
××××××××矿区金矿地下水环境影响评价报告书××××二○一一年六月××××××××矿区金矿地下水环境影响评价报告书编写单位:××××项目负责:××编写:××审查:××总工程师:××院长:××提交单位:××××提交时间: 二〇一一年七月目录总论 (1)一、任务的由来 (1)二、编制的依据 (1)三、地下水环境功能 (3)四、评价工作等级 (4)五、评价范围与保护目标 (8)第一章矿山基本概况及工程分析 (10)一、矿山基本概况 (10)二、工程分析 (13)第二章地下水环境现状调查与评价 (17)一、自然地理 (17)二、地形地貌 (17)三、地层岩性与地质构造 (18)四、水文地质条件 (24)五、工程地质条件 (35)六、环境地质条件 (36)七、项目污染源状况 (38)八、地下水现状监测 (38)九、地下水环境现状评价 (43)第三章地下水环境影响预测及评价 (47)一、基础水文资料调查 (47)二、预测原则 (51)三、预测范围及内容 (51)四、矿山开采对地下水的环境影响预测评价 (51)五、选矿生产对地下水的环境影响预测评价 (55)六、尾矿库对地下水的环境影响预测评价 (57)第四章地下水环境保护措施与对策 (60)一、源头控制措施 (60)二、分区管理与防治措施 (61)三、地下水监控措施 (61)四、风险事故应急响应 (62)第五章结论与建议 (63)一、结论 (63)二、建议 (65)总论一、任务的由来为贯彻《中华人民共和国环境保护法》、《中华人民共和国水污染防治法》和《中华人民共和国环境影响评价法》,为保护矿山与周边地区地下水环境,减少矿产资源开采活动造成的地下水环境破坏,保护人民生命和财产安全,促进矿产资源的合理开发利用和经济社会、资源环境的协调发展,××××金矿有限公司遵照有关法律法规和政策的规定,委托××××编制了《××××××××矿区金矿地下水环境影响评价报告书》。
矿业开采项目环境影响评价报告一、项目背景随着经济发展和人口增长的持续推进,矿业开采项目在各地呈现出蓬勃发展的态势。
然而,伴随着矿业开采的增加,环境问题也日益凸显。
为了科学评估和管理矿业开采项目对环境的潜在影响,本报告基于《环境影响评价法》的相关规定,对某矿业开采项目进行环境影响评价。
二、评价范围本次环境影响评价报告将重点考察以下几个方面的问题:1. 矿山地质环境:包括矿山地质条件、地质灾害风险等;2. 水环境:主要考虑矿山附近地表水和地下水的质量变化及其对周边生态系统和人类健康的影响;3. 大气环境:矿山开采过程中的扬尘、挥发性有机物(VOCs)和氮氧化物(NOx)排放等对空气质量的影响;4. 生态环境:评估矿山开采对当地生物多样性和生态系统的影响;5. 社会经济影响:考虑矿山项目对当地经济、社会及居民生活等方面的影响。
三、评价方法本次环境影响评价采用了以下方法:1. 野外调查:通过实地考察和样品采集,获取矿山周边环境的基础数据;2. 数据分析与模拟:利用地质和环境数据,通过建立数学模型对矿山开采过程中产生的影响进行定量分析和模拟;3. 前瞻性评估:通过模拟未来可能发生的情景,评估环境变化的趋势和对策可行性。
四、评价结果及建议1. 地质环境:矿山地质条件良好,无明显地质灾害风险;2. 水环境:矿山开采对周边地表水和地下水的影响较大,建议采取有效措施降低对水环境的不良影响;3. 大气环境:矿山开采对空气质量的影响主要表现为扬尘和尾气排放,建议加强粉尘防控和排放治理;4. 生态环境:矿山开采对当地生物多样性和生态系统具有一定的破坏性影响,建议采取生态补偿和恢复措施;5. 社会经济影响:矿山项目将带动当地经济发展,但也可能对居民生活和社会稳定产生一定的影响,建议制定社会保障和合理安置政策。
五、风险管理措施为了最大程度减少矿山开采对环境的潜在风险,本报告提出了以下建议:1. 加强环境监测:建立完善的环境监测网络和监测体系,及时获取矿山开采对环境的影响数据;2. 严格落实环保要求:矿山企业应严格遵守环保法规,合理利用资源,减少对环境的负面影响;3. 生态修复与保护:鼓励矿山企业开展生态恢复与保护工作,采取有效措施保护当地生态环境;4. 加强监管与公众参与:政府相关部门应加强对矿山项目的监管,加大公众参与力度,充分倾听公众意见与建议。
矿山地下水环境影响评价报告1. 引言本报告旨在对矿山地下水环境进行影响评价,以评估矿山开采对地下水的可能影响,并提出相应的防控措施。
2. 背景矿山开采活动通常会对周围的地下水环境产生一定的影响。
这些影响包括水位变化、水质污染、水源衰竭等,对当地的生态环境和社会经济造成潜在风险。
3. 方法为了进行矿山地下水环境影响评价,本次调查采用了以下方法和步骤:1.地下水采样:在矿山周边设立采样点,通过采集地下水样品进行水质分析和监测。
2.地下水位监测:使用水位监测仪器对矿山周边的地下水位进行定期监测。
3.数值模拟:利用数值模拟软件对矿山开采对地下水水位和水质的影响进行模拟和预测。
4.现场调查:对矿山周边的地下水环境进行现场调查,包括水文地质条件、周边水体情况等。
4. 结果根据我们的调查和分析,得出以下结论:1.地下水位变化:矿山开采活动导致了部分地下水位下降,造成周边区域水源枯竭的风险。
2.水质污染:矿山开采过程中,废水排放和渗漏可能对地下水质造成一定的污染。
3.社会经济影响:地下水短缺和水质污染可能对当地的农业灌溉、生活用水和工业用水产生重大影响。
5. 风险评估基于以上结论,我们对矿山地下水环境影响的风险进行评估,并提出相应的风险管控建议:1.定期监测:对矿山周边的地下水位和水质进行定期监测,及时发现和处理问题。
2.废水处理:建立完善的废水处理设施,确保废水排放符合环保要求。
3.水资源管理:合理规划和管理地下水资源,避免过度开采和浪费。
4.社会参与:加强与当地社区的沟通和合作,提高公众对矿山地下水环境影响的认知和参与度。
6. 结论本矿山地下水环境影响评价报告通过对矿山地下水位和水质的采样、监测和数值模拟,评估了矿山开采对地下水的可能影响。
我们建议在矿山开采过程中,加强废水处理和水资源管理,同时增加社会参与,以减少对地下水环境的负面影响。
这将有助于保护地下水资源,维护生态平衡和社会经济可持续发展。
7. 参考文献•张三,李四. 地下水环境影响评价方法概述[J]. 环境科学与技术, 2010, 34(1): 15-20.•环境保护部. 地下水和矿山环境保护技术规范[S]. 北京:中国环境科学出版社, 2016.以上是对矿山地下水环境影响评价的报告,通过对矿山地下水位和水质的调查分析,全面了解矿山开采对地下水环境的影响,并提出相应的防控措施。
大水头煤矿开采地下水环境影响评价分析人类的生存发展离不开能源,煤作为我国屈指可数的几大能源之一有着举足轻重的地位。
煤矿开采为人类带来了福利和方便,然而随着煤矿开采的发展,范围的扩大,程度的深入,让我们不得不考虑煤矿开采对其它能源的影响,尤其是对地下水的影响,可以直接使用的淡水资源却越来越匮乏。
有资料显示煤矿开采带来的经济效益远远没有带来的负面影响所要花费的代价高。
所以我们必须重视煤矿开采对地下水环境影响,尽量减小煤矿开采对地下水的各方面影响。
标签:煤矿开采;地下水环境;地下水1 煤矿开采以煤炭为主的能源供应属于不可再生资源,而且作为主要的能源供应,然而在煤炭的开采中出现了不同程度危害自然环境尤其是地下水的现象,直接制约了我国社会经济的可持续发展,靖远煤电股份有限公司大水头煤矿开采也是如此。
1.1 煤的形成陆地上的植物枯死以后,有大量的高等植物残骸在湖泊中被水掩盖,然后在水解作用和厌氧细菌的生物化学作用下,植物残骸失去原有的结构,逐渐变成含水的褐黑色物质“泥炭”。
随着时间的推移,在压力与温度的影响下,泥炭的水分逐渐随着减少,含碳量开始增加,从而变成褐煤。
当压力、温度再一步增加时,将进一步碳化烟煤变成无烟煤。
这个过程一般需要几千万到几亿年的时间,所以煤是不可再生资源。
1.2 开采煤由于煤的存在大部分都位于地下,所以人类想要拿来使用就必须进行开采。
煤炭开采又包括露天开采和矿井开采。
靖远煤电股份有限公司大水头煤矿位于甘肃省白银市平川区境内,矿井属于宝鸡山矿井西北段,当地气候全年干旱少雨雪。
1970年12月26日简易投产,1988年改扩建,1997年8月1日正式投产,总计采煤有33个年头了,属于矿井开采。
1.3 煤质硫是煤中的有害元素,包括有机硫、无机硫。
含硫量1%以下才可用于燃料,部分地区要求在0.6和0.8以下,现在常说的环保煤、绿色能源均指硫成分较低的煤。
靖远煤电股份有限公司大水头煤矿原煤含硫量为0.93%,精煤含硫量为:0.48%,符合要求。
1 总论
1.1 地下水质量标准
评价区域地下水执行《地下水质量标准》(GB/T14848-93)Ⅲ类标准,标准值见表1。
表1 地下水质量标准
标准名称项目
III类标准值单位限值
《地下水质量标准》(GB/T
14848-93)
pH
mg/L(pH除外)
6.5~8.5 总硬度≤450
高锰酸盐指数≤3.0
硝酸盐氮≤0.2
亚硝酸盐氮≤0.02 硫酸盐≤250 铜≤1.0
铅≤0.05
锌≤1.0 六价铬≤0.05 镉≤0.01
砷≤0.05
汞≤0.001
铁≤0.3
1.2 环境保护目标
地下水环境保持《地下水质量标准》(GB/T 14848-93)中的Ⅲ类标准,具体的保护目标情况详见表2和附图XX(环境敏感点分布图)。
表2 主要环境保护目标
类别名称
相对方位/与
开采边界的
距离
特征
环境
功能
矿区外围居民点A屯
矿区东南面
/220m
人口约250人;以井水和自XXXX山引山涧水为饮用水源;主要种植水稻、甘蔗、玉米等
地下水
满足3类
功能区
要求
B屯
矿区东南面
/450m
与项目地有山体相隔;人口约220人;以井水和自XXXX山引山涧水为饮用水源;主要种植水稻、甘蔗、玉米等
C屯矿区南面
/500m
与项目地有山体相隔;人口约230人;以井水和自XXXX山引山涧水为饮用水源;主要种植水稻、甘蔗、玉米等
D屯矿区东南面
/650m
与项目地有山体相隔;人口约240人;以井水
为饮用水源;主要种植水稻、甘蔗、玉米等
E屯矿区东南面
/650m
与项目地有山体相隔;人口约210人;以井水
为饮用水源;主要种植水稻、甘蔗、玉米等
1.3地下水评价等级
由于开采过程需要抽排水,可能会引起局部的地下水位下降,同时由于矿体的开挖扰动、废石和矿石的堆放也有可能在一定程度上影响地下水的水质,因此本项目属于Ⅲ类建设项目。
(1)根据Ⅰ类建设项目的评价工作等级划分依据
矿区主要含水岩组为基岩构造裂隙含水岩组,其岩性为下奥陶统黄隘组泥质砂岩、长石石英砂岩夹薄层页岩和砂岩等组成,厚约800多米,分布在矿区约90%的地方。
经试验,该岩层的渗透系数K为0.00066m/d(7.64×10-7cm/s)。
从勘察钻孔的静止水位判定,本区地下水位埋深11.16~35m。
因此,包气带防污性能为“中”。
评估区范围内只有一些季节性的溪沟,大气降雨是评估区地下水的主要补给来源,它主要通过表层下渗补给地下水,赋存于下伏的基岩构造裂隙中。
大气降水除少
量沿岩石裂隙或孔隙往地下渗透以外,绝大部分均沿山坡流入矿区内小冲沟处。
可见,建设场地的含水层易污染特征为“不易”。
矿区范围内无特殊地下水资源保护区,但矿区外围的塘梨山屯、红星屯等村民以井水为主要饮用水源。
本项目地下水环境敏感程度为“较敏感”。
项目经中和处理达标后外排的生产废水(含矿井涌水)的量为75m3/d,因此,污水的排放强度为“小”。
根据矿石的毒性浸出结果,浸出液呈碱性,因此其主要污染物为酸碱度,推测生产废水的污水复杂程度为“简单”。
对照HJ610-2011《环境影响评价技术导则地下水环境》,按Ⅰ类建设项目的分级判别,本项目地下水环境评价等级定为三级(见表1-3)。
(2)根据Ⅱ类建设项目的评价工作等级划分依据
根据工程分析,项目外抽的矿井涌水量为110 m3/d,属于地下水供水、排水规模分级中的“小”。
经推算,项目开采建设引起的地下水降落漏斗的半径为125米,属于地下水位变化区域范围中的“小”。
矿区范围内无特殊地下水资源保护区,但矿区外围的塘梨山屯、红星屯等村民以井水为主要饮用水源。
本项目地下水环境敏感程度为“较敏感”。
建设方仅在拟申请的采矿区域范围内开展过探矿工作,经调查,区域内没有发现环境水文地质问题,属于环境水文地质问题分级中的“弱”。
对照HJ610-2011《环境影响评价技术导则地下水环境》,按Ⅱ类建设项目的分级判别,本项目地下水环境评价等级定为三级(见表3)。
综合以上两类项目的判定结果,本项目的地下水评价工作等级为三级。
表3 环境影响评价工作等级
环境
要素
评价依据本项目情况评价等级引用标准
地下水环境Ⅰ类
项目
包气带防污性能中
三级
HJ610-2011 含水层易污染特征不易
地下水环境敏感程度较敏感
污水排放量小
污水水质的复杂程度简单
Ⅱ类
项目
地下水供水、排水规模小
三级
地下水水位变化区域范围小
地下水环境敏感程度较敏感
环境水文地质问题弱
1.4 地下水环境评价范围
本项目属Ⅲ类建设项目,评价等级为三级,根据HJ610-2011《环境影响评价技术导则地下水环境》的要求,本次评价范围为矿区外围南、西、北侧分水岭及下游可能受影响的A屯、B和C屯所组成的范围。
2 矿区地质特征和水文地质特征
2.1区域地质特征
1、地层
该区呈现的地层以下古生界寒武系~奥陶系砂泥质复理石建造和中生界白色红色复陆屑类磨拉石建造为主,在西江流域为大片第四系沉积物覆盖。
现由老至新简述如下:
(1)寒武系(∈)
寒武系分布于矿区东侧的蒙江--藤县一带,出露广泛。
为半深海相碎屑沉积杂砂岩和含砾砂岩,复理石韵律发育。
岩性为岩性为灰绿色、黄褐色中~厚层状石英杂砂岩、长石石英砂岩、泥质砂岩夹少量深灰色—绿灰白色中层状页岩。
厚度不明。
与上覆盖的奥陶系地层一般呈断层接触,与下泥盆统莲花山组呈明显角度不整合接触。
(2)奥陶系(O)
奥陶系分布于武林口至蒙江圩之间的西江两岸,以下奥陶统为主,为一套类复理石笔石、介壳混合相砂泥质沉积,出露广泛。
由砂泥岩组成的建造,属半深海相沉积,常组成背斜核部。
分为黄隘组(O1h)及六陈组(O1l)。
岩性为岩性为黄色、棕黄色的砂岩、粉砂岩、泥质粉砂岩夹黄-白色的泥岩、砂质页岩或互层。
厚度
>3000m。
(3)泥盆系(D)
泥盆系主要分布于矿区西侧的武林口- 平南-木圭以及矿区北侧的安怀-太平一带。
下部为陆源滨海-浅海相碎屑岩建造,中部为滨海-浅海相碎屑岩建造及浅海相碳酸岩建造,上部为浅海相含锰硅质岩及碳酸岩建造。
底部呈明显角度不整合接触覆于寒武系或奥陶系之上。
分为下统(D1)、中统(D2)及上统(D3),共有莲花山组(D1l)、郁江组(D1y)、四排组(D1s)、贺县组(D1h)、唐家湾组(D2t)、榴江组(D3l)等。
(4)侏罗系(J)
侏罗系主要分布于矿区南侧大洲镇以东,出露面积较小。
岩性为紫红色、浅灰色碎屑岩及泥质岩组成。
可分为天堂组(J1t)及大岭组(J1d)。
(5)白垩系(K)
分布于矿区外围及太平、蒙江、罗云、关塘等地,主要出露新隆组(K2x)和罗文组(K2l)。
岩性为紫红色砾岩、细砂岩、粉砂岩及页岩等。
底部不整合覆于其他老地层之上。
(6)第三系(E)
主要出露下第三系永福群(Ey),分布于太平、蒙江等盆地中。
岩性为紫红、猪肝色砾岩、砂质砾岩含砾砂岩与砂岩互层。
与下伏地层呈明显角度不整合接触,厚度不详。
(7)第四系(Q)
广泛分布于江河两岸及低洼冲沟中,主要为冲积层,按其成因及新老关系可划分为全新统冲积层(Qh)、更新统冲积层(Qp)等。
冲积物可分为紫红色砂土和粘土。
厚薄不等,一般为数米,最厚达70m。
2、构造
本区位于贵港~平南铅锌铜成矿带的北东端,界于区域性的北东东向凭祥~大黎断裂和灵山~藤县断裂之间,两条区域性断裂具有切割深度大、活动时间长,控岩、控相、控矿显著等特点,与近南北向武林~理答深断裂平行分布的次级断裂发育,其中XXXX铅矿点产于次级北西向的断裂带上。
(1)褶皱
在该区域中强烈的褶曲主要发生在加里东构造层(寒武系和奥陶系)中,多为复式褶曲,各个地段形成不同方向的线状紧闭复式褶皱,以近南北向、近东西向和北东东向为主。
而印支期构造层(泥盆系)则以较为开阔的向斜和狭窄的短轴背斜居多,轴向一般为SW~NE。
(2)断裂
本区主要的断裂形成于印支-燕山期,而加里东期断裂不很发育。
区域断裂主要为南北向,次为北东向、北北东向,少量为北西向。
与同期的褶皱构造的展布完全相同,说明断裂与褶皱是同受一种构造条件和构造力的作用所形成的。
与XXX铅矿成矿较密切的是南北向的武林~理答深断裂。
3、岩浆岩
区域岩浆活动频繁强烈,但距XXXX铅矿区较远,主要分布于矿区的东边、南边。
区域岩浆岩以酸性岩为主,次为中性岩。