某基坑工程桩锚支护设计
- 格式:pdf
- 大小:1.10 MB
- 文档页数:2
基坑排桩锚索支护及土方开挖降水施工组织设计目录第一章工程概况及特点第一节工程概况一、概述二、工程地质及水文地质情况第二节工程特点一、工期比较紧二、文明施工要求高三、安全生产非常重要第三节执行的技术标准及依据第二章基坑边坡支护设计方案第三章施工进度计划第一节施工任务第二节工期安排及开竣工时间第三节施工进度计划网络图第四节材料计划第四章施工方案与技术措施第一节土方开挖与支护配合施工方案一、土方开挖与支护同步施工顺序`二、基坑的开挖第二节排桩支护施工方案及技术措施一、工艺流程二、施工方案第三节冠梁施工一、开挖沟槽及破桩头二、钢筋工程三、模板工程四、混凝土工程第四节土钉墙支护施工方案及技术措施一、工艺流程二.土钉墙施工三、施工技术措施第五节锚索及腰梁一、锚索试验二、锚索施工二、锚索施工安全措施第六节降水一、施放井位二、管井施工三、排水管铺设四、电缆敷设及配电系统安装五、施工质量检验标准六、降排水维护管理及特殊情况的应急处理措施七、冬、雨季施工措施八、降水结束后的降水井回填第五节变形观测一、依据的技术标准二、基坑支护结构水平位移变形及周边建筑监测三、基坑沉降观测四、施工组织和质量管理第五章主要施工机具情况、材料、人员投入计划第一节主要施工机具配置情况第二节主要材料投入计划第三节主要施工人员投入计划第六章项目经理部组成及劳动力安排计划第一节项目经理部组成人员一、主要人员简介二、现场主要管理人员第七章确保工程质量的技术组织措施第一节质量保证体系第二节排桩支护施工质量控制标准及保障措施一、质量控制目标二、桩位测放质量控制标准及保障措施三、成孔质量控制标准及保障措施四、钢筋笼制作质量控制标准及保障措施五、混凝土灌注质量控制标准第三节土钉墙施工质量保证措施一、质量控制目标二、施工技术措施第四节锚索施工质量保证措施一、质量控制目标二、原材料质量控制措施三、施工质量保证措施第五节降水施工质量保证措施第八章现场安全生产措施和应急救援方案第一节安全施工保证措施一、安全生产目标二、安全生产管理体系三、建立健全安全生产管理制度四、安全控制活动计划五、用电安全措施六、机械使用安全措施七、消防安全措施八、现场保卫措施九、健康安全措施第二节应急救援方案一、应急预案工作流程图及风险分析二、应急组织措施三、应急响应四、应急救援具体措施第九章现场文明施工、环境保护的措施和方案第一节文明施工保证措施一、建立健全文明施工管理体系二、文明施工要求三、文明施工措施第二节环境保护措施和方案一、建立环境保护体系二、防噪声扰民控制措施三、防振动扰民控制措施四、城市生态保护五、水污染控制六、固体废弃物管理措施七、防遗洒措施第十章确保工期的技术组织措施第一节组织措施第二节技术措施第三节经济措施第四节合理配置设备第十一章雨、冬季施工方案第一节雨季施工部署第二节冬季施工部署第一节雨季施工部署第三节技术措施第一章工程概况及特点第一节工程概况一、概述1、工程名称:XXXX广场基坑支护、降水工程2、建设单位:XX实业(XX)3、专业设计单位:XX综合勘察设计研究院4、工程地点:XX市XX街与XX街十字东北角5、工程规模:基坑面积:21284m2,基坑底标高-20.80m(相对绝对高程385.900)。
桩间锚喷支护施工方案一、基坑开挖与修坡基坑土方开挖: 基坑土方开挖应分步进行, 分步开挖深度主要取决于暴露坡面的直立能力, 为给锚喷网施工提供良好的工作条件, 每层挖深1.5m~2m, 不允许超深开挖。
开挖长度应根据交叉施工期间能保持坡面稳定的前提决定, 一般在开挖的长度为15m~20 m。
边坡开挖应最大限度地减少对支护土层的扰动, 并严格按规定修坡, 防止因分层开挖的误差引起最终基坑外形尺寸的不足。
修坡:边坡修整与基坑开挖协调进行, 基坑开挖挖出15~20米后, 进行修坡。
根据施工具体条件, 可采用人字梯或者搭设一层脚手架对较高处的边破修整。
鉴于本工程实际情况, 修坡时将大量的虚土认真清除, 不得影响结构施工。
修坡产生的余土用小推车及时运到开挖部位, 以便土方机械挖除。
二、剔凿护坡桩本工程桩间护坡设计采用Φ8、Φ6钢筋网片加喷射混凝土护坡, 钢筋网片与护坡桩钢筋焊接固定, 挂网之前要进行剔凿护坡桩。
护坡桩剔凿采用风镐剔凿为主, 钢筋錾子剔凿为辅。
剔凿时要将钢筋全部露出, 以便网片钢筋与护坡桩钢筋良好连接。
三、挂网按要求修整坡面后, 挂钢筋网片。
钢筋网片为8@200200, 6@200200。
钢筋网片与护坡桩主筋焊接牢固, 和梅花型绑扎。
搭接长度为30cm。
网片安设要横平竖直, 不得倾斜安设, 要与喷射混凝土层的厚度一致, 不得露筋。
四、喷射混凝土上述工序完成后, 即可喷混凝土, 喷射混凝土是借助喷射机和使用压缩空气将按一定比例配合的拌合料通过管道输送并以高速喷射到边坡受喷面上, 凝结后与钢筋网形成薄壁钢筋混凝土板墙。
混凝土厚度按设计要求为80~100mm, 强度为C30。
喷射混凝土时喷枪口与受喷面距离保持在1~1.2m为宜, 避免因距离过大而影响受喷面混凝土的密实度, 距离过小而造成过多的混合料反弹损失。
五、设置测点监测要设置测点, 在施工期间和竣工前定期观测。
一是地面下沉值, 二是坡面位移值, 现场监控测量对喷锚网支护技术尤为重要, 通过监测, 随时掌握边坡的稳定状态、安全程度, 为设计和施工提供信息, 以便随时修改设计和施工方案, 达到设计和施工最优化。
桩锚支护建筑术语。
当一个建筑物施工时,如果需要开挖的基础很深,基坑边的土容易倒塌。
为了能正常施工,就必须对基坑进行支护。
桩锚支护就是支护方法之一。
在开挖前沿基坑周边打一圈竖直的桩,用桩来阻挡土的坍塌。
为防止开挖时桩倒塌,用水平方向的锚杆来拉住桩。
锚杆也可以看作是水平方向的桩。
桩和锚杆共同构成的支护体系就叫桩锚支护。
灌注桩钻孔机利用取土或挤土装置在地层桩位上成孔,然后灌注混凝土成桩的桩工机械。
适用于除流动淤泥层以外的一切土层成孔。
钻孔机多以履带式挖掘机(或起重机)的底盘为底架,其上设置龙门导杆,作为钻凿工具的支承,并引导钻孔方向。
挖掘机的发动机常作为钻孔机的动力装置。
钻孔机按成孔方法,分螺旋式、冲抓式、潜水式和振动式四种,前三者属取土成孔,后一种属挤土成孔,还有综合上述多种方法的综合钻孔机。
螺旋式钻孔机用于民用和小型工业建筑,利用螺旋钻杆钻孔,螺杆通过上、下导架支承于桩架导杆上,其上端有驱动螺杆钻进的动力头,下端装带硬合金刀刃的钻头,作业时钻渣沿螺杆导槽自动排出,所钻桩孔孔壁规则,不需护壁或清洗孔底,钻至设计深度后,提出钻杆,即可灌注混凝土。
此外,还有短螺旋钻孔机和有双刀管、双螺旋及底部扩孔刀的冻土钻孔机。
前者专用于爆扩成孔及孔底成形;后者适用于严寒冻土,并能将孔底扩大,增加桩的承载力。
冲抓式钻孔机用于大型工业建筑和桥梁施工,可在土石混合地层、卵石或岩石地层上成孔。
利用钻具冲击岩石,使之破碎,然后抓石出渣,达到成孔目的。
由机架、卷扬机和钻抓工具组成。
钻抓工具有螺旋钻、抓锥和冲锥三种,可根据土质拆换使用。
在地下水位较高的泥质地区,采用螺旋钻,钻渣用压力水冲成泥浆排出。
抓锥形如抓铲,单索操纵,可抓掘石块和卵石。
冲锥有一定重量,下端有刀刃,用于冲凿岩石及坚土。
潜水式钻孔机用于沿海软土地区的桩基础施工,由潜水电动机、行星齿轮减速器和笼式钻头等组成。
电动机通过减速器驱动5~7个钻头切削土壤,同时将压力水沿水管从钻头尖部射出,使钻渣成泥浆排出。
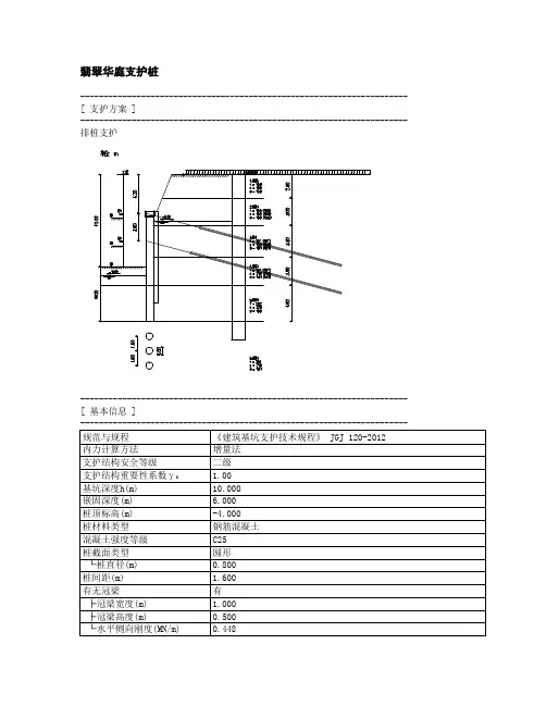
翡翠华庭支护桩---------------------------------------------------------------------- [ 支护方案 ]---------------------------------------------------------------------- 排桩支护---------------------------------------------------------------------- [ 基本信息 ]---------------------------------------------------------------------- [ 放坡信息 ]---------------------------------------------------------------------- [ 超载信息 ]---------------------------------------------------------------------- [ 附加水平力信息 ]---------------------------------------------------------------------- [ 土层信息 ]---------------------------------------------------------------------- [ 土层参数 ]---------------------------------------------------------------------- [ 支锚信息 ]---------------------------------------------------------------------- [ 土压力模型及系数调整 ]---------------------------------------------------------------------- 弹性法土压力模型: 经典法土压力模型:---------------------------------------------------------------------- [ 工况信息 ]-------------------------------------------------------------------------------------------------------------------------------------------- [ 设计参数 ]-------------------------------------------------------------------------------------------------------------------------------------------- [ 设计结果 ]-------------------------------------------------------------------------------------------------------------------------------------------- [ 结构计算 ]---------------------------------------------------------------------- 各工况:内力位移包络图:地表沉降图:---------------------------------------------------------------------- [ 冠梁选筋结果 ]-------------------------------------------------------------------------------------------------------------------------------------------- [ 环梁选筋结果 ]-------------------------------------------------------------------------------------------------------------------------------------------- [ 截面计算 ]----------------------------------------------------------------------钢筋类型对应关系:d-HPB300,D-HRB335,E-HRB400,F-RRB400,G-HRB500,P-HRBF335,Q-HRBF400,R-HRBF500---------------------------------------------------------------------- [ 锚杆计算 ]----------------------------------------------------------------------[ 锚杆自由段长度计算简图 ]---------------------------------------------------------------------- [ 整体稳定验算 ]----------------------------------------------------------------------计算方法:瑞典条分法应力状态:总应力法条分法中的土条宽度: 0.40m滑裂面数据圆弧半径(m) R = 16.031圆心坐标X(m) X = -1.231圆心坐标Y(m) Y = 9.902整体稳定安全系数 K s = 1.427 > 1.30, 满足规范要求。
FGH段地层信息:基坑深7。
3m ,桩锚支护,第一排锚杆2.2m, 第二排在4.7m处,角度30°.地层天然重度粘聚力内摩擦角土体与锚固体粘结强度标准值填土18.3 12 12 30粉质粘土19。
8 30 18 60全风化砾岩20.5 45 22 100土压力系数地层Ka Kp1填土0。
6558 0。
8098 1。
5252 1.2350 2粉质粘土0。
5278 0.7265 1。
8945 1。
37643全风化砾岩0。
4550 0.6745 2。
1981 1。
4826 一、)基坑示意图:1)基坑外侧主动土压力计算如下:(1)填土:填土顶部主动土压力强度:=q- 2=20x0.6558-2x12x0.8098=—6.32Kpa填土底部的主动土压力强度:=(+q)—2==(18。
3x10.5+20)x0。
6558-2x12x0.8098=119.69kpa(2)粉质粘土:粉质粘土顶部的主动土压力强度:= (*+q)—2==(18。
3x10。
5+20)x0.5278—2x12x0.7265=94.54kpa粉质粘土底部的主动土压力强度:=(*+*+q)-2= =(18。
3x10。
5+19。
8x1。
8+20)x0.5278—2x12x0。
7265=113。
35kpa (3)临界深度:=2/– q/=2x12/18。
3x0.8098—20/18。
3=0。
53m2)第一层锚杆计算:基坑开挖到5。
2m,设置第一排锚杆的水平分力为T1。
1)此时基坑开挖深度为,基坑外侧底部的主动土压力强度:=(*+q)—2=(18。
3x5.2+20)x0.6558—2x12x0.8098=56。
09kpa 基坑内侧的被动土压力强度:= 2=2x12x1.2350=29.64kpa.=(—)+2= 18。
3x(10。
5-5。
2)x1.5252+2x12x1.2350=177.57kpa。
知:〈,<知铰点位于坑底与填土层间:设铰点为o,距离坑底y m。
况基坑平均挖深6m,在地道两头集水井处,基坑挖深8.2m,为深基坑作业。
由于基坑周边建筑物众多、管线密集,设计采用排桩锚拉基坑支护结构,以减小对周边构造物的影响。
1.基坑设计说明(1)围护结构类型砼管桩锚拉支护:在东、西两侧出入口外侧(远离道路中心线侧),全长范围内,采用砼管桩锚拉支护。
排桩采用φ500高强预应力砼管桩,设二层(局部三层)φs15.2@3000预应力钢绞线锚拉,坑壁挂φ6@200*200mm钢筋网,喷8cmC20砼面层。
注浆采用C20水泥净浆。
放坡挂网喷锚:横跨道路中心通道及东、西两侧出入口内侧(靠近道路中心线侧)采用放坡挂网喷锚支护。
放坡坡度为1:0.5,墙面为10cm厚C20喷射砼,内配φ8@200*200mm钢筋网。
一、砼管桩锚拉支护施工方案1、结构图示在隧道东西两幅靠近周边建筑物侧,为了保证周边建筑物安全,同时考虑到工期要求,采用高强预应力砼管桩锚拉支护。
管桩采用φ500高强预应力砼预制管桩,间距1.0米,2层(局部3层)预应力钢绞线锚拉。
详细结构见附件3:砼管桩锚拉支护结构剖面图。
2、施工工艺流程图施工准备静压支护管桩施工冠梁基坑开挖至锚索位施工锚索施工下一层直至坑底施工腰梁张拉锁定基坑封底3、工序详述1)施工准备施工放样:施工前,撒石灰放样出管桩外边轴线,按照设计间距定出管桩桩位。
项目技术管理人员应该对已定好的轴线进行复核,根据结构桩位图逐位校核,发现不符合要求的及时纠正。
管桩检验:管桩进场时必须进行查验、测量,按照管桩有关规范对管桩构造要求和设计图纸要求,对所有到场的桩尖进行测量,不满足设计和管桩规范要求的,责令其更换。
桩基摆位:采用山河智能液压静力压桩机ZYJ120型,功率15KW。
施工前对施工场地进行整平压实,桩机移动到相应桩位,垫实、对中、调平。
2)静压管桩用桩机自带吊索将管桩拖拽到桩位附近,慢慢提升使之逐渐垂直,直至脱离地面,人工扶持配合对中,施压固定,调整垂直度在设计要求内,施压压桩直至设计深度。
目录1绪论 (4)2 深基坑支护技术现状及发展趋势 (5)2.1 基坑工程发展概况 (5)2。
2 我国深基坑工程的主要特点及存在的主要问题 (6)2.3 深基坑支护的目的与要求 (7)2.4 基坑支护体系的选择原则 (7)2。
5 深基坑支护结构分类 (9)2。
6 各支护结构特性及适用条件 (9)2.7 基坑止水、降水体系和排水措施 (14)2。
8 深基坑开挖与支护工程程序 (15)2.9 基坑工程监测 (15)2。
10 深基坑工程事故分析 (16)2。
11 深基坑支护技术的发展趋势 (19)3 工程概况 (21)3.1 场地位置 (21)3。
2 自然条件 (21)3.3 地形与地貌 (21)3.4 地基岩〈土〉层特征 (21)3。
5 不良地质作用 (23)3。
6 地下水 (24)3。
7 本基坑特点 (24)3.8 设计依据 (24)4 基坑支护设计计算 (25)4.1 基坑支护设计的主要内容 (25)4。
2 水平荷载的计算 (25)1)主动土压力计算 (26)2)被动土压力计算 (30)3)档土结构内力计算 (33)4)灌注桩结构设计 (34)5)锚杆设计计算和验算 (37)6)整体稳定性验算 (47)总结 (51)参考文献 (52)致谢 (53)淮南万国广场深基坑桩锚支护设计摘要本设计为淮南万国广场深基坑桩锚支护设计.淮南万国广场位于淮南市国庆东路南侧、人民南路东侧,原淮南公交公司停车场及南侧地块.该项目的基坑外围近似呈梯形,基坑围护下口总长约900m。
根据结构图纸,本工程基础周边桩承台底板高程一般为—11.1m,地下室外墙厚度为300mm,基坑开挖深度在10m~12m之间。
本设计是根据国家于2012年最新发布的建筑基坑支护技术规程,在给定地质勘察报告的条件下,进行基坑支护设计,主要目的是掌握基坑支护的设计方法。
通过计算及综合考虑现场实际情况及经济效益基坑采用钻孔灌注桩加锚杆的桩锚支护结构。
设计根据朗肯土压力理论进行主被动土压力的计算,运用等值梁法进行内力计算。
第1篇一、工程概况本工程为某住宅小区地下室基坑支护工程,基坑深度约为6.0m,平面尺寸为100m×60m。
根据地质勘察报告,基坑周边土质主要为粉质黏土,地基承载力较低,需进行基坑支护以保证施工安全和周边环境稳定。
二、施工方案1. 工程特点(1)基坑深度较大,开挖过程中易出现坍塌现象。
(2)周边环境复杂,地下管线较多,需确保施工过程中管线安全。
(3)地质条件较差,地基承载力较低,需加强支护措施。
2. 施工工艺(1)施工顺序:土方开挖→桩基施工→基坑支护→地下结构施工。
(2)施工工艺流程:1)土方开挖:采用挖掘机进行土方开挖,确保开挖深度满足设计要求。
2)桩基施工:采用钻孔灌注桩,桩径为800mm,桩长根据地质条件确定。
3)基坑支护:采用锚索支护,锚索长度为8.0m,间距为2.0m×2.0m。
4)地下结构施工:根据设计要求进行地下结构施工。
3. 施工材料(1)锚索:采用高强度钢绞线,直径为15.24mm,强度等级为1860MPa。
(2)锚具:采用锚具连接锚索,保证锚索与锚杆的连接强度。
(3)钢筋:采用HRB400钢筋,直径为25mm。
(4)混凝土:采用C30混凝土。
4. 施工设备(1)挖掘机:用于土方开挖。
(2)钻孔机:用于桩基施工。
(3)锚索施工设备:用于锚索施工。
(4)混凝土搅拌车、输送泵:用于混凝土浇筑。
三、施工组织1. 施工人员组织(1)项目经理:负责整个工程的组织、协调和管理。
(2)技术负责人:负责技术指导和质量控制。
(3)施工员:负责现场施工管理和监督。
(4)安全员:负责施工现场安全管理工作。
2. 施工进度计划根据工程特点,制定合理的施工进度计划,确保工程按时完成。
(1)土方开挖:20天。
(2)桩基施工:30天。
(3)基坑支护:15天。
(4)地下结构施工:60天。
四、施工技术措施1. 土方开挖(1)开挖前,对周边环境进行勘察,确保地下管线安全。
(2)采用分层开挖,每层厚度不宜超过1.5m。
深基坑桩锚支护结构设计参数分析李柏生;张浩龙;朱彦鹏;周勇【摘要】结合工程实例具体分析桩锚支护结构设计参数对锚杆内力、长度、支护桩内力、支护桩嵌固深度和桩顶位移的影响,这些参数包括坑顶荷载的大小与作用区间、锚杆离坑顶的距离、锚杆孔径、锚杆锚固段长度和锚杆预应力取值.分析结果表明:坑顶荷载的大小与作用区间对锚杆轴力和支护桩内力影响明显;锚杆一般布置在离坑顶H/3的位置较为合理;锚杆锚固段长度与支护桩的嵌固深度相互影响,应该根据基坑地质情况和基坑周边环境条件综合确定;锚杆预应力对支护桩桩顶位移控制明显.%Taking an actual engineering project as an example, the influence of the design parameters of pile-anchor supporting structure on the internal force and length of its anchor, internal forces and embedded depth of its supporting pile, and pile top displacement of the supporting pile was analyzed in the concrete. These parameters included the value and action range of the load on the top of foundation pit, distance of anchor from its action position to the top of found ation pit, orifice diameter of the anchor, anchorage length, and prestress value of the anchor. The analysis result showed that the value and action range of the load on the top of foundation pit had noticeable influence on the axial force of the anchor and the internal forces of,pile supporting. It would be comparatively reasonable that the anchor was arranged at H/3 height from the top of foundation pit. Due to mutual influence between the anchorage length of the anchor and the embedded depth of the supporting pile, their value should be integrately determined according to the geological andenvironmental conditions around the foundation pit The prestress of anchor had significant control action on the pile top displacement of supporting pile.【期刊名称】《兰州理工大学学报》【年(卷),期】2013(039)001【总页数】6页(P109-114)【关键词】深基坑工程;桩锚支护结构;支护桩内力;锚杆锚固段长度;锚杆预应力【作者】李柏生;张浩龙;朱彦鹏;周勇【作者单位】甘肃省第五建设集团,甘肃天水741000;甘肃省第五建设集团,甘肃天水741000;兰州理工大学土木工程学院,甘肃兰州730050;兰州理工大学土木工程学院,甘肃兰州730050【正文语种】中文【中图分类】TU470.1在20世纪90年代至本世纪初,基坑开挖过程中的本身稳定性及其对周围既有建筑物和地下管线的影响都没有引起工程界的重视.这主要是因为当时基坑开挖深度都较浅,一般都在5m以内.如今,随着城市高层建筑的大量兴建,出现了越来越多的深基坑工程,再加上城市空间日益狭小,基坑周围往往还有别的既有建筑物、既有道路和地下管线,这就对基坑开挖提出了比较严格的要求.原因是首先不具备放坡开挖的条件,其次要考虑基坑开挖后土体卸载引起周边既有建筑物和地下管线等的变形.目前,基坑开挖支护较多采用土钉喷锚[1-2]、复合土钉支护结构[3-5]和排桩预应力锚杆[6-7]等.当基坑开挖对周边既有建筑物和地下管线的变形限制较严格时,采用排桩预应力锚杆支护结构是较为合理的支护措施.当然,排桩预应力锚杆支护结构相对于普通土钉喷锚、复合土钉支护结构其造价要高,而且施工工艺相对复杂,因为其影响因素较多.目前,针对排桩预应力锚杆支护结构的研究有理论分析[8-9]、数值模拟[10]和试验研究[11],主要还是结合工程实例进行数数值模拟和现场监测对比分析.这是因为排桩预应力锚杆支护结构的理论分析涉及预应力锚杆、支护结构和桩后土体的空间协同工作,分析难度较大,试验研究成本高,且受现场诸多条件的限制,实施难度也较大.本文针对单支点桩锚支护结构的广泛应用,结合某具体工程实例,讨论单支点桩锚支护结构的各设计参数对锚杆内力和长度、支护桩内力、支护桩嵌固深度和支护桩桩顶位移的影响,为设计施工提供合理性参考建议.1 单支点桩锚支护结构的设计理论目前,单支点桩锚支护结构的设计主要还是严格按照JGJ 120—2012《建筑基坑支护技术规程》[12]执行,其主要计算内容包括支点力、支护桩嵌固深度、预应力锚杆设计和桩的配筋计算.1.1 支点力Tc1计算支点力计算简图见图1,基坑底面以下支护结构设定弯矩零点位置至基坑底面的距离hc1可按式(1)确定.支点力Tc1可按式(2)计算.式中各符号的意义见文献[12].图1 支点力计算简图Fig.1 Schematic diagram of supporting force calcuation 1.2 支护桩嵌固深度计算支护桩嵌固深度计算简图见图2,其具体计算可按式(3)进行.预应力锚杆的设计可按JGJ 120—2012《建筑基坑支护技术规程》4.4进行,支护桩的内力和配筋计算可按JGJ 120—2012《建筑基坑支护技术规程》4.2和附录D 进行,在此不再详述.图2 支护桩嵌固深度计算简图Fig.2 Schematic diagram of embedding depth calculation of supporting pile2 工程概况某企业办公楼工程平面形状大致为矩形,长55.5m,宽50.1m;地上6层,地下1层,框架结构,拟采用桩筏联合基础.地下1层基础平面标高-3.900m,考虑地基处理厚度以后基坑开挖深度约6.0m.从现场周边环境看,基坑北侧有一围墙.基坑西侧左下角处紧邻一5层既有办公楼,其距坑边2.0m;该办公楼采用浅基础,基础埋深1.8 m.基坑南侧紧邻2.5m宽的马路.基坑东侧地势较为开阔.基坑开挖平面图如图3所示,考虑到基坑开挖过程的安全,对基坑周边局部位置采取支护措施.图3 基坑开挖平面图Fig.3 Plan view of foundation pit excavation3 基坑支护方案3.1 基坑支护土体参数基坑开挖设计深度6.0m,在开挖深度范围内共有3层土体,分别为杂填土、粉质粘土和砂质粉土,对应厚度依次为0.7、3.8、14.1m.依据该基坑的《岩土勘察报告》,其他参数选取见表1.表1 土体物理性质Tab.1 Physico-mechanical properties of soils土层序号重度γ/(kN·m-3)粘聚力c/kPa内摩擦角φ/(°)界面粘结强度τ/kPa 1 18 5 15 30 2 18 12 22 60 3 19 10 20 503.2 基坑支护结构设计经过比较分析,针对现场的实际情况,基坑西侧紧邻5层办公楼的位置采用排桩预应力锚杆支护,排桩之间采用土钉挂网喷射混凝土;基坑西侧、南侧采用土钉墙支护.此处仅讨论基坑西侧紧邻既有5层办公楼区域的排桩预应力锚杆的设计,依据JGJ 120—2012《建筑基坑支护技术规程》和JGJ 167—2009《湿陷性黄土地区建筑基坑工程安全技术规程》[13],该侧壁安全等级为一级.计算采用“深基坑支护结构设计软件V1.0”.计算过程中,既有办公楼的楼层荷载按每层10kPa考虑,设计嵌固深度4.0 m,桩距2.0m,基坑重要性取1.1.锚杆材料选用HRB400级精轧螺纹钢筋,直径28mm;锚杆孔径150mm,锚杆水平倾角10°,锚杆长度设计为11.5 m,其中锚固段长度8.0m;锚杆预应力设计值为100kN;锚杆设计在距离桩顶2.0m的位置.支护桩桩径800mm,混凝土强度等级C25,混凝土保护层厚度取50mm.3.3 支护桩桩顶位移估算取锚杆预应力设计值100kN,依据JGJ 167—2009《湿陷性黄土地区建筑基坑工程安全技术规程》,支护结构安全使用最大水平位移限值为2.5h×10-3,此处h 为基坑开挖深度,因此该支护结构桩顶最大水平位移限值为15mm.考虑预应力锚杆的预应力损失后,排桩预应力锚杆支护结构的桩顶水平位移可以估算如下.锚杆自由段长度lf=3.5m,锚杆张拉控制应力σcon=Ncon/A=240.2MPa.锚具回缩引起的预应力损失为σl1=aE/lf=57.1MPa;应力松弛引起的预应力损失为σl4=0.02σcon=4.8MPa;锚固体蠕变引起的预应力损失为σl6=0.2σcon=48.0MPa;预应力锚杆总应力损失为σl=109.9MPa.则锚杆预拉力Fp=(σcon-σl)A=80.2kN,锚杆作用点处水平位移桩顶处水平位移为估算出的桩顶水平位移满足该支护结构桩顶最大水平位移限值的要求.实际监测到的最终桩顶水平位移仅为2.8mm,说明预应力锚杆很好地限制了该侧基坑侧壁的水平位移.4 桩锚支护结构参数分析影响单支点深基坑桩锚支护结构的设计参数很多,具体有土体参数,如土体重度γ、粘聚力c、内摩擦角φ、土体与锚固体间的界面粘结强度τ;地面荷载q0;锚杆参数,如锚杆离支护桩顶部的距离d0、锚杆孔径r、预应力锚杆锚固段长度la和预应力值P;支护桩参数,如桩径D和混凝土强度等级.在上述参数中,土体参数针对具体的工程是不可改变的,支护桩的桩径D和混凝土强度等级一般也是常规取值,讨论这些参数对支护结构的影响意义不大.因此,为进一步了解各参数对支护结构设计的影响或者他们之间的相互关系,下面的计算保持其余参数不变,而计算某一参数的变化对其余相关量值的影响,以期所得结论能够对工程设计提供指导依据.4.1 坑顶荷载的大小与作用区间在采用桩锚支护结构的深基坑工程中,一般都紧邻既有建筑物,基坑的开挖施工需要充分考虑建筑物的安全.从计算理论上分析,既有建筑物对支护结构的影响都等效为地面荷载,地面荷载对支护结构的影响体现在两个方面:一方面是地面荷载本身的大小,另一方面是地面荷载的作用范围,即建筑物离坑顶边缘的距离.根据民用建筑框架结构在近似计算框架柱截面尺寸的荷载取法,楼层荷载一般按10~14kPa考虑.如果保持锚杆作用位置和支护桩的嵌固深度不改变,图4~9给出了地面荷载大小和作用范围变化对锚杆内力和支护桩内力的影响.由图4~9可知:图4 地面荷载大小与锚杆轴力的关系Fig.4 Relationship between ground load and axial force of anchor-bar图5 地面荷载大小对支护桩弯矩的影响Fig.5 Influence of ground load on bending moment of supporting pile图6 地面荷载大小对支护桩剪力的影响Fig.6 Influence of ground load on shear force of supporting pile图7 地面荷载离坑边的距离与锚杆轴力的关系Fig.7 Relationship between distance of ground load from foundation pit edge and axial force of anchor-bar图8 地面荷载离坑边的距离对支护桩弯矩的影响Fig.8 Influence of distance of ground load from foundation pit edge on bending moment of supporting pile1)锚杆的轴力随地面荷载的增加而逐渐增加,两者呈近似线性关系.当地面荷载为50kPa,锚杆轴力设计值为147.94kN;当地面荷载为100kPa,锚杆轴力设计值为284.5kN,此时如果仍然采用HRB400级钢筋,直径为28mm,锚杆本身的抗力为221.6kN,很显然此时单根锚杆已不能满足支点力的要求.解决上述问题的办法有两种,一是加大锚杆直径,提高单根锚杆的截面面积;二是减小支护桩的水平间距.图9 地面荷载离坑边的距离对支护桩剪力的影响Fig.9 Influence of distance of ground load from foundation pit edge on shear force of supporting pile 2)随着地面荷载的增加,支护桩的弯矩设计值也逐渐增大,当地面荷载小于90kPa,弯矩设计值的增加速度较快,此后增加速度变缓.从图6可以看出,尽管弯矩一直随地面荷载增加而增加,但是支护桩的剪力设计值却表现出先减小后增加的趋势.在本例分析中,当地面荷载为40kPa,支护桩的弯矩设计值为428.41kN·m,剪力设计值为252.42 kN.3)当地面荷载在坑顶周围满布时,锚杆轴力设计值最大,达到147.94kN.如果既有建筑物离坑顶有一定距离,锚杆轴力会大大减小.比如当此距离达到2.0m时,锚杆轴力设计值减小为111.97kN,而且当距离超过2.0m后,锚杆轴力减小的幅度会降低,这说明随着既有建筑物离坑顶距离的增加,锚杆轴力大小受到的影响逐渐降低.当此距离达到5.0 m时,锚杆轴力仅为85.93kN.因此,从工程经济的角度考虑,可以考虑将排桩预应力锚杆的支护方案变更为复合土钉预应力锚杆的联合支护方案.4)地面荷载离坑顶的距离对支护桩的弯矩和剪力设计值影响较为明显.其中,对支护桩弯矩的影响规律类似于对锚杆轴力的影响规律,即弯矩设计值随既有建筑物离坑顶距离的增加而逐渐降低;对支护桩剪力的影响该规律类似于地面荷载大小对支护桩剪力的影响规律.4.2 锚杆设计参数锚杆的设计参数主要包括锚杆离坑顶的距离d0、锚杆孔径r、锚杆锚固段长度la 和预应力值P.其中锚杆的作用位置即离坑顶的距离d0影响锚杆的轴力和支护桩的内力,而锚杆的孔径影响锚杆的长度,锚杆锚固段长度影响嵌固深度,锚杆预应力值影响桩顶位移.图10~15反映了这几者之间的关系,由图10~15可知:图10 锚杆离支护桩顶面的距离与锚杆轴力的关系Fig.10 Relaitonship between distance of anchor-bar from top of foundation pit and axial force of anchorbar图11 锚杆离支护桩顶面的距离对支护桩弯矩的影响Fig.11 Influence of distance of anchor-bar from top of foundation pit on bending moment of supporting pile图12 锚杆离支护桩顶面的距离对支护桩剪力的影响Fig.12 Influence ofdistance of anchor-bar from top of foundation pit on shear force of supporting pile图13 锚杆孔径大小与锚杆长度的关系Fig.13 Relaitonship between anchor-bar diameter and anchor-bar length图14 锚杆锚固段长度与支护桩嵌固深度的关系Fig.14 Relationship between anchorage length of anchorbar and embedding depth of supporting pile图15 锚杆预应力值与支护桩桩顶位移的关系Fig.15 Relationship between anchor-bar prestress and top displacement of supporting pile1)锚杆离坑顶的距离.根据深基坑排桩预应力锚杆支护结构的计算模型,在不考虑桩顶冠梁的作用条件下,排桩在锚杆支点以上相当于悬臂结构.所以从结构的受力状态考虑,锚杆不宜过于靠下,因为过于靠下会致使锚杆受力较大,而且在支点位置支护桩的弯矩和剪力都较大.该基坑深度6.0m,如果将锚杆设置在离坑顶2.0m的位置,锚杆轴力设计值为147.94kN,支护桩最大弯矩497.99kN·m,支护桩最大剪力279.19kN;当锚杆设置在离坑顶4.0m位置,锚杆轴力设计值为250.18kN,支护桩最大弯矩262.06kN·m,支护桩最大剪力370.68 kN.由此可见,随着锚杆作用位置的改变,支护桩最大弯矩和剪力的位置也发生改变.很显然,随着锚杆位置的下移,最大剪力的位置发生在锚杆支点处,而最大弯矩刚开始产生在锚杆作用位置与支护桩的嵌固端之间,但是在锚杆下移到3.5m以下后,支护桩的最大弯矩作用位置产生在锚杆支点处.由于支护桩的作用原理与民用建筑结构中的工程桩主要受压不同,此处的支护桩主要是承受水平推力,因此要充分利用嵌固部分土体的被动土压力,如果将锚杆设置过于靠下,土体的被动土压力则不能有效利用.一般来讲,对于单支点排桩支护结构,将锚杆设置在坑顶向下的H/3位置处是比较合理的.2)锚杆孔径.锚杆的设置长度受到多个因素的影响,包括孔径、锚杆水平倾角、锚杆穿越土层的性质、锚杆的受力大小和既有建筑物的基础型式.如果既有建筑物采用桩基,则锚杆的设置位置受上述因素的影响较小.如果建筑物采用筏基,则筏基下面很可能为卵石层,此时锚杆成孔较为困难.理论上讲,锚杆孔径越大,则锚杆受力越好,锚杆长度可以设计得越短,本例分析中锚杆孔径设计为150mm,此时锚杆长度设计为11.5m;而当锚杆孔径为90mm,锚杆长度须达到17.7m;当锚杆孔径为200mm时,锚杆长度可以减小为9.6m.而且由图13可见,锚杆孔径在超过130mm后,孔径的大小对锚杆长度的影响逐渐削弱.在实际工程中,锚杆孔径可以设计为130mm左右,这还需要考虑成孔机械的影响.如果既有建筑物的基础为筏板基础,锚杆一般紧贴筏板底面设置,此时可以将锚杆的水平倾角尽量设小,否则成孔过程中容易引起塌孔.3)锚杆锚固段长度.桩锚支护不同于悬臂式支护桩,后者的抗倾覆主要靠支护桩的嵌固段来实现,因此其在基坑深度超过5m以后应用时不够经济,而前者由于还有预应力锚杆的存在,因此可使支护桩的嵌固深度大大降低,从而使整体成本下降.由图14可以看出,随着预应力锚杆锚固段长度的增加,其提供的抗拔力相应增加,对应的抗倾覆弯矩增加,这样支护桩的嵌固深度就减小了.在实际工程中,有时候受到工程地质条件(如卵石层成孔困难)或周边环境条件(如有地下室或深埋管线,锚杆不能设计较长)的影响,这样可以考虑支护桩嵌固深度大一些,适当降低锚杆锚固段长度;相反,若锚杆允许设计较长,支护桩嵌固深度就可减小一些,因为桩长越大,施工成本越高.综合分析可知,应该根据基坑水文地质条件和周边环境条件综合确定锚杆锚固段长度和支护桩嵌固深度.4)锚杆预应力值.桩锚支护结构相比于悬臂桩和土钉等支护结构最大的优势就在于锚杆的预应力能有效限制基坑侧壁位移.由图15可知,锚杆预应力值设计为100kN时,桩顶计算位移为4.4mm;当锚杆预应力值设计仅为60kN时,桩顶计算位移为12.8mm,已经接近桩顶控制位移15mm;而当锚杆预应力值设计为160kN时,桩顶计算位移为1.2mm.从曲线的走势看,锚杆预应力减小时,桩顶位移增加的速率较快,当锚杆预应力值取较大数值时,桩顶位移减小得并不是十分明显,考虑到锚杆预应力施加越大,预应力损失越多,因此建议应该根据桩顶位移的控制水平来确定合理的预应力值,而且施加过程中要尽量采取措施以减小预应力损失.5 结论结合某工程实例详细分析深基坑桩锚支护结构设计的影响因素,具体包括地面荷载的大小和作用范围、锚杆离支护桩顶部的距离、锚杆孔径、锚杆锚固段长度和锚杆预应力取值.所得结论如下.1)地面荷载增大,锚杆轴力和支护桩弯矩均增大,而支护桩剪力则先减小后增大;地面荷载的作用位置距离坑顶边缘越远,锚杆轴力和支护桩弯矩都有明显减小趋势,而支护桩剪力则先减小后增大.在实际工程中,应该充分考虑既有建筑物离坑顶的距离,当此距离超过5.0m时,应该考虑更加经济的支护方案.2)锚杆的作用位置对锚杆支点反力和支护桩内力影响明显.根据计算分析和以往的工程经验,锚杆一般布置在离坑顶H/3的位置较为合理.3)锚杆锚固段长度在一定范围内越长,支护桩的嵌固深度将会越小;反之,支护桩嵌固深度越大,锚杆锚固段长度将会减小,二者相互影响.在实际工程中,应该充分考虑基坑水文地质条件和周边环境条件综合确定合理的锚杆锚固段长度和支护桩嵌固深度.4)对锚杆施加预应力是控制基坑侧壁位移最有效的手段,实际工程中锚杆预应力值的确定应该根据基坑的位移控制水平来确定,而且要采取多种措施尽量减少锚杆的预应力损失以获得尽可能大的有效预应力.参考文献:[1]朱彦鹏,李忠.深基坑土钉支护稳定性分析方法的改进及软件开发[J].岩土工程学报,2005,27(8):939-943.[2]张百红,李国富,韩立军.基坑土钉支护设计的简单算法研究[J].岩土力学,2008,29(11):3041-3046.[3]周勇,朱彦鹏.兰州地区深基坑支护技术探讨[J].兰州理工大学学报,2007,33(5):109-113.[4]汤连生,宋明健,廖化荣,等.预应力锚索复合土钉支护内力及变形分析[J].岩石力学与工程学报,2008,27(2):410-417.[5]董诚,郑颖人,陈新颖,等.深基坑土钉和预应力锚杆复合支护方式的探讨[J].岩土力学,2009,30(12):3793-3796,3802.[6]朱彦鹏,魏升华.深基坑支护桩与土相互作用的研究[J].岩土力学,2010,31(9):2840-2844.[7]严薇,曾友谊,王维说.深基坑桩锚支护结构变形和内力分析方法探讨[J].重庆大学学报,2008,31(3):344-348.[8]武崇福,李长洪,毕鑫,等.深基坑预应力锚杆轴力分布研究[J].建筑结构,2011,41(8):134-137,91.[9]聂庆科,胡建敏,吴刚.深基坑双排桩支护结构上的变形和土压力研究[J].岩土力学,2008,29(11):3089-3094.[10]周念清,唐益群,娄荣祥,等.徐家汇地铁站深基坑降水数值模拟与沉降控制[J].岩土工程学报,2011,33(12):1950-1956.[11]李涛,钱霄,宋常军,等.砂卵石地层桩锚支护结构稳定性实例研究[J].中国安全生产科学技术,2011,7(1):19-24.[12]中华人民共和国建设部.JGJ 120—2012 建筑基坑支护技术规程[S].北京:中国建筑工业出版社,2012.[13]中华人民共和国建设部.JGJ 167—2009 湿陷性黄土地区建筑基坑工程安全技术规程[S].北京:中国建筑工业出版社,2009.。
桩-锚支护技术的发展与完善,为各地区深基坑支护提供了新思路,桩-锚支护是一种将排桩与锚索(杆)结合在一起的新型支护模式,利用锚索(杆)的作用将土体土压力转化为稳定的岩土,使排桩在锚索作用下不发生变形,以减少排桩埋深,提高支护效果。
在高层建筑结构中,结构的楼层数量、高度在持续增加,因此,为了建造出坚固的建筑基础,就必须要加大基础的埋深,与之相对应建筑基坑的开挖范围、深度也会越来越大。
特别是随着城市化进程的推进,很多老旧建筑被推倒,一座座高楼拔地而起。
在此背景下,我国已逐步开展了基坑工程的相关研究,并面临着诸多的难点与挑战,为避免基坑开挖对周边构筑物结构的稳定性造成影响,本文将基于桩-锚支护结构的应用,开展基坑支护施工的研究,从而控制基坑施工中周边建筑物的不均匀沉降,实现对基坑工程项目施工的规范化。
1桩-锚支护结构在深基坑支护工程中的应用1.1水泥土搅拌桩施工为实现对深基坑的支护,引入桩-锚支护结构施工工艺,首先完成对水泥土搅拌桩的施工。
在施工前,需要使用深层搅拌桩基进行钻孔,再向空洞中喷浆搅拌土体。
按照“放线→定位→浆液配制→送浆→钻进→提升喷浆→反复搅拌→反复喷浆→插入加筋材料→位移”的步骤进行具体的施工作业。
移动旋喷式搅拌器至指定位置,调整中心位置[1]。
在地表起伏较大的情况下,必须对四条支腿的高度位置进行调整,以保证井架竖直度在设计值之内。
通常情况下,对中误差在20mm 以内,搅拌轴垂直度偏差在1.0%以内。
在配制浆液时,将水泥浆液的配合比设置为水泥:水=1:0.6~0.7。
在使用水泥砂浆前必须充分搅拌,在确定搅拌均匀的情况下才能够使用。
为解决水泥和易性问题,可在浆料制备中适量添加微量外加剂。
在送浆之前,先将配制好的水泥浆进行过滤,然后将滤出的水泥浆注入储浆槽,开动灰浆泵,将水泥浆送至搅拌头。
在泥浆从钻头中喷出的时候,立刻启动桩机搅拌头,并使用向下旋转的方法来搅拌。
将搅拌头由桩头反向旋转,使搅拌速度均匀,不断将水泥浆喷到地上[2]。
基坑支护设计方案一、工程概述本次基坑工程位于具体地点,周边环境较为复杂。
基坑占地面积约为X平方米,开挖深度为X米。
基坑周边存在既有建筑物、道路及地下管线等,对基坑变形控制要求较高。
二、工程地质与水文地质条件(一)工程地质条件根据地质勘察报告,场地土层自上而下依次为:1、填土:厚度约为X米,结构松散,工程性质较差。
2、粉质黏土:厚度约为X米,可塑状态,具有一定的承载能力。
3、粉土:厚度约为X米,稍密状态,透水性较强。
4、砂土:厚度约为X米,中密状态,工程性质较好。
(二)水文地质条件场地地下水类型主要为潜水,水位埋深约为X米。
地下水主要接受大气降水及周边河流的侧向补给,排泄方式以蒸发和侧向径流为主。
三、基坑支护方案选择综合考虑工程地质条件、周边环境、开挖深度及工程造价等因素,本基坑拟采用以下支护方案:(一)土钉墙支护对于基坑上部土质较好、开挖深度较浅的区域,采用土钉墙支护。
土钉墙由土钉、钢筋网及喷射混凝土面层组成,通过土钉与土体之间的摩擦力及土体的抗剪强度来维持基坑的稳定。
(二)桩锚支护对于基坑下部土质较差、开挖深度较大的区域,采用桩锚支护。
桩锚支护由灌注桩、锚杆及冠梁组成,灌注桩承受土压力,锚杆提供锚固力,共同保证基坑的安全。
(三)止水帷幕为防止地下水渗入基坑,在基坑周边设置止水帷幕。
止水帷幕采用深层搅拌桩或高压旋喷桩,形成连续的隔水墙体。
四、土钉墙支护设计(一)土钉设计土钉采用钢筋制作,直径为X毫米,长度根据不同部位分别为X 米至X米。
土钉水平间距为X米,垂直间距为X米,呈梅花形布置。
(二)钢筋网设计钢筋网采用直径为X毫米的钢筋,网格间距为X毫米×X毫米。
钢筋网与土钉之间通过焊接连接。
(三)喷射混凝土面层设计喷射混凝土面层强度等级为 C20,厚度为X毫米。
混凝土配合比应根据试验确定,确保其强度和耐久性。
五、桩锚支护设计(一)灌注桩设计灌注桩直径为X毫米,桩间距为X米。
桩身混凝土强度等级为 C30,钢筋笼主筋采用 HRB400 级钢筋。
翡翠华庭支护桩---------------------------------------------------------------------- [ 支护方案 ]---------------------------------------------------------------------- 排桩支护---------------------------------------------------------------------- [ 基本信息 ]---------------------------------------------------------------------- [ 放坡信息 ]---------------------------------------------------------------------- [ 超载信息 ]---------------------------------------------------------------------- [ 附加水平力信息 ]---------------------------------------------------------------------- [ 土层信息 ]---------------------------------------------------------------------- [ 土层参数 ]---------------------------------------------------------------------- [ 支锚信息 ]---------------------------------------------------------------------- [ 土压力模型及系数调整 ]---------------------------------------------------------------------- 弹性法土压力模型: 经典法土压力模型:---------------------------------------------------------------------- [ 工况信息 ]-------------------------------------------------------------------------------------------------------------------------------------------- [ 设计参数 ]-------------------------------------------------------------------------------------------------------------------------------------------- [ 设计结果 ]-------------------------------------------------------------------------------------------------------------------------------------------- [ 结构计算 ]---------------------------------------------------------------------- 各工况:内力位移包络图:地表沉降图:---------------------------------------------------------------------- [ 冠梁选筋结果 ]-------------------------------------------------------------------------------------------------------------------------------------------- [ 环梁选筋结果 ]-------------------------------------------------------------------------------------------------------------------------------------------- [ 截面计算 ]----------------------------------------------------------------------钢筋类型对应关系:d-HPB300,D-HRB335,E-HRB400,F-RRB400,G-HRB500,P-HRBF335,Q-HRBF400,R-HRBF500---------------------------------------------------------------------- [ 锚杆计算 ]----------------------------------------------------------------------[ 锚杆自由段长度计算简图 ]---------------------------------------------------------------------- [ 整体稳定验算 ]----------------------------------------------------------------------计算方法:瑞典条分法应力状态:总应力法条分法中的土条宽度: 0.40m滑裂面数据圆弧半径(m) R = 16.031圆心坐标X(m) X = -1.231圆心坐标Y(m) Y = 9.902整体稳定安全系数 K s = 1.427 > 1.30, 满足规范要求。