基坑支护设计说明及计算书 2
- 格式:doc
- 大小:280.50 KB
- 文档页数:13
目录............................................ 错误!未定义书签。
第一部分基坑支护设计方案说明 . (4)1 工程概况 (4)1。
1 一般概况.................................. 错误!未定义书签。
1.2 项目概况 (4)1.3 环境概况 (4)1。
4 基坑安全等级 (4)2 地质资料 (5)2.1 地形地貌 (5)2.2 工程地质 (5)2.3 水文概况 (5)2。
4 不良地质条件 (5)2.5 地质参数 (5)3 支护方案设计 (6)3。
1设计使用规范 (6)3.2设计资料依据 (6)3.3 支护方案 (6)4 基坑支护结构设计计算 (6)4。
1 计算方法 (7)4.2 计算条件 (7)4。
3 计算结果 (7)5 支护结构施工技术要求 (7)5。
1 施工流程 (7)5。
2 水泥土搅拌桩施工技术要求 (8)5.3 喷射混凝土施工技术要求 (7)5.4 土方开挖技术要求 (9)5。
5 基坑降排水 (10)6 其它注意事项 (10)7 监测要求及内容 (11)7.1 监测技术要求 (11)7.2 监测内容 (11)7.3监测要求 (12)8 质量检测 (12)9 应急措施 (12)9.1支护结构体系方面的应急处理措施 (12)9.2地下水方面的应急处理措施 (13)9。
3环境保护方面的应急处理措施 (13)9。
4应急资源 (13)10 备注 (14)第二部分基坑支护设计计算书 (15)1.AB段剖面计算 (15)2。
BC段剖面计算 (17)3。
CD段剖面计算 (19)4.DE段剖面计算 (21)5.EA段剖面计算 (23)第一部分基坑支护设计方案说明1 工程概况1.2 项目概况⑴主体建筑总用地面积约11654。
00m2左右,总建筑面积约54193.66m2左右,拟建建筑物共有5栋,地上6~34层,地下一层,结构形式为钢筋混凝土框架结构.⑵基坑规模基坑大致呈矩形。
基坑⽀护设计计算书桩锚设计计算书⼀、计算原理1.1 ⼟压⼒计算⼟压⼒采⽤库仑理论计算1.1.1 主动⼟压⼒系数()2sin sin cos cos++=φδφδφa K1.1.2 被动⼟压⼒系数()2sin sin cos cos+-=φδφδφpK1.1.3 主动⼟压⼒强度a a ajk K ChK e 2-=γ1.1.4 被动⼟压⼒强度p pp j k K ChKe 2+=γ1.2 桩锚设计计算1.2.1单排锚杆嵌固深度按照下式设计计算:02.1)(011≥-++∑∑ai a d T c pj p E h h h T E h γ式中,h p 为合⼒∑E pj 作⽤点⾄桩底的距离,∑E pj 为桩底以上基坑内侧各⼟层⽔平抗⼒标准值的合⼒之和,T c1为锚杆拉⼒,h T1为锚杆⾄基坑底⾯距离,h d 为桩⾝嵌固深度,γ0为基坑侧壁重要性系数,h a 为合⼒∑E ai 作⽤点⾄桩底的距离,∑E ai 为桩底以上基坑外侧各⼟层⽔平荷载标准值的合⼒之和。
1.2.2 多排锚杆采⽤分段等值梁法设计计算,对每⼀段开挖,将该段状上的上部⽀点和插⼊段弯矩零点之间的桩作为简⽀梁进⾏计算,上⼀段梁中计算出的⽀点反⼒假定不变,作为外⼒来计算下⼀段梁中的⽀点反⼒,该设计⽅法考虑了实际施⼯情况。
1.3 配筋计算公式为:钢筋笼配筋采⽤圆形截⾯常规配筋,并根据桩体实际受⼒情况,适当减少受压⾯的配筋数。
sy cm cm s y A f A f A f A f 32/2sin 25.1++=ππαα()tsy cm s r f Arf KSM A παπαπππαsin sinsin 323+-=α225.1-=t式中,K 为配筋安全系数,S 为桩距,M 为最⼤弯矩,r 为桩半径,f cm 和fy 分别为混凝⼟和钢筋的抗弯强度,As 为配筋⾯积,A 为桩截⾯⾯积,α对应于受压区混凝⼟截⾯⾯积的圆⼼⾓与2π的⽐值,⽤叠代法计算As 。
安康市张岭廉租房六、七号楼边坡工程支护设计计算书设计:魏小勇审核:张海峰审定:张忠永西北综合勘察设计研究院二○一二年四月1目录一、边坡整体稳定性计算简图 (2)二、17米长抗滑动桩计算 (2)三、21米抗滑动桩验算 (8)四、抗滑桩桩顶冠梁计算书 (15)五、BC段弹性地基梁计算书 (20)六、AB段已有抗滑桩验算 (24)七、埋入式锚固梁计算书 (33)1一、边坡整体稳定性计算简图二、17米长抗滑动桩计算------------------------------------------------------------------------ 原始条件:2墙身尺寸:桩总长: 17.000(m)嵌入深度: 6.000(m)截面形状: 方桩桩宽: 1.600(m)桩高: 2.200(m)桩间距: 4.400(m)嵌入段土层数: 1桩底支承条件: 铰接计算方法: M法土层序号土层厚(m) 重度(kN/m3) 内摩擦角(度) 土摩阻力(kPa) M(MN/m4) 被动土压力调整系数1 50.000 21.000 40.00 180.00 25000.000 1.000初始弹性系数A: 50.000(MN/m3)初始弹性系数A1: 30.000(MN/m3)桩前滑动土层厚: 11.000(m)锚杆(索)参数:锚杆道数: 1锚杆号锚杆类型竖向间距水平刚度入射角锚固体水平预加筋浆强度( m ) ( MN/m ) ( 度 ) 直径(mm) 力(kN) fb(kPa)1 锚索 0.100 8.810 30.00 150 400.00 2100.00物理参数:桩混凝土强度等级: C30桩纵筋合力点到外皮距离: 35(mm)桩纵筋级别: HRB400桩箍筋级别: HPB235桩箍筋间距: 200(mm)挡土墙类型: 一般挡土墙墙后填土内摩擦角: 23.000(度)墙背与墙后填土摩擦角: 18.000(度)墙后填土容重: 19.200(kN/m3)横坡角以上填土的土摩阻力(kPa): 35.00横坡角以下填土的土摩阻力(kPa): 40.00坡线与滑坡推力:坡面线段数: 1折线序号水平投影长(m) 竖向投影长(m)1 0.000 0.000地面横坡角度: 0.000(度)墙顶标高: 0.000(m)参数名称参数值推力分布类型梯形梯形荷载(q1/q2) 0.510桩后剩余下滑力水平分力 1180.000(kN/m)桩后剩余抗滑力水平分力 0.000(kN/m)采用土压力计算时考虑了桩前覆土产生的被动土压力3覆土重度(kN/m3): 19.000覆土内摩擦角(度): 18.000覆土粘聚力(kPa): 10.000覆土被动土压力调整系数: 1.000钢筋混凝土配筋计算依据:《混凝土结构设计规范GB 50010--2002》注意:内力计算时,滑坡推力、库仑土压力分项(安全)系数 = 1.000=====================================================================第 1 种情况: 滑坡推力作用情况[桩身所受推力计算]假定荷载梯形分布桩后: 上部=318.834(kN/m) 下部=625.166(kN/m)桩前: 上部=0.000(kN/m) 下部=0.000(kN/m)桩前分布长度=11.000(m)(一) 桩身内力计算计算方法: m 法背侧——为挡土侧;面侧——为非挡土侧。
基坑支护设计计算书设计方法原理及分析软件介绍基坑开挖深度为6m,采用板桩作围护结构,桩长为12m,桩顶标高为-1m。
采用《同济启明星2006版》进行结构计算。
5.1 明开挖,6m坑深支护结构计算(1)工程概况基坑开挖深度为6m,采用板桩作围护结构,桩长为12m,桩顶标高为-1m。
q=0(1b 素填土)1.3hw=1(4 粘土)D=7H=6(6b 淤泥质粘土)(6c 粉质粘土)板桩共设1道支撑,见下表。
2中心标高(m) 刚度(MN/m) 预加轴力(kN/m)-1.3 30基坑附近有附加荷载如下表和下图所示。
h 1x 1s 45(2)地质条件场地地质条件和计算参数见表1。
地下水位标高为-1m。
渗透压缩层厚重度43) k(kN/m) c(kPa) m(kN/m土层 ,(:) 系数模量 max3(m) (kN/m) (m/d) (MPa)1.3 19 9.28 14.88 1500 1b 素填土2.7 18.4 12 17 3500 4 粘土7.5 17.8 5 10 1000 6b 淤泥质粘土3.5 18.9 15.5 13 3000 6c 粉质粘土2 19.7 18.5 14.5 5000 7 粉质粘土8 粉质粘土 13 20.4 19 18 7000(3)工况支撑刚度预加轴力工况编号工况类型深度(m) 支撑编号 2(MN/m) (kN/m)1 1.5 开挖2 1.3 30 1 加撑3 6 开挖4 2.5 1000 换撑5 1 拆撑工况简图如下:1.31.52.56工况 1工况 2工况 3工况 4工况 5(4)计算Y整体稳定验算O(1b 素填土)X(4 粘土)76(6b 淤泥质粘土)(6c 粉质粘土)(7 粉质粘土)(8 粉质粘土)安全系数 K=1.56 ,圆心 O( 1.19 , 1.45 ) 墙底抗隆起验算(1b 素填土)1(4 粘土)76(6b 淤泥质粘土)(6c 粉质粘土)(7 粉质粘土)(8 粉质粘土)Prandtl: K=2.83Terzaghi: K=3.23(1b 素填土)1.3m1(4 粘土)76(6b 淤泥质粘土)(6c 粉质粘土)(7 粉质粘土)(8 粉质粘土)坑底抗隆起验算 K=1.81抗倾覆验算(水土合算)(1b 素填土)1.3O1(4 粘土)76(6b 淤泥质粘土) 9924.610.8 914.3(6c 粉质粘土)(7 粉质粘土)Kc=1.22抗管涌验算: 159#按砂土,安全系数K=2.25按粘土,安全系数K=3.054包络图 (水土合算, 矩形荷载)500-502001000-100-200100500-50-100000 110.2kN/m222444666888101010121212141414深度(m)深度(m)深度(m)水平位移(mm)弯矩(kN*m)剪力(kN) Max: 42.8-8.3 ~ 183.2-46.6 ~ 66.2(5)工字钢强度验算: 159#基本信息计算目标:截面验算截面受力状态:绕X轴单向受弯材料名称:Q2352 材料抗拉强度(N/mm):215.02 材料抗剪强度(N/mm):125.0弯矩Mx(kN-m):229.000 截面信息截面类型:工字钢(GB706-88):xh=I40b(型号)截面抵抗矩33 Wx(cm): 1140.000 Wx(cm): 1140.000 1233 Wy(cm): 96.200 Wy(cm): 96.200 12截面塑性发展系数γx: 1.05 γx: 1.05 12γy: 1.20 γy: 1.20 12截面半面积矩33 S(cm): 678.600 S(cm): 92.704 xy13S(cm):84.891 y2 截面剪切面积22 A(cm): 94.110 A(cm): 94.110 xy截面惯性矩44 I(cm): 22800.000 I(cm): 692.000 xy截面附加参数参数名参数值x: I40b(型号) h分析结果2 最大正应力σ:191.312(N/mm)2 |σ= 191.3|?f = 215.0(N/mm) |f / σ|=1.124满足水平支撑系统验算:水平支撑系统位移图(单位:mm)水平支撑系统弯矩图(单位:kN.M)水平支撑系统剪力图(单位:kN)水平支撑系统轴力图(单位:kN) (6)钢腰梁强度验算:基本信息计算目标:截面验算截面受力状态:绕X轴单向受弯材料名称:Q2352 材料抗拉强度(N/mm):215.02 材料抗剪强度(N/mm):125.0弯矩Mx(kN-m):115.700 截面信息截面类型:工字钢组合Π形截面(GB706-88):xh=I40b(型号) 截面抵抗矩33 W(cm): 2280.000 W(cm): 2280.000 x1x233 W(cm): 2389.732 W(cm): 2389.732 y1y2截面塑性发展系数γ: 1.05 γ: 1.05 x1x2γ: 1.00 γ: 1.00 y1y2截面半面积矩33 S(cm): 1357.200 S(cm): 1646.925 xy截面剪切面积22 A(cm): 188.220 A(cm): 188.220 xy截面惯性矩44 I(cm): 45600.001 I(cm): 59026.381 xy截面附加参数参数名参数值x: I40b(型号) hw: 350(mm)分析结果2最大正应力σ:48.329(N/mm)2 |σ= 48.3|?f = 215.0(N/mm) |f / σ|=4.449满足(7)钢对撑强度及稳定性验算:基本输入数据构件材料特性材料名称:Q235构件截面的最大厚度:8.00(mm)2 设计强度:215.00(N/mm)2 屈服强度:235.00(N/mm)截面特性截面名称:无缝钢管:d=133(mm)无缝钢管外直径[2t?d]:133 (mm)无缝钢管壁厚[0,t?d/2]:8 (mm)缀件类型:构件高度:4.000(m)容许强度安全系数:1.00容许稳定性安全系数:1.00荷载信息轴向恒载设计值: 447.800(kN)连接信息连接方式:普通连接截面是否被削弱:否端部约束信息X-Z平面内顶部约束类型:简支X-Z平面内底部约束类型:简支X-Z平面内计算长度系数:1.00Y-Z平面内顶部约束类型:简支Y-Z平面内底部约束类型:简支Y-Z平面内计算长度系数:1.00 中间结果截面几何特性2 面积:31.42(cm)4 惯性矩I:616.11(cm) x3 抵抗矩W:92.65(cm) x回转半径i:4.43(cm) x4 惯性矩I:616.11(cm) y3 抵抗矩W:92.65(cm) y回转半径i:4.43(cm) y塑性发展系数γ1:1.15x塑性发展系数γ1:1.15y塑性发展系数γ2:1.15x塑性发展系数γ2:1.15y材料特性2 抗拉强度:215.00(N/mm)2 抗压强度:215.00(N/mm)2 抗弯强度:215.00(N/mm)2 抗剪强度:125.00(N/mm)2 屈服强度:235.00(N/mm)3 密度:785.00(kg/m)稳定信息绕X轴弯曲:长细比:λ=90.32 x轴心受压构件截面分类(按受压特性): a类轴心受压整体稳定系数: φ=0.711 x最小稳定性安全系数: 1.07最大稳定性安全系数: 1.07最小稳定性安全系数对应的截面到构件顶端的距离:0.000(m)最大稳定性安全系数对应的截面到构件顶端的距离:0.000(m)绕X轴最不利位置稳定应力按《钢结构规范》公式(5.1.2-1) N4478002,,200.3857N/mmA0.711,3142 x绕Y轴弯曲:长细比:λ=90.32 y轴心受压构件截面分类(按受压特性): a类轴心受压整体稳定系数: φ=0.711 y最小稳定性安全系数: 1.07最大稳定性安全系数: 1.07最小稳定性安全系数对应的截面到构件顶端的距离:0.000(m)最大稳定性安全系数对应的截面到构件顶端的距离:0.000(m)绕X轴最不利位置稳定应力按《钢结构规范》公式(5.1.2-1) N4478002,,200.3857N/mmA0.711,3142 y强度信息最大强度安全系数: 1.51最小强度安全系数: 1.51最大强度安全系数对应的截面到构件顶端的距离: 0.000(m)最小强度安全系数对应的截面到构件顶端的距离: 0.000(m)计算荷载: 447.80kN受力状态:轴压最不利位置强度应力按《钢结构规范》公式(5.1.1-1)分析结果构件安全状态: 稳定满足要求,强度满足要求。
96#墩围檩、支撑计算96#墩桩基施工平台标高23.75m,施工水位19.5m,承台顶标高11.71m,承台底标高5.21m,封底混凝土厚度1.0m,基坑底标高4.21m,混凝土封底前基坑深度15.29m,封底后基坑深度14.29m。
96#墩承台尺22.9×29.2m,基坑采用长24.0mCO型钢管桩支护,围堰桩内侧净尺寸25.06×31.32m。
长边内支撑间距3.82+6.083+3.582+3.72+3.442+6.083+3.82=30.55m,短边内支撑间距3.825+6.59+3.442+6.59+3.825=24.273m。
H588×300×12×20mm 型钢,单根H588型钢的截面面积2310576.18mm A ⨯=、mm N g /102.14583-⨯=、43105.1132838mm I x ⨯=、331019.3853mm W x ⨯=、331045.2154mm S x ⨯=、mm d 12=。
H700×300×13×24mm 型钢,单根H700型钢的截面面积2310876.22mm A ⨯=、mm N g /107.17953-⨯=、43109.1946069mm I x ⨯=、331019.5560mm W x ⨯=、331039.3124mm S x ⨯=、mm d 13=。
一、围伶计算 1、第一、二道围伶(1) 横桥向,混凝土封底后第二道围伶计算根据基坑支护计算书,96#墩在混凝土封底后,第二道支撑土反力设计值mKN F/7.2124/76.618375.12=⨯=。
最大弯矩:m KN M .4.554max =,在支点3、6处。
最大剪力:KN Q 9.638m ax =,在支点3、6处。
支座反力:KN N N 2.21581==、KN N N 5.11662.5293.63772=+==、KNN N 2.11713.5329.63863=+==;KN N N 9.7776.3953.38254=+==抗弯强度:MPa MPa WM 20594.71)1019.38532(104.55436≤=⨯⨯⨯==σ,满足。
[ 支护方案 ]1-1剖面---------------------------------------------------------------------- 验算项目:---------------------------------------------------------------------- 天然放坡支护---------------------------------------------------------------------- [ 基本信息 ]---------------------------------------------------------------------- [ 放坡信息 ]---------------------------------------------------------------------- [ 超载信息 ]---------------------------------------------------------------------- [ 土层信息 ]----------------------------------------------------------------------[ 土层参数 ]---------------------------------------------------------------------- [ 基坑内侧花管参数 ]---------------------------------------------------------------------- [ 设计结果 ]-------------------------------------------------------------------------------------------------------------------------------------------- [ 整体稳定验算 ]----------------------------------------------------------------------天然放坡计算条件: 计算方法:瑞典条分法 应力状态:有效应力法基坑底面以下的截止计算深度: 0.00m基坑底面以下滑裂面搜索步长: 5.00m条分法中的土条宽度: 0.40m[ 验算简图 ]---------------------------------------------------------------------- [ 验算条件 ]---------------------------------------------------------------------- [ 基本参数 ]所依据的规程或方法:《建筑基坑支护技术规程》JGJ 120-2012基坑深度: 5.600(m)基坑内地下水深度: 6.100(m)基坑外地下水深度: 1.000(m)支护结构重要性系数: 1.100土钉荷载分项系数: 1.250土钉抗拔安全系数: 1.600整体滑动稳定安全系数: 1.300 土钉墙底面支锚轴向拉力经验系数ηb: 0.000[ 坡线参数 ]坡线段数 3序号水平投影(m) 竖向投影(m) 倾角(°)1 -0.000 3.600 90.02 1.500 0.000 0.03 4.000 2.000 26.6[ 土层参数 ]土层层数 5层号土类名称层厚重度浮重度粘聚力内摩擦角与锚固体摩阻力与土钉摩阻力水土(m) (kN/m^3) (kN/m^3) (kPa) (度) (kPa) (kPa)1 素填土 1.680 19.0 8.5 3.0 24.0 18.0 25.0 合算2 淤泥质土 2.500 18.5 9.0 5.0 5.5 16.0 20.0 合算3 粉土 1.400 19.5 9.0 15.0 8.0 28.0 32.0 合算4 粘性土 3.300 18.5 9.0 20.0 12.0 35.0 40.0 合算5 强风化岩 17.000 19.0 9.0 25.0 22.0 140.0 160.0 合算[ 超载参数 ]超载数 1序号超载类型超载值(kN/m) 作用深度(m) 作用宽度(m) 距坑边线距离(m) 形式长度(m)1 满布均布 20.000[ 土钉参数 ]土钉道数 4序号水平间距(m) 垂直间距(m) 入射角度(度) 钻孔直径(mm) 长度(m) 配筋1 1.200 2.300 20.0 90 15.000 1D222 1.300 1.000 20.0 90 12.000 1D223 1.300 1.000 20.0 90 9.000 1D224 1.300 1.000 20.0 90 6.000 1D22钢筋类型对应关系:d-HPB300,D-HRB335,E-HRB400,F-RRB400,G-HRB500,P-HRBF335,Q-HRBF400,R-HRBF500 [ 花管参数 ]基坑内侧花管排数 1序号横向间距(m) 纵向间距(m) 入射角度(度) 钻孔直径(mm) 长度(m) 发挥系数抗拉力(kN)1 1.200 0.000 90.0 205 4.000 1.000 100.0基坑外侧花管排数 0[ 锚杆参数 ]锚杆道数 0[ 坑内土不加固 ]*******************************************************************[ 验算结果 ]*******************************************************************[ 抗拔承载力验算结果 ]工况开挖深度破裂角支锚号支锚长度受拉荷载标准值抗拔承载力标准值抗拉承载力标准值安全系数(m) (度) (m) Nkj(kN) Rkj(kN) Rkj(kN) 抗拔抗拉1 2.500 54.0 02 3.500 52.2 1土钉 15.000 96.6 104.9 127.3 1.915 1.9323 4.500 51.3 1土钉 15.000 95.3 121.1 127.3 2.271 2.537 2土钉 12.000 94.4 107.4 127.3 2.138 2.349 4 5.500 50.9 1土钉 15.000 95.3 117.2 127.3 2.231 2.637 2土钉 12.000 49.3 103.6 127.3 2.100 2.581 3土钉 9.000 67.8 86.1 127.3 2.269 2.8775 5.600 50.8 1土钉 15.000 95.3 116.8 127.3 2.227 2.337 2土钉 12.000 49.3 103.2 127.3 2.092 2.581 3土钉 9.000 35.9 85.5 127.3 2.377 3.542 4土钉 6.000 8.6 64.2 127.3 7.456 14.791[ 整体稳定验算结果 ]工况号安全系数圆心坐标x(m) 圆心坐标y(m) 半径(m)1 1.282 -3.105 7.213 5.1542 1.320 -2.397 7.515 5.9213 1.369 -4.405 7.083 7.1754 1.421 -6.385 15.431 16.6085 1.382 -6.473 15.321 16.6146 1.375 -6.495 15.294 16.616[ 喷射混凝土面层计算 ][ 计算参数 ]厚度: 100(mm)混凝土强度等级: C20配筋计算as: 15(mm)水平配筋: d6@200竖向配筋: d6@200配筋计算as: 15荷载分项系数: 1.200[ 计算结果 ]编号深度范围荷载值(kPa) 轴向 M(kN.m) As(mm^2) 实配As(mm^2)1 0.00~ 2.30 17.4 x 2.337 238.3(构造) 335.1y 0.475 238.3(构造) 335.12 2.30~ 3.30 24.0 x 0.776 238.3(构造) 335.1 y 1.428 238.3(构造) 335.13 3.30~ 4.30 42.6 x 1.381 238.3(构造) 335.1y 2.540 238.3(构造) 335.14 4.30~ 5.30 46.2 x 1.497 238.3(构造) 335.1y 2.754 238.3(构造) 335.15 5.30~ 5.60 61.6 x 0.000 238.3(构造) 335.1y 0.693 238.3(构造) 335.1[ 抗隆起验算 ]1) 从支护底部开始,逐层验算抗隆起稳定性,结果如下:支护底部,验算抗隆起:Ks = 1.811 ≥ 1.600,抗隆起稳定性满足。
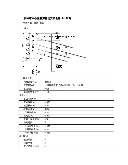
基坑支护方案附计算书(总55页)--本页仅作为文档封面,使用时请直接删除即可----内页可以根据需求调整合适字体及大小--吉林市中心医院深基坑支护设计 1-1剖面支护方案:排桩+锚索基本信息超载信息附加水平力信息土层信息土层参数支锚信息土压力模型经典法土压力模型:工况信息结构计算 各工况:内力位移包络图:地表沉降图:冠梁选筋结果截面计算:截面参数内力取值锚杆计算:锚杆参数锚杆自由段长度计算简图整体稳定验算计算方法:瑞典条分法应力状态:总应力法条分法中的土条宽度:滑裂面数据整体稳定安全系数 K s =圆弧半径(m) R =圆心坐标X(m) X =圆心坐标Y(m) Y =抗倾覆稳定性验算抗倾覆安全系数:M p——被动土压力及支点力对桩底的抗倾覆弯矩, 对于内支撑支点力由内支撑抗压力决定;对于锚杆或锚索,支点力为锚杆或锚索的锚固力和抗拉力的较小值。
M a——主动土压力对桩底的倾覆弯矩。
注意:锚固力计算依据锚杆实际锚固长度计算。
工况1:注意:锚固力计算依据锚杆实际锚固长度计算。
序号支锚类型材料抗力(kN/m) 锚固力(kN/m)1 锚索2 锚索3 锚索4 锚索K s = >= , 满足规范要求。
工况2:注意:锚固力计算依据锚杆实际锚固长度计算。
序号支锚类型材料抗力(kN/m) 锚固力(kN/m)1 锚索2 锚索3 锚索4 锚索K s = >= , 满足规范要求。
工况3:注意:锚固力计算依据锚杆实际锚固长度计算。
序号支锚类型材料抗力(kN/m) 锚固力(kN/m)1 锚索2 锚索3 锚索4 锚索K s = >= , 满足规范要求。
工况4:注意:锚固力计算依据锚杆实际锚固长度计算。
序号支锚类型材料抗力(kN/m) 锚固力(kN/m)1 锚索2 锚索3 锚索4 锚索K s = >= , 满足规范要求。
工况5:注意:锚固力计算依据锚杆实际锚固长度计算。
序号支锚类型材料抗力(kN/m) 锚固力(kN/m)1 锚索2 锚索3 锚索4 锚索K s = >= , 满足规范要求。
吉林市中心医院深基坑支护设计 1-1剖面支护方案:排桩+锚索基本信息土层参数支锚信息土压力模型经典法土压力模型:工况信息结构计算各工况:内力位移包络图:地表沉降图:冠梁选筋结果截面计算:截面参数内力取值锚杆计算:锚杆参数锚杆自由段长度计算简图整体稳定验算计算方法:瑞典条分法应力状态:总应力法条分法中的土条宽度: 0.50m滑裂面数据整体稳定安全系数 K s = 1.578圆弧半径(m) R = 10.595圆心坐标X(m) X = -3.545圆心坐标Y(m) Y = 5.750抗倾覆稳定性验算抗倾覆安全系数:M p——被动土压力及支点力对桩底的抗倾覆弯矩, 对于内支撑支点力由内支撑抗压力决定;对于锚杆或锚索,支点力为锚杆或锚索的锚固力和抗拉力的较小值。
M a——主动土压力对桩底的倾覆弯矩。
注意:锚固力计算依据锚杆实际锚固长度计算。
工况1:注意:锚固力计算依据锚杆实际锚固长度计算。
序号支锚类型材料抗力(kN/m) 锚固力(kN/m)1 锚索 0.000 0.0002 锚索 0.000 0.0003 锚索 0.000 0.0004 锚索 0.000 0.000K s = 24.127 >= 1.200, 满足规范要求。
工况2:注意:锚固力计算依据锚杆实际锚固长度计算。
序号支锚类型材料抗力(kN/m) 锚固力(kN/m)1 锚索 144.667 75.2672 锚索 0.000 0.0003 锚索 0.000 0.0004 锚索 0.000 0.000K s = 24.909 >= 1.200, 满足规范要求。
工况3:注意:锚固力计算依据锚杆实际锚固长度计算。
序号支锚类型材料抗力(kN/m) 锚固力(kN/m)1 锚索 144.667 75.2672 锚索 0.000 0.0003 锚索 0.000 0.0004 锚索 0.000 0.000K s = 5.683 >= 1.200, 满足规范要求。
适用文档第一章基坑边坡计算一、工程概略(一)土质散布状况①1杂填土( Q4ml):由粉质黏土混许多的碎砖、碎石子等建筑垃圾及生活垃圾构成。
层厚 0.50 ~ 4.80 米。
①2素填土( Q4ml):主要由软~可塑状粉质黏土夹少许小碎石子、碎砖构成。
层厚 0.40 ~ 2.90 米。
①3淤泥质填土( Q4ml):。
主要为原场所塘沟底部的淤泥,后经翻填。
散布无规律,局部散布。
层厚 0.80 ~2.30 米。
②1粉质黏土( Q4al):可塑,局部偏软塑,中压缩性,切面稍有光彩,干强度中等,韧性中等,土质不平均,该层散布不均,局部缺失。
层顶标高 5.00 ~ 13.85 米,层厚 0.50 ~ 8.20 米。
②2粉土夹粉砂( Q4al):中压缩性,干强度及韧性低。
夹薄层粉砂,具水平状堆积层理,单层厚 1.0 ~,局部富集。
该层散布不平均,局部缺失。
层顶标高 1.30 ~10.93 米,层厚 0.80 ~4.50 米。
②3含淤泥质粉质黏土( Q4al):软~流塑,高压缩性,干强度、韧性中等偏低。
局部夹少许薄层状粉土及粉砂,层顶标高 1.87 ~ 10.03 米,层厚 1.00 ~13.50 米。
②4粉质黏土(Q4al):饱和,可塑,局部软塑,中压缩性,层顶标高 -8.30 ~米,层厚 1.10 ~14.60 米。
③1粉质黏土 (Q3al) :可~硬塑,中压缩性。
干强度高,韧性高。
含少许铁质浸染斑点及许多的铁锰质结核。
该层顶标高-11.83 ~13.23 米,层厚 1.40 ~14.00 米。
③2粉质黏土 (Q3al) 可塑,局部软塑,中压缩性。
该层顶标高 -18.83 ~ 6.83 米,层厚 2.20 ~ 23.70 米。
④粉质黏土混砂砾石(Q3al):可塑,局部软塑,中偏低压缩性,干强度中等,韧性中等。
该层顶标高 -26.73 ~-10.64 米,层厚 0.50 ~6.50 米。
(二)支护方案的选择依据本工程现场实质状况,基坑各部位确立采纳以下支护举措1、 3#楼与 4#楼地下室相邻处,地下室间距,基坑底高差,土质散布○○○为 2 1、22、31土层,采纳土钉墙支护的方式。
同济启明星深基坑支挡结构设计计算软件FRWS 8.2工程名称:1-1一、工程概况基坑设计深度15.8m, 基坑安全等级为一级。
1.土层参数(26#)续表地下水位埋深:9.5m。
2.荷载工作荷载邻近荷载3.放坡4.挡土墙挡墙类型: 灌注桩;嵌入深度: 5.2m;混凝土等级: C30;桩径: 0.8m;桩间距: 1.6m;截水帷幕嵌入深度: 4.75m截水帷幕桩径: 0.85m截水帷幕搭接长度: 0.25m截水帷幕排数: 15.支撑和锚杆2018设0806.工况工况示意图工况信息表二、计算依据采用《北京市建筑基坑支护技术规程DB11/489-2016》进行设计计算。
并且1.整体稳定验算采用总应力法三、变形内力1.各工况变形内力7.开挖到15.8m 2.变形内力包络图四、整体稳定验算圆心(-6.32,-9.5),半径13.53m,滑动力51.4kN/m,抗滑力43.8kN/m圆心(-2.75,0),半径25.33m,滑动力1285.4kN/m,抗滑力7244.1kN/m圆心(-3.01,0),半径25.3m,滑动力2313.3kN/m,抗滑力6437.3kN/m圆心(-3.29,0),半径25.54m,滑动力3045kN/m,抗滑力5997.4kN/m圆心(-3.42,0),半径26.02m,滑动力3550.6kN/m,抗滑力5884.3kN/m 五、配筋M=1.25×1.1×Mk, V=1.25×1.1×Vk。
1.灌注桩0~19m六、锚杆承载力验算Rk/Nk应达到: 1.8;七、地表沉降计算方法: 同济抛物线模式1.各工况地表沉降7.开挖到15.8m八、渗透稳定性验算1.流土稳定性验算′应达到1.6同济启明星深基坑支挡结构设计计算软件FRWS 8.2工程名称:1a-1a一、工程概况基坑设计深度19.25m, 基坑安全等级为一级。
1.土层参数(26#)续表地下水位埋深:9.5m。
基坑支护设计方案工程名称:华阳市阳光佳苑设计单位:XXX建筑规划设计研究院有限公司施工单位:XXX有限公司编制日期:二O一三年七月十五目录第一章基坑支护设计的计算方法-----------------------------------------------4 第一节概述---------------------------------------------------------------------4 第二节静力平衡法------------------------------------------------------------4 第三节等值梁法---------------------------------------------------------------6 第二章设计任务及要求-----------------------------------------------------------9 第一节设计原始资料--------------------------------------------------------9一、工程概况------------------------------------------------------------------9二、设计条件------------------------------------------------------------------9第二节结构设计任务及要求-----------------------------------------------10一、任务------------------------------------------------------------------------12二、要求------------------------------------------------------------------------12 第三章结构方案设计说明--------------------------------------------------------14 第一节设计依据及规范-----------------------------------------------------14一、本项目相关资料--------------------------------------------------------14二、设计采用的规范--------------------------------------------------------14三、基坑设计环境控制标准-----------------------------------------------14第二节支护结构方案--------------------------------------------------------15一、方案设计指导思想-----------------------------------------------------15二、方案简介-----------------------------------------------------------------15 第四章基坑支护结构设计计算书-----------------------------------------------17 第一节土压力计算-----------------------------------------------------------17一、土压力系数计算--------------------------------------------------------17二、土压力计算--------------------------------------------------------------18第二节嵌固长度及水平锚固力计算--------------------------------------24一、土压力系数计算---------------------------------------------------------26二、锚杆长度计---------------------------------------------------------------26三、锚杆杆体材料计算------------------------------------------------------26四、桩长计算------------------------------------------------------------------26 第三节配筋计算--------------------------------------------------------------28 一、排桩配筋计算------------------------------------------------------------28 第四节验算------------------------------------------------------------------- 30一、抗倾覆稳定验算---------------------------------------------------------30二、抗隆起验算---------------------------------------------------------------30三、抗管涌验算---------------------------------------------------------------31第一章基坑支护设计的计算方法1.1概述计算板桩墙的常用方法,主要有自由端支撑法(静力平衡法)、弹性线法、等值梁法,后来又提出1/2分割法,矩形荷载经验法,太沙基法,均适用于基坑围护结构计算。
碧荷居项目住宅楼基坑支护工程设计方案计算书一、工程概况拟建碧荷居项目住宅楼地块位于广州市南沙区珠电路以北。
该场地拟建高层住宅,楼高17层,地下室一层,基础采用管桩基础。
本次设计基坑周长约512m,开挖深度约4.20~5.50m(考虑承台500mm厚,垫层100mm厚)。
建筑±0.00相当于绝对标高8.80m。
本次基坑设计侧壁安全等级为二级;基坑支护结构使用年限自支护结构完工之日起计为1年。
二、环境条件1、东侧:地下室外墙边线距用地红线最近处约10.5m,距周边5~10建筑物(管桩基础)最近处约19m,紧贴用地红线外有一埋深1.5m[400污水管;2、南侧:地下室外墙边线距用地红线最近处约10.3m,用地红线外为珠电路,距用地红线约15.8m有一埋深1.5m[400污水管;3、西南角:地下室外墙边线距用地红线最近处约6.3m,距6层建筑物(管桩基础)最近处约14.5m,用地红线外约5.6m有一埋深1.5m[400污水管;4、西侧:地下室外墙边线距用地红线最近处约5.2m,距周边5~6层建筑物(无地下室,管桩基础)最近处约31.7m,三倍坑深范围内无地下管线分布;5、北侧:地下室外墙边线距用地红线最近处约10.5m,距周边5~6层建筑物(管桩基础)最近处约19.9m,用地红线外约2m有一埋深1.5m[400污水管。
6、场地周边红线外均为现有水泥路。
三、地质水文条件(一)地形地貌场地交通便利,南面为珠电路,北面50米处为人工剥蚀地貌单元,场地出露地表多为花岗岩风化残积土。
(二)地层岩性特征钻探揭露表明,勘察区范围地基岩土层主要有如下几层:第四系人工填土层、第四系冲洪积层,第四系残积层,下石炭系大塘阶石蹬子组地层等。
以下为各岩层的分布及其工程地质特征描述:人工填土层<1>:黄褐色、灰褐色,组成物主要为人工堆填的残积粘性土和少量碎石块,欠压实。
第四系海陆交互相沉积层淤泥质土、淤泥<2>:灰黑色,饱和,流塑状,由粘粒、有机质组成,局部含少量贝壳和粉细砂,具高压缩性,具腥臭味,为松散状淤泥质细砂。
基坑工程计算书1 工程概况该基坑设计总深3.75m ,按一级基坑 、选用《国家行业标准—建筑基坑支护技术规程(JGJ120-2012)》进行设计计算。
1.1 土层参数地下水位埋深:2.00m 。
1.2 基坑周边荷载地面超载:0.0kPa 邻近荷载:邻近荷载的作用方式: 一。
2 开挖与支护设计基坑支护方案如图:基坑工程基坑支护方案图2.1 挡墙设计·挡墙类型:长12m*宽0.4m拉森钢板桩;·嵌入深度:8.050m;·露出长度:0.200m;·型钢型号:Q390bz-400×170;2.2 支撑(锚)结构设计本方案设置1道支撑(锚),各层数据如下:第1道支撑(锚)为平面内支撑,距墙顶深度0.500m,工作面超过深度1.500m,预加轴力0.00kN/m。
该道平面内支撑具体数据如下:·支撑材料:钢支撑;·支撑长度:30.000m;·支撑间距:5.000m;·与围檩之间的夹角:90.000°;·不动点调整系数:0.500;·型钢型号:@609*14;·根数:1;·松弛系数:1.000。
计算点位置系数:0.000。
2.3 工况顺序该基坑的施工工况顺序如下图所示:3 计算原理描述3.1 围护墙主动侧土压力计算3.1.1 朗肯主动土压力深度 z 处第i层土的主动土压力强度的标准值e ak,i按下列公式计算:采用水土合算或计算点在水位以上时:(小于0取0)采用水土分算且计算点在水位以下时:(小于0取0)对于矩形土压力模式,自重部分须扣除坑内土的自重(对水位以下的分算土层,扣除有效自重;坑内水位取坑底位置,天然水位在坑底以下就取天然水位)。
式中:γj─第j层土的天然重度;γw─水的重度,取10kN/m3;Δh j─第j层土的厚度;h wa,i─地下水位;c i、c i'─第i层土的内聚力、有效内聚力;φi、φi'─第i层土的内摩擦角、有效内摩擦角;q─超载。
基坑锚杆支护施工方案计算书一、设计方案概述本计算书旨在对基坑锚杆支护施工方案进行详细计算和分析,确保工程施工的顺利进行。
基坑锚杆支护工程是在基坑开挖过程中为了稳定周围土体,控制基坑变形而进行的支护措施。
本方案将对基坑锚杆支护的设计参数、计算方法和实施方案进行详细说明,为工程施工提供技术支持。
二、设计参数1.基坑深度:100 米2.土体重度:18 kN/m³3.设计抗拔力:1200 kN4.锚杆直径:50 毫米5.锚杆埋设深度:8 米6.土层平均抗剪强度:30 kPa三、计算方法在进行基坑锚杆支护设计计算时,需要考虑锚杆的受力计算、土体的变形特性、锚杆的受载性能等因素。
具体计算公式如下:1. 锚杆受力计算根据静力平衡原理,锚杆的抗拔力计算公式为: \[ F = \text{土体重力} +\text{摩擦力} \] 其中,摩擦力可按以下公式计算: \[ F = A \times \sigma \times L \times \mu \] 式中,A 为锚杆横截面积,\(\sigma\) 为土体重度,L 为土层深度,\(\mu\) 为土体抗剪强度。
2. 土体变形计算考虑到土体在基坑开挖过程中的变形特性,需要进行土体变形计算,以确定锚杆的设计埋设深度和间距。
3. 受载性能分析通过对锚杆的受力计算和土体变形计算,可以进行受载性能分析,以确定锚杆的数量、直径和埋设深度,确保基坑支护的稳定性。
四、施工方案基于以上的设计参数和计算方法,制定如下基坑锚杆支护施工方案: 1. 锚杆选材:锚杆选用高强度合金钢材料,确保锚杆的受载性能。
2. 锚杆布设:按照设计要求,合理布设锚杆,保证锚杆的受力均匀。
3. 质量控制:加强现场质量管理,确保施工过程中的锚杆埋设深度、间距等设计参数符合要求。
4. 监测安全:施工过程中需要进行锚杆受力监测,及时调整方案,确保基坑支护的安全性。
五、总结基坑锚杆支护施工方案计算书对于基坑工程施工具有重要的指导作用。
二、基坑支护及降水设计说明1 设计依据1.1 甲方提供的规划平面图、用地红线图、相关的结构图纸、岩土工程勘察报告等。
1.2 国家及地方有关规范⑴《建筑地基基础设计规范》(GB50007-2011);⑵《建筑基坑支护技术规程》(JGJ120-2012);⑶《混凝土结构设计规范》(GB 50010-2010);⑷《建筑基坑工程监测技术规范》(GB50497-2009);⑸《建筑与市政降水工程技术规范》(JGJ/T111-98);⑹《地基与基础工程施工及验收规范》(GB50202-2013);⑺《建筑桩基技术规范》(JGJ94-2008);⑻《建筑深基坑工程施工安全技术规程》(JGJ311-2013);⑼其它相关规范、规程;1.3 理正深基坑支护软件7.01版。
1.4 本设计结构为临时性结构,设计使用年限为12个月,支护结构完成至土方回填结束,在此期间,基坑支护结构保证基坑安全。
2 基坑工程概况及基坑周边环境2.1 周边环境锦宸〃国际花园二期工程位于姜堰区,中干河西侧,马厂路南侧,原姜堰市套闸管理所内,南侧为已建小区。
基坑东场地空旷。
基坑南距离小区道路1.55~3.47m;距离已建1#和2#楼15.75m 和17.15m;基坑西距离用地红线3.00~3.80m;用地红线位臵有煤气管道和通信电缆,煤气管道和通信电缆埋深在地下1.5m范围内。
基坑北距离用地红线3.78~10.00m,场地空旷可以放坡。
2.2 基坑规模及开挖深度±0.00相当于绝对标高+6.70m。
自然地面高程相当于绝对标高+6.20m;底板板面标高为相对标高-4.10m,板厚400mm,垫层厚100mm。
局部底板板面标高为相对标高-5.10m,板厚400mm,垫层厚100mm。
基坑开挖深度为4.10m和5.10m。
3 工程地质、水文条件拟建位置位于姜堰城区,处于江苏省中部,西接扬州、东连南通、南连长江。
场地处于扬子地层东北部,地层发育较齐全,中元古界海州群、张八岭群为区域变质岩系,构成扬子准地台基震旦系-三叠系不整合覆盖,以海相沉积为主,各系、组间成假整合或整合接触;侏罗系以陆相碎屑和中酸性火山岩为主,假整合在三叠系层位上;白垩系为内陆盆地,红色碎屑岩为主,局部夹中性、碱性火山岩不整合在白垩系上;拟建场地在新构造运动中所处区域地质构造位置位于苏北坳陷中的泰州凸起上,第四纪以三角洲冲积相沉积为主,沉积厚度250.00m左右。
本工程支护深度影响范围内深度内土体按其特征及其物理力学性质划分如下:1层素填土:灰黑色,松散,表层以碎砖瓦砾等建筑垃圾为主,下部由粉质粘土和粉土质组成,结构松散,抗压抗剪能力差。
该层土场区普遍分布,层厚:1.80~2.30m,属高压缩性、低强度土。
2层粉土:灰黄色~灰色,中密为主,局部密实,湿~很湿,含少量钙质结核,摇震反应中等,无光泽反应,低干强度及韧性。
该层土区普遍分布,层厚:2.90~4.10m,属中低压缩性、中等强度土。
3层粉砂:灰色~青灰色,饱和,中密,主要矿物为石英碎屑,含有较多的云母片,颗粒均匀,级配不良,磨圆度较好,粘粒含量 1.40~4.20%。
该层土场区普遍分布,层厚:3.20~4.20m,属中低压缩性、中等强度土。
4层淤泥质粉质粘土:灰色~灰黑色,流塑,局部软塑,夹姜结石,无摇振反应,稍有光泽反应,中等干强度及韧性。
该层土场区普遍分布,层厚:1.80~6.50m,属高压缩性、低强度土。
详细资料见本工程的岩土工程勘察报告。
各土层的基坑设计参数见表:基坑设计参数表3.2 水文条件拟建区属北亚热带湿润季风气候区,季风环流是支配境内气候的主要因素,四季分明,雨水充沛。
冬季受极地变性大陆气团控制,盛行西北气流,天气寒冷干燥,夏季受副热带高压影响,盛行低纬太平洋的偏东南风,温高湿润,雨热同季,在该季节中每年的5、6、7月份中有气象学上的连阴雨天气出现,由于此时又是梅子成熟的季节,俗称梅雨季节,春秋两季为冬夏季风交替时期,春季冷暖、干湿多变,天气变化无常,秋季则秋高气爽。
该地区还受海洋性气候影响,雨水丰富。
根据钻探揭示情况,拟建场地地下水类型为潜水和微承压水,潜水主要赋存于1~3层土中,微承压水主要赋存于6层粉砂和10层粉土中。
与工程影响比较密切的地下水类型主要为潜水,勘察期间测得潜水初见水位在自然地面下2.20~2.25米,稳定水位在自然地面下2.30~2.35米,标高在3.83~3.87米。
根据区域资料,微承压水水头与潜水水头相近。
该地下水受大气降水及地表迳流补给,水位呈季节性变化,历史最高地下水位在现有自然地面下埋深0.5m左右,近3~5年最高地下水位在现有自然地面下埋深0.8m左右。
根据区域资料,承压水水头和潜水水位相近,地下水对桩基设计和施工的影响较大,对预制桩主要对接头的腐蚀性及挤土影响,根据水土腐蚀性分析报告对预制桩接头具微腐蚀性,应按规范要求做好防腐措施;并应考虑挤土桩需考虑孔隙水压力,必要时设臵袋装沙井或塑料排水板以消除孔压,减少挤土效应。
对灌注桩由于存在水头差的粉细砂,承压水对本工程影响较大,应按桩基规范要求进行设计和施工。
详细资料见本工程的岩土工程勘察报告。
4 基坑支护结构及降水设计4.1 基坑支护设计等级根据基坑的开挖深度、工程地质条件及周边环境,本工程ABCDE段支护安全等级为二级,重要性系数1.0。
EFGA段段支护安全等级为三级,重要性系数0.9。
支护结构有效期为一年,在此期间,基坑支护结构保证基坑安全。
4.2 基坑支护设计荷载均取20kPa满布荷载;基坑坡顶2.0m范围内严禁堆载,严禁坡顶超负荷堆载,基坑边如有特殊荷载要求,应采取必要的加固措施。
4.3 基坑开挖原则基坑开挖应遵循“分层分段开挖、分层支护、严禁超挖”的原则,施工时必须严格按设计要求组织施工,同时与土建、挖土单位进行协调配合。
4.4 基坑坡脚预留工作面在基坑施工前,应预先在现场放出基础外轮廓线,基坑坡脚线与基础外边线距离不小于1000mm,若图中尺寸与现场放样不一致,以现场放样为准,并对设计作相应的调整。
4.5基坑支护结构设计方案⑴根据场区环境条件及土层性质,分成四个区段进行设计:ABCDE段采用搅拌桩桩+土钉墙支护;EFGA段采用挂网喷射砼简单支护。
⑵基坑开挖前,施工搅拌桩止水,桩径700mm双轴搅拌桩,桩间距1000mm,AB段两排桩长8.5m,BCDE段两排桩长10m,FGA段一排桩长10m。
水泥采用32.5复合硅酸盐,掺入量为13%。
水灰比0.5。
基坑四周支护结构的构造与设计详见支护施工图及支护计算。
4.6 基坑降排水方案(1)根据土层情况,采用管井降水。
(2)基坑开挖前布设25口管井。
(3)靠近后浇带位臵,就近布臵在后浇带上。
其余管井避开承台和电梯井等位臵。
从自然地面开始计算井深12m,成孔600mm,下315mm波纹管。
(4)水位降至垫层底50cm以下。
基坑内电梯井、集水井、承台等局部加深部位降水不到位时增加轻型井点或管井降水。
(5)为方便排水,在坑外场地道路内侧和基坑坡脚30cm处各布设一环通排水沟,宽300mm,深400mm;同时为防止地表水、大气降水等通过坑顶渗入支护结构外土体而影响支护体系安全,对场地道路内侧与支护结构之间的区域全部喷射混凝土面层。
基坑底应设臵排水明沟及集水井。
(6)降水结束时间:基坑回填土,并满足抗浮要求。
具体参考主体结构设计单位意见执行。
5 支护结构的施工5.1 土钉墙施工⑴土方开挖过程中应提供土钉成孔施工工作面宽度,开挖应与土钉施工相协调,交替作业,每段开挖后限时进行土钉的施工;⑵施工前,应充分核对设计条件、土层条件和环境条件,预计土钉施工可能带来的影响,对所需原材料的型号、品种、规格及杆件等加工质量应符合设计要求;⑶成孔时,应根据设计要求和土层条件,定出孔位,做出标记,选择合理的施工工艺;⑷土钉采用引孔式方法施工;⑸土钉/锚杆采用直径20的二级螺纹钢;⑹施工顺序:土方开挖→人工修坡→测放孔位→施工土钉→注浆→喷射砼面层等步骤。
⑺土钉成孔施工宜符合下列规定:①孔深允许偏差±50mm②孔径允许偏差±5mm③孔距允许偏差±100mm④成孔倾角偏差±5%⑻土钉注浆:采用32.5复合硅酸盐水泥,采用二次注浆,第一次注浆压力控制在0.2~0.8Mpa,第二次压力控制在1.2~1.5Mpa,φ110土钉注浆水泥用量为45Kg/m。
⑼铺设坡面钢筋网:ABCDE段坡面铺设Ø6.5钢筋间距200mm*200mm;土钉上加设两根直径12mm横向加强钢筋。
EFGA段坡面铺设Ø6.5钢筋间距300mm*300mm。
⑽喷射混凝土:应分两层喷射。
喷层砼强度为C20,喷射砼配合比:水泥:砂:石子=1:2:2,粗骨料粒径为5~10mm,喷层初凝小于10分钟,终凝小于30分钟 (建议喷射砼时速凝剂掺量为水泥用量的5%)。
喷射作业应分段进行,同一分段内喷射顺序应自下而上进行,喷射混凝土时,喷头与受喷面保持垂直,距离宜0.6-1.0m。
喷射混凝土终凝2h后,喷水养护,养护时间宜根据气温确定,为3-7d。
喷射混凝土通常在每分段开挖底部预留300mm,这样会有利于下步开挖后安装钢筋网,与下步45°倒角的喷射混凝土层施工搭接。
上层土钉砂浆及喷射混凝土面层达到设计强度的70%后方可开挖下层土方及下层土钉施工。
(11) 设臵排水系统:在喷射砼部位坡面采用直径40mm,向上斜5°或10°,长度通常为300-500mm带孔塑料的排水管,其间距取决于土体和地下水条件,坡面每大于3平方时布臵一个。
6基坑土方开挖⑴基坑开挖前应根据工程地质与水文地质资料、结构和支护设计文件、环境保护要求、施工场地条件、基坑平面形状、基坑开挖深度等技术要求,并遵循“分层分段,均衡开挖”的原则编制土方开挖施工方案;⑵严格按设计放坡坡比开挖,严禁超挖、严禁坑边堆载;⑶施工过程中应严格按照施工方案进行,挖土机械的停放和行走路线布臵、挖土顺序、土方驳运、材料堆放等应避免引起对工程桩、支护结构、降水设施、监测设施和周围环境的不利影响;⑷在有混凝土运输车停靠出入的位臵及土方运输车辆出入口等位臵应事先采取加固措施并形成混凝土硬化路面。
土建单位应在基坑上口周边周边设臵限行围栏,并安排专人巡视;⑸土方开挖期间应加强监测工作,每天由专人负责监测,用动态数据指导施工;⑹基坑土方开挖时,由土建单位按照规范要求完成对基坑周边防护栏杆的施工。
7基坑监测及检测本工程的基坑监测工作建议业主委托有相关资质和实际监测经验的单位来完成,及时提供监测数据,指导信息化施工。
在基坑土方开挖和地下室施工期间必须进行基坑监测工作。
基坑监测是指导施工,避免事故发生的重要措施。