建筑工程技术资料编制与归档【收藏】
- 格式:ppt
- 大小:204.50 KB
- 文档页数:10
建筑工程中的施工技术资料编制及整理分析在建筑工程中,施工技术资料的编制及整理分析是非常重要的环节。
它不仅能够确保工程顺利进行,还能提高施工质量和效率。
本文将从编制施工技术资料的流程和方法、施工技术资料的整理和分析两方面进行介绍。
一、施工技术资料的编制1.流程和方法:(1)收集资料:施工技术资料的编制需要广泛收集相关资料,包括设计图纸、工程规范、施工方案等。
同时还需要与设计师和施工人员进行沟通,了解设计意图和施工需求。
(2)整理资料:将收集到的资料进行整理,按照工程的不同阶段进行分类,建立相应的资料库。
(3)编制施工技术资料:在对资料进行整理的基础上,根据实际情况和要求,编制施工技术资料,包括施工图纸、工艺流程、施工工艺、安全技术措施等。
2.要点和注意事项:(1)确保准确性:施工技术资料的编制必须准确无误,包括图纸的绘制、尺寸的标注、材料的选取等。
只有确保资料的准确性,才能保证施工的顺利进行。
(2)合理性和可行性:在编制资料时,要考虑到实际施工条件和限制,确保施工方案合理可行。
同时还要考虑到工期和成本的控制,提高施工效率和经济效益。
(3)注重细节:在编制施工技术资料时,要注重细节,比如标注图纸的尺寸和比例、明确施工的工序和要求等。
细节的处理决定了施工质量和效果。
1.整理资料:(1)归档存储:施工技术资料的整理需要将各类资料按工程项目和阶段进行分类,建立良好的归档系统。
同时还要注明资料的版本和编制日期,方便后续查阅和更新。
(2)数字化处理:可以采用电子化的方式对施工技术资料进行整理和存储,利用计算机软件进行管理和查阅。
这样可以方便资料的传递和共享,提高工作效率。
2.分析资料:(1)技术问题分析:通过对施工技术资料的分析,可以发现存在的问题和不足之处。
比如施工图纸的缺陷、工艺流程的不合理等。
通过分析这些问题,可以找到解决方案,提出改进措施。
(2)经验总结和分享:通过对施工技术资料的分析,可以总结工程施工的经验和教训,为今后的施工提供参考。
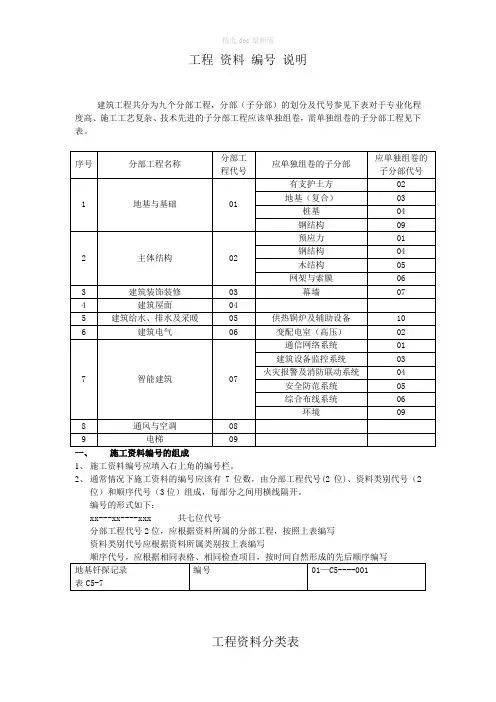
工程资料编号说明建筑工程共分为九个分部工程,分部(子分部)的划分及代号参见下表对于专业化程度高、施工工艺复杂、技术先进的子分部工程应该单独组卷,需单独组卷的子分部工程见下表。
一、施工资料编号的组成1、施工资料编号应填入右上角的编号栏。
2、通常情况下施工资料的编号应该有7位数,由分部工程代号(2位)、资料类别代号(2位)和顺序代号(3位)组成,每部分之间用横线隔开。
编号的形式如下:xx---xx----xxx 共七位代号分部工程代号2位,应根据资料所属的分部工程,按照上表编写资料类别代号应根据资料所属类别按上表编写工程资料分类表表1-3注:本表的归档保存单位是指竣工后有关单位对工程资料的归档保存,施工过程中资料的留存应按相关的约定及有关程序执行。
应单独组卷的子分部工程,资料的编号应为9位数,由分部工程2位数、子分部工程2顺序号填写原则:1、对于施工专用表格来说,顺序号应按时间先后顺序,用阿拉伯数字从001开始连续标注。
2、对于同一施工表格(如隐蔽工程检查记录、预检记录等)涉及多个(子)分部工程的各检查项目分别从001开始连续标注。
举例如下:求按照上述说明。
监理资料编号:1、监理资料编号应填入右上角的编号栏。
2、对于相同的表格或者是相同的文件材料,应分别按时间自然形成先后顺序从001开始连续编写。
3、监理资料中的施工测量放线报审表、工程材料/构配件/设备报审表应根据报验项目编号,对于相同的报验项目,应分别按照时间自然形成的先后顺序从001开始连续编写。
土建工程资料管理【本文档内容可以自由复制内容或自由编辑修改内容期待你的好评和关注,我们将会做得更好】。
工程资料收集、整理、归档移交等管理方案工程资料收集、整理、归档移交等管理方案篇一1、工程技术资料是为建筑施工提供指导和施工质量、管理情况进行记载的技术文件。
也是竣工后予存查或移交建设单位作为技术档案的原始凭证。
2、单位工程必须从工程准备开始,就建立工程技术档案,汇集整理有关资料,并贯穿于施工的全过程,直到交工验收后结束。
3、凡列入工程技术档案的技术文件、资料,都必须经各级技术负责人正式审定。
所有资料、文件都必须如实反映情况,要求记载真实、准确、及时、内容齐全、完整、整理系统化、表格化、字迹工整,并分类装订成册。
严禁擅自修改、伪造和事后补作。
4、工程技术档案内容分类。
4.1是为了构建筑物的合理使用、维修、改建、扩建的参考文件;在工程教工时随从其它交工资料一并提交建设单位保存(称为交工技术资料)。
4.2是为了系统地积累施工经验的经济技术资料,并由施工单位保存(称为施工技术资料)。
5、工程技术档案是永久性保存文件,必须严格管理,不得遗失、损坏,人员调动必须办理移交手续。
由施工单位保存的工程档案资料,一般工程在交工后统一交项目部资料员保管,重要工程及新工艺、新技术等由技术科资料室保存;并根据工程的性质确定保存期限。
6、各种技术资料检查评分标准按现行全优工程检查记录执行。
资料检查直营公司每季度各项目部检查一次。
7、各种资料由施工技术队长收集并初步整理,临交工之前将资料交技术科统一整理,资料一般应一式两份。
工程资料收集、整理、归档移交等管理方案篇二为对工程技术档案的收集、整理、编目、归档及报送等管理工作实施有效的控制,特制定本办法。
本办法由公司工程部负责实施。
一、工程技术档案资料的内容1、施工单位竣工资料:(1)质量保证资料;(2)施工技术资料;(3)施工管理资料;(4)竣工图;(5)竣工验收报告。
2、工程监理单位监理资料:(1)监理规划;(2)监理实施细则;(3)监理月报(包括各阶段性检查记录);(4)工程开、停、复工令;(5)工程总进度计划、月进度计划审批文件;(6)施工组织设计审核意见;(7)工作联系单;(8)监理日志;(9)项目竣工验收报告:a)工程竣工验收质量评估报告及评定表;b)工程项目施工例会纪要;c)工程质量检测记录;d)材料、设备进场质量检测报告;e)监理工程进度付款审核报表:f)应业主要求提供的其它专题报告;3、工程管理资料:(1)施工图纸等设计文件;(2)设计变更;(3)初步设计图纸等设计文件;(4)工程概算、预算;(5)工程勘察报告;(6)文物普探及问题坑处理报告;(7)深基坑支护设计文件;(8)地基(桩基)检测报告;(9)设计合同、施工合同、监理合同;(10)工程招、投标文件;(11)工程综合验收资料;(12)工程竣工验收资料;(13)工程报建报审资料;(14)工程部与公司、监理单位、施工单位的工作联系单;(15)工程技术资料发文记录;(16)向公司提交的专题报告;(17)结构试验、文明工地、安全施工、施工全貌的照片及音像资料等。
建筑工程资料的编制与归档管理摘要:良好的建筑工程资料能够为建筑工程建设过程中各项工作的开展提供依据,有利于管理人员对施工过程中的各项工作进行控制,并且完善了建筑工程的整体建设流程,实现了施工现场各项资源的合理配置,进而提高了建筑工程建设质量和效率,并且为后期建筑工程的竣工奠定了基础,也是衡量建筑工程质量的标准。
关键词:建筑工程;资料编制;归档管理1建筑工程资料编制层次及内容建筑工程资料主要包括:工程准备阶段资料、工程监理资料、施工资料、竣工图和竣工验收文件五大部分。
对于不同部分资料职能部门也不尽相同。
这里主要阐述的是建筑施工资料,主要职能部门是建筑施工单位。
对于建筑施工资料而言,主要包括以下几大块部分:施工管理类资料、施工技术资料、施工物资资料、施工记录与检测报告、施工质量验收等。
其中,前4项资料的编制跟随着建筑工程的施工顺序及变更情况如实的编制和向监理单位报审,重点是隐蔽工程资料的编制、材料和设备进场验收以及复试报告,这也是进行交档的重要资料。
对于第5项施工质量验收,主要的编制层次为检验批质量验收、分项工程质量验收、分部工程质量验收、单位工程质量验收,这4个层次的资料数量是逐级递减的,每个层次质量验收合格的标准也是包含与被包含的关系,比如分项工程质量验收合格的标准之一就是它所包含的所有检验批质量验收要合格,同样,分部质量验收合格的标准之一就是它包含的所有分项工程质量验收要合格。
2建筑工程资料编制存在的问题2.1建筑工程资料编制的真实性建筑工程资料就像是建筑工程的成长日记,如实记录随着时间的推移,建筑形成过程中的全部信息,主要包括:文字、音频、视频等形式的资料。
对于建筑工程施工技术资料中的施工方案及各类专项施工方案编制起来内容多涉及面广,对于专业技能要求很高,因此容易出现网上下载等借用他人成果适当更改工程信息的情况,对于方案的可行性以及适用性的考虑不够全面。
2.2建筑工程资料编制的及时性建筑工程资料编制的及时性是很关键的一个问题,建筑工程资料的编制一定是跟随建筑工程的形成及时编制,各类资料必须要有机的联系在一起,但是有些单位会拖拉编制时间,等到监理验收甚至是竣工验收才整理建筑工程资料,这样很难保证建筑工程资料的真实性和有效性,对日后工程质量的把控有着很重要的影响。
工程资料编制及归档指南随着工程项目的不断推进和完成,工程项目的各类资料也愈发繁杂。
为了保证工程进展的顺利进行和后续工作的顺利开展,对工程资料进行编制和归档是非常重要的。
下面是一个工程资料编制及归档的指南,希望能够给大家提供一些参考。
一、工程资料编制1.明确工程资料的种类:工程项目的资料包括设计文件、施工方案、质量报告、竣工验收资料、经济核算等多个方面。
在编制资料之前,首先需要明确工程资料的种类及其要求。
2.确定资料编制的责任人:不同的工程资料可能由不同的人员负责编制。
需要明确资料编制的责任人,并确保其具有相关的专业知识和经验。
3.编制规范化的资料:在编制工程资料时,应该遵循一定的规范,确保资料的结构清晰、内容完整。
可以参考相关的行业标准和规范进行编制。
4.保持资料的实时性和准确性:随着工程项目的推进,资料也会不断更新。
责任人应及时更新资料,并确保资料的准确性和实时性。
二、工程资料归档1.建立归档制度:在工程项目开始之初,应建立健全的工程资料归档制度。
制定相应的规章制度和操作规程,明确资料的归档程序和标准。
2.分类归档:根据工程资料的种类和性质,将其进行分类归档。
可以按照不同的项目、不同的专业领域或者不同的时间段进行分类。
3.确定归档责任人:每个归档资料都应有相应的责任人负责归档工作。
责任人应具备相关的专业知识和技能,并熟悉归档程序和标准。
4.制定归档标准:根据相关标准和规范,制定相应的归档标准。
确保归档资料的完整性、可读性和方便检索。
5.建立归档档案管理系统:可以使用电子化的档案管理系统,或者传统的纸质档案管理系统。
确保档案的安全性和高效管理。
6.定期归档备份:工程资料应该进行定期的归档备份。
可以设置定期备份的时间和频率,确保资料的安全性和可靠性。
7.合理利用归档资料:归档的工程资料不仅仅是为了备查,还可以作为类似工程项目的参考资料。
合理利用归档资料,可以提高后续工程项目的效率和质量。
工程资料的编制、整理及归档工程技术资料的编制、收集、整理,是建筑施工过程管理中的一项重要内容。
齐全的工程技术资料,是建设工程竣工验收的必备条件,也是对工程进行检查、维护、管理、使用、改建和扩建的原始依据。
工程技术资料的编制、收集、整理和验收归档管理工作,贯穿整个工程项目的施工建设过程,牵涉到参建的方方面面,是一项繁杂的系统工程,也是项目精细化管理的一项重要内容,因此我们企业应该认真做好这项工作。
工程技术资料按照国家《建筑工程施工质量验收统一标准》和城建档案竣工资料归档内容、标准的要求,可以将其划分为以下十大类:一、工程管理资料二、工程技术资料三、工程测量记录四、工程施工记录五、工程试验检验记录六、工程物资资料七、工程质量验收资料八、工程竣工图九、工程竣工验收文件资料十、工程管理声像资料一、工程技术资料收集、整理的基本要求1、责任主体:建设项目实行总承包的,由总包单位负责组织收集、汇总各分包单位形成的工程技术资料,统一整理后及时向建设单位移交;总包单位应组织和要求各分包单位将本单位形成的工程技术资料认真整理、立卷后及时移交总包单位。
建设工程项目由几个单位承包的,各承包单位负责收集、整理立卷其承包项目的工程文件,并应及时向建设单位移交。
2、基本质量要求:(1)、归档的工程技术资料应为原件,在工程开工时就应同建设单位约定归档文件整理的份数。
(2)、工程文件内容及其深度必须符合国家有关工程勘察、设计、施工、监理等方面的技术规范、标准和规程。
(3)、工程文件内容必须真实、准确,与工程实际相符合。
(4)、工程文件应采用耐久性强的书写材料,如碳素、兰黑墨水,不得使用易褪色的书写材料,如红色墨水、纯蓝墨水、圆珠笔、复写纸、铅笔等。
(5)、工程文件应字迹清楚,图样清晰,图表整洁,签字盖章手续完备。
(6)、工程文件中文件材料幅面尺寸规格宜为A4幅面(297㎜×210㎜)。
图纸宜采用国家标准图幅。
3、项目关键内容要统一:每个项目的工程名称、结构类型、建筑面积、层数等关键内容一定要统一。
工程资料编号说明建筑工程共分为九个分部工程,分部(子分部)的划分及代号参见下表对于专业化程度高、施工工艺复杂、技术先进的子分部工程应该单独组卷,需单独组卷的子分部工程见下表。
一、施工资料编号的组成1、施工资料编号应填入右上角的编号栏。
2、通常情况下施工资料的编号应该有7位数,由分部工程代号(2位)、资料类别代号(2位)和顺序代号(3位)组成,每部分之间用横线隔开。
编号的形式如下:xx---xx----xxx 共七位代号分部工程代号2位,应根据资料所属的分部工程,按照上表编写资料类别代号应根据资料所属类别按上表编写工程资料分类表表1-3留存应按相关的约定及有关程序执行。
应单独组卷的子分部工程,资料的编号应为9位数,由分部工程2位数、子分部工程2位数、资料类别代号2位数和顺序号3位数组成,中间用横线隔开。
顺序号填写原则:1、对于施工专用表格来说,顺序号应按时间先后顺序,用阿拉伯数字从001开始连续标注。
2、对于同一施工表格(如隐蔽工程检查记录、预检记录等)涉及多个(子)分部工程的各检查项目分别从001开始连续标注。
举例如下:表C5-1 隐蔽工程检查记录编号:03—C5---001表C5-1 隐蔽工程检查记录编号:03—C5---001无统一表格或外部提供的施工资料,应根据表1-3,在资料的右上角注明编写,填写要求按照上述说明。
监理资料编号:1、监理资料编号应填入右上角的编号栏。
2、对于相同的表格或者是相同的文件材料,应分别按时间自然形成先后顺序从001开始连续编写。
3、监理资料中的施工测量放线报审表、工程材料/构配件/设备报审表应根据报验项目编号,对于相同的报验项目,应分别按照时间自然形成的先后顺序从001开始连续编写。
土建工程资料管理。
建筑工程施工资料整理与归档建筑工程施工资料整理与归档(二)XX实业有限责任公司二零壹四年四月目录第一章概述………………………………………………...3第一节施工技术文件和工程档案的形成..........................................5第二节工程档案的特点........................................................ .. (11)第二章工程各阶段文件的形成 (13)第一节工程施工文件的形成 (13)第二节工程竣工阶段验收文件和竣工图(D 类) (126)第三章工程文件的质量 (130)第一节工程文件内容的质量要求 (13)0第二节工程文件制成材料的质量要求.................... 133第三节工程文件外观的质量要求 (13)5第四章工程文件组卷...........................135建筑工程施工资料整理与归档第一章概述一、建筑工程技术资料的概念工程项目技术资料是工程参建单位按有关规定,在施工过程中形成的应该归档保存的各种图纸、表格、文字、音像材料等技术文件的总称。
建筑工程技术资料是单位工程施工全过程的原始资料,是反映工程隐蔽后内在的质量凭证,如果我们的工程一旦发生某些工程质量事故,它不仅能为事故调查和正确处理提供有力的依据,也是工程使用过程中维修、扩建、改建或增层等重要的参改资料,做好工程技术资料管理工作,对确保工程结构安全和使用功能,提高工程质量有着十分重要的意义。
二、建筑工程技术档案的概念建筑工程技术档案是指在工程建设中直接形成的具有归档保存价值的文字、图表、声像等各种形成的历史记录。
也可简称为工程档案。
建设工程档案资料是指规划文件资料、建筑文件资料、施工技术资料、竣工图与竣工测量资料和竣工验收资料、声像资料等。
资料是一个相对性,动态性极强的概念,外延极宽。
只要对人们研究解决某一问题有信息支持价值,无论它具体是什么,均可视为资料。
建筑工程施工技术资料编制及竣工资料的归档管理摘要:作为支撑我国经济的主体,同时也是民生关注的重点区域,建筑是我国的重要发展点,更是评测我国自有经济实力以及社会基础的全面展现。
因此,建筑工程技术必须在现有基础上实现全面优化,对各环节完成有效提升,以达成其后续增长,使其可以为我国居民、我国经济产生更有效的成长因素。
其中,在工程技术资料编制以及竣工资料归档管理当中,我国现有的工程体系对二者的储存具有一定的问题,无法全面开展高效的储存工作。
为了避免此类情况,必须全面调动相关的优化体系。
对工程项目而言,其施工资料以及竣工资料具有非常重要的作用,是整体施工过程必不可少的组成部分。
因此,本文将就建筑工程施工技术资料编制以及竣工资料归档管理展开讨论,阐述建筑工程技术资料的基本概述,分析建筑工程施工资料的综合意义。
研究如何通过切实可行的方法,在后续的工程当中,对施工资料编制以及竣工资料归档管理实现全面加强。
关键词:建筑工程;技术资料;综合管理;研究分析我国在后续发展流程当中,其经济主体飞速增长,因此,带动了我国居民的经济水准实现全面提升。
随着经济水准的增强,我国建筑领域在现有基础上完成了全面成长,保证了我国居民生活水平的有效优化。
作为一个国家当中的经济主体,建筑自身的有效性非常重要。
在我国社会环境下,必须依照相关法律以及要求,对工程建筑的相关数据实现全面记载,形成有效的完善体系,以保证其可以为后续工程提供全面参考。
作为单位以及工作人员的研究重点,对建筑行业发展产生全面的核心作用。
一、建筑工程技术资料概念建筑工程技术资料是整体建设领域的必要组成部分,是有效的反应机制以及评定机制。
后续工程建筑的相关质量必须依照建筑工程技术资料实现全面的评价,因此,一套完善且有效的管理系统将保证后续工作的关键性[1]。
建筑工程技术资料主要包含相关的建设工程文件,以及工程准备阶段文件。
在建筑工程项目中,其技术资料的形成必须按照现行工作规范标准,在工作中形成积累、总结,完成全面归纳,以便形成更具有真实性的工程文件,在后续工程中完成交接、验收、维护等必要操作。