专项施工方案申请表
- 格式:doc
- 大小:61.50 KB
- 文档页数:12
深基坑专项施工方案申报表一、项目概述本项目是针对深基坑工程的施工方案申报,旨在确保基坑施工过程中安全、高效地进行。
本施工方案将详细介绍基坑工程的施工流程、技术方案和安全措施,以确保工程顺利完成。
二、施工流程1.前期准备:–地质勘察:通过地质勘察确定地质情况,为施工提供参考。
–设计审查:审查设计方案,确认施工方案的合理性。
2.地面预备工作:–地表清理:清除原有建筑物及障碍物。
–基坑边界标定:标记基坑边界,确定施工范围。
3.地下基坑施工:–地下开挖: 使用适当的机械设备进行基坑开挖。
–支护工程: 进行地下支护,确保基坑稳定。
4.基坑土方处理:–土方回填:对基坑进行土方回填,平整基坑底部。
–地下设施施工:对基坑底部进行地下设施的施工,如管道敷设等。
5.基坑周边环境恢复:–基坑边界清理:清理基坑周边杂物,恢复基坑周边环境。
–绿化工程:对基坑边界进行绿化,美化环境。
三、技术方案1.施工方法:–采用机械化施工方式,提高效率。
–根据地质情况选用合适的开挖工具,确保施工质量。
2.安全措施:–制定详细的安全计划,确保施工过程中安全。
–加强现场监管,定期检查安全设施的完好性。
四、总结与展望本施工方案着重于深基坑工程的施工流程、技术方案和安全措施,旨在指导基坑工程施工过程中的相关工作。
通过科学合理的施工方案,必将为深基坑工程的安全高效施工提供保障。
以上是深基坑专项施工方案申报表,内容涵盖了项目概述、施工流程、技术方案和安全措施等方面,旨在为深基坑工程的顺利进行提供指导。
工程施工方案申请表格项目名称:_______________申请单位:_______________施工单位:_______________申请日期:_______________一、施工方案概述(介绍工程的情况、要求、施工内容等)二、工程施工条件1. 地理位置:___________________2. 地质条件:___________________3. 周边环境:___________________4. 交通状况:___________________5. 施工时间:___________________6. 施工人员:___________________三、施工方案内容(此处填写施工方案具体内容,包括但不限于工程的施工流程、施工计划、材料使用、施工设备、安全措施等。
)四、施工方案实施和维护1. 施工前的准备工作:___________________2. 施工过程监督和管理:___________________3. 施工完成后的验收和维护:___________________五、风险评估及应急预案1. 施工过程中可能出现的风险:___________________2. 应对风险的措施:___________________3. 应急预案:___________________六、其他相关内容(此处填写其他与施工方案相关的内容,如环保、文明施工等。
)七、项目负责人意见(项目负责人签字和日期)八、施工单位负责人意见(施工单位负责人签字和日期)九、监理单位意见(监理单位签字和日期)十、工程行政单位意见(工程行政单位签字和日期)备注:1. 以上内容应据实填写,如有虚假内容,一切后果由填报单位承担。
2. 本表填写后需提交相关单位审批。
专项工程方案审批表项目名称:XXX工程项目负责人:XXXX审批单位:XXXXX审批日期:XXXX年XX月XX日项目概况:本项目是由XXX公司承担的XXX工程,项目总投资XXX万元,主要建设内容包括XXX。
该工程的建设将对当地经济发展、产业结构调整、基础设施建设等方面产生积极作用,具有重要的战略意义。
为确保工程建设的顺利进行,特向审批单位提交本项目的专项工程方案,请求批准。
一、项目背景及必要性分析(一)项目背景对于项目的背景信息包括项目的发展历程、项目推动的主要因素、相关政策法规等,对项目进行系统的背景介绍,客观地对项目的创建理由进行阐述,让审批人明确了解项目的发展历程,以及项目发展的外部环境。
(二)项目必要性分析在项目必要性分析部分,需要客观地介绍项目建设的必要性,包括对项目所在地区产业发展的带动作用,对当地经济和社会的促进作用等方面进行详细的阐述,让审批人明确了解项目建设的重要性。
二、项目建设规模及设计理念(一)项目建设规模介绍项目的建设规模,包括项目总投资、项目建设内容、建设规模等方面的具体信息。
(二)设计理念对项目的设计理念进行详细的介绍,包括对项目建设的整体思路和方向,以及项目的创新性和前瞻性等方面的阐述。
三、项目建设的总体安排(一)工程建设内容介绍项目的主要建设内容,包括工程建设的具体项目内容、主要工程量、工程工期等方面的具体信息。
(二)工程建设进度计划对工程建设的进度计划进行详细的介绍,包括项目的整体建设进度、各项工程的具体进度安排等方面的信息。
(三)工程安全保障措施对工程建设过程中的安全保障措施进行详细的介绍,包括工程建设中可能存在的安全隐患和风险,以及相关安全措施等方面的阐述。
四、项目的环境影响评价对项目建设可能产生的环境影响进行详细的评价,包括对项目建设可能对当地环境产生的影响以及相关环保措施等方面的阐述。
五、项目的社会效益评价对项目建设可能产生的社会效益进行详细的评价,包括对项目建设可能对当地经济发展、社会产生的影响以及相关社会效益措施等方面的介绍。
各项施工方案申请表申请表序号:
项目基本信息
•项目名称:
•申请单位:
•联系人:
•联系电话:
•项目地址:
•工程内容概述:
施工方案概要
•施工内容:
•施工地点:
•施工时间:
•人员配备:
–项目经理:
–技术负责人:
–施工人员:
–安全员:
•施工设备:
技术方案
•工程进度计划:
•施工方法及步骤:
•施工图纸及规划:
•安全措施:
环境保护措施
•施工过程中污水处理方式:
•施工废弃物处理方案:
•施工噪音、粉尘控制措施:
•其他环保要求:
风险评估
•可能存在的安全风险及应对方案:
•其他潜在风险及应对措施:
监理机构意见
•是否符合规定的施工条件:
•其他监理要求:
申报单位意见
•对施工方案的说明:
•法律责任承诺:
审批结果
•审批意见:
•审批单位:
•审批日期:
以上为《各项施工方案申请表》,请认真填写完整资料后提交。
重大危险源专项施工方案审核审批申报表重大危险源专项施工方案审核审批申报表下面为附送毕业论文致谢词范文!不需要的可以编辑删除!谢谢!毕业论文致谢词我的毕业论文是在韦xx老师的精心指导和大力支持下完成的,他渊博的知识开阔的视野给了我深深的启迪,论文凝聚着他的血汗,他以严谨的治学态度和敬业精神深深的感染了我对我的工作学习产生了深渊的影响,在此我向他表示衷心的谢意这三年来感谢广西工业职业技术学院汽车工程系的老师对我专业思维及专业技能的培养,他们在学业上的心细指导为我工作和继续学习打下了良好的基础,在这里我要像诸位老师深深的鞠上一躬!特别是我的班主任吴廷川老师,虽然他不是我的专业老师,但是在这三年来,在思想以及生活上给予我鼓舞与关怀让我走出了很多失落的时候,“明师之恩,诚为过于天地,重于父母",对吴老师的感激之情我无法用语言来表达,在此向吴老师致以最崇高的敬意和最真诚的谢意!感谢这三年来我的朋友以及汽修0932班的四十多位同学对我的学习,生活和工作的支持和关心。
三年来我们真心相待,和睦共处,不是兄弟胜是兄弟!正是一路上有你们我的求学生涯才不会感到孤独,马上就要各奔前程了,希望(,请保留此标记。
)你们有好的前途,失败不要灰心,你的背后还有汽修0932班这个大家庭!最后我要感谢我的父母,你们生我养我,纵有三世也无法回报你们,要离开你们出去工作了,我在心里默默的祝福你们平安健康,我不会让你们失望的,会好好工作回报社会的。
致谢词2在本次论文设计过程中,感谢我的学校,给了我学习的机会,在学习中,老师从选题指导、论文框架到细节修改,都给予了细致的指导,提出了很多宝贵的意见与建议,老师以其严谨求实的治学态度、高度的敬业精神、兢兢业业、孜孜以求的工作作风和大胆创新的进取精神对我产生重要影响。
他渊博的知识、开阔的视野和敏锐的思维给了我深深的启迪。
这篇论文是在老师的精心指导和大力支持下才完成的感谢所有授我以业的老师,没有这些年知识的积淀,我没有这么大的动力和信心完成这篇论文.感恩之余,诚恳地请各位老师对我的论文多加批评指正,使我及时完善论文的不足之处。
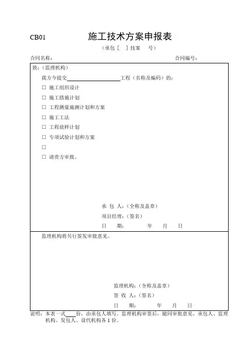
CB01施工技术方案申报表(承包[]技案号)合同名称:合同编号:说明:本表一式份,由承包人填写。
监理机构审签后,随同审批意见,承包人、监理机构、发包人、设代机构各1份。
CB02 施工进度计划申报表(承包[]进度号)合同名称:合同编号:说明:本表一式份,由承包人填写。
监理机构审签后,随同审批意见,承包人、监理机构、发包人、设代机代各1份CB03施工图用计划报告(承包[]图计号)合同名称:合同编号:说明:本表一式份,由承包人填写。
监理机构审签后,随同审核意见,承包人、监理机构、发包人、设代机构各1份。
CB04 资金流计划申报表(承包[]资金号)合同名称:合同编号:单位:说明:本表一式份,由承包人填写。
监理机构审签后,随同审核意见,承包人、监理机构、发包人各1份。
CB05施工分包申报表(承包[]分包号)合同名称:合同编号:说明:本表一式份,由承包人填写。
监理机构审核、发包人批准后,随同审批意见,承包人、监理机构、发包人各1份。
CB06 现场组织机构及主要人员报审表(承包[]机人号)合同名称:合同编号:说明:本表一式份,由承包人填写。
监理机构审签后,随同审核意见,承包人、监理机构、发包人各1份。
CB07 材料/构配件进场报验单(承包[]机人号)合同名称:合同编号:说明:本表一式份,由承包人填写。
监理机构审签后,承包人理机构、发包人各1份。
CB08 施工设备进场报验单(承包[]设备号)合同名称:合同编号:说明:本表一式份,由承包人填写。
监理机构审签后,承包人监理机构、人各CB09 工程预付款申报表(承包[2004]工预付号)合同名称:合同编号:说明:本表一式4 份,由承包人填写。
监理机构审签后,随同付款证书,承包人监理机构、发包人各1份。
CB10 工程材料预付款报审表(承包[]材预付号)合同名称:合同编号:说明:本表一式份,由承包人填写。
作为CB11施工放样报验单(承包[]放样号)合同名称:合同编号:说明:本表一式份,由承包人填写。
专项施工方案审批表一、项目名称,XXX工程。
二、施工单位,XXX施工公司。
三、施工内容,本次施工内容包括XXX。
四、施工地点,XXX地点。
五、施工时间,预计施工时间为XXX。
六、施工方案概述:本次施工方案旨在确保施工过程安全、高效、环保、质量可控。
施工过程中将严格按照相关法规和标准进行操作,确保施工过程符合国家相关规定。
同时,为了保障施工人员的安全,我们将严格执行施工安全操作规程,加强安全教育和培训,提高施工人员的安全意识和应急处理能力。
七、施工方案详细内容:1. 施工准备工作,包括场地平整、材料准备、设备检查等工作,确保施工前的准备工作充分、完善。
2. 施工流程安排,详细描述施工过程中各个环节的具体安排和操作步骤,确保施工过程有条不紊、高效顺利。
3. 安全保障措施,包括施工现场安全防护、施工人员安全培训、应急预案等安全措施,确保施工过程中安全事故的最小化。
4. 质量控制措施,详细描述施工过程中的质量控制措施,包括材料质量检验、工艺操作规范、质量验收标准等,确保施工过程中的质量可控。
5. 环保措施,包括施工过程中的环境保护措施、废弃物处理等,确保施工过程对环境的影响最小化。
八、施工方案的风险评估及应对措施:在施工过程中可能存在的各种风险进行评估,并提出相应的应对措施,确保施工过程中的风险可控。
九、施工方案的责任单位及监督单位:明确施工过程中各个环节的责任单位及监督单位,确保施工过程中责任明确、监督到位。
十、施工方案的审批意见:请相关部门对本次施工方案进行审批,并提出意见和建议。
十一、施工方案的附件:包括相关的图纸、设计文件、施工计划等附件。
十二、施工方案的总结:本次施工方案经过认真设计和论证,确保施工过程中安全、高效、环保、质量可控。
希望相关部门能够审批通过,并提出宝贵意见和建议,共同推动本次施工工程顺利进行。
施工方案申请表
施工方案申请表
项目名称:__________________
项目地点:__________________
申请人:__________________
项目背景和目标:
____________________________________________________ 施工方案内容:
1. 工程概况:
a) 项目范围和规模:
b) 工程时限:
c) 工作地点及特殊环境因素:
d) 项目相关要求和标准:
2. 施工方案说明:
a) 施工方法与步骤:
b) 建筑物和结构设计:
c) 建筑材料和设备选用:
d) 安全措施和防护措施:
e) 施工人员组织和管理:
3. 相关计划和时间表:
a) 工程进度计划:
b) 资源分配计划:
c) 施工过程监督和质量控制计划:
d) 交付和竣工计划:
e) 其他相关计划和时间表:
4. 预算和费用控制:
a) 施工预算:
b) 费用控制措施:
c) 风险和变更管理:
5. 其他备注事项:
____________________________________________________ 申请人签字:__________________
日期:__________________。
施工组织设计、施工方案审批表
施工组织设计/(专项)施工方案报审表
工程名称:中粮可口可乐华中新厂建设项目工程
注:本表一式三份,项目监理机构、建设单位、施工单位各一份。
施工组织设计、施工方案审批表
施工组织设计/(专项)施工方案报审表工程名称:中粮可口可乐华中新厂建设项目工程
注:本表一式三份,项目监理机构、建设单位、施工单位各一份。
施工组织设计、施工方案审批表
施工组织设计/(专项)施工方案报审表工程名称:中粮可口可乐华中新厂建设项目工程
注:本表一式三份,项目监理机构、建设单位、施工单位各一份。
施工组织设计、施工方案审批表
施工组织设计/(专项)施工方案报审表工程名称:中粮可口可乐华中新厂建设项目工程
注:本表一式三份,项目监理机构、建设单位、施工单位各一份.。
专项施工方案审批表地下室专项施工方案审批表表A2-14工程名称欣隆•湖滨半岛商务楼施工单位新七建设集团有限公司结构形式框男/框架建筑面积32683.75m2层数2-17 层工程高度11.370~57.150m编制部门项目部质安部编制人林国顺审核审核人签字:意见R 月日(公章)审批公司总工/技术负责人:意见R 月日(公章)审查总监理工程师:意见R 月日(公章)悬挑式卸料平台专项施工方案审枇表表A2-14工程名称欣隆•湖滨半岛一期施工单位新七建设集团有限公司结构形式框架(11栋)建筑面积90000m2层数2-18 层工程高度8.25~55.9m编制部门项目部质安部编制人林国顺审核审核人签字:意见R 月日(公章)审批公司总工/技术负责人:意见R 月日(公章)审查意见总监理工程师:年月曰(公章)模板工程专项施工方案审批表表A2-14工程名称欣隆•湖滨半岛一期10#施工单位新七建设集团有限公司结构形式框架(11栋)建筑面积90000m2层数2-18 层工程高度8.25~55.9m编制部门项目部质安部编制人林国顺审核审核人签字:意见年月曰(公章)审批公司总工/技术负责人:意见R 月日(公章)审查总监理工程师:意见R 月日(公章)—临时用电—专项施工方案审批表表A2-14工程名称欣隆•湖滨半岛一期施工单位新七建设集团有限公司结构形式框架(11栋)建筑面积90000m2层数2-18 层工程高度8.25~55.9m编制部门项目部质安部编制人林国顺审核审核人签字:意见R 月日(公章)审批公司总工/技术负责人:意见R 月日(公章)审查总监理工程师:意见R 月日(公章)二宝四口防护___ 专项施工方案审批表表A2-14工程名称欣隆•湖滨半岛一期施工单位新七建设集团有限公司结构形式框架(11栋)建筑面积90000m2层数2-18 层工程高度8.25~55.9m年 月曰(公章)塔式起重机基础—专项施工方案审批表表 A2-14工程名称 欣隆•湖滨半岛一期 施工单位 新七建设集团有限公司结构形式框架(11栋)建筑面积90000m 2编制部门 项目部质安部 编制人 林国顺审核 意见审核人签字:年 月曰(公章)审批 意见公司总工/技术负责人:年 月曰(公章)审查 意见总监理工程师:层数2-18 层工程高度8.25~55.9m编制部门项目部质安部编制人林国顺审核审核人签字:意见R 月日(公章)审批公司总工/技术负责人:意见R 月日(公章)审查总监理工程师:意见R 月日(公章)—文明廷T ___ 专项施工方案审批表表A2-14工程名称欣隆•湖滨半岛一期施工单位新七建设集团有限公司结构形式框架/框男(11栋)建筑面积90000m2层数2-18 层工程高度8.25~55.9m编制部门项目部质安部编制人林国顺审核审核人签字:意见R 月日(公章)审批公司总工/技术负责人:意见R 月日(公章)审查总监理工程师:意见R 月日(公章)临时设施—专项施工方案审批表工程名称欣隆•湖滨半岛一期施工单位新七建设集团有限公司结构形式框架/框男(11栋)建筑面积90000m2层数2-18 层工程高度8.25~55.9m编制部门项目部质安部编制人林国顺审核审核人签字:意见R 月日(公章)审批公司总工/技术负责人:意见R 月日(公章)审查总监理工程师:意见R 月日(公章)―应急救援—专项施工方案审批表工程名称欣隆•湖滨半岛一期施工单位新七建设集团有限公司结构形式框架(11栋)建筑面积90000m2层数2-18 层工程高度8.25~55.9m编制部门项目部质安部编制人林国顺审核审核人签字:意见R 月日(公章)审批公司总工/技术负责人:意见R 月日(公章)审查总监理工程师:意见R 月日(公章)碗扣式钢管脚工架_专项施工方案审批表工程名称欣隆•湖滨半岛一期施工单位新七建设集团有限公司结构形式框架(11栋)建筑面积90000m2层数2-18 层工程高度8.25~55.9m编制部门项目部质安部编制人林国顺审核审核人签字:意见R 月日(公章)审批公司总工/技术负责人:意见R 月日(公章)审查总监理工程师:意见R 月日(公章)外用电梯—专项施工方案审批表工程名称欣隆•湖滨半岛一期施工单位新七建设集团有限公司结构形式框架(11栋)建筑面积90000m2层数2-18 层工程高度8.25~55.9m编制部门项目部质安部编制人林国顺审核审核人签字:意见R 月日(公章)审批公司总工/技术负责人:意见R 月日(公章)审查总监理工程师:意见R 月日(公章)塔式起重机安装、拆除—专项施工方案审批表工程名称欣隆•湖滨半岛一期施工单位新七建设集团有限公司结构形式框架(11栋)建筑面积90000m2层数2-18 层工程高度8.25~55.9m编制部门项目部质安部编制人林国顺审核审核人签字:意见R 月日(公章)审批公司总工/技术负责人:意见R 月日(公章)审查总监理工程师:意见R 月日(公章)施工升降机一专项施工方案审批表工程名称欣隆•湖滨半岛一期施工单位新七建设集团有限公司结构形式框架(11栋)建筑面积90000m2层数2-18 层工程高度8.25~55.9m编制部门项目部质安部编制人林国顺审核审核人签字:意见R 月日(公章)审批公司总工/技术负责人:意见R 月日(公章)审查总监理工程师:意见R 月日(公章)塔吊防碰撞—专项施工方案审批表工程名称欣隆•湖滨半岛一期施工单位新七建设集团有限公司结构形式框架(11栋)建筑面积90000m2层数2-18 层工程高度8.25~55.9m编制部门项目部质安部编制人林国顺审核审核人签字:意见R 月日(公章)审批公司总工/技术负责人:意见R 月日(公章)审查总监理工程师:意见R 月日(公章)混凝十济筑—专项施工方案审批表工程名称欣隆•湖滨半岛一期施工单位新七建设集团有限公司结构形式框架/框男(11栋)建筑面积90000m2层数2-18 层工程高度8.25~55.9m编制部门项目部质安部编制人林国顺审核审核人签字:意见R 月日(公章)审批公司总工/技术负责人:意见R 月日(公章)审查总监理工程师:意见R 月日(公章)扣件式钢管内脚手架—专项施工方案审批表工程名称欣隆•湖滨半岛一期施工单位新七建设集团有限公司结构形式框架/框男(11栋)建筑面积90000m2层数2-18 层工程高度8.25~55.9m编制部门项目部质安部编制人林国顺审核审核人签字:意见R 月日(公章)审批公司总工/技术负责人:意见R 月日(公章)审查总监理工程师:意见R 月日(公章)―电梯安装—专项施工方案审批表表A2工程名称欣隆•湖滨半岛一期施工单位新七建设集团有限公司结构形式框架/框男建筑面积97009.80m2层数2-18 层工程高度8.25~54.9m编制部门项目部编制人程德文审核审核人签字:意见R 月日(公章)审批公司总工/技术负责人:意见R 月日(公章)审查总监理工程师:意见R 月日(公章)―脚手架拆除___ 专项施工方案审批表表A2工程名称欣隆•湖滨半岛一期施工单位新七建设集团有限公司结构形式框架建筑面积97009.80m2层数2-18 层工程高度8.25~54.9m编制部门项目部编制人林国顺审核审核人签字:意见R 月日(公章)审批公司总工/技术负责人:意见R 月日(公章)审查总监理工程师:意见R 月日(公章)人工挖孔桩安全施工专项施工方案审批表表A2工程名称欣隆•湖滨半岛一期10# 楼施工单位新七建设集团有限公司结构形式框男建筑面积16029m2层数2-15 层工程高度8.25~54.9m编制部门项目部编制人林国顺审核意见审核人签字:R 月日(公章)审批意见公司总工/技术负责人:R 月日(公章)审查意见总监理工程师:R 月日(公章)。
专项施工方案申批表
下载附件教育市场推广方案 2010年4月22日这几天一直在培训核心竞争力什么不仅个人思
表
下载附件教育市场推广方案 2010年4月22日这几天一直在培训核心竞争力什么不仅个人思
表
下载附件教育市场推广方案 2010年4月22日这几天一直在培训核心竞争力什么不仅个人思
表
下载附件教育市场推广方案 2010年4月22日这几天一直在培训核心竞争力什么不仅个人思
表
下载附件教育市场推广方案 2010年4月22日这几天一直在培训核心竞争力什么不仅个人思
表
下载附件教育市场推广方案 2010年4月22日这几天一直在培训核心竞争力什么不仅个人思
表
下载附件教育市场推广方案 2010年4月22日这几天一直在培训核心竞争力什么不仅个人思
表
下载附件教育市场推广方案 2010年4月22日这几天一直在培训核心竞争力什么不仅个人思
表
下载附件教育市场推广方案 2010年4月22日这几天一直在培训核心竞争力什么不仅个人思
面
附
毕
论毕业论文致谢词
我的毕业论文是在韦xx老师的精心指导和大力支持下完成的,他渊博的知识开阔的视野给了我深深的启迪,论文凝聚着他的血汗,他以严谨的治学态度和敬业精神深深的感染了我对我的工作学习产生了深渊的影响,在此我向他表示衷心的谢意
这三年来感谢广西工业职业技术学院汽车工程系的老师对我专业思维及专业技能的培养,他们在学业
下载附件教育市场推广方案 2010年4月22日这几天一直在培训核心竞争力什么不仅个人思
上的心细指导为我工作和继续学习打下了良好的基础,在这里我要像诸位老师深深的鞠上一躬!特别是
我的班主任吴廷川老师,虽然他不是我的专业老师,但是在这三年来,在思想以及生活上给予我鼓舞与关怀让我走出了很多失落的时候,“明师之恩,诚为过于天地,重于父母”,对吴老师的感激之情我
无法用语言来表达,在此向吴老师致以最崇高的敬意和最真诚的谢意!
感谢这三年来我的朋友以及汽修0932班的四十多位同学对我的学习,生活和工作的支持和关心。
三年来我们真心相待,和睦共处,不是兄弟胜是兄弟!正是一路上有你们我的求学生涯才不会感到孤独,马上就要各奔前程了,希望(,请保留此标记。
)你们有好的前途,失败不要灰心,你的背后还有汽修0932班这个大家庭!
最后我要感谢我的父母,你们生我养我,纵有三世也无法回报你们,要离开你们出去工作了,我在心里默默的祝福你们平安健康,我不会让你们失望的,会好好工作回报社会的。
致谢词2
在本次论文设计过程中,感谢我的学校,给了我学习的机会,在学习中,老师从选题指导、论文框架到细节修改,都给予了细致的指导,提出了很多宝贵的意见与建议,老师以其严谨求实的治学态度、高度的敬业精神、兢兢业业、孜孜以求的工作作风和大胆创新的进取精神对我产生重要影响。
他渊博的知识、开阔的视野和敏锐的思维给了我深深的启迪。
这篇论文是在老师的精心指导和大力支持下才完成的
感谢所有授我以业的老师,没有这些年知识的积淀,我没有这么大的动力和信心完成这篇论文。
感恩之余,诚恳地请各位老师对我的论文多加批评指正,使我及时完善论文的不足之处。
下载附件教育市场推广方案 2010年4月22日这几天一直在培训核心竞争力什么不仅个人思
谨以此致谢最后,我要向百忙之中抽时间对本文进行审阅的各位老师表示衷心的感谢。
开学自我介绍范文:首先,我想说“荣幸”,因为茫茫人海由不相识到相识实在是人生一大幸事,更希望能在三年的学习生活中能够与大家成为好同学,好朋友。
其次我要说“幸运”,因为在短暂的私下接触我感觉我们班的同学都很优秀,值得我学习的地方很多,我相信我们班一定将是团结、向上、努力请保留此标记。
)的班集体。
最后我要说“加油”衷心地祝愿我们班的同学也包括我在内通过三年的努力学习最后都能够考入我们自己理想中的大学,为老师争光、为家长争光,更是为了我们自己
未来美好生活和个人价值,加油。
哦,对了,我的名字叫“***”,希望大家能记住我,因为被别人记
住是一件幸福的事!!
)查看更多与本文《高中生开学自我介绍》相关的文章。
下载附件教育市场推广方案 2010年4月22日这几天一直在培训核心竞争力什么不仅个人思。