1机构创新设计方案搭接实验
- 格式:ppt
- 大小:1.04 MB
- 文档页数:18
机构创新设计实验报告一、实验目的本次实验的目的是通过对机构创新设计的研究和实践,提高学生对创新设计的认识和理解,培养学生的创新思维和创新能力,并通过实际操作的方式锻炼学生的设计能力和动手能力。
二、实验内容本次实验的主要内容是设计一种可以自动清洁窗户的机器人。
实验要求学生根据给定的条件和要求,进行设计、制作和调试。
机器人需要能够自动感知窗户的污渍程度,并进行相应的清洁工作,同时需要保证机器人的安全和稳定性。
三、实验过程1.需求分析:在实验开始之前,我们首先进行了对需求的分析。
通过调研和讨论,我们确定了机器人需要具备以下功能:自动感知窗户的污渍程度、自动调整清洁工作的强度、确保清洁过程的安全性、保证机器人的稳定性。
2.设计方案:基于需求分析的结果,我们开始制定设计方案。
我们决定采用图像识别技术,通过摄像头感知窗户的污渍程度,并根据实时数据调整清洁工作的强度。
为了保证清洁过程的安全性,我们设计了多个安全措施,如机器人与窗户连接杆之间的自动断开装置和机器人控制系统的智能保护功能。
为了提高机器人的稳定性,我们采用了良好的结构设计和平衡措施。
3.制作与调试:在设计方案确定之后,我们开始进行机器人的制作和调试工作。
我们首先购买了所需的材料和元件,并组装成机器人的整体结构。
然后进行软硬件的集成和连接,编写控制程序和算法。
最后,我们进行了多次测试和调试,不断优化和改进机器人的工作效果和稳定性。
四、实验结果与分析经过多次调试和优化,我们最终成功地制作出了一台可以自动清洁窗户的机器人。
机器人能够自动感知窗户的污渍程度,并根据实时数据调整清洁工作的强度。
机器人的清洁效果和稳定性都达到了预期的要求。
五、实验总结与心得通过本次实验,我们深入了解了机构创新设计的重要性和挑战。
在实验中,我们不仅学习了如何进行需求分析、设计方案制定、制作与调试,还学会了团队合作和解决问题的能力。
在实践中,我们遇到了许多困难和挑战,但通过不断的努力和探索,最终取得了良好的实验结果。
《机构运动方案创新设计实验指导书-学生用-cxc》一、实验目的1.培养学生机构型综合的设计能力、创新能力和实践动手能力;2.培养学生综合应用所知识对机构的结构和运动性能加以评价的分析能力。
二、实验原理任何机构都是将基本组依次连接到机架和原动件上而构成的。
三、实验内容1.多功能移动式残病人浴缸翻转机构⑴上身部缸体翻转机构要求上身部缸体从水平位置向上翻转至70度,即翻转角为0-70度.可采用的机构:摆动导杆机构,导杆与上身部缸体固装在-起,带动缸体翻转。
由直线电机带动主动杆摆动。
双摇杆机构,上身部缸体作为从动摇杆,在主动摇杆驱动下作0-70度摆动.主动杆由直线电机带动摆动。
其它机构⑵腿部缸体翻转机构要求腿部缸体从垂直位置向上翻转至水平位置,利用死点保持腿部缸体在水平位置,借助凸轮机构破坏死点,使腿部缸体在重力作用下复位。
可采用机构:双摇杆机构,腿部缸体作为主动摇杆;其它机构2.牛头创床机构要求刨刀(安装在滑枕上)作直线往复运动。
可采用的机构:①转动导杆机构和曲柄滑块机构组合,由电机驱动主动件转动。
②摆动导杆机构和滑块机构组合,由电机驱动主动件转动。
③其它机构3.翻转机要求翻转模板装在连杆上,模板翻转180度。
①四杆机构,电机驱动。
②其它机构4.飞机起落架要求起落架上轮子从水平位置向下翻转至垂直位置,利用死点使起落架轮子保持在垂直位置。
可采用的机构:①四杆机构,电机驱动。
②其它机构5.插床机构要求插刀作垂直上下往复直线运动,向下时(工作行程)较慢,向上运动(空程)时速度较快。
可采用的机构:①双曲柄机构与曲构滑块机构组合,电机驱动。
②其它机构6.冲压成型机压头作垂直上下直线运动,以较小功率带动主动件运动时,滑块能产生巨大的冲压力。
可采用的机构:①六杆增力机构,电机驱动.②其它机构7.其他自选机构四、实验方法本搭接实验是在具有六根立柱的机架上完成的。
配有旋转电动机和直线电动机,以输出直线运动和旋转运动;配有齿轮、凸轮、带轮、槽轮等零件,通过搭接可完成直线、旋转、往复、间歇等运动传递;配有连杆、滑块座及连接零件,可搭接成各种执行机构。
机构运动方案创新设计的实验报告机构运动方案创新设计的实验报告一、概述机构运动方案创新设计是各类复杂机械设计中决定性的一步,机构的设计选型一般先通过作图和计算来进行,一般比较复杂的机构都有多个方案,需要制作模型来试验和验证,多次改进后才能得到最佳的方案和参数。
本实验所用搭接试验台能够任意选择平面机构类型,组装调整机构尺寸等功能,能够比较直观、方便的搭接、验证、调试、改进、确定设计方案,较好地改善了在校学生对平面机构的学习和设计一般只停留在理论设计“纸上谈兵”的状况。
二、实验目的掌握机构创新模型的使用方法及实验原理。
(1)训练学生的工程实践动手能力,培养学生创新意识及综合设计的能力。
(2)加深对平面机构的组成原理及其运动特性的理解和感性认识。
三、实验原理任何平面机构均可以用零自由度的杆组依次连接到原动件和机架上去的方法来组成,这是机构的组成原理,也是本实验的基本原理。
杆组的概念、正确拆分杆组及拼装杆组。
1.杆组的概念由于平面机构具有确定运动的条件是机构的原动件数目与机构的自由度数目相等,因此机构均由机架、原动件和自由度为零的从动件系统通过运动副联接而成。
将从动件系统拆成若干个不可再分的自由度为零的运动链,称为基本杆组,简称杆组。
根据杆组的定义,组成平面机构杆级的条件是:F=3n—2PL-PH=0。
其中构件数n,高副数PL和低副数PH都必须是整数。
由此可以获得各种类型的杆组。
最简单的杆组为n=2,PL=3,称为II级组,由于杆组中转动副和移动副的配置不同,II级杆组共有五种形式如图2-22所示。
III级杆组形式较多,其中n=4,PL=6,图2-23所示为机构创新模型已有的几种常见的III级杆组。
2.正确拆分杆组正确拆分杆组的三个步骤:(1)先去掉机构中的局部自由度和虚约束,有时还要将高副加以低代。
(2)计算机构的自由度,确定原动件。
(3)从远离原动件的一端(即执行构件)先试拆分II级杆组,若拆不出II级组时,再试拆III极杆组,即由最低级别杆组向高一级杆组依次拆分,最后剩下原动件和机架。
实验五组合机构的设计与搭接学号姓名:同组人员:一、实验目的1.加深学生对机构组成原理的认识,进步了解机构组成及其运动特性;2.训练学生的工程实践动手能力;3.培养学生创新意识及综合设计的能力。
二、内容与要求(1)实验前预习本实验,掌握实验原理,初步了解机构创新模型;(2)选择设计题目,初步拟定机构系统;(3) 用图解法或解析法完成机构系统的运动方案设计,并用机构创新设计模型加以实现;(4)绘制出机构系统的运动简图,并对所设计的系统进行简要的说明。
三.实验设备及工具1.机构运动创新方案实验台组件(参看附件“机构运动创新方案实验台组件清单”)1)凸轮;基圆半径为18mm, 从动推杆的行程为301。
2)齿轮:模数2,压力角20,齿数28或42, 两齿轮中心距为70m。
3)齿条:模数2,压力角20,单根齿条全长为200m,两齿条可拼接使用。
4)槽轮拔盘:两个主动销或一个主动销。
5)槽轮四槽。
6)主动轴:轴上带有平键。
7、8)圆头轴或扁头轴:轴上未带平键,圆头轴的轴端为圆头或扁头轴的轴端为扁头。
9)主动滑块插件:专用于机构主动件运动为往复移动时的情况。
10) 主动滑块座(与直线电机齿条固连)。
11)连杆(或滑块导向杆) :其圆孔与轴形成转动副,其长孔与滑块形成移动副。
12)压紧连杆用特制垫片:固定连杆时用。
13)转动副轴(或滑块) -2: 与固定转轴块配用时,可分别与两连杆形成转动副和移动副。
14)转动副轴(或滑块) -1:用于两构件形成转动副或形成移动副。
15)带垫片螺栓:规格M6,用于连杆与转动副轴形成转动副或移动副。
16)压紧螺栓:规格M6,用于连杆与转动副轴形成转动副。
17)运动构件层面限位套:用于不同构件运动平面之间的距离限定,以免发生不同构件之间的干涉。
18)皮带轮(皮带):传通土动运动,第四箱实践实验指导19)位杆转动地类零件与中形成转动品时用20因定转动块与通村固连,13件与选连开形成转动21)39)参看附件“机构运动创新万案实验台组件清单”中的说明40)直线电机:10mm/s 沿机架底部的长形孔可改变直线电机的位置。
结构组合创新实验一、实验目的1、熟悉组合创新的定义。
2、了解组合创新的重要意义。
3、掌握组合创新的方法。
4、进行通常机构的组合设计。
5、进行创意机构组合设计。
二、概述(一) 组合创新方法组合创新方法是指按照一定的技术原理,通过将两个或多个功能元素合并,从而形成一种具有新功能的新产品、新工艺、新材料的创新方法。
在组合中求发展,在组合中实现创新,这已经成为现代技术创新活动的一种趋势。
人类数千年的发展历程中积累了大量的各种技术,这些技术在其所应用的领域中逐渐发展成熟,有些已经达到相当完善的程度,这是人类的一笔巨大的财富。
为实现某些新的功能,将这些成熟的技术进行重新组合,形成新的功能元素,这样的创新活动如能满足某种社会需求,则将是一种成功率极高的创新方法。
由于形成组合的技术要素比较成熟,使得应用组合法从事创新活动的一开始就站在了一个比较高的起点上,不需要花费较多的时间、人力和物力去开发专门的新技术,不要求发明者对所应用的每一种技术要素都具有高深的专门知识,所以应用组合法从事创新活动的难度相对较低。
这种方法的应用有利于群众性的创造发明活动的广泛开展。
虽然组合创新法所使用的技术元素是已有的,当时它所实现的功能是新的,如果组合适当,同样可以做出重大的发明。
每一项技术在其初始应用的领域内有它的初始用途,通过将其与其他技术要素重新组合,扩大了已有技术的应用范围,更充分地发挥了已有技术的作用,推动了已有技术的进步,也推动了社会的进步。
组合创新方法有多种形式,从组合的内容区分有功能组合、原理组合、结构组合、材料组合等,从组合的方法区分有同类组合、异类组合等,从组合的手段区分有技术组合、信息组合等,部分常用组合方法如下:1、功能组合有些商品的功能已被用户普遍接受,通过组合可以为其增加一些新的附加功能,适应更多用户的需求。
2、材料组合有些应用场合要求材料具有多种特征,而实际上很难找到一种同时具备这些特征的材料,通过某些特殊工艺将多种不同材料加以适当组合,可以制造出满足特殊需要的材料。
搭建学生创新实验室方案引言学生创新实验室是培养学生创新能力的重要场所,为学生提供创新实践和科学研究的平台。
本文将从空间规划、工具设备、管理体系等多个方面,详细阐述搭建学生创新实验室的方案。
一、空间规划搭建学生创新实验室需要考虑合适的空间规划。
首先,实验室应具备一定的面积,以容纳各类实验、项目和设备。
其次,实验室需要设立独立的实验台和储物柜,以便学生进行实验和存放实验器材。
此外,实验室还应设置休息区和讨论区,供学生进行交流和合作。
最后,实验室内的布局应合理,将各个功能区划分明确,方便学生进行实验和研究。
二、工具设备学生创新实验室的工具设备是学生进行创新实践的基础。
在选择工具设备时,应根据实验室的定位和学生的需求,采购适合的实验设备、电脑、软件等。
此外,还需要考虑设备的质量和稳定性,以确保学生能够顺利进行实验和创新活动。
同时,实验室还应配备必要的安全设施和消防设备,确保学生的安全。
三、资源支持学生创新实验室的建设需要得到学校和社会的资源支持。
学校应提供一定的经费用于实验室的建设和运行,同时,还可以通过与企业合作、申请项目资金等方式,为实验室提供更多的资源。
此外,学校可以邀请专业人士和行业顶尖人才来实验室进行指导和讲座,为学生提供更广阔的学习机会。
社会资源的支持包括专业培训、实习机会和项目合作等,为学生提供更多的实践平台和机会。
四、鼓励创新学生创新实验室应该鼓励学生进行创新实践。
鼓励创新包括提供丰富多样的实践项目和活动,引导学生自主选择感兴趣的项目进行研究。
实验室还可以定期举办学术交流会、创新设计大赛等活动,激发学生的创新热情。
同时,学生创新实验室还应提供良好的学习氛围和团队合作机会,鼓励学生之间互相交流、合作和竞争,提高他们的创新能力。
五、导师指导学生创新实验室应提供导师指导。
导师在创新实验室中起到关键作用,他们可以对学生进行科研方向的指导和项目的管理。
导师可以从专业性、方法论和实践经验等方面提供指导和帮助,帮助学生解决实际问题和提升创新能力。
平面机构运动方案设计与拼装实验报告一、实验目的1、 加深学生对机构组成原理的认识,进一步理解平面机构的组成及其运动特性。
2、 通过平面机构拼装,训练学生的工程实践动手能力,了解机构在实际安装中可能出现的运动干涉现象及解决的办法。
3、 通过机构运动方案的设计,培养学生的创新意识和综合设计能力。
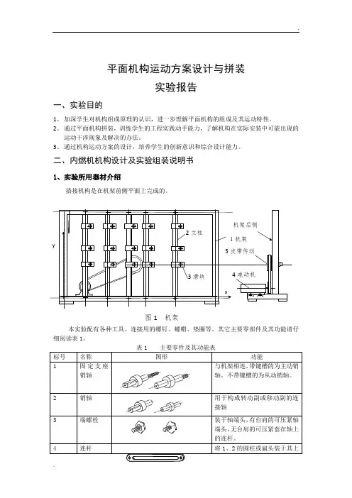
二、内燃机机构设计及实验组装说明书1、实验所用器材介绍搭接机构是在机架前侧平面上完成的。
本实验配有各种工具、连接用的螺钉、螺帽、垫圈等。
其它主要零部件及其功能请仔细阅读表1。
表1 主要零件及其功能表 标号 名称 图形功能1固定支座销轴 与机架相连,带键槽的为主动销轴。
不带键槽的为从动销轴。
2销轴用于构成转动副或移动副的连接轴3 端螺栓装于轴端头,有台肩的可压紧轴端头,无台肩的可压紧套在轴上的连杆。
4连杆将1、2的圆柱或扁头装于其上图1 机架1机架 xy2立柱3滑块4电动机5皮带传动机架后侧2、实验原理机构组成:曲柄滑块与摇杆滑块组合而成的机构,如图所示。
图:内燃机机构工作特点:当曲柄1座连续转动时,滑块6作往复直线移动,同时摇杆3作往复摆动带动滑块5作往复直线移动。
该机构用于内燃机中,滑块6在压力气体作用下作往复直线运动(故滑块6实际的主动件),带动曲柄1回转并使滑块5往复运动是压力气体通过不同的路径进入滑块6的左、右端并实现排气。
3、实验正确拼装运动副方案根据拟定或由实验中获得的机构运动学尺寸,利用机构运动方案创新设计实验台提供的零件按机构运动的传递顺序进行拼接。
拼接时,首先要分清机构中各构件所占据的运动平面,其目的是避免各运动构件发生运动干涉。
然后,以实验台机架铅垂面为拼接的起始参考面,按预定拼接计划进行拼接。
拼接中应注意各构件的运动平面是平行的,所拼接机构的外伸运动层面数愈少,机构运动愈平稳,为此,建议机构中各构件的运动层面以交错层的排列方式进行拼接。
机构运动方案创新设计实验台提供的运动副的拼接方法请参见以下介绍。
实验一基于机构组成原理的拼接设计一、实验目的1、加深学生对机构组成原理的认识,进一步了解机构组成及其运动特性;2、培养学生的工程实践动手能力;3、培养学生创新意识及综合设计的能力。
二、设备和工具1、创新组合模型一套:1)五种平而低副II级组,四种平而低副II级组,各杆长可在80-340mm内无级调整,其他各种常见的杆纟fl可根据需要自由装配;2)两种单构件髙副杆组3)八种轮丿郭的凸轮构件,其从动件可实现八种运动规律:i )等加速等减速运动规律上升200mm,余眩规律冋程,推程运动角180°,远休止角30° , 近休止角30°,冋程运动角120。
,凸轮标号为1;ii)等加速等减速运动规律上升20mm,余弦规律冋程,推程运动角180°,远休止角30° , 冋程运动角150°,凸轮标号为2;iii)等加速等减速运动规律上升20mm,余弦规律冋程,推程运动角180°,冋程运动角150° , 近休止角30°,凸轮标号为3;iv)等加速等减速运动规律上升20mm,余弦规律冋程,推程运动角180°,冋程运动角180° , 凸轮标号为4;v)等加速等减速运动规律上升35mm,余弦规律冋程,推程运动角180°,远休止角30° , 近休止角30°,冋程运动角120。
,凸轮标号为5;vi)等加速等减速运动规律上升35mm,余弦规律冋程,推程运动角180°,远休止角30° , 冋程运动角150°,凸轮标号为6;吋)等加速等减速运动规律上升35mm,余弦规律冋程,推程运动角180°,冋程运动角150° , 近休止角30°,凸轮标号为7;诚)等加速等减速运动规律上升35mm,余弦规律冋程,推程运动角180°,冋程运动角180° , 凸轮标号为8;4)模数相筹齿数不同的7种直齿圆柱齿轮,其齿数分别为17, 25, 34, 43, 51, 59, 68,可提供21种传动比:与齿轮模数相等的齿条一个。
机构创新设计实验报告机构创新设计实验报告引言:机构创新是现代社会发展的重要推动力之一。
在经济全球化和科技进步的背景下,机构创新设计成为了各行各业的关键课题。
本文将通过对一项机构创新设计实验的分析和总结,探讨机构创新的重要性以及实施机构创新设计的方法和策略。
一、实验目标和背景本次实验旨在探究如何通过机构创新来提高企业的竞争力和创新能力。
在当前竞争激烈的市场环境下,传统的组织结构和管理方式已经无法适应快速变化的需求。
因此,通过创新设计新的机构形式和管理模式,可以提高企业的灵活性、创新性和适应性。
二、实验过程和方法1.需求调研:首先,我们对企业内部和外部的需求进行了详细的调研。
通过问卷调查、面谈和市场分析等方式,我们了解到企业内部存在的问题和痛点,以及市场上的竞争情况和趋势。
2.创新思维培训:为了提高团队成员的创新思维能力,我们组织了一系列的培训活动。
通过学习创新案例、参加创新思维训练和开展头脑风暴等方式,培养了团队成员的创新意识和思维方式。
3.机构设计方案制定:基于需求调研和创新思维培训的结果,我们制定了一套创新的机构设计方案。
该方案包括组织结构调整、决策流程优化、新的工作流程设计等内容,旨在提高企业的创新能力和效率。
4.实施和改进:我们在一部分企业内部进行了试点实施,并根据实际情况进行了不断的改进和调整。
通过实施过程中的反馈和评估,我们不断优化机构设计方案,提高了实施效果。
三、实验结果和总结通过本次机构创新设计实验,我们获得了以下几点结果和总结:1.机构创新可以提高企业的竞争力和创新能力。
通过优化组织结构和流程,减少决策层级和提高信息流通效率,可以加快创新和决策的速度,提高企业的灵活性和适应性。
2.创新思维是机构创新的重要基础。
培养团队成员的创新意识和思维方式,可以激发创新的潜能,推动机构创新的实施。
3.实施机构创新需要持续的改进和调整。
机构创新并非一蹴而就的过程,需要根据实际情况进行不断的改进和调整,以适应不断变化的环境和需求。
机构创新设计与搭接实验报告第一篇:机构创新设计与搭接实验报告实验报告机构创新设计与搭接实验姓名:学号:班级:成绩:一、实验目的:二、实验设备:三、实验内容:你所设计搭接的机构名称:(1)画出实际拼装的机构运动简图,并在简图中标注实测得到的机构运动学尺寸;机构运动简图:(2)分析机构的运动学特性;一般包括如下几个方面:1)机构由几部分组成;2)输出件是否具有急回特性、有无冲击、最大行程等;3)最小传动角(或最大压力角)是否在非工作行程中;4)机构的运动是否连续;5)机械运动过程中是否具有刚性冲击和柔性冲击;(3)分析拼装过程中出现的问题和意见;(4)附上搭接图片(请拍照并打印)第二篇:机构运动创新设计实验报告实验十三机构运动创新设计实验报告班级:学号:姓名:一.实验目的二.实际拼装的机构运动方案图三.绘制实际拼装的机构运动方案简图四.简要说明机构感组的拆组过程,并画出所拆杆组的简图五.根据你所拆开的杆组,按不同的顺序进行排列,可能组合的机构运动方案有哪些?要求用简图表示出来。
就运动传递情况作方案比较,并简要说明之第三篇:机构创意组合设计实验报告格式机构创意组合设计实验一、实验目的1、认识典型机构2、设计实现满足不同运动要求的传动机构系统3、设计拼装机构系统二、实验原理机械传动系统的设计是机械设计中极其重要的一个环节,其中了解常用传动机构,合理设计传动系统是一个认识和创新的过程。
为了实现执行机构工作的需求(运动,动力),我们必须利用不同机构的组合系统来完成。
因此对于常用机构,如杆机构,齿轮传动机构,间歇运动机构,带,链传动机构的结构及运动特点应有充分的了解,在此基础上,我们可以利用它们所在组合成我们需要的传动系统。
执行机构常见的运动形式有回转运动,直线运动和曲线运动,传动系统方案的设计将以此为目标。
执行机构的运动不仅仅有运动形式的要求,而且有运动学和动力学的要求。
因此我们必须对设计好的传动系统中的重要运动构件进行运动学和动力学分析(速度,加速度分析),使执行构件满足运动要求(如工作行程与回程的速度要求,惯性力要求,工作行程要求等)。
机构创新设计实验机构创新设计实验一、实验目的1、进行通常轴系结构设计;2、进行创意轴系结构设计;3、掌握机构设计的方法——机构的选型和机构的构型;4、了解机构设计的原则。
二、概述[一]机构创新设计一个好的机械原理方案能否实现,机构设计是关键。
机构设计中最富有创造性、最关键的环节,是机构形式的设计。
常用机构形式的设计方法有两大类,即机构的选型和机构的构型。
(一)机构形式设计的原则机构形式设计具有多样性和复杂性,满足同一原理方案的要求,可采用不同的机构类型。
在进行机构形式设计时,除满足基本的运动形式、运动规律或运动轨迹要求外,还应遵循以下几项原则。
1、机构尽可能简单(1)机构运动链尽量简短(2)适当选择运动副(3)适当选择原动机(4)选用广义机构2、尽量缩小机构尺寸机械的尺寸和重量随所选用的机构类型不同而有很大差别。
众所周知,在相同的传动比情况下,周转轮系减速器的尺寸和重量比普通定轴轮系减速器要小得多。
在连杆机构和齿轮机构中,也可利用齿轮传动时节圆作纯滚动的原理或利用杠杆放大或缩小的原理等来缩小机构尺寸。
一般说来,圆柱凸轮机构尺寸比较紧凑,尤其是在从动件行程较大的情况下。
盘状凸轮机构的尺寸也可借助杠杆原理相应缩小。
3、应使机构具有较好的动力学特性机构在机械系统中不仅传递运动,而且还要起到传递和承受力(或力矩)的作用,因此要选择有较好的动力学特性的机构。
(1)采用传动角较大的机构(2)采用增力机构(3)采用对称布置的机构(二)机构的选型所谓机构的选型,是指利用发散思维的方法,将前人创造发明出的各种机构按照运动特性或实现的功能进行分类,然后根据原理方案确定的执行构件所需要的运动特性或实现功能进行搜索、选择、比较和评价,选出合适的机构形式。
1、按运动形式要求选择机构机构选型一般先按执行构件的运动形式要求选择机构,同时还应考虑机构的功能特点和原动机的形式。
机械系统中,电动机输出轴的运动为转动,经过速度变换后,执行机构的原动件的运动形式亦为转动时,而完成各分功能的执行构件的运动形式却是各种各样的。
机构创意组合实验的创新之处引言机构创意组合实验是一种新兴的研究方法,它通过将不同的机构创意进行组合实验,探索创意之间的相互作用和影响,以及其对创新的贡献。
本文将从多个角度探讨机构创意组合实验的创新之处。
创新之一:多机构合作传统的创意研究往往聚焦于单个机构的创意,忽略了不同机构之间的相互作用。
然而,在实际创新过程中,不同机构之间的合作是非常常见的。
机构创意组合实验通过将多个机构的创意进行组合,模拟实际创新过程中的多机构合作,使研究结果更具现实意义。
1.1 多机构合作的优势多机构合作可以带来以下优势: - 资源共享:不同机构拥有不同的资源和专长,通过合作可以共享这些资源,提高创新效率。
- 信息互通:不同机构之间的合作可以促进信息的互通和共享,扩大创意的视野。
- 创新激发:多机构合作可以激发创意的碰撞和融合,产生更具创新性的解决方案。
1.2 多机构合作的挑战多机构合作也面临一些挑战: - 协调问题:不同机构之间的合作需要协调各方利益和意见,可能存在沟通和合作障碍。
- 知识共享:不同机构的知识体系和文化差异可能导致知识共享的困难。
- 利益分配:多机构合作涉及到利益的分配,需要解决合作过程中的利益冲突问题。
创新之二:创意组合实验机构创意组合实验的创新之处还在于采用了创意组合实验的方法。
传统的创意研究往往将创意看作是孤立的个体,忽略了创意之间的相互关系。
而创意组合实验则将多个创意进行组合,探索创意之间的相互作用和影响。
2.1 创意组合实验的意义创意组合实验的意义在于: - 发现新的创新组合:通过创意组合实验,可以发现不同创意之间的关联和相互作用,从而形成新的创新组合。
- 探索创意之间的相互影响:创意之间的相互影响是创新过程中的重要因素,通过创意组合实验可以深入探索这种影响。
- 提高创意评估的准确性:传统的创意评估方法往往只关注单个创意的评估,而创意组合实验可以提供更准确的创意评估结果。
2.2 创意组合实验的设计创意组合实验的设计需要考虑以下几个方面: - 创意选择:选择具有代表性和多样性的创意进行组合实验,以尽可能地涵盖各种情况。
机构创新设计实验报告机构创新设计实验报告一、引言机构创新设计是指以创新的思维和方法,对机构的组织结构、流程和制度进行重新设计和优化,以提高机构的效率和适应性。
本实验旨在探索机构创新设计的方法和效果,并对其在实践中的应用进行评估和总结。
二、实验设计1. 实验目标本次实验的主要目标是通过对一个虚拟机构进行创新设计,评估创新设计对机构效率和适应性的影响,并总结创新设计的方法和经验。
2. 实验步骤(1)确定机构的现状和问题:首先对虚拟机构进行全面的调研和分析,确定机构的现状和存在的问题,如组织结构不合理、流程繁琐、制度僵化等。
(2)制定创新设计方案:根据机构的问题和目标,制定创新设计方案,包括组织结构调整、流程优化和制度创新等。
(3)实施创新设计方案:根据制定的方案,对机构进行创新设计,并逐步实施。
(4)评估创新设计效果:通过对创新设计方案的实施效果进行评估,包括机构效率的提升、适应性的增强等。
(5)总结创新设计经验:总结创新设计的方法和经验,为后续的机构创新设计提供参考。
三、实验结果与分析1. 机构创新设计的效果通过实验的实施和评估,我们发现机构创新设计对机构的效率和适应性有着显著的影响。
创新设计方案的实施使机构的组织结构更加合理,流程更加简化,制度更加灵活,从而提高了机构的工作效率和响应速度。
2. 创新设计的方法和经验(1)充分了解机构的现状和问题:在进行创新设计之前,需要对机构的现状和问题进行全面的了解和分析,只有准确把握机构的问题,才能制定出切实可行的创新设计方案。
(2)注重组织结构的优化:机构的组织结构是决定其运行效率和适应性的关键因素之一。
在创新设计中,需要注重组织结构的优化,包括职能划分、层级关系和沟通协作等方面的调整。
(3)简化流程,提高效率:机构的流程繁琐和冗杂是影响其效率的主要问题之一。
在创新设计中,需要注重简化流程,减少不必要的环节和手续,提高工作效率。
(4)灵活制度,增强适应性:机构的制度是规范其运行的重要依据,但过于僵化的制度会限制机构的发展和适应性。
实验六机构创意组合实验一、实验目的1.加深学生对平面机构组成原理的认识,进一步了解机构组成及运动特性;2.训练学生的工程实践动手能力。
培养学生创新意识及综合设计的能力。
二、实验设备及工具1、ZBS—C 平面机构创意组合分析测试实验台及附件:齿轮、齿条、槽轮、凸轮、转动轴、连杆、各种连接组合零部件等。
2、装拆工具:十字起子、活动板手、内六角板手、钢板尺、卷尺等。
3.(自备)草稿纸、笔、绘图工具等三、实验要求1.每一组实验前拟一份机构运动设计方案,实验后提交新设计方案;2.完成实验后各组将机械零部件“物还原位”,老师验收后方可离去;四、实验原理及方法根据平面机构的组成原理:任何平面机构都可以由若干个基本杆组依次联接到原动件和机架上而构成,故可通过选定的机构类型,拼装该机构并进行分析。
五.实验内容1.自行到实验室熟悉本实验中的实验装置,各种零部件、装拆工具的功用。
了解机构的拼接方法,拟订自己的机构运动方案的拼接步骤;2.自拟或课本提供的机构运动方案做为拼接对象;3.拼接机构,将各基本杆组按运动传递规律顺序拼接到原动件和机架上。
4、绘制运动简图,分析所拼接的平面机构5.根据平面机构的组成的原理,利用常用的零部件拼接调整,设计一种具有新型的带发明创造性的组合机构。
每一组提交一份机构创新设计方案。
6.最后把组合机构安装在实验平台上,进行测试分析、运动分析、实验结果分析、总结这次实验的步骤,并写出实验报告。
六.完成实验报告实验六机构创意组合实验报告专业班级第组姓名成绩一、机构运动简图(要求符号规范标注参数)二、机构的设计方案图(可贴复印件)三、机构有个活动构件。
有个低副,其中转动副个,移动副个,有复合铰链,在处。
有个虚约束,在处。
四、机构自由度数目为F=3n-2P H-P L=3× -2× -0=五、机构有个原动件在处用驱动,在处用驱动。
六、针对原设计要求,按照实验结果简述机构的有关杆件是否运动到位、曲柄是否存在、是否实现急回特性、最小传动角数值、是否有“卡住”现象。