开关量采集模块
- 格式:doc
- 大小:3.15 MB
- 文档页数:6
LR6012 GSM短信无线开关量采集模块一、产品介绍GPRS/GSM 短信数据采集模块内置工业级GPRS/GSM无线模块和工业级的微处理器设计,提供标准RS485或RS232数据接口,可以方便的连接各类采集模块、电脑等设备,并且通过电脑进行参数配置,也可以读取数据。
数据采集模块内置2路开关量采集,并且可扩展开关量模块,用户可以通过远程短信或GPRS来获取开关量数据,实现远程无线的数据采集和远程控制。
二、功能特性 1、开关量输入:2路,支持无源干接点输入。
2、支持控制模块的接入,实现远程控制的功能。
3、支持GSM短信格式4、可以通过短信对进行远程控制和查询查询命令:readstate,返回:state=0,1,0,0,1,0,0,1,1,0,end;0表示信号无(即干接点断开状态), 1表示有信号输入(即干接点闭合接通状态).顺序为GSM模块的为第1、2个数据,第3到第10个数据为开关量输入模块对应的通道。
控制命令:ctl02,表示控制第2通道,对应控制模块的通道2,ctl03表示控制通道3。
控制成功后返回”OK”5、状态变化自动发送短信。
6、可设置5个授权号码;7、通过RS485可外接扩展模块。
达到开关量通道的扩充,通过接入8路的数字采集模块,可以达到10路及及以上。
三、技术参数GSM/GPRS通讯频段: 900/1800 MHzSIM卡参数: 1.8V, 3 V串口标准: RS-485,外接扩展模块波特率:9600bps工作温度:-30 to 70度工作湿度5 to 95% RH储藏温度:-40 to 75度输入电压:直流5V,或定做四、应用范围各类无人值守机房、厂房、野外等场所的数据采集,水文检测等。
电力监控、油田监测、远程抄表、路灯监控、环境监测、气象监测、水利监测、热网监测、电表监测、机房监控、交通指示、煤炭监控、地震监测、供水监控、高速公路监测、环保重点污染源监控、供水管网实时传输监控、电力配网自动化遥控系统等。
A-7053开关量采集器用户手册产品概述:A-7053模块通过RS-485通讯,支持MODBUS协议。
可以采集直流数字量信号和干节点,产品具有内置的微处理器和坚固的工业级塑料外壳,具有最佳的网络配置灵活性,非常适合小型分散的I/O系统。
被广泛的应用于各种工业环境;安全性高,保障系统安全。
产品特点:●采用可插拔端子,便于安装维护。
●集转换和采集于一体,降低成本,简化安装和提高可靠性。
●同时监控16路干节点信号或高低电平信号,实现对各种开关量输出设备的监测。
●采用RS485通讯接口方式,通讯距离最大可达1200米,采用标准Modbus协议和DCON协议编程,兼容性强,可完全替代泓格同类产品,接入系统方便。
●多种通讯波特率供用户选择,更改波特率/地址方便,适用于不同场合。
●各通道状态均有指示灯指示,同时具有电源指示灯和运行指示灯,可以更加直观地了解采集器工作状态。
产品技术指标:●通讯接口:RS485(默认产品地址为FF)●波特率:2400/4800/9600/19200(默认为9600bp)●地址范围:0—255(默认产品地址为255)●供电电源:12VDC1A●开关量输入:干接点,或高低电平。
●开关量:100%准确●外型尺寸:120*73*32mm●重量:260G外型尺寸图:通讯地址和波特率的更改:请参照A-7053开关量采集器通讯协议的通讯地址和波特率更改部分。
接线端子说明:+12V:直流12V电源正极输入GND:直流12V电源负极输入RS485+,RS485-:RS485通讯接口Di0—Di5:16路干节点接入端口,[Di0,GND];[Di1,GND];[Di2,GND];[Di3,GND];[Di4,GND],[Di5,GND],[Di6,GND];[Di7,GND];[Di8,GND];[Di9,GND];[Di10,GND],[Di11,GND],[Di12,GND],[Di13,GND],[Di14,GND],[Di15,GND]。
一般模拟量是指现场的水井水位、水塔水位、泵出口压力和出口流量等模拟量,需要通过多路复用芯片完成多路数据的采集和模数转换器完成模拟量和数字量的转换,再将采集的数据给CPU处理。
模拟电子技术模拟电子技术研究的是连续信号称为模拟量.数字电子技术研究的是断续信号称为数字量.根据这一点提出问题:大家非常熟悉也都会用的算盘它的数据是连续的还是断续的。
AD转换器AD转换器(模数转换器)的作用是从信号加工放大器输入的0~5V的直流电信号通常称为模拟量,可用无限长的数字来表示,如4.8213.…(V),计算机处理这些模拟量,只能处理有限长度的量,我们称之为数字量。
量测压量测值电压值、有功功率、无功功率、温度和变压器抽头位置等均用量测值表示与状态量(也称逻辑量)对照也称为模拟量。
因日立仪器吸取试剂时并不是按参数设置的体积吸取,而是要多吸一部分(此部分称为模拟量),此种设计的目的是为了防止试剂被稀释。
工作模式比较人们把连续变化的物理量称为模拟量.指针式万用表的指针偏转可随时间作连续变化,并与输入量保持一种对应关系,故称之为模拟式万用表(VOM)。
遥测遥测——反映电力系统及设备的运行状态如有功功率、无功功率、电压、电流及频率等也称为模拟量.电量——这是功率对时间的积分量主要用于统计与记帐。
与数字量区别数字量在时间上和数量上都是离散的物理量称为数字量。
把表示数字量的信号叫数字信号。
把工作在数字信号下的电子电路叫数字电路。
例如:用电子电路记录从自动生产线上输出的零件数目时,每送出一个零件便给电子电路一个信号,使之记1,而平时没有零件送出时加给电子电路的信号是0,所在为记数。
可见,零件数目这个信号无论在时间上还是在数量上都是不连续的,因此他是一个数字信号。
最小的数量单位就是1个。
模拟量在时间上或数值上都是连续的物理量称为模拟量。
把表示模拟量的信号叫模拟信号。
把工作在模拟信号下的电子电路叫模拟电路。
例如:热电偶在工作时输出的电压信号就属于模拟信号,因为在任何情况下被测温度都不可能发生突跳,所以测得的电压信号无论在时间上还是在数量上都是连续的。
C2000 MD828路输入2路输出智能数字量采集器使用说明目录第1章概述.................................................................................................................. - 3 -1.1 概述................................................................................................................. - 3 -1.2 技术参数......................................................................................................... - 4 - 第2章外观及引脚说明.............................................................................................. - 5 -2.1 产品外观......................................................................................................... - 5 -2.2 指示灯............................................................................................................. - 5 -2.3 引脚说明......................................................................................................... - 6 - 第3章外观尺寸.......................................................................................................... - 7 -3.1 前视图............................................................................................................. - 7 -3.2 顶视图............................................................................................................. - 7 -3.3 后视图............................................................................................................. - 8 -3.4 侧视图............................................................................................................. - 9 - 第4章快速安装........................................................................................................ - 10 -4.1 单体安装....................................................................................................... - 10 -4.2 并列安装....................................................................................................... - 11 -4.3 堆叠安装....................................................................................................... - 12 -4.4 产品接线图................................................................................................... - 13 - 第5章软件操作........................................................................................................ - 14 -5.1 设置............................................................................................................... - 14 -公司地址:深圳市福田区彩田路中银大厦A座16层- 1 -5.2 查询状态....................................................................................................... - 16 - 第6章通信协议........................................................................................................ - 17 -6.1 功能码........................................................................................................... - 17 -6.2 寄存器列表................................................................................................... - 20 -6.3 错误代码表................................................................................................... - 21 -6.4 协议应用范例............................................................................................... - 22 -6.4.1 Modbus RTU简介 .............................................................................. - 22 -6.4.2 MD82实际命令举例 ......................................................................... - 25 - 第7章装箱清单........................................................................................................ - 27 - 第8章附录:产品保修卡........................................................................................ - 28 -公司地址:深圳市福田区彩田路中银大厦A座16层- 2 -第1章概述1.1 概述C2000 MD82 为8 路数字量输入(DI)和2 路数字量输出(DO)采集控制设备,DO可以输出常开(NO)、常闭(NC)两种状态。
C2000 M232-M 1路RS232转TCP/IP、16DI、16DO 带导轨增强型32位开关量网络采集模块使用说明目录第1章概述.................................................................................................................. - 3 - 第2章技术参数.......................................................................................................... - 5 - 第3章硬件说明.......................................................................................................... - 7 -3.1产品外观.......................................................................................................... - 7 -3.2 指示灯............................................................................................................. - 7 -3.3 引脚说明......................................................................................................... - 8 -3.4 接线示意图................................................................................................... - 11 - 第4章软件说明........................................................................................................ - 12 -4.1 虚拟串口管理程序....................................................................................... - 12 -4.1.1 使用快速设置进行设置.................................................................... - 12 -4.1.2 使用设置进行设置............................................................................ - 15 -4.1.3 使用批量设置进行通讯.................................................................... - 23 -4.1.4 延时补偿............................................................................................ - 23 -4.2 C2000设置程序 ......................................................................................... - 24 -4.2.1 使用快速设置进行设置.................................................................... - 25 -4.2.2 使用设置进行设置............................................................................ - 26 -4.2.3 使用批量设置进行设置.................................................................... - 28 -4.2.4 远程设置和远程查询状态................................................................ - 28 -4.3 IE浏览器设置(需知道转换器IP地址).................................................. - 30 -4.4测试程序........................................................................................................ - 33 -4.3.1 C2000工作在“TCP Client”模式 ................................................ - 34 -4.3.2 C2000工作在“TCP Server”模式................................................ - 36 -4.5串口测试程序............................................................................................... - 40 - 第5章 MODBUS TCP协议介绍................................................................................... - 41 -5.1 通信协议.................................................................................................... - 41 -5.1.1 功能码................................................................................................ - 41 -5.1.2 寄存器列表........................................................................................ - 43 -5.1.3 错误代码表...................................................................................... - 46 -5.2 协议应用范例............................................................................................... - 46 -5.2.1 读寄存器命令举例............................................................................ - 47 -5.2.2 写寄存器命令举例............................................................................ - 49 - 第6章装箱清单........................................................................................................ - 51 - 第7章产品保修卡.................................................................................................... - 52 -第1章概述C2000 M232-M是增强型金属外壳带导轨的RS232和开关量到TCP/IP的协议转换模块,它向上提供10M/100M自适应以太网接口,向下提供1个标准RS232串行口和32个开关量接点。
开关量采集模块使用手册适用型号:AIO-211版本:Aio-24di211_cn_user_V1.2简介AIO-211 模块可实现24路开关量输入监测。
通讯接口为1路RS-485口,MODBUS-RTU通讯协议。
DC10~30V电源供电。
可应用于各种工业自动化测量与控制系统中。
开关的状态信号可通过开关量输入返回到主机,开关量输入可带计数功能,可作为脉冲计数输入。
目录第一章、产品介绍 (3)1.1.功能特点 (3)1.2. 技术参数 (3)第二章、产品应用 (4)2.1. 外形及安装 (4)2.2. 端子定义 (5)2.3. 典型接线 (5)2.4. 应用说明 (6)第三章、Modbus寄存器列表 (7)第四章、通讯规约 (8)4.1 MODBUS-RTU通讯规约示例 (8)第五章、注意事项 (11)1.1.功能特点⏹通信规约采用标准Modbus-RTU方式;⏹带ESD保护电路的RS-485通信接口;⏹宽工作电压DC10~30V,并具防接反保护功能;⏹采用工业级芯片,内置看门狗,并具有完善的防雷抗干扰措施;⏹24路开关量输入,可有源或无源空触点输入;⏹35mm 标准DIN导轨安装。
1.2. 技术参数1.2.1 开关量输入1) 24路,无源触点或电压型输入2) 逻辑电平:0~0.5V或短接为0,+3~30V或开路为1;(201-1型为相反)3) 输入电平范围:0~30V,极限范围为-10~40V;4) 计数功能:计数采样频率1KHz,要求脉冲高低电平的宽度都>1mS ;当模块检测到各通道有1至0的跳变时计数值加1;每一路最大计数值4字节:FFFFFFFFH。
1.2.2 通讯接口1) 接口类型:1路RS-485通讯接口2) 通讯规约:MODBUS-RTU标准规约3) 通讯地址:1~247可设置4) 数据格式:可软件设置,“n,8,1”、“e,8,1”、“o,8,1”、“n,8,2”5) 通讯速率:可设置1200、2400、4800、9600、19200、38400Bps;1.2.3 隔离:不隔离,所有信号共GND;1.2.4 电源1) DC+10~30V供电,峰值电压不得超过+40V;典型功耗:≤0.3W;1.2.5 工作环境1) 工作温度:-20~+70℃;存放温度:-40~+85℃;2) 相对湿度:5~95%,无结露(在40℃下);3) 海拔高度:0~3000米;4) 环境:无爆炸、腐蚀气体及导电尘埃,无显著摇动、振动和冲击的场所;1.2.6 温度漂移:≤100ppm/℃;1.2.7 安装方式:35mm 标准DIN导轨安装1.2.8 模块尺寸:118×107×59mm2.1. 外形及安装图 2.1 外形尺寸图(单位:mm)安装:采用35mm 标准DIN导轨安装,固定导轨后,将模块卡入导轨即可;接线:●将相应的连接端子插入模块;●使用0.2~3.3mm²的电缆,从每条线的端部剥去6mm连接在端子上,并将导线插入连接端子的相应位置。
在各种工业及行业应用中,经常需要采集各种开关量信号。
在工程实施过程中,很多时候,信号离监控主机的距离很远,需要布很长的信号线,或者布线不方便。
方竹电子推出了无线开关量采集模块,非常方便得解决了这个问题,实现无线的远程采集,降低了工程实施难度,又节约了成本。
该开关量采集方式由无线开关量采集模块和无线开关量输出模块组成。
原来的信号端接无线开关量采集模块,远端的主机系统接无线开关量输出模块,中间RF 无线传输;由于输出的仍然是开关量信号,因此对于用户来说,感觉只是将远处的采样设备搬到了近处而已,原有监控系统不需要做任何改动,却省却了布线。
1. 系统说明1.1. 系统框架无线开关量采集系统框架图注意:在P2P 使用的系统中,DO 模块作为无线网关使用;DI 作为无线终端设备。
以下说明书中的无线网关指DO 模块,终端设备指DI 模块。
1.2. 产品选型型号 类型FZ4050-C6 RF 无线开关量采集模块,支持干/湿节点输入 FZ4051-C6 RF 无线开关量输出模块,有源集电极开路输出(OC 门输出)FZ4060-C6RF 无线开关量输出模块,无源继电器输出P2P 使用:FZ4050开关量采集模块←→FZ4051开关量输出模块;FZ4050开关量采集模块←→FZ4060继电器输出模块。
1.3. 性能指标FZ4050为6通道隔离数字量输入模块,支持干/湿节点输入,P2P 无线通信。
FZ4051为6通道数字量输出模块,P2P 无线通信。
FZ4060为4通道继电器输出模块,P2P 无线通信。
性能指标无线性能无线协议FZMacPRO无线频段 433MHz ,ISM 全球免费频段 组网方式P2P通信距离≥1800米@2400bps(空旷环境)通用性能通信协议 MODBUS-RTU 串口性能 默认9600-8-N-1,可设 供电 8~38VDC 功耗 0.3W@12VDC外壳 钣金101.1mm ×80.4mm ×25.5mm 安装方式 壁挂(或导轨,选配)安装工作环境 -10~65℃;0%RH~90%RH (非结露) 存储条件 -20~80℃;0%RH~90%RH (非结露)FZ4050开关量输入通道数 6 输入电平干节点逻辑电平0:开 逻辑电平1:关(接地)湿节点逻辑电平0:+3 Vmax 逻辑电平1:+10V ~ 25VFZ4060继电器输出 通道数 4路A 型负载驱动 5A @30VDC ,5A@250VAC 开关时间继电器接通时间(典型):3毫秒 继电器断开时间(典型):1毫秒FZ4051开关量输出通道数 6负载驱动5~40V 集电极开路输出(200mA 最大负载电流)备注:1、干节点:无源开关,具有闭合和断开的2种状态;2个接点之间没有极性,可以互换。
16路开关量采集模块使用说明书1功能简介1.1产品特点◆DC7-30V宽电压供电,支持防反接;◆8路开关量输入,DI输入有光耦隔离,用于开关检测,支持干湿接点;◆2路红色LED指示,用于指示电源和工作状态;8路继电器状态指示◆通讯接口支持 RS485 + RS232,电源隔离加信号隔离,通讯可靠;◆通信波特率:300bps~38400bps(可以通过软件修改,默认9600);◆通信协议:支持标准 modbus RTU协议,按寄存器地址读写;◆可以设置 253个设备地址。
5位地址拨码开关可以设置 1-31地址码,大于 31的可以通过软件设置;◆支持输入输出联动,如本机联动或双机联动,方便多端控制;◆配套设置软件,用于设置参数和IO控制;◆支持软硬件定制,欢迎咨询(本产品不带网络接口(VX:xyzn3333))1.2选型表1.3设备参数2产品图片2.1通讯接线本产品默认地址为1,拨码开关出厂均在off状态。
上位机软件可以使用默认地址1来跟设备通讯(或者广播地址254,仅适用网内挂载一台设备的情况)。
2.1.1RS485接线2.1.2RS232接线2.2开关量输入接线开关量输入接口兼容干湿节点,请注意有源信号和无源信号的不同接法。
开关量采集端子的内部光耦电路如下,V-(DGND)为光耦负公共端,传感器信号分别接V+(VIN) 和Inx即可。
2.2.1有源信号接线示意图适用测量带电压的信号,如电平高低,脉冲输出。
2.2.2无源开关量(干接点)接线适用于采集无源触点信号,如开关,按键。
3参数及工作模式配置3.1设备地址3.1.1设备地址的介绍本设备的软件地址默认为 1,使用广播地址为 254 也可进行通讯,用0无法通讯。
注意:没有拨码开关的设备,通讯地址 = 软件地址。
拨码开关地址表通讯地址 = 硬件地址(拨码开关地址) + 软件地址。
出厂设备使用通讯地址1即可通讯。
3.1.2设备通讯地址的读取设备正常链接后,然后点击串口继电器配套调试软件上方“读取地址”,即可读到设备的当前地址【仅支持总线上存在一台设备时,进行广播读取地址】。
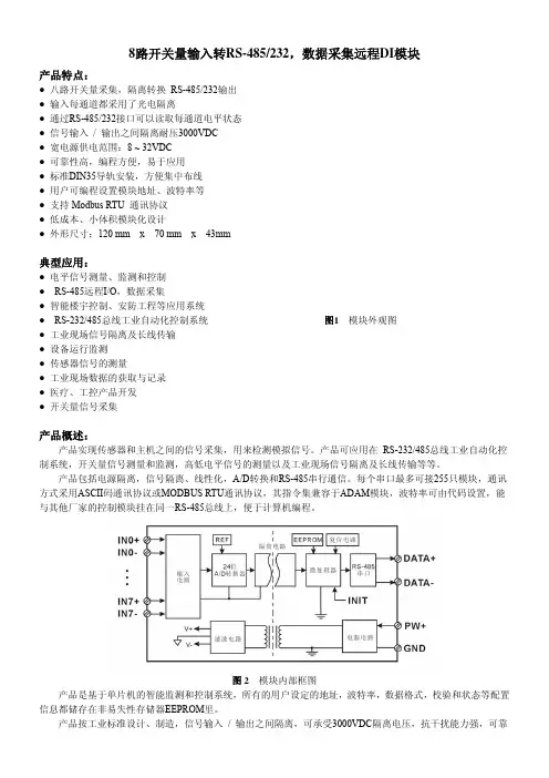
8路开关量输入转RS-485/232,数据采集远程DI模块产品特点:●八路开关量采集,隔离转换 RS-485/232输出●输入每通道都采用了光电隔离●通过RS-485/232接口可以读取每通道电平状态●信号输入 / 输出之间隔离耐压3000VDC●宽电源供电范围:8 ~ 32VDC●可靠性高,编程方便,易于应用●标准DIN35导轨安装,方便集中布线●用户可编程设置模块地址、波特率等●支持Modbus RTU 通讯协议●低成本、小体积模块化设计●外形尺寸:120 mm x 70 mm x 43mm典型应用:●电平信号测量、监测和控制●RS-485远程I/O,数据采集●智能楼宇控制、安防工程等应用系统●RS-232/485总线工业自动化控制系统图1 模块外观图●工业现场信号隔离及长线传输●设备运行监测●传感器信号的测量●工业现场数据的获取与记录●医疗、工控产品开发●开关量信号采集产品概述:产品实现传感器和主机之间的信号采集,用来检测模拟信号。
产品可应用在 RS-232/485总线工业自动化控制系统,开关量信号测量和监测,高低电平信号的测量以及工业现场信号隔离及长线传输等等。
产品包括电源隔离,信号隔离、线性化,A/D转换和RS-485串行通信。
每个串口最多可接255只模块,通讯方式采用ASCII码通讯协议或MODBUS RTU通讯协议,其指令集兼容于ADAM模块,波特率可由代码设置,能与其他厂家的控制模块挂在同一RS-485总线上,便于计算机编程。
图2 模块内部框图产品是基于单片机的智能监测和控制系统,所有的用户设定的地址,波特率,数据格式,校验和状态等配置信息都储存在非易失性存储器EEPROM里。
产品按工业标准设计、制造,信号输入 / 输出之间隔离,可承受3000VDC隔离电压,抗干扰能力强,可靠性高。
工作温度范围- 45℃~+85℃。
功能简介:开关量信号隔离采集模块,可以用来测量八路开关量信号。
1、开关量信号输入8路开关量信号输入。
8DI8DO开关采集控制模块C2000-A2-SDD8080-BC1是数字量串⼝输⼊输出模块,其具备良好的扩展性,可灵活地通过⾃带的RS485总线级联康耐德同系列串⼝I/O联⽹设备,以实现各种数字量、模拟量的组合、扩展采集的功能。
本产品采⽤标准Modbus RTU通讯协议,适合各类⼯业监控的现场应⽤。
本产品⽀持C2000设备管理监控软件,同时也可轻松地实现与第三⽅SCADA软件、PLC、HMI设备整合应⽤。
特点:→8路数字量输⼊,电平采集⼲接点;→8路数字量输出,集电极脉冲、电平可配置;→采⽤Modbus RTU通讯协议;→电源具有良好的过流、过压、防反接、防错接保护功能;→丰富的指⽰灯,全⾯查看状态,及时排查故障;→安装便捷,⽀持导轨安装及表⾯安装;→低功耗设计,⽆需散热装置;→⽀持宽温环境应⽤(-40 ~ 85 );→提供6年质保服务。
数字量输⼊接⼝DI8路数字量输⼊接⼝形式⼲接点保护形式PPTC+TVS防雷保护级别600W(浪涌)过压过流保护30V/50mADI采集频率1KHZ数字量输出接⼝DO接⼝形式8路集电极开路DO触点容量30V/500mA保护形式PPTC过压过流保护30V/500mA串⼝通信参数接⼝类型RS485波特率1200~115200bps数据位8停⽌位1校验位Even,Odd,None传输距离1200⽶保护形式PPTC+TVS防雷保护级别600W(浪涌)电源参数电源规格9~27VDC电流80mA@12VDC保护形式ZOV+PPTC+TVS防雷保护级别2KV/1KA过压过流保护30V/500mA⼯作环境⼯作温度、湿度-40~85,5~95%RH,不凝露储存温度、湿度-60~125,5~95%RH,不凝露安装&尺⼨安装⽅式导轨或⽀架安装尺⼨75*105*30mm。
开关量模块工作原理
开关量模块是一种常见的电子模块,其工作原理是通过检测输入信号的高低电平来控制输出信号的开关状态。
具体来说,开关量模块通常具有一个或多个输入引脚和一个或多个输出引脚。
输入引脚用于接收外部的开关信号,而输出引脚用于控制外部设备的开关状态。
当外部开关信号为高电平时,输入引脚上的电压高于一定的阈值,开关量模块会将对应的输出引脚置为高电平,从而控制外部设备的开关状态为打开。
反之,当外部开关信号为低电平时,输入引脚上的电压低于一定的阈值,开关量模块会将对应的输出引脚置为低电平,从而控制外部设备的开关状态为关闭。
开关量模块具有快速响应、高可靠性、简化电路设计等特点,广泛应用于各种自动控制系统中。
例如,它可以用于检测和控制按钮、开关、传感器信号等,并通过控制继电器或其他开关设备来实现自动化控制。
总的来说,开关量模块的工作原理就是根据输入信号的高低电平来控制输出信号的开关状态,以实现对外部设备的控制。
开关量采集模块
I-7053是16通道的开关量采集模块,它可以同时采集16个通道开关量的状态。
1.线路连接
电源:I-7053模块使用12VDC供电电源。
模块端子排(R)+Vs接电源的正极,(B)GND接电源的负极。
通讯:I-7053模块对外通讯使用485通讯方式,模块端子排Data(+)、Data(-)为485通讯接线端子。
开关量输入:模块端子排DI0、DI1、DI2…DI15接输入信号的正极,16路输入信号共用负极(模块供电电源负极)。
2.设备操作
I-7053模块的通讯参数有地址和波特率。
一个新模块的默认地址为01、默认波特率为9600。
I-7053模块的通讯参数可以用7000Utility软件进行扫描查看和修改设置。
注意:I-7053模块与7000Utility软件通讯时需要和通讯转换模块配套使用。
参数扫描查看:
运行7000Utility软件,在菜单栏上选择“COM Port”菜单,弹出端口和波特率选择对话框,可以选择进行通讯的串口编号(COM1或者其他串口)、勾选波特率(一般勾选9600、19200)并点击“OK”确认选择。
如下图所示。
然后点击按钮,进行通讯参数扫描。
如果I-7053模块与7000Utility软件通讯正常,扫描结果显示在参数列表框里。
如下图所示。
参数修改设置:
如果要对一个I-7053模块的通讯参数进行修改,则首先用7000Utility软件对该模块通讯参数进行扫描,在参数列表框里选择扫描结果并双击鼠标左键,
弹出参数设置对话框。
如下图所示。
在参数设置对话框中可以修改地址(Address)和波特率(Baudrate),然后点击“Setting”按钮进行设置操作。
7000Utility软件系统会提示设置操作是否成功。
如下图所示。
设置成功设置不成功
注意:通常情况下对模块的波特率不作更改。
如果需要更改波特率,首先在参数设置对话框中修改波特率(Baudrate),然后将I-7053模块端子排上的INT*与DC12V电源负极相连接,最后点击“Setting”按钮进行设置操作。
7000Utility
软件提示设置成功后,对该模块断开供电,去除INT*与DC12V电源负极的连接,重新对该模块供电,则波特率设置成功。
3.测试步骤
①正确连接I-7053模块的供电电源、通讯线路。
不接开关量输入线路。
②运行CM-Desk系统,添加I-7053模块并在设备属性中正确设置其通讯参数,使其和模块本身的通讯参数相一致。
③启动CM-Desk系统进入运行状态。
在设备树形结构区查看I-7053模块与CM-Desk系统通讯状态。
如下图所示。
通讯正常:
通讯中断:
如果通讯中断,请检查系统线路连接及通讯参数配置是否正确。
④I-7053模块与CM-Desk系统通讯正常后,在该I-7053模块端子排的DI0上接入DC12V电源的负极。
这时,在设备树形结构区该I-7053模块的D1采集点状态将发生变化。
如下图所示。
4.重点。