润滑系统图
- 格式:docx
- 大小:162.38 KB
- 文档页数:2
105润滑系统注意事项密封胶应用步骤:1. 使用刮刀清除密封垫上附着的旧密 封胶。
注意:■从密封胶应用表面的槽沟、固定螺栓 和螺栓孔上彻底清除旧的密封胶。
2. 用专用清洗剂擦拭干净密封胶应用表面 和配合面,清除附着的水、润滑脂和异物。
3. 将指定型号的密封胶完整放置在指定位 置。
1)在涂好密封胶后的一定的时间内安装结 合元件。
2)如果密封胶上有污渍,请立即清除干净。
3)请勿在安装后重新拧紧螺栓或螺母。
4)安装完毕30min 后,再加注发动机机油和发动机冷却液。
准备工作维修工具维修工具表 序号工具外形图说明1 油压表测量油压2 软管将油压表连接到缸体上3机油压力开关套筒拆卸和安装油压开关106 润滑系统原理图发动机润滑系统沿路示意图油 底 壳曲轴主轴主 油 道 滤清器主轴承第一道进气凸轮轴轴承孔 进气凸轮轴 C3油道 VVT 滤网 OCV (机油控制阀)左侧C1缸盖机油道 右侧C2缸盖机油道 缸盖主轴道 机油泵 限压阀 进气凸轮与机械挺柱排气凸轮与机械挺柱 VVT (气门正时调节器)集滤器 连杆轴承曲轴连杆轴排气凸轮轴第一道凸轮轴轴承盖C1油道 第一道凸轮轴轴承盖C2油道进气2.3.4.5凸轮轴轴承排气2.3.4.5凸轮轴轴承进气凸轮轴C1油道 进气凸轮轴C2油道正时链条润滑喷油嘴第一道凸轮轴轴承孔盖油道进气凸轮轴 自动张紧器 备注 1凸轮与挺柱润滑为飞溅方式 2VVT 回油是通过OCV 内部阀芯 3进气凸轮轴前段油孔定义顺序为:C2.C1.C3107发动机机油1. 检查1)发动机机油油位注:起动发动机前,将汽车水平停稳,检查发动机机油油位。
若发动机已起动,将发动机熄火,等待10min 再检查。
① 拔出机油尺并擦拭干净。
② 插入机油尺,确认发动机机油油位 在机油尺上的两个标记点之间。
③ 若超出范围,请调整。
2)发动机机油外观① 检查机油是否有白色混浊或严重污染。
② 若机油出现混浊或污染,很有可能是受到发动机冷却液的污染。
润滑系统的结构与维修一、润滑系统的总体的构造润滑系的作用是对发动机所有运动的部件进行润滑,减少零件的摩擦和磨损,流动的机油不仅可以清除摩擦表面的磨屑等杂质,而且还可以冷却摩擦表面。
气缸壁与活塞环上的油膜还能提高气缸的密封性。
此外,机油还可以防止零件生锈。
桑塔纳轿车无论采用何种型号的发动机,其润滑系都是压力润滑与飞溅润滑相结合的复合润滑系统。
桑塔纳轿车润滑系统的结构与油路如图1-126所示。
图1-126桑塔纳轿车发动机润滑系统示意图1-旁通阀2-机油泵3-粗集油器4-油底壳5-放油塞6-安全阀7-机油滤清器8-主油道9-油道10-曲轴11-中间轴12-压力开关13-凸轮轴油底壳内的润滑油经粗集滤器滤掉大的机械杂质后,被机油泵压入机油滤清器后分三路送出。
第1路经主油道后分为两支:一支送入曲轴主轴承分油道,润滑主轴承,经曲轴内油道滑润连杆大端轴承,再经连杆内油道润滑连杆小端轴承后回到油底壳;另一支则进入中间轴的轴承(AJR型发动机无中间轴)后流回油底壳。
第2路从主油道进入凸轮轴的轴承后再润滑气门机构,然后流回油底壳。
第3路,在主油道油压太高或流量太大的情况下,润滑油冲开安全阀,分流回油底壳。
机油滤清器上没有旁通阀,起动压力为0.18MPa。
当机油滤清器堵塞,润滑油通过压力开关短路进入主油道,防止发动机运动副因缺润滑油而烧坏。
二、AFE型发动机润滑系统的结构与维修AFE型发动机润滑系零件如图1-127所示。
图1-127润滑系零件分解图l-放油螺塞(拧紧力矩30N·m)2-O形密封圈3-油底壳紧固螺栓(拧紧力矩20N·m)4-油底壳5-机油泵盖长螺栓(拧紧力矩20N·m)6-机油泵齿轮7-机油泵壳体8-机油滤清器盖衬垫9-机油滤清器体10-机油滤清器盖紧固螺栓(拧紧力矩25N·m)11-机油滤清器盖12-密封圈13-0.18MPa油压开关(拧紧力矩25N·m)14-0.03lMPa油压开关(拧紧力矩25N·m)15-密封圈16-机油尺17-加油口盖18-橡胶由封垫圈19-带眼压阀的机油泵盖20-O形圈21-机油集滤器22-机油泵盖短螺栓(拧紧力矩10N·m)23-油底壳密封垫(一)机油泵的结构与维修AFE型发动机的机油泵为齿轮泵,由中间轴上的螺旋齿轮驱动,安装在气缸体底平面第3缸附近设计的平台上。
第三节集中润滑系统的构造与维护一、集中润滑系统的构造盾构机的集中润滑装置一般采用双线式消耗型集中润滑系统。
双线式集中润滑系统主要由电动润滑泵、换向阀(通常设置在润滑泵上)、双线分配器、控制装置、压力控制阀类和2条供油管路组成,通常情况下还需要油脂转运泵,自动补充电动润滑泵的油脂供给,电动润滑泵和换向阀一般布置在盾构机后配套台车上,油脂经电动润滑泵输出后经过后配套台车和操作平台上主油脂管路达到各个润滑设备,再经过润滑设备附近的双线分配器,被输送到各个润滑点,其原理简图见图3-4。
1、双线式集中润滑系统的原理双线式集中润滑系统使用2条供油管路交替供油,当其中一条由润滑泵供油,另一条则向贮油器开放,双线分配器有2个进油口,分别与2根供油管连接。
双线式集中润滑系统的原理是,润滑泵从贮油器吸入润滑脂,经过换向阀由供油管输送到分配器,进入分配器后加压于先导活塞,先导活塞下腔与供油管连通,经换向阀向贮油器开放。
先导活塞在供油压力的作用下,移动到下端,使主活塞上腔连通,主活塞下腔与出油口连通,供送的润滑脂进入主活塞上腔,推动主活塞下移,将其下腔的润滑脂经给油管压送到润滑点,给油量由主活塞的直径和行程确定。
切换供油管,分配器活塞按相同的顺序反向进行前述动作,分配器得以循环工作。
图3-4 双线式集中润滑系统原理图2、双线式集中润滑系统的结构特点(1)给油定量准确,且可以对其进行手动调节分配器采用容积计量,给油量不受外界因素影响并且分配器有行程微调装置,可以在一定范围内对给油量进行定点手动调节,准确地调整给油量,确保各润滑点的油脂量稳定充足。
(3)给油可靠润滑泵输出的高压润滑脂直接推动分配器主活塞向润滑点压送润滑脂,压力高,在需要润滑密封的部位确保给油可靠,确保各润滑部位的润滑和密封作用。
3、集中润滑系统润滑油脂的性能指标(1)通用润滑油脂工业锂基润滑脂并加有极压、防锈和抗氧化添加剂。
型号为NLGI O#;滴点不低于170℃;25℃工作锥入度为35~38.5 mm;适宜温度为-20~+120℃。
六、螺杆式压缩机组的润滑系统图(1)螺杆式制冷压缩机管系图(带油泵循环系统)—油路一·一电路一·一二气路一温度1一吸气过滤器2一吸气止逆阀3一压缩机4-排气止逆阀5一油分离器6一截止阀7一二次油分离器8一油粗过滤器9一油泵10一油压调节阀11一油冷却器12一油精过滤器13一油分配总管14一液压缸螺杆冷水机组系统示意图如图(1)所示。
系统中制冷剂的流程为:蒸发器~进气管~进气截止阀~吸气过滤器~止逆阀~压缩机~排气管~油分离器~排气截止阀~止逆阀~冷凝器~干燥过滤器~节流阀~蒸发器。
系统中润滑油的流程为:油分离器~油冷却器~油粗滤器~油泵~精油滤器~油分配器~压缩机~(和排气一起到)油分离器。
油分配器出来的另一路油到压缩机的增载/减载装置,操纵油活塞控制压缩机的制冷量。
一、油循环系统按型式来分类,螺杆式制冷压缩机的润滑系统分为油泵供油和压缩机转子供油两种型式。
(1)螺杆式冷水机组的油路系统是确保螺杆压缩机安全、可靠运行的关键因素。
如前所述,喷油式螺杆压缩机的喷油量(以容积计)约占螺杆制冷压缩机排气量的0.8%一1%,喷入的油除了起密封工作容积和冷却压缩气体与运动部件的作用外,还要润滑轴承、增速齿轮、阴阳转子等运动部件。
根据油路系统是否配有油泵,将其分为三种类型:即带油泵油循环系统、不带油泵油循环系统及混合油循环系统。
1)带油泵的油循环系统。
带油泵系统是螺杆冷水机组常用的油循环系统,特别是压缩机采用滑动轴承(主轴承),或螺杆转速较高,以及带有增速齿轮等情况下,冷水机组上需设置预润滑油泵。
每次开机前,首先起动预润滑油泵,建立一定的油压,然后压缩机才能正常起动。
当机组工作稳定后,系统油压可以由油泵一直供给,或由冷凝压力提供,此时预润滑油泵可以关闭。
螺杆式制冷压缩机一般采用喷油式压力润滑,即在制冷压缩机工作过程中,通过油泵将润滑油喷射至两个螺杆工作部位以及其他需要润滑的部位。
其目的有四个:一是带走压缩过程中所产生的压缩热,使压缩过程接近于等温压缩,降低排气温度,从而防止机件受热变形;二是向汽缸内喷人润滑油,可使转子之间及转子与汽缸之间得到密封,减少内部的泄漏;三是对螺杆式制冷压缩机的运动部件起润滑作用,提高零部件的寿命,以达到长期、经济、安全地运行;四是喷油使螺杆式制冷压缩机的结构简化,对降低运转噪声起一定作用。
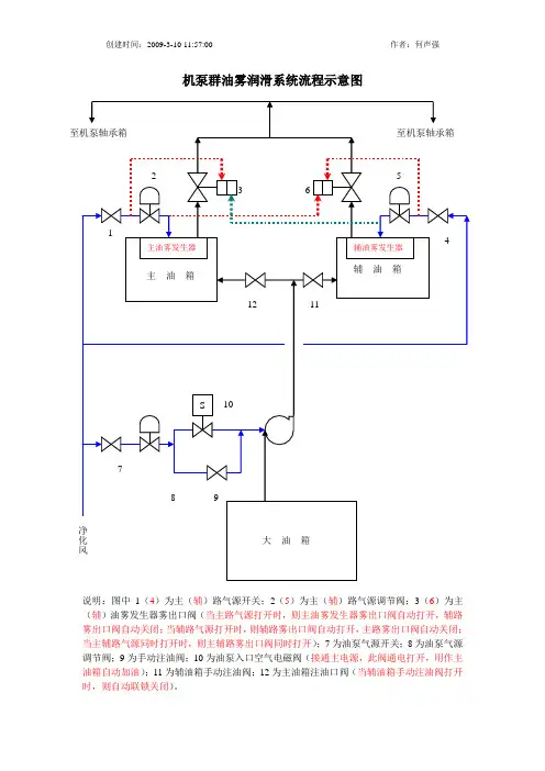
创建时间:2009-3-10 11:57:00 作者:何声强
机泵群油雾润滑系统流程示意图
说明:图中1(4)为主(辅)路气源开关;2(5)为主(辅)路气源调节阀;3(6)为主(辅)油雾发生器雾出口阀(当主路气源打开时,则主油雾发生器雾出口阀自动打开,辅路雾出口阀自动关闭;当辅路气源打开时,则辅路雾出口阀自动打开,主路雾出口阀自动关闭;当主辅路气源同时打开时,则主辅路雾出口阀同时打开);7为油泵气源开关;8为油泵气源调节阀;9为手动注油阀;10为油泵入口空气电磁阀(接通主电源,此阀通电打开,用作主油箱自动加油);11为辅油箱手动注油阀;12为主油箱注油口阀(当辅油箱手动注油阀打开时,则自动联锁关闭)。
冲床润滑系统示意图
此类普通冲床采用集中和分散两种润滑方式。
1、集中润滑
连接轴瓦,曲轴上的左右支轴瓦及滑块左右导轨均采用手动浓油泵集中强制润滑。
集中润滑每班三次。
油泵内用最理想的ZL—1锂基润滑油,也可采用钠基(钙基)脂70%—80%与20%—30%的20号机械油调成均匀的糊状。
机床开动时加油比较省力。
如果此时扳动油泵摇杆时比较费劲,说明润滑油了路可能被阻塞,应检查清理,保证油路畅通润滑正常。
2、分散润滑
球头螺杆的球头、连杆螺纹均采用20号机械油分散润滑。
制动器固定座、可轻装置的螺纹及推力轴承、操纵器的滑键、离合器部位均采用钠基(钙基)脂分散润滑。
球头螺杆的球头及连杆螺纹的机械油通常用油枪注入。
润滑球头的机械油没三个月应更换一次,润滑连杆螺纹的机械油调节装模高度时注入。
制动器固定座、可
轻装置的螺纹及推力轴承应经常加注润滑脂。
操纵器滑键的润滑脂应每班加注一次。
离合器的润滑脂是由大齿轮上的两个油杯注入,每班应加注二次。
3、注意事项
a) 机床必须保证充足的润滑。
b) 各种润滑剂一定要清洁无杂质。
c) 离合器严禁无油运转。
d) 机床开动后,需检查各润滑点的润滑情况,如无油应立即停机检查,以免机件磨损。
作者:俞益坤。