常用建筑材料进场复试项目
- 格式:doc
- 大小:202.00 KB
- 文档页数:10
工程材料复试方案一、引言材料是工程建设的重要组成部分,其质量对工程项目的安全和可持续发展具有重要意义。
为了保证工程材料的质量,需要进行复试检测,以确认其符合相关标准和规范要求。
本文将针对工程材料的复试方案进行详细介绍。
二、复试材料范围1. 混凝土及预拌混凝土材料2. 钢筋3. 砂浆、砖瓦及砌体4. 沥青混凝土5. 岩土材料6. 防水材料7. 地基处理材料8. 隔热隔音材料9. 防腐蚀材料10. 其他工程材料三、复试方案1. 检测方法的确定根据不同材料的特性,确定合适的检测方法和标准,包括但不限于牵引试验、强度试验、稳定性试验、振动试验、渗透性试验、耐久性试验等。
2. 检测项目的确定根据材料的用途和重要性,确定需要进行的检测项目,包括但不限于物理性能、力学性能、化学性能、耐久性能、性能稳定性等。
3. 检测设备的确定根据检测项目的具体要求,选择合适的检测设备和仪器,确保能够准确、可靠地进行复试检测。
4. 检测人员的培训对从事复试检测工作的人员进行相关培训,包括检测方法、操作要求、注意事项等,确保其具备必要的技术能力和知识水平。
5. 检测计划的制定根据材料的使用及施工进度,合理制定复试检测计划,确保能够在合适的时间和节点进行检测,确保工程材料的质量。
6. 检测记录的保存对复试检测结果进行准确、完整地记录和保存,包括检测数据、报告、图片、视频等,以备将来查验。
7. 复试方案的修订根据工程实际情况和应用要求,对复试方案进行定期修订和优化,确保其能够适应不同工程的需要。
四、复试实施1. 样品采集对需要复试的材料进行样品采集,确保样品的代表性和充分性。
2. 样品制备根据检测项目的要求,对样品进行必要的制备处理,确保样品的质量和稳定性。
3. 检测过程按照复试方案的要求,进行样品的复试检测,准确记录检测数据,并做好相关标记。
4. 检测结论根据复试检测结果,对材料的质量进行评价和判定,确定其是否符合相关标准和规范要求。
进场材料复试、工程质量检测试验和工程实体
与使用功能检测有关资料
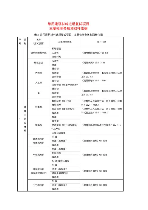
为方便大家学习,以便更好地掌握运用和统一规范常用材料进场主要复试项目、工程质量主要检测试验项目、工程实体与使用功能主要检测项目及各项目主要检测参数,特对相关资料进行收集整理,归纳为以下三个表,供大家参考。
希望大家能认真学习,从而有效地指导施工监理工作。
具体的取样部位、组数、检测试验要求等详见表中“取样依据”栏中相应的规范、规程或标准。
表中未列的材料进场复试项目、工程质量检测试验项目和工程实体与使用功能检测项目,如设计、合同另有要求的,按要求检测;新材料、新工艺按使用规定检测。
北京*****监理有限责任公司
****年*月*日
表2 施工过程质量检测试验项目、主要检测试验参数和取样依据
注:带有“*”标志的检测试验项目或检测试验参数可由企业试验室试验,其他检测试验项目或检测试验参数的检测应符合相关规定。
建筑节能常用材料抽样复验及现场实体检验项目一览表摘录于《建筑节能工程施工质量验收规程》DGJ32/J19-2007 附录 A检验内容及类型项目耐碱玻纤1网格布配件复验性能指标单位面积质量、耐碱拉伸断裂强力、断裂强力保留率网孔大小、丝径、焊点抗拉复验批次备注热镀锌电2焊钢丝网1板材力、热镀锌质量(抗腐蚀性能)尺寸(现场自检)、表观密度、尺寸稳定性、抗拉强度、导热系数同一厂家、同一品种的产品,当工程建筑面积20000 ㎡以下时各抽查不少于 3 次;当工程建筑面积在 20000 ㎡以上时抽查个不少于6次。
(用于屋面、地面节能工程时,同一厂家、同一1、尺寸检测项目,材料进场后由监理进场检查,并建立检查记录;2、用于内保温做法;还应增加燃烧性能级别复检项目2胶粘剂聚苯板(EPS、 X抹面砂浆干燥状态和浸水 48h 拉伸粘结强度(与水泥砂浆)干燥状态和浸品种的产品各抽查不少于 3 组)拉伸粘结试件制样后养护 7d 进行拉伸粘结强度检验,发生争议时,PS)等 3 抗裂砂浆界面砂浆板材4粘贴强度水 48h 拉伸粘结强度(与保温层)拉拔强度粘贴面积(现场自检)强以养护 28d度为准。
1、在饰面层施工前检测。
其中粘贴面积由监理抽样复核,并建立检查记每个检验批不少录。
于 3 处2、拉拔强度检测可由具备资质的施工企业实验室进行。
复合保温砂浆硬质泡沫聚氨酯自保温墙体材料锚固件幕墙1材料完成保2温厚度保温浆3料同条件试件1材料块料板材1锚固力幕墙玻1璃隔热型2材气密性3指标干密度、压缩强度、吸水率、导热系数尺寸导热系数、干密度和压缩强度表观密度、压缩性能、拉拔强度、导热系数、吸水率导热系数、密度和抗压强度、平衡含水率导热系数、平衡含水率拉拔力可见光透射比、传热系数、遮阳系数、中空玻璃露点抗拉强度、抗剪强度气密性同聚苯板每个检验批不少于 3处每个检验批应抽样制作同条件试块不少于3组同聚苯板同一厂家、同一品种的产品,当工程建筑面积20000 ㎡以下时各抽查不少于 3 次;当工程建筑面积在20000 ㎡以上时抽查各不少于 6 次。
工地复试材料清单
工地复试材料清单主要包括以下内容:
水泥:需要对其强度、安定性、凝结时间等性能进行复试,确保水泥质量符合要求。
砂石:需要对其粒径、含泥量、吸水率等指标进行复试,确保砂石质量符合要求。
钢筋:需要对其抗拉强度、屈服点、伸长率等性能进行复试,确保钢筋质量符合要求。
砖:需要对其抗压强度、抗折强度、尺寸偏差等指标进行复试,确保砖的质量符合要求。
防水材料:需要对其防水性能、耐久性、耐热性等指标进行复试,确保防水材料的质量符合要求。
管材:需要对其压力、壁厚、耐压性能等指标进行复试,确保管材的质量符合要求。
涂料:需要对其粘度、附着力、遮盖力等性能进行复试,确保涂料的质量符合要求。
其他材料:根据工程需要,可能还有其他需要复试的材料,如石膏板、玻璃等。
需要注意的是,不同地区和不同工程对材料复试的要求可能会有所不同,具体复试材料清单需要根据工程实际情况
来确定。
常用建筑材料进场复试项目、主要检测参数、取样依据和数量
常用建筑材料进场复试项目、主要检测参数、取样依据和数量
.
常用建筑材料进场复试项目、主要检测参数、取样依据和数量
.
常用建筑材料进场复试项目、主要检测参数、取样依据和数量
.
常用建筑材料进场复试项目、主要检测参数、取样依据和数量
.
常用建筑材料进场复试项目、主要检测参数、取样依据和数量
.
. 常用建筑材料进场复试项目、主要检测参数、取样依据和数量
. 常用建筑材料进场复试项目、主要检测参数、取样依据和数量
.。
常用修筑材料进场复试项目主要检测参数和取样依据常见的建筑材料进场复试项目主要检测参数和取样依据如下:1.水泥:主要检测参数:(1)强度类:初凝时间、终凝时间、抗折强度、抗压强度、抗折强度、抗渗性能。
(2)物理性能类:比表面积、热值、颜色、晶体形态、化学成分。
取样依据:按照《水泥检验规程》规定,应采集样品,并按照标准规范检测。
2.钢筋:主要检测参数:(1)抗拉强度和屈服点:包括冷弯性能、断面收缩性能和塑性应变特性。
(2)化学成分:主要检测元素的含量,如碳含量、硫含量、磷含量等。
(3)钢筋表面质量:包括钢筋的锈蚀程度、表面裂纹、脱镀、麻点等。
取样依据:按照《建筑钢筋实物抽样方法》规定,应从不同的批次、供货商和规格中选取样品,并按照标准规范进行取样。
3.砂浆:主要检测参数:(1)强度类:抗压强度、粘结力、抗渗性能。
(2)密度和容重:主要是指砂浆固化后的密度和容重。
(3)化学成分:主要检测砂浆中水泥、砂子、添加剂等成分的含量。
取样依据:按照《水泥砂浆抽样方法》规定,从生产线上或工地现场中选取样品,并按照标准规范进行取样。
4.砖块:主要检测参数:(1)抗压强度:包括干燥状态下和湿润状态下的抗压强度。
(2)吸水率和含水率:主要检测砖块对水分的吸收能力。
(3)烧结度和外观质量:主要检测砖块的烧结程度和表面质量。
取样依据:按照《砖样抽样方法》规定,从生产线上或工地现场中选取样品,并按照标准规范进行取样。
总结:常用修筑材料的进场复试项目主要检测参数包括强度类、物理性能类和化学成分等,取样依据按照具体的标准规范进行取样。
这样可以确保建筑材料的质量符合规定的标准,保障工程的质量和安全。
装修材料进场复验复试规定防水卷材是建筑工程中常用的材料之一。
根据相关标准和规范代号,进场复验项目组应按照一定的原则和取样规定进行复验。
对于同一生产厂的同一品种、同一等级的产品,大于1000卷的抽样数量为5卷,500~1000卷为4卷,100~499卷为3卷,100卷以下为2卷。
抽样后进行规格尺寸和外观质量检验。
在外观质量检验合格的卷材中,任取一卷进行物理性能检验。
试样卷材需要切除距外层卷头2500mm顺纵向截取600mm的2块全幅卷材送检。
铝箔面油毡、改性沥青聚乙烯胎防水卷材、弹性体改性沥青防水卷材、塑性体改性沥青防水卷材、自粘橡胶沥青防水卷材、自粘聚合物改性沥青聚酯胎防水卷以及聚氯乙烯防水卷材、氯化聚乙烯防水卷材、氯化聚乙烯一橡胶共混防水卷和高分子防水片材等防水卷材的复验方法基本相同,只是抽样数量和检验项目略有不同。
对于同一类型、同一规格1000㎡的产品为一批,不足1000㎡的按一批计。
在每批产品中随机抽取5卷,进行单位面积质量、面积、最大拉力时延伸率、厚度及外观检查。
从单位面积质量、厚度及外观检查合格的卷材中任取1卷进行材料性能检验。
试样卷材需要切除距外层卷头2500mm后,取1m长的卷材进行材料性能检验。
防水涂料也是建筑工程中常用的材料之一。
根据相关标准和规范代号,聚氨脂防水涂料的复验方法需要对固体含量、断裂延伸率、拉伸强度、低温柔性和不透水性进行检查。
以避免影响产品质量。
甲乙组份按产品重量配比相应增加。
2)每一验收批按产品的配比分别取样,甲乙组份样品总重为2kg,并且要充分搅拌均匀后,分别装入干燥的样品中。
样品内应留有5%的空隙,密封并作好标志。
1)同一生产厂每10t产品为一验收批,不足10t也按一批计。
产品的液体组份取样按GB/T3186的规定进行,配套固体组份的抽样按GB-1999中的袋装水泥的规定进行,两组份共取5kg样品。
2)抽样按GB/T3186的规定进行,取4Kg样品用于检验。
2020年现行房屋建筑工程常用材料进场取样复试检验项目规范(备注:本内容参照《建筑工程资料管理规程》(DB11/T695-2017)编制)材料进场检验项目一览表1.常用建筑材料的名称、产品标准、进场复验依据和复验项目、组批原则及取样规定见《材料进场检验项目一览表》。
使用时应核对相关标准的有效性和修改情况。
2.下表中的符号“★”表示该项目有见证取样及送检要求。
123456789(1)同一生产厂每5t 产品为一验收批,不足5t 也按一批计。
(2)随机抽取,抽样数应不低(n 是产品的桶数)。
(1)同一生产厂,以甲组分每5t 为一验收批,不足5t 也按一批计。
乙组份按产品重量配比相应增加(2)随机抽取,抽样数应不低(n 是产品的桶数)。
(1)同一生产厂、同一品种、同一规格每5t 为一验收批,不足5t 也按一批计。
(2)随机抽取,抽样数应不低(n 是产品的桶数)。
(1)同一生产厂每10t 产品为一验收批,不足10t 也按一批计。
(2)产品液体组分抽样数量应不低(n 是产品的桶数)。
(3))配套固体组份的抽样按GB12973 中的袋装水泥的规定进行,两组份共取5kg 样品。
(1)同一生产厂、同等级、同类型产品每2t 为一验收批,不足2t 也按一批计。
(2)随机抽取,抽样数应不低(n 是产品的桶数或支数)。
(1)同一生产厂、同等级、同类型产品每2t 为一验收批,不足2t 也按一批计。
(2)随机抽取,抽样数应不低(n 是产品的桶数或支数)。
(1)同一生产厂、同等级、同类型产品每2t 为一验收批,不足2t 也按一批计。
(2)随机抽取,抽样数应不低(n 是产品的桶数或支数)。
2020年现行房屋建筑工程常用材料进场取样复试检验项目规范(备注:本内容参照《建筑工程资料管理规程》(DB11/T695-2017)编制)材料进场检验项目一览表1.常用建筑材料的名称、产品标准、进场复验依据和复验项目、组批原则及取样规定见《材料进场检验项目一览表》。
使用时应核对相关标准的有效性和修改情况。
2.下表中的符号“★”表示该项目有见证取样及送检要求。
123456789(1)同一生产厂每5t 产品为一验收批,不足5t 也按一批计。
(2)随机抽取,抽样数应不低(n 是产品的桶数)。
(1)同一生产厂,以甲组分每5t 为一验收批,不足5t 也按一批计。
乙组份按产品重量配比相应增加(2)随机抽取,抽样数应不低(n 是产品的桶数)。
(1)同一生产厂、同一品种、同一规格每5t 为一验收批,不足5t 也按一批计。
(2)随机抽取,抽样数应不低(n 是产品的桶数)。
(1)同一生产厂每10t 产品为一验收批,不足10t 也按一批计。
(2)产品液体组分抽样数量应不低(n 是产品的桶数)。
(3))配套固体组份的抽样按GB12973 中的袋装水泥的规定进行,两组份共取5kg 样品。
(1)同一生产厂、同等级、同类型产品每2t 为一验收批,不足2t 也按一批计。
(2)随机抽取,抽样数应不低(n 是产品的桶数或支数)。
(1)同一生产厂、同等级、同类型产品每2t 为一验收批,不足2t 也按一批计。
(2)随机抽取,抽样数应不低(n 是产品的桶数或支数)。
(1)同一生产厂、同等级、同类型产品每2t 为一验收批,不足2t 也按一批计。
(2)随机抽取,抽样数应不低(n 是产品的桶数或支数)。
常用建筑材料进场复试项目背景介绍在建筑工程中,常用建筑材料的选择需要经过严格的评估和考虑。
在这个过程中,进场复试项目是至关重要的。
目的在于对建筑材料进行检验、测试,确保其符合规定的标准,提高建筑物的品质和安全性。
本文将对常用建筑材料进场复试项目进行介绍。
常用建筑材料的进场复试项目水泥水泥是建筑工程中广泛使用的材料之一,其进场复试项目包括:•外观检查:检查水泥饼的色泽应符合标准,无明显的瘤状物和异常凝块等。
•强度试验:按照标准方法进行抗压、抗拉、抗弯等强度试验。
•灰石比试验:检测灰石比。
砖块砖块是建筑中常见的墙体材料,常见的进场复试项目包括:•规格检查:检查砖块的长、宽、高是否符合设计要求。
•品质试验:包括砖块的强度试验、吸水率试验等。
•外观检验:检查砖块的表面是否平整无损、无夹杂及其它外观缺陷,能否正常使用。
钢筋钢筋是建筑中广泛使用的一种材料,常见的进场复试项目包括:•尺寸偏差检查:检查钢筋的长度、直径、弯曲度是否符合要求。
•品质试验:包括钢筋的抗拉强度试验、弯曲试验等。
•表面检查:检查钢筋表面是否平整、无损伤、无锈蚀和鱼尾现象等。
玻璃玻璃在建筑设计中起着极为重要的作用,其进场复试项目包括:•尺寸检验:检查玻璃的长度、宽度和厚度是否符合设计要求。
•抗风压试验:检测玻璃的抗风压性能,其有效避免玻璃在强风天气下破碎。
•固化试验:检测玻璃的固化时间,确保玻璃粘接材料的强度。
进场复试项目的重要性常用建筑材料经过检测,确保其符合规定标准,可以有效避免因建筑材料质量问题导致的安全事故,提高建筑物的质量和安全性。
进场复试项目可进行严格的材料检验和评估,使建筑工程在后期的使用过程中更加安全、稳定和经久耐用。
建筑材料的选择是建筑设计中非常重要的一环,而进场复试项目则是确保建筑材料质量和安全性的保障措施。
在建筑工程中,常用建筑材料的进场复试项目必不可少。
对建筑材料进行评估、检验,遵循规定标准,可以确保建筑物的工程质量和安全性,同时也保障人们的生命财产安全。
常用建筑材料进场检验复试项目要求.docx 一:一:导言本文档旨在规定常用建筑材料进场检验的复试项目要求,以确保材料质量达到国家标准和工程要求。
二:材料检验范围材料检验范围包括但不限于以下几个方面:1. 沙、石、水泥、搅拌料等常规建筑材料;2. 建筑钢筋、钢板、钢管等金属材料;3. 高科技建筑材料,如防火材料、断桥铝合金门窗等。
三:材料检验项目要求1. 外观质量检验- 材料表面是否平整、无裂缝、无砂穴等缺陷;- 颜色是否均匀、无褪色、无污点等问题;- 材料尺寸是否符合规定等。
2. 物理性能检验- 材料的强度、硬度、韧性等性能测试;- 材料的密度、吸湿性、抗冻性等特殊性能测试。
3. 化学性能检验- 材料的化学成分测试;- 材料的酸碱度、溶解度等性能测试。
4. 抗老化性能检验- 材料的耐候性、耐热性、耐腐蚀性等性能测试。
四:检验方法和标准1. 检验方法检验方法根据不同材料的特性和检验要求进行选择,包括但不限于可视检验、手感检验、仪器检验等。
2. 检验标准根据国家标准、行业标准和工程要求,确定材料的检验标准,确保材料质量符合要求。
五:报告编制每次材料检验完成后,应编制相应的检验报告,内容包括但不限于以下几个方面:1. 材料基本信息,如名称、型号、生产日期等;2. 检验项目和结果;3. 检验方法和标准;4. 结论和建议。
六:附件附件包括检验报告、相关图表、证书等。
七:法律名词及注释1. 国家标准:指中国国家标准化管理委员会发布的强制性标准。
2. 行业标准:指具有行业公信力的标准,由各行业协会、研究机构等制定并推行。
3. 工程要求:指建筑工程施工合同中约定的要求,包括技术规范、设计要求等。
二:一:导言本文档详细介绍了常用建筑材料进场检验的复试项目要求,旨在保证材料质量符合国家标准和工程要求,为建筑工程的安全和质量提供保障。
二:材料检验范围本文档所规定的材料检验范围包括但不限于以下几个方面:1. 沙、石、水泥、搅拌料等常规建筑材料;2. 建筑钢筋、钢板、钢管等金属材料;3. 高科技建筑材料,如防火材料、断桥铝合金门窗等。
常用建筑材料进场复试项目、主要检测参数、取样依据和数量
常用建筑材料进场复试项目、主要检测参数、取样依据和数量
常用建筑材料进场复试项目、主要检测参数、取样依据和数量
常用建筑材料进场复试项目、主要检测参数、取样依据和数量
常用建筑材料进场复试项目、主要检测参数、取样依据和数量
常用建筑材料进场复试项目、主要检测参数、取样依据和数量
常用建筑材料进场复试项目、主要检测参数、取样依据和数量
常用建筑材料进场复试项目、主要检测参数、取样依据和数量
11
12。
消防验收建筑材料复试清单
消防验收建筑材料复试清单通常包括以下内容,但具体的清单可能因项目的特殊性和当地法规要求而有所不同。
以下是一些常见的建筑材料复试项目:
1. 防火涂料:检查防火涂料的阻燃性能、耐久性和附着力等。
2. 电线电缆:测试电线电缆的阻燃性能、导电性和绝缘性能等。
3. 防火门/窗:检验防火门/窗的耐火完整性、隔热性和密闭性等。
4. 消防管道:检查消防管道的耐压性能、密封性和耐腐蚀性等。
5. 防火板材:测试防火板材的阻燃性能、密度和抗弯强度等。
6. 灭火器:检验灭火器的充装压力、喷射性能和灭火效果等。
7. 消防水箱:检查消防水箱的容量、密封性和耐腐蚀性等。
8. 疏散指示标志:测试疏散指示标志的亮度、清晰度和耐久性等。
9. 喷淋头:检验喷淋头的喷头流量、工作压力和喷洒均匀性等。
10. 火灾报警设备:测试火灾报警设备的灵敏度、误报率和可靠性等。
11. 防火密封材料:检查防火密封材料的密封性能、耐高温性能和防火性能等。
12. 建筑保温材料:测试建筑保温材料的阻燃性能、导热系数和吸水率等。
需要注意的是,复试清单的具体内容应根据建筑设计图纸、消防规范和相关标准来确定。
在进行消防验收前,应由专业的检测机构或消防
部门对建筑材料进行复试,以确保其符合消防安全要求。
同时,建筑材料的质量和选择也直接影响消防验收的结果,因此在施工过程中应严格把控材料的质量,并按照规范进行施工。