蔬菜分类及验收标准
- 格式:doc
- 大小:60.50 KB
- 文档页数:3
一、蔬菜分类及保鲜温度分类主要品种冷库保鲜温度收货标准根茎类萝卜、土豆//芋头、生姜、红薯0-5℃//7-15℃无虫子,发芽,发霉现象叶菜类青菜、白菜、菠菜、芹菜、0-3℃无明显浸水现象,根、茎、叶新鲜,包装菜的外层粗皮去除干净豆类豌豆、荷兰豆//四季豆、长豆角、毛豆0-3℃//6-12℃无萎靡现象,无锈斑,颜色鲜绿,无虫害现象食用菌香菇、金针菇、黑木耳、银耳0-3℃叶片完整,水分较少,干燥整洁,无水浸,茹茎不老根葱蒜类韭菜、大葱、大蒜、韭黄0-5℃叶发绿,茎部无黄叶,干净整洁,有光泽茄果类番茄//茄子、辣椒、青椒0-5℃//9-13℃表面有光泽,无萎靡现象,无虫害水生菜类西洋菜、莲藕、茭白、荸荠0-5℃表面无泥土,无糜烂现象瓜菜类黄瓜、冬瓜、南瓜、丝瓜10-15℃表面有光泽,无伤痕磕碰现象芽苗菜绿豆芽、黄豆芽、豌豆苗、花生芽0-5℃无发芽,斑点与发霉等情形,包装完整①蔬菜的收货质量检查要严格把关,不符合质量要求的将不予以收货;②蔬菜的数量与订货数量正负10%内浮动,不能太大;③订单的单价和总价的确定要准确无误;④蔬菜的整体度和清洁至关重要;⑤包装菜筐要保持干净;⑥蔬菜收货后尽可能在短时间内送去加工或保鲜库。
①单据领取后必须妥善保管,领取送货单和订单时必须签名;对订单必须进行检查,发现问题马上报告上级。
②在送货,退货,换货后必须将相关的单据及时签收并收回。
③在运输和搬运的过程中必须小心谨慎,以防止搬运中出现损耗。
送货司机有责任协助子公司收货员搬运货物。
④必须有强烈的工作责任心,凡经手的货物必须亲自清点并当面交接清楚。
⑤必须维护公司良好企业信誉和公司形象,不得与客户发生争吵和冲突,严禁透露公司情报和商业机密。
⑥必须与公司保持适当的沟通及联系,以增进工作的协调和了解,及时反馈配送问题和相关讯息。
⑦配送人员有义务做好送货运输过程中的工作安排及临时指派的其他工作。
[白菜]优质梗白色、较嫩较短,叶子淡绿色,整棵菜水分充足,无根。
60种常见蔬菜收货验收标准一、前言本标准规定了60种常见蔬菜的收货验收标准,以确保蔬菜的质量和安全。
本标准适用于各类超市、农贸市场、蔬菜生产基地等场所,为收货验收人员提供参考。
二、术语和定义无三、验收流程1. 供应商将蔬菜送达验收地点。
2. 收货人员按照本标准对蔬菜进行逐一检查。
3. 对不符合标准的蔬菜,收货人员应拒绝接收并要求供应商处理。
4. 验收合格的蔬菜进行分类、整理和存放。
四、验收标准1. 白菜类:(1)颜色自然鲜亮,无枯黄、萎蔫。
(2)叶片无破损,根部无泥沙。
(3)重量适中,无过度捆扎。
2. 甘蓝类:(1)颜色深绿,无枯黄。
(2)叶片紧实,无开裂。
(3)根部干净无泥沙。
3. 根茎类:(1)表皮完整,无破损、虫蛀、腐烂。
(2)大小均匀,无畸形。
(3)含水量适中,易于储存。
4. 茄果类:(1)颜色鲜艳,无枯黄。
(2)表皮光滑,无破损。
(3)大小均匀,无畸形。
5. 瓜类:(1)颜色鲜艳,无枯黄。
(2)表皮光滑,无破损、异味。
(3)重量适中,易于储存。
6. 豆类:(1)颗粒饱满,无杂质、干瘪。
(2)无霉变、异味。
7. 葱蒜类:(1)新鲜脆嫩,无枯黄、腐烂。
(2)根茎粗壮,无泥沙。
8. 韭菜类:(1)叶子翠绿,无枯黄、萎蔫。
(2)根部干净无泥沙。
9. 绿叶类:(1)叶片鲜绿,无枯黄、萎蔫。
(2)无病虫害、机械伤。
(3)重量适中,易于储存。
10. 花菜类:(1)颜色自然鲜亮,无枯黄。
(2)花蕾紧实,无开裂。
(3)根部干净无泥沙。
11. 其他类:根据不同品种进行验收,参照以上标准执行。
五、注意事项1. 收货人员需具备基本的蔬菜知识和技能,熟悉各类蔬菜的外观特征和品质要求。
2. 在验收过程中,应注意检查蔬菜的新鲜度和含水量,以确保储存和运输过程中的质量安全。
3. 对于特殊品种的蔬菜,如有机蔬菜、绿色蔬菜等,应参照相关标准进行验收。
4. 对于存在病虫害、机械伤的蔬菜,应拒绝接收并及时上报处理。
5. 验收完成后,应对合格的蔬菜进行分类、整理和存放,确保其品质和安全。
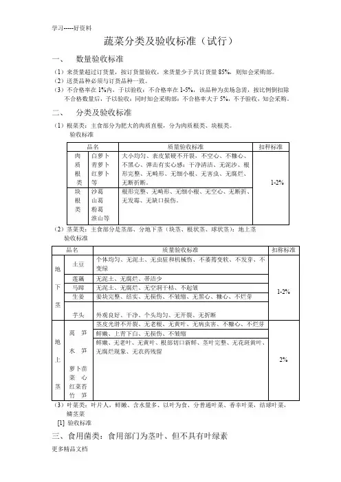
蔬菜分类及验收标准(试行)
一、数量验收标准
(1)来货量超过订货量,按订货量验收,来货量少于其订货量85%,则知会采购部。
(2)送货品种必须与订货品种一致。
(3)不合格率在1%内,于以验收:不合格率在1-5%,该品种为卖场急需,按比例倒扣除不合格数量后,予以验收:同时知会采购部:不合格率大于5%,不予验收,知会采购。
二、分类及验收标准
(1)根菜类:主食部分为肥大的肉质直根,分为肉质根类、块根类。
验收标准
(2)茎菜类:主食部分是茎部、分地下茎(块茎、根状茎、球状茎):地上茎验收标准
(3)叶菜类:叶片人,鲜嫩、含水量多、以叶为食、分普通叶菜、香幸叶菜,结球叶菜,鳞茎菜
[1] 验收标准
三、食用菌类:食用部门为茎叶、但不具有叶绿素
验收标准
三、其它类:芽菜类、海鲜蔬菜、野菜、药用蔬菜、树菜
验收标准
四、花菜类:其食用部分为脆嫩的花茎、缩短肥嫩的花苔、密集成球状的花蕾及花瓣。
验收标准
验收标准。
蔬菜、水果类验收标准
一、验收方法:通过眼观、手摸、鼻闻来检验蔬菜、水果的色泽、外观形状、气味,判断其质量好坏。
二、验收指标:
1、新鲜度:水量充足,无空壳、皱皮、干涩现象。
2、色泽:色正,新艳,鲜亮。
3、硬度:饱满,充实,软硬适中。
4、形状:曲线协调,规整,无畸形。
5、机械伤:相同新鲜条件下无外力造成的伤害。
如挤伤、压伤、碰伤、裂伤等。
6、病虫害:无不良虫害,表面、中间无虫卵遗留、无虫眼。
7、成熟度:适中,无过熟、未熟现象。
8、污染:无污染,及残留农药。
9、气味:无异常气味。
不法商贩为了使有些蔬菜更好看,用化学药剂进行浸泡,如硫、硝等,这些物质有异味,不易被冲洗掉。
三、适用范围:适用于本公司蔬菜、水果的验收工作。
四、蔬菜、水果类的验收判定和验收标准
1、验收结果的判定
合格一完全符合验收质量标准项和部门要求项可判定为合格。
予以接收。
A类不合格一存在严重且不可弥补的缺陷,会影响其他产品质量。
出现此类不合格项,将给予退货或扣重处理。
B类不合格一存在一般且经过简单处理可改良的缺陷,经过简单处理后,不会影响其他产品质量。
出现此类不合格项,将给予让步接收或警告处理。
若连续三次出现此类不合格项或一个月内出现三次此类不合格项,此类不合格项将升级为“A类不合
格”,升级
后的处理方式依照“A类不合格”的处理方式处理,若及时给予改正,便重新给予判定。
2、验收标准细则
五、水果类验收细则。
生鲜加工中心蔬果验收标准一、目的加强对蔬果类商品质量和数量的检查,有效控制生鲜损耗。
二、内容1、蔬果的商品分类(1)蔬菜分为:叶菜类、根茎类、花果类、菇菌类等(2)水果分为:本地水果、进口水果、加工水果等2、蔬菜类商品具体特征(1)、叶菜类:叶面有光泽、外观鲜嫩,叶菜表面无腐斑、无虫咬、无黄叶,叶片紧密而不开花松散,不断叶。
(2)、根茎类:根类蔬菜外表无畸形,不能过大或过小,无腐败变质,表面不干缩,无虫咬,不长芽,不变色、不出水。
茎类蔬菜茎部要直挺,不发软,不折断,无空心,外表鲜亮,不发黄变质。
(3)、花果类:果类蔬菜大小均匀,无畸形,无虫咬,果体表面鲜亮,不干缩,桔梗去除干净,不枯萎变色;花类蔬菜菜色鲜亮无虫咬,无色斑,放菜的箱子温度不能高,蔬菜不能过于干燥。
(4)、菇菌类:干燥、不发粘,无异味;颜色是否鲜亮,组织是否细嫩,根部不能过长,菌类不能过碎。
3、水果类商品具体特性:常规检查:检查外箱是否完好,内箱支持物是否够强度;检查产地、等级、鲜度;检查是否腐烂,有虫,压伤;检查果皮、光泽、皱纹;检查是否开裂,果汁流出,果实是否脱落。
(1)、实果类:有一层薄薄果皮的水果,如苹果、梨等硬质水果等,外观无疤痕、果体干净、大小均匀,等级明确、无虫咬、无腐烂、无碰伤、压伤。
(2)、柑橘类:果皮无发皱、色泽均匀,无腐烂变质。
(3)、核果类:以桃杏李梅为代表,果形饱满结实,不能过软,无畸形不能腐烂变质或虫咬。
(4)、浆果类:以草莓、葡萄、奇异果为代表,果粒结实,不能过软起皱,无掉粒现象。
(5)、瓜类:瓜体无虫咬、无伤痕、不变色、不变软纹路清晰者为佳,同时掌握瓜类的成熟情况。
4、生鲜物流验收要求:(1)、收货记录必须以实际收货重量(净重)为准。
(2)、收货过程中发现任何质量问题,应立即与相关采购联系,以得到及时处理。
(3)、当商品的质量有异议时,应留下样品,以便事后追踪。
(4)、验收过程中务必以实际皮重进行扣重,不得以他人提供参照值进行扣重。
蔬菜分类及验收标准数量验收标准1.1来货量超过订货量,按订货量验收,来货量少于其订货量85%,则知会采购部。
1.2送货品种必须与订货品种一致。
1.3不合格率在1%内,予以验收;不合格率在1-5%,该品种为卖场急需,按比例扣除不合格数量后,予以验收;同时知会采购部;不合格率大于5%,不予验收,知会采购。
1、分类及验收标准2.1根菜类:主食部分为肥大的肉质直根。
分为肉质根类、块根类。
2.1.1验收标准2.2茎菜类:主食部分是茎部,分地下茎(块茎、根状茎、球状茎);地上茎2.2.1验收标准2.3叶菜类:叶片大,鲜嫩,含水量多,以叶为食;分普通叶菜,香辛叶菜,结球叶菜,鳞茎菜2.3.1 验收标准2.4花菜类:其食用部分为脆嫩的花茎,缩短肥嫩的花苔,密集成球状的花蕾及花瓣。
2.4.1验收标准2.5果菜类:食用部分为各类植株的果实。
分为瓢果类、浆果类、荚果类2.5.1验收标准2.6食用菌类:食用部分为茎叶,但不具有叶绿素2.6.1验收标准2.7其它类:芽菜类、海鲜蔬菜、野菜、药用蔬菜、树菜2.7.1验收标准其他。
水果分类及验收标准1.数量验收标准1.1送货品种必须与订货品种一致1.2 来货量大于订货量,按订货量验收;来货量小于订货量85%,则知会采购部。
1.3 不合格率在1%以内,予以验收;不合格率在1-5%,该品种为卖场急需,按比率扣除不合格数量,予以验收,不合格在10%以上的知会采购部。
1.43件以内的逐个检查,高价值的进口果也须逐件检查,4~10件的按40%抽查,10件以上的按20%抽查。
2.类及质量验收标准好则可不扣称,这需要水果理货员酌情处理。
蔬菜质量等级划分一、普通蔬菜普通蔬菜在生长、收、贮、运输、加工过程中,不加任何限制的管理,产品质量也没有任何标准要求。
我们日常在菜场买的蔬菜就是普通蔬菜。
二、无公害蔬菜无公害蔬菜也叫无污染蔬菜。
蔬菜在生长、收、贮、运输、加工过程中,对农药等化学药品的使用方法和用量有一定的限制。
蔬菜中不含有或只含有微量的、对人身无伤害的有害物质。
三、绿色蔬菜绿色蔬菜是无污染、安全、优质、营养蔬菜的总称。
其标准有四条:1、产品的产地符合生态环境标准;2、产品的生产、加工符合操作规程;3、产品质量符合卫生标准;4、产品的标签符合规定要求。
绿色蔬菜分为两级:A级,生产过程中允许使用限量的化学合成物质。
AA级,生产过程中不使用任何化学合成物质,按特定生产操作规程生产、加工、运输、符合AA级标准。
怎样鉴别绿色食品、绿色蔬菜?中国对绿色食品、绿色蔬菜进行统一编号,并颁发使用证书。
编号形式为:LB-xx-xxxxxxxxxx。
LB是绿色食品标志代码;后二位xx代表产品分类;再后面十位x的含义是:第1、2位是该产品被批准使用绿色食品标志的年份,第3、4位是该产品生产的国别(中国为01),第5、6位是该产品生产的省、直辖市、自治区,第7、8、9位是产品序号,第10位是产品级别(1为A级,2为AA级)。
四、有机蔬菜根据有机农业生产和产品加工标准进行生产、加工、贮存、运输,并经过有机农业颁证组织确认的无污染、纯天然、高质量的健康蔬菜。
其生产标准高于绿色蔬菜。
五、天然蔬菜天然蔬菜就是在天然环境生长的蔬菜,野生蔬菜如苦菜、马兰头、马齿苋、荠菜、红菇(目前人工还无法培育)、竹笋等都属天然蔬菜。
天然蔬菜有的本身就有毒,如蕨菜(强致癌物,只能将嫩蕨入锅放冷水,待水烧开捞起漂过后偶然少量吃点)、山蒜、糟红(类似红菇,就是大家讲的“假红菇”)。
真、假红菇简单鉴别法:真红菇有红菇的独特香味,其菇叶底面显蓝色,剥一点菇叶放嘴里嚼有甜味;糟红叶底显浅黄色,闻不香,放嘴里嚼,味微苦,有小毒。
蔬菜验收标准
一、蔬菜的分类
按照蔬菜的构造及可食部位分为叶菜类、茎菜类、根菜类、果菜类、花菜类和食用菌类等;
二、验收方法
通过眼观、手摸、鼻闻来验收蔬菜的色泽、外观形状、气味,判断其质量好坏。
三、验收指标
1、送样每种菜品需分开包装,避免交叉污染,并标明菜品及基地名称。
2、送样为当天发货的同一批次蔬菜。
3、送来的每种菜样不得少于一公斤。
4、各种蔬菜不得有非正常、不新鲜状态,例如蔫萎、枯塌、软烂、损伤、病变、虫害侵蚀等引起的形态异常。
5、新鲜度:水量充足,无空壳、皱皮、干涩现象。
6、色泽:色正、新鲜、鲜亮。
7、硬度:饱满,充实,软硬适中。
8、形状:曲线协调,规整,无畸形。
9、机械伤:相同新鲜条件下无外力造成的伤害。
如:挤压、碰上、裂伤等。
10、病虫害:无不良虫害,表面、中间无虫卵遗留、无虫眼。
11、成熟度:适中,无过熟、未熟现象。
12、气味:具有蔬菜本有的气味,不允许有腐烂变质的亚硝酸盐味和其他异常气味。
三、验收职责
1、检验员只对来样负责。
2、验收指标有一项不符合验收标准的,检验员可拒接样品,将予以重新采样。
序号品名优质质量形态1小白菜梗白色,较嫩较短,叶子淡绿色,整棵菜水份充足,无根.2青菜梗白色或浅绿色,较嫩,叶子深绿色,整棵菜水份充足,无根.3菜秧梗较细较嫩,叶子细长,淡绿色,棵小似鸡毛,水份充足.4油菜梗短粗,呈淡绿色或白色,叶子厚肥大,主茎无花蕾.水份充足,无根.5韭菜叶较宽,挺直,翠绿色,根部洁白,软嫩且有韭菜味,根株均匀,长20历米以内;6韭黄叶肥挺,稍弯曲,色泽淡黄,香味浓郁,长20历米以内.7香芹又旱芹,叶翠绿,无主茎分枝少,根细,茎挺直,脆,芹菜香味,水份充足,长约30历米.8水芹叶嫩绿或黄绿,茎、根部呈白色,茎细软,中间空、水份充足,有清香味,长约30历米。
9西芹叶茎宽厚,颜色深绿,新鲜肥嫩,爽口无渣。
10菠菜颜色碧绿,平嫩,叶子大、挺直,根桃红,无主茎且无柄无红色,棵株适当。
11生菜颜色鲜艳,淡绿,叶子水份充足,脆嫩薄、可竖起,棵株挺直。
12空心菜叶薄小翠绿,有光泽,棵株挺直,梗细嫩脆、淡绿色易折断,棵株约15历米。
13西洋菜颜色淡绿或深绿,茎细脆嫩,易折断,水份充足,棵株挺直。
14麦菜叶淡绿、肥厚,嫩脆,无主茎,叶株挺直、水份充足,根部的切面嫩绿色,稍有苦涩味。
15芥菜叶大而薄、深绿色、柄嫩绿脆,无主茎,叶株挺直,水份充足。
蔬菜的详细验收标准16苋菜有红绿两种,叶子为绿色或红色,叶大薄软,有光泽,茎细短、光滑嫩脆,棵株挺直,水份充足。
17潺菜颜色碧绿、叶厚实,有光泽,梗细短、光滑嫩绿,掐之易断。
18菜芯颜色碧绿、梗脆嫩,掐之易断,有花蕾或无花蕾,棵株挺直,水分充足。
19芥兰颜色墨绿,叶短少,有白霜,挺直,梗皮有光泽、绿色、粗长、断面绿白色、湿润,20小葱叶翠绿、饱满充气,均匀细长、鳞茎洁白、挺直、香味浓郁,长15-30历米。
21胡葱叶翠绿、饱满充气,均匀细长、鳞茎洁白、挺直、香味浓郁,长15-30历米。
22青蒜叶翠绿、薄嫩、挺直,蒜茎洁白,水份充足,外表无水。
23香菜翠绿、挺直、根部无泥、香气重、水份充足。
食堂蔬菜类食材原料采购验收标准1、蔬菜的分类:按照蔬菜的构造及可食部位分为叶菜类、茎菜类、根菜类、果菜类、花菜类和食用菌类等;2、蔬菜的检验:蔬菜的品质检验主要是鉴别其新鲜度,收获的最佳期,品种的优越性,一般可从其含水量、形态、色泽等方面来检验;3、具体检验标准:大白菜:新鲜洁白,表面无黑色斑点,里面无烂心、无开花、坏叶不超过3片;白萝卜:表皮光洁,无黑心、无空心,小的不低于0.5斤,大的不超过3斤;青笋:新鲜、通体均称,无竹节、无乱尾、无空心,叶片不能超过长度的1/3;尖椒:无异味,尾部新鲜、硬朗、硬而不青,长度不短于10公分;圆椒:无异味,尾部新鲜、硬朗、硬而不青;红椒:无异味,尾部新鲜、硬朗、硬而不烂,长不能太小;包菜:1.5斤以上,无黄叶、虫叶、结实无烂心;蒜苔:长而匀称、绿色鲜艳、无暗斑、尾部老硬不能超过1寸,没有冻伤(中间抽看,防冻烂);红萝卜:直径2公分、长度1公寸,大而均匀、色泽鲜艳;豆角:新鲜、长度40公分左右,长而结实,折断为实心、无虫;花菜:直径1公寸,洁白而无黑点斑点,箱装则防冻烂;西兰花:表面蓓蕾平展,无开花现象,无异味臭味,外表如有潮表色则证明已变质;青瓜:长而直、带刺、折断为实心无籽,两头大小一致;节瓜:大小合适,鲜嫩带毛,指甲掐进有水冒出;粉葛:灰白色,有木质感、结实、外表无凸出枝节;蒲瓜:油绿色、粗短头大、中间稍细、折断无籽、有籽则老;.冬瓜:个小、结实、无松软感,检查表皮,防烂;京包菜:个小、结实、呈圆椎状,味甜、无黄叶、虫叶;玉米棒:个大,粒满,老嫩适中,防虫咬;南瓜:金黄色、红心、表皮如有指头大小黑块,则已变质;生姜:个大、金黄色、无芽、黑色则烂,白色则嫩;丝瓜:头尾粗细较均匀,拿起有弹力,欲断;西芹:嫩绿色折断无筋,无烂心;进口西芹则棵大、杆长、节稀.土豆:大而圆滑、无泥土、无发芽;茄瓜:长、直、嫩、折断洁白无籽;西红柿:红而不软,硬而不青三、猪肉类五花肉:必须有检疫章和检验单,印章模糊的属于私人宰肉。
60种常见蔬菜收货验收标准1. 土豆:外观完整,无病斑和损伤。
2. 西红柿:外观鲜红,无破损和腐烂。
3. 黄瓜:外观翠绿,无黄褐斑和畸形。
4. 胡萝卜:外观饱满,无折断和裂痕。
5. 白菜:外叶翠绿,无虫害和泥沙。
6. 青菜:外观鲜绿,无黄叶和病害。
7. 莴苣:外观完整,无破损和残枝。
8. 豆角:外观鲜绿,无破损和枯萎。
9. 花菜:外观紧密,无斑点和凋谢。
10. 翠玉瓜:外观翠绿,无裂痕和腐烂。
11. 茄子:外观光滑,无虫蛀和软烂。
12. 菜花:外观鲜黄,无虫害和凋谢。
13. 莲藕:外观洁白,无划痕和虫蛀。
14. 小白菜:外观紧密,无枯萎和病斑。
15. 笋:外观嫩绿,无刺伤和虫蛀。
16. 生菜:外观鲜绿,无病斑和虫害。
17. 辣椒:外观鲜红,无瘀斑和腐烂。
18. 芹菜:外观鲜绿,无病斑和虫害。
19. 芦笋:外观嫩绿,无腐烂和断裂。
20. 红萝卜:外观饱满,无开裂和虫蛀。
21. 洋葱:外观圆润,无瘀伤和黄化。
22. 生姜:外观鲜嫩,无干枯和虫蛀。
23. 韭菜:外观鲜绿,无黄叶和病斑。
24. 菠菜:外观鲜绿,无枯萎和虫害。
25. 菜心:外观嫩绿,无老黄和虫蛀。
26. 蒜苗:外观鲜绿,无黄叶和病斑。
27. 青椒:外观鲜绿,大小均匀。
28. 圆白菜:外观饱满,无腐烂和病斑。
29. 竹笋:外观嫩绿,无腐烂和虫害。
30. 大蒜:外观完整,无黑斑和虫蛀。
31. 卷心菜:外观饱满,无虫害和病斑。
32. 韭菜花:外观嫩绿,无凋谢和虫害。
33. 姜蒜苗:外观鲜嫩,无病害和虫蛀。
34. 花椰菜:外观紧密,无腐烂和虫害。
35. 南瓜:外观完整,无裂痕和腐烂。
36. 甘蓝菜:外观饱满,无虫害和凋谢。
37. 牛蒡:外观洁白,无划痕和虫蛀。
38. 草菇:外观完整,无腐败和霉变。
39. 黄豆苗:外观鲜绿,无黄叶和凋谢。
40. 苦瓜:外观光滑,无虫蛀和破损。
41. 金针菇:外观完整,无腐败和霉变。
42. 冬瓜:外观饱满,无软烂和虫害。
蔬菜分类及验收标准蔬菜分类及验收标准一、数量验收标准1.如果来货量超过订货量,则按订货量验收。
如果来货量少于订货量的85%,则需要通知采购部。
2.送货的品种必须与订货品种一致。
3.如果不合格率在1%以内,则可以验收;如果不合格率在1-5%之间且该品种为卖场急需,则可以按比例扣除不合格数量后验收,并通知采购部;如果不合格率大于5%,则不予验收,并通知采购部。
二、分类及验收标准1.根菜类:主食部分为肥大的肉质直根,分为肉质根类和块根类。
品名质量验收标准肉质根类和块根类白萝卜、青萝卜、红萝卜等沙葛、山葛、粉葛、淮山等大小均匀,表皮紧硬不开裂,不空心、不糠心、不黑心,弹击有实心感;干净清洁,无泥沙,根形完整,无畸形、无细小根、无害虫、无腐烂、无断折断。
根形完整,无畸形、无细小根、无空心、无断折、无发霉、无缺口损伤。
扣秤标准为1-2%。
2.茎菜类:主食部分是茎部,分为地下茎(块茎、根状茎、球状茎)和地上茎。
品名质量验收标准地下茎土豆、莲藕、马蹄、生姜、芋头、莴笋、水笋、萝卜苗、菜心、红菜苔、竹笋个体均匀,无泥土、无虫驻和机械伤,不萎蔫变软,不发芽,不变绿。
地上茎茎皮光滑不开裂,无老根、无黄叶、无病虫害,不糠心,不烂芽。
鲜嫩,上青下白,无损伤,不皱缩。
扣称标准为1-2%和2%。
3.叶菜类:叶片多,鲜嫩、含水量多,以叶为食,分为普通叶菜、香幸叶菜,结球叶菜和鳞茎菜。
品名验收标准4.食用菌类:食用部门为茎叶,但不具有叶绿素。
品名质量验收标准扣称标准蘑菇、草菇、平菇、金针菇、香菇、茶霉色泽与品种相适应,气味正常,无腐烂及虫蛀株,无失水枯萎,朵片完整。
其中鲜香菇、平菇等带柄类树菇等要求柄不能过长、过粗,手轻捏不能水渗出为宜。
1-2%5.其他类:芽菜类、海鲜蔬菜、野菜、药用蔬菜、树菜。
品名验收标准质量验收标准绿豆芽、黄豆芽无绿香、枸杞菜海带、裙菜无泥土、无腐烂,___马边苋、紫厥菜无泥土、无腐烂、无空洞干枯,不起皱益母草、鱼腥草姜块完整、结实,无损伤、不皱缩,无黑心、糠心,不烂芽根形完整,无畸形、无细小根,无害虫、无腐烂,无断折断。
蔬菜的验收标准一、叶菜类:所有叶菜类的标准是叶菜上不能有虫眼,不能发黄,不能有枝叶,不能有农药残留。
叶菜类包括:小白菜、奶白菜、上海青、大白菜、白菜、菜心、生菜、西生菜、通菜、椰菜、红椰菜、野菜、芥菜、芥兰、菠菜、西洋菜、茼蒿、豆苗、韭菜、韭黄等。
劣质形态:1、压伤、擦伤;2、叶片泛黄或发黄;3、叶边焦黄、极度枯萎;4、叶面呈现啡色、褐斑;5、茎顶部有烂心现象;6、主茎不易掐断、边上的纤维粗;7、有花蕾、甚至开花;8、叶内腐烂、有虫斑、虫点、甚至有小虫。
补充:1、苋菜有绿叶苋菜和红叶苋菜;2、白菜心与菜心有花蕾或开花;3、韭黄是韭菜不照阳光而长成、叶片呈黄色;4、芥兰要求茎粗长、叶片短、少;5、椰菜需把开裂维挑出。
二、花菜类花菜类包括:椰菜花、西兰花、韭菜花等。
劣质形态:1、椰菜花:表皮多黑点、颜色发黑、叶梗过长、虫眼多、压伤、碰伤、擦伤;2、西兰花:颜色发黄、压伤、擦伤、叶梗过长、开花、腐烂;3、韭菜花:开花、茎不易折断。
三、菌类菌类包括:草菇、平菇、白蘑菇、香菇等。
1、草菇:颜色发黑、菌盒易开、顶破外膜、表面潮湿、出水;2、平菇:颜色黄、感染小蝇虫、表面潮湿、发霉;3、白蘑菇:颜色发黑、菇形不完整;4、香菇:菌褶呈深褐色、甚至发黑、表面潮湿带污渍、菇柄过长、有虫蛀痕迹、酸臭气味。
四、蒜葱类蒜葱类包括:青葱、大葱、洋葱、青蒜、蒜薹、蒜头等。
劣质形态:1、青葱:枯萎、有花蕾、腐烂、颜色转黄;2、大葱:有枯叶、烂叶、焦叶、腐烂、葱白折断;3、洋葱:碰伤、擦伤、发芽、枯干;4、蒜薹:梗发黄、梗上有小斑点、有干缩皱皮、梗不宜掐断、苔苞腐烂或枯萎;5、青葱:叶片转黄、压伤、叶片破损、有烂叶或烂株;6、蒜头:发芽、表面发霉、萎缩及干水、形状不完整。
五、茄果类茄果类包括:茄瓜、西红柿(番茄)、西椒、青尖椒、红尖椒等(辣椒又称辣茄)。
劣质形态:1、茄瓜:外皮破损、表皮呈现褐斑、腐烂、发霉、花皮严重、压伤、瘀伤、虫洞、失水皱皮、瓜柄脱落;2、西红柿:呈极度柔软、腐烂、发霉、失水皱皮、外皮破损、肩部周围细裂纹多、过生;3、西椒:腐烂、发霉、失水皱皮、外皮破损、压伤、瘀伤、擦伤、外皮发黑;4、青尖椒:腐烂、发霉、失水皱皮、外皮破损、压伤、瘀伤、擦伤、外皮发黑;5、红尖椒:腐烂、发霉、失水皱皮、外皮破损、压伤、瘀伤、擦伤、着色面积少。
蔬菜验收标准与要求外观质量标准1.新鲜度(1)蔬菜应保持新鲜的色泽和质地,不得有明显的褪色、干枯、萎蔫等现象,确保产品的质量和口感。
(2)叶菜类蔬菜应保持翠绿,无黄叶或腐烂;根茎类蔬菜应质地紧实,无发芽或腐坏的情况。
2.无损坏或变质(1)所有蔬菜不得有损坏、腐烂、霉变等质量问题,表面光滑、无黑点或斑痕,确保蔬菜健康安全。
(2)如发现腐烂或受损的蔬菜,客户有权拒收或要求更换,确保交付的蔬菜质量符合标准。
3.整洁度(1)蔬菜应经过初步清洗处理,保持整洁无泥土、无虫害残留,提升客户的使用便利性。
(2)表面无多余水分,防止运输过程中蔬菜因湿度过高导致品质下降。
包装与标签要求1.包装完整性(1)每件蔬菜包装必须完好无损,封口紧密,确保运输过程中的防护性和卫生安全。
(2)包装材料符合环保和食品安全标准,不得有破损、渗漏等影响蔬菜质量的情况。
2.标签清晰完整(1)每个包装袋上需贴有清晰的标签,标明品名、批次号、生产日期、保质期等信息,确保蔬菜信息的可追溯性。
(2)标签内容准确无误,信息齐全,避免信息不符或遗漏,确保客户对产品信息的全面掌握。
3.环保与安全要求(1)包装材料应符合环保要求,不使用有毒有害成分,确保对蔬菜无二次污染。
(2)包装应能防止运输中的污染和损坏,保障蔬菜的卫生和安全。
数量与规格标准1.数量准确(1)每批次蔬菜的数量必须与订单一致,不得少量或多量,确保客户需求得到全面满足。
(2)如发现数量不足或超出,需详细记录差异并及时处理,确保交付准确性。
2.规格符合要求(1)蔬菜的规格(如重量、尺寸等)应与订单中的规格一致,确保客户按需求收到合适的产品。
(2)重量允许有少量误差,但误差范围应在规定的容差范围内(通常为±5%),超过此范围的蔬菜客户有权要求更换。
3.批次一致性(1)同一批次的蔬菜应具备一致的规格和品质,避免出现不同规格或品质的产品混杂在一起。
(2)批次号清晰可见,确保蔬菜在存储、使用过程中的一致性和可追溯性。
蔬菜的详细验收标准蔬菜的详细验收标准一、叶菜类:所有叶菜类的标准是叶菜上不能有虫眼、不能发黄、不能有枝叶,不能有农药残留。
叶菜类包括小白菜、奶白菜、上海青、大白菜、白菜、菜心、生菜、西生菜、通菜、椰菜、红椰菜、野菜、芥菜、芥兰、菠菜、西洋菜、茼蒿、豆苗、韭菜、韭黄等。
劣质形态包括压伤、擦伤、叶片泛黄或发黄、叶边焦黄、极度枯萎、叶面呈现啡色、褐斑、茎顶部有烂心现象、主茎不易掐断、边上的纤维粗、有花蕾、甚至开花、叶内腐烂、有虫斑、虫点、甚至有小虫。
补充:苋菜有绿叶苋菜和红叶苋菜;白菜心与菜心有花蕾或开花;韭黄是韭菜不照阳光而长成、叶片呈黄色;芥兰要求茎粗长、叶片短、少;椰菜需把开裂维挑出。
二、花菜类:花菜类包括椰菜花、西兰花、韭菜花等。
劣质形态包括椰菜花表皮多黑点、颜色发黑、叶梗过长、虫眼多、压伤、碰伤、擦伤;西兰花颜色发黄、压伤、擦伤、叶梗过长、开花、腐烂;韭菜花开花、茎不易折断。
三、菌类:菌类包括草菇、平菇、白蘑菇、香菇等。
劣质形态包括草菇颜色发黑、菌盒易开、顶破外膜、表面潮湿、出水;平菇颜色黄、感染小蝇虫、表面潮湿、发霉;白蘑菇颜色发黑、菇形不完整;香菇菌褶呈深褐色、甚至发黑、表面潮湿带污渍、菇柄过长、有虫蛀痕迹、酸臭气味。
四、蒜葱类:蒜葱类包括青葱、大葱、洋葱、青蒜、蒜薹、蒜头等。
劣质形态包括青葱枯萎、有花蕾、腐烂、颜色转黄;大葱有枯叶、烂叶、焦叶、腐烂、葱白折断;洋葱碰伤、擦伤、发芽、枯干;蒜薹梗发黄、梗上有小斑点、有干缩皱皮、梗不宜掐断、苔苞腐烂或枯萎;青葱叶片转黄、压伤、叶片破损、有烂叶或烂株;蒜头发芽、表面发霉、萎缩及干水、形状不完整。
五、茄果类:茄果类包括茄瓜、西红柿(番茄)、西椒、青尖椒、红尖椒等(辣椒又称辣茄)。
劣质形态包括茄瓜外皮破损、表皮呈现褐斑、腐烂、发霉、花皮严重、压伤、瘀伤、虫洞、失水皱皮、瓜柄脱落;西红柿呈极度柔软、腐烂、发霉、失水皱皮、外皮破损、肩部周围细裂纹多、过生。
营养食堂蔬菜验收标准一.总则1.1为了对厨房蔬菜采购进行有效管理,确保食材采购品质,特制订本制度。
1.2本制度适用范围厨房厨师长、采购员及后勤管理人员。
二.蔬菜分类按照蔬菜的构造及可食部位分为叶菜类、茎菜类、根菜类、果菜类、花菜类和食用菌类等。
三.蔬菜的检验蔬菜的品质检验主要是鉴别其新鲜度,收获的最佳期,品种的优越性,一般可从其含水量、形态、色泽等方面进行检验。
四.具体瓜果类检验标准1大白菜:新鲜洁白,表面无黑色斑点,里面无烂心、无开花、坏叶不超过3片2白萝卜:表皮光洁,无黑心、无空心,小的不低于0.5斤,大的不超过3斤3青笋:新鲜、通体均称,无竹节、无乱尾、无空心,叶片不能超过长度的1/34尖椒:无异味,尾部新鲜、硬朗、硬而不青、长度不短于10公分5圆椒:无异味,尾部新鲜、硬朗、硬而不青6红椒:无异味,尾部新鲜、硬朗、硬而不烂7包菜:1.5斤以上无黄叶、虫叶、结实无烂心8小葱:长而匀称、绿色鲜艳、无暗斑、尾部老硬不能超过1寸,没有冻伤(中间抽看,防冻烂)9冬瓜:个小、结实、无松软感,检查表皮,防烂10豆角:新鲜、长度40公分左右,长而结实,折断为实心、无虫11花菜:直径1公寸,洁白而无黑点斑点12西兰花:表面蓓蕾平展,无开花现象,无异味臭味,外表如有潮表色则证明已变质13青瓜:长而直、带刺、折断为实心无籽,两头大小一致14竹笋:大小合适,鲜嫩,指甲掐进有水冒出15山药:白色,有木质感、结实、外表无凸出枝节16海带结:油绿色、肉饱满、大小均匀、不变质17京包菜:个小、结实、呈圆椎状,味甜、无黄叶、虫叶18香菜:味香浓、色泽绿鲜嫩无烂叶19生菜:叶大要嫩、无烂叶20生姜:个大、金黄色、无芽、黑色则烂,白色则嫩21莲藕:身长大个、鲜亮、无烂皮22西芹:嫩绿色折断无筋无烂心;进口西芹则棵大、杆长、节稀23土豆:大而圆滑、无泥土、无发芽24茄子:长、直、嫩、折断洁白无籽25西红柿:红而不软,硬而不青26鲜木耳:新鲜、肉饱满、色泽光亮27皇帝菜:鲜嫩、无烂叶、叶多28菠菜:鲜嫩、亮丽、无烂叶29油麦菜:鲜嫩、身长叶青、无烂叶30空心菜:鲜嫩、叶青、无烂叶31红薯:大个、无虫眼、无腐烂、肉红水分足32红萝卜:大个身长、色泽鲜红、无腐烂、肉红水分足33洋葱:要饱满、无烂皮34大蒜:新鲜、无腐烂、要均匀35红枣:色泽鲜红、肉饱满,无黑点。
蔬菜分类及验收标准
1. 蔬菜分类
蔬菜是人们常见的食物之一,在市场上有许多种类的蔬菜。
我们可以按照不同的分类标准将蔬菜划分为以下几类:
1.1 根菜类
根菜类主要是指那些蔬菜的可食用部分为根茎的种类,通常生长在地下。
常见的根菜类包括:
- 胡萝卜
- 马铃薯
- 萝卜
- 芋头
1.2 叶菜类
叶菜类是指那些蔬菜的可食用部分为叶子的种类。
叶菜类常见的有:
- 菠菜
- 韭菜
- 苦菜
- 青菜
1.3 瓜果类
瓜果类是指那些蔬菜的可食用部分为果实的种类。
瓜果类常见的有:
- 西红柿
- 黄瓜
- 辣椒
- 茄子
2. 蔬菜验收标准
蔬菜的质量是食用者关注的重要问题之一。
为了确保蔬菜的安全和新鲜度,我们可以参考以下验收标准:
2.1 外观检查
- 蔬菜应该无病虫害,表皮光滑,无明显的损伤或腐烂。
- 颜色鲜艳,符合该类蔬菜的特点。
2.2 质地检查
- 蔬菜应有适当的硬度或韧性,不应过于嫩软或木质。
- 叶菜类应有新鲜的叶子,不应有黄叶或脱落的现象。
2.3 味道和气味检查
- 蔬菜应具有应有的味道,不应有异味或过于苦涩的气味。
2.4 尺寸检查
- 蔬菜应符合该类蔬菜的一般尺寸要求,不应过大或过小。
以上是蔬菜分类及验收标准的简要介绍,希望能对您有所帮助。
*注意:以上信息仅供参考,具体的蔬菜分类和验收标准可能
会因不同地区和实际情况有所不同。
*。
蔬菜分类及验收标准(试行)zane
1、数量验收标准
1.1来货量超过订货量,按订货量验收,来货量少于其订货量85%,则知会采购部。
1.2送货品种必须与订货品种一致。
1.3不合格率在1%内,予以验收;不合格率在1-5%,该品种为卖场急需,按比例扣除不合格数量后,予以验收;同时知会采购部;不合格率大于5%,不予验收,知会采购。
2、分类及验收标准
2.1根菜类:主食部分为肥大的肉质直根。
分为肉质根类、块根类。
2.1.1验收标准
2.2茎菜类:主食部分是茎部,分地下茎(块茎、根状茎、球状茎);地上茎
2.2.1验收标准
2.3叶菜类:叶片大,鲜嫩,含水量多,以叶为食;分普通叶菜,香辛叶菜,结球叶菜,鳞茎菜
2.3.1 验收标准
2.4花菜类:其食用部分为脆嫩的花茎,缩短肥嫩的花苔,密集成球状的花蕾及花瓣。
2.4.1验收标准
2.5果菜类:食用部分为各类植株的果实。
分为瓢果类、浆果类、荚果类
2.5.1验收标准
2.6食用菌类:食用部分为茎叶,但不具有叶绿素
2.6.1验收标准
2.7其它类:芽菜类、海鲜蔬菜、野菜、药用蔬菜、树菜
2.7.1验收标准
注:扣称标准是在按质量验收标准挑出不合格品后,另扣除的重量,包括水分及其他。
生鲜组zane
2002年10月26日。