临时用电计算公式及计算实例
- 格式:docx
- 大小:44.49 KB
- 文档页数:4
工程现场临时用电负荷计算实例一、用电负荷计算:现场用电设备:1、卷扬机3台(7.5KW)22.5KW2、砂浆机3台(3KW)9KW3、加压泵1台(5.5KW) 5.5KW4、介木机4台(3KW)12KW5、振动器3台(1.1KW) 3.3KW6、电焊机1台(25.5KW)25.5KW7、镝灯4支(3.5KW)14KW8、碘钨灯10支(1KW)10KW9、其他用电10(KW)10KW10、生活用电10(KW)10KW 施工现场用电设备的kx、cos、tg1、卷扬机kx=0.3 cosφ=0.7 tgφ=1.022、砂浆机kx=0.7 cosφ=0.68 tgφ=0.623、加压泵kx=0.5 cosφ=0.8 tgφ=0.754、介木机kx=0.7 cosφ=0.75 tgφ=0.885、振动器kx=0.65 cosφ=0.65 tgφ=1.176、电焊机kx=0.45 cosφ=0.87 tgφ=0.577、镝灯kx=18、碘钨灯kx=19、其他用电kx=110、生活用电kx=1有功荷载计算:1、卷扬机Pj1=Pj×kx=22.5kw×0.3=6.75kw2、砂浆机Pj2=Pj×kx=9kw×0.7=6.3kw3、加压泵Pj3=Pj×kx=5.5kw×0.5=2.75kw4、介木机Pj4=Pj×kx=12kw×0.7=8.4kw5、振动器Pj5=Pj×kx=3.3kw×0.65=2.15kw6、电焊机Pj6=Pj×kx=25.5kw×0.45=11.48kw7、镝灯Pj7=Pj×kx=14kw×1=14kw8、碘钨灯Pj8=Pj×kx=10kw×1=10kw9、其他用电Pj9=Pj×kx=10kw×1=10kw10、生活用电Pj10=Pj×kx=10kw×1=10kw无功荷载计算:1、卷扬机Qj1=Pj1×tgφ=6.75kw×1.02=6.89 KVAR2、砂浆机Qj2=Pj2×tgφ=6.3kw×0.62=3.91 KVAR3、加压泵Qj3=Pj3×tgφ=2.75kw×0.75=2.06 KVAR4、介木机Qj4=Pj4×tgφ=8.4kw×0.88=7.39 KVAR5、振动器Qj5=Pj5×tgφ=2.15kw×1.17=2.51 KVAR6、电焊机Qj6=Pj6×tgφ=11.48kw×0.57=6.54 KVAR7、镝灯Qj7=Pj7×tgφ=14kw×1.52=21.28 KVAR总有功计算,取同期系数kp=0.8P总=kp×(6.75+6.3+2.75+8.4+2.15+11.48+14+10+10+10) ×0.8=65.46KW总无功计算,取同期系数kp=0.8P总=kQ×(6.89+3.91+2.06+7.39+2.51+6.54+21.28) ×0.8=40.46KW现在功率:Sj= P总2+ P总2=65.462+40.462=76.95KVA说明:1、按照《建设工程施工现场供用电安全规范》的规定采用专用保护零线的TN-S接零保护,采用三相五线制供电。
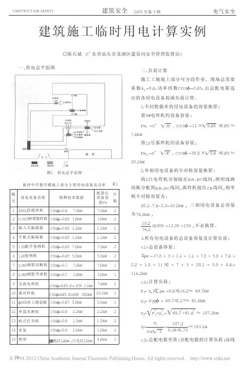
建筑施工临时用电计算实例○陈石斌(广东省汕头市龙湖区建设局安全管理监督站)二、负荷计算施工工地地上部分可分段作业,现场总需要系数k X =0.6,功率因数COS !=0.65,由总配电箱返出的各用电设备按满负荷计算。
1!不同暂载率的用电设备的容量换算:第9#电焊机的设备容量:Pe 9=S ’J C "".COS !=11×0.65""×0.85≈7.6kW第10号弧焊机的设备容量:Pe 10=S ’J C %".COS !=30.5×0.6""×0.85≈20.1kW2!单相用电设备的不对称容量换算:将2只电焊机分别接在AB 、BC 线间,照明线路均衡分配到AB 、BC 线间,弧焊机接在CA 线间,则单相不对称容量为:20.1-7.6-2.3=10.2kW ,三相用电设备总容量为76.3kW ,10.276.3×100%=13.3%<15%,不必换算。
3!所有用电设备的总设备容量及计算负荷:<1>总设备容量:Σpe =(7.5+3+1.1+1.1+7.5+5.5+7.6+2.2+1.5+1)×2+7+3+20.1+5.5+4.6=116.2kW<2>计算负荷:P j =k x ×∑pe =0.6×116.2≈69.7kW Q j =P j t g !=69.7×1.17≈81.6kW S j =P j 2+Q j 2%"=69.72+81.62%"≈107.3kW I j=S j Ue 3%"=107.30.38×1.73≈163.1A<3>总配电箱至第1分配电箱的计算负荷(该线图1供电总平面图编号用电设备名称铭牌技术数据换算后设备容量Pe台数1400L 砼搅拌机C0S !=0.87.5kW 7.5kW 22UJ 325砂浆搅拌机C0S !=0.65 3.0kW 3.0kW 23插入式振捣器C0S !=0.85 1.1kW 1.1kW 24平板式振捣器C0S !=0.85 1.1kW 1.1kW 25 1.5t 提升卷扬机C0S !=0.657.5kW 7.5kW 26 1.0t卷扬机C0S !=0.65 5.5kW5.5kW 27QJ 40钢筋切断机C0S !=0.77.0kW 7.0kW 18QJ 40钢筋弯曲机C0S !=0.7 3.0kW3.0kW 19交流电焊机7.6kW210弧对焊机20.1kW 111!600木工圆盘锯C0S !=0.87 5.5kW 5.5kW 112单盘水磨机C0S !=0.8 2.2kW 2.2kW 213蛙式打夯机C0S !=0.8 1.5kW 1.5kW 214水泵C0S !=0.81.0kW1.0kW 215照明4.6kW1新津中学教学楼地上部分主要用电设备及功率表1C0S !=0.85J C=60%30.5kW C0S !=0.85J C=65%11kW钨灯2.4kW ,日光灯2.2kW一、供电总平面图38路为搅拌机及砂浆机所用,筒称Σ总-1的计算负荷):P j 1=7.5×2+3×2=21kW "(取COS "=0.8)Q j 1=P j 1t g "=21×0.75≈15.8kVAR S j 1=212+15.82""≈26.3kVA I j 1="26.31.73×0.38≈40A<4>Σ总-2分路为振捣器及1.5t 卷扬机所用,计算负荷:P j2=1.1×4+7.5×2=19.4kW (取COS "=0.65)Q j2=19.4×1.17≈22.7kVAR S j 2=19.42+22.72""≈29.8kVA I j 2=29.83""×0.38≈45.4A<5>Σ总-3分路为1.0t 卷扬机、钢筋机械、电焊机、弧焊机所用,计算负荷:P j 3=5.5×2+7+3+7.6×2+20.1=56.3(取COS "=0.85)Q j 3=56.3×0.62≈34.9kVAR S j 3=56.32+34.92""≈66.2kVA I j 3=66.23""×0.38≈100.7A <6>Σ总-4分路为木工机械、水磨机、打夯机、水泵之用,计算负荷:P j 4=5.5+2.2×2+1.5×2+1×2=14.9kW (取COS "=0.8)Q j 4=14.9×0.75≈11.2kVAR S j 4=14.92+11.22""≈18.7kVA I j 4=18.73""×0.38≈28.4A<7>Σ总-5分路为照明所用,因照明使用纯电阻性,所以P j 5=4.6kW I j 5=4.63""×0.38≈7A三、导线及导线截面的选择本工程总电源至各分配电箱采用铜蕊绝缘塑料架空线,分配电箱至各开关箱采用塑料电缆(VV )或橡胶电缆(Yc w )或YJ V 电缆埋地敷设。
临时用水、临时用电计算公式及计算实例在进行一些短期活动、工程和建设时,常常会遇到需要进行临时用水、临时用电的情况。
这时需要计算出需求的用水量和用电量,以便制定合理的计划和预算。
本文将介绍临时用水和用电的计算公式,并给出一些实例,以供参考。
临时用水的计算公式临时用水的计算需要考虑以下因素:•用水时间:以天为单位•用水人数:以人/天为单位•用水量:以升为单位,同时还要考虑压力、流量等因素根据上述因素,我们可以得到临时用水的计算公式:临时用水量 = 用水时间 x 用水人数 x 人均用水量其中,人均用水量根据不同情况而异。
比如,一般居民的人均用水量为100升/人/天左右;住宿、餐饮等场所的人均用水量则更高,一般为150-200升/人/天;而在一些特殊场合,如工程建设现场,人均用水量则会更高。
下面,我们给出一个实例来说明临时用水的计算方法。
实例一某建筑工地需要在两天内为50名工人提供饮用水和洗手水。
假设每人每天需要用水量为120升,压力为0.2兆帕,流量为0.2立方米/小时。
根据上述数据,可得到:•用水时间:2天•用水人数:50人/天•人均用水量:120升/人/天于是,可以得到该建筑工地需要的临时用水量为:临时用水量 = 2 x 50 x 120 = 12000升临时用电的计算公式临时用电的计算也需要考虑一些因素:•用电时间:以小时为单位•用电器具:不同电器具的功率不同,用电量也不同•用电量:以度为单位根据上述因素,我们可以得到临时用电的计算公式:临时用电量 = 用电时间 x 用电器具总功率 ÷ 1000其中,用电器具总功率需要将所有用电器具的功率加总后得到。
例如,使用3台吹风机,每台功率为1000瓦,使用5小时,则用电器具总功率为3 x 1000 = 3000瓦,临时用电量为5 x 3000 ÷ 1000 = 15度。
下面,我们给出一个实例来说明临时用电的计算方法。
实例二某活动需要在一个大厅内使用4部音响设备,每部功率1500瓦。
施工现场暂时用电计算P=~( K 1 ∑P 1/Cos φ +K 2∑P 2+ K 3∑P 3+ K 4 ∑P 4) 此中: P ——供电设施总需要容量( KVA );P 1——电动机额定功率( KW );P 2——电焊机额定功率( KW );P 3——室内照明容量( KW ); P 4——室外照明容量( KW );Cos φ——电动机均匀功率因数(最高为 ~,一般为~);K 、K 、K 、K ——需要系数,以下表:1234用电名称数目需要系数备注K数值3~ 10 台11~ 30电动机台如施工中需要30 台以 K 1电热时,应将其用上电量计算进去。
为 加工厂动 使计算结果靠近实 力设施际,式中各项动力3~ 10 台和照明用电,应根 电焊机上 10 台以 K 2据不一样工作性质分类计算室内照明K 3 室外照明K 4按电流来进行选择(三相四线制线路)I 线=K X *P / [3 1/2*(U 线 *cos? )]-1-此中:I 线——电流值K X——同时系数(取~)P——总功率U 线——电压( 380V 或 220V)cos?——功率要素,暂时网线取查表可得,当 I 线=总线路采纳以下截面为70mm2 的裸铜线施工用电计算各机械用电量一览表序机械数单机功共计备号或设施名型号或规格量率(KW)功率 (KW)注称1起落SCD200/200AJ32×机2插入ZN427式振动器3平板ZW105振动器4钢筋GQ40F33切断机5钢筋GW40D33曲折机6钢筋LGT6/14315调直机7钢筋UN1-751对焊机8电焊BX10-5003机9沙浆UJZ32543搅拌机电动10油泵ZB4/50063木匠11平刨床MB506B34木匠12园锯MJ-104C33多功13能木匠机MQ43323床砼搅14拌机JZ3501空气15压缩机7216电脑方正2复印17机厦普1办公及生活用电序号用电设施单机功数共计备名称率(KW)量功率 (KW)注1办公室会30议室照明2HC-3B冷热3饮水机3开水器24窗式空调12机5室外照明盏256其余照明盏20施工用电总量P=× (K1·ΣP1/cos? +K2·ΣP2+K3·ΣP3+K4·ΣP4) =×× +× +× +×-3-=× +++=注: P 1—电动机额定功率( kW );P 2—电焊机额定容量( kVA );P 3—室内照明容量( kW );P 4—室外照明容量( kW );cos?—电动机的均匀功率因数K 1、K 2、K 3、K 4—需要系数配电导线的选择将按同意电流来进行选择(三相四线制线路)I 线=K*P / [31/2*(U 线*cos? )]=**10 3/ [3 1/2*(380*]=168624/= (A)注:I 线——电流值K 、P ——同上式U 线 ——电压cos?——功率要素,暂时网线取查表可得,总线路采纳以下截面为70mm 2的裸铜线。
施工现场临时用电安全技术规范之用电容量计算与负载管理一、引言在施工现场,临时用电是必不可少的。
然而,由于用电容量的计算和负载的管理不当,经常会发生电气事故。
为了确保施工现场临时用电的安全性,本文将介绍用电容量的计算方法以及负载管理的技术规范。
二、用电容量计算1. 施工现场临时用电的计算依据施工现场临时用电的计算需遵循国家和地方相关规范,如《建设工程用电计算规范》等。
这些规范对用电容量的计算提供了明确的指导。
2. 用电容量计算公式用电容量的计算公式为:用电容量 = 设备总功率 ×设备个数 + 动力负荷 + 照明负荷 + 空调负荷 + 特殊负荷其中,设备总功率为施工现场所使用设备的总功率,设备个数为施工现场设备的数量,动力负荷为各种动力设备所需的电力,照明负荷为照明所需的电力,空调负荷为空调设备所需的电力,特殊负荷为一些特殊设备所需的电力。
3. 用电容量计算实例示例:某施工现场使用了5台电焊机,每台功率为6千瓦;动力负荷为15千瓦;照明负荷为10千瓦;空调负荷为8千瓦;特殊负荷为5千瓦。
那么,该施工现场的用电容量计算如下:用电容量 = 6千瓦 × 5台 + 15千瓦 + 10千瓦 + 8千瓦 + 5千瓦 = 63千瓦三、负载管理1. 负载管理的重要性合理的负载管理可以确保施工现场临时用电的安全性和稳定性。
合理分配负载、定期检查负载情况以及避免过载和短路,都是负载管理的关键。
2. 分配负载在施工现场使用多个设备时,需要合理分配负载。
避免将大功率设备集中在一个回路上使用,以免造成过载。
应根据用电容量计算结果,合理安排设备的连接和回路分配。
3. 定期检查定期检查负载情况是确保临时用电安全的重要环节。
可以定期进行电气设备的检查,检查接线是否松动、绝缘是否完好等,以及定期测试电气设备的工作状态。
4. 避免过载和短路施工现场临时用电时应避免过载和短路。
过载会导致电线过热、设备损坏,甚至引发火灾。
施工现场临时用电负荷计算一、施工现场临时用电设备和用电负荷计算1.1施工现场用电设备参数统计表编号用电设备名称型号数量容量及技术数据换算后的设备容量Pe1 输送泵HBT60 1 94KW 0.7×94=65.8KW2 塔吊QTZ-63型 2 90KW 0.3×90=27KW3 塔吊40型 5 160KW 0.3×32×5=48KW4 施工升降机SCO200/200 3 66 KW 0.3×66=19.8KW5 龙门架卷扬机6 45KW 0.3×45=13.5KW6 钢筋调直机GT6-12 1 3 KW 0.7×3=2.1 KW7 钢筋弯曲机GW40 4 12 KW 0.7×12=8.4 KW8 钢筋切断机QJ-40 2 4.4KW 0.7×4.4=3.08KW9 钢筋对焊机UN-100 1 100 KV.A 100 KV.A10 电焊机B41-500-38.8 KVA 5 194KV A 194KV A11 电焊机B41-300-28.8KVA 6 172.8 KV A 172.8 KV A12 全自动钢筋箍筋弯曲机GF-20型 1 2.2 KW 0.7×2.2=1.54 KW13 自动钢筋调直切断机GL-12型 1 7.3KW 0.7×7.3=5.11KW14 直螺纹套丝机Y112M-4 4 16KW 0.7×16=11.2KW15 振捣器ZN-70(插入式)10 11KW 0.7×11=7.7KW16 切割机(无齿锯)J3G-400 1 2.2 KW 0.7×2.2=1.54 KW17 木工电锯 3 6.6KW 0.7×6.6=4.62KW18 污水泵.离心泵3KW. 7.5KW 8 32KW 0.8×45=36 KW19 蒸饭车 1 36KW 0.7×36=25.2KW20 热水箱 2 18 KW 0.7×18=12.6KW21 镝灯DDG3500 10 35 KW 35 KW22 生活照明白炽灯 5 KW 5 KW23 现场照明碘钨灯10 KW 10 KW合计:1072KW 809.99KV A二、计算用电总量方式方法一:P=1.05~1.10(k1∑P1/Cosφ+k2∑P2+ k3∑P3+ k4∑P4)公式中:P——供电设备总需要容量(KV A)(相当于有功功率Pjs)P1——电动机额定功率(K W)P2——电焊机额定功率(K W)P3——室内照明容量(K W)P4——室外照明容量(K W)Cosφ——电动机平均功率因数(最高为0.75~0.78,一般为0.65~0.75)K1、K2、K3、K4——需要系数,如下表:用电名称数量需要系数备注K 数值电动机3~10台K10.7 如施工中需要电热时,应将其用电量计算进去。
临时用水临时用电计算公式及计算实例临时用水和临时用电计算公式是根据实际情况而定的,不同地区、不
同用途的临时用水与临时用电计算方法也会有所差异。
下面是一些常见的
临时用水和临时用电计算公式及实例。
1.临时用水计算公式及实例:
(1)根据时间计算临时用水量:
临时用水量(立方米)=水表止度-水表起度
例如,工地的水表起度为100立方米,水表止度为200立方米,则临
时用水量为200立方米-100立方米=100立方米。
(2)根据用水设备计算临时用水量:
临时用水量(立方米)=设备流量(立方米/小时)×使用时间(小时)例如,工地使用一台流量为10立方米/小时的泵机抽水,使用时间为
8小时,则临时用水量为10立方米/小时×8小时=80立方米。
2.临时用电计算公式及实例:
(1)根据功率计算临时用电量:
临时用电量(千瓦小时)=设备功率(千瓦)×使用时间(小时)
例如,临时工地使用一台功率为10千瓦的发电机,使用时间为6小时,则临时用电量为10千瓦×6小时=60千瓦小时。
(2)根据电表止度与起度计算临时用电量:
临时用电量(千瓦小时)=电表止度-电表起度
例如,工地的电表起度为1000千瓦小时,电表止度为1200千瓦小时,则临时用电量为1200千瓦小时-1000千瓦小时=200千瓦小时。
重庆地区临时施工用水用电计算第一部分施工用水计算建筑工地用水包括:1、施工生产用水q l;2、施工机械用水q2;3、施工现场生活用水q3;4、生活用水q4;5、消防用水q5;一、施工生产用水量q lq1=k l∑×Q l N l/T1t×K2/8×3600其中:q l——施工用水量(L/s);k l——未预计施工用水系数(1.05~1.15);Q l——最大年(季)工程量(以实物计量单位表示);N l——施工用水定额;T1——年(季)有效工作日;t——每日工作班数;K2——施工用水不均衡系数(取1.5);二、施工机械用水量q2q2=k l∑×Q2N2×K3/8×3600其中:q2——机械用水量(L/s);k l——未预计施工用水系数(1.05~1.15);Q2——同一种机械台数;N2——施工机械台班用水定额;K3——施工机械用水不均衡系数;(取2.0)三、施工现场生活用水量q3q3=P l×N3×K4/t×8×3600其中:q3——施工现场生活用水量(一般取30L/s);P l——施工现场高峰昼夜人数;N3——施工现场用水定额;K4——施工现场用水不均衡系数(取1.5);t——每日工作班数;四、生活用水量q4q4=P2×N4×K5/24×3600其中:q4——生活区生活用水量(一般取120L/s);P2——生活区居民人数;N4——生活区每人每日用水定额;K5——生活区用水不均衡系数(取1.5);五、消防用水量q5(一般取10L/s)q5根据建筑工地的大小及居住人数确定。
最小10L/s,施工现场在25ha以内时,不大于15L/s。
六、总用水量(Q)的计算1、当(q1+q2+q3+q4)≤q5时,Q=q5+1/2(q1+q2+q3+q4);2、当(q1+q2+q3+q4)>q5时,Q=q1+q2+q3+q4;3、当工地面积小于5ha时,而且(q1+q2+q3+q4)<q5,Q= q5。
临时用水临时用电计算公式及计算实例精1.临时用水计算公式:临时用水费用=单位水价×临时用水量单位水价可能会根据不同地区、不同时间段而有所不同。
临时用水量可以通过读取水表的初始数值和结束数值得到。
例如,假设单位水价为2元/立方米,初始水表读数为100立方米,结束水表读数为120立方米,则临时用水量为120-100=20立方米。
根据上述公式,临时用水费用为2×20=40元。
2.临时用电计算公式:临时用电费用=单位电价×临时用电量单位电价也会因地区和时间段的不同而有所差异。
临时用电量可以通过读取电表的初始数值和结束数值来计算。
例如,假设单位电价为0.5元/千瓦时,初始电表读数为1000千瓦时,结束电表读数为1200千瓦时,则临时用电量为1200-1000=200千瓦时。
根据上述公式,临时用电费用为0.5×200=100元。
需要注意的是,临时用水和临时用电的计算公式都是基于单位水价和单位电价的,而这些价格可能会随时间或地区的不同而变化。
因此,在实际操作中,应根据具体情况调整这些参数。
临时用水和临时用电的计算实例可能因具体情况而异,下面是一个可能的实例:假设公司在一个项目中租用了一栋临时建筑,该建筑需要临时用水和临时用电。
初始水表读数为100立方米,结束水表读数为120立方米;初始电表读数为1000千瓦时,结束电表读数为1200千瓦时。
单位水价为2元/立方米,单位电价为0.5元/千瓦时。
按照上述公式,临时用水费用为2×(120-100)=40元,临时用电费用为0.5×(1200-1000)=100元。
所以,该公司需要支付的临时用水和临时用电费用总计为40+100=140元。
临时用水临时用电计算公式及计算实例临时用水和临时用电是指在特定时间段内临时使用水和电的情况。
根据水费和电费的计算方式,可以得出临时用水和临时用电的计算公式,从而计算出相应的费用。
临时用水计算公式:
临时用水费用=水价×用水量
其中,水价是指单位水量的价格(元/吨或者元/立方米),用水量是指临时使用的水量(吨或者立方米)。
临时用电计算公式:
临时用电费用=电价×用电量×用电时间
其中,电价是指单位电量的价格(元/千瓦时),用电量是指临时使用的电量(千瓦时),用电时间是指临时使用的时间(小时)。
下面是一个临时用水和临时用电的计算实例:
假设一些单位在一个工地上临时用水来清洗设备,用水量为50吨,水价为3元/吨;同时临时用电来驱动设备,用电量为100千瓦时,电价为1.5元/千瓦时,用电时间为2小时。
现计算其临时用水费用和临时用电费用。
临时用水费用计算:
临时用水费用=水价×用水量
=3元/吨×50吨
=150元
临时用电费用计算:
临时用电费用=电价×用电量×用电时间
=1.5元/千瓦时×100千瓦时×2小时
=300元
因此,该单位的临时用水费用为150元,临时用电费用为300元。
需要注意的是,不同地区的水价和电价可能有所不同,所以具体的计算公式和计算实例可能会略有差异,请根据当地的实际情况进行计算。
临时用电计算公式及计算实例
临时用电是指在特定时间段内临时增加的用电量。
通常情况下,家庭、企业或机构在一些特殊活动期间会需要额外的电力供应,例如节假日期间、大型活动、临时施工等。
在计算临时用电量时,需要考虑用电设备的功率
和使用时间。
下面将介绍临时用电计算的公式以及一个计算实例。
临时用电量(kWh)=设备功率(W)*使用时间(小时)/1000
临时用电费用(元)=临时用电量(kWh)*电价(元/kWh)
计算实例:
假设有一个临时用电活动,企业需要在一个特定时间段内使用一台功
率为3000W的发电机,供应电力给一些设备运行。
这个活动将持续3天,
每天使用8小时。
首先,使用公式计算临时用电量:
临时用电量=3000W*8小时/1000=24kWh
假设电价为0.8元/kWh
临时用电费用=24kWh*0.8元/kWh=19.2元
因此,在这个特定时间段内,该企业需要支付19.2元的临时用电费用。
需要注意的是,以上计算实例仅仅是一个简单的示例,实际计算临时
用电量和费用时,还需要考虑许多其他因素,例如电源的可用性、设备的
效率、活动的用电需求等。
在实际应用中,建议根据具体情况进行更准确
的计算。
另外,临时用电活动还需要遵守当地的用电安全规定,确保设备和电源的可靠性,以及用电过程的安全性。
在使用发电机等临时供电设备时,还需要注意安全事项,例如防止触电、检查线路连通等。
施工现场临时用电计算首先,我们需要了解施工现场常见的电器设备的功率要求。
不同的设备功率不同,常见的设备包括搅拌机、电锤、电锯、照明灯具、电焊机、起重机等等。
通过查找相关设备的功率要求,我们可以得到每个设备的功率。
其次,我们需要确定每个设备使用的时间。
通常情况下,施工现场不同的设备使用时间不同,根据实际情况进行估算。
同时,还需要考虑设备的同时使用情况,以及设备的使用频率。
这样可以得到每个设备的使用时间。
为了方便计算,我们可以将设备的功率和使用时间进行组合,得到每个设备的用电量。
用电量可以通过以下公式计算:用电量=功率×使用时间然后,将每个设备的用电量相加,得到施工现场临时用电的总量。
需要注意的是,用电量的单位通常是千瓦时(kWh)。
在计算施工现场临时用电的同时,还需要考虑临时用电线路的选择。
根据用电量的大小,我们可以选择相应的电缆规格,以确保电缆的安全使用。
同时,还需要根据用电设备的数量和布置,合理规划电缆的敷设路线和布线方式,以防止电缆交叉和绕线过多。
此外,施工现场临时用电还需要考虑到用电的稳定性和安全性。
我们可以根据需要选择合适的配电箱和断路器,保证用电的稳定性。
同时,还需要注意用电的安全问题,如地漏、接地保护等。
最后,在施工现场临时用电计算完成后,我们还需要做好用电量的记录和管理。
可以借助电表等工具,进行定期的用电量检测和记录,以方便对用电情况进行监控和分析。
综上所述,施工现场临时用电计算需要考虑到设备的功率要求、使用时间、电缆规格、配电箱选择等多个因素。
只有全面考虑这些因素,才能确保施工现场临时用电的顺利进行。
临时用电计算公式及计算实例临时用电是指短时间内需要使用大功率电器设备进行工作或生活的情况,例如使用电焊机、起重机、空调等。
在计算临时用电时,需要考虑设备的额定功率、使用时间和电价等因素。
下面将介绍临时用电的计算公式及计算实例。
一、临时用电计算公式1.临时用电功率临时用电功率的计算公式如下:P=P1+P2+...+Pn其中,P为临时用电总功率,P1、P2、..、Pn为各个电器设备的额定功率。
2.临时用电时间临时用电时间的计算公式如下:t = t1 + t2 + ... + tn其中,t为临时用电总时间,t1、t2、..、tn为各个电器设备的使用时间。
3.临时用电量临时用电量的计算公式如下:Q=P×t其中,Q为临时用电量,P为临时用电总功率,t为临时用电总时间。
4.临时用电费用临时用电费用的计算公式如下:C=E×P×t其中,C为临时用电费用,E为电价,P为临时用电总功率,t为临时用电总时间。
二、临时用电计算实例假设工地需要使用电钻、电焊机和起重机进行工作,各设备的额定功率和使用时间如下:-电钻:额定功率1000W,使用时间1小时;-电焊机:额定功率5000W,使用时间2小时;请计算该工地的临时用电量和临时用电费用,假设电价为2元/千瓦时。
1.计算临时用电功率:2.计算临时用电时间:t=1小时+2小时+0.5小时=3.5小时3.计算临时用电量:4.计算临时用电费用:C=2元/千瓦时×16千瓦×3.5小时=112元因此,该工地的临时用电量为56千瓦时,临时用电费用为112元。
注意事项:1.在实际计算中,还需要考虑电器设备的功率因数,以及是否使用变压器等因素对电流的影响。
2.在临时用电计算时,如果使用的设备功率较大,可以考虑分批使用,以避免对电网造成过大的负荷压力。
3.使用临时用电时,需严格遵守电器使用安全规范,确保使用过程中不发生事故。
总结:临时用电的计算公式和实例介绍了如何计算临时用电的功率、时间、用电量和费用。
施工现场临时用电的计算如10万平米小区,临时用电多大电量?几台多大变压器?如果给出用电设备的种类、数量和参数,那就是理论计算,用于写计算书,按部就班,对于设计院工作几年的,尤其是注册电气工程师,并不难,可以说没有什么特别的技术含量,只是一个常规的按部就班的普通计算而已。
近年来人工费不断提高,电费一直没有改变,用电设备越来越多,临时用电和正式用电一样,指标不断提高,电气技术也要紧跟时代的发展。
此处面试条件非常有限,仅给出10万平米小区的施工用电(隐含条件是,按项目所在地的情况考虑问题)。
明显是方案阶段估算,考的就是经验值。
任你电气设计水平再高,如果没有本地开发项目经验,也没有接触过临时用电,很难做出比较准确的判断!尤其是只做过设计的,此面试内容的第一印象一定是无解的,条件不足!无法计算!关于临时用电在方案阶段确实无法计算,只能按经验值,详细计算需要根据施工组织里面的工期,人员和用电设备来确定。
笔者接触过这样的经验值,根据正式用电量的十分之一估算或根据5-10W的指标估算,其实两种方法大同小异,大部分常见业态用电指标在50-100W,十分之一也就是5-10W了。
(此处有个问题,各地用电指标有差异,尤其是住宅,各地差异较大,实际施工用电差异不一定大,所以用电量估算,切忌生搬硬套。
又如火车站的雨棚,面积较大,钢结构非常多,正式用电只有照明,正式用电负荷非常小,但施工用电负荷往往明显大于正式用电负荷)如果遇到差异较大项目,两种方法综合考虑。
按面试地点的正式用电负荷十分之一估算(与242规范的指标和做法非常接近):正式用电按整体50W(0.05kW)的指标,系数按0.5,总负荷为100000*0.05*0.5=2500kW,临时用电250kW,变压器最小可选400kVA,这就是临时用电变压器的最小值。
按5-10W指标计算,临时用电负荷为500-1000kW。
由此可以得出一个范围250-1000kW(变压器安装容量400-1200kVA),这个大范围的指标和算法适用于绝大部分房地产开发项目。
施工现场临时用电负荷计算一、施工现场临时用电设备和用电负荷计算1.1施工现场用电设备参数统计表二、计算用电总量方式方法一:P=1.05〜1.10 (k1EP1/Cos^+k2EP2+ k3EP3+ k4EP4)公式中:P——供电设备总需要容量K(A)(相当于有功功率Pjs)P1——电动机额定功率()P2——电焊机额定功率()P3——室内照明容量助P4——室外照明容量助Cos巾——电动机平均功率因数(最倚0.75〜0.78, 一般为0.65〜0.75K1、K2、K3、K4——需要系数,如下表:方法二:各用电设备组的计算负荷:有功功率:Pjs1=KxXZPe无功功率:Qjs1=Pjs1Xtg巾视在功率:Sjs1= (P2 js1 + Q2 js1) 1/2 =Pjs1/ COS^=KxXSPe / COS。
公式中:Pjs1--用电设备组的有功计算负荷k()Qjs1--用电设备组的无功计算负荷kv<ar)Sjs1 --用电设备组的视在计算负荷kVA)Kx--用电设备组的需要系数Pe--换算到Jc (铭牌暂载率)时的设备容量②总的负荷计算:Pjs=KxXSPjs1Qjs=PjsXtg巾Sjs= (P2 js + Q2 js) 1/2公式中:Pjs--各用电设备组的有功计算负荷的总和W )Qjs--各用电设备组的无功计算负荷的总和VOr)Sjs--各用电设备组的视在计算负荷的总和V()Kx--用电设备组的最大负荷不会同时出现的需要系数三、选择变压器方法一:W二KX P/ COS。
公式中:W——变压器的容量()P——变压器服务范围内的总电量(KW)K——功率损失系数,1.05~1.1Cos巾——率因数一般为0.75根据计算所得容量,从变压器产品目录中选择。
方法二:Sn^Sjs (一般为1.15~1.25 Sjs公式中:Sn —变压器容量(KW)Sjs--各用电设备组的视在计算负荷的总和V()四、实用例举丰南区第三中学小学教学楼工程施工现场临时用电组织设计(计算部分)一. 编制依据、工程概况、施工现场勘察情况:该工程施工现场临时用电组织设计编制依据。
施工现场临时用电负荷计算一、施工现场临时用电设备和用电负荷计算二、计算用电总量方式方法一:P=1.05~1.10(k1∑P1/Cosφ+k2∑P2+ k3∑P3+ k4∑P4)公式中:P——供电设备总需要容量(KV A)(相当于有功功率Pjs)P1——电动机额定功率(K W)P2——电焊机额定功率(K W)P3——室内照明容量(K W)P4——室外照明容量(K W)Cosφ——电动机平均功率因数(最高为0.75~0.78,一般为0.65~0.75)方法二:各用电设备组的计算负荷:有功功率:Pjs1=Kx×ΣPe无功功率:Qjs1=Pjs1×tgφ视在功率:Sjs1=(P2 js1 + Q2 js1) 1/2 =Pjs1/ COSφ=Kx×ΣPe / COSφ公式中:Pjs1--用电设备组的有功计算负荷(kw)Qjs1--用电设备组的无功计算负荷(kvar)Sjs1--用电设备组的视在计算负荷(kV A)Kx--用电设备组的需要系数Pe--换算到Jc(铭牌暂载率)时的设备容量②总的负荷计算:Pjs=Kx×ΣP js1Qjs=Pjs×tgφSjs=(P2 js + Q2 js) 1/2公式中:Pjs--各用电设备组的有功计算负荷的总和(kw)Qjs--各用电设备组的无功计算负荷的总和(kvar)Sjs--各用电设备组的视在计算负荷的总和(KV A)Kx--用电设备组的最大负荷不会同时出现的需要系数三、选择变压器方法一:W=K×P/ COSφ公式中:W——变压器的容量(K W)P——变压器服务范围内的总用电量(K W)K——功率损失系数,取1.05~1.1Cosφ——功率因数,一般为0.75根据计算所得容量,从变压器产品目录中选择。
方法二: Sn≥Sjs(一般为1.15~1.25 Sjs)公式中:Sn --变压器容量(K W)Sjs--各用电设备组的视在计算负荷的总和(KV A)四、实用例举丰南区第三中学小学教学楼工程施工现场临时用电组织设计(计算部分)一.编制依据、工程概况、施工现场勘察情况:该工程施工现场临时用电组织设计编制依据。
临时用电计算公式及计
算实例
LG GROUP system office room 【LGA16H-LGYY-LGUA8Q8-LGA162】
施工现场临时用电计算
P=~(K1∑P1/Cosφ+K2∑P2+ K3∑P3+ K4∑P4)
其中:P——供电设备总需要容量(KVA);
P1——电动机额定功率(KW);
P2——电焊机额定功率(KW);
P3——室内照明容量(KW);
P4——室外照明容量(KW);
Cosφ——电动机平均功率因数(最高为~,一般为~);
K1、K2、K3、K4——需要系数,如下表:
按电流来进行选择(三相四线制线路)
I线=K X*P / [31/2*(U线*cos)]
其中:
I线——电流值
K X——同时系数(取~)
P——总功率
U线——电压(380V或220V)
cos——功率因素,临时网线取
查表可得,当I线=总线路采用以下截面为70mm2的裸铜线
实例
施工用电计算
各机械用电量一览表
序号机械或设备名称型号或规格数量单机功率(KW)合计功率(KW)备注1升降机SCD200/200AJ32×
2插入式振动器ZN427
3平板振动器ZW105
4钢筋切断机GQ40F33
5钢筋弯曲机GW40D33
6钢筋调直机LGT6/14315
7钢筋对焊机UN1-751
8电焊机BX10-5003
9砂浆搅拌机UJZ32543
10电动油泵ZB4/50063
11木工平刨床MB506B34
12木工园锯MJ-104C33
13多功能木工机床MQ43323
14砼搅拌机JZ3501
15空气压缩机72
16电脑方正2
17复印机厦普1
办公及生活用电
施工用电总量
P=×(K 1·ΣP 1/cos+K 2·ΣP 2+ K 3·ΣP 3+ K 4·ΣP 4) =××+×+×+× =×+++ =
注:P 1—电动机额定功率(kW ); P 2—电焊机额定容量(kVA ); P 3—室内照明容量(kW ); P 4—室外照明容量(kW ); cos —电动机的平均功率因数 K 1、K 2、K 3、K 4—需要系数
配电导线的选择
将按允许电流来进行选择(三相四线制线路) I 线=K*P / [31/2*(U 线*cos)]
=**103 / [31/2*(380*]
=168624/ = (A) 注:
I 线——电流值 K 、P ——同上式 U 线——电压
cos ——功率因素,临时网线取
查表可得,总线路采用以下截面为70mm 2的裸铜线。