液压电磁阀型 解释
- 格式:pdf
- 大小:241.01 KB
- 文档页数:14
液压电磁阀的种类和符号液压电磁阀(即液控电磁阀)是一种电磁控制液体流动的设备,可用于液压系统中的流量、压力、方向等控制。
它具有调节简单、控制精度高、可靠性好等特点,在工业生产中具有广泛的应用。
一、按流量控制方式分类1.固定流量液压电磁阀:固定流量液压电磁阀的流量是恒定的,与阀芯位置无关。
这种液压电磁阀通常被用于一些确定的流控场合。
直动式液压电磁阀的阀芯与电磁铁直接相连,阀芯的行程由电磁力驱动。
这种液压电磁阀结构简单、动作迅速,但容易过载。
间接式液压电磁阀的电磁铁与阀芯之间通过一个铁芯相连,电磁力驱动铁芯,并间接地驱动阀芯。
这种液压电磁阀动作相对平稳,适用于高流量、高压力、高温度等条件下的液控系统。
三、按调节方式分类比例液压电磁阀是流量或压力的调节装置,能够通过电磁调节的方式实现流量或压力的精确控制。
开关液压电磁阀是只能进行开、关操作的液压控制装置。
它的主要作用是将工作流路从一种状态变为另一种状态,常常用于液压系统的方向控制、启动和停止操作。
时序液压电磁阀是一种可以按照时间顺序或周期循环控制液体流动的装置,在液压控制系统中常用于周期性液压动作、位置定位、连续循环控制等方面。
在工业生产中,液压电磁阀的符号和表示方法比较统一,可以通过阅读液压电磁阀的符号来获取相关信息。
液压电磁阀的符号分为三部分:阀芯符号、电磁铁符号和操作方式符号。
阀芯符号:阀芯符号的上下位置表示流体进出口的位置,左右位置表示阀芯的运动方向。
常见的阀芯符号有以下几种:电磁铁符号:电磁铁符号在阀芯符号的外侧,用于表示阀的控制方式。
常见的电磁铁符号包括以下三种:操作方式符号:操作方式符号用于表示阀的操作方式,一般分为手动、自保持、普通型三种。
手动操作:又称手推型,即直接手动去操作阀芯。
自保持操作:又称自锁型,即当电磁铁通电,阀芯有一个动作,在通电的情况下保持该状态。
液压阀详细讲解
液压阀是一种用压力油操作的自动化元件,它受配压阀压力油的控制,通常与电磁配压阀组合使用,可用于远距离控制水电站油、气、水管路系统的通断。
常用于夹紧、控制、润滑等油路。
有直动型与先导型之分,多用先导型。
液压阀的种类繁多,具体可以分为以下几种:
1. 方向控制阀:通过改变液压系统中液流的通断状态,来控制执行元件的运动方向。
它包括单向阀和换向阀两种类型。
2. 压力控制阀:用于调节液压系统中的压力,以控制执行元件的力和运动速度。
它包括溢流阀、减压阀和顺序阀等。
3. 流量控制阀:通过调节液压系统中液流的流量,来控制执行元件的运动速度。
它包括节流阀和调速阀等。
液压阀在液压系统中起着非常重要的作用,它可以控制液压系统的压力、流量和方向,从而实现对执行元件的运动速度、力和方向的控制。
因此,正确选择和使用液压阀对于整个液压系统的性能和稳定性至关重要。
液压电磁阀型号说明液压电磁阀型号说明 关于液压电磁阀型号,不同的厂家对型号的编排有所不同,这里小编举个例子说明液压电磁阀型号含义。
例如:34BYM-L20H-T。
其中34表示的是3位4通,B为交流型,Y为液动,M是滑阀机能,L表示螺纹连接形式,20为公称直径,H为公称压力,H表示为高压31.5MPA,T表示弹簧对中型代号。
WMM型手动换向阀 手动换向阀是利用手动杠杆来操纵的方向控制阀。
该阀根据定位方式不同,有弹簧复位式和钢球定位式两种。
弹簧复位式手动换向阀,当操纵手柄的外力取消后,复位弹簧把阀芯推回到初始位置。
钢球定位式是当操纵手柄的外力取消后,阀芯依靠钢球定位保持在换向位置。
2FRM型调速阀 2FRM型调速阀是二通的流量控制阀,该元件是由减压阀和节流阀串联构成的,由于减压阀对节流阀进行了压力补偿,所以调速阀的流量不受负载变化的影响,保持稳定。
同时节流窗口设计成薄刃状,流量受温度变化很小。
调速阀与单向阀并联时,油流能反向回流。
直动式溢流阀 DBD型直动式溢流阀用于防止系统过载和保持系统压力恒定。
结构原理:进油口的压力油通过阻尼活塞作用在其底部,形成一个与弹簧力相抗衡的页压力。
当次液压力小于调压弹簧的弹簧力时, 锥阀关闭,此阀不起调压作用。
随着进油口压力的不断提高。
当液压力大于弹簧力时,锥阀开启,多余的油液溢回油箱,使进油口压力稳定在调定值上。
顺序阀 DZ-3X型先导式顺序阀: 该阀利用油路本身压力来控制液压缸或马达的先后动作顺序,以实现油路系统的自动控制。
改变控制油和泄油的联接方法,该阀还可作为卸荷阀和背压阀使用。
SV/SL型液控单向阀 液控单向阀的应用很广,如利用液控单向阀的锁紧回路、防止自重下降的回路、充液阀回路、旁通放油阀回路、蓄能器供油回路等。
电磁换向阀WE 型电磁换向阀电磁换向阀在液压系统中的作用是用来实现液压油路的换向、顺序动作及卸荷等。
由于电磁铁的推力有限,电磁换向阀应用在流量不大的液压系统中。
(1)结构原理电磁换向阀是液压控制系统和电气控制系统之转换元件。
它由液压机械中的按钮开关、限位开关、行程开关、压力继电器等电气元件发出信号,使电磁铁通电吸合或断电释放,从而直接控制阀芯移位,来实现油流的沟通、切断和方向变换,来操纵各执行机构的动作。
推动故障检查按钮可使滑阀阀芯手推移动。
WE 型电磁换向阀有4种电磁铁供用户选用:1.湿式直流电磁铁;2.湿式交流电磁铁;3.干式直流电磁铁;4.湿式直流电磁铁。
WE5型和WE6型电磁换向阀只有湿式直流和交流电磁铁,而WE10型电磁换向阀4种电磁铁都有。
湿式电磁铁具有使用寿命长、散热性能好等优点。
直流电磁铁的优点是换向频率高、换向性能好。
对低电压、短时超电压、超载和机械卡住反应不灵敏,工作可靠性好;用内装整流器的Z5型插头,可直接使用交流电源。
交流电磁铁的优点是动作时间短,电气控制线路简单,不需特殊的触头保护。
WE电磁换向阀通径m m 5,6,10电磁换向阀性能通径56.0-6.0系列通径660-60系列通径1030-30系列O-不带复位弹簧,不带定位器;OF-不带复位弹簧,带定位器;无标记-标准型,带复位弹簧。
A-湿式标准电磁铁;大功率电磁铁;C-可换线圈的电磁铁G24-直流电24V;W220-50-交流电220V ,50HZW220R-本整型直流电磁铁使用交流电压220V W110R-直流电磁铁使用Z5型插头可连(限6,10)无标记-无故障检查按钮;N-带故障检查按钮。
Z4-方型插头;Z5-大方型插头;Z5L-带指示灯的大方型插头无标记-无插入式阻尼器;B08-阻尼器节流孔直径0.8mm ;B10-阻尼器节流孔直径1.0mm无标记-矿物质液压油;v-磷酸脂液压液电液换向阀和液动换向阀3-二位三通;4-二位四通;4-三位四通WEH电液换向阀及WH液控换向阀(1)结构原理WEH型电液换向阀是用电磁阀作为先导控制的滑阀式换向阀。
电磁液压阀的种类和符号
电磁液压阀是一种控制液压系统中液压液体流动的重要元件,广泛应用于工业生产和机械设备中。
根据其功能和结构特点,电磁液压阀可以分为多种不同种类,每种种类都有其特定的符号表示。
下面将介绍一些常见的电磁液压阀种类和对应的符号。
1. 电磁换向阀。
电磁换向阀是用于控制液压系统中液压油液的流向的阀门,常用于液压缸的控制。
其符号通常为一个长方形,内部包含一个箭头和两个出口,箭头表示液体的流向,而两个出口则表示液体的流出方向。
2. 电磁比例阀。
电磁比例阀可以根据电信号的大小来控制液压系统中液压液体的流量,从而实现对液压系统的精确控制。
其符号通常为一个长方形,内部包含一个斜线和一个箭头,斜线表示电信号输入,箭头表示流体的流向。
3. 电磁溢流阀。
电磁溢流阀是一种用于控制液压系统中液压液体压力的阀门,当压力超过设定值时,阀门会打开,将多余的液压液体排出系统,以保持系统的压力稳定。
其符号通常为一个长方形,内部包含一个波浪线和一个出口,波浪线表示液压液体的压力,而出口表示多余液体的流出方向。
以上是一些常见的电磁液压阀种类和对应的符号,不同的电磁液压阀种类和符号代表着不同的功能和用途,了解这些种类和符号对于正确使用和维护液压系统至关重要。
希望本文能够帮助读者更好地理解电磁液压阀的种类和符号,为液压系统的应用提供一些参考。
电磁液压阀的种类和符号
电磁液压阀是一种利用电磁力控制液压系统中液压流动的装置。
它广泛应用于工业自动化、机械设备、冶金、石油化工等领域。
不
同种类的电磁液压阀根据其功能和结构特点可以分为多种类型,并
且每种类型的电磁液压阀都有其特定的符号表示。
1. 单向阀,单向阀是一种通过电磁力控制液压油路单向流动的
阀门。
其符号为一个三角形,箭头指向流动方向,并在箭头旁边标
有一个字母“V”,表示单向阀。
2. 换向阀,换向阀是一种通过电磁力控制液压系统中液压油路
的换向的阀门。
其符号为一个矩形,内部有两个相互垂直的箭头,
表示阀门的两个工作位置。
3. 比例阀,比例阀是一种通过电磁力控制液压系统中液压油路
流量的阀门。
其符号为一个矩形,内部有一个箭头和一个斜线,表
示阀门可以调节液压油路的流量比例。
4. 定向阀,定向阀是一种通过电磁力控制液压系统中液压油路
流向的阀门。
其符号为一个矩形,内部有一个箭头和一个开口,表
示阀门的流向控制功能。
以上是电磁液压阀的一些常见种类和符号表示,不同的电磁液
压阀在液压系统中起着不同的作用,对于工程应用有着重要的意义。
通过了解不同种类的电磁液压阀及其符号表示,可以更好地理解和
应用液压系统中的电磁液压阀,提高工程实践中的效率和安全性。
液压电磁阀型号标准一、型号编码规则液压电磁阀的型号编码通常由数字和字母组成,具有特定的含义和规则。
常见的编码规则包括:1.数字部分:通常表示阀门的类型、尺寸和性能参数,如工作压力、工作流量等。
2.字母部分:通常表示阀门的结构、功能和控制方式,如直动式、先导式、常开等。
二、安装尺寸液压电磁阀的安装尺寸通常指其外部尺寸和连接尺寸,包括长、宽、高以及进出口连接尺寸等。
不同型号的电磁阀可能有不同的安装尺寸,需要根据实际需求选择合适的型号。
三、接口方式液压电磁阀的接口方式通常有螺纹连接、法兰连接和焊接等。
根据实际应用需求,选择合适的接口方式。
四、工作压力工作压力是指液压电磁阀正常工作时所能承受的最大压力。
不同型号的电磁阀可能有不同的工作压力范围,需要根据实际需求选择合适的型号。
五、工作流量工作流量是指液压电磁阀在正常工作时所能通过的最大流量。
不同型号的电磁阀可能有不同的工作流量范围,需要根据实际需求选择合适的型号。
六、控制方式液压电磁阀的控制方式有多种,包括手动控制、电动控制、气动控制等。
根据实际应用需求,选择合适的控制方式。
七、操作电源操作电源是指用于控制液压电磁阀工作的电源,可以是交流电源或直流电源。
不同型号的电磁阀可能需要不同的操作电源,需要根据实际需求选择合适的型号。
八、适用介质液压电磁阀适用于不同类型的液体,如液压油、水等。
不同型号的电磁阀可能有不同的适用介质,需要根据实际需求选择合适的型号。
九、工作环境温度工作环境温度是指液压电磁阀正常工作时所处的环境温度范围。
不同型号的电磁阀可能有不同的工作环境温度范围,需要根据实际需求选择合适的型号。
十、防护等级防护等级是指液压电磁阀的防尘、防水能力。
不同型号的电磁阀可能有不同的防护等级,需要根据实际需求选择合适的型号。
液压电磁阀符号及含义详解一、液压电磁阀的作用和原理液压电磁阀是一种电磁控制装置,在液压系统中起到控制液体流动的作用。
它通过控制电磁铁的通断来实现液体的开关和方向的改变。
液压电磁阀广泛应用于工业控制系统、农业机械、建筑机械等领域。
液压电磁阀的原理是利用电磁铁的磁场作用控制液体的流动。
当电磁铁通电时,产生磁场将阀芯吸引,使阀芯打开,液体能够通过阀体流动;当电磁铁断电时,磁场消失,阀芯恢复原位,液体流动被阻断。
通过不同的电磁铁控制方式,可以实现液体的开关和方向的改变。
二、液压电磁阀的符号表示及含义液压电磁阀的符号是一种图形化的表示,用于标识液压电磁阀在液压系统中的位置、结构、功能及其参数等信息。
下面是常见的液压电磁阀符号及其含义的详细解析:1.二位二通电磁阀(单通电磁阀)•符号含义:–黑色长方形表示电磁阀本体;–右侧箭头表示液体流动的方向;–上方有一条水平线表示通断开关状态。
2.二位三通电磁阀(换向电磁阀)•符号含义:–黑色长方形表示电磁阀本体;–上方箭头表示液体流动的方向;–下方箭头表示液体的流动方向改变。
3.二位四通电磁阀•符号含义:–黑色长方形表示电磁阀本体;–上方箭头表示液体流动的方向;–下方箭头表示液体的流动方向改变;–右侧箭头表示液体流向的选择。
4.三位五通电磁阀•符号含义:–黑色长方形表示电磁阀本体;–液体的流动方向变化由多个箭头表示;–上方和下方的箭头表示液体的流动方向改变;–中间的箭头表示液体流动的选择。
5.单联动电磁阀•符号含义:–黑色长方形表示电磁阀本体;–上方箭头表示液体流动的方向;–右侧箭头表示液体流向的选择;–上方的弯箭头表示阀芯被弹簧复位。
6.双联动电磁阀•符号含义:–黑色长方形表示电磁阀本体;–上方箭头表示液体流动的方向;–右侧箭头表示液体流向的选择;–上方的直箭头表示阀芯被液压力复位;–下方的弯箭头表示阀芯被弹簧复位。
三、液压电磁阀的参数及规格除了符号表示液压电磁阀的结构和功能外,还有一些参数和规格需要注意。
液压电磁阀是用来控制流体的一种自动化基础元件,属于执行器。
液压电磁阀用于控制液压流动方向,工厂的机械装置一般都由液压缸控制,所以就会用到液压电磁阀。
那么液压电磁阀工作原理是什么?液压电磁阀型号含义是什么呢?液压电磁阀型号含义关于液压电磁阀型号,不同的厂家对型号的编排有所不同,这里小编举个例子说明液压电磁阀型号含义,例如34BYM-L20H-T,其中34表示的是3位4通,B为交流型,Y为液动,M是滑阀机能,L表示螺纹连接形式,20为公称直径,H为公称压力,H表示为高压31.5MPA,T表示弹簧对中型代号。
想要更多具体型号含义,可咨询相关厂商。
液压电磁阀特点1、液压电磁阀外漏堵绝,内漏易控,使用安全。
2、液压电磁阀系统简单,便于维护,价格低廉。
3、液压电磁阀动作快速,功率微小,外形轻巧。
液压电磁阀分类液压电磁阀是指液压传动中用来控制液体压力﹑流量和方向的一种元件。
在液压电磁阀中,控制压力的称为压力控制阀,控制流量的称为流量控制阀,而控制通﹑断和流向的则称为方向控制阀。
而这些控制阀下又有新的分类,下面我们一起来看看其他分类。
1、压力控制阀按用途可以分为溢流阀﹑减压阀和顺序阀。
(1)溢流阀:能控制液压系统在达到调定压力时保持恒定状态。
用于过载保护的溢流阀称为安全阀,当系统发生故障,压力升高到可能造成破坏的限定值时,阀口会打开溢流,以保证系统安全。
(2)减压阀:能控制分支回路得到比主回路油压低的稳定压力。
减压阀按它所控制的压力功能不同,又可分为定值减压阀﹑定差减压阀和定比减压阀。
(3)顺序阀:能使一个执行元件动作以后,再按顺序使其他执行元件动作。
2、流量控制阀是利用调节阀芯和阀体间的节流口面积和它所产生的局部阻力对流量进行调节,从而控制执行元件的运动速度。
流量控制阀按用途分为5种。
(1)节流阀:在调定节流口面积后,节流阀能使载荷压力变化不大和运动均匀性要求不高的执行元件的运动速度基本上保持稳定。
(2)调速阀:在载荷压力变化时能保持节流阀的进出口压差为定值。
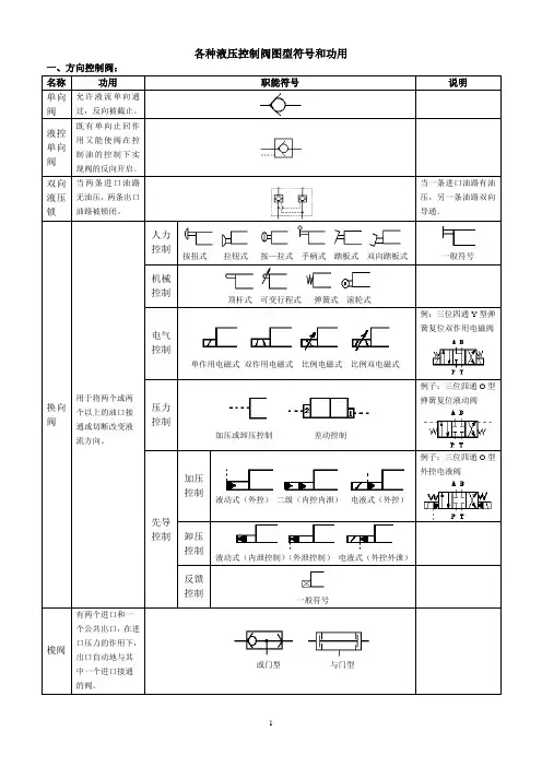
各种液压控制阀图型符号和功用一、方向控制阀:名称功用职能符号说明单向阀允许液流单向通过,反向被截止。
液控单向阀既有单向止回作用又能使阀在控制油的控制下实现阀的反向开启。
双向液压锁当两条进口油路无油压,两条出口油路被锁闭。
当一条进口油路有油压,另一条油路双向导通。
换向阀用于将两个或两个以上的油口接通或切断改变液流方向。
人力控制按扭式拉钮式按—拉式手柄式踏板式双向踏板式一般符号机械控制顶杆式可变行程式弹簧式滚轮式电气控制单作用电磁式双作用电磁式比例电磁式比例双电磁式例:三位四通Y型弹簧复位双作用电磁阀压力控制加压或卸压控制差动控制例子:三位四通O型弹簧复位液动阀先导控制加压控制液动式(外控)二级(内控内泄)电液式(外控)例子:三位四通O型外控电液阀卸压控制液动式(内泄控制)(外泄控制)电液式(外控外泄)反馈控制一般符号梭阀有两个进口和一个公共出口,在进口压力的作用下,出口自动地与其中一个进口接通的阀。
或门型与门型二、压力控制阀:名称功用职能符号说明溢流阀控制阀的进口压力的压力阀。
直动型溢流阀先导型溢流阀先导型电磁溢流阀卸荷溢流阀一般符号减压阀使流经阀的油液节流降压,以便从系统中分出油压较低的支路。
直动型减压阀先导型减压阀定比减压阀定差减压阀一般符号顺序阀用油压信号控制油路接通或隔断的阀,常用来自动控制油缸或油马达的动作顺序。
直动型直控顺序阀直动型外控顺序阀先导型顺序阀单向顺序阀(平衡阀)一般符号卸荷阀使油泵或油路卸荷(卸压),减小功率消耗。
顺序阀和先导型溢流阀都可以作为卸荷阀使用。
名称功用职能符号说明节流阀靠改变阀的开度来改变通流面积,从而控制流量,借以控制执行机构的运动速度。
不可调节流阀可调节流阀单向节流阀油压差、油温、油的状况、节流口堵塞影响流量的稳定性。
调速阀(普通型调速阀)提供稳定的流量使执行元件运动速度稳定。
普通型调速阀温度补偿型调速阀轻载时功率损耗比溢流节流阀大,油液发热程度较大。
溢流节流阀提供稳定的流量使执行元件运动速度稳定。
液压电磁阀符号及含义详解
液压电磁阀符号及含义详解
液压电磁阀的符号可以作为系统设计者设计液压电磁阀的技术支持,因此,了解液压电磁阀的符号是很有必要的。
液压电磁阀的符号由三个部分组成:符号,标签和技术参数。
一、符号
1、驱动力源
液压电磁阀的驱动力源有:液压驱动力、液体驱动力、气动驱动力和电动驱动力。
其符号如下:
P:液压驱动力
F:液体驱动力
A:气动驱动力
E:电动驱动力
2、工作方式
液压电磁阀的工作方式有:单向流动方式、双向流动方式和全放式等。
其符号如下:
SE:单向流动方式
SD:双向流动方式
J:全放式
3、动作方式
液压电磁阀的动作方式有:正压动作方式、负压动作方式和机械动作方式等。
其符号如下:
UP:正压动作方式
DW:负压动作方式
M:机械动作方式
4、连接方式
液压电磁阀的连接方式有:法兰端连接、四角形连接和六角形连接等。
其符号如下:
FL:法兰端连接
RR:四角形连接
XR:六角形连接
二、标签
标签是液压电磁阀的型号标记,由多个符号组合而成,可以快速了解电磁阀的型号、类型和功能参数等。
例如,电磁阀SE-UP-FL-K17可以反映出:该液压电磁阀为单向流动结构,采用正压动作方式,法兰端连接,而且K17为电磁阀系列名称。
单头液压电磁阀工作原理单头液压电磁阀工作原理1. 引言单头液压电磁阀作为一种常见的液压元件,被广泛应用于工程机械、冶金设备等领域。
本文将从浅入深,逐步解释其工作原理。
2. 电磁阀概述电磁阀是一种通过控制电流来控制液体或气体流动的装置。
单头液压电磁阀通过电磁激励力,改变阀芯位置,从而控制液体的流动方向和压力。
3. 工作原理单头液压电磁阀内部是由阀体、阀芯、弹簧、电磁铁等部件组成。
下面将详细介绍其工作原理。
阀芯位置单头液压电磁阀的阀芯具有多个不同位置,包括常闭、常开和中位。
不同的位置决定了阀芯对液体流动的控制方式。
电磁激励力当电磁铁通电时,会产生一股激励力,作用在阀芯上。
这种力可以改变阀芯的位置,从而实现液体流动的控制。
单头液压电磁阀内部有液压通道,通过改变阀芯的位置,可以控制液体在通道中的流动方向。
当阀芯处于常开位置时,液体可以从一端进入,然后从另一端流出;当阀芯处于常闭位置时,液体无法流动;当阀芯处于中位位置时,液体可以两端通流。
弹簧作用单头液压电磁阀的阀芯上通常还有一个弹簧。
这个弹簧的作用是使阀芯回到初始位置,当电磁铁不通电时,弹簧的力会将阀芯推回常闭或常开位置。
4. 应用举例单头液压电磁阀广泛应用于液压系统中,下面是一个简单的应用举例,以帮助读者更好地理解其工作原理。
油缸控制在一个油缸控制系统中,可以使用单头液压电磁阀来实现油缸的升降控制。
通过控制阀芯的位置,可以改变液体在油缸中的流动方向,从而控制油缸的运动。
高低压切换在某些工程机械中,需要实现高低压切换。
单头液压电磁阀可以用来控制液体在不同系统中的流动方向,从而实现高低压切换的功能。
单头液压电磁阀作为一种常见的液压元件,通过控制阀芯位置实现对液体流动的控制。
本文从概述、工作原理到应用举例,希望读者对其有一个清晰的理解。
6. 优缺点分析优点•灵活性高:单头液压电磁阀可以通过改变阀芯的位置来控制液体的流动,具有较高的灵活性和可调性。
•可靠性强:采用电磁铁作为激励力源,电磁阀的开关动作十分迅速,响应时间短,具有较高的可靠性和稳定性。
液压电磁阀规格型号含义详解液压电磁阀的规格型号含义一般由一系列字母、数字和符号组成,每个部分都代表着不同的意义。
以下是常见的液压电磁阀规格型号含义的解释:1. 制造商代码:液压电磁阀的制造商会在型号中包含一个特定的代码,用于标识制造商的身份。
2. 阀体尺寸:液压电磁阀的型号中通常会包含一个数字,表示阀体的尺寸。
通常使用公制单位进行表示,例如,数字“10”表示阀体直径为10毫米。
3. 工作压力范围:型号中可能会包含一个数字或者一组数字,表示液压电磁阀的工作压力范围。
这个范围通常使用单位巴(Bar)来表示,例如,数字“0-350”表示液压电磁阀的工作压力范围是0到350巴。
4. 电气连接方式:液压电磁阀的型号中可能会包含一个字母或者一组字母,表示电气连接方式。
常见的电气连接方式包括DIN插头连接、线束连接等。
5. 动作方式:型号中可能会包含一个字母或者一组字母,表示液压电磁阀的动作方式。
常见的动作方式包括单向通电动作、双向通电动作等。
6. 阀位数量和符号:型号中可能会包含一个数字或者一组数字,表示液压电磁阀可调节的阀位数量。
常见的阀位符号包括2位、3位、4位等。
7. 电压:型号中可能会包含一个数字,表示液压电磁阀的额定电压。
常见的额定电压包括12V、24V、110V、220V等。
8. 阀内孔尺寸:型号中可能会包含一个数字,表示液压电磁阀内孔的尺寸。
这个尺寸通常使用公制单位进行表示,例如,数字“6”表示阀内孔直径为6毫米。
请注意,不同的制造商可能会在液压电磁阀的规格型号中使用不同的表示方式,因此,在购买液压电磁阀时,最好咨询制造商或参考产品说明书以确保理解和选择正确的型号。
液压电磁阀型号引言液压电磁阀作为液压系统中重要的控制元件之一,在工业自动化领域得到了广泛的应用。
液压电磁阀的型号种类繁多,不同的型号适用于不同的应用场景。
本文将介绍几种常见的液压电磁阀型号,以帮助读者更好地了解和选择合适的型号。
1. 单向阀 (Check Valve)单向阀是一种常见的液压电磁阀型号,也被称为逆止阀。
它的作用是确保液压系统中液体只能在一个方向上流动,防止倒流。
单向阀通常具有简单的结构,由阀体、阀芯和弹簧组成。
根据不同的工作原理,单向阀又可以分为球式单向阀、圆盘式单向阀等。
它们在不同的流量、压力和介质下有着各自的应用场景。
例如,球式单向阀适用于高压、大流量的液压系统,而圆盘式单向阀则适用于低压、小流量的系统。
单向阀的型号通常由规格、压力等参数来表示,例如CV-10、CV-25等。
2. 溢流阀 (Relief Valve)溢流阀是一种常见的液压电磁阀型号,主要用于调节和控制系统中的压力。
溢流阀可以在液压系统中建立一个可调的最大工作压力,以保护液压系统不受过高的压力损坏。
溢流阀通常由一个调节阀芯和一个辅助阀芯组成,通过调节阀芯的位置来控制液压系统的工作压力。
溢流阀的型号通常由压力范围(例如100-300 psi)、流量容量和调节方式来表示,例如RV-100、RV-200等。
3. 换向阀 (Directional Control Valve)换向阀是一种常见的液压电磁阀型号,用于控制液压系统中液体流向的变换。
换向阀通常由多个通道和阀芯组成,通过控制阀芯的位置来实现液体的流向变换。
换向阀可分为手动换向阀和电动换向阀两种类型,其中电动换向阀通过电磁阀来控制阀芯的位置,实现自动化控制。
换向阀的型号通常由通道数目、工作压力和流量容量等参数来表示,例如4/3换向阀、6/2换向阀等。
4. 比例阀 (Proportional Valve)比例阀是一种特殊的液压电磁阀型号,可以根据输入的电信号来控制液压系统中液体的流量或压力,实现精确的调节和控制。
液压电磁阀规格型号及含义1. 你知道液压电磁阀规格型号有多重要吗?就好比你出门挑鞋子,尺码不对,能舒服走路吗?比如一个大型工程设备,如果选错了液压电磁阀的规格型号,那整个设备都可能趴窝!2. 液压电磁阀的规格型号,你真搞懂了吗?这可不像挑水果,随便拿一个就行!像我之前遇到的一个案例,因为型号没选对,损失可大了!3. 想弄明白液压电磁阀规格型号及含义?这可不是件轻松的事儿!好比在迷宫里找出口,稍不留神就迷路!比如说某工厂的生产线,就因为这弄错了,耽误了好多活儿!4. 液压电磁阀规格型号那点事儿,你不好好学能行吗?这就像开车不认路,能到达目的地?有个朋友的厂子,就因为这个吃了大亏!5. 还不了解液压电磁阀规格型号?这可不行啊!就像战士上战场没带对武器,能打赢吗?有个企业就因为这个,项目黄了!6. 液压电磁阀规格型号及含义,你真的不想知道?这就好比你不知道自己手机的型号,能选对配件吗?之前有一家公司,因为这个,设备维修都成了大难题!7. 搞不清楚液压电磁阀规格型号,那可糟糕啦!这不就像做饭不知道放多少盐,能好吃吗?我认识的一个师傅,就因为这个,工作都丢了!8. 液压电磁阀规格型号,你真以为很简单?这可比解一道复杂的数学题还难!比如某机械厂,就卡在这上面,损失惨重!9. 不重视液压电磁阀规格型号,能行吗?这就像盖房子没选对砖头,能结实吗?有个工程,就因为这个,不得不返工!10. 还对液压电磁阀规格型号一知半解?这怎么行!这好比你参加比赛不知道规则,能赢吗?曾经有个项目,就被这个问题拖了后腿!11. 液压电磁阀规格型号及含义,你还迷糊着?这像在黑暗中走路,能不摔跤?有个老板,就因为不懂这个,生意都受影响了!12. 不了解液压电磁阀规格型号,后果很严重知道吗?这就跟游泳不知道水深,能安全吗?我听说过一个案例,企业差点破产!13. 液压电磁阀规格型号,你真懂了?这可不像你看懂一本书那么容易!比如说某车间,就因为这个错误,产量一直上不去!14. 还在纠结液压电磁阀规格型号?这可不好!就像迷路了还不知道问路,能找到方向?有个同行,就因为这个走了不少弯路!15. 液压电磁阀规格型号及含义,你确定不深入研究?这好比你开车不知道油还剩多少,能放心跑吗?之前一个团队,就吃了这个亏!16. 搞不明白液压电磁阀规格型号,能行?这就像唱歌跑调还不知道,能好听吗?有一家企业,就因为这个闹了大笑话!17. 液压电磁阀规格型号,你真的清楚?这可比挑对象还得仔细!比如某工厂,就因为挑错了,麻烦不断!18. 还没搞懂液压电磁阀规格型号?这可麻烦了!这就像坐飞机不知道航班,能按时到达?有个项目,就因为这个延误了!19. 液压电磁阀规格型号及含义,你不想搞清楚?这像吃饭不知道吃啥,能吃得香?我知道的一个例子,因为这个,工程进度被耽误好久!20. 不明白液压电磁阀规格型号,那可糟糕透顶!这就像画画不知道用什么颜色,能好看吗?曾经有个厂家,就因为这个,产品质量大打折扣!。
电磁换向阀WE 型电磁换向阀电磁换向阀在液压系统中的作用是用来实现液压油路的换向、顺序动作及卸荷等。
由于电磁铁的推力有限,电磁换向阀应用在流量不大的液压系统中。
(1)结构原理电磁换向阀是液压控制系统和电气控制系统之转换元件。
它由液压机械中的按钮开关、限位开关、行程开关、压力继电器等电气元件发出信号,使电磁铁通电吸合或断电释放,从而直接控制阀芯移位,来实现油流的沟通、切断和方向变换,来操纵各执行机构的动作。
推动故障检查按钮可使滑阀阀芯手推移动。
WE 型电磁换向阀有4种电磁铁供用户选用:1.湿式直流电磁铁;2.湿式交流电磁铁;3.干式直流电磁铁;4.湿式直流电磁铁。
WE5型和WE6型电磁换向阀只有湿式直流和交流电磁铁,而WE10型电磁换向阀4种电磁铁都有。
湿式电磁铁具有使用寿命长、散热性能好等优点。
直流电磁铁的优点是换向频率高、换向性能好。
对低电压、短时超电压、超载和机械卡住反应不灵敏,工作可靠性好;用内装整流器的Z5型插头,可直接使用交流电源。
交流电磁铁的优点是动作时间短,电气控制线路简单,不需特殊的触头保护。
WE电磁换向阀通径m m 5,6,10电磁换向阀性能通径56.0-6.0系列通径660-60系列通径1030-30系列O-不带复位弹簧,不带定位器;OF-不带复位弹簧,带定位器;无标记-标准型,带复位弹簧。
A-湿式标准电磁铁;大功率电磁铁;C-可换线圈的电磁铁G24-直流电24V;W220-50-交流电220V ,50HZW220R-本整型直流电磁铁使用交流电压220V W110R-直流电磁铁使用Z5型插头可连(限6,10)无标记-无故障检查按钮;N-带故障检查按钮。
Z4-方型插头;Z5-大方型插头;Z5L-带指示灯的大方型插头无标记-无插入式阻尼器;B08-阻尼器节流孔直径0.8mm ;B10-阻尼器节流孔直径1.0mm无标记-矿物质液压油;v-磷酸脂液压液电液换向阀和液动换向阀3-二位三通;4-二位四通;4-三位四通WEH电液换向阀及WH液控换向阀(1)结构原理WEH型电液换向阀是用电磁阀作为先导控制的滑阀式换向阀。
用于控制液流的通断和流动方向。
该阀主要由主阀体、主阀芯、一个(或两个)复位弹簧和带一个(或两个)电磁铁的先导电磁阀组成。
该阀有不痛的性能忽和附加装置可供选择。
先导控制的电磁阀有湿式交流或直流;带或不带故障检查按钮;电气连接形式有单独式或集中式;主阀采用弹簧对中和弹簧复位或液压对中和液压复位;带或不带换向时间调节器;带或不带主阀行程限制器或者主阀芯终端位置指示器;带或不带主阀芯终端位置开关;在工作压力超过25MP时可安装减压阀。
这种阀共有19种标准型机能。
J型E型H型D型G型以上是我们常用的电磁阀的职能符号。
WH型液动换向阀它的原理与电液动换向阀相同,所不同的是电液动换向阀主阀体上有一个导阀,而液动换向阀只有主阀体,而无导阀,它是靠外控油通过X口进入主阀芯的一端,推动主阀芯向另一端移动,达到另一个工作位置。
从而改变油流方向。
卸荷端的油经外部Y通道排除。
液动换向阀它的换向速度要比电液动换向阀快但必须有外控口X,同时还必须有外泄口Y。
电液动换向阀和液动换向阀与单独的电磁换向阀作用相同,只是电液动换向阀和液动换向阀可以应用在大流量的液压系统中。
型号说明:无标记-矿物质液压油;v-磷酸脂液压液其他先导式溢流阀、电磁溢流阀6工作压力:无标记-28MP ;H-35MPWEH-电液阀;WH-液控阀H-主阀液压复位或对中无标记-主阀弹簧复位或对中滑阀机能见滑阀机能符号图20-20系列(NG10)(20~29系列内部结构和连接尺寸相同);50-50系列(那个6、25、32)(50~59系列内部结构和连接尺寸相同)当导阀是用两个电磁铁的二位阀(脉冲式阀),主阀是液压复位;O-导阀没有复位弹簧;OF 没有复位弹簧,有定位器(WH 无此项)B-A-普通电磁铁;E-螺纹连接电磁铁;C-可换线圈的电磁铁G24-直流电24V;W220-50-交流电220V ,50HZ ;(用直流电磁铁,使用与频率无关的交流电压W220R-110V ;W220R-220V ;只能用Z5型带内装式整流器的插头)无标记-无故障检查按钮;N-带故障检查按钮。
控制油结构形式:无标记-外供外排型E-内供外排型;ET-内供内排型;T-外供内排型无标记-没有换向时间调节器;S-有换向时间调节器;进口节流;S2有换向时间调节器;出口节流电气连接形式(见电器连接尺寸图),有些没有无标记-无插入式阻尼器;B08-阻尼器节流孔直径0.8mm ;B10-阻尼器节流孔直径1.0mm ;B12-阻尼器节流孔直径1.2mm ;B15-阻尼器节流孔直径1.5mm (WH 无此项)无标记-不带预压阀;P-4.5带预压阀,开启压力为0.45MP 无标记-不带定比减压阀;D1-定比减压阀(减压比1:0.66)通径10、16、25、32DB/DB型先导式溢流阀、电磁溢流阀(5X系列)DB型先导式溢流阀用来限制系统压力。
DBW型电磁溢流阀用来限制系统压力并借助于电磁阀使之卸荷。
型号说明卸荷溢流阀DA/DAW-5X 型先导式卸荷式溢流阀,电磁卸荷溢流阀DA/DAW 型阀用于带蓄能器的液压系统,使泵自动卸荷或加载;用于高低压双泵系统,使低压泵卸荷。
DAW 型阀利用电磁阀使系统卸荷。
DA 型阀主要由先导阀、带主阀芯的主阀和单向阀组成,而DAW 型阀还在先导阀上装有电磁阀。
通径10mm 的先导式卸荷阀的单向阀在主体阀内;而通径25mm 和32mm 的先导式卸荷阀的单向阀在主阀底下的连接板内。
DA/DAW 型阀应用于有蓄能器的液压系统中时,主要作用是给蓄能器补油;应用于高、低压双泵系统中时,可使低压泵卸荷。
而DAW 型阀利用其上的电磁阀,还可以在任何压力下使系统卸荷。
型号说明:无方向阀=无代号方向阀=W通径10=10通径25=20通径32=30断电关闭=A 断电开启=B系列50~59=5X (50~59;安装和连接尺寸保持不变)调节元件旋钮=1带保护罩六角套筒螺钉=2带锁有刻度旋钮=3不带锁有刻度旋钮=7压力设定范围0~5MP ;0~10MP无代号=先导控制油内部回油;Y=先导控制油外部回油。
无代号=不带方向阀;6E 带方向阀G24=24V 直流。
W220=220V 交流50HZ无标记-无故障检查按钮;N-带故障检查按钮。
N9-带隐蔽的故障检查按钮。
无代号=丁晴橡胶密封件V=氟橡胶密封件电气连接符号K4=单个连接,带插座其它细节,用文字说明单向阀及液控单向阀单向阀常被安装在液压泵的出油口,可防止系统压力突然升高时损坏液压泵。
另外拆卸泵时系统中的油不会流失。
单向阀还可做保压作用,对开启压力大的单向阀,还可做背压阀使用。
(1)结构原理单向阀又称止回阀或逆止阀。
它的作用是使油流只能沿一个方向通过,而不能反流动。
单向阀有直通式和直角式两种,连接形式有管式、板式、法兰式。
另外还有S型插入式直通和直角单向阀。
开启压力大于0.3MP的单向阀可做背压使用,RVP型单向阀原理相同。
型号说明:S单向阀通径:6、8、10、15、20、25、30、40、50、63、80、125、150联接形式:A-管式;P-板式;K-差装式;F-法兰式。
开启压力:0-无弹簧;1-0.5MP;2-0.15MP;3-0.3MP; 5-0.5MP 序列号无标记-矿物质液压油;v-磷酸脂液压液螺纹形式(仅A型):无标志-圆柱管螺纹;2-米制螺纹附加说明R VP-----1---0单向阀板式联接通径:6、8、10、12、16、20、25、30、40钢质材料序列号开启压力:0.05和0.45液控单向阀的应用很广,如利用液控单向阀的锁紧回路、防止自重下降的回路、充液阀回路、旁通放油阀回路、蓄能器供油回路等。
结构原理液控单向阀亦称为液压操纵单向阀或单向闭锁阀。
它是在普通单向阀上增加液控部分。
SV 型和SL 型这两种结构的区别是泄漏油的回油方式不同,SV 型为内部回油,SL 型为外部回油,此外,液控单向阀又根据反向进油压力高低,又分为带卸荷阀芯和不带卸荷阀芯两种形式。
开起压力:1-0.3MP;2-0.5MP;3-0.7MP系列号无标记-矿物质液压油;v-磷酸脂液压液螺纹形式(仅G 型):无标志-圆柱管螺纹;2—米制螺纹型号说明:联接方式:Z-叠加式Z2S单向阀:无标记:A 、B 两腔都有单向阀;A :A 腔有单向阀;B :B 腔有单向阀通径系列号无标记-矿物质液压油;v-磷酸脂液压液叠加式流量阀双单向节流阀型号说明:通径6,10,16,22节流形式:S—进口节流(6、10无此形式);S1—出口节流名称:FS—单向节流阀联接方式Z—叠加板式系列号无标记-矿物质液压油;v-磷酸脂液压液顺序阀DZ—3X 型先导式顺序阀该阀利用油路本身压力来控制液压缸或马达的先后动作顺序,以实现油路系统的自动控制。
改变控制油和泄油的联接方法,该阀还可作为卸荷阀和背压阀使用。
Z2FS型号说明:通径:10=10;25=20;32=30调节手柄=1;带保护罩的调节螺栓=2;带锁的调节手柄=330系列=30(30~39系列内部结构和连接尺寸相同最大输出压力:210=210Kg 350=350Kg 无标记=控制油:内供内排;X=外供内排;Y=内供外排泄漏油从Y口排出);XY=外供外排无标记=有单向阀M=没有单向阀无标记-矿物质液压油;v-磷酸脂液压液附加说明DZ先导阀BJS型减压式比例先导阀(简称先导阀)是为引进美国卡特彼勒(Caterpillar)950、966和980轮式装载机的国产化配套元件。
该阀具有操作简单、控制灵敏、工作可靠、安装维修方便、实现远距离控制等优点。
适用于大中型工程机械对液动换向阀进行比例先导控制。
原理简介BJSA型先导阀有四个工作腔,可按需设置梭阀将每个工作腔接通,也可设置一个二位三通阀,用于阀、泵、马达的遥控。
BJSB型的工作腔有一路、二路、三路三种,所有油口都在底面上。
型号说明:BJSB1控制口=1;2控制口=2;4控制口=4;标准控制压力曲线其他说明我们厂用的先导阀是BJS型减压式比例先导阀(2BJSBC206,4BJSAA004N)与D型多路换向阀配套,对液动换向阀进行先导控制。
该阀具有操作轻便、控制灵敏、工作可靠、维修方便、能实现远距离控制等特点。
BJS*型系列先导阀技术规格型号进口压力/MP T口背压/MP先导油流量/(L/min)*BJSA50.316*BJSB50.316减压阀型号说明:DR—3X型先导式减压阀该阀主要由先导阀、主阀和单向阀组成。
可将液压系统分成不同压力的油路,以时不同的执行机构产生不同的工作压力。
直动式溢流阀DBD型直动式溢流阀用于防止系统过载和保持系统压力恒定。