基础管理类隐患排查清单-A4
- 格式:docx
- 大小:30.49 KB
- 文档页数:7
基础管理类隐患排查清单一、电气设备安全1.检查所有电气设备是否有明显的损坏或老化,如插头、插座、开关等;2.检查所有电气设备是否安装到位,是否有稳定的接地;3.检查电气设备是否有合格的绝缘保护措施;4.检查所有电气设备的电线是否有断裂现象;5.检查电气设备的电线是不是过载现象。
二、消防设施安全1.检查所有消防设施是否正常运行,如灭火器、喷淋系统、报警器等;2.检查消防设施是否有合格的维护记录;3.检查所有应急出口是否畅通无阻,标示是否清晰可见;4.检查消防设施是否可以迅速响应火灾报警;5.检查消防设施是否有保持在合适温度和湿度的环境。
三、水、气、热系统安全1.检查水、气、热系统的管道是否有泄漏现象;2.检查水、气、热系统的管道是否有冻裂或老化现象;3.检查水、气、热系统的管道是否有合格的维护记录;4.检查水、气、热系统的阀门是否正常运行;5.检查水、气、热系统是否有合格的压力控制措施。
四、建筑结构安全1.检查建筑结构是否有明显的裂缝、变形或腐蚀现象;2.检查建筑结构是否有合格的维护记录;3.检查建筑结构的承重梁、柱是否有达到极限承重的迹象;4.检查建筑结构的防水层是否有损坏或老化现象;5.检查建筑结构是否有防震措施。
五、设备设施安全1.检查所有设备设施是否有明显的损坏或老化,如工具、机器等;2.检查所有设备设施是否安装到位,是否有稳定的支撑;3.检查所有设备设施是否有合格的维护记录;4.检查所有设备设施是否有良好的防护措施,避免误操作;5.检查所有设备设施是否有合格的使用培训。
六、环境卫生安全1.检查工作环境是否有足够的通风和照明;2.检查工作环境是否有异味、污染源或有毒物质;3.检查工作环境是否清洁整齐,有无杂物堆积;4.检查工作环境是否有合格的垃圾处理方法;5.检查工作环境是否有防止跌倒和绊倒的危险源。
七、安全教育与培训1.检查是否有安全教育和培训计划;2.检查员工是否接受了安全教育和培训;3.检查员工是否了解应急逃生程序;4.检查是否有完善的安全守则和标识;5.检查是否进行定期的安全巡视和评估。
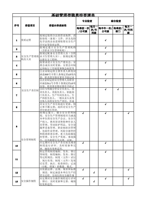
基础管理类隐患排查清单内容
1、安全生产法律法规、规章制度、规程标准的贯彻执行情况;
2、安全生产责任制建立及落实情况;
3、高危行业安全生产费用提取使用、安全生产风险抵押金交纳等经济政策的执行情况;
4、企业安全生产重要设施、装备和关键设备、装置的完好状况及日常管理维护、保养情况,劳动防护用品的配备和使用情况;
5、危险性较大的特种设备和危险物品的存储容器、运输工具的完好状况及检测检验情况;
6、对存在较大危险因素的生产经营场所以及重点环节、部位重大危险源普查建档、风险辨识、监控预警制度的建设及措施落实情况。