给麦克风加装放大电路
- 格式:doc
- 大小:38.50 KB
- 文档页数:1
给麦克风加装放大电路
一、放大电路工作原理
图1是整个话筒放大电路的电路图,从图1中可以看出,整个电路只要六七个原件。
下面大概说说工作原理,其中电阻R1负责给咪头提供工作电压,R2与R3负责给三极管提供偏置电压,电容C1负责把咪头的信号耦合给三极管以便放大,最终放大后的信号通过电容C2耦合后送回到话筒线路的正极中,也就时话筒线最外层的屏蔽层(也就是外层的那层铜网)。
图2就是我们制作时要用到的材料或电子元件。
二.制作似的注意事项
整个放大电路所需的电子元件的规格如下:电阻R1为1KΩ,电阻R2为1M Ω,电阻R3为1KΩ,三极管VT为9014,电容C1为4.7μF,电容C2为4.7μF,电池采用一般的五号电池即可,一般正常使用可用半年左右。
制作完成后的电路板成品见图3。
在制作过程中要注意以下几点:1.三极管的管脚一定要接对,否则起不到放大的作用,管脚区分以下三极管引线朝下,平的一面朝自己,依次是E(发射极),B(基极)和C(集电极);2.麦克风咪头也是有极性的(具体区分见图4);3.耦合电容的极性可通过标记来分辨,有箭头且标记为“-”的引脚是负极,正极一般不作标记。
由于元件少也可直接搭棚焊接,电路板做好后可直接装进麦克风的底座的内,电路板的电源引线则接入麦克风预留的电池槽里即可。
三,效果测试
经过试用,麦克风有效距离完全可以达到5—6米,而且用Office Word2003的语音输入功能,效果也很明显,离话筒1米左右说话也可准确识别。
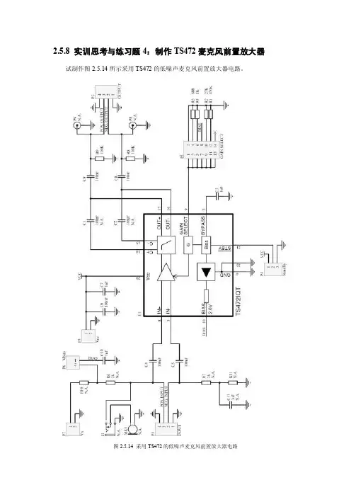
2.5.8 实训思考与练习题4:制作TS472麦克风前置放大器
试制作图2.5.14所示采用TS472的低噪声麦克风前置放大器电路。
图2.5.14 采用TS472的低噪声麦克风前置放大器电路
制作提示:
1. TS472的主要技术特性
TS472是一个先进的麦克风前置放大器芯片,噪声为10 nV/√Hz,失真度为0.1%,-3 dB 带宽为40 kHz,启动时间为 5 ms,采用单电源供电,工作电源电压为2.2~5.5 V ,电流为1.8 mA,提供2.0 V 低噪声的麦克风偏置电压输出,采用flip-chip - 12和QFN24 4×4 mm 封装,QFN24 4×4 mm封装外形与引脚端封装形式如图2.5.15所示。
(a)QFN24 4×4 mm封装外形
(b)引脚端封装形式
图2.5.15 TS472 QFN24封装外形与引脚端封装形式
2.电路元器件参数表
电路元器件参数表如表2.5.2所示。
3. 参考的PCB图
一个参考的PCB设计图如图2.5.16所示。
注意:元器件布局图中所有元器件均未采用下标形式。
(a)PCB顶层图(b)PCB底层图
(c)元器件布局图
图2.5.16 参考的PCB设计图。
动圈式麦克风前置放大器电路
这电路是低噪声的动圈式麦克风前置放大器,信号或微弱信号,而放大此微弱信号的电路称为高频小信号放大器,也称为前置放大器,这一类的FET前置放大器必须有功率增益要足够,本身产生的噪声要小,及工作直线范围要宽广等特性。
一般前置放大器对接收讯号增益大约提高10dB左右,而自制的前置放大器使用MOS-FET场效三极管,具有更良好的高频放大增益,及极低的本身噪声。
此电路适用于200~600Ω的动圈式话筒,Q1附近的电路使用的是共基集的方式,这种用法一般不用于音响装置,但在这里它能让麦克风工作于低噪声的范围,一般共基极放大器较少场合使用,因其输入阻抗相当小,会造成将输入共基极放大器的交流信号衰减掉。
不过其在高频响应方面,就有较佳的表现。
共基极放大器具有高电压增益,以及最大电增益为1的特性。
另外,它的输入与输出信号和共集极放大器模式一样,不会发生相位颠倒的情形。
图的三极管可用其它低噪声功率的NPN三极管(和BC109C,BC548,BC549C),Q2、Q3删是前置放大,这个电路输出后可以连接到后级放功率放大器或是其它录音装置。
Xf=2πfL则fL↗ => Xf↗。
Xc=1/(2πfc)则fc↗=> Xc↘,讯号若接电容器会变高频率,而接电感则变低,所以此电路我都放电容来提高频率。
模拟电子技术课程设计任务书(18)系(部):电子与通信工程系专业:电子信息工程指导教师:绪论.............................................................................................................................. 错误!未定义书签。
1.1课题的背景及目的 (3)二、设计的任务及要求 (3)2.1设计的任务 (3)2.2设计的要求 (3)三、音响放大器的基本组成 (3)四、设计方案 (4)实验原理 (4)设计电路图 (4)五、仿真测试 (5)话音放大器EWB仿真 (6)混合放大级EWB仿真 (7)两级放大EWB仿真 (8)六、电路的安装与调试 (9)七、测试结果与分析 (9)八、心得体会 (10)参考文献 (11)1.1课题的背景及目的在日常生活和工作中,经常会遇到这样一些问题,如在检修各种机器设备时,常常需要依靠故障机器的异常声响来寻找故障,这种异常的频谱覆盖面积很广,需要高亮度的声音来传达消息,例如校园广播,大型会议等,而仅仅凭自己的喉咙是无法实现的,因而要用到信号放大器。
声音信号频率低,在放大的过程中极易受到外界的干扰,又如:在打的时候,有时往往因声音太大或干扰太大而难以听清对方讲话,于是需要一种既能放大语音信号又能降低外来噪音的仪器。
由于诸上原因,具有类似功能的实用电路实际上就是一个识别不同围的小信号放大系统。
所以需要设计一个语音放大电路。
二、设计的任务及要求 2.1设计的任务1、设计一卡拉OK 话筒放大、混合电路,能对话音进行放大,并与录音机中的音乐信号进行混合。
2.2设计的要求1、话筒输出电压为5mV ,录音机的输出信号电压为100mV ,混合级输出电压>=125 mV 。
2、截止频率为为f L =40、Hz ,f H =10kHz 。
3、声音和音乐的音量可调三、音响放大器的基本组成话筒四、设计方案已知:设计一卡拉OK话筒放大、混合电路,能对话音进行放大,并与录音机中的音乐信号进行混合。
卡拉OK话筒放大、混合电路设计模拟电子技术课程设计任务书(18)系(部):电子与通信工程系专业:电子信息工程指导教师:摘要.卡拉OK话筒都在近距离使用,为了达到良好的效果,要求话筒具有特殊的近讲效应和指向效应,以改善性能和抗环境干扰。
也就是说,话筒的灵敏度在低频端随着声源的远近而改变:距离越近低频灵敏度越高。
高价值的卡拉OK话筒还装有爆炸声滤波器,使过度的呼吸噪声、砰声降到最小,实现完整、丰满的声重放。
卡拉OK话筒另一个重要特征是在话筒的壳体上装有控制开关,使您在演唱的时候实现一些特殊的音响效果。
特别设计的防振措施,能有效防止手持时的摩擦噪声,使您的演唱低音层次分明,高音明亮悦耳,音质柔和优美,富有感染力。
LM324是四运放集成电路,它采用14脚双列直插塑料封装,外形如图所示。
它的内部包含四组形式完全相同的运算放大器,除电源共用外,四组运放相互独立。
每一组运算放大器可用图1所示的符号来表示,它有5个引出脚,其中“+”、“-”为两个信号输入端,“V+”、“V-”为正、负电源端,“Vo”为输出端。
两个信号输入端中,Vi-(-)为反相输入端,表示运放输出端Vo的信号与该输入端的位相反;Vi+(+)为同相输入端,表示运放输出端Vo的信号与该输入端的相位相同。
LM324的引脚排列见图2 。
Multisim适用于板级的模拟/数字电路板的设计工作。
它包含了电路原理图的图形输入、电路硬件描述语言输入方式,具有丰富的仿真分析能力。
我们可以使用Multisim交互式地搭建电路原理图,并对电路进行仿真。
通过Multisim和虚拟仪器技术,PCB设计工程师和电子学教育工作者可以完成从理论到原理图捕获与仿真再到原型设计和测试这样一个完整的综合设计流程。
由于LM324四运放电路具有电源电压范围宽,静态功耗小,可单电源使用,价格低廉等优点,因此被广泛应用在各种电路中。
关键词:运放器 Multisim 电路仿真目录摘要 (1)一.设计目的 (3)二.设计任务 (3)三.电路的设计方案 (3)参考文献 (5)设计心得与体会 (5)一.设计目的本次课程设计借助Multisim10软件平台完成对卡拉ok的设计并通过软件本身自带的工具及功能完成了电路的调试、仿真数据的采集以及处理分析。
驻极体话筒放大电路要点一.设计思路1、语音放大器的基本构成根据要求,输出功率P=2W,电阻R=4Ω,由功率公式可得U=2.8V,对TDA2030输入100mv电压时,可达到设计要求。
另外,由于语音通过话筒输入信号为5mv,放大后要求达到100mv,放大倍数需在20倍以上,由电路设计要求得知,该放大器由三级组成,其总的电压增益AUf=AUf1AUf2AUf3。
应根据放大器所需的总增益AU,来合理分配各级电压增益(AUf1.AUf3)。
为了提高信噪比S/N,前置放大器的增益要适当取大。
为了使输出波形不致产生饱和失真,输出信号的幅值应小于电源电压。
2、性能指标(1)集成直流稳压电源①同时输出12V的电压②输出纹波电压小于5mV(2) 前置放大器①输入信号:Uid.10mV②输入阻抗:Ri=100k.③设定增益Auf1=30(3) 有源带通滤波器①带通频率范围:300Hz~3kHz②增益:Au=1(4) 功率放大器①最大不失真输出功率:Pmax>=2W②负载阻抗:RL=4Ω③电源电压:+12V,-12V(5) 输出功率连续可调①直流输出电压:.50mV(输出开路时)②静态电源电流:.100mA(输出短路时)3、要求(1)选取单元电路及元件根据设计要求和已知条件,确定集成直流稳压电源、前置放大电路、有源带通滤波器电路、功率放大电路的方案,计算和选取单元电路的元件参数。
(2)前置放大电路的组装与调试测量前置放大电路的电压增益AUd、输入电阻Ri等各项技术指标,并与设计要求值进行比较。
(3)有源带通滤波器的组装与调试测量有源带通滤波电路的电压增益AUd、带宽BW,并与设计要求值进行比较。
(4)功率放大电路的组装与调试测量功率放大电路的最大不失真输出功率Po,max、电源供给功率PDC、输出功率.、直流输出电压、静态电源电流等技术指标。
(5)整体电路的调试与试听(6)应用Multisim软件对电路进行仿真。
给电脑麦克风加个放大电路2007年12月26日星期三 14:10前段时间电脑的集成声卡AC‘97烧了,话筒部分不能用了,声音也有点破声。
电脑最令人兴奋的部分没了。
于是我去淘宝,淘了块声卡(YAMAHA)芯片,音质是挺满意的,就是只支持2.1声道,不过这也无所谓,因为我平也过不用5.1\6.1\7.1声道。
开始挺高兴以为美妙的音乐又可以伴我左右了。
美中不足的是,这话筒的声音实在是小的可怜,因为我有在用网络电话,我朋友都说声音非常小,可我已经用尽力大声在讲了.真累.我自己也是电子爱好者,于是就用NPN的三级管--9014给话筒做一个放大电路。
和朋友分享一下!所需材料:万能板一块1.5V干电池一个1KΩ电阻* 21MΩ电阻*19014 NPN三级管1只10uF电解电容2只咪头一个(早期废旧录音机里都有)电脑麦克风放大电路图电路分析:其中电阻R1负责给咪头提供工作电压,R2与R3负责给三级管提供偏值电压,电容C1负责把咪头的信号耦合给三级管9014以便放大,最终放大的信号通过电容C2耦合后送回到话筒线路的正级中。
9014有以下几个放大倍数等级:A=60-150B=100-300C=200-600 (笔者使用的-9014 C 998)D=400-1000经QQ聊天测试,音质清楚,没有杂音。
而且在我这13平方米的房间,离话筒一米讲话是不存在问题的。
最重要的是,一个一般的七号电池也可以连续供电好几个月!电路简洁,零件少而且这件零在一般的废旧电路板都可以找到,这样还可以做到废品回收的作用!有兴趣的朋友不防试试。
给话筒小声的朋友提供了一个很好的觖方法。
以后讲话不用那么累了,也不用那么吃力,也不用担心对方是否可以听得清楚。
当然也可以用贴片做.笔者也做了块很小个的,(10mm*10mm)用一个纽扣电池,装在麦里了,(不过两个电容是用4.7uF的)以上都是经笔者成功实验过的,可以放心制作!怎么样,心动了吧,那就快快行动吧!!!(实物图1)(实物图2)。
话筒放大及录音电路
所示是话筒信号放大及录音电路,当要录制话筒的声音信号时,话筒的输出信号经话筒信号
放大器放大后,再经线路输入插座送往录音信号处理电路(数字信号处理电路)。
话筒信号放大器是由两
级运算放大器(U3B和U3A)构成的。
运算放大器将话筒信号放大到足够的电平后再送往录音电路。
当需要录制外部音频设备的音频信号时,外部音频设备输入的音频信号(又称线路输出信号LINE)
经线路输入插座送到录音电路中。
当插入线路输入信号插头时,自动切断了话筒信号的通道,只有拔下插
头后才能录制话筒信号。
多用途密码系统原理图
一、设计要求
我们这次设计的多功能系统只有输入正确的密码后,才能使继电器闭合,发光二极管才能正常工作。
二、设计思路
我们这次设计的多用途密码系统原理是运用了CD4017芯片、NE555、LM567、继电器、按键,通过按键给CD4017芯片高低电平,芯片会给NE555高低电平,使NE555工作,如果给CD4017的高低电平符合顺序NE555就会给LM567信号,然后完成对继电器的控制,使继电器闭合,完成解码过程。
三、电路设计
电源部分:我们先给电源通过四个二极管整流,使交流电变成直流电,在整流的后面我们在输出端加了两个电容,对整流后的直流电进行滤波,使脉动的直流电流,变成平缓的直流电,对后面的密码锁的确认提供了稳定的工作环境。
按键部分CD4017是个十进制计数器,INH为低电平时,计数器在时钟上升沿计数;反之计数功能无效,CR为高电平时,计数器清零,所以我们在电路设计时给CP端串联了个二极管防止CP为高电平。
我们通过按键控制芯片CD4017的高低电平使,如果按键正确,使CD4017工作,然后打开晶闸管,让晶闸管导通,使NE555开始工作发出信号给LM567工作,通过LM567对NE555发出地波形频率进行判断,如果频率在500HZ以下,LM567开始工作,然后再通过LM567使继电器工作,通过继电器的工作让发光二极管亮。
四、测试说明
当你输入正确的密码后,继电器会闭合,然后使发光二极管点亮。
实现解锁过程。
自制电脑驻极体话筒麦克风放大器驻极体话筒工作原理:当驻极体膜片遇到声波振动时,就会引起与金属极板间距离的变化,也就是驻极体振动膜片与金属极板之间的电容随着声波变化,进而引起电容两端固有的电场发生变化(U=Q/C),从而产生随声波变化而变化的交变电压。
由于驻极体膜片与金属极板之间所形成的“电容”容量比较小(一般为几十波法),因而它的输出阻抗值(XC=1/2πfC)很高,约在几十兆欧以上。
这样高的阻抗是不能直接与一般音频放大器的输入端相匹配的,所以在话筒内接入了一只结型场效应晶体三极管来进行阻抗变换。
通过输入阻抗非常高的场效应管将“电容”两端的电压取出来,并同时进行放大,就得到了和声波相对应的输出电压信号。
驻极体话筒内部的场效应管为低噪声专用管,它的栅极G和源极S之间复合有二极管VD,参见图1(b)所示,主要起“抗阻塞”作用。
由于场效应管必须工作在合适的外加直流电压下,所以驻极体话筒属于有源器件,即在使用时必须给驻极体话筒加上合适的直流偏置电压,才能保证它正常工作,这是有别于一般普通动圈式、压电陶瓷式话筒之处。
外形和种类:常用驻极体话筒的外形分机装型(即内置式)和外置型两种。
机装型驻极体话筒适合于在各种电子设备内部安装使用。
常见的机装型驻极体话筒形状多为圆柱形,其直径有φ6mm、φ9.7mm、φ10mm、φ10.5mm、φ11.5mm、φ12mm、φ13mm多种规格;引脚电极数分两端式和三端式两种,引脚形式有可直接在电路板上插焊的直插式、带软屏蔽电线的引线式和不带引线的焊脚式3种。
如按体积大小分类,有普通型和微型两种。
工作电压:Uds 1.5~12V,常用的有1.5V,3V,4.5V三种工作电流:Ids 0.1~1mA之间输出阻抗:一般小于2K(欧姆)灵敏度:单位:伏/帕,国产的分为4档,红点(灵敏度最高)黄点,蓝点,白点(灵敏度最低)频率响应:一般较为平坦指向性:全向等效噪声级:小于35分贝极性判别:关于驻极体电容式话筒的检测方法是:首先检查引脚有无断线情况,然后检测驻极体电容式话筒。
话筒放大器电路图大全(六款话筒放大器电路设计原理图详解)话筒放大器简称“话放”,是对话筒输入的信号进行放大的设备。
话放的全称是:话筒专用“前置”放大器,现在很多高档话放采用“电子管”放大,目的是要得到“电子管”的柔美韵味。
其实话放不仅仅是“功率放大”的单纯功能,很多还包含参量均衡、压缩器、幻向供电等等功能,特别是压缩器和参量均衡器。
很多话放设备还拥有高采集率的A/D模数转换器,将话筒的模拟信号转换成数字音频信号,输出AES等等数字音频格式。
话筒放大器的基本组成结构为压限器、均衡效果器、扑声消除器、嘶声消除器、噪声门等。
无论我们把话筒插在调音台上,声卡上,或是卡拉OK机上,这些设备都有一个(或多个)话放,那么,还有一种是独立工作的话放,他只负责把话筒信号放大并且进行一些必要的处理,然后变成线路输出信号再输出出去。
话筒放大器电路图设计(一)原理图如下图所示,采用MC2830形成语音电路。
传统的语音电路无法区分语音和噪声的输入信号。
在嘈杂的环境,往往是开关引起的噪音,为了克服这一弱点。
语音电路一级以上的噪声,这样做是利用不同的语音和噪声波形。
语音波形通常有广泛的变化幅度,而噪音波形更稳定。
语音激活取决于R6。
语音激活的敏感性降低,如果R6变化14K到7.0k,从3分贝到8分贝以上的噪音。
话筒放大器电路图设计(二)巧用NE5532作平衡输入话筒放大器电路图一般单端不平衡输入话筒放大器,无论指标做得多高,都无法抑制话筒引入的共模干扰信号,使信噪比受到局限。
这里介绍的采用NE5532高速运算放大器制作的平衡输入话筒放大器则无此缺点,信噪比可以做得很高,能满足专业级的要求,且电路简单,制作方便。
平衡输入话筒放大器的电路见下图所示。
电路核心为3只运算放大器,实际只要用两块运算放大器,还多出1只运放可移作它用,如作音调控制,或再添一块运算放大器组成两路平衡输人话筒放大器。
电路原理:由Cannon(卡依)插座平衡输入的话筒信号经Rl-R4组成的阻抗匹配和抗射频干扰网络后分别进入两只远放的同相输入端进行放大,R5-R7决定两只运放的增益(约为34dB)。
低噪话筒麦克风放大电路设计
本电路的设计是采用低噪三极管9014作为电容式话筒麦克风信号放大20倍左右,可推动耳机、一般功放、低音炮等。
本电路设计的最大特点是
1、有效的抑制呼啸声的产生(实验结果喇叭和话筒距离小于0.5m时才会产生轻微的呼啸声);
2、输出频率限制在300~4000Hz之间,完全满足人声输入的要求,是通过无源带通滤波器实现,同时可以大大抑制呼啸声。
电路图如下:
①②③④⑤⑥分析:
①声电转换部分:该电路是采用电容式话筒(老式录音机里或者普通的耳麦)所以我们必须给他一个电压才可以正常工作,我们引入图中的R1就是这个偏置电阻,电阻越小话筒的灵敏度越高。
②信号放大部分:采用低噪的三极管9014,由集电极电阻R2和反馈电阻R3的大小决定其放大倍数,这里的放大倍数大约是20倍。
话筒的小信号经过耦合电容C1到三极管基极,耦合电容的容量可取
0.1u~2.2u;放大后信号输出经过一个隔直耦合电容C2,因为三极管的集电极输出一般都是带有直流电压的,因此必须加隔直耦合电容可取1u~10u的容量。
③抑制呼啸声部分:常常我们拿着话筒对准喇叭,会产生非常刺耳的呼啸声,通过正反接二极管到地可有效的抑制呼啸信号的输出。
④音量大小调节部分:通过滑动变阻器输出信号的大小。
⑤带通滤波部分:本电路是采用人声的标准频率300Hz~5kHz,完全接近人声,同时可以有效的消除呼啸声。
C6和R6决定低频的大小,C3和R5是决定高频的大小,截止频率计算:1/2πRC 。
⑥话筒麦克风放大输出接口
仿真曲线分析如下:。
9014咪头放⼤电路6050驻极体话筒麦克风放⼤器发布时间:2017-05-10 来源:服务器之家驻极体话筒⼯作原理:当驻极体膜⽚遇到声波振动时,就会引起与⾦属极板间距离的变化,也就是驻极体振动膜⽚与⾦属极板之间的电容随着声波变化,进⽽引起电容两端固有的电场发⽣变化(U=Q/C),从⽽产⽣随声波变化⽽变化的交变电压。
由于驻极体膜⽚与⾦属极板之间所形成的“电容”容量⽐较⼩(⼀般为⼏⼗波法),因⽽它的输出阻抗值(XC=1/2πfC)很⾼,约在⼏⼗兆欧以上。
这样⾼的阻抗是不能直接与⼀般⾳频放⼤器的输⼊端相匹配的,所以在话筒内接⼊了⼀只结型场效应晶体三极管来进⾏阻抗变换。
通过输⼊阻抗⾮常⾼的场效应管将“电容”两端的电压取出来,并同时进⾏放⼤,就得到了和声波相对应的输出电压信号。
驻极体话筒内部的场效应管为低噪声专⽤管,它的栅极G和源极S之间复合有⼆极管VD,参见图1(b)所⽰,主要起“抗阻塞”作⽤。
由于场效应管必须⼯作在合适的外加直流电压下,所以驻极体话筒属于有源器件,即在使⽤时必须给驻极体话筒加上合适的直流偏置电压,才能保证它正常⼯作,这是有别于⼀般普通动圈式、压电陶瓷式话筒之处。
外形和种类:常⽤驻极体话筒的外形分机装型(即内置式)和外置型两种。
机装型驻极体话筒适合于在各种电⼦设备内部安装使⽤。
常见的机装型驻极体话筒形状多为圆柱形,其直径有φ6mm、φ9.7mm、φ10mm、φ10.5mm、φ11.5mm、φ12mm、φ13mm多种规格;引脚电极数分两端式和三端式两种,引脚形式有可直接在电路板上插焊的直插式、带软屏蔽电线的引线式和不带引线的焊脚式3种。
如按体积⼤⼩分类,有普通型和微型两种。
⼯作电压:Uds 1.5~12V,常⽤的有1.5V,3V,4.5V三种⼯作电流:Ids 0.1~1mA之间输出阻抗:⼀般⼩于2K(欧姆)灵敏度:单位:伏/帕,国产的分为4档,红点(灵敏度最⾼)黄点,蓝点,⽩点(灵敏度最低)频率响应:⼀般较为平坦指向性:全向等效噪声级:⼩于35分贝极性判别:关于驻极体电容式话筒的检测⽅法是:⾸先检查引脚有⽆断线情况,然后检测驻极体电容式话筒。
语音放大器电路设计1.放大倍数:语音信号通常需要放大至一定倍数才能达到要求的音量,因此需要确定放大器的放大倍数。
2.频率响应:语音信号的频率范围通常在20Hz到20kHz之间,因此放大器需要具备良好的频率响应特性,确保能够有效放大整个频率范围的语音信号。
3.变调能力:有时需要对语音信号进行变调处理,比如降低音调或提高音调,因此放大器需要具备一定的变调能力。
4.低噪声:放大器应该尽量减少对语音信号的噪声干扰,以确保信号的清晰度和准确性。
5.功率输出:放大器的功率输出应该能够满足实际需求,通常以瓦特为单位来表示。
基于以上需求,我们可以设计以下语音放大器电路。
电路设计:1.输入端:输入端一般使用麦克风或其他语音输入设备,该设备将语音信号转换为电压信号,并将其输入到放大器电路中。
输入端可以包括滤波电路,用于滤除高频噪声和杂音。
2.放大器部分:放大器部分是整个电路的核心,它需要根据需求确定放大倍数和频率响应。
常见的放大器电路包括晶体管放大器、集成放大器和功放等。
在设计放大器部分时,需要考虑选择合适的放大器器件和电路拓扑结构,以满足上述需求。
3.输出端:输出端负责将放大后的语音信号转换为可听的声音。
输出端可以包括滤波电路,用于滤除高频噪声和杂音,以及功率放大电路,用于将信号的电压增大至可以驱动扬声器或音响设备的水平。
除了以上基本电路部分,还可以根据需求添加以下功能电路:1.变调电路:用于对语音信号进行变调处理,可以根据需求选择合适的变调电路。
2.音量控制电路:用于调节输出的音量大小,可以通过电位器或数字控制器实现。
3.保护电路:用于保护放大器电路不受过流、过压等情况的损害。
总结:通过以上的电路设计,可以实现一个满足需求的语音放大器电路。
在实际设计过程中,还需要进行模拟电路设计、元器件选型、电路布局、PCB设计以及测试和调试等环节,确保电路的稳定性和性能。
需要注意的是,本文仅为电路设计的概述,具体设计细节和参数还需要根据实际需求和条件进行进一步的研究和优化。
PDA麦克风前置放大器电路在这里我们讨论一下如何设计一款适合PDA采用的麦克风前置放大器,正如上文所述,我们必须明白信源是输入前置放大器的信号。
首先,我们必须知道以下信息:计划采用的麦克风类型麦克风输出信号电平麦克风阻抗及指定阻抗的频率增益规定,有关增益可能受运算放大器的增益带宽积所限制输入信号频率范围噪声规定例如某种陶瓷麦克风的技术规格如下:阻抗:2.2k((以1kHz的频率操作)输出信号:200(Vpp音频输入频率范围:100Hz至4kHz热噪声:2nV/(Hz前置放大器的增益指标:500(非反相),第一级可达5倍增益,第二级可达100倍增益。
我们引用公式1:等量输入噪声(EIN)=输入参照噪声总量()×输入频率范围输出噪声=等量输入噪声×增益=545.81nV×5=2.73uV(适用于1级增益)或545.81nV×100=54.58uV(适用于2级增益)。
两个放大级的输出噪声总量1伏输出电压的信噪比电平=20×log(1V÷54.58uV)≈85.3dB电路输出噪声总量大约是每一噪声源均方根的平均均方值总和的平方根,此外输出噪声通常绝大部分来自噪声量最大的信源。
实际电路如图2所示。
图2MIC前置放大器电路图请注意,这款电路只适用于单电源适配器供电的设计,其中输入及输出电容器(C1及C4)只是选项,工程师可根据实际情况考虑选用。
适用与否取决于用户系统的输入与输出如何连接。
若麦克风输出设有直流补偿,那么便需要增设C1输入电容器,以便阻塞直流电信号。
输出电容器也可发挥相同的作用。
目前市场上出售的麦克风大部分以2k(左右的高阻抗麦克风以及只有几百(的低阻抗麦克风为主,这两类麦克风都可采用上述前置放大器设计。
高阻抗高输出麦克风前置放大器较为简单,可以采用非反相或反相放大器配置。
由于其频率响应较为平坦,因此无需特别加以均衡,而且输入电平较大,放大器对噪声的要求很低,但高阻抗麦克风对来历不明的噪声及磁场极为敏感。
实物焊接图如下(遇到交叉的线:如是同色表明焊在一起,如不同色表示相互绝缘):
元器件清单:
1、TDA2822 集成块
2、100uF 16V 电解电容2个
3、4.7uF 16V 电解电容1个(10uF也行,甚至用100uF也行,如果你不嫌大)
4、10k电阻一个
5、3.3k电阻一个
6、驻极体话筒一个(你可以从耳麦里面拆到这种话筒,注意看图中的说明,其背部的焊盘,
有一个焊盘是和铝外壳相连的,另一个是浮空独立的,这是辨识正负的依据)
--------------------------------------------------------------------------------
调试方法:
焊好电路后,你可以先不接发射模块,在“连接到XXX”那三根线那里,红黑加上3V 电压(两节5号电池或者1节锂电,红正黑负),然后把耳机接在“连接到AUDIO”和“连接到GND”之间,这样应该可以在耳机里面听见放大后的声音,如果音质比较差,可以尝试改变3.3K那个电阻(改大或者改小)。
当确认可以工作之后,把这个电路设法缩小一点,然后连接到发射模块上(红线取发射模块的3.3V或者5V电)。
一点经验分享:拆到的耳麦,体积大的音质比较好,一些很微型的蓝牙话筒,音质相当之“比不行~”。
给麦克风加装放大电路
一、放大电路工作原理
图1是整个话筒放大电路的电路图,从图1中可以看出,整个电路只要六七个原件。
下面大概说说工作原理,其中电阻R1负责给咪头提供工作电压,R2与R3负责给三极管提供偏置电压,电容C1负责把咪头的信号耦合给三极管以便放大,最终放大后的信号通过电容C2耦合后送回到话筒线路的正极中,也就时话筒线最外层的屏蔽层(也就是外层的那层铜网)。
图2就是我们制作时要用到的材料或电子元件。
二.制作似的注意事项
整个放大电路所需的电子元件的规格如下:电阻R1为1KΩ,电阻R2为1M Ω,电阻R3为1KΩ,三极管VT为9014,电容C1为4.7μF,电容C2为4.7μF,电池采用一般的五号电池即可,一般正常使用可用半年左右。
制作完成后的电路板成品见图3。
在制作过程中要注意以下几点:1.三极管的管脚一定要接对,否则起不到放大的作用,管脚区分以下三极管引线朝下,平的一面朝自己,依次是E(发射极),B(基极)和C(集电极);2.麦克风咪头也是有极性的(具体区分见图4);3.耦合电容的极性可通过标记来分辨,有箭头且标记为“-”的引脚是负极,正极一般不作标记。
由于元件少也可直接搭棚焊接,电路板做好后可直接装进麦克风的底座的内,电路板的电源引线则接入麦克风预留的电池槽里即可。
三,效果测试
经过试用,麦克风有效距离完全可以达到5—6米,而且用Office Word2003的语音输入功能,效果也很明显,离话筒1米左右说话也可准确识别。