塔吊附着检验表(多种资料)
- 格式:docx
- 大小:58.34 KB
- 文档页数:28
建筑起重机械基础验收表(表一)
工程名称:设备名称:型号规格:安装单位:使用单位:项目经理:
建筑起重机械安装拆卸前检查表(表二)
(二)塔式起重机拆卸前检查表
建筑起重机械安全技术交底书
年月日
建筑起重机械安装自检验收表(一)塔式起重机安装自检验收表
(二)施工升降机安装自检验收表
建筑起重机械加节检验表
(二)施工升降机加节检验表
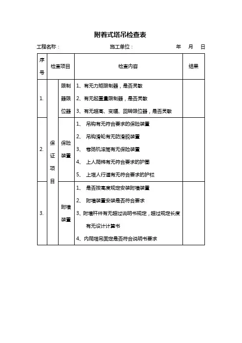
建筑起重机械附着检验表(一)塔式起重机附着检验表
(二)施工升降机附着检验表
建筑起重机械运转及交接班记录表
建筑起重机械定期检查记录
机械名称:
型号规格:
产权单位:
(一)建筑起重机械单机记录
(二)建筑起重机械使用登记记录
检查人(2)
(三)安全保护装置定期检验、检修记录
检查人(2)
(四)建筑起重机械定期维护保养记录
检查人(2)
(四)建筑起重机械定期维护保养记录
(五)建筑起重机械事故记录。
塔式起重机附着查收表工程名称碧波湾棚户区改造(香江半岛)施工单位
型号安装单位产权编号产权单位
资质证号
现场高度m 附墙数道安装完成时间:年月日
序检测
检查内容与要求实测实
结论
号项目量实查塔吊的使用说明书
有资质检验检测机构出具的检验检测合格报告
一资料
经审批的专项施工方案
部分
安装单位有专业资质、安装人员持证上岗
安全技术交底
安装原制造厂制造的附着装置
无锈蚀或锈蚀不高出原厚度的10%
各结构的连接焊缝无明显可见的焊接弊端
用刚性附着经过附墙杆与建筑物预埋铁铰件或地脚螺栓、连接
钢板相连
外撑杆与两预埋件所在直线构成的角度不高出 45°
附着框架与连接基座的水平高度差不大于 200mm
附
与下面附着间隔距离
二墙
自由端(悬臂段)高度
装
按说明书要求,附墙后可否需安装内撑杆
置
各连接螺栓应紧固,张口销应充分张开
附着撑杆与附着框架,连接基座,以及附着框架与塔身、内撑杆与标准节的连接必定可靠
塔身轴线的垂直度偏差
附着撑杆上从建筑物通向塔机的通道可否牢固、安全
附着撑杆上除可搭设供人从建筑物通向塔机的通道外严禁堆
放重物
共同查收结论
总包单位查收建议:出租单位查收建议:安装单位查收建议:
相(公章)(公章)(公章)查收人:查收人:查收人:
关
日期:日期:日期:
验
收
使用单位查收建议:监理单位查收建议:
责
任
主
(公章)(公章)
体
查收人:查收人:
日期:日期:。
塔式起重机附着验收表1. 引言在使用塔式起重机时,附着是至关重要的部分。
附着安全和可靠性的检查和验收是确保塔式起重机安全运行的重要程序。
本文档主要介绍塔式起重机附着验收表的编制和使用。
2. 编制步骤2.1 使用范围本验收表适用于逆止器、刹车、离合器、减速器、变速器、电机、电缆等附着部件的检验及验收。
2.2 编制方法2.2.1 塔式起重机附着检验•逐一检查附着部件的外观,有无明显变形或裂纹;•检查附着部件有无松动或严重磨损;•检查附着部件有无松动的螺丝和螺母;•检查附着部件与主钢构之间的间隙是否正确,有无超过规定范围;•检查有上下轮座的塔式起重机的轴承运转是否稳定,有无异常噪音;•检查有上下轮座的塔式起重机的制动器及其控制器是否正常。
2.2.2 塔式起重机附着验收表•采用表格形式列出附着部件的名称、型号、检验方法、结论以及检验人员和日期等;•检验方法分为目视检查和量测检查两类;•根据检验结果,填写验收结论:合格或不合格。
3. 使用说明3.1 操作流程1.按照编制方法逐一检查附着部件;2.根据检查结果,在验收表中标记合格或不合格,确定验收结果;3.根据验收结果,进行相应的处理和维修。
3.2 注意事项•在进行附着部件检查前,必须确保塔式起重机处于安全状态;•禁止在塔式起重机升降中进行附着部件的检查;•塔式起重机验收结果如有不合格项,必须及时进行处理和维修。
4. 附着验收表样例附着部件名称型号检验方法结论检验人员日期逆止器NKD-50 目视检查合格张三2022-01-01刹车DHB-100 目视检查、量测检查合格李四2022-01-01电机YZW-40 目视检查、量测检查不合格王五2022-01-015. 总结本文档介绍了塔式起重机附着验收表的编制和使用方法,以及注意事项和样例。
通过严格的附着部件检查和验收,可以确保塔式起重机的运行安全和可靠性,避免事故的发生。
需要注意的是,在使用附着验收表时,必须严格按照操作流程执行,确保操作的正确性和有效性。
塔式起重机附着自检表塔式起重机附着自检表(续表)2、此表在每台塔吊每一道附墙安装好写此表;3、检讨结果不能饰单填验收合格,应结合检讨内容与要求依据现场的实际情况进行填写,数据要量化。
施工现场安全施工注意事项1、施工人员进入施工现场前,必须要进行施工安全、消防知识的教育和考核工作,对考核不合格的职工,禁止进入施工现场参加施工。
2、进入施工现场必须戴好安全帽,系好帽带,并正确使用个人劳动防护用品.3、严格执行操作规程,不得违章指挥和违章作业,对违章作业的指令有权拒绝并有责任制止他人违章作业。
4、施工作业时必须正确穿戴个人防护用品,进入施工现场必须戴安全帽。
不许私自用火,严禁酒后操作。
5、穿拖鞋、高跟鞋、赤脚或赤膊不准进入施工现场。
6、穿硬底鞋不得进行登高作业。
7、在高空、钢筋、结构上作业时,一定要穿防滑鞋.8、现场用电,一定要有专人管理,同时设专用配电箱,严禁乱接乱拉,采取用电挂牌制度,尤其杜绝违章作业,防止人身、线路,设备事故的发生。
9、电钻、电锤、电焊机等电动机具用电、配电箱必须要有漏电保护装置和良好的接地保护地线,所有电动机具和线缆必须定期检查,保证绝缘良好,使用电动机具时应穿绝缘鞋,戴绝缘手套。
10、工地施工照明用电,必须使用36伏以下安全电压,所有电器机具在不使用时,必须随时切断电源,防止烧坏设备.11、在用喷灯、电焊机以及必要生火的地方,要填写用火申请登记和设专人看管,随带消防器材等,保证消防措施的落实。
施焊时,特别注意检查下方有无易燃物,并做好相应的防护,用完后要检查,确认无火后再离开.12、未经安全教育培训合格不得上岗,非操作者严禁进入危险区域;特种作业必须持特种作业资格证上岗。
13、凡2m以上的高处作业无安全设施,必须系好安全带;安全带必须先挂牢后再作业。
14、高处作业材料和工具等物件不得上抛下掷.15、从事高空作业人员要定期体验。
凡患有高血压、心脏病、贫血症、癫痫病以及不适于高空作业的人员,不得从事高空作业。
塔式起重机附着验收表1. 概述本附着验收表适用于塔式起重机的附着验收,并针对附着过程的安全管理、操作要求以及附着后的检查与验收等环节进行详细说明,以确保塔式起重机在附着过程中的安全运行和经济效益。
2. 安全管理2.1. 人员管理在附着过程中,必须派出专人负责管理工作现场并指挥操作,在次要操作中不得妨碍塔式起重机的安全运行。
2.2. 安全教育所有参加附着作业的工作人员,必须通过培训和教育,熟悉附着要求、掌握安全技能,尤其是注意附着时所需要注意、责任等方面,从而保证作业的安全性。
2.3. 安全措施在进行附着作业之前,工作人员必须按照安全操作规程进行操作,并做好相应的防护工作。
如在安全带和安全绳上拴系好自己,检查附着斗、钩等附件是否齐全,并做好相应的防护措施。
3. 操作要求3.1. 操作程序及步骤1.附着前,由工作现场负责人和塔吊驾驶员确认附着位置、悬挂在钢丝绳上部的物品重量、距离、高度等参数。
2.提前对附件进行检查,并进行必要的维修和更换。
3.驾驶员正常开机后,按照程序进行附着作业,进行对起重机的动力、液压、润滑、机械等各方面的检查,确保无异常。
4.将铁塔卡在基台上,并调整卡口。
5.将引线拴在顶部,以保证附着的方向和力度正确。
6.将锚点与起重设备相连。
3.2. 安装规程及要求1.根据钢筋混凝土墙身强度及尺寸来选定附着工具和附着方法,并按要求进行结合。
2.钢筋混凝土墙身的深度应在附着用的杆件长度范围内,在长度允许条件下按深度选择。
3.制作用于塔式起重机于接近建筑物附着作业处规顶的杆件时,不宜使用木杆;制作人员应熟悉附着的位置和形式,以便进行正确的安装。
4.严格按照产品使用说明书进行安装,不得超过规定范围。
4. 附着后的检查与验收1.附着作业完成后,要对塔式起重机进行检查,确认是否稳定,并对锚点的固定和杆子的承坪点口臂等进行验收。
2.对附着部位进行找平、调整等工作,确保附着稳定并满足规定要求。
3.对附着工具、工作绳、吊钩、链条等进行清点和检查是否磨损、损坏等现象;再将起重机停稳后拆除吊缆和绳子。
工程名称:____________________ 设备名称:_________________ 型号规格:__________________ 安装单位:___________________ 使用单位:__________________ 项目经理: ________________
建筑起重机械安装拆卸前检查表(表二)
(一)塔式起重机安装前检查表
安装现场安装负责人(签字):年月日
单位
人员检查人员(签字):年月日检查结论:
拆卸现场拆卸负责人(签字):年月日单位
人员检查人员(签字):年月日检查结论:
建筑起重机械安全技术交底书
建筑起重机械安装自检验收表(一)塔式起重机安装自检验收表
验收内容检测人
静载试验1、超载25%静载试验吊钩处于最大幅度,起吊最大额定重量的1.25倍重物,离地150mm 持续时间10分钟,重物未下滑,钢结构未有永久变形,焊缝不开裂,起升机构制动可靠。
2、超载10%动载试验。
方法与额定载荷试验相同,起重量为,其启动、制动平稳、吊重不下滑。
A、力矩限制器的调整
1、吊重(不含吊钩重)调整上螺杆位
置,使吊重幅度为R报= (至回转
中心),限位开关动作,发出警报信号。
2、开回小车,至解除报警为止。
待整机稳定后,调整
下螺杆位置,使吊重幅度R断= ,限
位开关动作。
吊钩不能上升,小车不能向外变幅。
3、重复动作二次,检验其性能。
B、起重量限制器的调整
1、高速档(倍率a= __________ ;幅度R< _________
起吊重物并高速起升,然后调整螺杆与
开关,加重物______________ ,直至高速档不能起
升时,起重量Q高应在。
2、中速档(a= ;R< )起吊重物
_______ 并中速起升,然后调整螺杆与开关,加重
,直至中速档不能起升时,Q中应在
O
3、低速档(a= ;R< )起吊重物
并低速起升,然后调整螺杆与开关,加重物
_________ ,直至低速档不能起升时,Q低应在
__________________________ O
4、以上实验重复一次,所测的Q值应基本一致。
C、按要求调整其
它各种限位
器,动作应灵
敏可靠。
高度
限位
回转
限位
幅度
限位
行起
限位
D、检查安全溢流阀的开启压力
1、垂直度测试
2、接地电阻测
试。
安装单位自检意见:
自检负责人签字:
安装单位负责人: 安装班组长: 参加
验收人员签字安装单位安全员、机管员:
机长: 机组人员: 工地安全员: 施工单位: 项目部负责人:
(二)施工升降机安装自检验收表
建筑起重机械加节检验表(—)塔式起重机顶升检验表
(二)施工升降机加节检验表
建筑起重机械运转及交接班记录表
设备名称:塔式起重机年月
建筑起重机械总台帐表
机械名称: _________________________________ 型号规格: _________________________________ 产权单位: _________________________________
(一)建筑起重机械单机记录
检查人(2)
(二)建筑起重机械使用登记记录(每移位或者转移场地安装后,进行一次使用登记)
(二)安全保护装置定期检验、检修记录(安全保护装置每移位或者转移工地安装前进行一次检验)
(每移位或者转移工地前,将更换钢丝绳、安全装置等主要零部件情况记录一次)
(每移位或者转移工地前,将更换钢丝绳、安全装置等主要零部件情况记录一次)
检查人(2)。