混响室法测量声功率
- 格式:doc
- 大小:251.50 KB
- 文档页数:7
实验七混响室法测量声学材料吸声系数一、实验目的1.掌握混响时间的测量方法;2.掌握混响室法测量材料吸声系数的原理和方法。
二、实验要求1.正确理解混响时间的概念;2.基本掌握Pulse 3560C声振测量的基本功能及使用方法。
三、实验环境1.混响室2.被测材料:腈纶地毯,面积3×4㎡,厚2.5㎜3.BK声学测量平台9.04.自由场传声器BSWA型4个5.声级监视器HS62886.Pulse 3560C7.功率放大器BK27168.全指向性声源BK42969.通用计算机及M6k10.声级校准器4321四、实验内容、步骤1.实验内容:测量晴纶地毯的无规入射材料吸声系数。
测试系统如图5所示。
图7.1 混响室法吸声系数测量系统连接示意图2.实验原理:混响室测量吸声系数的原理是先测出空房间的混响时间T1,放入被测材料后再测出相应的混响时间T2,然后可通过公式(4)计算得到材料的吸声系数。
由声学理论可知,当混响室内被声源激励时,混响室内被激发出较多的简正振动方式,使室内建立稳定声场,该声场接近于扩散声场,建立稳态声场所需的时间大致与混响时间相同。
由赛宾公式可知,将吸声材料放入混响室前后,其等效吸声面积A 值与混响时间的关系可用下式表示:0 55.3VA -4m V c T=(1) 混响时间的长短和房间的吸声本领及其体积有关,因为前者决定了每次反射所吸收的声能,后者决定了每秒钟声波的反射次数。
所以在房间大小固定后,混响时间只与房间对声音的吸收本领有关,故吸声材料或吸声物体的吸声系数可在混响室里通过混响时间的测量来进行。
先测出没有放入声学材料时某频率的混响时间T 1,再测出放入声学材料时响应频率的混响时间T 2,则根据公式(1)可推出:() 2121221111A -A 55.3V --4m -m V c T c T ⎛⎫= ⎪⎝⎭(2)式中V 为混响室的体积,c 1、 c 2为两次测量时声速,m 1,m 2为两次测量时的声强吸收系数(由室内空气的吸收产生),如果两次测量时的室内温度及湿度相差很小,则c 1≈ c 2, 21m m ≈,于是(2)式可化简为:⎪⎪⎭⎫⎝⎛⎪⎪⎭⎫ ⎝⎛==12012111355T -T c V . - A A ΔA (3) 当试件是安装在房间地板、墙壁或天花板上的平面吸声体时,其面积与整个混响室表面积相比较小,再考虑到被试件覆盖的那部分吸声系数很小,所以有:s ΔAαS=⋅ (4)式中s α为试件无规入射的吸声系数,S 为表面积。
隔声量的测量方法概述下面内容主要是简单的介绍了一下目前常用的几种隔声量的测试方法,分别包括其测试原理原理、测试装置图及测试时所需要注意的问题,还分析了各种方法的利与弊。
主要包括如下几种测量方法:混响室法测隔声量、驻波管法测隔声量,其中在驻波管法测隔声量包含三传感器测量法和四传感器测量法。
1 混响室法测量隔声量1.1 混响室隔声量测量原理图 1-1 测量原理图使用两间紧邻的混响室,一件作声源室,另一间作接受室,两件之间有一个公共墙面,墙面上有一个安装洞孔,用于安装测量材料。
噪声发生器发出白噪声或者粉红噪声,经过滤波器滤波,滤除所需要的频段的信号,经过功率放大器放大信号,由扬声器将电信号转为声信号,在其中一间混响室内发出声波,待室内声场稳定后,由两间混响室内的传声器对室内声压进行测量,将声信号转化为电信号,再经过滤波器滤波出所需要频段的信号。
最后根据混响室隔声量的测量公式计算出所测材料的隔声量。
1.2 混响室隔声量测量要求进行隔声量测量的实验室的侧向传声必须受到抑制,否则无法确定所测得的隔声量能否代表构建本身。
两个混响室之间的传声途径共有两部分组成。
一部分是直接透过构件部分,如图1-2中的C,也就是我们希望用以表征构件隔声量的那一部分:另一部分有许多旁路,如图1-2中的A、B、D,他们都有四周的墙壁参与,统称为侧向传声。
后者在实验室测试设备中必须女里排除,或者尽量把他们抑制,知道对所要测试的参数产生不了大的影响为止。
图1-2 传声途径图所以,混响实验室的房间应符合下列要求:(1)在大的房间中,被激发的低频率较多,声场可较为扩散。
也就是说在同样精度要求下,测定频率可以低一些,但室内声程会较长,空气吸收引起的声场不均匀性依序考虑。
故体积大小应选择一个折中数值。
此外,声源室和接受室两个房间的容积和形状要求不完全相同,这是为了避免两室的简正频率通过实践振动方式的耦合而使隔声量降低。
因此,测试房间的体积不应小于50m3,两个房间的体积和形状不应完全相同,其体积相差不应小于10%。
水下复杂声源辐射声功率的混响法测量技术研究水下运动目标的声学特性是水声学的重要研究内容,且水下运动目标大多都结构复杂,包括各种类型的声源,如机械、水动力及螺旋桨声源等。
水下复杂声源的声学特性包括声功率、指向性及频谱特性等。
在海洋环境下,由于不太容易修正海底及海面反射的影响,因此准确测量水下复杂声源的辐射声功率及频谱特性是很困难的,更无法实现噪声源分离。
混响法是建筑声学中常用的测量声源辐射声功率的方法,国际上已建立了相应标准;混响法在水下应用较少,主要是因为一般水池壁面的反射系数低,较难形成理想混响场。
本文主要研究非理想混响场条件下(非消声水池中)水下复杂声源辐射声功率的混响法测量技术,通过理论分析,实验验证等证明在非理想混响场条件下采用混响法也可以较准确地测量水下复杂声源的辐射声功率。
本文首先分析非刚性壁面矩形非消声水池中的声场特性,采用格林函数法推导出指向性声源在非消声水池离声源较远区域(混响控制区)空间平均均方声压与声源辐射声功率的关系,同时对声源的叠加性进行了验证,建立了水下复杂声源的混响法理论公式;针对低频声源测量的边界影响问题,扩展了Waterhouse校正并提出不同边界的统计平均校正,解决了混响场中水下低频声源的测量问题。
其次,研究了空间平均测量技术,研究了是否空间平均、空间平均不同方式及声源是否平均对声源辐射声功率测量结果的影响。
再次,在非消声水池中对水下复杂声源进行实验研究,测量了球型等标准声源的辐射声功率;测量了两相干球(同相位及反相位)与活塞型声源等指向性声源的辐射声功率。
实验研究了不同尺度非消声水池的尺度效应特性。
最后,对水下声源辐射声功率测量的不确定度进行了分析。
测量及研究结果表明:空间平均范围越大效果越好,若同时对源进行空间平均效果更好;采用混响法测量的标准球型声源的辐射声功率与自由场测量结果之间相差不超过1dB;玻璃水箱(软边界)中声源低频段基于统计平均校正而得到的辐射声功率与自由场测量结果相差不超过1dB;两相干球型声源(同相位及反相位)的辐射声功率测量结果与理论值相差不超过1dB,活塞型声源的辐射声功率测量结果与自由场测量结果基本一致;两个小球同时工作的辐射声功率正好是每个小球单独工作的辐射声功率之和;非消声水池越大,测量的空间平均声压级、信噪比及Schroeder截止频率越低;水下声源辐射声功率测量的A类不确定度不超过1.5dB。
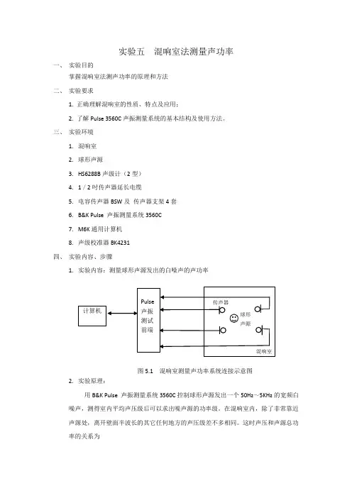
实验五混响室法测量声功率一、实验目的掌握混响室法测声功率的原理和方法二、实验要求1. 正确理解混响室的性质、特点及应用;2. 了解Pulse 3560C声振测量系统的基本结构及使用方法。
三、实验环境1.混响室2.球形声源3.HS6288B声级计(2型)4.1/2吋传声器延长电缆5.电容传声器BSW及传声器支架4套6.B&K Pulse 声振测量系统3560C7.M6K通用计算机8.声级校准器BK4231四、实验内容、步骤1.实验内容:测量球形声源发出的白噪声的声功率图5.1 混响室测量声功率系统连接示意图2.实验原理:用B&K Pulse 声振测量系统3560C控制球形声源发出一个50Hz~5KHz的宽频白噪声,测得室内平均声压级后可以求出噪声源的功率级。
在混响室内,除了非常靠近声源处,离开壁面半波长的其它任何地方的声压级差不多相同。
这时声压和声源总功率的关系为024c p S W A ρα=其声功率级为:1.6)lg(10-+=S L L p W α式中S α为室内总吸收量;p L 为室内平均声压级。
上式没有考虑空气吸收对高频声的影响,如作高频空气吸收修正,则可改写为:1.6)4lg(10-++=mV S L L p W αα2=m 为空气的声强吸声系数,测量时应该使用无规入射传声器。
传声器的位置离墙角和墙边至少43λ,离墙面至少4λ(λ是最低频率声波的波长);传声器不要太靠近声源,至少相距1米,平均声压级至少要在一个波长的空间内进行。
测量位置约3~8点,与噪声源频谱有关,如噪声源有离散频率,就需要更多的传声器测点。
混响室的总吸收量是通过测量混响时间来计算的,这时噪声源声功率用下式计算1481lg 10lg10-⎪⎭⎫ ⎝⎛+++=V S T V L L p W λ 式中V 为混响室体积(m 3);T 为混响时间(s);λ为相应于测试频带中心频率的声波波长(m);S 为混响室内表面的总面积(m 2);p L 为平均声压级。
1、混响室的体积应大于200立方米。
注:对于已有的体积小于200立方米的混响室,其下限频率应按下式确定:式中f——混响室的下限频率(赫);v——混响室体积(m3)。
2、混响室的形状可选择矩形或由不平行以及不规则界面组成的其他形状。
房间的诸尺寸中不应有两个是相等的,亦不应成整数比。
室内最大线度(lmax)不应大于1.9V1/3(对于矩形房间,最大线度即为主对角线)。
3、混响室应采取有效的扩散措施使其衰变声场达到足够地扩散。
无论房间的形状如何,宜采用悬挂或固定墙面扩散体或旋转扩散体。
悬挂扩散体的数量及规格可按附录二确定。
用旋转扩散体或固定扩散体时,也应达到悬挂扩散体同样的效果。
4、体积为200立方米的混响室,在未装入试件时,各频段的吸声量应小于表2.1.4中的数值。
各频段的吸声量表2.1.45、混响室空室吸声量的频率特性应为平滑的没有明显的峰或谷的曲线(即:任何一个1/3倍频程的吸声量与其相邻的两个1/3倍频程的吸声量的平均值之差不应大于15%)。
6、条混响时间的测量应对以下中心频率的1/3倍频程序列进行测量:表7、混响时间的测量应至少有三个传声器的测点,每个测点之间的距离应大于所测频段最低中心频率的波长(λ)的1/2。
每个传声器测点都应远离声源、被测试件和边界面(包括扩散板),这些距离的最小值应分别为:2米、1米、1米。
8、用于计算混响时间的衰变曲线,应在稳态声级以下5~25分贝范围内成直线性。
混响时间应为该线段之平均斜率。
所取线段的底端应比背景噪声至少高15分贝,并应注意不要过分延伸20分贝的直线性范围至非直线性部分。
9、按直线性的衰变曲线来处理的折线形衰变曲线时,应满足以下条件:每一段不应小于10分贝;将每段延长后各自量得的斜率的差不应大于10%。
不符合要求的衰变曲线应从计算中排除。
10、每一个1/3倍频程的混响时间应由每一个传声器或扬声器位置的每一次激发的所得结果求得算术平均值。
空室的混响时间(T60-1)和放入材料后的混响时间(T60-2)都应计算到小数点两位。
AA■A-A■55.3V2121■■3|L/cSITT21 公式(7-1) 公式(7-2)实验七混响室法测量声学材料吸声系数一、实验目的1、掌握混响时间的测量方法;2、掌握混响室法测量材料吸声系数的原理和方法。
二、实验要求1、正确理解混响时间的概念;2、基本掌握Pulse3560c声振测量的基本功能及使用方法。
三、实验环境1、混响室2、被测材料:晴纶地毯,面积3X4m2,厚2.5mm3、BK声学测量平台9.04、自由场传声器BSWA型4个5、声级监视器HS62886、Pulse3560c7、功率放大器BK27168、全指向性声源BK42969、通用计算机及M6k10、声级校准器4321四、实验内容及步骤1、测量晴纶地毯的无规入射材料吸声系数。
测试系统如图1所示。
2、测量步骤:(1)、测量空室的顺向时间T1;(2)、放入被测材料,测量有吸声材料时的混响时间T2;(3)、数据记录完毕,测量出混响室的几何尺寸,根据公式(7-1)、(7-2)按1/3倍频程计算相应的吸声系数。
图1混响室法吸声系数测量系统连接示意五、实验结果1、按1/3倍频程给出空室中的混响时间。
2、按1/3倍频程给出铺上吸声材料后的混响时间。
3、按1/3倍频程给出所测材料吸声系数■s图示如下:分析:由上图可知,材料在高频段的吸声系数较高,即材料对高频段的吸声效果比低频段的吸声效果显著。
(以上所有计算由matlab完成,程序见附录)六、实验注意事项1、实验中传声器装夹及支架移动时,要特别注意,谨防电缆会牵动支架倒地将传声器摔坏;2、混响测量声级较高,注意每次测试时要将功放的增益旋至最小,以免使声源受到冲击。
七、讨论思考题问:试分析混响室法测量材料吸声系数的优缺点。
答:1、混响室法测量材料吸声系数优点:(1)、能够测量吸声材料在扩散场中的吸声系数,接近实际使用情况。
(2)、不存在管测法只能测量垂直入射时的局限性。
2、混响室法测量材料吸声系数缺点:(1)、材料面积大,有时会安装不方便。
混响时间及测量方法简介一、引言混响时间不仅在音质评价方面,而且在材料声学性能的测试、噪声控制等许多领域都是最基本的参数,一直是被公认的、具有明确概念的、与主观感受良好相关的客观参数。
适度的混响,可以明显的改善声音质量,改变音乐的音色和风格。
我们已经知道,室内的声波遇到四周墙面以及地面和顶棚会产生反射,而这种反射过程是往复多次的。
如果这些反射声在直达声到达听者50ms 后仍多次反射而继续存在,直到一段时间后才衰减消失,听起来有一种余音不绝的感觉。
这种过程与现象称为混响,即交混回响之意。
声学家赛宾通过研究后提出:当声源停止发声后,残余的声能在室内往复反射,经吸收衰减,其声能密度下降为原来值的百万分之一所需要的时间,或者说,室内声能密度衰减60dB所需要的时间称为混响时间,其计算公式如下:(1)式中,T为混响时间,单位为秒;V为房间容积,单位为立方米;是房间内所有表面材料的平均吸声系数;S是室内总表面积,单位是平方米;从上面公式可见,当一座厅堂容积V 已经确定时,通过选取不同吸声系数的内表面材料,可以控制房间的总吸声量,进而控制房间的混响时间。
二、混响时间测量方法及相关测试仪器综述混响时间的测量方法主要有稳态噪声切断法、脉冲响应积分法,最近不少仪器还可以使用MLS最大长度序列数法测量脉冲响应。
1、稳态噪声切断法稳态噪声切断法是最常见的,使用起来也最方便,它先在房间内用声源建立一个稳定的声场,然后使声源突然停止发声,用传声器监视室内声压级的衰变,同时记录衰变曲线,最后从衰变曲线计算声压级下降60dB的时间而测得混响时间。
但这种方法有一个缺点就是声衰变严重地受到无规过程中不可避免的瞬时起伏的影响,所以对相同的声源和传声器点必须测量多次进行平均。
其测量原理图如图1所示,图1 稳态噪声切断法测量混响时间原理图稳态噪声切断法测量混响时间测得的响应和声压级衰变曲线如图2、图3所示:图2 使用稳态噪声切断法在混响室中测得的响应图3 稳态噪声切断法测量混响时间得到的声压级衰变曲线使用切断噪声法测量混响时间的有B&K 2260D(配7204软件)、B&K 4417/4418型建筑声学分析仪、杭州爱华AWA6290A、嘉兴红声HS5660X、北京恒智的RT1、Norsonic的RTA 840(配Ctrl-SIC与 Nor-SIC软件),法国的01dB等。
混响室法测量声学材料吸声系数混响室法是一种常用的测量声学材料吸声系数的方法。
其原理是通过在一个具有已知吸声特性的混响室中测量材料的声学参数,从而确定材料的吸声性能。
以下是对混响室法的详细介绍。
混响室法是一种间接测量声学材料吸声系数的方法。
通过在声学实验室中建立一个可控的声学环境,可以在室内测量声音的传播和反射情况,从而获得材料的吸声性能。
混响室是一种特殊设计的实验室,它能够提供具有一定混响特性的声学环境。
在混响室中,声音在室内壁面之间的多次反射和散射导致声音的混响延迟。
该混响特性可以通过测量声学参数来确定。
测量吸声系数的步骤如下:1.设计混响室:混响室的设计需要考虑到室内材料的反射特性和吸声特性。
一般来说,室内壁面要使用反射较低的材料,以减少杂散反射。
室内壁面还要使用具有一定吸声性能的材料,以保证混响室的特定混响时间。
2.测量基准材料的声学参数:为了准确地测量待测材料的吸声性能,需要先测量一种已知吸声性能的基准材料。
基准材料可以是已经被广泛研究和认可的材料,其吸声系数值已知。
3.放置待测材料:将待测材料按照所需的吸声频率范围放置在混响室的特定位置。
通常,材料会以板状被放置在壁面上。
4.播放声音:在混响室中播放一系列频率的声音信号。
此时,声音信号会经过混响室内的多次反射和散射,通过材料壁面的吸声和反射来推导材料的吸声性能。
5.测量声音:用麦克风阵列在混响室内测量声音的传播和反射情况。
麦克风阵列通常包含多个麦克风,可以在室内多个位置同时测量声音。
通过分析测量得到的声音数据,可以获得材料的吸声系数。
6.分析数据:通过分析测量数据,可以计算出材料在不同频率下的吸声系数。
这些数据可以用来评估材料的吸声性能,以及在不同频率下的吸声特性。
混响室法的优点是可以提供比较准确和可重复的结果。
它可以测量材料在不同频率范围内的吸声性能,并且可以提供更全面的信息。
然而,混响室法也有一些限制,例如需要专门设计的混响室和复杂的测量设备,以及对声波衰减的较大要求。
《环境噪声控制工程》复习题及参考答案一、名词解释1、噪声:人们不需要的声音(或振幅和频率紊乱、断续或统计上无规则的声音)。
2、声功率:单位时间内声源向周围发出的总能量。
3、耦合已连续a声级:全幅在相同的时间间隔t内与不能平衡噪声能量成正比的已连续平衡噪声的a计权声级。
4、透声系数:透射声功率和入射声功率的比值。
5、消声器的填入损失:声源与测点之间填入消声器前后,在某一紧固测点税金的声压级的差值。
6、再生制动量:在消声器进口端的测出的平均值声压级与出口端的测出的平均值声压级的差值。
7、膨胀量:在消声器地下通道内沿轴向两点间的声压级的差值。
8、吸声量:材料的吸声系数与其吸声面积的乘积,又称等效吸声面积。
10、响度:与主观感觉的轻响程度成正比的参量为响度,符号为n,单位为宋(sone)。
11、再造噪声:气流与消声器内壁摩擦产生的额外噪声。
12、混响声场:经过房间壁面一次或多次反射后达到受声点的反射声形成的声场。
13、噪声污染:声音超过允许的程度,对周围环境造成的不良的影响。
14、声能密度:声场内单位体积媒质所含的声能量。
15、声强:单位时间内,旋转轴声波传播方向的单位面积上所通过的声能。
16、电磁波波:具备相同频率和恒定相位差的声波称作电磁波波。
17、不相干波:频率不同和相互之间不存在恒定相位差,或是两者兼有的声波。
18、频谱:频率分布曲线,繁杂震荡水解为振幅相同的谐振南宫,这些谐振南宫的幅值按频率排序的图形叫做频谱。
19、频谱图:以频率为横坐标,声压级为纵坐标,绘制出的图形。
20、吸声系数:材料吸收声能(包括透射声能)与入射声能之比。
21、级:对被量度的量与基准量的比值谋对数,这个对数被称作被量度的级。
pp2?522、声压级:lp=10lg2=20lg(db)(基准声压p0取值2?10pa)p0p023、声强级:li=10lgi2?12(db)(基准声强i0取值10w/m)i0w?12(db)(基准声功率w0取值10w)w024、声功率级:lw=10lg25、响度级:当某一频率的纯音和1000hz的纯音听到出来同样时,这时1000hz纯音的声压级就定义为该未定纯音的响度级。
固定点源声功率测量声源的声功率是衡量声源每秒辐射的总声能的量。
测量声功率有三种方法:混响室法,消声室或半消声室法,现场法。
● 混响室法混响室是一间体积比较大(>180m 3),隔声隔振良好,六个壁面坚实光滑,在测量的声音频率范围内反射系数大于98%的全封闭房间。
由于在封闭房间内离源r 处的声压级约为:⎥⎦⎤⎢⎣⎡++=R r Q L L W P 44lg 102π 式中,Q 为声源指向性因数,当声源位于中央(空中)、某一壁面中央、两壁交线、三壁交角时,Q 分别为1、2、4、8;R 为房间常数,a a S R -=1,S 为混响室内总面积,a 则是其平均吸声系数。
当r 足够大,使得Rr Q 442<<π时,上式括号中第一项可略去。
在混响室中,只要离开声源一定距离,使得声压级不再随r 的增大而明显减少时,就可认为符合要求。
在各个位置测得几个混响声压级(由于声场并不能做到完全均匀),求平均值。
可由下式求得声源的声功率级:⎪⎭⎫ ⎝⎛-=R L L P W 4lg 10 ● 消声室或半消声室法内壁面装有吸声系数很高(吸声系数在测量频率范围内大于98%)的材料的封闭大房间称为消声室,若地面是坚实反射面的则称为半消声室。
注意,对于半消声室,声源须直接置于地面上。
声波在消声室内传播和在露天的自由空间传播一样,所以消声室内声场模仿为自由声场。
而自由声场中的声功率级与声压级的关系式:⎪⎪⎭⎫ ⎝⎛++=c W P S L L P W ρ020lg lg 10L P 是面积为S 的声源包络面上测得的平均声压级。
在空气中,上式最后一项近似为0,所以L W ≈L P +10lgS 。
只需对声源假想一个包络面,测出这个包络面上各点的声压级并取平均值,算出包络面的面积,就可由此式算得声源的声功率级。
● 现场测量法不搬运声源,在车间中直接测量声源噪声,称为现场测量法。
现场测量法又分为直接法和比较法。
1. 直接法直接法也是采取测量声源包络面上平均声压级L P 和包络面面积S 的方法来确定声源声功率级,但是因为车间壁面不消声,车间内不是自由声场,所以不能忽略混响声的作用。
混响时间与声压的测量及互功率谱分析1教学目的1)通过混响室混响时间的测量掌握声学测量的基本实验原理,了解实验仪器。
2)测量混响室不同位置的声压信号并进行互功率谱分析,了解互功率谱分析方法在解决工程问题中的应用。
2相关理论混响室:能使声波尽可能扩散且混响时间足够长的房间。
声能量在混响室中不同位置基本相同,声能量的衰减也基本相同。
混响时间:声源停止发声后,在声场中还存在着来自各个界面的迟到的反射声形成的声音“残留”现象。
这种残留现象的长短以混响时间来表征。
混响时间公认的定义是:声能密度降为原来的1/10^-6时所需的时间,相当于声压级衰变60分贝。
混响时间是声学设计中声能定量估算的重要评价指标。
适合电影放映的混响时间一般不超过0.8秒,适合音乐厅的混响时间一般是1.5秒,上海音乐厅达到了这个指标。
声压:有声波存在时,媒质中的压力与静压的差值。
互相关函数:两个各态历经过程的随机信号x(t) 和y(t)的互相关函数定义为:()()()1lim TxyTR x t y t dtTττ→=+⎰。
互相关函数应用:确定深埋在地下的输油管裂损位置的例子。
漏损处视为向两侧传播声响的生源,在两侧管道上分别放置传感器1和2,因为传感器的两点距漏损处不等远,则漏油的音响传至两传感器就有时差,在互相关图中对应最大值处为时间差,以此时间差可确定漏损处位置。
互谱密度函数是互相关函数的傅里叶变换,可以在频域中分析数据。
3声学实验声学实验仪器连接原理,如图(1)图1 声学实验仪器连接原理1、参阅有混响时间测量的国家标准与实验目的布置传声器的位置。
2、按照原理图与操作规范连接仪器。
3、标定传声器4、完成实验数据采集和混响时间计算。
4实验结论1、混响室内不同频率的混响时间不同,频率越高混响时间越短。
2、互相关分函数广泛应用于各种测试中。
环境噪声控制工程温习重点一、概念1 噪声:指人们不需要的声音。
2 噪声污染:当声音超过人们生活和社会活动所允许的程度时就成为噪音污染。
3 声:由物体振动引发的,物体振动通过媒质。
4 声压:通常常利用p 来表示压强的起伏转变量,即与静态压强的差p=(P –P 0),称为声压。
5 相位:是指在时刻t 某一质点的振动情况。
6 声能量:声波在媒质中传播,一方面使媒质质点在平衡位置周围往复振动,产生动能;另一方面又使媒质质点产生了紧缩和膨胀的疏密进程,使媒质具有形变的势能。
这两部份能量之和就是由声扰动使媒质取得的声能量。
7 声密度:声场内单位体积媒质所含的声能量称为声密度,记为D,单位J/m 38 声强:是指瞬时声强在一按时间T 内的平均值。
符号为I ,单位为W/m 29 相干波:具有相同频率,相同振动方向和恒定相位差的声波称为相干波。
10 不相干波:在一般的噪声问题中常碰到多个声波,或频率不同,或彼此之间并非存在固定的相位差,或是二者兼有,也就是说这些声波是互不相干的。
11 频谱:就是频率散布曲线,复杂振荡分解为振幅不同的谐振荡,这些谐振荡的幅值按频率排列的图形叫频谱。
频谱图:以频率f 为横轴,以声压p 为纵轴,则可绘作声音的频谱图。
12 吸声系数:将入射声能在界面上失去的声能与入射声能之比称为吸声系数符号为α,α=1–|r p |213 级:对被量度的量与基准量的比值求对数,这个对数被称为被量度的级14 声压级:声压级常常利用p L 表示,概念p L =lg 202p p (B)=20lg 0p p (dB) ( 基准声强0I 和基准声压0p 别离取1210-W/m 2和2510-⨯Pa )15声强级:常常利用I L 表示,I L =10lg 0I I (dB)【声强级和声压级的关系:I L =10lg 202p p +10lg c 0400ρ=p L +10lg c 0400ρ 两个声源一路影响下的声压级为p L =10lg(10L +10L ) 】16功率级:常常利用w L 表示,概念为w L =10lg 0W W (dB) 17 响度级:当某一频率的纯音和1000Hz 的纯音听起来一样时,这时1000Hz 纯音的声压级就概念为该待定纯音的响度级。
噪声源声功率级的测定特点
噪声源声功率级的测定特点如下:
1、声功率是噪声源自身固有特性的物理量。
知道了声功率就可以估算出噪声源在任何声学环境中的辐射声压级。
2、声功率级是声功率与基准声功率之比的以10为底的对数乘以10,以分贝计。
基准声功率必须指明,其数字表示式为Lw=10lg(W/Wo),常用基准声功率Wo为10-12W。
3、测量方法分为精密级、工程级和普查(概测)级。
精密级的测量要在合格的消声室或混响室中进行。
工程级的测量可在户外自由空间或在大房间中近乎满足半自由场的区域进行。
普查级的测量对环境没有限制,测量标准偏差最多可达5dB。
4、近年来发展出一种通过测量声强而得到声功率的方法,称为声强法。
这要使用专门设计的声强计。
声强法不需要混响室或消声室,可以在现场测量,而且能在背景噪声的条件下测定声功率。
实验七混响室法测量声学材料吸声系数混响室法是一种常用的方法,用于测量声学材料的吸声系数。
它基于在一个混响室中进行声学测量的原理,通过测量材料表面反射声波与材料吸收声波的差异来计算吸声系数。
混响室法的实验装置包括一个具有统一尺寸的混响室和一个声源。
混响室必须符合一定的要求,以确保声波在内部多次反射后才能达到均匀混响的状态。
混响室的内部墙壁必须是反射率非常高的材料,以保持声波的均匀反射。
通常,混响室的墙壁使用高吸声材料,如厚重的吸音板,以减少材料的反射。
在实验中,声源被放置在混响室的中心位置,并通过设备控制产生声波。
通过调整声源的音量、频率和时间参数,可以在混响室中产生完整的声场。
这些声场包含了直达声、一次反射声、多次反射声和绕射声等声波成分。
在混响室法中,实验者需要测量两个值:未覆盖材料的声压级和覆盖材料后的声压级。
未覆盖材料的声压级可以在混响室法实验前进行测量,以获得一个基准值。
覆盖材料后的声压级在实验中通过调整材料的覆盖程度来测量。
为了测量声压级,实验者需要使用一个声压级仪,它通常由一个麦克风和一个显示器组成。
麦克风用于接收声波,并将其转换为电信号。
然后,电信号经过放大和处理后,可以在显示器上读取声压级的数值。
实验者将麦克风放置在混响室内,分别在未覆盖材料和覆盖材料后的位置进行测量。
通过比较未覆盖材料和覆盖材料后的声压级,我们可以计算出声学材料的吸声系数。
吸声系数是一个范围在0到1之间的值,表示材料对声波的吸收能力。
一个吸声系数为1的材料完全吸收声波,而一个吸声系数为0的材料完全反射声波。
为了得到材料的吸声系数,我们使用以下公式进行计算:α = 1 - 10 * log10(P_1 / P_2)其中,α表示吸声系数,P_1表示覆盖材料后的声压级,P_2表示未覆盖材料的声压级。
最后,需要进行多次测量,以保证结果的准确性和可靠性。
实验者应该对不同频率的声波进行测量,并记录各个频率下的吸声系数。
同时,还应该对不同厚度和覆盖度的材料进行测量,以了解吸声系数与这些因素之间的关系。
试验三 混响室法测吸声系数一.实验目的:1. 利用混响室法感知一下混响时间的长短。
2. 利用混响时间与吸声量的关系,测得吸声材料的吸声系数。
二.实验设备:1.混响室:在一个混响时间较长的空室内,安放吸声材料。
可模拟实际情况来安装被测材料,或测单个吸声体如家具设备或专门设计的空间吸声体的等效吸声量,混响室法的关键是测量混响时间。
当声源停止发生后,声音衰减60分贝所需要的时间,平均吸声系数∂接近零的房间称为混响室。
从赛宾公式可得知:∂=T S KV0 混响时间与吸声量有一定关系,混响室各表面吸声系数很小且一致,混响时间较长,要求室内具有均匀扩散的声场。
根据“混响室测量吸声系数”的国际标准ISO-R354(1963E ),要求混响室的容积应大于1802m 。
2.声源设备:NOR-121建声源,声频功放,十二体传声器。
3.测量设备:AWA6270型声级计。
请详细预习AWA6270型声级计使用测试方法。
三.测量方法:1.测空室混响时间:(1)先测出混响室空室的各频率的混响时间。
(混响室空室的各频率的混响时间)如下表所示:(2)将所测试的材料放到混响室后,再分别测各频率的混响时间。
混响室内各表面的吸声系数很小而且一致,空混响时间很长,由于它有一个均应扩散的声场。
所以可用赛宾公式计算混响时间。
(可测量得到)(3)混响室:L=8m W=6.6m H=3.7m ;试件总面积为122m 。
(4)吸声系数计算公式:∂=T S V16.0空 S —房屋总内表面积∂—混响室各表面一样的吸声系数2.放入吸声材料的混响时间:当放入面积为ρS 的吸声材料后,混响室的混响时间变短了,新的混响时间试T 可用下式来求:()ρρρ∂+∂-=T S S S V16.0试()()∂-∂+∂=ρρS S V 16.0 ρ∂—材料试件的吸声系数。
从前后两个混响时间差别中可以导出材料试件的吸声系数ρ∂。
∂+⎪⎪⎭⎫ ⎝⎛-=∂空试T T S V1116.0ρρ 当混响室表面的∂极小,或相对于所测材料ρ∂来说非常小时,可略去∂一项。
室内环境吸音测试方法English Answer:1. Sound Pressure Level (SPL) Measurement:This method involves measuring the sound pressure level (SPL) at various locations within the room. The sound source is typically a loudspeaker emitting pink or white noise. SPL measurements are taken using a sound level meter or analyzer. The decay time, which is the time taken for the sound pressure level to decrease by 60 dB after the sound source is turned off, is calculated from these measurements.2. Reverberation Time (RT60) Measurement:This method measures the time it takes for the sound pressure level to decrease by 60 dB after the sound source is turned off. The sound source is typically a loudspeaker emitting a broadband signal. RT60 is calculated byaveraging the decay times measured at multiple locations within the room.3. Sound Absorption Coefficient Measurement:This method measures the sound absorption coefficient of materials used in the room. The material is placed in a reverberation chamber, and the sound absorption coefficient is calculated from the difference in the reverberation time with and without the material.4. Articulation Loss (AL) Measurement:This method measures the ability of a room to transmit speech clearly. The sound source is typically a loudspeaker emitting a speech signal. The AL is calculated by comparing the speech intelligibility at two different locationswithin the room.5. Sound Power Measurement:This method measures the sound power radiated by asound source in the room. The sound source is placed in a reverberation chamber, and the sound power is calculated from the sound pressure level measurements.Chinese Answer:室内环境吸音测试方法。
实验五混响室法测量声功率
一、实验目的
掌握混响室法测声功率的原理和方法
二、实验要求
1. 正确理解混响室的性质、特点及应用;
2. 了解Pulse 3560C声振测量系统的基本结构及使用方法。
三、实验环境
1.混响室
2.球形声源
3.HS6288B声级计(2型)
4.1/2吋传声器延长电缆
5.电容传声器BSW及传声器支架4套
6.B&K Pulse 声振测量系统3560C
7.M6K通用计算机
8.声级校准器BK4231
四、实验内容、步骤
1.实验内容:测量球形声源发出的白噪声的声功率
图5.1 混响室测量声功率系统连接示意图
2.实验原理:
用B&K Pulse 声振测量系统3560C控制球形声源发出一个50Hz~5KHz的宽频白噪声,测得室内平均声压级后可以求出噪声源的功率级。
在混响室内,除了非常靠近声源处,离开壁面半波长的其它任何地方的声压级差不多相同。
这时声压和声源总功率的关系为
02
4c p S W A ρα=
其声功率级为:
1.6)lg(10-+=S L L p W α
式中S α为室内总吸收量;p L 为室内平均声压级。
上式没有考虑空气吸收对高频声的影响,如作高频空气吸收修正,则可改写为:
1.6)4lg(10-++=mV S L L p W α
α2=m 为空气的声强吸声系数,测量时应该使用无规入射传声器。
传声器的位
置离墙角和墙边至少43λ,离墙面至少4λ(λ是最低频率声波的波长);传声器不要太靠近声源,至少相距1米,平均声压级至少要在一个波长的空间内进行。
测量位置约3~8点,与噪声源频谱有关,如噪声源有离散频率,就需要更多的传声器测点。
混响室的总吸收量是通过测量混响时间来计算的,这时噪声源声功率用下式计算
1481lg 10lg
10-⎪⎭
⎫
⎝⎛+++=V S T V L L p W λ 式中V 为混响室体积(m 3);T 为混响时间(s);λ为相应于测试频带中心频率的声波波长
(m);S 为混响室内表面的总面积(m 2);p L 为平均声压级。
3. 实验步骤:
(1) 混响时间测量
a. 按图5.2搭建测量系统,当采用PULSE3560C 采集前端时,采集传声器可 用1~4个,实验中使用声望公司的BSWA 型自由场传声器(内部带有前置放大器),对应于PULSE3560前端的4路输入通道,并应用相应的4通道混响时间测量软件;传声器用双BNC 电缆与前端相连,用传声器支架夹持(用海绵或软棉布将传声器裹进夹在支架夹子上),并在混响室进行合理的空间分布在。
图5.2 混响室测量声功率系统连接示意图
b.用BK4296全指向性声源作为激励源,使用连接时用专用驱动电缆与功率
放大器BK2716对应的输出端相连,功放的输入连至3560前端输出端口1 。
c.检查各设备的连线确认无误后,将功放2716的增益开关放置最低档,关
闭混响室房门,打开计算机、功放及3560前端电源,在PULSE应用软件菜单中,启动4通道声源中断法混响时间测量软件。
d.设置好自动量程后,用程序产生一个白噪声激励,在混响室产生高声级(约
100dB)的扩散场,然后切断声源测量其衰减曲线,即可计算出混响时间。
此方法在PULSE应用程序里有一个测量模板,可直接给出1/3倍频程的混
响时间数据表(柱状图)
(2)测量平均声压级
a.按图5.1连接系统,被测声源以正常安装方式置于混响室中相对于边界面
的一个或多个典型安装位置,如果不另外规定特殊的位置,声源置于地面离任何墙面至少1.5米,如果必须有两个或多个源的位置,则不同位置之间的距离应等于或大于相应于测量的最低中心频率的半波长。
在混响室为矩形地面情况下,声源应置于地面上不对称的位置。
b.打开BK声学测量软件平台,建立一个声压测量模板,在配置管理器中加
入添加各通道传声器,并进行相应的测量设置,点击SET-UP,在声压测量组插入CPB(FFT)分析器,并向分析器添加信号组;单击分析仪,在其Setup 界面,设置分析仪属性,选择1/3倍频程分析器,频率范围一般定为50H z~16KHz,平均方式可选为线性方式,平均时间选为10秒,频谱菜单中选中声压谱。
c.激活测量模板按钮(或按F2键)之后,打开Level Meter级值计,来检测
输入信号当前的大小,选择合适的量程可提高测量信噪比。
d.在函数管理器中插入所测信号的声压谱函数,双击该函数,可观察到相应
的声压谱图(未测量时无数据)。
e.传声器校准,可用声压校准器分别对各个传声器进行常规校准。
校准时打
开校准器开关,点击校准大师按钮即可进行。
f.模板设置及校准完成后,即可按图2所示进行测量,打开电钻开关,关闭
混响室门,点击测量开始按钮,平均10秒钟后即可记录一组数据,为了获得更好的空间平均,可改变传声器的位置,再进行测量,将各传声器的各次测量
的声压级按1/3倍频带进行平均,即可得到所需的平均声压级。
g. 测量混响室的几何尺寸,按公式(5.4)计算各频带声功率级,并按式下 式计算声功率总级。
0.1110lg 10Wi N L W i L =⎛⎫
= ⎪⎝⎭
∑
式中N 为频带数,Wi L 是第i 个频带的声功率级。
五、 实验结果
1. 混响室的混响时间(按1/3倍频程给出);
2.混响室各测点的声压级平均值(按1/3倍频程给出);
3.画出声功率与频率的关系图(按1/3倍频程给出),并给出声功率总级值。
各频段的声功率级为
由公式0.1110lg 10Wi N L W i L =⎛⎫
= ⎪⎝⎭
∑求得声功率总级为。
六、 讨论思考题
试分析混响法测量声功率和自由场法测量的区别,那种方法测量精度更高? 实验环境:混响法测量声功率是在混响室里进行的;而自由场法测量声功率是在消声
室(半消声室)内进行的。
实验原理:混响法测量声功率是利用混响场声压和声功率的关系0
02
4c p S W A ρα=来测
量计算声功率的;而自由场法测量声功率是利用,自由场内声压级近似于声强级相等
,进而推出声功率公式S L L p W lg 10+=。
整体而言,自由场法测量声功率测量精度更高一些。