轧钢生产仿真实训系统使用说明
- 格式:doc
- 大小:10.15 MB
- 文档页数:77
一、实训背景随着我国经济的快速发展,钢铁行业在我国国民经济中占有举足轻重的地位。
为了提高我国钢铁行业的竞争力,培养具备实际操作能力和创新精神的高素质人才,我们开展了仿真炼钢实训。
本次实训旨在让学生了解炼钢工艺流程,掌握炼钢设备操作技能,提高学生对钢铁行业的认识。
二、实训目的1. 使学生了解炼钢工艺流程,掌握炼钢设备操作技能;2. 培养学生的团队合作精神和实践创新能力;3. 提高学生对钢铁行业的认识,为将来从事相关工作打下基础。
三、实训内容1. 炼钢工艺流程学习(1)原料准备:铁矿石、焦炭、石灰石等;(2)高炉炼铁:将原料在高温下还原成铁水;(3)炼钢:将铁水与废钢、合金等原料在转炉中精炼;(4)连铸:将精炼后的钢水浇注成钢坯;(5)轧钢:将钢坯轧制成不同规格的钢材。
2. 炼钢设备操作技能培训(1)高炉操作:学习高炉炉顶吹煤、炉内布料等操作;(2)转炉操作:学习转炉加料、吹氧、调温等操作;(3)连铸操作:学习连铸机操作、钢水浇注、钢坯冷却等操作;(4)轧钢操作:学习轧钢机操作、轧制工艺等操作。
3. 仿真炼钢实验(1)建立仿真炼钢系统:利用仿真软件模拟炼钢过程,包括原料准备、高炉炼铁、炼钢、连铸、轧钢等环节;(2)设置实验参数:根据实际生产需求,设置仿真实验的各项参数;(3)进行仿真实验:启动仿真系统,观察实验过程,分析实验结果;(4)实验结果分析:对实验数据进行整理、分析,总结实验经验。
四、实训过程1. 实训前期准备:收集相关资料,了解炼钢工艺流程,熟悉炼钢设备;2. 理论学习:参加炼钢工艺、设备操作等理论课程,掌握相关理论知识;3. 实操培训:在专业教师的指导下,进行高炉、转炉、连铸、轧钢等设备的实际操作;4. 仿真实验:利用仿真软件进行实验,分析实验结果,总结经验。
五、实训成果1. 学生掌握了炼钢工艺流程,熟悉了炼钢设备操作;2. 学生培养了团队合作精神和实践创新能力;3. 学生对钢铁行业有了更深入的认识,为将来从事相关工作打下了基础。
炼钢生产实训仿真实验一、实验目的与要求我过是一个钢铁大国,而炼钢过程又是一个复杂的操作控制过程。
目前我国钢铁企业炼钢过程主要以手动操作为主,但是由于受设备、场地、经费等硬件的限制,许多现场培训都无法进行,而且真实操作往往会带来各种危险。
因此,通过仿真实训,使学生置虚拟环境中,可以放心地去做各种危险的实验。
通过利用虚拟炼钢系统,学生足不出户便可以做各种操作,获得与真实一样的体会。
通过该实验要求学生掌握:1.熟悉炼钢过程工艺流程;2.掌握铁水预处理操作技能;3.掌握转炉操作技能;4.掌握LF精炼炉操作技能;5.掌握连铸操作技能。
二、实验原理仿真虚拟现实是综合利用计算机图形学、光电成像技术、传感技术、计算机仿真、人工智能等多种技术,创建一个逼真的、具有视、听、触、嗅、味等多种感知的计算机系统。
人们借助各种交互设备沉浸于虚拟环境之中,与虚拟环境中的实体进行交互,产生等同于真实物理环境的体验和感受。
近年来,在虚拟现实的基础上又发展出增强现实(或称混合现实)技术,通过跟踪用户的位置和姿态,把计算机生成的虚拟物体或其它信息准确地叠加到真实场景的制定位置,实现虚实结合、实时互动的新体验。
三、系统功能及特性简1.炼钢生产仿真实训系统配合声音、图像、动画及互动视景设备,培养学员在实际操作转炉前,熟练掌握转炉操作技能及熟悉铁水预处理工艺流程。
通过反复练习铁水预处理模拟操作,缩短了培训时间,从而有效的弥补了真机无法真实操作、实际操作铁水预处理时容易出现事故等缺陷,达到熟能生巧的目的,提高了培训效率。
2.利用炼钢生产仿真实训系统,根据所要培训的内容进行相应的虚拟处理,学生无论是在知识学习、能力创新,还是在经验积累、技能训练等都可收到意想不到的效果。
在知识学习方面,它可以再现实际工作中无法观察到的设备现象或设备动作的变化过程,为学生提供生动、逼真的感性学习材料,帮助学生解决学习中的知识难点,使抽象的概念、理论直观化和形象化。
【生产管理】轧钢生产仿真实训系统(粗轧)xxxx年xx月xx日xxxxxxxx集团企业有限公司Please enter your company's name and contentv轧钢生产仿真实训系统(粗轧)软件说明书V2.1版目录第1章前言 (5)1.1 系统开发背景和目的 (5)1.1.1研发背景 (5)1.1.2 研发目的 (6)1.1.3 重要意义 (7)1.2系统功能及特性简介 (8)1.2.1 结合轧钢工艺模型 (9)第2章系统的安装及启动 (10)2.1 系统的运行环境 (10)第3章系统操作说明 (11)3.1虚拟界面操作和设备介绍 (11)3.1.1虚拟设备操作按键介绍 (16)3.2控制界面操作介绍 (16)3.2.1选择批次 (16)3.2.2粗轧监控主界面 (18)3.2.2.1画面切换 (19)3.2.2.2原料和成品规格显示 (20)3.2.2.3退出 (20)3.2.2.5 传动侧辊缝值显示 (21)3.2.2.6 操作侧辊缝值显示 (21)3.2.2.7 实际辊缝值显示 (22)3.2.2.8 设定辊缝值显示 (22)3.2.2.9 主轧辊转动速度显示 (22)3.2.2.10 选择批次 (23)3.2.2.11 压下正常状态显示 (24)3.2.2.12辊缝的变化方式 (24)3.2.2.13当前规程号显示 (25)3.2.2.14 钢块当前实际长宽厚显示 (25)3.2.2.15 轧制力显示 (26)3.2.2.16 温度显示 (26)3.2.2.17 微调设定辊缝 (26)3.2.2.17.1 道次修正 (26)3.2.2.18设定修正道次号 (28)3.2.2.19设定修正设定辊缝的改变量 (29)3.2.2.20按钮改变要修正的道次号 (29)3.2.2.21 规程信息 (30)3.2.2.23除磷箱操作 (31)3.2.2.23.1喷嘴组号选择 (32)3.2.2.23.2 除磷箱打开关闭 (32)3.2.2.23.3 除磷箱水压设定 (32)3.2.2.23.4 除磷箱状态显示 (32)3.2.2.24 系统检查 (33)3.2.3 规程输入界面 (33)3.2.3.1 画面切换 (34)3.2.3.2原料和成品规格显示 (34)3.2.3.3 退出按钮 (34)3.2.3.4 辊缝值显示 (34)3.2.3.5压下正常状态显示 (34)3.2.3.6辊缝的变化方式状态显示 (35)3.2.3.7规程选择 (35)3.2.3.8微调设定辊缝 (36)3.2.3.9直接弹出对话框输入数据修改设定辊缝 (36)3.2.3.10弹出对话框输入数据修改规程总道次 (38)3.2.3.11 下载到 (40)3.2.4 状态显示界面 (40)3.2.4.1 画面切换 (40)3.2.4.2原料和成品规格显示 (41)3.2.4.3 退出按钮 (41)3.2.4.4 辊缝值显示 (41)3.2.4.5压下正常状态显示 (41)3.2.4.6辊缝的变化方式状态显示 (41)3.2.4.7当前规程号显示 (41)3.2.4.8轧辊转速 (42)3.2.4.9 转滚速度 (43)3.2.4.10 轧制力 (43)3.2.4.11 钢块规格 (43)3.2.4.12 钢块温度 (44)3.2.4.13 当前道次号 (45)3.2.4.14 批次信息 (45)3.2.4.15 钢坯角度 (45)3.2.5 曲线回放 (46)3.2.5.1 输入查见条件 (46)3.2.5.3 实时曲线实时显示按钮 (46)3.2.5.4回放曲线前移按钮 (47)3.2.5.5回放曲线后移按钮 (47)第4章键盘模拟手柄使用方法 (48)附录:49第1章前言1.1 系统开发背景和目的1.1.1研发背景虚拟现实是综合利用计算机图形学、光电成像技术、传感技术、计算机仿真、人工智能等多种技术,创建一个逼真的、具有视、听、触、嗅、味等多种感知的计算机系统。
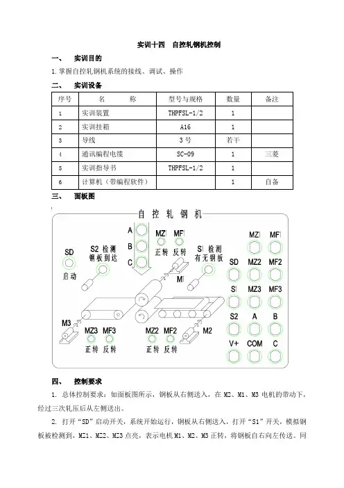
实训十四自控轧钢机控制一、实训目的1.掌握自控轧钢机系统的接线、调试、操作二、实训设备三、面板图四、控制要求1.总体控制要求:如面板图所示,钢板从右侧送入,在M2、M1、M3电机的带动下,经过三次轧压后从左侧送出。
2.打开“SD”启动开关,系统开始运行,钢板从右侧送入,打开“S1”开关,模拟钢板被检测到,MZ1、MZ2、MZ3点亮,表示电机M1、M2、M3正转,将钢板自右向左传送。
同时指示灯“A”点亮,表示此时只有下压量A作用。
3.钢板经过轧压后,超出“S1”传感器检测范围,电机“M2”停止转动。
4.钢板在电机的带动下,被传送到左侧,被“S2”传感器检测到后,MF1、MF2、MF3点亮,表示电机M1、M2、M3反转,将钢板自左向右传送。
同时指示灯“A”、“B”点亮,表示此时有下压量A、B一起作用。
5.钢板在电机的带动下,被传送到右侧,被“S1”传感器检测到后,MF1、MF2、MF3点亮,表示电机M1、M2、M3反转,将钢板自左向右传送。
同时指示灯“A”、“B”“C”点亮,表示此时有下压量A、B、C一起作用。
6.钢板经过轧压后,超出“S1”传感器检测范围,电机“M2”停止转动。
7.钢板传送到左侧,被“S2”传感器检测到后,电机“M1”停止转动。
8.钢板从左侧送出后,超出“S2”传感器检测范围,电机“M3”停止转动。
9.“S1”传感器再次检测到钢板后,根据2至8的步骤完成对钢板的轧压。
10.在运行时,断开“SD”开关,系统完成后一个工作周期后停止运行。
五、程序流程图六、端口分配及接线图1.端口分配及功能表2.PLC外部接线图七、操作步骤1.检查实训设备中器材及调试程序。
2.按照I/O端口分配表或接线图完成PLC与实训模块之间的接线,认真检查,确保正确无误。
3.打开示例程序或用户自己编写的控制程序,进行编译,有错误时根据提示信息修改,直至无误,用SC-09通讯编程电缆连接计算机串口与PLC通讯口,打开PLC主机电源开关,下载程序至PLC中,下载完毕后将PLC的“RUN/STOP”开关拨至“RUN”状态。
中央民族大学PLC实验报告
题目:轧钢机控制系统模拟
班级:自动化
学生姓名:
学号:
指导教师:
实验二十三轧钢机控制系统模拟
在轧钢机单元完成本实验
一、实验目的
用PLC构成轧钢机控制系统,熟练掌握PLC的编程和程序调试方法。
二、实验说明
当启动按钮SD接通,电机M1、M2运行,传送钢板,检测传送带上有无钢板的传感器S1的信号(即开关为ON),表示有钢板,电机M3正转(MZ灯亮);S1的信号消失(为OFF),检测传送带上钢板到位后的传感器S2有信号(为ON),表示钢板到位,电磁阀动作(YU1灯亮),电机M3反转(MF灯亮)。
Y1给一向下压下量,S2信号消失,S1有信号,电机M3正转……重复上述过程。
Q0.1第一次接通,发光管A亮,表示有一向下压下量,第二次接通时,A、B亮,表示有两个向下压下量,第三次接通时,A、B、C亮,表示有三个向下压下量;在Q0.1第三次接通断开时,电磁阀YU1灯灭,“A、B、C”全灭,“M2”灯亮送走钢板,按下启动开关系统停止工作。
三、实验面板图:
四、实验步骤
2、打开主机电源将程序下载到主机中。
3、启动并运行程序观察实验现象。
五、梯形图参考程序。
GE实验室开放实验轧钢机模拟实验学院:电气信息工程学院班级:自动化13-01姓名:周满满学号:541301010160 一、硬件介绍:1、IC695PSD040 电源模块1)电源(绿色/琥珀黄)当LED为绿色时,意味着电源模块在给背板供电。
当LED为琥珀黄时,意味着电源已加到电源模块上,但是电源模块上的开关是关着的2)P/S 故障(红色)当LED亮起时,意味着电源模块存在故障并且不能提供足够的电压给背板3)温度过高(琥珀黄)当LED亮起,意味着电源模块接近或者超过了最高工作温度4)过载(琥珀黄)当LED亮起, 意味着电源模块至少有一个输出接近或者超过最大输出功率2、IC695CPU310 CPU模块CPU 能够支持多种语言,包括: 继电器梯形图语言1) 指令表语言 2) C 编程语言 3) 功能块图 4) Open Process 5) 用户定义的功能块 6) 结构化文本 7) SFC 8) 符号编程3、IC695ETM001 以太网通信以太网模块上有七个指示灯,简要说明: Ethernet OK 指示灯指示该模块是否能执行正常工作。
该指示灯开状态表明设备处于正常工作状态,如果指示灯处于闪烁状态,则代表设备处于其他状态。
假如设备硬件或者是运行时有错误发生,Ethernet OK 指示灯闪烁次数表示两位错误代码。
LAN OK 指示灯指示是否连接以太网络。
该指示灯处于闪烁状态,表明以太网接口正在直接从以太网接收数据或发送数据。
如果指示灯一直处于亮状态,这时以太网接口正在激活地访问以太网,但以太网物理接口处于可运行状态,并且一个或者两个以太网端口都处于工作状态。
其它情况LED均为熄灭,除非正在进行软件下载。
Log Empty 指示灯在正常运行状态下呈亮状态,如果有事件被记录,指示灯呈“熄灭”状态。
两个以太网激活指示灯(LINK) ,指示网络连接状况和激活状态。
两个以太网速度指示灯(100Mbps)指示网络数据传输速度(10 (熄灭) 或者100 Mb/sec(亮))。
轧钢生产实习指导书1. 轧钢生产实习概述轧钢生产实习是钢铁专业学生的一项重要实践课程,旨在让学生通过实际操作,了解轧钢生产的基本原理、设备和工艺流程,并掌握相关的操作技能。
本指导书将为学生提供轧钢生产实习过程中的基本指导和要求。
2. 实习前的准备工作在进行轧钢生产实习前,学生需要完成以下准备工作:•了解轧钢生产的基本原理和工艺流程;•学习相关设备的结构和操作方法;•掌握常见的安全操作规范和紧急处理方法;•阅读并理解实习场所的相关安全规章制度。
3. 实习场所及设备介绍3.1 实习场所轧钢生产实习场所通常为钢铁企业的生产车间或实验室。
学生需要按照实习场所的要求,遵守相关的安全规定并穿戴指定的个人防护装备。
3.2 设备介绍轧钢生产实习中常见的设备有:轧机、温度控制装置、润滑系统等。
学生需要了解每种设备的工作原理、结构和操作方法,确保安全操作。
4. 实习操作流程在进行轧钢生产实习时,学生需要按照以下操作流程进行实践:4.1 准备工作•穿戴个人防护装备,包括安全帽、安全鞋、防护眼镜、防护手套等;•熟悉实习场所的安全规章制度,了解紧急情况下的处理方法;•检查设备是否正常运行,如有异常情况需要及时报告。
4.2 实习操作步骤1.开始实习前,进行设备的预热和准备工作,确保设备处于正常工作状态;2.按照工艺要求,设置轧机的轧制参数,包括轧制速度、轧制力等;3.对待轧钢坯进行准确的尺寸测量,并根据结果调整轧机的工作参数;4.将待轧钢坯送入轧机,并确保钢坯的进出口与轧机的传动装置对接良好;5.监控轧机的工作状态,包括轧制力、温度、润滑情况等,如有异常情况需要及时处理;6.完成轧制后,对轧制后的钢材进行质量检查,确保达到要求的尺寸和表面质量;7.完成实习后,关闭设备,清理现场,并及时汇报实习情况。
4.3 安全注意事项在进行轧钢生产实习时,学生需要时刻注意安全,并遵守以下注意事项:•穿戴个人防护装备,并确保设备处于正常工作状态;•熟悉急救和灭火器械的使用方法,并做好紧急处理准备;•注意设备的运行情况,如有异常及时报告;•确保操作环境整洁,杜绝任何可能引起事故的隐患;•遵守实习场所的安全规章制度。
轧钢生产仿真实训系统(粗轧)软件说明书V2.1版目录第1章前言51.1 系统开发背景和目的51.1.1研发背景51.1.2 研发目的61.1.3 重要意义71.2系统功能及特性简介81.2.1 结合轧钢工艺模型9第2章系统的安装及启动102.1 系统的运行环境10第3章系统操作说明113.1虚拟界面操作和设备介绍113.1.1虚拟设备操作按键介绍163.2控制界面操作介绍163.2.1选择批次163.2.2粗轧监控主界面183.2.2.1画面切换193.2.2.2原料和成品规格显示203.2.2.3退出203.2.2.4 辊缝值显示213.2.2.5 传动侧辊缝值显示213.2.2.6 操作侧辊缝值显示213.2.2.7 实际辊缝值显示223.2.2.8 设定辊缝值显示223.2.2.9 主轧辊转动速度显示223.2.2.10 选择批次233.2.2.11 压下正常状态显示243.2.2.12辊缝的变化方式243.2.2.13当前规程号显示253.2.2.14 钢块当前实际长宽厚显示253.2.2.15 轧制力显示263.2.2.16 温度显示263.2.2.17 微调设定辊缝263.2.2.17.1 道次修正263.2.2.18设定修正道次号283.2.2.19设定修正设定辊缝的改变量293.2.2.20按钮改变要修正的道次号293.2.2.21 规程信息303.2.2.22轧制批次情况显示313.2.2.23除磷箱操作313.2.2.23.1喷嘴组号选择323.2.2.23.2 除磷箱打开关闭323.2.2.23.3 除磷箱水压设定323.2.2.23.4 除磷箱状态显示323.2.2.24 系统检查333.2.3 规程输入界面333.2.3.1 画面切换343.2.3.2原料和成品规格显示343.2.3.3 退出按钮343.2.3.4 辊缝值显示343.2.3.5压下正常状态显示343.2.3.6辊缝的变化方式状态显示353.2.3.7规程选择353.2.3.8微调设定辊缝363.2.3.9直接弹出对话框输入数据修改设定辊缝36 3.2.3.10弹出对话框输入数据修改规程总道次37 3.2.3.11 下载到403.2.3.12 切换到403.2.4 状态显示界面403.2.4.1 画面切换403.2.4.2原料和成品规格显示413.2.4.3 退出按钮413.2.4.4 辊缝值显示413.2.4.5压下正常状态显示413.2.4.6辊缝的变化方式状态显示413.2.4.7当前规程号显示413.2.4.8轧辊转速423.2.4.9 转滚速度433.2.4.10 轧制力433.2.4.11 钢块规格433.2.4.12 钢块温度443.2.4.13 当前道次号453.2.4.14 批次信息453.2.4.15 钢坯角度453.2.5 曲线回放463.2.5.1 输入查看条件463.2.5.2 实时曲线暂停按钮463.2.5.3 实时曲线实时显示按钮463.2.5.4回放曲线前移按钮473.2.5.5回放曲线后移按钮47第4章键盘模拟手柄使用方法48附录:49第1章前言1.1 系统开发背景和目的1.1.1研发背景虚拟现实是综合利用计算机图形学、光电成像技术、传感技术、计算机仿真、人工智能等多种技术,创建一个逼真的、具有视、听、触、嗅、味等多种感知的计算机系统。
钢铁冶炼VR模拟教学实训系统实现钢企⾼产能和⾼安全
作为重⼯业产品,钢铁⽤途⼴泛,⽤以冶炼钢铁的矿⽯资源也属于不可再⽣资源,因此⽣产⼯业装备和流程的不断优化和改进,以达到提⾼钢铁冶炼精度和总量的⽬标。
钢铁冶炼技术⼯⼈的知识技能也要同步升级。
钢铁冶炼VR虚拟实训系统将职业培训带出教室,深⼊三维仿真冶⾦现场,模拟还原钢铁冶炼全流程。
钢铁冶炼VR虚拟实训系统包括三部分,全⾯、⽴体、细致满⾜钢铁⼚的安全教育、技能培训及职⼯考核的需要。
在岗员⼯:安全⽣产规章制度和劳动纪律的学习、答题和考试;
作业员⼯:对钢铁冶炼机械设备、⼯具、防护⽤品正确使⽤、保障和维修知识技能的教学、练习和考核;
全体员⼯:对安全标志、安全事故隐患和主要危险源及应对措施的展⽰讲解、模拟还原体验和⾃我排查纠正。
钢铁冶炼VR虚拟实训系统通过让⼤家深⼊学习本⼯种及全流程操作程序和安全操作规程,有效降低了设备的故障和磨损率,提⾼了设备使⽤年限。
对⽇常作业中⽤电、机械伤害、起重、塌⽅、⽕灾等常见事故伤害有⾼警觉性和防范应急能⼒,避免出现意外事故伤害。
为企业钢铁冶炼的⾼产能和⾼安全提供得⼒保障。
1入口活套1.1功能介绍入口活套用于贮存带钢,以保证开卷和焊接过程中,后续酸洗段和圆盘剪段连续生产。
活套工作情景包括充套和放套两种。
1.2入口活套生产准备生产准备是入口活套正常生产操作的前提,完成全部准备操作后,才能进行正常的活套操作。
1.2.1监控画面1.2.1.1监控内容入口活套准备监控画面设备准备画面中的监控内容有:1.2.1.2操控内容入口活套设备主控台如下所示:1.入口活套准备主要的操作流程如下:a)将1~3#纠偏辊的【纠偏辊使能】打到【使能】,【1#张力辊组使能】打到【使能】,【1#测张辊使能】打到【使能】,【卷扬电机使能】打到【使能】,【转向辊使能】打到【使能】,【转向辊压辊】打到【压下】,;b)入口段液压站操作就绪(入口段共用);c)入口活套稀油润滑站操作就绪。
1.3入口活套稀油润滑站入口活套稀油润滑站用于为入口活套区各设备提供稀油润滑。
1.3.1监控画面润滑站监控画面包括:1.调节元器件a)冷却器和循环泵:降低油箱中润滑油温度。
b)电加热器:升高油箱中润滑油温度。
c)注油阀:向油箱注入润滑油,提高液位。
d)抽油阀:从油箱中抽出润滑油,降低液位。
e)主油泵:为润滑控制系统提供合格压力和流量的润滑油。
2.目标控制元器件a)油箱:控制要求包括如下i.温度:温度正常值为40~50°C。
ii.液位:报警水位:低水位为20%,高水位为80%。
b)主油泵:1用1备入口活套稀油润滑监控画面1.3.1.1监控内容润滑站调节的监控内容有:1.3.1.2操控内容润滑站操作台介绍:指示灯亮起。
润滑站操作流程简介:1.将“控制模式”切换为【远程】;2.主油泵留1个备用,其余全部打开;3.【加热器】和【冷却器】分别用于升高和降低润滑液温度,调整温度时开启,调整完毕后需关闭;4.【注油阀】和【抽油阀】分别用于升高和降低液位,调整液位时开启,调整完毕后需关闭;5.主油泵正确开启,温度和液位均调整正常后,操作完成。
星科冶金生产(炼钢)仿真实训与考核系统介绍一、系统简介1.产品概述(炼钢生产仿真实训室)炼钢生产仿真实训系统包括:铁水预处理、转炉炼钢、LF精炼、板坯连铸完整工艺流程。
采用虚拟现实技术实现了操作与虚拟场景的完全互动;在物理模型、工艺模型和经验模型驱动下实现符合真实炼钢工艺过程训练。
2.主要研发技术路线(1)按照企业真实生产工艺仿真开发:工艺流程、自动化控制系统、生产场景按照有代表性的企业完整生产线进行仿真制作。
(2)操控系统仿真:自动化系统的监控环境与硬件操作设备按照真实生产流程制作。
(3)模型开发分为物理模型和工艺模型:物理模型例如阀门开度与流量的关系、电机转速与设备运行距离模型等;工艺模型例如炼钢过程的化学变化模型。
(4)虚拟场景:生产环境的三维建模、主要生产设备三维建模。
(5)虚拟现实程序开发:在三维建模基础上,结合物理模型进行程序编制,形成符合实际的互动与信息反馈。
(6)操控结果控制:通过网络仿真操控与虚拟场景形成信息交互,通过工艺模型的计算分析形成仿真结果,仿真结果要求逼近生产工艺实际。
(7)评价体系:操作过程通过物理模型获得反馈信息,经过工艺模型分析计算得到结果:产量、产品质量、产品能耗和操控的规范,作为虚拟仿真系统的评价标准。
3.适用范围(1)替代行业院校的生产实习和专业实训:行业学校实训目前存在缺乏训练环境,即使有的学校建设了模拟环境,往往运行成本昂贵很难投入使用;学生生产实习更加困扰学校,企业不愿意接收,只能看不能动使实习失去了意义。
炼钢生产仿真实训正是为解决行业院校的困境所研发的。
(实训现场)(2)作为企业岗位培训的手段:企业与学校不同,员工培训没有必要包括完成的工艺流程训练,而是针对重点岗位的重点工艺环节进行精细化仿真,例如:转炉操作训练根据操作人员是实际操作和原料辅料的参数时时反映出喷溅、反干等异常工况,并真实反应钢水成份等。
(炼钢车间现场)(虚拟系统操作)4.应用情况目前多家冶金行业院校作为教学辅助系统、综合实训环境、现场实习替代取得良好效果。
轧钢生产仿真实训系统使用说明1. 系统概述轧钢生产仿真实训系统是一款针对轧钢生产流程进行仿真的教学辅助系统。
该系统通过模拟真实轧钢厂的生产环境和流程,为学生提供了一个实际操作的训练平台。
2. 功能特点2.1 模拟真实环境轧钢生产仿真实训系统模拟了真实的钢铁生产厂的环境,包括从原料进料到成品出炉的整个生产流程,让学生能够身临其境地感受到真实的生产场景。
2.2 操作简便该系统设计了简洁直观的操作界面,以便学生能够迅速上手。
用户只需通过鼠标点击和拖拽操作,即可完成各种操作,如调整轧机参数、控制设备运转等。
2.3 实时数据展示系统实时显示轧机的生产数据,包括温度、压力、速度等参数,帮助学生了解生产过程中的关键数据指标,并学会分析和判断生产状况。
2.4 故障模拟为了让学生能够更好地应对生产中的故障情况,系统内置了各种故障模拟场景,学生需要根据故障提示信息进行快速判断和处理,提高应变能力。
3. 系统使用3.1 登录与注册用户需要在系统登录界面输入正确的用户名和密码进行登录。
如果是首次使用,需要先进行注册,并提供必要的个人信息。
3.2 选择实训场景登录成功后,系统会显示可供选择的实训场景,学生可以根据教学实验要求进行选择。
每个实训场景都有特定的目标和任务,学生需要按照要求完成任务。
3.3 操作轧钢设备学生通过操作界面中的按钮和滑动条,可以调整轧钢设备的参数,如温度、压力、速度等。
根据实训场景的要求,学生需要合理调整参数,以达到预期的生产效果。
3.4 监控参数实时变化系统会实时显示轧机的各项参数的变化情况,包括温度、压力、速度等。
学生需要密切关注这些参数的变化,判断生产是否正常,并根据需要进行调整。
3.5 处理故障情况在实际生产中,经常会发生各种故障情况。
系统会随机模拟一些故障场景,例如温度过高、设备故障等。
学生需要根据故障提示信息,快速判断故障原因,并采取相应的措施进行处理。
3.6 查看实训报告学生完成实训后,系统会生成实训报告,包括学生的操作记录、生产数据、故障处理过程等。
一、实训背景随着我国钢铁工业的快速发展,轧钢技术也在不断进步。
为了让学生更好地了解和掌握轧钢工艺,提高实践操作能力,我们学校特组织开展了模拟轧钢实训。
本次实训旨在通过模拟轧钢过程,使学生了解轧钢工艺的基本原理、操作方法和设备特点,为今后从事相关工作打下坚实基础。
二、实训目的1. 使学生了解轧钢工艺的基本原理、操作方法和设备特点;2. 培养学生动手操作能力和团队协作精神;3. 提高学生对轧钢行业的认识和兴趣,为今后从事相关工作做好准备。
三、实训内容1. 轧钢工艺流程介绍本次实训主要包括以下内容:(1)轧钢设备:如轧机、加热炉、冷床、卷取机等;(2)轧钢工艺流程:包括加热、轧制、冷却、卷取等环节;(3)轧钢工艺参数:如轧制温度、轧制速度、轧制力等;(4)轧钢质量控制:如尺寸精度、表面质量、力学性能等。
2. 模拟轧钢操作在实训过程中,学生需按照以下步骤进行模拟轧钢操作:(1)准备阶段:了解轧钢设备性能、操作规程和安全注意事项;(2)加热阶段:将钢坯加热至预定温度;(3)轧制阶段:调整轧机参数,进行轧制操作;(4)冷却阶段:将轧制后的钢材进行冷却;(5)卷取阶段:将冷却后的钢材卷取成卷。
3. 轧钢质量检验在实训过程中,学生需对轧制出的钢材进行质量检验,包括尺寸精度、表面质量、力学性能等方面。
四、实训过程1. 实训前准备(1)学生分组,每组4-6人,明确各成员职责;(2)指导教师讲解实训目的、内容、操作规程和安全注意事项;(3)学生熟悉设备性能、操作方法和安全操作规程。
2. 实训过程(1)学生按照分组进行模拟轧钢操作,指导教师巡回指导;(2)学生根据操作过程填写实训记录表;(3)学生进行轧钢质量检验,填写检验报告。
3. 实训总结(1)各小组进行实训总结,分析操作过程中存在的问题及改进措施;(2)指导教师对实训过程进行总结,点评学生表现,提出改进意见。
五、实训成果通过本次模拟轧钢实训,学生掌握了以下知识和技能:1. 轧钢工艺的基本原理、操作方法和设备特点;2. 模拟轧钢操作流程及操作技能;3. 轧钢质量检验方法和标准;4. 团队协作精神和安全意识。
PLC实验报告实验名称:轧钢机的模拟控制
姓名:李勇
学号:1117110
班级:应用电子1117班
时间:2013年5月
安徽水利水电职业技术学院
一、实验目的
1.学会作I/O分配表
2.能够编写程序并配注释。
3.掌握基本的调试并运行程序。
二、实验内容
1.控制要求
当起动按扭按下,电动机M1、M2运行,按S1表示检测到物件,电动机M3正转,即M3F亮。
再按S2,电动机M3反转,即M3R亮,同时电磁阀Y1动作。
再按S1,电动机M3正转,重复经过三次循环,再按
注意不先按S1,而按S2
2.I/O分配
输入输出
起动按钮:I0.0M1:Q0.0
Q0.2
停止按钮:I0.3M2:Q0.1
Q0.3
S1按钮:I0.1Y1:Q0.4
S2按钮:I0.2
图7-1轧钢机控制示意图3.按图所示的梯形图输入程序。
4.调试并运行程序。
三、已经调试过的轧钢机控制梯形图:
图7-2轧钢机控制梯形图。
模块一仿真系统界面主要菜单功能及使用一、实训目标:1、学会仿真软件的启动;2、能正确使用仿真系统界面主要菜单;3、熟练仿真系统中机床的主要操作二、实训系统及机床:控制系统:FANUC---0I 机床:平床身前置刀架车床三、实训过程:(一)仿真软件的启动1、启动:(1)从开始菜单启动:“开始”——“程序”——“数控加工仿真系统”——“数控加工仿真系统”——弹出“数控加工仿真系统用户登录”界面,如图1所示。
(2)双击桌面快捷方式图标图1 数控加工仿真系统启动界面2、进入数控加工仿真系统方法一:点击“快速登录”直接进入,画面如图2所示方法二:输入用户名和密码,再点击“确定”(考试方式下使用),进入仿真系统界面。
(用户名为8位数字)仿真系统界面上部第一行为菜单栏,包括文件、视图、机床、零件、塞尺检查、测量、互动教学、系统管理、帮助9个菜单;第二行为工具图标。
图2 数控加工仿真系统界面3、系统和机床的选择方法:点击菜单“机床”选中“选择机床”弹出“选择机床”对话框,如图3所示,在对话框中选择所使用的控制系统和机床类型,最后点击“确定”按钮完成系统和机床的选择。
(本书控制系统以FANUC——0i,机床以车床——平床身前置刀架为例)图3 选择机床对话框(二)仿真系统界面组成及主要菜单功能1、仿真系统界面组成:系统界面有机床和机床面板两部分组成,机床面板又有右上角的数控系统面板和右下角的机床操作面板组成。
界面最上部为系统菜单和图标栏。
图4 FANUC—0i车床操作标准面板2、机床操作面板的使用:(1)激活机床:①点击“”启动键,此时“机床电机”和“伺服控制”指示灯变亮。
②点击“紧急停止”按钮,将其松开。
(2)回参考点:①点击“回原点”键,使其灯亮;②点击“快速”并依次点击“X”、“+”、“Z”、“+”使“X原点灯”、“Z原点灯”亮,完成回参考点。
(3)手动移动刀架:点击“手动”点击,点击,刀架向靠近卡盘方向移动,点击,刀架向远离卡盘方向移动,点击,则刀架实现快速Z向移动。
模拟轧制实训室功能表
实训工程名称:
孔型的调整和模拟轧制
设备及功能:
实训任务分析〔实训目的〕:
1、学会样板刀制作及轧辊车削;
2、掌握模拟轧制生产过程的设备操作;
3、掌握1-2种钢材产品的生产全工艺过程及产品的检查;
4、分析产品并调整孔型。
实训工程的知识点:
1、车床的结构与各个部件的名称及作用;
2、样板刀制作及轧辊车削的根本操作;
3、合理调整压下控制宽展。
实训工程的核心能力:
1、掌握钢铁产品生产的工艺操作;
2、全面掌握轧制过程中生产组织、生产操作、产品质量检查和
孔型调整的全过程。
实训能力评价
通过实训,学生可以掌握轧钢生产权流程工艺,能独立完成1-2种钢产品全工艺过程。
轧钢生产仿真实训系统(粗轧)软件讲明书V2.1版目录第1章前言 (5)1.1 系统开发背景和目的 (5)1.1.1研发背景 (5)1.1.2 研发目的 (6)1.1.3 重要意义 (7)1.2系统功能及特性简介 (8)1.2.1 结合轧钢工艺模型 (9)第2章系统的安装及启动 (10)2.1 系统的运行环境 (10)第3章系统操作讲明 (11)3.1虚拟界面操作和设备介绍 (11)3.1.1虚拟设备操作按键介绍 (16)3.2操纵界面操作介绍 (16)3.2.1选择批次 (16)3.2.2粗轧监控主界面 (18)3.2.2.1画面切换 (19)3.2.2.2原料和成品规格显示 (20)3.2.2.3退出 (20)3.2.2.4 辊缝值显示 (21)3.2.2.5 传动侧辊缝值显示 (21)3.2.2.6 操作侧辊缝值显示 (21)3.2.2.7 实际辊缝值显示 (22)3.2.2.8 设定辊缝值显示 (22)3.2.2.9 主轧辊转动速度显示 (22)3.2.2.10 选择批次 (23)3.2.2.11 压下正常状态显示 (24)3.2.2.12辊缝的变化方式 (24)3.2.2.13当前规程号显示 (25)3.2.2.14 钢块当前实际长宽厚显示 (25)3.2.2.15 轧制力显示 (26)3.2.2.16 温度显示 (26)3.2.2.17 微调设定辊缝 (26)3.2.2.17.1 道次修正 (26)3.2.2.18设定修正道次号 (28)3.2.2.19设定修正设定辊缝的改变量 (29)3.2.2.20按钮改变要修正的道次号 (29)3.2.2.21 规程信息 (30)3.2.2.22轧制批次情况显示 (31)3.2.2.23除磷箱操作 (31)3.2.2.23.1喷嘴组号选择 (32)3.2.2.23.2 除磷箱打开关闭 (32)3.2.2.23.3 除磷箱水压设定 (32)3.2.2.23.4 除磷箱状态显示 (32)3.2.2.24 系统检查 (33)3.2.3 规程输入界面 (33)3.2.3.1 画面切换 (34)3.2.3.2原料和成品规格显示 (34)3.2.3.3 退出按钮 (34)3.2.3.4 辊缝值显示 (34)3.2.3.5压下正常状态显示 (34)3.2.3.6辊缝的变化方式状态显示 (35)3.2.3.7规程选择 (35)3.2.3.8微调设定辊缝 (36)3.2.3.9直接弹出对话框输入数据修改设定辊缝 (36)3.2.3.10弹出对话框输入数据修改规程总道次 (38)3.2.3.11 下载到 (40)3.2.3.12 切换到 (40)3.2.4 状态显示界面 (40)3.2.4.1 画面切换 (40)3.2.4.2原料和成品规格显示 (41)3.2.4.3 退出按钮 (41)3.2.4.4 辊缝值显示 (41)3.2.4.5压下正常状态显示 (41)3.2.4.6辊缝的变化方式状态显示 (41)3.2.4.7当前规程号显示 (41)3.2.4.8轧辊转速 (42)3.2.4.9 转滚速度 (43)3.2.4.10 轧制力 (43)3.2.4.11 钢块规格 (43)3.2.4.12 钢块温度 (44)3.2.4.13 当前道次号 (45)3.2.4.14 批次信息 (45)3.2.4.15 钢坯角度 (45)3.2.5 曲线回放 (46)3.2.5.1 输入查看条件 (46)3.2.5.2 实时曲线暂停按钮 (46)3.2.5.3 实时曲线实时显示按钮 (46)3.2.5.4回放曲线前移按钮 (47)3.2.5.5回放曲线后移按钮 (47)第4章键盘模拟手柄使用方法 (48)附录:49第1章前言1.1 系统开发背景和目的1.1.1研发背景虚拟现实是综合利用计算机图形学、光电成像技术、传感技术、计算机仿真、人工智能等多种技术,创建一个逼确实、具有视、听、触、嗅、味等多种感知的计算机系统。
人们借助各种交互设备沉醉于虚拟环境之中,与虚拟环境中的实体进行交互,产生等同于真实物理环境的体验和感受。
近年来,在虚拟现实的基础上又进展出增强现实(或称混合现实)技术,通过跟踪用户的位置和姿态,把计算机生成的虚拟物体或其它信息准确地叠加到真实场景的制定位置,实现虚实结合、实时互动的新体验。
虚拟现实和增强现实技术还可广泛应用于军事、先进制造、都市规划、地理信息系统、医学生物、教育培训、文化娱乐等领域,并有望产生巨大的经济效益和社会效益。
虚拟仿真科技作为信息时代除理论推导和科学试验之外的第三门新型科研方法,其技术及相关产品广泛应用于工业产品的研究、设计、开发、测试、生产、培训、使用、维护等各个环节。
中国作为一个制造业大国,当前我国虚拟制造应用研究的重点方向是基于产品的三维虚拟设计、加工过程仿真和产品装配仿真,研究如何生成可信度高的产品虚拟样机,达到在产品设计时期能够以较高的置信度预测所设计产品的最终性能和可制造性。
随着研究的不断深人和相关技术的进展,虚拟制造必将得到日益广泛的应用1.1.2 研发目的a)解决钢铁行业生产性设备操作人员培训是钢铁企业的难题轧制过程是一个复杂的操纵过程,目前我国绝大多数钢铁企业在实际轧制操作中都以手动为主,因此轧钢操作工的业务水平专门大程度上阻碍着轧制效率和产品质量。
目前训练轧钢操作工要紧是依靠有经验的操作工通过传、帮、带的培训方式对新工人进行在线的训练和指导。
然而随着对钢板轧制产量及质量要求的不断提高,这种原有的在线培训方式也愈加显露出其局限性,如培训周期长、易造成经济损失等,此外在轧制节奏紧张的情况下,新操作工更是鲜有上操作台操作的机会,从而导致操作技能难以快速提高。
因此,搭建一个离线实时模拟训练轧钢操作工的仿真平台,使操作工在不阻碍实际生产的情况下进行训练活动是十分必要的。
针对这种需求,我们开发了基于虚拟现实技术的轧钢实时仿真训练系统,其要紧思想是采纳了以计算机图形显示技术为核心的虚拟现实技术在计算机中生成逼确实虚拟环境,使用户通过必要的硬件装备自然地与虚拟环境中的客体进行交互,相互阻碍,产生亲临现场的感受和体验。
轧钢操作工置身于逼确实模拟轧制生产环境中,通过向操作台发出各种操纵信号来不断改变虚拟环境中钢板的轧制状态,进而通过视觉观看相应的操作效果,实现交互式实时操纵。
在不阻碍实际生产的前提下达到了训练轧钢操作工轧制协调性和准确性的目的,极大地缩短了培训周期,弥补了原有在线培训的局限性。
b)虚拟轧钢系统是解决轧钢操作工培训的重要手段钢铁行业的经营企业必须加大对职工的培训力度,以尽可能地降低安全事故。
然而传统的培训方式不仅成本高昂,而且特不枯燥,效果不明显,使企业陷入两难境地。
虚拟轧钢模拟培训和仿真操作系统,通过虚拟的方式对人员进行培训,专门好地解决了钢铁行业的职工培训难题。
通常我们由于设备、场地、经费等硬件的限制。
许多现场培训都无法进行。
而利用虚拟轧钢系统,学生足不出户便能够做各种操作,获得与真实一样的体会。
在保证教学效果的前提下,极大的节约了成本。
真实操作往往会带来各种危险,利用虚拟现实技术进行虚拟操作,学生在虚拟环境中,能够放心地去做各种危险的实验。
利用虚拟现实技术建立起来的虚拟实训基地,其“设备”与“部件”多是虚拟的,能够依照随时生成新的设备。
教学内容能够不断更新,使实践训练及时跟上技术的进展。
1.1.3 重要意义a)培新手段带动创新性革命长期以来,对钢铁作业人员的培训考核工作,差不多上处于知识理论教学、书面答题或面试的模式,教学方法单一,教学内容枯燥,纯理论知识教学,缺乏感性认识和安全操作技能的实践。
传统的培训考核模式使企业作业人员对轧钢设备真实的结构和操作处于模糊状态,造成经培训、考核合格的作业人员在实际岗位上缺乏对轧钢设备故障排除操作和应急事故的处理能力。
虚拟轧钢系统提出了基于三维设计平台的产品快速创新设计理论体系,在三维平台上,实现了操作工对工艺流程自动化得了解和对操作及设备维修维护和解决故障的练习,从而能够在虚拟样机层面上对工艺操作及设备维修维护技术进行评价、优化筛选,极大地提升了工作效率。
b)带动行业培训上一个新台阶虚拟仿真培训系统是21世纪企业和学校进展的新主题、新动力,必将提高企业和学校综合竞争力,促进企业和学校经济进展、技术进步和工人技能水平提高。
与发达国家相比,我国虚拟仿真培训起步晚而起点高,虚拟仿真将成为现在企业和学校培训的新模式。
企业和学校面临着向数字化、网络化方向迈进的重大转变。
虚拟轧钢仿真系统是信息技术和传统产业相结合、拉动经济的新增长点,将带来投资、就业与商业开发的巨大商机。
实现虚拟仿真系统是实现企业和院校培训新模式的条件,是企业和院校实现跨越式进展的助推器。
虚拟仿真培训系统将给企业和院校的培训带来新的进展机遇。
1.2系统功能及特性简介1.2.1、软硬件结合仿真轧钢机仿真实训系统软件利用电脑软件三维成像技术和硬件技术相结合,虚拟出一个与轧钢机机相似的工作环境,让宽敞学生在虚拟的环境下迅速对轧钢机操作和工作环境进行熟悉,从而提高技能熟悉工艺,解决已往培训无法真实操作的难点。
1.2.1 结合轧钢工艺模型虚拟轧钢系统结合了实际的轧钢机械,以实际机械为基础做出虚拟的数学三维模型,以真实机械的动作做出虚拟的模型动作。
以求达到真实的目的。