地质灾害评估野外调查记录表
- 格式:doc
- 大小:63.00 KB
- 文档页数:4
地质灾害野外调查表标准化管理处编码[BBX968T-XBB8968-NNJ668-MM9N]附表1-2 斜坡稳定性调查表调查负责人:填表人:审核人:填表日期:年月日调查单位:附表2-1 滑坡(潜在滑坡)调查表附表2-2 滑坡(潜在滑坡)调查表调查负责人:填表人:审核人:填表日期:年月日调查单位:附表3-1 崩塌(潜在崩塌)调查表附表3-2 崩塌(潜在崩塌)调查表调查负责人:填表人:审核人:填表日期:年月日调查单位附表4-1 泥石流(潜在泥石流)调查表附表4-2 泥石流(潜在泥石流)调查表调查负责人:填表人:审核人:填表日期:年月日调查单位:附表5 泥石流沟严重程度(易发程度)数量化表附表6-1 地面塌陷(潜在地面塌陷)调查表附表6-2 地面塌陷(潜在地面塌陷)调查表调查负责人:填表人:审核人:填表日期:年月日调查单位:填表说明:1.此表按第一塌陷区填写一张。
同一调查点(村、组、矿山等)有多个分离的塌陷区者,应分别填写。
2.每一塌陷区的填写代表性陷坑1-3个;有2个以上陷坑者,须填写陷坑群体特征。
3.情况符合“□”后面文字内容者,在“□”中打“√”;其它描述用文字填写。
附表7-1 地裂缝调查表附表7-2 地裂缝调查表调查负责人:填表人:审核人:填表日期:年月日调查单位:填表说明:1.此表按第一裂缝区填写一张。
同一调查点(村、组、矿山等)有多个分离的裂缝区者,应分别填写。
2.每一裂缝区的填写代表性单缝1-3条;有2条以上裂缝者,须填写群缝(组合发育)特征。
3.情况符合“□”后面文字内容者,在“□”中打“√”;其它描述用文字填写附表8 地面沉降调查表调查负责人:填表人:审核人:填表日期:年月日调查单位:附表9 地质灾害隐患点防灾预案表。
地质灾害野外调查表————————————————————————————————作者:————————————————————————————————日期:ﻩ附表1-1 斜坡稳定性调查表名称地理位置省县(市) 乡村社野外编号斜坡类型□自然□人工□岩质□土质坐标(m)X:Y:标高(m)坡顶坡脚室内编号经度:°′″纬度:°′″周边交通情况斜坡环境地质环境地层岩性地质构造微地貌地下水类型时代岩性产状构造部位地震烈度□陡崖□陡坡□缓坡□平台□孔隙水□裂隙水□岩溶水地理环境降雨量(mm)水文土地利用年均最大降雨量丰水位(m)枯水位(m)斜坡与河流位置□耕地□草地□灌木□森林□裸露□建筑日时□左岸□右岸□凹岸□凸岸斜坡基本特征外形特征坡高(m) 坡长(m) 坡宽(m)坡度(°)坡向(°) 坡面形态□凸□凹□直□阶结构特征岩质岩体结构斜坡结构类型结构类型厚度裂隙组数块度(长×宽×高(m))控制面结构全风化带深度(m)卸荷裂缝深度(m) 类型产状长度(m) 间距(m)土质土的名称及特征下伏基岩特征名称密实度稠度时代岩性产状埋深(m) □密□中□稍□松地下水埋深(m)露头补给类型□上升泉□下降泉□湿地□降雨□地表水□融雪□人工现今变形破坏迹象名称部位特征初现时间□拉张裂缝□剪切裂缝□地面隆起□地面沉降□剥、坠落□树木歪斜□建筑变形□冒渗混水附表1-2斜坡稳定性调查表可能失稳因素□降雨□地震□人工加载□开挖坡脚□坡脚冲刷□坡脚浸润□坡体切割□风化□卸荷□动水压力□爆破振动目前稳定程度□稳定性好□稳定性较差□稳定性差今后变化趋势□稳定性好□稳定性较差□稳定性差已造成危害损坏房屋毁路(m) 毁渠(m)其它危害直接损失(万元)灾情等级户间潜在危害威胁人口(人)威胁财产(万元) 险情等级影响范围监测现状监测建议□定期目视检查□安装简易监测设施□地面位移监测□深部位移监测防治建议□群测群防□专业监测□搬迁避让□工程治理群测人员手机电话防灾预案□有□无村长手机电话主管单位主管单位地址报警方法值班电话预定避灾地点人员撤离路线示意图平面图剖面图人员撤离路线图调查负责人:填表人:审核人: 填表日期:年月日调查单位:附表2-1滑坡(潜在滑坡)调查表名称地理位置省县(市) 乡村社野外编号室内编号坐标(m)X:Y:标高(m)冠趾滑坡年代发生时间:□老滑坡□现代滑坡年月日时分经度:°′″纬度:°′″周边交通情况滑坡类型□滑动□侧向扩离□流动□复合滑体性质□岩质□碎块石□土质滑坡环境地质环境地层岩性地质构造微地貌地下水类型时代岩性产状构造部位地震烈度□陡崖□陡坡□缓坡□平台□孔隙水□潜水□裂隙水□承压水□岩溶水□上层滞水自然地理环境降水量(mm) 水文年均日最大时最大洪水位(m) 枯水位(m) 滑坡相对河流位置□左□右□凹□凸原始斜坡坡高(m)坡度(°)坡形斜坡结构类型控滑结构面□凸形□凹形□平直□阶状类型产状滑坡基本特征外形特征长度(m)宽度(m)厚度(m)面积(m2)体积(m3)规模等级坡度(°) 坡向(°)平面形态剖面形态□半圆□矩形□舌形□不规则□凸形□凹形□直线□阶梯□复合结构特征滑体特征滑床特征岩性结构碎石含量(%) 块度(cm) 岩性时代产状□可辨层次□零乱(体积百分比)滑面及滑带特征形态埋深(m) 倾向(°) 倾角(°) 厚度(m) 滑带土名称滑带土性状地下水埋深(m) 露头补给类型□上升泉□下降泉□溢水点□降雨□地表水□人工□融雪土地使用□旱地□水田□草地□灌木□森林□裸露□建筑现今变形迹名称部位特征初现时间□拉张裂缝□剪切裂缝□地面隆起□地面沉降□剥、坠落□树木歪斜□建筑变形□渗冒混水附表2-2 滑坡(潜在滑坡)调查表影响因素地质因素□节理极度发育□结构面走向与坡面平行□结构面倾角小于坡角□软弱基座□透水层下伏隔水层□土体/基岩接触□破碎风化岩/基岩接触□强/弱风化层界面地貌因素□斜坡陡峭□坡脚遭侵蚀□超载堆积物理因素□风化□融冻□胀缩□累进性破坏造成的抗剪强度降低□孔隙水压力高□洪水冲蚀□水位陡降陡落□地震人为因素□削坡过陡□坡脚开挖□坡后加载□蓄水位降落□植被破坏□爆破振动□渠塘渗漏□灌溉渗漏主导因素□暴雨□地震□工程活动稳定性分析复活引发因素□降雨□地震□人工加载□开挖坡脚□坡脚冲刷□坡脚浸润□坡体切割□风化□卸荷□动水压力□爆破振动目前稳定状况□稳定性好□稳定性较差□稳定性差已造成危害毁坏房屋(间)死亡人口(人)直接损失(万元)灾情等级发展趋势分析□稳定性好□稳定性较差□稳定性差潜在威胁威胁户数威胁人口(人)威胁资产(万元)险情等级影响范围监测现状防治现状监测建议□定期目视检查□安装简易监测设施□地面位移监测□深部位移监测防治建议□群测群防□专业监测□搬迁避让□工程治理隐患点□是□否群测人员手机电话防灾预案□有□无村长手机电话主管单位主管单位地址报警方法值班电话预定避灾地点人员撤离路线滑坡示意图平面图剖面图撤离路线图调查负责人:填表人:审核人: 填表日期: 年月日调查单位:附表3-1崩塌(潜在崩塌)调查表名称地理位置省市区街道野外编号斜坡类型□自然□人工□岩质□土质坐标X:Y:标高(m)坡顶室内编号经度:°′″纬度:°′″坡脚周边交通情况崩塌类型□倾倒式□滑移式□鼓胀式□拉裂式□错断式崩塌环境地质环境地层岩性地质构造微地貌地下水类型时代岩性产状构造部位地震烈度□陡崖□陡坡□缓坡□平台□孔隙水□裂隙水□岩溶水地理环境降雨量(mm) 水文土地利用年均最大降雨量丰水位(m)枯水位(m)斜坡与河流位置□耕地□草地□灌木□森林□裸露□建筑日时□左岸□右岸□凹岸□凸岸崩塌基本特征危岩体外形特征坡高(m) 坡长(m)坡宽(m)规模(m3) 规模等级坡度(°) 坡向(°)结构特征岩质岩体结构斜坡结构类型结构类型厚度裂隙组数块度(长×宽×高(m))控制面结构全风化带深度(m)卸荷裂缝深度(m) 类型产状长度(m) 间距(m)土质土的名称及特征下伏基岩特征名称密实度稠度时代岩性产状埋深(m) □密□中□稍□松地下水埋深(m)露头补给类型□上升泉□下降泉□湿地□降雨□地表水□融雪□人工现今变形破坏迹象名称部位特征初现时间□拉张裂缝□剪切裂缝□地面隆起□地面沉降□剥、坠落□树木歪斜□建筑变形□冒渗混水堆积体特征长度(m)宽度(m)厚度(m)体积(m3)坡度(°)坡向(°)坡面形态稳定性□凸□凹□直□阶□稳定性好□稳定性较差□稳定性差附表3-2 崩塌(潜在崩塌)调查表可能失稳因素□降雨□地震□人工加载□开挖坡脚□坡脚冲刷□坡脚浸润□坡体切割□风化□卸荷□动水压力□爆破振动目前稳定程度□稳定性好□稳定性较差□稳定性差今后变化趋势□稳定性好□稳定性较差□稳定性差已造成危害死亡人口(人)损坏房屋毁路(m) 毁渠(m)其它危害直接损失(万元)灾情等级户间影响范围潜在危害威胁人口(人)威胁财产(万元)险情等级监测现状防治现状监测建议□定期目视检查□安装简易监测设施□地面位移监测防治建议□群测群防□专业监测□搬迁避让□工程治理隐患点□是□否群测人员手机电话防灾预案□有□无村长手机电话主管单位主管单位地址报警方法值班电话预定避灾地点人员撤离路线示意图平面图剖面图撤离路线图调查负责人: 填表人:审核人:填表日期: 年月日调查单位附表4-1 泥石流(潜在泥石流)调查表沟名野外编号室内编号地理位置E:行政区位省地区(州)县(市)高程最大标高N:乡(镇)村最小标高水系名称坐标X:Y:周边交通情况泥石流沟与主河关系主河名称泥石流沟位于主河的沟口至主河道距离(m) 流动方向□左岸□右岸泥石流沟主要参数、现状及灾害史调查水动力类型□暴雨□冰川□溃决□地下水沟口巨石大小(m)ΦaΦbΦc 泥砂补给途径□面蚀□沟岸崩滑□沟底再搬运补给区位置□上游□中游□下游降雨特征值H年max H年cp H日maxH日cp H时max H时cpH10分钟max H10分钟cp沟口扇形地特征扇形地完整性(%) 扇面冲淤变幅±发展趋势□下切□淤高扇长(m)扇宽(m) 扩散角(°)挤压大河□河形弯曲主流偏移□主流偏移□主流只在高水位偏移□主流不偏地质构造□顶沟断层□过沟断层□抬升区□沉降区□褶皱□单斜地震烈度(度)不良地质体情况滑坡活动程度□严重□中等□轻微□一般规模□大□中□小人工弃体活动程度□严重□中等□轻微□一般规模□大□中□小自然堆积活动程度□严重□中等□轻微□一般规模□大□中□小土地利用(%)森林灌丛草地缓坡耕地荒地陡坡耕地建筑用地其它防治措施现状□有□无类型□稳拦□排导□避绕□生物工程监测措施□有□无类型□雨情□泥位□专人值守威胁危害对象□城镇□村寨□铁路□公路□航运□饮灌渠道□水库□电站□工厂□矿山□农田□森林□输电线路□通讯设施□国防设施威胁人口(人) 威胁财产(万元) 险情等级影响范围灾害史发生时间(年/月/日)死亡人口(人)牲畜损失(头)房屋(间)农田(亩)公共设施直接损失(万元)灾情等级全毁半毁全毁半毁道路(km)桥梁(座)泥石流特征冲出方量(104m3)规模等级泥位(m)附表4-2 泥石流(潜在泥石流)调查表泥石流综合评判1.不良地质现象□严重□中等□轻微□一般2.补给段长度比(%) 3.沟口扇形地□大□中□小□无4.主沟纵坡(‰)5.新构造影响□强烈上升区□上升区□相对稳定区□沉降区6.植被覆盖率(%)7.冲淤变幅(m) ±8.岩性因素□土及软岩□软硬相间□风化和节理发育的硬岩□硬岩9.松散物储量(104m3/km2)10.山坡坡度(°)11.沟槽横断面□V型谷(谷中谷、U型谷)□拓宽U型谷□复式断面□平坦型12.松散物平均厚(m)13.流域面积(km2)14.相对高差(m) 15.堵塞程度□严重□中等□轻微□无评分1 2 3 4 5 6 7 8 9 1总分易发程度□易发□中等□不易发泥石流类型□泥流□泥石流□水石流发展阶段□形成期□发展期□衰退期□停歇或终止期监测建议□雨情□泥位□专人值守防治建议□群测群防□专业监测□搬迁避让□工程治理隐患点□是□否群测人员手机电话防灾预案□有□无村长手机电话主管单位主管单位地址报警方法值班电话预定避灾地点人员撤离路线示意图(平面图,剖面图,撤离路线图)调查负责人: 填表人: 审核人:填表日期: 年月日调查单位:附表5泥石流沟严重程度(易发程度)数量化表序号影响因素权重量级划分严重(A)得分中等(B)得分轻微(C)得分一般(D)得分1崩塌滑坡及水土流失(自然和人为的)的严重程度0.159崩塌滑坡等重力侵蚀严重,多深层滑坡和大型崩塌,表土疏松,冲沟十分发育21崩塌滑坡发育,多浅层滑坡和中小型崩塌,有零星植被覆盖,冲沟发育16有零星崩塌、滑坡和冲沟存在12无崩塌、滑坡、冲沟或发育轻微12 泥沙沿程补给长度比(%) 0.118>60 16 60-30 12 30-10 8 <10 13 沟口泥石流堆积活动0.108河形弯曲或堵塞,大河主流受挤压偏移14河形无较大变化,仅大河主流受迫偏移11河形无变化,大河主流在高水偏,低水不偏7 无河形变化, 主流不偏 14河沟纵破(度,‰)0.090>12°(213)1212°-6°(213-105)96°-3°(105-52)6<3°(52)15区域构造影响程度0.075 强抬升区,六级以上地震区9 抬升区,4-6级地震区,有中小支断层或无断层7相对稳定区,4级以下地震区,有小断层5沉降区,构造影响小或无影响16 流域植被覆盖率(%) 0.067<10 9 10-30 730-60 5 >60 17 河沟近期一次变幅(m)0.062>2 8 2-1 6 1-0.2 4 <0.2 18 岩性影响0.054 软岩、黄土 6 软硬相间5风化和节理发育的硬岩4硬岩19 沿沟松散物贮量(104m3/km2)0.054>10 610-5 5 5-1 4 <1 110 沟岸山坡坡度度(‰)0.045>32°(625)632°-25°(625-466)525°-15°(466-286)4<15°(268)111产沙区沟槽横断面0.036V型谷、谷中谷、U型谷 5 拓宽U型谷 4 复式断面 3 平坦型 112 产沙区松散物平均厚度(m)0.036>10 5 10-5 4 5-13<1 113流域面积(km2)0.036 <5 5 5-10410-100 3 >100114流域相对高差(m) 0.030>500 4500-300 3300-100 3 <100 115河沟堵塞程度0.030严 4 中 3 轻 2 无 1附表6-1地面塌陷(潜在地面塌陷)调查表名称地理位置省(市、区)县(市、区)乡村组编号野外:坐标经度: X:标高室内纬度:Y:周边交通情况发育特征陷坑单体坑号形状坑口规模(m2)深度(m)变形面积(m2)规模等级长轴方向充水水位深(m)水位变动(m)发生时间发展变化1□停止□尚在发展23陷坑群体坑数分布、发育及发生发展情况分布面积(km2)排列形式长列方向坑口口径(m) 坑的深度(m)最小最大最小最大始发时间盛发开始时间盛发截止时间停止时间尚在发展□趋增强□趋减弱伴生裂缝单缝特征缝号形态延伸方向倾向(°)倾角(°)长度(m)宽度(m) 深度(m)性质群缝特征分布、发育及发生发展情况缝数分布面积(km2)间距(m)排列形式产状阶步指向缝的规模长宽深最小最大塌陷区地貌特征□平原□山间凹地□河边阶地□山坡□山顶成因类型□岩溶型塌陷□土洞型塌陷□冒顶型塌陷形成条件地质环境条件塌陷地层时代及岩性:岩层产状:断裂情况:溶洞发育情况:岩层总体发育程度□强,□弱塌顶溶洞埋深m塌陷土层结构及土性□单层土性: 厚度m□双层上部土性:厚度m下部土性: 厚度m下伏基岩时代及岩性:塌陷岩土层时代及岩性:土层时代:土性:厚度:m岩层时代:岩性:厚度: m地下水位埋深m 地下水位埋深m 地下水位埋深m引发动力因素□地震□其它振动□地面加载□水库蓄水□其它水位骤变□溶蚀剥蚀□深井抽水井位在塌陷区的方向距离m,抽水降深m,日出水量m3,□江河水位变化河边在塌陷区的方向距离m,水位变幅m□地面加载□振动□坑道挖掘顶板冒落□洞室顶部破碎岩土体地下水流强烈下泄矿层厚度m,开采时间开采厚度m,开采深度m开采方法工作面推进速度m/d采出量m3,顶板管理方法重复采动□是□否采空区形态采空区规模m3附表6-2 地面塌陷(潜在地面塌陷)调查表灾害情况已有灾害损失潜在灾害预测毁田亩,毁房间,阻断交通:□铁路、□公路、□通讯小时陷坑发展预测潜在损害预测地面水源枯竭:□河水流量减少m3/S,□断流m3/S□井泉水流量减少m3/S□水位降低m,□干枯新增陷坑个扩大陷区km2毁田亩毁房间地下井巷突水:□水量增大m3/S,□成灾,损失; □淹井损失:出现新陷区处断路小时淹埋地面物资:面积km2其它死亡人口(人) 直接损失(万元)威胁人口(人)威胁财产(万元)灾情等级:险情等级:防治情况已采取的防治措施及效果今后防治建议隐患点□是□否防灾预案□有□无群测人员手机电话村长手机电话主管单位主管单位地址报警方法报警信号值班电话预定避灾地点人员撤离路线示意图平面图剖面图人员撤离路线图调查负责人:填表人:审核人:填表日期:年月日调查单位:填表说明:1.此表按第一塌陷区填写一张。
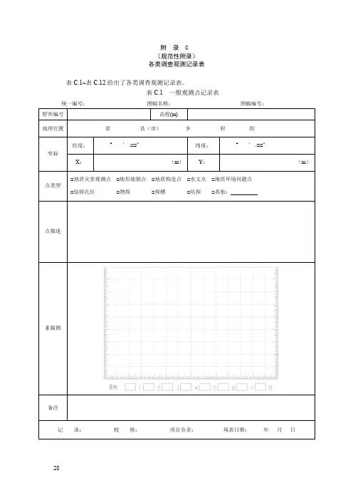
附录 C(规范性附录)各类调查观测记录表表C.1~表C.12给出了各类调查观测记录表。
表C.1 一般观测点记录表统一编号:图幅名称:图幅编号:28表C.2 工程地质条件调查表29表C.2 工程地质条件调查表(续)录:校核:项目负责:填表日期:年月日30表C.3 滑坡灾害及隐患调查表31表C.3 滑坡灾害及隐患调查表(续1)32表C.3 滑坡灾害及隐患调查表(续2)校核:项目负责:填表日期:年月日33表C.4 崩塌及危岩体调查表34表C.4 崩塌及危岩体调查表(续1)35表C.4 崩塌及危岩体调查表(续2)校核:项目负责:填表日期:年月日36表C.5 泥石流灾害及隐患调查表37表C.5 泥石流灾害及隐患调查表(续1)38表C.5 泥石流灾害及隐患调查表(续2)39表C.6 地面塌陷灾害及隐患调查表项目名称:图幅名:图幅编号:40表C.6 地面塌陷灾害及隐患调查表(续1)41表C.6 地面塌陷灾害及隐患调查表(续2)野外调查定点情况说明,是否为前期调查监测预警点,防治管理措施建议,以往工作程度,资料来源等;是否开展工程地质勘察、物探等;样品号照片编号录:校核:项目负责:填表日期:年月日42表C.7 地裂缝灾害及隐患和地震地表破裂调查表(与滑坡、崩塌、地面塌陷相伴生的地裂缝不填此表)项目名称:图幅名:图幅编号:43表C.7 地裂缝灾害及隐患和地震地表破裂调查表(续1)44表C.7 地裂缝灾害及隐患和地震地表破裂调查表(续2)补充性描述:野外调查定点情况说明,是否为前期调查监测预警点,防治管理措施建议,以往工作程度,资料来源等;是否开展工程地质勘察、物探等;样品号照片编号校核:项目负责:填表日期:年月45表C.8 工程地质钻探班报表46表C.9 工程地质钻探野外编录表47表C.10 坑探工程原始地质记录表48表C.11 坑探工程标本样品采集记录表49表C.12 浅井记录表50。
地质灾害野外调查表(总17
页)
-CAL-FENGHAI.-(YICAI)-Company One1
-CAL-本页仅作为文档封面,使用请直接删除
调查负责人:填表人:审核人:填表日期:年月日调查单位:
调查负责人:填表人:审核人:填表日期:年月日调查单位:
调查负责人:填表人:审核人:填表日期:年月日调查单位
调查负责人:填表人:审核人:填表日期:年月日调查单位:
附表6-1 地面塌陷(潜在地面塌陷)调查表
调查负责人:填表人:审核人:填表日期:年月
日
调查单位:
填表说明:
1.此表按第一塌陷区填写一张。
同一调查点(村、组、矿山等)有多个分离的塌陷区者,应分别填写。
2.每一塌陷区的填写代表性陷坑1-3个;有2个以上陷坑者,须填写陷坑群体特征。
3.情况符合“□”后面文字内容者,在“□”中打“√”;其它描述用文字填写。
调查负责人:填表人:审核人:填表日期:年月
日
调查单位:
填表说明:1.此表按第一裂缝区填写一张。
同一调查点(村、组、矿山等)有多个分离的裂缝区者,应分别填写。
2.每一裂缝区的填写代表性单缝1-3条;有2条以上裂缝者,须填写群缝(组合发育)特征。
3.情况符合“□”后面文字内容者,在“□”中打“√”;其它描述用文字填写
调查负责人:填表人:审核人:填表日期:年月日调查单位:
附表9 地质灾害隐患点防灾预案表。
地质灾害调查无人机航测成果记录表、地质灾害野外核查记录表(一)地质灾害是自然灾害中的一种,对人类造成了极大的伤害。
在地质灾害调查工作中,无人机航测成果记录表和地质灾害野外核查记录表是不可或缺的工具。
下面我们来了解一下这两个表格的作用和具体内容。
一、地质灾害调查无人机航测成果记录表无人机航测成果记录表是地质灾害调查中用于记录无人机航拍所得成果的表格,主要包括以下几个方面:1.基础信息:记录调查日期、调查地点、航拍时间等信息。
2.地形地貌:对航拍区域的地形地貌特征进行详细描述,如地势高低、地形起伏、植被覆盖等。
3.灾害信息:对航测区域内的地质灾害进行分类记录,包括滑坡、崩塌、泥石流等灾害类型。
4.灾害范围:记录灾害发生区域的范围,有助于制定灾害防范措施和应急预案。
5.灾害影响:记录灾害对周边环境、人民生产生活的影响。
通过填写地质灾害调查无人机航测成果记录表,可以帮助地质工作者更全面地了解航测区域内的地质灾害情况,为后期的防灾减灾工作提供重要数据支持。
二、地质灾害野外核查记录表地质灾害野外核查记录表是地质工作者在现场进行地质灾害野外调查时用于记录野外调查结果和情况的表格,主要包括以下内容:1.基础信息:记录调查日期、调查地点、调查人员、天气等基本信息。
2.调查对象:对野外调查的地质灾害对象进行详细描述,如滑坡、崩塌、泥石流等。
3.调查情况:记录调查过程中发现的问题、调查的方法和技术等情况,对现场环境、气候条件进行描述。
4.调查结论:对调查结果进行综合分析和判断,给出合理的结论和建议。
通过填写地质灾害野外核查记录表,地质工作者可以更全面、更准确地了解区域内的地质灾害情况,为应急预案制定和防灾减灾工作提供重要数据支持。
总之,地质灾害调查无人机航测成果记录表和地质灾害野外核查记录表都是地质灾害调查中不可或缺的工具,能够有效帮助地质工作者更好地了解地质灾害情况,为灾害防范和减灾工作提供数据支持。
DB33/T 2224-2019附录 A(规范性附录)野外踏勘记录表及填表说明A.1 野外踏勘记录表样式野外踏勘记录表样式见表A.1。
表A.1 野外踏勘记录表调查人:第页21DB33/T 2224-2019A.2 野外踏勘记录表填写说明A.2.1 每个观测点填制一张记录表。
A.2.2 土壤地质背景及成土母质类型:填写地质时代、地层代号、基岩岩性及母质类型等内容。
A.2.3 第四纪沉积物成因类型:冲积、坡积、残积、洪积、混积等。
A.2.4 土壤类型:填制亚类或土属。
土壤理化性质:填写土层厚度、紧实度、质地、有机质、土壤pH值、Eh等,现场实测或资料收集。
A.2.5 土体结构:土壤发生层、土壤构造与土体构型。
A.2.6 观察点周边土地利用情况:根据GB/T 21010,按实际情况填写。
其中,耕地、园地、林地按照二级类填写,其他按照一级类填写。
A.2.7 观察点周边作物种类及长势描述:填写作物实际种类及长势,重点描述地质背景差异与作物长势差异的对应性。
A.2.8 作物缺素或遭受土壤污染情况表现:缺铁、缺硼、缺钼、缺钾等特征描述,或明显遭受外源污表现染特征。
A.2.9 灌溉与排涝能力:机井、地表水体、沟渠等水利排灌设施是否完善。
A.2.10 基本农田建设及土地整治等情况:根据实际情况,填写高标准农田建设、中低产田改造、“旱改水”、表土剥离、覆土利用、低丘缓坡开发、滩涂造地等实际信息,若没有,填无。
A.2.11 粮食生产功能区和现代农业园区建设情况:根据实际情况,填写农业粮食生产功能区和现代农业园区建设的面积范围、历史、规模、级别、目标等信息。
A.2.12 周边环境及可能污染源:记录影响土地质量的周边环境,如企业、矿山、固废堆等污染源,同时了解污染类型、污染方式、主要污染物。
A.2.13 居民健康与长寿、地方病情况:有无地方性、群体性疾病,健康居民所占比例。
A.2.14 重要信息拍照及编号:记录重要的拍照内容及照片编号。
**县地质灾害详细调查项目遥感解译成果报告
附表二
2021年6月
1
地质灾害遥感调查记录表
遥感图像编号 GF1 地形图 编号
16
自然地理位置
**乡**村
遥
感 图 像
地 理 坐 标
N
38°16'2"N
X E
66°26'11"E Y
地质灾害类型
泥石流 是否威胁人员财产
是
遥感影像特征
泥石流堆积区的最低点为4237m ,物源区的最高点为4617
米,最高差约为380米,物源区呈漏斗型,流通区的沟床较为细直,沟槽较狭长,堆积区位于沟谷出口处,呈宽扇形,浅褐色调。
堆积区前缘有分散农户。
解 译 结 果
该点疑似为一小型规模泥石流,位于**乡**村,泥石流流域面积913915m 2
,主沟谷长约2089m ,堆积扇扩散角约35°,堆积扇半径约150m ,堆积扇面积约10000m 2
,体积约15000m 3
,沟口方向100°,威胁分散农户。
野外验证结果
该点验证为**乡**村**沟泥石流,位于**乡**村,坡向110°,体积18000m3,危险区面积118000m2,规模小型,威胁分散农户。
解译人解译时间2021年6月1日审核人解译点编号YG001
2。
附表 1-1 斜坡稳定性调查表名称省县(市)乡 村 社野外 斜 □自然 地 坐标 X: 标高 坡顶 编号 坡 □人工 理 (m)Y:(m)坡脚位室内 类 □岩质置经度:° ′ ″ 纬度:°′ ″编号型□土质周边交通情况地质 环境斜坡 环 境地理 环境外形 特征岩地层岩性时代岩性 产状降雨量( mm )最大降雨量年均日时坡高 (m)坡长 (m)结构类型厚度地质构造微地貌构造部位地震烈度□陡崖 □陡坡□缓坡 □平台水 文丰水位 枯水位斜坡与河流(m)(m)位 置□左岸 □右岸□凹岸 □凸岸 坡宽 (m)坡度 (°)坡向 (°)□凸 岩体结构裂隙组数块度 ( 长×宽×高 (m))地下水类型□孔隙水 □裂隙水□岩溶水土地利用□耕地 □草地□灌木 □森林□裸露 □建筑坡面形态□凹 □直 □阶斜坡结构类型结 构 质特 征控制面结构全风化带卸荷裂缝类 型 产 状 长度 (m) 间距 (m) 深度 (m)深度 (m)土的名称及特征下伏基岩特征斜 土 名称密实度 稠度时代岩性产状埋深 (m)坡 质 □密 □中 □稍 □松基本 埋深 (m) 露 头补给类型特地下水征□上升泉 □下降泉 □湿地□降雨 □地表水 □融雪 □人工名 称部位特征初现时间现 □拉张裂缝 今 □剪切裂缝变 □地面隆起形 □地面沉降 破 坏 □剥、坠落 迹 □树木歪斜 象□建筑变形□冒渗混水附表 1-2斜坡稳定性调查表可能失稳□降雨□地震□人工加载□开挖坡脚□坡脚冲刷□坡脚浸润□坡体切割因素□风化□卸荷□动水压力□爆破振动目前稳定□稳定性好□稳定性较差今后变化□稳定性好□稳定性较差程度□稳定性差趋势□稳定性差已造成损坏房屋毁路 (m)毁渠 (m)其它危害直接损失 (万元 )灾情等级危害户间潜在危害威胁人口 (人 )威胁财产 (万元 )险情等级影响范围监测现状监测建议□定期目视检查□安装简易监测设施□地面位移监测□深部位移监测防治建议□群测群防□专业监测□搬迁避让□工程治理群测人员手机电话防灾预案□有□无村长手机电话主管单位主管单位地址报警方法值班电话预定避灾人员撤离地点路线平面图剖面图示意图人员撤离路线图调查负责人:填表人:审核人:填表日期:年月日调查单位:附表 2-1 滑坡(潜在滑坡)调查表名称省县(市)乡 村 社野外室内地 坐标 X :标高 冠编号编号理(m)(m)趾滑坡年代发生时间:位 Y :置□老滑坡年 月 日经度:°′″纬度:°′ ″□现代滑坡时分周边交通情况滑坡 □滑动 □侧向扩离 □流动 □复合滑体性质□岩质 □碎块石 □土质类型地层岩性地质构造微地貌 地下水类型地地震 □陡崖质 时代岩性产状构造部位□孔隙水 □潜水烈度□陡坡环□裂隙水 □承压水境□缓坡□岩溶水 □上层滞水□平台滑自然降水量 (mm)水文坡环 地理 年均 日最大 时最大洪水位 (m)枯水位 (m)滑坡相对河流位置境环境□左□右 □凹 □凸坡高 坡度 坡形斜坡结构控滑结构面原始 (m)(° )类型斜坡□凸形 □凹形 类型□平直 □阶状产状长度 宽度 厚度 面积 体积 规模等级坡度 (°)坡向 (°)(m)(m)(m)(m 2)(m 3) 外形特征平面形态剖面形态□半圆 □矩形 □舌形 □不规则□凸形 □凹形 □直线 □阶梯 □复合滑体特征滑床特征岩性结构碎石含量 (%)块度 (cm)岩性时代产状结构□可辨层次□零乱( 体积百分比 )特征滑面及滑带特征滑 形态埋深 (m)倾向 (°)倾角 (°)厚度 (m)滑带土名称滑带土性状坡基本 地下 埋深 (m)露头 补给类型特征水□上升泉 □下降泉 □溢水点□降雨 □地表水 □人工 □融雪土地使用□旱地 □水田 □草地 □灌木 □森林□裸露 □建筑名称部位特征初现时间□拉张裂缝 现 □剪切裂缝 今 □地面隆起变 □地面沉降形□剥、坠落迹 象□树木歪斜 □建筑变形□渗冒混水附表 2-2滑坡(潜在滑坡)调查表地质□节理极度发育□结构面走向与坡面平行□结构面倾角小于坡角□软弱基座因素□透水层下伏隔水层□土体 / 基岩接触□破碎风化岩 /基岩接触□强 /弱风化层界面地貌因素□斜坡陡峭□坡脚遭侵蚀□超载堆积影物理□风化□融冻□胀缩□累进性破坏造成的抗剪强度降低□孔隙水压力高响因因素□洪水冲蚀□水位陡降陡落□地震素人为□削坡过陡□坡脚开挖□坡后加载□蓄水位降落□植被破坏□爆破振动因素□渠塘渗漏□灌溉渗漏主导因素□暴雨□地震□工程活动复活引发□降雨□地震□人工加载□开挖坡脚□坡脚冲刷□坡脚浸润□坡体切割因素□风化□卸荷□动水压力□爆破振动目前稳定□稳定性好已造成毁坏房屋死亡人口直接损失□稳定性较差(间 )(人)(万元 )灾情等级状况危害□稳定性差稳□稳定性好威胁人口威胁资产定性发展趋势□稳定性较差潜在威胁户数(人)(万元 )险情等级分分析威胁析□稳定性差影响范围监测现状防治现状监测建议□定期目视检查□安装简易监测设施□地面位移监测□深部位移监测防治建议□群测群防□专业监测□搬迁避让□工程治理隐患点□是□否群测人员手机电话防灾预案□有□无村长手机电话主管单位主管单位地址报警方法值班电话预定避灾人员撤离地点路线平面图剖面图滑坡示意图撤离路线图调查负责人:填表人:审核人:填表日期:年月日调查单位:名称野外编号室内编号周边交通情况崩塌□倾倒式类型附表 3-1崩塌(潜在崩塌)调查表省市区街道斜□自然地X:坡顶坐 Y:坡□人工理标高位标类□岩质(m)置经度:°′″型□土质坡脚纬度:°′″□滑移式□鼓胀式□拉裂式□错断式地质环境崩塌环境地理环境危岩体外形特征地层岩性地质构造时代岩性产状构造部位地震烈度降雨量( mm)水最大降雨量丰水位枯水位年均时(m)(m)日坡高 (m)坡长(m)坡宽(m)规模(m3)微地貌地下水类型□陡崖□陡坡□孔隙水□裂隙水□缓坡□平台□岩溶水文土地利用斜坡与河流位□耕地□草地置□灌木□森林□左岸□右岸□裸露□建筑□凹岸□凸岸规模等级坡度(°)坡向(°)岩结构质特征岩体结构斜坡结构类型结构类型厚度裂隙组数块度 ( 长×宽×高 (m))控制面结构全风化带卸荷裂缝类型产状长度 (m)间距 (m)深度 (m)深度 (m)土的名称及特征下伏基岩特征土名称密实度稠度时代岩性产状埋深 (m)崩质□密□中□稍□松塌埋深 (m)露头补给类型基地下水本□上升泉□下降泉□湿地□降雨□地表水□融雪□人工特征名称部位特征初现时间现今变形破坏迹象堆积体特征□拉张裂缝□剪切裂缝□地面隆起□地面沉降□剥、坠落□树木歪斜□建筑变形□冒渗混水长度宽度厚度体积坡度坡向坡面形态(m)(m)(m)(m3 )( °)( ° )□凸□凹□直□阶稳定性□稳定性好□稳定性较差□稳定性差附表 3-2崩塌(潜在崩塌)调查表可能失稳□降雨□地震□人工加载□开挖坡脚□坡脚冲刷□坡脚浸润□坡体切割因素□风化□卸荷□动水压力□爆破振动目前稳定□稳定性好□稳定性较差今后变化□稳定性好□稳定性较差程度□稳定性差趋势□稳定性差死亡人口毁路 (m)毁渠 (m)直接损失已造成(人)损坏房屋其它危害灾情等级危害(万元)户间影响范围潜在危害威胁人口 (人)威胁财产 ( 万元 )险情等级监测现状防治现状监测建议□定期目视检查□安装简易监测设施□地面位移监测防治建议□群测群防□专业监测□搬迁避让□工程治理隐患点□是□否群测人员手机电话防灾预案□有□无村长手机电话主管单位主管单位地址报警方法值班电话预定避灾人员撤离地点路线平面图剖面图示意图撤离路线图调查负责人:填表人:审核人:填表日期:年月日调查单位附表 4-1泥石流(潜在泥石流)调查表沟名 野外编号室内编号地理 E: 行政 省地区 (州) 县( 市)高 最大标高位置 N:区位乡( 镇)村程最小标高水系X :名称坐标Y :周边交通情况泥石流沟与主河关系主河名称泥石流沟位于主河的沟口至主河道距离 (m)流动方向□左岸 □右岸泥石流沟主要参数、现状及灾害史调查水动力类型 □暴雨 □冰川 □溃决 □地下水 沟口巨石大小 (m) Φ aΦ bΦc泥砂补给途径 □面蚀 □沟岸崩滑 □沟底再搬运 补给区位置□上游 □中游 □下游降雨特征值H 年 maxH 年 cpH 日 max H 日 cpH 时 maxH 时 cpH 10 分钟 maxH 10 分钟 cp沟口扇形地特征地质构造不良地质体情况土地利用 (%)防治措施现状监测措施威胁危害对象扇形地完整性 (%)扇面冲淤变幅 ± 发展趋势□下切 □淤高扇长 (m)扇宽 (m)扩散角 (° )挤压大河□河形弯曲主流偏移 □主流偏移 □主流只在高水位偏移 □主流不偏□顶沟断层 □过沟断层 □抬升区 □沉降区 □褶皱 □单斜 地震烈度 (度 )滑坡活动程度 □严重 □中等 □轻微 □一般 规模 □大 □中 □小 人工弃体 活动程度 □严重 □中等 □轻微 □一般 规模 □大 □中 □小 自然堆积活动程度 □严重□中等 □轻微 □一般规模□大 □中 □小森林灌丛草地缓坡耕地 荒地陡坡耕地建筑用地其它□有 □无 类型 □稳拦 □排导 □避绕 □生物工程□有 □无类型□雨情 □泥位□专人值守□城镇 □村寨 □铁路 □公路 □航运 □饮灌渠道 □水库 □电站 □工厂 □矿山□农田 □森林 □输电线路 □通讯设施 □国防设施威胁人口 (人)威胁财产 (万元 )险情等级影响范围发生时 死亡房屋(间)农田(亩)公共设施 灾情间(年/ 牲畜损道路 直接损失 人口全毁半毁全毁半毁桥梁 等级月/日)失(头)(km ) (万元)(人 )(座)灾 害 史泥石流特征冲出方量规模等级 泥位 (m)( 104m 3)附表 4-2泥石流(潜在泥石流)调查表泥石流综合评判1.不良地质现象3.沟口扇形地5.新构造影响7.冲淤变幅(m)9.松散物储量(10 4m3/km 2)12.松散物平均厚 (m)14.相对高差(m)评分□严重□中等□轻微□一般2.补给段长度比(%)□大□中□小□无4.主沟纵坡(‰)□强烈上升区□上升区6.植被覆盖率(%)□相对稳定区□沉降区±8.岩性因素□土及软岩□软硬相间□风化和节理发育的硬岩□硬岩10.山坡11.沟槽横断面□V 型谷(谷中谷、 U 型谷)坡度(°)□拓宽 U 型谷□复式断面□平坦型13.流域面积(km2)15.堵塞程度□严重□中等□轻微□无123456789101112131415总分易发程度□易发□中等□不易发泥石流类型□泥流□泥石流□水石流发展阶段□形成期□发展期□衰退期□停歇或终止期监测建议□雨情□泥位□专人值守防治建议□群测群防□专业监测□搬迁避让□工程治理隐患点□是□否群测人员手机电话防灾预案□有□无村长手机电话主管单位主管单位地址报警方法值班电话人员撤预定避灾地点离路线示意图(平面图,剖面图,撤离路线图)调查负责人:填表人:审核人:填表日期:年月日调查单位:附表 5泥石流沟严重程度(易发程度)数量化表序影响因素权重号崩塌滑坡及水土流失( 自10.159然和人为的 )的严重程度严重( A)崩塌滑坡等重力侵蚀严重,多深层滑坡和大型崩塌,表土疏松,冲沟十分发育量级划分得分中等( B)得分轻微( C)得分一般( D)得分崩塌滑坡发育,多浅层21滑坡和中小型崩塌,有16有零星崩塌、滑坡和冲12无崩塌、滑坡、冲沟或1零星植被覆盖,冲沟发沟存在发育轻微育2泥沙沿程补给长度比 (%)0.118>601660-301230-108<101河形弯曲或堵塞,大河主流河形无较大变化,仅大河形无变化,大河主流无河形变化,主流不3沟口泥石流堆积活动0.108受挤压偏移14河主流受迫偏移11在高水偏,低水不偏7偏14河沟纵破(度,‰)0.090>12°1212°- 6°96°- 3°6<3°1(213)(213 -105)( 105-52)(52)抬升区, 4- 6级地震相对稳定区, 4 级以下沉降区,构造影响小或区,有中小支断层或无5区域构造影响程度0.075强抬升区,六级以上地震区97地震区,有小断层5无影响1断层6流域植被覆盖率 (%)0.067<10910-30730-605>601 7河沟近期一次变幅 (m)0.062>282-161-0.24<0.218岩性影响0.054软岩、黄土6软硬相间5风化和节理发育的硬4硬岩1岩9沿沟松散物贮量0.054>10610-555-14<11 (10 4m3/km2)10沟岸山坡坡度度(‰)0.045>32°632°- 25°525°- 15°4<15°1(625)(625 -466)( 466-286 )(268)11产沙区沟槽横断面0.036V 型谷、谷中谷、 U 型谷5拓宽U型谷4复式断面3平坦型112产沙区松散物平均厚度0.036>10510-545-13<11 (m)13流域面积 (km 2)0.036<555-10410-1003>1001 14流域相对高差 (m)0.030>5004500- 3003300-1003<1001 15河沟堵塞程度0.030严4中3轻2无1附表 6-1地面塌陷(潜在地面塌陷)调查表名称地理省(市、区)县(市、区)乡村组野外:坐经度:X:编号位置标高室内标纬度:Y:周边交通情况坑号陷坑1单体23坑陷数发坑育群特体征坑口深度变形规模长轴充水水位发生形状规模面积水位变动等级方向发展变化(m2)(m)(m2 )深(m)(m)时间□停止□尚在发展分布、发育及发生发展情况分布面排列长列坑的深度 (m)积 (km2)形式坑口口径 (m)方向最小最大最小最大始发盛发开盛发截止时间停止尚在发展时间始时间时间□趋增强□趋减弱单缝号形态延伸倾向倾角长度宽度 (m)深度 (m)性质方向(°)(°)(m)缝特伴征生分布、发育及发生发展情况裂群分布面间距排列阶步缝的规模缝缝缝数产状积(km 2)(m)形式指向长宽深特征最小最大塌陷区地貌特征□平原成因类型□岩溶型塌陷塌陷地层时代及岩性:地岩层产状:断裂情况:质溶洞发育情况:环岩层总体发育程度境□强,□弱条塌顶溶洞埋深m 件形地下水位埋深m 成条件引□地震发□其它振动动□地面加载力□水库蓄水因□其它水位骤变素□溶蚀剥蚀□山间凹地□河边阶地□山坡□山顶□土洞型塌陷□冒顶型塌陷塌陷土层结构及土性□单层塌陷岩土层时代及岩性:土性:厚度m□双层土层时代:上部土性:厚度m土性:厚度:m 下部土性:厚度m岩层时代:m 下伏基岩时代及岩性:岩性:厚度:地下水位埋深m地下水位埋深m□坑道挖掘顶板冒落□洞室顶部破碎岩土体地下水流□深井抽水强烈下泄井位在塌陷区的方向矿层厚度m,开采时间距离m,抽水降深m,开采厚度m,开采深度m 日出水量m3,开采方法□江河水位变化工作面推进速度m/d河边在塌陷区的方向采出量m3,距离m,水位变幅m顶板管理方法□地面加载□振动重复采动□是□否采空区形态采空区规模m3附表 6-2地面塌陷(潜在地面塌陷)调查表已有灾害损失潜在灾害预测毁田亩,毁房间,阻断交通:陷坑发展预测潜在损害预测□铁路、□公路、□通讯小时地面水源枯竭:□河水流量减少m3/S,□ 断流m 3/S灾□ 井泉水流量减少3 m /S害□ 水位降低m,□ 干枯情地下井巷突水:□水量增大 m3/S,□ 成灾,损况失;□ 淹井损失:淹埋地面物资:死亡人口(人)直接损失(万元)新增陷坑个毁田亩扩大陷区km2毁房间出现新陷区处断路小时面积km2其它威胁人口(人)威胁财产(万元)灾情等级:险情等级:防已采取的防治措施及效果今后防治建议治情况隐患点□是□否防灾预案□有□无群测人员手机电话村长手机电话主管单位主管单位地址报警方法报警信号值班电话预定避灾地人员撤离路点线平面图示剖面图意图人员撤离路线图调查负责人:填表人:审核人:填表日期:年月日调查单位:填表说明:1.此表按第一塌陷区填写一张。
附表1-2 斜坡稳定性调查表
调查负责人:填表人:审核人:填表日期:年月日调查单位:
附表2-1 滑坡(潜在滑坡)调查表
附表2-2 滑坡(潜在滑坡)调查表
调查负责人:填表人:审核人:填表日期:年月日调查单位:
附表3-1 崩塌(潜在崩塌)调查表
附表3-2 崩塌(潜在崩塌)调查表
调查负责人:填表人:审核人:填表日期:年月日调查单位
附表4-1 泥石流(潜在泥石流)调查表
附表4-2 泥石流(潜在泥石流)调查表
调查负责人:填表人:审核人:填表日期:年月日调查单位:
附表5 泥石流沟严重程度(易发程度)数量化表
附表6-1 地面塌陷(潜在地面塌陷)调查表
附表6-2 地面塌陷(潜在地面塌陷)调查表
调查负责人:填表人:审核人:填表日期:年月日调查单位:
填表说明:
1.此表按第一塌陷区填写一张。
同一调查点(村、组、矿山等)有多个分离的塌陷区者,应分别填写。
2.每一塌陷区的填写代表性陷坑1-3个;有2个以上陷坑者,须填写陷坑群体特征。
3.情况符合“□”后面文字内容者,在“□”中打“√”;其它描述用文字填写。
附表7-2 地裂缝调查表
调查负责人:填表人:审核人:填表日期:年月日调查单位:
填表说明:1.此表按第一裂缝区填写一张。
同一调查点(村、组、矿山等)有多个分离的裂缝区者,应分别填写。
2.每一裂缝区的填写代表性单缝1-3条;有2条以上裂缝者,须填写群缝(组合发育)特征。
3.情况符合“□”后面文字内容者,在“□”中打“√”;其它描述用文字填写
附表8 地面沉降调查表
调查负责人:填表人:审核人:填表日期:年月日
附表9 地质灾害隐患点防灾预案表。
附表1-1 斜坡稳定性调查表
附表1-2 斜坡稳定性调查表
调查负责人:填表人:审核人:填表日期:年月日调查单位:
附表2-1 滑坡(潜在滑坡)调查表
附表2-2 滑坡(潜在滑坡)调查表
调查负责人:填表人:审核人:填表日期:年月日调查单位:
附表3-1 崩塌(潜在崩塌)调查表
附表3-2 崩塌(潜在崩塌)调查表
调查负责人:填表人:审核人:填表日期:年月日调查单位
附表4-1 泥石流(潜在泥石流)调查表
附表4-2 泥石流(潜在泥石流)调查表
调查负责人:填表人:审核人:填表日期:年月日调查单位:
附表6-1 地面塌陷(潜在地面塌陷)调查表
调查负责人:填表人:审核人:填表日期:年月日调查单位:
填表说明:
1.此表按第一塌陷区填写一张。
同一调查点(村、组、矿山等)有多个分离的塌陷区者,应分别填写。
2.每一塌陷区的填写代表性陷坑1-3个;有2个以上陷坑者,须填写陷坑群体特征。
3.情况符合“□”后面文字内容者,在“□”中打“√”;其它描述用文字填写。
附表7-1 地裂缝调查表
调查负责人:填表人:审核人:填表日期:年月日调查单位:
填表说明:1.此表按第一裂缝区填写一张。
同一调查点(村、组、矿山等)有多个分离的裂缝区者,应分别填写。
2.每一裂缝区的填写代表性单缝1-3条;有2条以上裂缝者,须填写群缝(组合发育)特征。
3.情况符合“□”后面文字内容者,在“□”中打“√”;其它描述用文字填写
调查负责人:填表人:审核人:填表日期:年月日调查单位:
附表9 地质灾害隐患点防灾预案表。