设备维修验收单
- 格式:xlsx
- 大小:10.18 KB
- 文档页数:1
维修单:维修单是产品或设备维修情况的记录,可用于维修凭证、产品或设备的档案管理。
定义:维修单是指产品或设备技术状态劣化或发生故障后,为了恢复其功能而进行技术活动所需要的凭证。
主要内容:设备维修的基本内容包括:设备维护保养、设备检查和设备修理。
设备维护保养:设备维护保养的内容是保持设备清洁、整齐、润滑良好、安全运行,包括及时紧固松动的紧固件,调整活动部分的间隙等。
简言之,即“清洁、润滑、紧固、调整、防腐”十字作业法。
实践证明,设备的寿命在很大程度上决定于维护保养的好坏。
维护保养依工作量大小和难易程度分为日常保养、一级保养、二级保养、三级保养等。
日常保养:又称例行保养。
其主要内容是:进行清洁、润滑、紧固易松动的零件,检查零件、部件的完整。
这类保养的项目和部位较少,大多数在设备的外部。
一级保养:主要内容是:普遍地进行拧紧、清洁、润滑、紧固,还要部分地进行调整。
日常保养和一级保养一般由操作工人承担。
二级保养:主要内容包括内部清洁、润滑、局部解体检查和调整。
三级保养:主要是对设备主体部分进行解体检查和调整工作,必要时对达到规定磨损限度的零件加以更换。
此外,还要对主要零部件的磨损情况进行测量、鉴定和记录。
二级保养、三级保养在操作工人参加下,一般由专职保养维修工人承担。
在各类维护保养中,日常保养是基础。
保养的类别和内容,要针对不同设备的特点加以规定,不仅要考虑到设备的生产工艺、结构复杂程度、规模大小等具体情况和特点,同时要考虑到不同工业企业内部长期形成的维修习惯。
设备检查:设备检查,是指对设备的运行情况、工作精度、磨损或腐蚀程度进行测量和校验。
通过检查全面掌握机器设备的技术状况和磨损情况,及时查明和消除设备的隐患,有目的地做好修理前的准备工作,以提高修理质量,缩短修理时间。
检查按时间间隔分为日常检查和定期检查。
日常检查由设备操作人员执行,同日常保养结合起来,目的是及时发现不正常的技术状况,进行必要的维护保养工作。
工艺处置交出单注:工艺处置交出单一式二联,第一联,为生产中心存档保存(白);第二联,为检修单位存档保存(黄)作业证申请作业单位:作业申请人:作业地点(设备/位号):作业内容:工艺处理方式:□隔离□泄压□置换□加热□冷却□吹扫□排液□冲洗□断电□其他:作业时间:年月日时分至年月日时分工艺处置方案危险源辨识及安全防范措施□易燃易爆气体□爆炸性粉尘□有毒气体□高压□触电□危害健康粉尘□窒息性气体□高空落物□高温□有毒液体□外露转动部位□腐蚀性液体□高处坠落□噪声其它:□空气呼吸器□使用防爆工具□防化服□戴安全帽□佩戴逃生面罩□需要编制工艺处置方案□戴耳塞□连续监护□现场照明符合要求□戴防护眼镜或防护面罩□戴防护手套□戴防尘口罩□处理设备应有效隔离□工艺处理前进行安全教育□气体探测仪□连体工作服□佩戴安全带或安全绳□区域应设置隔离或警示标志□消防通道畅通□佩过滤式呼吸器其它工艺处理安全措施:作业单位安全员:工艺交出结果分析取样地点取样时间O 2%易燃气体有毒气体其它结论分析人员工艺技术员:检修单位负责人:中心负责人:安全环保中心:生产调度中心:公司主管领导:设备检修验收单设备名称:设备编号:维修项目:申请人:故障描述:维修开始时间:完成时间:文明检修验收总则:1.作业单位接到任务积极主动,检修工作按时完成;2.检修过程中文明检修,规范作业;3.严格遵守《检修作业管理制度》。
填单要求:1.符合项在括号()内打“√”。
2.《设备检修验收单》由检修中心妥善保管、备查。
验收要求1.设备内无工具、材料等物品,无检修废料、杂物垃圾残留,工完、料尽、场地清;检修所用的工机具、脚手架,临时电线、开关,临时用的警告标志等清出现场。
()2.设备全面恢复原技术性能,精度应达到质量标准要求,配齐安全装置和必要的附件。
()3.检修所用的盲板,按预设的“抽加盲板流程图”和编号如数抽回或加入;设备标志、管线流向标志正确、清晰、齐全。
维修验收单模板通用-回复什么是维修验收单?维修验收单是指在维修工作完成后,由维修人员填写的一份报告,以记录维修过程中的具体情况和维修结果。
它是维修工作的重要一环,对于保证维修质量、避免纠纷以及合理评价维修效果都起着重要作用。
维修验收单模板通用是指在维修验收单的编写过程中,遵循一定的规范和模式。
这样做的好处是可以确保维修验收单的统一性,方便日后的查询和查阅。
下面是一份通用的维修验收单模板,可供参考:维修验收单维修单号:[填写维修单号]维修日期:[填写维修结束日期]维修地点:[填写维修地点]维修项目:[填写维修的具体项目]维修人员:[填写维修人员姓名]维修问题描述及处理措施:[此处详细描述维修过程中出现的问题情况,以及采取的具体处理措施]维修所用材料及设备:[列出维修过程中使用的所有材料和设备,包括型号、数量等详细信息]维修结果:[描述维修结束后的结果,包括维修质量、是否达到预期目标等内容]维修费用及结算情况:[填写维修过程中产生的费用及结算方式]维修验收人:[填写维修工作的验收人姓名及签字]以上就是维修验收单模板的基本内容,根据实际情况,可以根据需要添加或修改其中的信息。
编写维修验收单的步骤如下:步骤一:了解维修的具体情况和要求在编写维修验收单之前,首先要了解维修的具体情况和要求。
这包括维修的项目、维修地点以及维修的时间等信息。
只有准确了解了这些信息,才能更好地编写出符合实际要求的验收单。
步骤二:填写维修问题描述及处理措施在维修验收单中描述维修过程中出现的问题情况,并详细说明采取的处理措施。
这样可以明确维修人员在维修过程中所遇到的困难和解决的方法。
这项内容有助于后续的问题分析和处理。
步骤三:列出维修所用材料及设备维修验收单应当列出维修过程中所使用的所有材料和设备,包括型号、数量等详细信息。
这样可以清楚地记录下维修过程中所用的工具和材料,并方便后续的追溯和查阅。
步骤四:描述维修结果和质量评估在维修验收单中应当详细描述维修结束后的结果,包括维修质量和是否达到预期目标等内容。
设备维修改造验收单一、设备基本信息设备名称:_____设备型号:_____设备编号:_____所属部门:_____二、维修改造原因1、设备故障描述设备在运行过程中出现频繁死机、卡顿的情况,严重影响了工作效率。
部分关键部件磨损严重,导致设备精度下降,无法满足生产需求。
2、维修改造需求对设备的硬件进行全面检测和维修,更换损坏的部件。
优化设备的软件系统,提高运行稳定性和响应速度。
对设备的结构进行调整和改进,以增强其稳定性和可靠性。
三、维修改造内容1、硬件维修更换了主板上的故障芯片,解决了死机和卡顿的问题。
更换了磨损的传动部件,如皮带、齿轮等,提高了设备的精度。
对电源模块进行了检修和维护,确保供电稳定。
2、软件优化升级了设备的操作系统,修复了已知的漏洞和错误。
优化了设备的控制程序,提高了响应速度和运行效率。
3、结构改进加固了设备的框架结构,增加了支撑点,提高了设备的稳定性。
调整了设备的布局,使操作更加方便和人性化。
四、维修改造实施情况1、维修改造时间开始时间:_____结束时间:_____2、维修改造单位单位名称:_____联系人:_____联系电话:_____3、维修改造人员主要维修人员:_____协助人员:_____五、验收标准及方法1、验收标准设备能够正常稳定运行,不再出现死机、卡顿等故障。
设备精度达到生产要求,各项性能指标符合相关标准。
设备的操作方便、安全,结构稳定可靠。
2、验收方法进行连续运行测试,观察设备在长时间运行中的稳定性。
使用专业检测工具对设备的精度进行检测和校准。
操作人员进行实际操作,评估设备的操作便捷性和安全性。
六、验收结果1、硬件验收经过检测,更换的硬件部件工作正常,无异常发热、噪音等现象。
设备的整体稳定性得到明显提升,能够承受长时间的运行。
2、软件验收操作系统和控制程序运行流畅,响应速度快,未出现死机、报错等问题。
软件的功能满足生产需求,操作界面简洁易懂。
3、结构验收设备的框架结构牢固,无晃动、变形等情况。
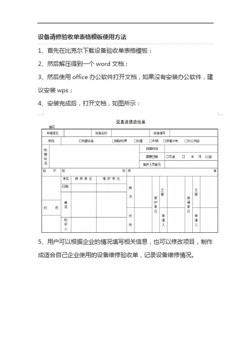
设备维修验收单模板日期,______________。
设备名称,______________。
设备编号,______________。
维修项目,______________。
维修人员,______________。
验收人员,______________。
验收日期,______________。
验收结果,______________。
备注,______________。
一、设备基本信息。
1. 设备名称,______________。
2. 设备型号,______________。
3. 设备编号,______________。
4. 使用部门,______________。
5. 使用地点,______________。
6. 设备负责人,______________。
二、维修项目描述。
1. 维修内容,______________。
3. 维修时间,______________。
4. 维修人员,______________。
5. 维修费用,______________。
三、验收内容。
1. 设备外观检查,______________。
2. 设备功能检查,______________。
3. 设备安全性检查,______________。
4. 设备运行稳定性检查,______________。
5. 其他需要验收的内容,______________。
四、验收结果。
1. 设备外观,______________(正常/异常)。
2. 设备功能,______________(正常/异常)。
3. 设备安全性,______________(正常/异常)。
4. 设备运行稳定性,______________(正常/异常)。
五、验收人员意见。
1. 验收人员,______________。
2. 验收日期,______________。
3. 验收结果,______________。
六、备注。
1. 其他需要说明的情况,______________。
维修单:维修单是产品或设备维修情况的记录,可用于维修凭证、产品或设备的档案管理。
设备维护保养:设备维护保养的内容是保持设备清洁、整齐、润滑良好、安全运行,包括及时紧固松动的紧固件,调整活动部分的间隙等。
简言之,即“清洁、润滑、紧固、调整、防腐”十字作业法。
实践证明,设备的寿命在很大程度上决定于维护保养的好坏。
维护保养依工作量大小和难易程度分为日常保养、一级保养、二级保养、三级保养等。
日常保养:又称例行保养。
其主要内容是:进行清洁、润滑、紧固易松动的零件,检查零件、部件的完整。
这类保养的项目和部位较少,大多数在设备的外部。
一级保养:主要内容是:普遍地进行拧紧、清洁、润滑、紧固,还要部分地进行调整。
日常保养和一级保养一般由操作工人承担。
二级保养:主要内容包括内部清洁、润滑、局部解体检查和调整。
三级保养:主要是对设备主体部分进行解体检查和调整工作,必要时对达到规定磨损限度的零件加以更换。
此外,还要对主要零部件的磨损情况进行测量、鉴定和记录。
二级保养、三级保养在操作工人参加下,一般由专职保养维修工人承担。
在各类维护保养中,日常保养是基础。
保养的类别和内容,要针对不同设备的特点加以规定,不仅要考虑到设备的生产工艺、结构复杂程度、规模大小等具体情况和特点,同时要考虑到不同工业企业内部长期形成的维修习惯。
设备检查:设备检查,是指对设备的运行情况、工作精度、磨损或腐蚀程度进行测量和校验。
检查按时间间隔分为日常检查和定期检查。
日常检查由设备操作人员执行,同日常保养结合起来,目的是及时发现不正常的技术状况,进行必要的维护保养工作。
定期检查是按照计划,在操作者参加下,定期由专职维修工执行。
目的是通过检查,全面准确地掌握零件磨损的实际情况,以便确定是否有进行修理的必要。
检查按技术功能,可分为机能检查和精度检查。
机能检查是指对设备的各项机能进行检查与测定,如是否漏油、漏水、漏气,防尘密闭性如何,零件耐高温、高速、高压的性能如何等。
煤矿设备维修工程验收单验收单位(甲方):煤矿名称工程名称:煤矿设备维修工程施工单位(乙方):维修公司名称一、工程概况:煤矿设备维修工程旨在保障矿井设备的正常运转,确保生产作业的连续性和安全性。
本次维修工程涉及以下设备:1. 设备名称: [请填写具体设备名称]设备型号: [请填写设备的型号]维修范围: [请填写需要维修的具体部位]维修时间: [请填写维修开始和结束的时间]2. 设备名称: [请填写具体设备名称]设备型号: [请填写设备的型号]维修范围: [请填写需要维修的具体部位]维修时间: [请填写维修开始和结束的时间]二、工程验收过程:根据合同要求,经双方派员共同到场,进行现场勘查和设备维修工作的质量检查,以下为验收过程的详细记录:1. 现场勘查:[请书写详细的勘查记录和问题描述]2. 设备维修工作:[请书写维修过程和维修结果记录]三、工程验收结论:经双方共同努力,对煤矿设备维修工程进行全面检查和评估,达成以下工程验收结论:1. 修复情况:[请填写设备的修复情况,如修复成功或存在问题]2. 维修质量:[请填写对维修质量的评价,如是否符合合同要求]3. 待改进事项:[请填写存在的问题和需要改进的方面]4. 验收结果:[请填写验收结果,如通过验收或需要进一步处理]四、工程结算:根据合同约定,甲方应向乙方支付相应的工程费用。
以下是工程费用的结算细节:1. 维修费用:[请填写合同中约定的维修费用]2. 其他费用:[请填写其他相关费用,如材料费用、人工费用等]3. 结算总额:[请填写维修工程的最终结算总额]五、遗留问题和保修条款:1. 遗留问题:[请填写尚未解决的问题和需要继续跟进的事项,如果没有遗留问题请明确注明]2. 保修条款:[请填写保修期限和保修范围,如合同中约定的保修条款]六、签字确认:甲方(验收单位)签字: ___________ 日期:____________乙方(施工单位)签字: ___________ 日期:____________附注:本验收单为正本,共计1页。