氯化聚乙烯—橡胶共混防水卷材施工工艺
- 格式:docx
- 大小:42.81 KB
- 文档页数:2
氯化聚乙烯防水卷材的施工方法和应用泉州市财政局综合大楼的地下室大约有3000m2,地下室防水工程分两部分,一是砼本身自防水,抗渗等级S6;另一是底板和外墙的柔性防水,设计为一层氯化聚乙烯(CPE)卷材,一层是硅橡胶涂料。
氯化聚乙烯(CPE)卷材,它与改性沥青卷材相比,具有较好的延伸性、耐老化性、施工方便等优点,是目前建筑防水卷材中较常见的材料之一。
一、CPE卷材防水层的质量要求1、CPE卷材是合成高分子防水卷材,它的各项物理性能应满足GB50108-2001《地下工程防水技术规范》要求,所选用的基层处理剂、胶粘剂、密封材料等配套材料,均应与它材性相容。
2、铺贴防水卷材前,应将找平层清扫干净,在基面上涂刷基层处理剂;当基面较潮湿时,应涂刷湿固化型胶粘剂或潮湿界面隔离剂。
3、防水卷材的厚度应根据设计要求选择1.5mm以上的材料。
4、冷粘结铺贴卷材应符合下列规定:①胶粘剂涂刷应均匀,不露底,不堆积;②铺贴卷材时应控制胶粘剂涂刷与卷材铺贴的间隔时间,排除卷材下面的空气,并辊压粘结牢固,不得有空鼓;③铺贴卷材应平整、顺直、搭接尺寸正确,不得有扭曲、皱折;④接缝口应用密封材料封严,其宽度不应小于10mm。
二、CPE卷材施工方法采用氯化聚乙烯卷材首先配制胶液,按当日工作量配制,严格按照比例,稀释剂:醋酸乙酯:汽油=1:1,卷材粘结剂LYX-603-2(2号胶)胶水:稀释剂=1:0.002,基层与卷材粘结剂LY X-603-3(3号胶),甲组份:乙组份=1:0.6,配置拌匀后再稀释,3号胶:稀释剂=1:0.05在配制胶液的同时将卷材展开,用湿布擦去卷材上的滑石粉隔离剂,将粗纹理的一面朝向基层重新卷好,在基层上先进行弹线,以防卷材铺贴不直,先将3号胶用长柄刷或油漆刷均匀涂于基层上一边涂胶,一边铺卷材,同时用刷板将基层与卷材之间的空气排除干净,再用压辊压实,使之粘结牢固,铺卷材时切勿拉得太紧,要稍微松驰,但也不得皱折。
合成高分子卷材防水层一、材料要求1 三元乙丙橡胶防水卷材、氯化聚乙烯——橡胶共混防水卷材:应有出厂合格证、卷材及胶粘剂的现场抽样复验报告,并应符合现行国家标准或行业标准。
卷材规格:厚度:1.5mm、1.2mm;宽度:1.0mm;卷材长度:20.0mm。
防水卷材主要技术性能见表1。
表1 合成高分子防水卷材主要技术性能项目技术性能三元乙丙橡胶防水卷材氯化聚乙烯—橡胶共混防水卷材断裂拉伸强度(MPa)≥7.5 ≥6.0 扯断伸长率(%)≥450 ≥400 撕裂强度(Kn/m)≥25 ≥24 低温弯折(℃) ≤-40 ≤-30不透水性0.3 MPa,30min,无渗漏0.3 MPa,30min无渗漏臭氧老化伸长率40%,500pphm无裂纹伸长率20%,500pphm无裂纹注:表中三元惭丙橡胶防水卷材,执行GB18173.1-2000(JL)标准;氯化聚乙烯—橡胶共混防水卷材,执行GB18173.1-2000(JL)标准。
2 配套材料见表2。
卷材名称配套材料名称规格用途三元乙丙橡胶防水卷材聚氨酯底胶甲、乙料,双组分基层处理剂CX—404胶单组分氯丁胶卷材与基层粘结丁基胶粘剂A、B双组分卷材与卷材粘结聚氨酯密封膏甲、乙双组分卷材接缝密封氯化聚乙烯—橡胶共混防水聚氨酯底胶甲、乙料,双组分基层处理剂CX—409胶单组分氯丁粘剂卷材与基层粘结注:胶粘剂的粘结剥离强度(卷材与卷材)≥15N/10mm,浸水后的保持率不小于70%。
二、主要机具一般应备有配料桶、台秤、手持电动搅拌器、手持压辊、长把滚刷、油漆刷、扫帚、钢丝刷、开刀、剪刀、橡皮刮板、弹线盒、盒尺等。
三、作业条件1 地下防水层施工,在地下水位较高的情况下,防水层施工之前应做好降低地下水位和排水工作,地下水位应降至防水层底标高500mm以下,并保持到防水层施工完毕及底板混凝土打完。
2 铺贴防水层的基层表面,应平整、牢固、清洁、干燥,并经验收合格。
3 基层表面不得有空鼓、开裂、起砂、脱皮等缺陷。
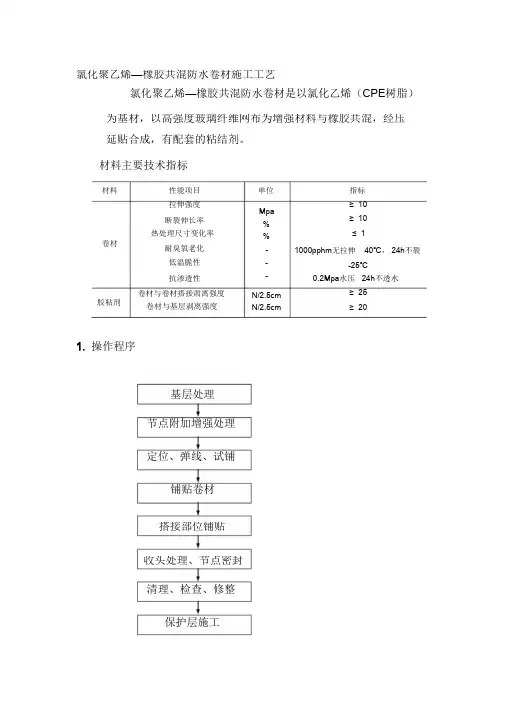
氯化聚乙烯—橡胶共混防水卷材施工工艺氯化聚乙烯—橡胶共混防水卷材是以氯化乙烯(CPE 树脂) 为基材,以高强度玻璃纤维网布为增强材料与橡胶共混,经压 延贴合成,有配套的粘结剂。
材料主要技术指标材料 性能项目拉伸强度单位 指标 ≥ 10 ≥ 10 ≤ 1 Mpa 断裂伸长率热处理尺寸变化率耐臭氧老化低温脆性% % - 卷材 1000pphm 无拉伸 40℃, 24h 不裂 - -25℃ 0.2Mpa 水压 24h 不透水 ≥ 25 - 抗渗透性卷材与卷材搭接肃离强度卷材与基层剥离强度 N/2.5cm N/2.5cm 胶粘剂 ≥ 201. 操作程序基层处理节点附加增强处理定位、弹线、试铺铺贴卷材搭接部位铺贴收头处理、节点密封清理、检查、修整保护层施工2. 操作要点2.1基层处理(1)基层应用 1:2.5-1:3(水泥 :砂体积比)水泥砂浆找平,水泥标号不低于 325号,找平层厚度 20-30mm,水泥砂浆抹平收水后应二次压光、充分养护,不得有酥松、起砂、起皮、铁板筋等现象。
(2)找平层宜留设分格缝,缝宽宜为 20mm,分格缝处宜嵌填密封材料。
分格缝处宜嵌填密封材料。
分格缝应留设在板端缝处,其纵横最大间距不大于 6m。
(3)基层转角部位(女儿墙、立面、天窗、天沟、排水口等)均应做成圆弧或三角形,圆弧半径应大于 20mm。
(4)女儿墙、小墙在卷材收口处需做凹槽,其高度距屋面找平层不小于 250mm。
(5)找平层表面应平整,可用二米直尺测量,找平层与直尺之间不应有大于 6mm空隙。
2(6)基层要充分干燥,简易检验方法为:将 1m卷材平坦地铺地找平层上,静置 3-4h掀开检查,找平层覆盖部位与卷材上未见水印才可。
(7)树脂珍珠岩保温层屋面应设置排汽道和排汽孔,找平层设置的分格缝可兼作排汽道,排汽道应纵横边通,其间距宜为 6m,纵横设置,排汽孔可设置在屋面排汽道交义处。
排2汽孔以不大于 36m设置一个为宜。
2.2节点附加增强处理(1)水落口处处理天沟、檐口卷材铺设前,应先对水落口进行密封处理。
LYX-603氯化乙烯橡胶防水卷材施工方法1找平层施工
将现浇钢筋混凝土结构层表面上的杂物、灰尘清理干净。
在清理干净的基面上抹20厚1:3水泥砂浆找平。
并将墙角处均做成光滑的圆弧形,圆弧半径R=20mm。
水泥砂浆抹平收水后要二次压光,充分养护,使找平层完全固化、干燥,必须保持表面平整光滑,无松散、开裂、鼓包、凹坑、起灰等缺陷。
2防水卷材施工
采用滚涂方法。
a)罩底:用细度325目的耐水腻子刮抹,使其遮盖基底,涂膜的厚度约为0.4~0.5mm,使基底平整。
b)找平:第一遍干后(不粘手即可)再用细度为1250目(除职工餐厅内墙面刮抹2500目外)刮抹第二遍,并与第一遍刮抹方向垂直,刮抹厚度约为0.4~0.5mm,使基底完全平整。
c)罩面:待第二遍石粉涂料干后,再滚涂第三遍石粉涂料,并与第二遍方向垂直,厚度约为0.3~0.5mm。
第三遍滚涂石粉涂料完成后,达到饰面完全平整,产生细腻的手感和良好的外观。
氯化聚乙烯橡胶防水卷材屋面施工操作规程1. 总则1.1.1. 为保证氯化聚乙烯橡胶防水卷材(以下简称卷材)的质量,正确选用、正确施工、提高高分子屋面卷材工程的施工质量,特制订本规程。
1.1.2. 本规程适用于有组织排水的钢筋砼屋面板为基层的有保温、无保温和不上人的平屋面、斜屋面、拱形屋面等各种类型的屋面构造。
1.1.3. 施工中除符合本规程要求外,对本规程未作规定的事项,应按现行的屋面工程施工及验收规范执行。
1.1.4. 屋面工程的施工必须符合设计要求,如设计无要求时,应符合有关施工规范的规定或本施工规程的规定。
1.1.5. 施工前,应对基层进行验收,施工中应根据工程顺序进行分项工程检查,并作好记录。
隐蔽工程应经验收后方可继续施工,当下一工序或相邻工程施工时,对屋面工程应完成的部分应妥善保护,防止损坏。
1.1.6. 屋面工程施工前应有屋面防水分项工程制订的施工组织设计。
1.1.7. 用于卷材间的粘结剂及卷材与基层之间的粘结剂等原材料应符合设计规定要求。
使用前应具有质量证明文件,并应在施工前进行检验,作好记录。
1.1.8. 卷材施工时的安全技术、劳动保护、防水等必须按国家的有关规定执行。
2. 材料2.1.1. 卷材是以氯化聚乙烯树脂和合成橡胶为主体,以玻璃布为骨架,加入适量的促进剂、稳定剂、软化剂和填充剂等,以过素炼、混炼、过滤、压延(或挤出)成型的构成的兼有塑料和橡胶点定的防水卷材。
2.1.2. 各种材料应具有质量证明文件,施工前必须进行检查,合格后才能进行施工。
抽查批量以5000mm 材料为一批。
2.1.3. 卷材和胶粘剂应分别符合表2.0.3—1、2.0.3—2和2.0.3—3的标准,并应符合国家标准的规定或企业、地方标准规定。
卷材物理性能表2.0.3—1项目名称计量单位指标拉伸强度Mpa ≥9.8断裂延伸90 ≥10撕裂强度KN/m 24.5低温柔性℃-25℃、10min表面不裂弯曲180°不透水性δ3、Mpa 水压2n粘结剂物理性能表2.0.3—2项目名称计量单位指标卷材与卷材搭接抗剥强度N/2.5cm ≥25卷材与水泥粘结抗剥强度N/2.5cm ≥20卷材规格尺寸表2.0.3—3厚度宽度重量面积21.1±0.1mm 1000mm 1.65±0.1kg/m 20±0.2m/卷2.1.4. 选用卷材,同批量必须色彩均匀,不得有裂纹和小孔或凹凸不平现象。
合成高分子防水卷材施工方法合成高分子防水卷材以合成橡胶、合成树脂或两者共混体为基料,加入适量化学助剂和填充材料,采用橡胶或塑料加工工艺制成的合成高分子卷材,高分子防水卷材主要包括三元乙丙橡胶防水卷材、氯化聚乙烯--橡胶共混防水卷材、氯化聚乙烯防水卷材、氯磺化聚乙烯防水卷材以及聚氯乙烯防水卷材等,是我国化学建材发展规划要求积极发展的新型防水材料;本文就金日制药一期工程制剂车间屋面防水工程来说明其施工方法;一、工程概况及防水设计:1、XXXXXXXX公司制剂车间及仓库是由金日集团投资兴建,经设计院设计,XXXXXX监理有限公司监理,XXXXXXXX承建,四层框架结构,建筑面积16000M2;厂房屋面设计为一道1.5mm厚,氯化聚乙烯-橡胶共混防水卷材;2、本工程采用“XX”牌氯化聚乙烯-橡胶共混防水卷材,该材料以氯化聚乙烯树脂为主要原料,并加入少量助剂及多种填充料,经塑炼、压延加工制成的,具有延伸率大,抗渗透性强,耐老化,使用寿命长,施工简便等特点;3、产品指标:二、施工工艺:(1)基层处理及要求:1本工程基层为现浇混凝土屋面板,表面收光;清扫完毕后,对酥松、起砂、起皮等部位以及高低参差不齐或凹坑较大的部委,可用掺水泥量15%107胶的1:2.5 ~1:3的水泥沙浆抹平收光;对存在裂缝的部位要应先用凿子把裂缝凿成15~20 mm宽,深倒八字形的槽沟,然后把石渣清走,把沟槽吹干净,用填缝膏分二至三次填满裂缝,每次间隔时间必须有15分钟之久,填满裂缝后用滚筒压平即可;2基层与突出屋面的结构如女儿墙、管道、楼梯间外墙等部位相连接的阴角,以及基层与檐口、天沟、排水口、沟脊等相连接的转角处均应抹成光滑的圆弧形,其半径一般在100~200mm之间;3基层必须干燥,一般含水率以小于9%为宜;4在铺贴卷材防水层时,必须将基层表面的突起物、砂浆疙瘩等异物铲除,并将尘土杂物彻底清扫干净;实践证明只清扫一次是不够的,往往需要清扫多次,最后一次最好用高压吹风机进行清理,这样可以收到更好的效果;对阴仰角、、管道根、排水口等部位更应认真清理干净,如发现油污、铁锈等,要用砂纸、钢丝刷或溶剂清除;二、施工材料:1)防水卷材:“XXXX”牌氯化聚乙烯-橡胶共混防水卷材;2)基层处理剂:一般以聚氨酯--煤焦油系的二甲苯溶液或氯丁胶乳液等组成;主要作用是隔绝基层渗透来的水分和提高基层表面与合成高分子防水卷材之间的粘接能力;3)基层胶粘剂:该材料主要用于防水卷材与找平层之间的粘接;4)卷材接缝胶粘剂:卷材接缝胶粘剂为卷材与卷材接缝粘接的专用胶粘剂;5)卷材接缝密封剂:主要用于卷材与卷材搭接缝边缘以及卷材末端收头部位进行密封处理;6)二甲苯:二甲苯是基层处理剂的稀释剂和施工机具的清洗剂;7)乙酸乙酯:该材料主要用于擦洗手及被胶粘剂等材料污染的部位;三、细部构造防水做法:1、基层转角做法:基层转角处都应做成圆弧形,半径不应小于50mm,另外还须做胎体增加材料附加层,附加层的平面和立面的宽度一般不得小于300mm;2、水落口的防水做法:水落口杯与基面结构交接处会形成一道缝隙,应特意将缝隙加大到深和宽均为20mm的凹槽,凹槽内嵌填密封材料,堵塞渗水通道,然后再在水落口周围直径500mm范围内加铺胎体增强材料,并应伸入杯口内不得小于50mm;3、伸出屋面管道的防水做法,伸出屋面的管道周围应用水泥砂浆做成圆锥形的找平台,台高200mm,并以30%找坡,在管四周与圆锥台交接部位应留20mm的凹槽,并嵌填密封材料,然后再做胎体增强处理;四、卷材的施工方法:1、涂布基层处理剂:一般是将聚氨酯涂膜防水材料的甲料、乙料、二甲苯按1:1.5:3的比例配合搅拌均匀,再用长把滚刷蘸满后均匀涂布在基层表面上,干燥4h以上,即可进行下一工序的施工;2、铺贴卷材:根据工程的特点和要求,本工程防水卷材施工工艺为冷粘作业法;因制剂车间屋面面积及坡度较大,故粘贴的方法采用点贴的方法进行施工,增大了防水层适应基层变形的能力,有利于解决防水层起皱、开裂问题;施工时将粘接剂以梅花点状涂刷于基层及卷材底面相对部位,实行点状粘贴,每平米至少有5个黏结点,每点面积不小于100mm×100mm;而屋面周边80cm内,天沟、立面墙,大坡度屋面及卷材与卷材的搭接部位均应满涂全粘;3、防水卷材铺贴方法:1.卷材的铺贴方向;卷材的铺设方向应根据屋面坡度确定;当屋面坡度小于3%时,卷材宜平行于屋脊铺贴;屋面坡度在3%~15%时,卷材可平行或垂直于屋脊铺贴;制剂车间屋面坡度为3.2%,因此卷材平行于屋脊铺贴,由檐口向屋脊一层层地铺设,卷材接口上下应搭接,多层卷材的搭接位置应错开,上下层卷材不得垂直铺贴;2.贴卷材的顺序;防水层施工时,应先做好节点、附加层和屋面排水比较集中部位如屋面与水落口连接处,檐口、天沟、檐沟、屋面转角处、板端缝等的处理,然后由屋面最低标高处向上施工;铺贴天沟、檐沟卷材时,宜顺天沟、檐口方向,减少搭接;3.卷材搭接方法及宽度;铺贴卷材采用搭接法,上下层及相邻两幅卷材的搭接接缝应错开;平行于屋脊的搭接缝应顺水流方向搭接;接缝宜留在屋面或天沟侧面,不宜留在沟底;防水卷材的搭接宽度见下表:如上表所示,本工程卷材搭接宽度为10cm;4、铺贴加强层:根据设计要求,在必须加强的部位铺贴附加层,尤其是管根转角等容易发生渗露的薄弱部位;对平屋顶的阴角、排水口、通气孔的根部等最容易发生渗漏的薄弱部位,在铺贴防水卷材之前,采用聚氨酯涂膜防水材料进行增强处理;将聚氨酯甲料和乙料按1:1.5的比例配合搅拌均匀,再均匀涂刷在阴角、排水口和通气孔根部的周围,涂刷宽度为距离中心200mm以上,厚度以1.5mm以上为宜;涂刷固化24h以上,才能进行下一工序的施工;5、卷材铺贴: 先把卷材退卷在基层上,按铺贴位置要求将卷材的一端对折于另一端;为使卷材的搭接宽度相等,应在距卷材边沿处一条标线作为第一卷与第二卷搭接的正确位置,把基层胶粘剂同时均匀地涂刷于卷才和基层表面,等胶粘剂基本不粘手时,将卷材平整地粘合在基层上,并将卷材的一端对折于铺贴的另一端,以同样的方法进行粘贴;6、注意事项: 铺贴防水卷材时要自然铺贴,绝不可以用力猛拉;卷材的铺贴应由屋面低标处向高标处铺贴,由两边端向中间铺贴;卷材与卷材搭接部位应用沾有溶剂的棉纱清洗干净,然后风干十五分钟,用卷材搭接胶粘剂涂抹,接缝的两边,边涂边加力将搭接缝粘牢、压实;卷材铺贴应从天沟、檐口做起,需全粘铺贴,天沟底面尽量避免长边塔接,接缝应用密封材料作封口处理;卷材的收口处和较难的部位,采用“911”聚氨酯防水涂料封口.卷材铺贴应平整、顺直,搭接宽度准确,不得扭曲;五、防水卷材细部做法六、泛水与屋面相交处基层应做成圆弧,防水层向垂直面的上卷高度不宜小于250mm,常为300mm;卷材的收口应严实,以防收口处渗水,卷材防水檐口分为自由落水、外挑檐,女儿墙内天沟几种形式,其构造简图如下图所示;七、施工注意事项:1、当卷材上面设保护层时,作保护层前必须认真检查防水卷材的施工质量,经确认合格后方可再进行保护层施工;施工时应严格控制施工,工具等各种原因将防水层破坏;2、严禁在雨天施工,五级风以上时不得施工,气温低于0℃时不宜施工;施工中途下雨应做好已铺贴卷材周边的防护工作;3、防水工程,应建立在各道工序的自检,交接检查和专职人员检查的“三检“制度,并有完整的检查记录;八、质量保证措施:1、防水工程所采用的防水材料,应有产品的合格证和性能检测报告,材料的品种规格、性能等应符合现行国家产品标准和设计要求;2、施工的材料应符合设计要求和质量标准的规定;3、防水工程必须由专业的防水队伍进行施工,主要施工人员应持有建设主管部门颁发的防水专业岗位证书,要做到持证上岗;4、认真落实三检制度,按程序及时向监理报验;九、质量要求:1、做好的防水层表面无孔洞、密封、外表美观,无渗漏;2、防水层不得有渗漏或积水现象;3、整个防水工程施工完毕后,应作全面的质量检查,如有损坏或渗漏的地方,应作及时地修补处理;4、各项隐蔽工程要有验收纪录如天沟、檐沟、泛水和变形缝等细部做法,密封防水处理部位;涂膜防水层的搭接宽度和附加层5、工程竣工验收应在雨后或持续淋水2小时后进行或经蓄水实验,其蓄水时间不应小于24小时,以不渗漏为合格;。
1 编制依据1.1主要依据根据北京**医院《关于北配楼地下外墙防水施工函的回复》,编号013号1.2主要规程、规范序号类别规范、规程名称编号1 国家地下防水工程质量验收规范GB50208-20082 国家地下工程防水技术规范GB50108-20013 地方建筑安装分项工程施工工艺规程DBJ/T01-26-20034 地方北京市建筑工程施工安全操作规程DBJ01-62-2002 2 工程概况由于北配楼地下室外墙防水采用的是外防内贴法,北配楼工程地下底板标高在-13.95和-12.75m,当土方开挖后,北配楼地下外墙与一期外墙间距6m左右,北配楼地下外墙防水老化、空鼓、开裂,现需要对北配楼防水进行施工,需要剔除原有防水层,清理基层,重新做外墙防水。
3 施工部署3.1施工准备对**医院北配楼地下室外墙防水和局部外露顶板防水进行施工,剔除原有防水层,并对基层进行清理,采用氯化聚乙烯-橡胶共混防水卷材(1.2mm+1.2mm),防水保护层采用60mm厚聚苯板保护层(随回填随铺设)。
3.2劳动力准备3.2.1配备专业的施工队伍,并在进场前进行相应的培训和技术交底。
3.2.2基础防水工程施工必须由具备防水施工资质的专业队施工,操作人员必须持证上岗。
①资质要求:选用专业防水施工队伍,资质等级不低于防水专业施工二级资质。
②持证上岗要求:管理人员和操作人员必须持证上岗,有效上岗率100%。
③质量管理体系要求:防水队伍必须具备完整有效的质量管理体系和质量管理控制人员,职责明确,责任到人。
④劳动力组织计划:各分部根据工期和现场作业条件合理配备劳动力和管理人员。
3.3机具准备扁铲、配料桶、台秤、手持压辊、长把滚刷、油漆刷、扫帚、钢丝刷、开刀、剪刀、橡皮刮板、弹线盒、卷尺等。
3.4现场准备3.4.1 北配楼与改扩建一期工程肥槽回填至-10.75m后方可施工。
3.4.2 用扁铲等工具剔除原有防水层,并对基层进行清理,露出北配楼结构外墙(基层)。
屋面卷材施工的最正确方法屋面卷材施工最正确方法?一、适用范围(一)本推荐做法适用于新建,扩建或改建的屋面防水工程。
适用于部级标准规定的1-4级耐久年限的建筑(见表1)。
(二)近年来,新型防水材料不断发展,防水施工工艺随之有所变化,屋面卷材防水施工除采用普通油毡热粘结法之外,各种新型卷材用于屋面的冷粘法,热熔法,自粘法等技术已应用多年,具有一定的先进性、科学性和实用性。
现将屋面防水工程可以使用的新型沥青防水卷材、高聚物改性沥青防水卷材、合成高分子防水卷材等较为成熟可靠的屋面卷材防水做法,推荐给设计施工人员,以供选用。
二、设计基本要求(一)屋面工程根据建筑物的性质、重要程度、使用功能要求、建筑构造特点以及防水耐用年限等,将屋面防水分为四个等级,并按不同等级开展设防(见表2)。
(二)推荐做法设计简图中所采用的新型防水卷材,必须遵照卷材技术要求,严格施工。
(三)屋面分上人屋面及不上人屋面。
上人屋面根据设计人选用水泥砂沙浆,地面砖等作保护层。
不上人屋面应做保护层,如涂刷反光涂料,覆盖粗砂、绿豆石等。
(四)平屋面排水坡度2%,外檐沟排水坡度≥1%,水落口排水坡度3~5%,上人屋面排水坡度应为2%.(五)卷材铺贴有四种方法。
1.热熔法:指采用加热器熔化防水卷材底层的热熔胶,实现卷材与基层粘结的方法称为热熔法。
2.冷粘法:指采用胶结材料直接实现防水卷材与基层粘结的方法称为冷粘法。
3.自粘法:指采用带有自粘胶的防水卷材,不需热加工,也不需另涂胶结材料,而直接实现防水卷材与基层粘结的方法称为自粘法。
4.热沥青法:指采用热沥青胶结材料直接实现防水卷材与基层粘结的方法称为热沥青法。
(六)屋面卷材按施工工艺不同可选用满贴、条粘、点粘和空铺等方法施工。
铺贴时应同时将卷材下面的空气排出,卷材平整,粘结牢固,接缝处必须满粘,接缝严密。
1.满粘:即铺贴防水卷材时,卷材与基层整个面积实施粘结的施工方法。
2.条粘:即铺贴防水卷材时,卷材与基层只做条带粘结的施工方法。
(一)基层处理1、砂浆或混凝土找平层应抹平压光,表面应坚实并充分干燥,不得有凹凸、松动、鼓包、起皮、裂缝、麻面等现象,用2M直尺检查基层表面平整度,偏差不得超过5MM。
2、屋面排水坡度应符合国家标准《屋面工程技术规范》的要求。
3、找平层与突出屋面的结构(如女儿墙、立墙、变形缝、管道、天窗等)及地下室底板找平层与立墙、集水坑、电梯井等交接处的阴阳角均应作成半径为20MM的圆弧或45度(135度)折角。
4、女儿墙顶端和檐口部位的滴水线应符合要求,水落口要适合于铺设卷材且周围排水良好。
5、在铺设卷材防水层之前,应清除基层上灰尘、油脂等杂物,基层表面必须干净。
(二)卷材防水层的铺设和粘结处理1、卷材的铺设方法和适用范围应根据工程类型、结构特点、防水部位及施工条件确定卷材的铺设方法,可采用满粘法或空铺法。
氯化聚乙烯橡胶共混卷材防水层可分为单层和叠层构造,具体应根据设计要求。
对于单层防水构造,氯化聚乙烯橡胶共混卷材的厚度应≥1.5mm。
粘贴法:是采用专用基层胶粘剂把卷材全部粘结在基层上的施工方法。
满粘法适用于各类工程的卷材与基层以及卷材与卷材之间的粘结。
2、卷材的放置卷材在铺贴之前,需在合格基层上将卷材从紧卷状态下展开,使其从拉伸状态自由收缩,消除卷材在生产卷曲过程中产生的应力,避免以后卷材收缩造成不良后果。
3、卷材防水层满粘法(1)铺设水平防水层①将卷材展开并定位:把卷材折回一半,使卷材底面有一半暴露;折回的卷材应平滑、无皱折;②搅匀基层胶粘剂并用绒毛滚刷或毛刷把胶匀涂布在基层和卷材上,不要结球,并保证使两个表面都达到100%涂布,但在卷材搭接区不要涂基层胶粘剂;基层胶粘剂干燥至仍然发粘但指触不粘时,即可开始铺贴卷材。
③操作时应将卷材沿长方向已涂胶一侧向外对折,对准基准线将涂过胶干燥的一半卷材滚铺进涂过胶的基层上。
铺贴时不能拉伸卷材,并避免出现折皱缺陷;每铺完一幅卷材后,立即卷材表面用力滚压,以保证卷材与其粘贴牢固;折回卷材未粘结的一半,按照上述工艺完成整幅卷材铺贴。
屋面合成高分子防水卷材施工工艺标准1、适用范围本工艺标准适用于屋面合成高分子防水卷材铺贴防水层工程施工。
防水等级为Ⅰ-Ⅳ的屋面防水。
2、施工准备2.1、材料及要求2.1.1、合成高分子卷材:三元乙丙橡胶卷材,氯化聚乙烯橡胶共混卷材(LXY-603),聚氯乙烯卷材,率碳化聚乙烯、自粘高分子卷材等2.1.2选用合成高分子卷材时其强度、延伸、不透水等性能指标应符合表1的要求。
表一卷材分类及性能2.1.3卷材厚度是保证防水工程质量的一个关键,未来保证防水层的设防质量,保证它的耐久和耐穿刺性、防水层必须具有一定材料要求外,还应有厚度要求应符合表2Ⅲ级一道设防不应小于1.2mm2.1.4合成高分子卷材配套材料必须选用厂家生产的配套产品,见表3.基层处理剂聚氨酯甲、乙组分、二甲苯稀释剂、聚氨酯涂料稀释或水乳型涂料喷涂处理剂基层胶黏剂CX-404胶、CX-409胶、LYX-603-3号胶卷材接丁基橡胶胶黏剂甲、乙组分或单组分丁基橡胶胶黏剂、氯钉胶黏剂CV-404、401,LYX-603-3号胶增强密封膏聚氨酯嵌缝膏(甲、乙组分)、聚氨酯嵌缝膏自硫化胶带丁基胶带、其它橡胶粘带2.1.5 材料敷衍及存储合成高分子卷材进场时,应按工程设计要求检查品种、规格和外观质量,核实出厂检验报告和出厂合格证,同时垵进场批量现场见证取样复验,复验合格后方可使用,同时要求复验单位室友资质的专门机构合成高分子卷材及配套产品属易燃物,进场应分类存放,远离火源,存放环境应符合要求,防止材料变形和变质2.2主要机具2.3 作业条件及人员准备2.3.1 施工前应认真审核图纸、编制合成高分子屋面防水施工方案,并对施工人员进行书面交底,屋面防水工程必须有专业施工队伍施工,且经过专业培训的防水施工人员施工2.3.1基层必须坚固、不起砂、不起皮、表面清洁平整,用2m直尺检查,最大空隙不应大于5mm,不得有空鼓、开裂及起砂、脱皮等缺陷,空隙只允许平缓变化。
合成高分子防水卷材主要包括三元乙丙--丁基橡胶防水卷材、氯化聚乙烯---橡胶共混防水卷材、氯化聚乙烯防水卷材、聚氯乙烯防水卷材等,一般采用冷粘法施工。
1.主要材料及施工工具(1)合成高分子防水卷材。
(2)配套材料:合成高分子胶粘剂的粘结剥离强度不应小于15N/10mm,浸水168h 后粘结剥离强度保持率不低于70%。
配套材料包括基层处理剂、基层胶粘剂、卷材接缝胶粘剂、增强密封膏、防水层保护材料、自硫化胶带等材料。
2.施工工艺建筑工程的地下室防水多采用整体全外包防水做法,在外包防水中又有两种施工方法即“外防外贴法”和“外防内贴法”。
两种方法的比较,见表11,依据工程具体情况和设计要求酌情选用。
(1)外防外贴法外防外贴法是待结构边墙(钢筋混凝土结构外墙)施工完成后,直接把卷材防水层贴在边墙上(即地下结构墙迎水面),最后作卷材防水层的保护层。
(A)施工程序a.先浇筑混凝土垫层。
b.在混凝土垫层上,结构墙外侧砌一定高度的永久性保护墙,墙高为底板混凝土厚度加200-500mm。
墙下干铺一层油毡隔离层。
c.永久保护墙上接砌临时保护墙,墙高为150mm。
d.在混凝土垫层上和永久保护墙部位抹1:3水泥砂浆找平层,在临时性保护墙上抹1:3白灰砂砂浆找平层,转角部位抹成圆角。
e.找平层干燥后,涂刷基层处理剂(或称冷底子油)。
在正式铺贴卷材之前,先在立墙与平面交接处做附加层处理。
附加层宽度一般为300-500mm。
f.铺贴平面和立面卷材防水层,外防外贴法施工,在平面与立面相连的卷材,应先铺贴平面,然后由下向上铺贴,并使卷材紧贴阴角,不应空鼓。
在永久性保护墙上满粘卷材,粘贴要牢固。
在临时保护墙上可虚铺卷材并将卷材固定在临时保护墙上端,抹低标号砂浆保护层,以保护接头不被损坏和沾污。
平面铺贴卷材可以满粘结卷材,也可以用条粘法粘结卷材,粘结面积每幅卷材不少于两条,每条宽度不小于150mm。
g.浇筑底板和墙体钢筋混凝土。
h.待底板钢筋混凝土结构及立墙结构施工完毕,拆除临时保护墙,在墙体结构上抹1:3水泥砂浆找平层。
氯化聚乙烯防水卷材施工技术要点本工程地下室外墙采用氯化聚乙烯防水卷材。
(一)材料准备1、氯化聚乙烯防水卷材,303氯丁胶胶粘剂,聚氨脂底胶、胶粘剂,基础粘接剂CX-401胶,卷材接缝粘结剂等;2、聚氨酯防水涂膜甲、乙料,固化剂,二乙胺,颜料,石膏粉。
3、防水材料必须有产品质量认证书,卷材出厂合格证,材质证明书,质量检测报告。
材料进场后要按要求抽样检验,合格后,报监理认可方后可施工。
4、氯化聚乙烯防水卷材、303氯丁胶粘剂、卷材胶粘剂和聚氨酯防水材料进场后要分类专设仓库存放,堆放应平放,码放不宜过高,存放地点要标识并设置足够的消防器材。
(二)技术准备1、要熟悉图纸,了解掌握各部位的构造和施工方法,安排材料、机具、人员进场。
2、按方案和技术规程对操作者进行技术安全交底并下达作业指导书。
3、认真学习和掌握阴阳角、屋顶穿管处、下水口节点等特殊部位的防水作法。
做好各种防水施工的技术资料和施工过程中的检验记录。
(三)施工工具平铲、扫帚(清理基层用);剪刀、卷尺(裁量卷材用);滚刷、刮板(涂刷底油)、壁纸刀等。
(四)防水基层及作业条件1、防水基层坚硬无空鼓、无起砂、裂缝、松动、掉灰、凹凸不平等缺陷。
2、防水基层不得有积水等现象,如有凹凸不平、脚印等缺陷,进行处理,合格后方可进行防水层施工。
3、防水基层面平整,用2m长直尺检查,直尺与基层间隙不超过5mm间隙。
4、阴阳角处必须做成≥50mm的圆弧角或≥70mm的八字角。
5、防水基层必须干燥、干净、含水率不大于9%,检测方法为将1m2卷材平坦干铺在找平基层上,静置3 4h,掀开检查覆盖部位与卷材上未见水印即可。
(五)防水施工工艺流程氯化聚乙烯防水卷材采用冷粘法施工,施工程序如下:基层检查→清理修补→弹线→涂刷基层胶粘剂→铺贴卷材→打封口胶→清理、检查、修补→质量检查→报验验收→保护层施工。
(六)氯化聚乙烯防水卷材施工1、为了减少阴阳角和大面积的接头,先将卷材顺长方向进行配置。
氯化乙烯橡胶共混卷材屋面工程施工方案第一节屋面工程工艺流程保温层施工→找坡层施工→防水层施工→防水保护层施工。
第一节保温层施工6.3.1工艺流程基层清理→管根固定→保温层铺设→抹找平层。
6.3.2基层清理结构层表面杂物、灰尘应清理干净,表面应干燥、平整,不得有松散、开裂、空鼓等缺陷。
6.3.3管根固定穿屋面结构的管道(包括通风道)均已安装完毕,在保温层施工前,管根应用细石混凝土塞堵密实。
6.3.4保温层铺设70mm 厚聚苯板保温层采用1∶3 水泥砂浆点粘法固定,砂浆点距1m,浇筑60mm 厚CL7.5 陶粒混凝土,基层应清理干净、剔凿平整,铺贴时应紧贴基层铺设,铺平垫稳,拼缝严密,不得有晃动现象。
雨期施工时,若遇雨,保温层应采用塑料布遮盖。
第一节找坡层施工6.4.1工艺流程最薄处30mm 厚CL7.5 陶粒混凝土找坡层施工(2%坡)→20 厚1∶3 水泥砂浆找平层施工。
6.4.2清理找坡层、找平层分层施工前均应将下一层表面清理干净,凸出的灰渣等粘结杂物要铲平,不得影响各层的有效厚度。
6.4.3找坡层施工⑴洒水湿润:抹找坡层水泥粉煤灰页岩陶粒前,应适当洒水湿润表面,以利于上下层间结合,但洒水不得过量,以免影响表面干燥,从而影响防水层施工。
⑵贴点标高、冲筋:找坡层按坡度要求,拉线找坡(2%),一般按1~2m 贴标高(贴灰饼)。
铺抹水泥粉煤灰页岩陶粒时,先按流水方向以间距1~2m 冲筋,找坡层中设分隔缝,缝宽2cm,缝内嵌聚苯条,分格缝从女儿墙处开始留设,纵横缝间距不超过6m。
上下层分格缝对齐。
⑶铺装水泥粉煤灰页岩陶粒:按分格块装灰、铺平,用刮杠靠冲筋条刮平,找坡后用木抹子搓平,铁抹子压光,待浮水消失后,人踏上去有脚印但不下陷为度,再用铁抹子压第二遍,即可交活。
⑷养护:找平层抹平、压实后24h 应注意浇水养护。
6.4.4找平层施工20mm 厚1∶3 水泥砂浆面层施工时,应先按1~2m 间距贴点标高(贴灰饼),并设置分格缝,缝宽20mm ,分格缝从女儿墙边开始留设,间距≥6m,分格条用木条制作,混凝土铺灰前用砂浆临时固定,铺灰后留在缝内,1∶3 水泥砂浆按分格块装灰、铺平,用刮杠按灰饼刮平,用木抹子搓平,铁抹子压光。
LB-3氯化聚乙烯-橡胶共混防水卷材复合施工工艺(一)、LB-3氯化聚乙烯-橡胶共混防水卷材技术指标施工材料及用具2、施工用具注:本表中“胶料”均指LB-20SBS单组份橡胶防水涂膜(二)、施工准备1、LB-3氯化聚乙烯-橡胶共混防水卷材铺贴应按下列工艺流程进行:→定位、弹线、试铺→涂胶粘剂→铺贴卷材→卷材搭接缝粘接→收头处理、节点密封→清理、检查、修整→保护层施工。
2、施工方案制订:施工前应进行图纸会审,根据现场情况确定施工程序,划分施工段,制订工艺、施工技术要点和有针对性的操作注意事项,安排操作人员组合,提出质量标准和检验方法、成品保护和施工安全措施,编制进度计划并向班组进行交底。
3、按照操作工艺和人员的组合,组织工人进场,并准备相应数量的机具送往现场,满足施工进度要求的材料进场,并选定阴凉避雨临时堆放场地。
4、检查LB-20SBS单组份橡胶防水涂膜基层,铺贴LB-3氯化聚乙烯-橡胶共混卷材前必须认真处理缺陷并清理干净。
(三)、LB-3氯化聚乙烯-橡胶共混防水卷材复合施工1、水落口、天沟、阴阳角、分格缝(层面板板端缝)等节点处密封和增强层施工已在LB-20SBS单组份橡胶防水涂膜施工时完成,且检查合格才可铺贴卷材。
2、铺贴LB-3氯化聚乙烯-橡胶共混防水卷材应在天沟、檐口最低处和上人、上料口最远处开始。
铺贴方向一般应平行屋脊(檐沟),先裁好卷材进行试铺,并弹第一条标准线,以保证卷材铺贴顺直和搭接宽度的准确。
然后每铺一幅卷材应在卷材上量取搭接宽度并弹上标准线。
3、根据弹好的标准线,在需铺贴的基层上满涂一道(约0.1~0.2mm 厚)LB-20SBS单组份橡胶防水涂膜,待20~30分钟时通过手指接触仍粘手但不带起时即可铺贴,干燥时间与气温、空气湿度、风力有关。
4、根据铺贴LB-3氯化聚乙烯-橡胶共混防水卷材长度,一般每4m 一人,先将卷材沿纵向对折,并抬到需铺贴处对准线,平铺放下进行全面粘贴;然后同时翻开另一半幅铺于基层。
→涂布基层处理剂→特殊部位进行增补处理→涂布基层胶粘剂→铺贴防水卷材→接头处理→卷材末端收头。
a.保证项目:卷材与胶结材料必须符合设计和施工规范的规定。
卷材防水层及其预埋管件等细部做法必须符合设计要求和施工规范的规定。
b.基本项目:卷材防水层的基层表面应平整、牢固、洁净,阴阳角处呈圆弧形或钝角,冷底子油应涂布均匀,无漏涂,检查隐检记录。
卷材防水层铺贴方法和搭接、收头,应符合规范规定,粘结牢固、紧密、接缝封严,无损伤和空鼓等缺陷。
卷材防水层与保护层应粘结牢固,结合紧密,厚度均匀—致。
5.9.1.10应注意的质量问题
a.空鼓:卷材防水层空鼓,发生在找平层与卷材之间,且多在卷材的搭接缝外。
造成的原因是卷材废水层中存有水分,找平层未干,含水量过大,有潮气;卷材铺贴沥青过薄,粘贴不密实,压的不紧,水分受热后产生气体膨胀,使卷材起泡、起鼓。
b.漏水:地下防水工程渗漏,主要发生在穿墙管处、螺栓处、变形缝及底板与墙接槎处等薄弱部位。
其原因是:防水结构施工时,混凝土漏振,衬垫材料填塞不严。
变形缝处漏水,是由于地下结构不均匀沉降而拉裂防水层或防水层施工操作马虎而产生。
接茬处漏水原因是甩出的卷材未保护好形成破损,清理不净,基层卷材粘贴不严密以及搭接长度不够等造成。
c.地下室防水应注意转角处、搭接长度以及附加层等几个环节,必须达到规范要求,保证施工质量。
防水材料的选用及施工时的预留、搭接,应满足设计及规范的要求。
特别是防水接茬、甩茬的施工防水处理见下图:。
氯化聚乙烯一橡胶共混防水卷材施工工艺
氯化聚乙烯一橡胶共混防水卷材是以氯化乙烯(CPE树脂)
为基材,以高强度玻璃纤维网布为增强材料与橡胶共混,经压延贴合成,有配套的粘结剂。
材料主要技术指标
1. 操作程序
(1) 水落口处处理 天沟、檐口卷材铺设前,应先对水落口进
行密封处理。
在水落口杯埋设时,水落口杯与竖管承插口
2. 操作要点
2.1 基层处理
(1) 基层应用 1:2.5-1:3(水泥 :砂体积比)水泥砂浆找平,水泥
标号不低于325号,找平层厚度20-30mm ,水泥砂浆抹平 收水后应二次压光、充分养护,不得有酥松、起砂、起皮、 铁板筋等现象。
2.2 (2) (3) (4) (5) (6) (7) 找平层宜留设分格缝,缝宽宜为20mm ,分格缝处宜嵌填密
封材料。
分格缝处宜嵌填密封材料。
分格缝应留设在板端 缝处,其纵横最大间距不大于 6m 。
基层转角部位(女儿墙、立面、天窗、天沟、排水口等)
均应做成圆弧或三角形,圆弧半径应大于 20mm 。
女儿墙、小墙在卷材收口处需做凹槽,其高度距屋面找平
层不小于 250mm 。
找平层表面应平整,可用二米直尺测量,找平层与直尺之
间不应有大于 6mm 空隙。
基层要充分干燥,简易检验方法为:将 1m 2
卷材平坦地铺
地找平层上,静置 3-4h 掀开检查,找平层覆盖部位与卷材 上未见水印才可。
树脂珍珠岩保温层屋面应设置排汽道和排汽孔,找平层设
置的分格缝可兼作排汽道,排汽道应纵横边通,其间距宜 为6m ,纵横设置,排汽孔可设置在屋面排汽道交义处。
排 汽孔以不大于 36m 2
设置一个为宜。
节点附加增强处理。