左岸岸坡导流洞进水口开挖施工方案
- 格式:doc
- 大小:114.00 KB
- 文档页数:10
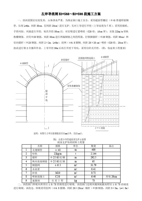
左岸导流洞K0+568~K0+598段施工方案一、因该段围岩比较发育,山体渗水严重,为保证洞口施工安全,采用超前管棚法(Φ48普通焊接钢管,长度L=6m,间距30cm,层间距20cm)进行支护。
先对上导进行开挖(上导高度为7米),采用挖掘机、手持风钻、风镐进行开挖,初次开挖50cm后,对岩壁进行素喷砼(C20砼,10cm厚),安装22kg/m轻轨格栅钢架,并用Φ25钢筋,间距30cm进行两榀钢架之间的焊接,打锁脚锚杆(Φ25钢筋,间距30cm)和径向锚杆(Φ25钢筋,间距2×2m,L=5m),挂网(φ6.5圆钢,间距20×20 cm)喷砼(C20砼,20cm厚)。
按此进行第2次循环作业。
上导开挖30m后再行开挖下导坑,采用台阶式开挖。
(附:每延米工程量表)二、该段洞门仰坡从拱顶以1:0.75的坡度进行刷坡,该段洞门边坡从隧洞底板高程以1:0.75的坡度进行刷坡。
该段边、仰坡采用挂网(φ6.5圆钢,间距20×20cm)锚杆(Φ25钢筋,间距3×3m,L=4.5m)处便道EL823.00),长度580m;第②段:由交通洞出口处至导流洞明洞下导坑底板(K0+568~K0+598,该处便道EL833.00),长度120m;第③段:由交通洞出口处至既有场内公路顺接,长度220m。
具体见图3:四、为了解决该段冲沟内排水问题,在该段冲沟洞轴线位置上游30米处设一道拦水坝(高度3米,宽度20米),在第②段施工便道未拉通之前,用2条长度为100m的PVC管将沟水直接引入南盘江中。
在第②段施工便道形成之后,在该便道一侧设置底宽为100cm,顶宽180cm,高度为100cm,厚度为40cm,长度为130m 的M7.5浆砌片石排水沟(见图4),工程量为200m3。
将上游水电九局砂石料加工系统排水和雨水直接排入南盘江。
水电站导流洞及左右岸坡开挖支护工程方案1. 引言本文档旨在为水电站的导流洞及左右岸坡开挖支护工程提供详细的方案说明。
水电站的导流洞及岸坡开挖支护是工程建设中的重要环节,它们的安全和稳定性直接影响到水电站的正常运营。
因此,为了确保工程质量和工期进度,本文将围绕项目的背景、设计原则、开挖与支护方案、施工工序、监测与评估等方面进行详细阐述。
2. 项目背景水电站导流洞及左右岸坡开挖支护工程位于既定水利工程的基础上,为了将洪水引导到下游,确保水库安全并提供均衡的水源供给。
该工程的主要目标是开挖导流洞和左右岸坡,构造能够支撑水压并保持良好稳定性的边坡结构。
3. 设计原则在制定导流洞及岸坡开挖支护方案时,必须遵循以下设计原则:•安全性:确保导流洞结构和岸坡能够承受水压和土压力,保持稳定并防止滑坡和崩塌。
•经济性:设计合理的开挖和支护方案,以降低施工成本并提高工期进度。
•可行性:根据现场实际情况和材料可获性,设计适用的支护材料和方法。
•环境友好性:设计方案应考虑到环境保护,尽量减少对周围生态环境的影响。
4. 开挖与支护方案4.1 导流洞开挖与支护方案•针对导流洞的开挖,可以采用机械抛土法或者爆破法,具体根据现场条件和施工要求进行选择。
•在导流洞开挖过程中,采取合理的支护措施,如喷射混凝土或者钢筋混凝土衬砌,以增加导流洞的稳定性和承载力。
•针对洞口和出口处的土方开挖支护,可以采用喷射混凝土或者拱轴墙进行支撑。
4.2 左右岸坡开挖与支护方案•针对左右岸坡的开挖,根据土壤工程力学参数及稳定性分析,确定开挖坡度和工程尺寸。
•岸坡开挖采用逐层开挖法,确保施工安全。
•在岸坡开挖过程中,根据施工进展情况及时采取支护措施,如土工格栅、锚杆支护等,以增加岸坡的稳定性。
5. 施工工序为保证导流洞及左右岸坡开挖支护工程的顺利进行,需按以下施工工序进行操作:1.现场勘察与设计:包括土壤力学参数测试、结构设计、开挖坡度确定等。
2.施工准备:包括施工机械的购置与调试、材料准备、施工方案的编制。
导流洞上层开挖、支护施工方案技术交底1、工程概况乌东德水电站左岸布置有两条导流隧洞,即左岸1#、2#导流隧洞,其进口位于红崖沟、大茶铺崩坡堆积体下游侧,出口与左岸电站尾水明渠结合。
两条导流隧洞洞身段平行布置,衬后断面尺寸为16.5m×24.0m(宽×高),轴线间距42m~50m,洞身段均由3个直线段和2个圆弧段组成,洞长分别为1702.717m和1630.021m。
洞身出口段与电站尾水隧洞结合,结合段高程为800.0m,结合段长度分别为334.2m、278.8m,洞内最大纵坡分别为1.131%和1.277%。
2、施工布置2.1供风导流洞洞身段施工供风则采用在支洞内扩挖的方式分别在左上1#和左下1#施工支洞共布置4个空压站,系统高峰总供风能力为1344m3/min。
2.2 供电分别在左上1#和左下1#支洞内布置2#、3#、4#、5#共四个变压站,每变压站安装两台变压器,总容量5000KVA。
成形洞段的照明采用65~100W节能灯沿洞轴线10m一盏进行;工作面采用2×2KW移动式地灯辅以1KW移动式碘钨灯进行照明。
2.3 供水2012年11月以前从金沙江直接抽取,后期则从发包人提供的供水接口处取水。
导流洞内供水主管采用DN150钢管挂壁布置,各工作面需水从主供水管接引。
2.4 通风系统根据施工现场实际情况及施工过程中影响因素的多面性,导流洞通风方式拟采用压入式通风,洞内通风接力。
分别在左岸低线路复线洞进洞处和5-4隧洞洞口处各安装1台轴流式通风机,进行压入式通风,洞内安装接力风机。
同时在导流洞上游段上部5-3隧洞和导流洞下游段上部左岸进厂交通洞各布置两条通风竖井,进行自然通风。
2.5 排水导流洞内施工期排水采取移动泵站与固定泵站相结合的方式进行抽排,并经污水沉淀池处理达标后排入金沙江。
移动式排水采取钢水箱配水泵抽排;固定排水泵站分别布置在4条支洞离主洞洞壁20m的外侧,排水泵站在支洞内扩挖形成(集水容量145m3)。
导流洞进口边坡开挖及防护施工方案一、工程概况xx水电站位于xx省xx县唐央乡境内。
xx河地处青藏高原与云贵高原过渡地带,山脉走向近南北方向,受构造控制明显。
整个地势北高南低,河谷深切,滩多水急。
导流洞布置在坝址的左岸,导流洞河段呈微凸向右岸的反“S”形,河谷呈深切“V”形峡谷,两岸地形较完整。
导流洞涉及的地层主要为奥陶系下统人公组(O1r)的第二段(O1r2)、第三段(O1r3)及第四段(O1r4)。
第三段为灰-深灰色千枚化绢石、砂质板岩夹中厚-中层变质石英砂岩,为导流洞身段主要地层。
导流洞进口边坡地形自然坡度约37°。
表面为崩、坡积块碎石,边坡基岩为O1r3风化、卸荷的千枚化板岩夹变质石英砂岩(产状为N70°W/NE∠40°),岩层倾向坡内,为斜反向坡。
开挖边坡最大高达78m左右。
边坡底部处于弱风化、弱卸荷带,以IV类岩体为主,而上部则为强风化、强卸荷带,为V类岩体,边坡总体稳定性差。
二、主要工程项目及工程量进口边坡土石方明挖施工,包括1#导流洞进口边坡开挖,边坡防护工程、施工便道公路等范围的土石方明挖工程,其开挖工作内容包括:准备工作、场地清理、施工期排水、钻孔爆破、石碴的运输和堆放、边坡监测和防护、完工验收前的维护,将开挖可利用或废弃的土方运至指定的堆放地点并加以保护和处理,以及对废弃的碴场进行清理等工作。
本标各部位土石方明挖工程量见表一。
表一主要工程量表三、施工特点进口导流洞土石方工程施工特点如下:(1)导流洞进口边坡最大垂直开挖高度达约75m,地形陡峻,施工道路布置较困难,开挖与支护需同步进行,施工干扰大。
(2)导流洞进口土石方明挖施工场面较狭窄,地形较陡,工作面施工机械作业和施工布置难度较大。
(3)导流洞进口边坡以上部位的施工对下部低位便道的安全通行影响较大,施工安全防护和便道管制任务较重。
(4)导流洞进口开挖时,其它标段同时在进行施工,施工干扰大,安全隐患突出,需加强施工组织协调。
水电站导流洞及左右岸岸坡开挖支护工程方案1. 引言水电站导流洞及左右岸岸坡开挖支护工程是水利工程建设中的重要环节。
本文档旨在提供一个详细的方案,涵盖了导流洞和岸坡的开挖支护设计、施工方法、材料选择和施工进度等方面,以确保工程的顺利实施和安全性。
2. 工程概况导流洞及左右岸岸坡开挖支护工程是为了完成水电站的导流工作,以确保大坝建设的安全进行。
导流洞的开挖支护工作是为了确保洞壁的稳定和洞内的安全通行。
左右岸岸坡的开挖支护则是为了保护岸坡的稳定性和防止倒塌。
3. 开挖支护设计3.1 导流洞开挖支护设计导流洞的开挖支护设计应考虑以下因素: - 洞壁的稳定性 - 导流洞内部的紧急通道设计 - 支护结构的选择3.2 左右岸岸坡开挖支护设计左右岸岸坡的开挖支护设计应考虑以下因素: - 岸坡的稳定性 - 岸坡土壤的排水和防水设计4. 施工方法4.1 导流洞开挖支护施工方法导流洞的开挖支护施工方法包括: - 挖掘机械的选择和使用 - 施工过程控制和监测 - 支护结构的施工方法4.2 左右岸岸坡开挖支护施工方法左右岸岸坡的开挖支护施工方法包括: - 岸坡开挖的施工工艺 - 岸坡支护结构的施工方法5. 材料选择5.1 导流洞开挖支护材料选择导流洞开挖支护材料的选择应考虑以下因素: - 材料的强度和耐候性 - 材料的安全性和环保性 - 材料的经济性和可获得性5.2 左右岸岸坡开挖支护材料选择左右岸岸坡开挖支护材料的选择应考虑以下因素: - 材料的抗渗性和防水性 -材料的抗裂性和耐久性6. 施工进度施工进度是确保工程顺利进行的关键因素,应制定详细的施工进度计划,并做好监测和调整工作。
7. 安全措施在开挖支护过程中,应严格执行安全操作规程,做好施工工地的安全保障工作,包括: - 人员的安全培训 - 安全设施的设置 - 安全监控和警示系统的安装和使用8. 结论水电站导流洞及左右岸岸坡开挖支护工程的顺利进行对于水利工程的成功建设至关重要。
导流洞进口段施工方案及施工措施左岸导流洞K0+000~K0+195断面型式为圆型,其中K0+000~K0+020段为渐变段,开挖半径为5.95m,衬砌后半径为5.00m,为Ⅴ类极差围岩,多为自然土及断层破碎带等不良地质。
为大跨度洞身开挖,土压力大,需进行强支护方能安全稳定进洞。
一、施工方案1、先行施作洞门砼。
开挖时采用挖掘机按设计尺寸位置挖出洞门位置,为避免对洞门仰坡及边坡的扰动,边坡及仰坡支护措施采用锚喷加挂钢筋网。
然后用双排注浆小导管超前预支护结合工字钢格栅支撑(见图1),锁定洞门后,立即浇筑洞门C25砼。
2、洞门施工完毕后,回填土至上导坑底标高,然后进行上导掘进,进洞K0+004以后视实际情况采取单排注浆小导管超前预支护结合工字钢支撑,锚喷加挂钢筋网。
二、掘进开挖方法1、开挖方法:开挖采用台阶分步法开挖,上导先行,实施小导管注浆超前预支护,工字钢格栅支撑及锚喷等手段。
2、钻孔:以气腿式凿岩机进行钻孔作业,用2m钻杆,初期进洞钻进为0.6m,进洞以后视围岩情况钻进0.8~1.5m左右,钻头采用Φ42钻头。
3、爆破:采用预裂爆破结合光面爆破,并按微震控制爆破设计,塑料导爆管非电起爆。
隧洞开挖施工中根据爆破设计,结合现场地质情况进行爆破试验并不断修正爆破参数,以达到最佳爆破效果。
成立爆破作业小组,实行定人、定位、定标准的岗位责任制,精细规范实施,其具体技术措施如下:(1)测量放线①隧道中线测桩之间距,直线上不超过10m、曲线上不超过5m,每50m设一水准点(BM),并在每排炮开钻前准确绘出开挖轮廓线、周边眼、掏槽眼等的具体位置;②每次测量放线时,对上次爆破断面进行检查,及时调整爆破参数,以达到最佳的爆破效果。
(2)钻孔作业注意事项①钻眼前,钻工要熟悉炮眼布置图,按照钻爆设计,根据围岩的变化可适当调整装药量;②定人、定位,对周边眼、掏槽眼由经验丰富的钻工司钻;③严格控制炮眼间距,周边眼间距不大于50cm。
水电站导流洞及左右岸岸坡开挖支护工程方案1. 引言水电站是利用水能转化为电能的重要设施,其中导流洞和岸坡的开挖支护工程是水电站建设过程中不可或缺的一部分。
本文将详细介绍水电站导流洞及左右岸岸坡开挖支护工程方案,包括施工前的调研与设计、开挖与支护工艺、施工过程控制措施以及施工后的检验和维护等内容。
2. 施工前的调研与设计在进行导流洞及岸坡开挖支护工程前,需要进行充分的调研和设计。
2.1 调研在调研阶段,需要对施工区域的地质情况、水文地质条件、地下水位和水力条件等进行详细的调查和分析。
通过对相关数据的收集和分析,确定施工的可行性和施工过程中可能遇到的困难和风险。
2.2 设计根据调研结果,对导流洞及岸坡的开挖和支护方案进行设计。
设计时需要考虑地质条件、水文地质条件以及施工时可能产生的地下水压力等因素,确保施工的安全性和有效性。
3. 开挖与支护工艺根据设计方案,进行导流洞及左右岸岸坡的开挖与支护工艺。
3.1 开挖工艺导流洞及左右岸岸坡的开挖可以采用机械开挖和爆破开挖两种方式。
具体选择哪种方式要根据现场的地质条件、岩石硬度、施工进度和安全要求等因素进行综合考虑。
3.2 支护工艺开挖完成后,需要对导流洞和岸坡进行支护。
常见的支护方式包括钢支撑、喷射混凝土、锚杆锚网等。
选择支护方式时,需要考虑施工期间的水压力、地下水位、岩石稳定性等因素,确保支护的稳定性和安全性。
4. 施工过程控制措施在施工过程中,需要采取一系列的控制措施,确保施工的安全和顺利进行。
4.1 安全措施施工期间需严格遵守安全操作规程,工人必须佩戴安全帽、安全绳等必要防护装备。
同时,对施工现场进行周边封闭,设立安全警示标志,确保周边人员和设备的安全。
4.2 施工进度控制根据施工计划编制详细的工序计划,明确每个工序的工期和工作内容。
及时调整施工进度,确保施工的高效进行。
4.3 质量控制在施工过程中,必须严格按照设计要求和相关标准进行操作和施工,确保施工质量的达标。
贵州×××水电站工程导流洞施工支洞开挖支护×××有限公司×××水电站工程项目部×××年×××月×××日批准:审核:校核:编写:目录1概述 (1)1.1工程概况 (1)1.2地质条件 (1)2施工进度计划 (1)3施工布置 (1)3.1风、水、电布置 (1)3.2施工平台布置...................................................................................................... 错误!未定义书签。
3.3制浆站布置.......................................................................................................... 错误!未定义书签。
3.4钻孔设备配置...................................................................................................... 错误!未定义书签。
4灌浆材料控制 (3)5施工方法及措施 (3)5.1施工工艺 (4)5.2施工程序 (4)5.3施工方法 (4)6资源配置 (5)6.1主要劳动力配置 (5)6.2主要设备配置 (6)6.3主要材料计划 (6)7质量保证技术措施 (6)7.1组织措施 (6)7.2技术措施 (7)7.3技术资料管理措施 (7)8安全生产及文明施工措施 (7)导流洞施工支洞开挖支护施工方案1概述1.1工程概况导流洞施工支洞位于导流洞出口下游侧,全长165.36m,进口高程1256.00m,末端底板高程1244.05m,与导流洞0+481.96m桩号相交,平均底坡i=7.41%。
第七章导流洞开挖施工1 工程简况1。
1工程简况左岸导流洞洞身段全长598。
631m,导流洞洞身断面型式为城门洞型,开挖断面尺寸:宽17。
9~24.883m,高22.75~26.15m,洞身段砼衬砌后尺寸:宽16m,高21m,衬砌厚度0。
8~2.3m。
主要由进口渐变段、进口直线段、转弯段、中间直线段、出口直线段组成,总开挖方量24.227万m3,砼衬砌方量4。
917万m3.导流洞开挖及砼衬砌主要通过施工支洞和施工导洞进行。
1。
2 主要工程量表1-1 龙滩水电站主体土建工程Ⅰ标主要工程量1。
3 施工情况导流洞施工因部位提交滞后2.5个月,于2001年9月2日开工进行导流洞施工支洞施工,开工后5#道路仍在施工过程中,导流洞施工受其影响开始进展缓慢;2001年11月6日进入导流洞主洞开挖,12月23日施工支洞全部完工;截止2002年3月8日,导流洞上断面导洞开挖548m,扩挖500m,完成洞挖工程量约6.2万m3.1.4 气象、水文条件红水河流域汛期为5~10月份,平枯水期为11月份至翌年4月份。
红水河流域洪水由暴雨形成。
坝区年最大洪水出现在6~10月份,其中主汛期6~8月份,洪水发生频繁。
由于左右岸道路施工及岩滩电站坝前水位影响造成河床水位涌高,水文条件的改变增加了导流洞施工的难度。
2主要施工措施(1)为改善通风条件加快施工进度,增加新的工作面,在导流洞出口段开挖上导洞以使导流洞与出口贯通,不仅改善了施工环境,同时作为部分进行中断面的开挖施工道路,缓解施工支洞运输强度,出口工作面洞挖2.3万m3。
(2)上断面开挖时开挖高度由8m调整到8.5m,同时两侧墙按超挖40cm控制,以利下部开挖边墙预裂钻孔施工,中、下断面边墙预裂采取一次成孔,孔深钻至距导流洞底板以上50cm,中、下断面开挖一次预裂,加快施工进度.(3)新增一个供风系统布置在导流洞出口5#公路旁,为中断面及下断面开挖提供施工用风,配备6台20 m3/min电动空压机、1台100m3/min电动空压机供风,总供风量220 m3/min.(4)洞身砼衬砌施工采用砼搅拌运输车和新增的混凝土泵送车,根据衬砌砼施工程序和赶工施工进度的要求,洞身衬砌砼的浇筑,拟配6台砼搅拌运输车、2台拖式混凝土泵机和新增加一台混凝土泵送车,减少浇筑辅助工序时间。
左岸1#2#导流隧洞扩挖施工方案1工程概述1#导流隧洞断面型式为方圆型,衬砌后断面尺寸为16m×21m,钢筋混凝土衬砌厚度为0.6m~1.8m,进口高程为EL.600m,洞长1067.84m,隧洞底坡为i=0.578%,出口高程EL.594m。
2#导流隧洞断面型式为方圆型,衬砌后断面尺寸为16m×21m,钢筋混凝土衬砌厚度为0.6m~1.8m,进口高程为EL.605m,导流隧洞洞身长1141.936m;与尾水隧洞结合段前隧洞底坡为i=3.81%,结合段后隧洞底坡为i=0,隧洞出口高程EL.576m。
工程筹建期间,1#、2#施工支洞间1#导流洞上层中导洞(8×7m)于2005年11月25日贯通,2#导流洞上层中导洞(8×7m)也计划于2005年12月底贯通。
在主体工程开工前,为了确保其施工关键线路,削减主体工程洞挖高峰强度,按照业主指示,拟对两支洞间的导流洞上层部分洞段在2005年12月期间进行扩挖,特制定本方案。
2编制依据按照设计图纸、设计通知及相应的规范标准进行施工方案编制,具体如下:(2)1#导流洞剖面图(3)2#导流洞剖面图(4)关于1#、2#导流洞进口布置优化调整的通知(设计通知单第2005-001号总第142号)(5)水电水利工程爆破施工技术规范(DL/T 5135-2001)(6)水工建筑物地下开挖工程施工技术规范(DL/T 5099-1999)3施工布置(1)施工道路:1#、2#导流洞上层扩挖支护主要利用1#、2#施工支洞上支洞分别作为上、下游施工段的施工通道。
(2)风水电:将1#2#导流洞上层中导洞内的风水电管线路拆除后,主要利用1#、2#施工支洞上支洞内现有管路、线路延伸至开挖支护工作面进行施工。
上游侧由于主要开挖工作面由原来的3个增加至4个(同时掌子面光爆钻孔数量增加),前期的压风站总风量需由80m3/min扩容至120m3/min,同时前期800KVA的变压器负荷超限,为满足开挖施工需要,需再新增设500KVA变压器,压风站扩容后重新接风管至新开工作面。
目录第一章综合说明 (1)1.1概述 (1)1.1.1 工程概况 (1)1.1.2项目名称、项目法人 (1)1.2水文气象及工程地质 (2)1.2.1 水文气象 (2)1.2.2 工程地质 (2)1.3主要合同项目及工程量 (3)1.3.1 本标工作项目和工作内容 (3)1.3.3 本合同主要工程量 (4)1.4控制工期及高峰强度 (5)1.5业主提供条件 (6)1.5.1 交通条件 (6)1.5.2 施工供电、供水、供风、照明及通讯 (7)1.5.3 施工营地 (8)1.5.4 砂石骨料供应 (8)1.5.5 水情气象的测报和预报 (8)1.5.6 施工用地 (8)1.5.7 堆弃渣场 (8)1.5.8 油料及火工材料供应 (8)1.5.9 试验检测中心、测量中心、安全监测中心、水保环保中心 (9)1.5.10 业主供应的设备及材料 (10)1.6工程特点 (11)1.7施工重点、难点及对策 (11)1.7.1 工程量大,工期紧张 (11)1.7.2 多标段同时施工,施工干扰大 (12)1.7.3 开挖边坡高,地形陡峭,施工安全问题突出 (13)1.7.4 施工设备投入量大 (13)1.7.5 环境保护和文明施工要求高 (14)1.7.6 锚洞和抗剪洞长,工期紧张 (14)1.7.7 雨季施工难度大 (14)1.8施工组织设计的编制依据与编制原则 (15)1.8.1 施工组织设计的编制原则 (15)1.8.2 施工组织设计的编制依据 (16)1.9施工承诺 (16)第二章施工组织管理 (18)2.1管理组织机构 (18)2.1.1 现场组织机构框图 (18)2.1.2 组织机构中各职能部门的职责说明 (18)2.1.3 现场的管理 (20)2.2施工进场与现场施工准备 (21)2.2.1 施工进场 (21)2.2.2 现场施工准备 (21)2.3质量保证体系 (22)2.3.1 施工现场质量管理组织机构 (22)2.3.2 工程施工全面质量管理体系 (22)2.4安全保证体系 (22)2.5资源管理 (23)2.5.1 人力资源的管理 (23)2.5.2 材料资源的管理 (25)2.5.3 施工设备的管理 (26)第三章施工总布置 (27)3.1施工总布置的条件和原则 (27)3.2施工临时道路布置 (28)3.2.1 施工临时道路布置 (28)3.3主要施工辅助企业 (30)3.3.1 施工机械修配保养、停放厂 (30)3.3.2 综合加工厂 (31)3.3.3 砂石骨料及混凝土拌和系统 (32)3.3.4 仓储系统 (34)3.3.5 现场材料及工艺试验室 (34)3.3.6 其他设施 (35)3.4施工风水电供应、通讯及排污 (35)3.4.1 施工供风 (35)3.4.2 施工供水及排污 (36)3.4.3 施工供电 (42)3.4.4 施工通讯 (48)3.4.5 施工照明 (48)3.4.6 供电安全措施 (49)3.5办公生活营地规划及建设 (49)3.8堆碴(料)场规划 (50)3.8.1 料场 (50)3.8.2 弃(堆)渣场 (50)第四章施工总进度及资源配置 (51)4.1施工总进度的编制依据和编制原则 (51)4.1.1 施工总进度的编制依据 (51)4.1.2 施工总进度的编制原则 (51)4.2施工程序 (52)4.2.1 总体施工程序 (52)4.2.2 明挖施工程序 (53)4.2.3 支护施工程序 (53)4.2.4 锚洞与抗剪洞施工程序 (54)4.3施工进度安排 (54)4.3.2 主要工程项目施工进度计划 (54)4.4施工强度指标及高峰强度分析 (55)4.4.1 主要施工强度指标 (55)4.4.2 高峰强度分析 (58)4.4.3 高峰强度保证措施 (59)4.5目标工期的保证措施 (60)4.5.1 组织保证措施 (60)4.5.2 技术保证措施 (61)4.5.3 现场计划执行保证 (61)4.5.4 施工外部环境保证措施 (62)4.5.5 环境与文明施工保证措施 (62)4.6施工资源配置 (62)4.6.1 劳动力组织与配置计划 (62)4.6.2 施工机械设备配置 (63)第五章土石方工程 (71)5.1施工特性 (71)5.1.1工作范围及工作内容 (71)5.1.1.1 工作范围 (71)5.1.1.2 工作内容 (71)5.1.2 概述 (71)5.1.3 工程地质 (71)5.1.4 工程量 (72)5.1.5 施工特点 (72)5.2施工布置 (73)5.2.1 施工道路布置 (73)施工临时道路布置 (73)1.2 施工特点 (74)5.2.3 施工风、水、电布置 (74)5.3施工程序及进度安排 (75)5.3.1 施工程序 (75)5.3.2 进度安排 (76)5.3.3 施工强度 (76)5.4施工准备 (76)5.5土方明挖 (77)5.6石方明挖 (78)5.6.1 石方开挖的原则 (78)5.6.2 石方开挖的分区分层 (78)5.6.3 石方开挖的工艺流程 (79)5.6.4 石方开挖施工方法 (79)5.6.5 爆破设计 (81)5.6.6 现场爆破试验 (85)5.6.7 开挖过程中的注意事项主要有: (85)5.7土石方平衡规划 (86)5.8开挖区排水措施 (86)5.9开挖边坡保护措施 (87)5.10雨季施工 (87)5.11资源配置 (87)5.11.1 人力资源配置 (87)5.11.2 机械资源配置 (88)5.12施工质量、安全保证措施 (89)5.12.1 施工质量保证措施 (89)5.12.2 安全保证措施 (89)第六章支护工程 (91)6.1工程概况 (91)6.1.1 工作范围 (91)6.1.2 工程部位及项目 (91)6.1.3 主要支护形式及工程量 (91)6.1.4 支护施工特点 (91)6.2施工程序 (92)6.2.1 支护与开挖关系协调及措施 (92)6.2.2 支护施工程序 (93)6.3喷混凝土及挂网施工 (93)6.3.1喷混凝土原材料 (93)6.3.2 施工准备 (94)6.3.3 喷砼施工配合比 (95)6.3.4 配料、拌和及运输 (95)6.3.5 喷砼施工 (96)6.3.6 钢筋网喷射混凝土 (97)6.4锚杆施工 (98)6.4.1 原材料 (98)6.4.2 施工准备 (98)6.4.3 岩石锚杆施工 (99)6.4.4 质量检验与验收 (100)6.5锚杆束施工 (100)6.5.1 概况 (100)6.5.2 锚杆束施工特点 (101)6.5.3 材料 (101)6.5.4 锚杆束施工工艺流程 (102)6.5.5 锚杆束施工方法 (102)6.5.6 锚杆束施工质量保证措施 (103)6.5.7 锚杆束施工安全保证措施 (103)6.5.8 锚杆束施工工期保证措施 (104)6.5.9 质量检查 (104)6.5.10 锚杆束验收 (104)6.5.11 主要资源配置计划 (104)6.6预应力锚索施工 (105)6.6.2 锚索支护与开挖关系协调及措施 (106)6.6.3 预应力锚索施工 (107)6.6.4 锚索施工强度分析及保证措施 (115)6.6.5 安全文明施工及环境保护措施 (117)6.6.6 主要资源配置计划 (117)6.7柔性防护网施工 (118)6.8施工资源配置 (119)第七章锚洞及抗剪洞开挖工程 (120)7.1概述 (120)7.1.1 工程概况 (120)7.1.2 施工特点 (120)7.2施工布置 (120)7.2.1 施工道路布置 (120)7.2.2 渣场布置 (121)7.2.3 风、水、电布置 (121)7.3施工程序及进度安排 (121)7.3.1 施工程序 (121)7.3.2 施工进度 (121)7.4洞挖施工工艺 (122)7.4.1 开挖工艺流程 (122)7.4.2 临时支护施工 (122)7.4.3 排炮循环时间 (123)7.4.4 超欠挖控制措施 (124)7.4.5 EL1960m高程的锚洞抗剪洞的开挖 (124)7.4.6 EL1930m高程的锚洞抗剪洞的开挖 (124)7.4.7 EL1885m高程的锚洞抗剪洞的开挖 (124)7.4.8 爆破设计 (125)7.5不良地质段施工 (126)7.5.2 断层、裂隙和层面发育地质洞段施工注意事项 (127)7.6洞内通风及排水 (128)7.6.1 施工期通风布置 (128)7.6.2 施工期洞内排水布置 (130)7.7主要施工机械设备 (130)7.8施工质量及安全保证促措施 (130)7.8.1 质量保证措施 (130)7.8.2 安全保证措施 (131)7.8.3 劳动保护 (133)第八章混凝土及砌体工程 (135)8.1施工特性 (135)8.1.1 工程概况 (135)8.1.2 工作内容 (135)8.1.3 施工特点 (135)8.2施工布置 (135)8.2.1 施工道路布置 (135)8.2.2 砂石料及混凝土 (136)8.2.3 施工风水电供应 (136)8.3施工进度安排 (136)8.3.1 施工程序 (136)8.3.2 施工进度安排 (136)8.3.3 施工高峰强度 (136)8.4混凝土浇筑施工工艺 (137)8.4.1仓面清理 (137)8.4.2 测量放线 (137)8.4.3 钢筋焊接 (138)8.4.4 立模、校模 (138)8.4.5 清仓验收 (138)8.4.7 混凝土浇筑 (138)8.4.8 混凝土养护 (139)8.4.9 拆模、修补 (139)8.5混凝土原材料与配合比 (139)8.5.1 混凝土原材料 (139)8.5.2 混凝土配合比 (141)8.6钢筋工程 (141)8.6.1 钢筋分布 (141)8.6.2 钢筋材质 (141)8.6.3 钢筋的加工和安装 (142)8.7模板工程 (143)8.7.1 模板的一般要求 (143)8.7.2 模板的规格 (143)8.8锚洞抗剪洞混凝土施工 (144)8.8.1 置换混凝土施工 (144)8.8.2 回填混凝土施工 (146)8.9砌体施工 (146)8.9.1 施工概述 (146)8.9.2 一般要求 (147)8.9.3 浆砌石体砌筑 (149)8.9.4 设备配置 (150)8.9.5 质量保证措施 (150)8.9.6 养护及其他施工要求 (151)8.10混凝土施工温控措施 (151)8.10.1 降低砼浇筑温度 (151)8.10.2 降低砼入仓温度 (151)8.10.3 降低砼水化热温升 (152)8.11混凝土施工主要施工机械设备配置 (152)8.12混凝土抽样质量检验与缺陷处理 (152)8.12.2 混凝土表面的修整 (153)8.13混凝土施工质量与施工安全保证措施 (154)8.13.1 混凝土施工质量保证措施 (154)8.13.2 混凝土施工安全保证措施 (156)第九章钻孔灌浆工程 (159)9.1工程概述 (159)9.1.1 工程地质概述 (159)9.1.2 施工范围及主要工程量 (159)9.1.3 工程特点 (159)9.2施工布置 (160)9.2.1 施工交通 (160)9.2.2 施工风、水、电、照明及通讯 (160)9.2.3 制浆系统 (160)9.2.4 排污系统 (161)9.3设备选型及主要施工方案 (161)9.3.1 设备选型 (161)9.3.2 主要施工方案 (162)9.4高峰强度分析及保证措施 (163)9.4.1 高峰强度分析 (163)9.4.2 高峰强度保证措施 (163)9.5灌浆材料 (164)9.5.1 水泥 (164)9.5.2 水 (164)9.5.3 掺合料 (164)9.5.4 外加剂 (164)9.6回填灌浆 (164)9.6.1 钻孔 (164)9.6.2 灌浆 (165)9.7抗剪洞固结灌浆 (165)9.7.1 钻孔 (166)9.7.2 灌浆 (166)9.7.3 质量检查 (167)9.8边坡预灌浆 (167)9.8.1 边坡预灌浆范围 (167)9.8.2 钻孔 (167)9.8.3 灌浆 (167)9.8.4 开挖边坡预灌浆效果检查 (168)9.8.5 开挖边坡预灌浆安全措施 (168)9.9固结钻灌特殊情况处理措施 (168)9.9.1 塌孔处理措施 (168)9.9.2 冒浆、漏浆处理措施 (168)9.9.3 串浆处理措施 (169)9.9.4 灌浆因故中断处理措施 (169)9.9.5 回浆变浓的处理措施 (169)9.9.6 大裂隙或灌浆段注入量大的孔段处理措施 (169)9.9.7 灌浆升不起压力的处理措施 (169)9.10排水孔施工 (169)9.11质量安全保障措施 (170)9.11.1 质量保障措施 (170)9.11.2 安全保障措施 (170)9.12资源配置 (171)9.12.1 主要施工设备 (171)9.12.2 施工人员 (171)第十章原型观测 (172)10.1引用标准和规范 (172)10.1.1 适用范围 (172)10.1.3 主要提交资料 (173)10.2观测仪器设备的采购、验收、安装和埋设 (174)10.2.1 仪器设备的采购和验收 (174)10.2.2 观测仪器设备的安装和埋设 (175)10.3施工期临时监测方案 (184)10.3.1 边坡(含临时边坡)稳定监测 (184)10.3.2 地下洞室围岩变形监测 (185)10.4施工期观测及观测资料的整编 (187)10.4.1 一般规定 (187)10.4.2 施工期观测 (189)10.4.3 观测资料的整编 (191)10.5.1 仪器设备的检查和交货验收 (192)10.5.2 仪器设备安装埋设质量的检查 (192)10.5.3 完工验收 (192)10.6质量保证体系 (192)10.6.1 人员保证 (192)10.6.2 仪器安装及保护质量控制 (192)10.6.3 观测及资料整理和分析质量保证 (192)第十一章现场试验及施工测量 (194)11.1现场试验 (194)11.1.1 现场试验内容及目的 (194)11.2质量保证 (194)11.2.1 制订试验检验质量手册 (194)11.2.2 建立健全内部管理 (194)11.2.3 贯彻监理工程师指示 (194)11.2.4 优化混凝土配合比 (194)11.2.5 加强抽样检测 (195)11.3爆破试验 (195)11.3.2 爆破试验内容 (195)11.3.3 爆破试验规模及次数 (196)11.3.4 爆破试验地点及时间 (196)11.3.5 爆破试验要求 (196)11.3.6 爆破试验方法 (197)11.3.7 爆破试验测试 (200)11.3.8 爆破试验资料整理 (201)11.4灌浆生产性试验 (201)11.4.1 浆液试验项目 (201)11.4.2 现场生产性灌浆试验 (201)11.5混凝土试验 (202)11.5.1 试验目的 (202)11.5.2 试验内容 (202)11.5.3 混凝土配合比试验 (202)11.5.4 水泥、粉煤灰、外加剂相容性试验 (203)11.5.5 砼性能试验 (203)11.6混凝土现场质量控制与检测 (203)11.6.1 混凝土现场质量检测与控制 (203)11.6.2 作好原始记录 (204)11.6.3 进行综合评定 (205)11.6.4 进行原位抗剪试验 (205)11.6.5 进行统计分析 (205)11.6.6 成立QC小组 (205)11.6.7 接受监理工程师的监督检查 (205)11.7砼试验室组织计划 (205)11.7.1 概述 (205)11.7.2 组织机构和人员 (206)11.7.3 仪器设备与环境 (207)11.7.4 环境 (207)11.7.6 工作制度 (208)11.7.7 试验室设备配备 (208)11.8锚杆、锚索试验 (209)11.8.1 锚杆、锚索试验内容 (209)11.8.2 锚杆、锚索浆液试验 (209)11.8.3 锚杆、锚索原材料试验 (209)11.8.4 注浆密实度工艺试验 (209)11.8.5 锚杆拉拔试验 (209)11.8.6 锚索锚墩混凝土配合比试验 (210)11.9施工测量 (210)11.9.1施工测量的任务及施测方案送审 (210)11.9.2控制测量 (210)11.9.3放样测量 (210)11.9.4测量仪器的配置 (212)第十二章施工质量目标与施工质量保证体系 (214)12.1质量目标 (214)12.2质量管理组织机构 (214)12.3全面质量管理体系及管理程序 (218)12.3.1 全面质量管理体系 (218)12.3.2 全面质量管理的基本方法 (220)12.3.3 合同实施的全面质量管理的技术基础 (220)12.4施工过程质量控制 (223)12.4.1 施工前质量控制 (223)12.4.2 施工过程中的质量控制 (223)12.5土石方明挖质量控制 (227)12.6石方洞挖质量控制 (229)12.7锚杆施工质量控制 (230)12.8锚索质量控制 (231)12.10混凝土施工质量控制 (232)12.11基础处理质量控制 (236)12.12质量保证的宏观技术措施 (236)12.12.1 建立健全各项质量管理规章制度 (236)12.12.2 规范运作,保持质量体系的有效运行 (237)第十三章施工安全管理与控制措施 (239)13.1施工安全目标 (239)13.2安全管理体系与相关单位主要安全职责 (239)13.2.1 安全管理体系 (239)13.2.2 安全管理相关单位的主要职责 (242)13.3安全管理制度及办法 (244)13.4现场安全组织控制措施 (247)13.4.1 施工现场安全管理措施 (247)13.4.2 土石方明挖安全措施 (248)13.4.3 地下洞室施工安全控制措施 (249)13.4.4 运输安全措施 (251)13.4.5 用电安全措施 (251)13.4.6 混凝土浇筑安全措施 (252)13.4.7 施工期边坡稳定安全措施 (252)第十四章文明施工与环境保护 (253)14.1文明施工 (253)14.1.1 文明施工目标 (253)14.1.2 文明施工组织机构 (253)14.1.3 文明施工管理制度 (254)14.1.4 文明施工管理措施 (255)14.1.5 文明施工考核、管理办法 (257)14.2环境保护措施 (258)14.2.1 环境保护目标 (258)14.2.3 环境保护管理制度 (258)14.2.4 施工前的环境规划措施 (259)14.2.5 施工期间的环境保护措施 (259)14.2.6 场地清理 (264)14.2.7 加强施工管理,全面响应发包人有关保护环境的规定 (264)第十五章工程成本控制措施 (266)15.1成本控制的具体内容 (266)15.1.1 对人员成本控制 (266)15.1.2 材料的成本控制 (266)15.1.3 机械成本控制 (267)15.2施工过程中的成本控制 (267)15.2.1 建立成本目标责任制,实施成本管理 (267)15.2.2 质量和安全成本管理 (267)15.2.3 实施人、材、机科学管理,降低成本 (268)15.2.4 土石方开挖成本控制 (268)15.2.5 砼施工成本控制 (268)第十六章工程验收与竣工资料整编 (269)16.1工程验收及资料提交范围 (269)16.1.1 工程验收的组成 (269)16.1.2 完工资料内容 (269)16.1.3 竣工专题报告提交的资料 (269)16.1.4 验收程序 (269)16.2工程验收资料整编 (270)16.2.1 工程验收资料 (270)16.2.2 施工综合管理资料 (270)16.2.3 质量检查签证资料 (270)16.2.4 质量保证资料 (270)16.2.5 竣工图 (270)16.3.1 建立完善的资料管理制度 (270)16.3.2 强化日常资料管理工作 (271)16.3.3 实施分阶段整编计划 (271)16.3.4 运用经济手段促进资料整编归档 (271)16.3.5 加强人员学习、培训 (271)16.3.6 大力运用计算机进行资料管理和整编 (271)16.4竣工资料提交时间 (271)16.5工程保修 (271)16.6完工清场 (272)16.7施工局的撤离 (273)第十七章现场施工配合与协调 (274)17.1与相关标段的施工联系和协调 (274)17.1.1 进度协调 (274)17.1.2 施工场地的协调 (274)17.1.3 施工道路的协调 (274)17.1.4 其它设施的协调 (275)17.1.5 与相关标段的协调 (275)17.2现场施工干扰的措施 (275)17.3对外关系的协调 (276)17.3.1 与地方政府的关系 (276)17.3.2 与当地人民群众的关系 (276)17.3.3 与业主的关系 (277)17.3.4 与监理和设计的关系 (277)第十八章合理化建议 (278)第一章综合说明1.1 概述1.1.1 工程概况锦屏一级水电站位于四川省凉山彝族自治州木里县和盐源县交界处的雅砻江大河湾干流河段上,是雅砻江下游从卡拉至河口河段水电规划梯级开发的龙头水库,距河口358km,距西昌市直线距离约75km。
导流洞开挖施工方案(02)一、项目背景及目标这次导流洞开挖项目位于我国某大型水利枢纽工程,工程总投资数十亿,旨在提高水资源利用率,保障区域水资源安全。
我们的目标是确保导流洞开挖工程按照设计方案顺利进行,保证施工安全和质量。
二、施工前期准备1.人员组织:组建一支经验丰富的施工队伍,明确各成员职责,确保施工过程中沟通顺畅。
2.设备准备:检查挖掘机、装载机、推土机等设备,确保其正常运行。
同时,提前准备混凝土搅拌站、模板、脚手架等材料。
3.技术准备:熟悉施工图纸,了解导流洞的结构、尺寸、深度等参数,制定合理的施工方案。
4.现场调查:了解施工现场地形地貌、地质条件,评估施工难度和风险。
三、施工过程1.导流洞进口段施工(1)采用明挖法进行施工,先进行表土剥离,然后挖掘机、装载机配合进行石方开挖。
(2)根据设计要求,对洞口段进行加固处理,确保施工安全。
(3)洞口段开挖完成后,进行初期支护,防止洞口段坍塌。
2.导流洞主体施工(1)采用钻爆法进行石方开挖,严格控制爆破参数,减少爆破对周边环境的影响。
(2)根据地质条件,适时调整施工方案,确保施工进度和质量。
(3)在开挖过程中,加强对洞内空气质量、水位等参数的监测,确保施工安全。
3.导流洞出口段施工(1)出口段施工方法与进口段相同,注意加强初期支护。
(2)施工过程中,密切关注地质变化,及时发现并处理安全隐患。
四、施工安全及环保措施1.安全措施(1)加强施工现场安全管理,制定完善的安全生产规章制度。
(2)对施工人员进行安全培训,提高安全意识。
(3)定期检查施工现场,确保安全设施正常运行。
2.环保措施(1)合理利用施工废料,减少环境污染。
(2)加强对施工现场的绿化工作,减少扬尘污染。
(3)加强对周边生态环境的保护,确保施工对环境的影响降到最低。
五、施工进度及验收1.施工进度:根据工程总体进度要求,合理安排施工计划,确保工程按时完成。
2.验收:施工完成后,组织专家进行验收,确保工程质量符合设计要求。
广西红水河龙滩水电站主体I标工程左岸导流洞出口明渠开挖施工方案GZB龙滩水电站工程施工项目部二00二年八月七日批准: 审核:编制:左岸导流洞出口明渠开挖施工方案一、编制依据1、《龙滩水电站主体土建工程I标施工招标文件》第二卷技术条款2、《龙滩水电站导流洞施工技术说明书》3、《水工建筑物岩石基础开挖工程施工技术规范》4、《左岸导流洞出口明渠开挖图》二、工程概述1、出口明渠地质左岸导流洞出口明渠位于导流洞下游EL7和EL8控制点之间,所在区域地形自然边坡坡度为39 °~ 43°,主要地层为砂岩、砂岩泥板岩互层,岩体强风化深度10~12m。
明渠底板大部分位于弱风化岩体上,局部已深入微风化岩体。
明渠右侧坡与岩层走向夹角45°,为斜交坡。
坡面受F4、F43、F36 等断层切割,在边坡构成少数稳定性较差的块体。
洞脸坡面与岩层走向夹角35°〜40°,为斜交顺向坡。
受F44、F49等断层斜切,在洞口顶拱存在稳定性差的块体。
左侧坡面与岩层走向夹角为45°〜58°,为斜交坡,坡面有多条断层切割。
2、出口明渠特征参数出口明渠全长267.06m,形状为顺水流方向的喇叭形,每一侧扩散角为6°。
其边坡分为▽ 260~V 245m (I级边坡)、▽ 245~230m (H级边坡)、▽ 230~212.9m (皿级边坡),上下级边坡间有2m宽马道。
主要结构物底板开挖高程▽ 212.9m,河床内的底板开挖高程为▽ 214.4m,最大开挖深度47m,两侧边坡主要坡比有1: 0.5和1:0.3两种。
设计土石方开挖方量17.44万m3。
在2001年年底,为给导流洞开挖增加一作业面,曾在出口明渠上部开挖了一条底口宽6m,长约60m,纵坡12%,侧坡坡比1:0.3的交通便道。
三、施工布置1、施工用风施工支洞口下游侧的空压站供风量为140m3/min,原专供导流洞开挖使用,现导流洞洞身开挖已进入尾声,风量有剩余。
左岸导流洞进水口开挖施工方案GZB龙滩水电站工程施工项目部二OO二年八月十四日批准:审核:编制:左岸导流洞进水口开挖施工方案1.施工特性左岸导流洞进水口位于龙滩水电站5#~9#机组引水系统进水口前端,从▽311m高程到▽210m高程。
正面边坡有4级1:1边坡和1级垂直边坡;上游侧坡有6级,主要坡比为1:1.25。
正面坡和上游坡侧坡开挖层都较薄。
开挖方量总计29.5万m3。
左岸导流洞进水口边坡地质条件复杂,上游侧坡多为砂质粘土夹块石;正面坡岩层是三叠系中统板纳组(T2b),为泥板岩、砂岩、粉砂岩互层;水平建基面岩层是三叠系中统板纳组(T2b)和三叠系下统罗楼组(T1L),T1L为泥板岩、灰岩互层。
蠕变体边线从正面坡和上游侧坡交界处穿过,大的断层有F4。
地质探洞有D1、D27、D34。
2.施工布置2.1施工便道布置主要施工便道有▽260m高程施工便道、进水口上游(▽246m)和下游(▽260m)到开挖区▽230m高程的施工便道、▽311平台到▽260高程的之字型施工便道。
▽230m 高程以下的开挖便道从低水围堰端部▽230m高程沿围堰边坡向下环绕到▽210m高程。
▽275m高程以上出渣主要经▽311mm平台,○13公路运到雷公滩渣场,▽260m~▽275m、▽245m~▽260m开挖出碴从▽260m高程施工便道,○7公路运到姚里沟渣场。
可利用于修筑围堰的开挖料,则经开挖区下部的施工便道运到围堰填筑区。
▽230m~▽245m 开挖出碴从▽230m高程施工便道运出。
具体布置见附图。
2.2供风施工用风主要从1#空压站、▽382m空压站经岸坡▽382m~▽311m高程前期开挖完成的边坡进入开挖区。
根据施工实际情况,机动安排移动空压机,确保开挖支护供风。
2.3供水施工用水从▽382m平台拟修建的150m3供水水池引管至施工部位。
前期施工用水从▽311高程以上的岸坡支护供水管线上分支管至施工部位。
2.4供电开挖支护用电引用岸坡开挖支护供电系统和B区压脚供电系统。
线路布置沿1#冲沟下游侧边坡向下进入施工部位。
2.5围堰布置具体见围堰专项方案.3.施工组织左岸导流洞进水口位于▽382m~▽311m临时边坡下部,导流洞进水口开挖时,岸坡▽382m~▽345m高程预留体也在开挖,上下干扰大,必须做好安全防护措施。
导流洞进水口▽295m~▽245m高程边坡开挖时,要兼顾围堰修筑。
施工时应提前修筑好▽311m平台到▽260的施工道路以及围堰填筑道路。
围堰填筑要合理利用导流洞进水口边坡开挖的土石料。
为了及早进行导流洞进口岩塞段的开挖,施工中应以正面坡为主进行施工。
在▽245m~▽230m边坡开挖时,以洞脸坡面为重点,必要时由内向外开挖。
洞脸坡面出露后,及时进行进口岩塞的洞脸支护施工及导洞开挖施工。
在进行岩塞上断面开挖过程中,明渠开挖作业面必须给岩塞开挖预留石碴运输道路,该运输道路随岩塞中断面和下断面的开挖而逐步下降。
明渠开挖至导流洞岩塞洞脸以后,开挖的直线工期由岩塞的开挖和支护进度控制。
上游的两条施工便道将从B区压脚下游▽246高程内侧穿过,B区压脚的下游回填施工必须预留导流洞进口的出碴运输道路,当导流洞进口▽245m~▽230m边坡开挖基本完成后,才能恢复上游施工便道占压B区压脚部分的施工。
▽230m以下的开挖和混凝土施工等,从▽260m高程施工便道和○7公路运输。
左岸导流洞进水口开挖施工作业面小,高差达,开挖方量小,支护工作量大。
开挖施工要从上往下开挖,以形象进度为重点,抓好边坡修整和支护加固工序。
具体施工组织程序如下图所示:4.控制工期和开挖进度计划4.1控制工期○1施工道路修筑,8月25日开始施工,9月30日完成。
○2进水口围堰修筑,10月1日开始施工,10月31日完成。
○3▽311m~▽260m边坡开挖,9月1日开始施工,10月31日完成。
○4▽260m~▽230m边坡开挖,11月1日开始施工,11月25日完成。
○5▽230m以下开挖,12月5日开始施工,12月31日完成。
4.2.开挖施工进度计划见附表5.主要开挖施工设备主要开挖施工设备表6.施工程序和施工方法边坡开挖采用自上而下分层分序段开挖的施工方法,施工中正面边坡作为重点序段。
开挖梯段高度分为7.5m、10m两种,15m高的单级坡面开挖梯段高度为7.5m,20m高的单级坡面开挖梯段高度为10m。
上游侧坡每一级坡面的上一梯段开挖分两次进行,第一次先挖到坡面顶层超前锚杆的施工部位,进行顶层超前锚杆施工,施工完成后,再往下开挖到坡面中部,进行中部超前锚杆的施工,然后再施工单级坡面的下部梯段。
具体见导流洞进水口单级坡面分层开挖图。
围堰修筑采用端进法,先上游端进,填筑一半长度后,上下游端同时进占填筑。
围堰占压部在围堰拆除后采用水下爆破,具体施工方案将专项申报。
6.1、土方开挖6.1.1、土方开挖施工方案土方开挖采用自上而下分层开挖。
每一台阶高度7.5米或10米。
具体施工程序如下:○1测量放样○2场地清理○3土方分层开挖○4边验收坡修整○5超前锚杆施工○6地质编录○7边坡喷锚支护6.1.2、施工方法:○1、测量放样:由测量人员用全站仪测放出开挖开口线,打上桩并涂上红油漆作好标记。
○2、场地清理:距最大开挖边界外侧3米的距离范围内或周边截水沟外侧边线范围内的全部树木、杂草、垃圾、浮渣等,在开挖施工前全部清理干净,对树木、杂草或焚烧或运到监理工程师指定地点堆放,场地清理完毕监理工程师验收合格后,方可进行相应部位的开挖施工。
○3、土方分层挖运:根据作业面宽度,采用单级坡面两个台阶开挖,上下台阶作业面保持一定距离。
外围工作面用PC600挖装,近边坡工作面用PC650挖装,EX350反铲削坡。
20T自卸汽车运到姚里沟或雷公滩渣场。
施工中要经常测量放样校核,以防损伤设计边坡。
○4、边坡修整:施工人员根据测量的开挖开口线点位挂线,然后用反铲粗削,预留10~20cm人工削坡修整,施工人员和质检人员要经常用坡比尺检查校核,确保开挖精度。
边坡上的孤石采用光面爆破爆除。
⑤、边坡锚喷支护:坡面开挖完成后及时进行喷锚支护和排水孔施工,上一级坡面锚喷支护没有完成时,下一级坡面不能进行开挖。
6.2、石方开挖6.2.1、石方开挖程序;石方开挖梯段高度分为7.5米、10米两种。
具体施工程序如下:○1测量放样○2场地清理○3控制性爆破○4石方分层钻爆○5石方分层挖运○6边坡修整○7地质编录验收○8边坡锚喷支护6.2.2、施工方法:边坡外围大区梯段采用微差爆破,边坡轮廓采用预裂爆破,挖装主要用PC650反铲、PC600反铲EX350反铲,20t自卸汽车运至渣场。
岩石边坡坡面采用反铲配合人工撬挖岩块,局部欠挖采用手风钻钻孔爆除。
马道及平台上部预留保护层采用手风钻采用水平光爆爆破。
①预裂爆破a.钻孔:主要采用YQ-100型钻机钻孔,钻孔间距0.8m。
钻孔前,先清理工作面,测量放样,标出孔位、孔深、倾角,并编孔号。
为确保钻孔精度,钻机采用样架固定。
b.装药:采用不耦合等间距装药,线装药密度为340~400g/m左右。
底部1m装药量增大3~5倍。
施工中根据钻孔岩粉情况、裂隙发育情况调整装药量和装药结构。
c.网络连接与起爆:采用复式接力起爆网络,段差25~50 ms,最大单段起爆药量不大于50kg。
d.一般要求:预裂孔与主爆区最后一排的炮孔距离1.5米。
预裂缝在爆区两端应有一定的超长,长度不小于10米。
②梯段爆破a.单段起爆药量的确定:在设计边坡、锚喷支护区、蠕变体A区附近爆破时,其最大段起爆药量应满足现场试验确认的安全爆破质点振动速度要求。
爆破参数见下表。
爆破参数表b.钻孔:主要采用KQG-150钻机、CM351钻机钻孔。
孔深10m,间排距外围大区为4×3.5m,靠近边坡为4×3m,施工中根据实际情况适当调整。
c.装药:采用混装炸药车装药。
d.起爆网络:采用孔外延时的塑料毫秒导爆管接力电起爆网络。
e.爆破方式:采用微差爆破。
起爆方式主要有V型起爆法、斜线与V型相结合的梯形起爆法等,以确保微差挤压充分。
微差时间间隔为25~50ms。
重要部位采用孔间微差爆破。
f.缓冲孔:在紧邻设计边坡布1排平行预裂孔的炮孔,作为缓冲炮孔。
缓冲炮孔采用CM-351钻机钻孔,间距1.5m,距预裂孔排距为1.5米,距爆破孔排距为2.5m~3m,孔斜与预裂孔角度一致。
装药结构采用不耦合装药或分层装药。
底部药量适当加大20%。
导流洞洞脸边坡缓冲孔布置两排。
○3、保护层开挖:马道保护层予留1.5m厚,分两层开挖,第一层采用手风钻45°角斜钻孔,孔径45mm,孔底距基础面不小于50cm,药卷直径ø32mm,间排距1.5×1.5m。
第二层采用手风钻45°角斜钻孔,孔底不能穿入基础面,孔间距1×1m,药卷直径ø32mm,单孔起爆。
导流洞进水口结构基础护面保护层厚度3m,采用水平预裂方法施工,具体参见坝基水平预裂的施工方法和钻爆参数。
7、质量安全保证措施7.1、严格按《水工建筑物岩石基础开挖工程施工技术规范》(DL/T5099—1999)、《水利水电基本建设工程单元工程质量等级评定标准(试行)》(SDJ249—88)、《爆破安全规程》(GB6722—86)和设计图纸、技术要求等施工。
7.2、严格按规定的程序施工,对开挖出的边坡及时清理,及时报验,及时支护。
7.3、外围大区采用微差爆破,在导流洞洞脸边坡开挖时,严格控制单响药量。
7.4、预裂爆破中要不断提高造孔质量,优化爆破参数,提高预裂面质量。
7.5、施工中要合理组织,科学管理,各工序按序段流水作业,禁止同一序段(工作面)、两种及两种以上的工序同时施工。
7.6、加强坡面修整工序的管理。
坡面修整工序严格按坡面修整工序技术要求施工。
7.7、▽382~▽311m预留部分开挖,必须在▽311、▽301平台外侧设置高度不小于1.5m 的栏石墙。
爆破临空面应尽量面向河床或下游方向,预留体的上游在开挖过程中应预留临时岩坎,以防石块向下滚落。
在上下作业面必须交叉作业时,必须在▽311m平台、导流洞进水口施工作业面、河道围堰施工作业面等部位设置安全岗哨。
7.8、上部在爆破作业前要及时通知下部的管理人员和作业队,加强安全警戒和物资设备防护。
7.9、上部梯段爆破严格控制最大单孔药量和最大单响药量,以防飞石过多过远。
7.10、开挖区外施工便道纵坡比不能大于12%,转弯半径不小于15m,施工便道外侧应设临时防护设施和安全警戒标志。
施工中要加强道路维护。
7.11、上部边坡的松动块石要及时清除。
7.12、要进一步贯彻质量安全方针,积极开展质量和安全活动,杜绝各类质量安全事故。