《质量和密度》培优试卷
- 格式:doc
- 大小:191.00 KB
- 文档页数:4
一、初中物理质量和密度问题1.体积和质量都相等的铝球、铁球和铅球密度分别是32.7g cm ρ=铝、37.9g cm ρ=铁、311.3g ρ=铅,下列说法正确的是()A .若铝球是空心的,则铁球和铅球一定是空心的B .若铁球是实心的,则铝球和铅球一定是空心的C .若铅球是空心的,则铁球和铝球一定是空心的D .三个球都可能是实心的 【答案】A 【解析】 【分析】 【详解】由题意可知,铝、铁、铅的密度关系为ρρρ>>铅铁铝由密度公式的变形式mV ρ=可知,相同质量铝球、铁球和铅球的体积关系为V V V >>铝铅铁又因三球的体积相等,所以,铅球和铁球一定是空心的,铝球可能是实心,也可能是空心的,故BCD 错误;若铝球是空心的,则铁球和铅球一定是空心的,故A 正确。
故选A 。
2.手中有一叠薄纸,要称出一张纸的质量,下列方法最可取的是( ) A .先称一块铁的质量,再称出铁块和一张纸的质量,然后用总质量减铁的质量 B .取出10张纸,称出总质量,然后除以10就得出一张纸的质量 C .取出100张纸,称出总质量,然后除以100就得出一张纸的质量 D .以上方法都可以 【答案】C 【解析】 【分析】不可能用天平直接称出小于天平“感量”的微小物体的质量;一张纸的质量小于天平的感量,要测量它的质量,需要用累积法,即用天平测量若干相同微小物体的质量总和,用所得结果除以物体的数量,就可以求出一个微小物体的质量。
【详解】A .由于一张纸的质量太小,所以测一块铁与一张纸的总质量与测一块铁的质量差别不大,则此办法不可采用,故A 错误;BD .一张纸质量太小,10张纸的质量仍小于天平的分度值,则此办法不可采用,故BD 错误;C .称量100张相同纸的质量,用所得结果除以100,即得一张纸的质量,则此办法可采用,故C 正确。
故选C 。
3.小明利用天平和量杯测量某种液体的密度,得到的数据如下表,根据数据绘出的图象如图所示。
一、初中物理质量和密度问题1.以下是一则新闻消息:“从国家发改委官方获悉,自2020年3月17日24时起,国内汽、柴油价格每吨分别降低1015元和975元.全国平均来看,92号汽油每升下调0.80元,0号柴油每升下调0.83元,……”据此估测0号柴油的密度约为(不考虑生产运输过程中密度的变化) ( ) A .0.75×103 g/cm 3 B .0.85×103 g/cm 3 C .0.75×103kg/m 3 D .0.85×103 kg/m 3【答案】D 【解析】 【分析】先根据数据得到下调1元对应的质量1m ,再根据数据求解升高1元对应的体积1V ,最后得到密度。
【详解】由0号柴油每吨降低975元,可算出降低1元对应的质量1m ,则11000kg1.03kg 975m =≈ 也就是1.03kg 的0号柴油下调价格是1元,由0号柴油每升降低0.83元,可算出下调1元对应的体积1V ,则3311L1.20L 1.2010m 0.83V -=≈=⨯ 也就是331.2010m -⨯的0号柴油下调价格是1元。
所以,0号柴油的密度33331.03kg 10kg m 1.2010mm V ρ-==≈0.85⨯⨯ 故选D 。
【点睛】本题关键是根据提供的数据得到油价下调一元对应的质量和体积,然后根据密度公式求解密度。
2.小明利用天平和量杯测量某种液体的密度,得到的数据如下表,根据数据绘出的图象如图所示。
则量杯的质量与液体的密度是A .20g, 1.25×103kg/m 3B .20g, 1.0×103kg/m 3C .60g, 1.0×103kg/m 3D .20g, 0.8×103kg/m 3【答案】B 【解析】 【详解】观察图象可知:当体积为0时质量是20g ,所以烧杯质量为20g ;当体积为60cm 3时质量为80g ,液体质量为80g-20g=60g ;即:m V ρ= =360g 60cm=1g/cm 3=1.0×103kg/m 3;故选B 。
质量与密度培优训练及答案八年级上册一、选择题。
1、对以下物理量估测最接近实际的是( )A. 八年级上册物理课本的质量大约是150 gB. 学校教室空气的温度约是-10 ℃C. 一支普通铅笔的长度大约是18 mmD. 你的脉搏跳动是120 次/分钟【答案】A2、小明正确调节天平平衡后,测量木块的质量。
他错把木块放在天平的右盘,往左盘放入砝码、调节游码直至指针对准分度盘中央的刻度线,如图所示。
木块的实际质量是( )A. 13.8 gB. 14 gC. 16 gD. 16.2 g【答案】B3、将金属块分成相等的两块,则对其中一块来说()A. 质量、体积、密度都减半B. 质量、体积减半,密度不变C. 质量、密度不变,体积减半D. 密度、体积不变,质量减半【答案】B4、下图的各现象中,可作为“物质质量与体积有关”事实依据的有( )A. (1)与(2)B. (2)与(3)C. (2)与(4)D. (1)与(4)【答案】D5、在已调好的天平左盘放3个用甲物质制成的体积相等的球,在右盘放入5个用乙物质制成的体积相同的球,且左、右盘中每个球的体积也相同,天平平衡,设甲物质密度为ρ甲,乙物质密度为ρ乙,则ρ甲∶ρ乙为()A.5∶3 B.3∶5C.1∶1 D.5∶9【答案】A6、某同学要用天平和量筒测量绿豆的密度,下列四种方法中最合理的是()A. 先用量筒和水测量一些绿豆的体积,再用天平测量这些绿豆的质量B. 先用天平测量一粒绿豆的质量,再用量筒和水测量这粒绿豆的体积C. 先用天平测量一些绿豆的质量,再将这些绿豆直接倒入量筒测出体积D. 先用天平测量一些绿豆的质量,再用量筒和水测量这些绿豆的体积【答案】D7、用质量相等的铝和铜制成体积相等的球,已知ρ铝=2.7×103 kg/m3,ρ铜=8.9×103 kg/m3,则下列说法正确的是()A.铜球不可能是实心的B.铝球可能是实心的,铜球可能是空心的C.铜球是空心的,铝球一定是实心的D.铝球和铜球都是实心的【答案】A8、在“用天平称物体质量”的实验中,张强同学用已调节好的天平在称物体质量时,通过增、减砝码后指针指在分度盘中线左边一点,这时应该()A. 把横梁右端螺母向右旋出一些B. 把横梁右端螺母向左旋进一些C. 把天平右盘的砝码减少一些D. 向右移动游码【答案】D9、(多选)对密度公式ρ=mV的理解,下列说法中正确的是()A.体积相同、材料不同的实心物体,质量大的物体密度较大B.质量相同、材料不同的实心物体,体积大的物体密度较小C.同种物质组成的实心物体,其质量与体积成正比D.物质的密度与质量成正比,与体积成反比【答案】ABC10、在测量盐水密度的实验步骤中,下列步骤中错误的一步是()A. 用天平测出玻璃杯的质量m0B. 往玻璃内倒入适量的盐水,用天平测出杯和盐水的总质量mC. 用量筒测出玻璃杯中液体的体积VD. 用公式ρ=m/V求出盐水的密度【答案】D11、要使图中的水沿着a→b→c→d方向流动,冰块或酒精灯加热最好分别放在()A.a、d处B.b、d处C.a、c处D.c、d处【答案】B。
质量和密度专题复习(一)基本题1.水的密度是 kg/m3,它的物理意义是。
2.甲、乙两种物质分别制成的实心物体,其质量之比为3:2,体积之比为3:4,则甲、乙两物质的密度之比是。
3.甲乙两个实心球,甲球的体积是乙球体积的2倍,甲球的质量是乙球质量的1/2,则甲乙两球的密度之比是()。
A.1:4 B. 1:1 C.2:1 D. 4:14.对密度公式ρ=m/v的正确理解是()。
A.同种物质的质量跟体积成正比 B. 同种物质的密度跟其质量成正比C.同种物质的密度跟其体积成正比 D. 以上说法都不对5. 某瓶氧气的密度是5kg/m3,给人供氧用去了氧气质量的一半,则瓶内剩余氧气的密度是;容积是10L的瓶子装满了煤油,已知煤油的密度是0.8 103kg/m3,则瓶内煤油的质量是,将煤油倒去4kg后,瓶内剩余煤油的密度是。
6、下列是测液体密度的实验步骤,请按正确顺序填空:A.把玻璃杯中的盐水倒入量筒中一部分,记下量筒中盐水的体积。
B.称出玻璃杯和杯中剩下的盐水的质量。
C.在玻璃杯中盛盐水,称出它们的质量。
以上这些实验步骤的合理顺序应是:。
7、用托盘天平测量烧杯内盐水的质量,有下列一些实验步骤:A.用天平称出烧杯和盐水的总质量。
B.调节天平横梁平衡。
C.将托盘天平放在水平桌面上,移动游码至标尺的零刻线处。
D.用天平称出空烧杯的质量。
E.将盐水倒入空烧杯中。
F.算出烧杯内盐水的质量。
以上这些实验步骤的合理顺序应是:。
8.用托盘天平测量物体的质量,测量过程中向右移动游码的作用相当于。
A、向左调节平衡螺母B、向右调节平衡螺母C、往右盘增加砝码D、往右盘减少砝码9.下列说法中的物体,质量和密度都不变的是A.被“神六”从地面带人太空的照相机B.密闭容器内的冰熔化成水C.一支粉笔被老师用去一半D.矿泉水喝掉一半后放人冰箱冻成冰10.李木同学在使用天平测量物体质量时,错将物体放在天平的右盘中,并在左盘里加了52 g砝码,同时将游码移到了某的位置.他按正确方法读值为52.4g ,则物体的真实质量为()A.52 gB.52.4 gC.51.6 gD.51.2 g11.如图1所示表示A、B、C三种物质的质量跟体积的关系,由图可知( )A.ρA>ρB>ρC , 且ρA>ρ水B.ρA>ρB>ρC , 且ρA<ρ水C.ρC>ρB>ρA , 且ρA>ρ水D.ρC>ρB>ρA , 且ρA<ρ水12.小明在探究甲、乙两种不同物质的质量和体积的关系时,得出了如图5所示的图像。
一、初中物理质量和密度问题1.如图所示,在两个完全相同的容器中,分别盛有质量相等的水和酒精,其中 a、b两点距水面的深度相同,a、c两点距容器底部的距离相同,则下列说法中正确的是(已知ρρ>水酒精)()A.在a、c两点水平面以上,水的质量比酒精大B.在a、b两点水平面以下,水的质量比酒精大C.若在两个容器中分别抽出相同高度的液体(没有抽完),则瓶中剩余部分水的质量比酒精多D.若在两个容器中分别抽出相同高度的液体(没有抽完),则瓶中剩余部分水的质量比酒精少【答案】D【解析】【分析】【详解】两个容器完全相同,容器内水和酒精的质量相等,甲中液体的体积小于乙中液体的体积,根据mVρ=可知,甲中液体为水,乙中液体为酒精。
A.因为a、c两点距容器底部的距离相同,两个容器完全相同,所以,a、c两点水平面以下水的体积等于酒精的体积,根据mVρ=可知,a、c两点水平面以下水的质量大于酒精的质量,又因为容器内所有水和酒精质量相等,所以,在a、c两点水平面以上,水的质量比酒精小,故A错误;B.因为a、b两点距水面的深度相同,两个容器完全相同,所以,a、b两点水平面以上水的体积等于酒精的体积,根据mVρ=可知,a、b两点水平面以下上水的质量大于酒精的质量,又因为容器内所有水和酒精质量相等,所以,在a、b两点水平面以下,水的质量比酒精小,故B错误;CD.若在两个容器中分别抽出相同高度的液体(没有抽完),则抽出液体的体积相等,根据mVρ=可知,抽出的水的质量大于酒精的质量,又因为容器内所有水和酒精质量相等,所以,瓶中剩余部分水的质量比酒精少。
故C错误,D正确。
故选D。
2.以下各组器材中,不能测出长方体金属块密度的是( ) A .刻度尺、水、细线、烧杯 B .天平和砝码、量筒、水、细线 C .弹簧测力计、刻度尺、细线 D .刻度尺、天平和砝码【答案】A 【解析】 【分析】 【详解】选择项中能测金属块密度的,必须能测金属块的质量和体积A 、刻度尺能测金属块的体积,但不能测出它的质量或重力,不能测出金属块密度.B 、天平能测金属块质量,量筒水细线能测体积,故能测金属块密度.C 、弹簧测力计能测金属块重力,从而得到质量,刻度尺能测出体积,故能测出金属块密度.D 、天平砝码能测出金属块的质量,刻度尺能测出体积,故能测出金属块密度.3.人的密度近似等于水的密度,则一个体格正常的中学生的体积最接近( ) A .50mm 3 B .50cm 3C .50dm 3D .50m 3【答案】C 【解析】 【分析】 根据密度公式mVρ=得m V ρ=,知道人的密度与水的密度相近,一个中学生的质量约为50kg ,便可求出学生的体积。
一、初中物理质量和密度问题1.甲、乙两个完全相同的烧杯中装满密度分别为ρ1、ρ2不相混合的两种液体(ρ1≠ρ2)。
甲杯中两种液体的体积相等,乙杯中两种液体的质量相等,比较甲、乙两杯中的液体总质量得()A.m甲<m乙B.m甲>m乙C.m甲=m乙D.缺条件,无法判断【答案】B【解析】【分析】【详解】根据题意可知,甲杯中密度大的液体占总体积的一半,而乙杯中两液体质量相等,则密度大的液体其体积小,小于总体积的一半,即甲杯中密度大的液体多一些,故甲杯里液体总质量较大。
故ACD都不正确,B正确。
故选B。
【点睛】两种液体等质量放入时,密度较大的液体体积要比等体积放入时的体积小,根据这个特点也能很快的确定答案。
2.光敏电阻的阻值随着光照的强弱而改变.“光强”是表示光的强弱程度的物理量,照射光越强,光强越大,光强符号用E表示,国际单位为坎德拉(cd).实验测得光敏电阻的阻值R与光强E 间的关系如图所示,由图可知A.光敏电阻的阻值随光强的增强而变大B.光敏电阻的阻值随光强的增强而变小C.光敏电阻的阻值随光强的增强先变大后变小D.光敏电阻的阻值随光强的增强先变小后变大【答案】B【解析】【分析】【详解】这是一个反比例函数图像,由图知电阻与光强成反比,故随光强的增大而减小,随光强的减小而增大,故选B.3.人的密度近似等于水的密度,则一个体格正常的中学生的体积最接近()A .50mm 3B .50cm 3C .50dm 3D .50m 3【答案】C 【解析】 【分析】根据密度公式m Vρ=得m V ρ=,知道人的密度与水的密度相近,一个中学生的质量约为50kg ,便可求出学生的体积。
【详解】一个中学生的质量约为50kg ,又331.010kg/m ρρ≈=⨯人水,根据密度公式m Vρ=得 333350kg 0.05m 50dm 1.010kg/m mV ρ====⨯;故选C 。
4.同学们估测教室空气的质量,所得下列结果中最为合理的是(空气密度约为1.29kg/m 3) A .2.5kg B .25kgC .250kgD .2500kg【答案】C 【解析】 【详解】教室的长、宽、高大约分别为a =10m ,b =6m ,h =3.5m 所以教室的容积为V=abh =10m×6m×3.5m=210m 3 ,教室内空气的质量约为m=ρV =1.29kg/m 3 ×210m 3 =270.9kg ,故选C .5.已知,铜的密度大于铁的密度,空心铁球和空心的铜球质量、体积都相等,分别给它们装满水后,再比较它们的质量 A .铁球的质量大 B .铜球的质量大C .一样大D .无法比较【答案】B 【解析】 【详解】质量相等的铜球和铁球,铜的密度大于铁的密度,根据ρ=mV得V =m ρ可知,则铜的体积小于铁的体积。
中考物理培优训练及答案:质量与密度1.(2023茂名市茂南区一模)下列说法中正确的是()A. 将一块橡皮泥压成薄片,它的质量变小B. 将一块蜡块切成两半,它的密度减小为原来的一半C. 航天员把家人的照片从地球带到空间站,照片的质量变小D. 氧气瓶中的氧气用掉一半,瓶中氧气的体积不变,密度减小【答案】D2.(2023南平市政和县一模)很多同学知道自己的身高和体重,却不知道自己的体积,某同学身高170cm,体重60kg,他的体积约为A. 0.006m3B. 0.06m3C. 0.6m3D. 6m3【答案】B3.(2023南平市政和县一模)如图所示,表示 A、B、C 三种物质的质量跟体积的关系,由图可知()A. ρA>ρB>ρC,且ρA>ρ水B. ρA>ρB>ρC,且ρA<ρ水C. ρC>ρB>ρA,且ρA<ρ水D. ρC>ρB>ρA,且ρA>ρ水【答案】C4.(2023揭阳市一模)如图,用天平测量某液体的质量。
放物体前在调节横梁平衡时,如图甲所示,需将平衡螺母向_____调节,称量平衡后如图乙所示,已知烧杯和液体的总质量是_____g;【答案】左 635.(2023佛山市禅城区一模)水具有反常膨胀的特性,在0~4℃范围内是热缩冷胀的,因而水在______℃时密度最大,寒冷的冬天湖里的水总是先从______(选填“水面”或“水底”)开始凝固。
水凝固时由于体积______(选填“变大”、“变小”或“不变”),所以北方的冬天常出现水管被冻裂的情况。
【答案】①. 4 ②. 水面③. 变大6.(2023天长市一模)将1个实心铜球和3个实心铝球分别放在调好的天平的左、右两盘中,然后调节游码,天平平衡时游码的位置如图所示。
已知每个金属球的体积均为V,则V=_________cm3。
(ρ铜=8.9×103kg/m3,ρ铝=2.7×103kg/m3)【答案】47.(2023佛山市南海区一模)小王把天平放在水平台上,将游码拨到零刻度线处后,指针静止时出现如图甲的情形,此时应向 ______ 调节平衡螺母,使天平横梁平衡.由图乙可知烧杯的质量为 ________ g,烧杯中液体的质量是 _________ g.【答案】左 32.4 508.(2023白银市一模)某同学用天平测量一块金属的质量时,砝码以及游码在标尺上的位置如图,则这块金属的质量为_________g。
一、初中物理质量和密度问题1.下列估测值最接近实际的()A.一元硬币的直径约为2.5dmB.普通中学生走路的速度约为1.1m/sC.酒精灯点燃后外焰的温度约为98℃D.一本九年级物理课本的质量约为10g【答案】B【解析】【分析】【详解】A.一元硬币的直径略为2.5cm左右.故A不符合实际;左右.故B符合实际;B.中学生正常步行的速度约4km/h 1.1m/sC.酒精灯外焰温度最高,能够超过400℃.故C不符合实际;D.九年级物理课本的质量与两个苹果的质量差不多,在300g左右.故D不符合实际;故选B。
【点睛】此类型的题目要求对所学的物理量有熟悉的认知,特别是单位大小要认识清楚,能对生活中常见的物理量进行估计,要多注意理论联系实际,生活中留心积累.2.以下各组器材中,不能测出长方体金属块密度的是()A.刻度尺、水、细线、烧杯B.天平和砝码、量筒、水、细线C.弹簧测力计、刻度尺、细线D.刻度尺、天平和砝码【答案】A【解析】【分析】【详解】选择项中能测金属块密度的,必须能测金属块的质量和体积A、刻度尺能测金属块的体积,但不能测出它的质量或重力,不能测出金属块密度.B、天平能测金属块质量,量筒水细线能测体积,故能测金属块密度.C、弹簧测力计能测金属块重力,从而得到质量,刻度尺能测出体积,故能测出金属块密度.D、天平砝码能测出金属块的质量,刻度尺能测出体积,故能测出金属块密度.3.如图所示,体积之比为1∶2的甲、乙两个实心物块,分别挂在杠杆两端,此时杠杆恰好水平平衡,则甲、乙两个物块的密度之比为()A .1∶1B .1∶2C .4∶3D .2∶1【答案】C 【解析】 【分析】 【详解】由图知道,甲物体挂在左边第3格处,乙物体挂在右边第2格处,由杠杆的平衡条件知道,此时12G l G l =甲乙即32m g m g ⨯=⨯甲乙所以23m m 甲乙=,又因为V 甲/V 乙=1/2,甲、乙两个物块的密度之比是 241332m V m V ρρ===甲甲甲乙乙乙故C 正确。
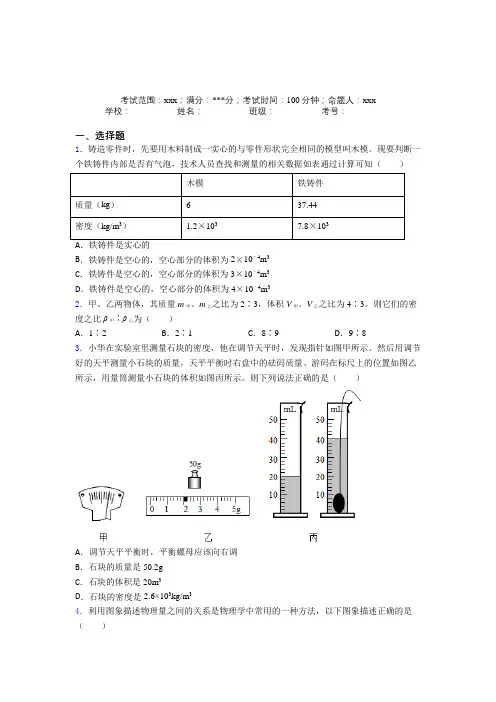
考试范围:xxx;满分:***分;考试时间:100分钟;命题人:xxx 学校:__________ 姓名:__________ 班级:__________ 考号:__________一、选择题1.铸造零件时,先要用木料制成一实心的与零件形状完全相同的模型叫木模。
现要判断一个铁铸件内部是否有气泡,技术人员查找和测量的相关数据如表通过计算可知()木模铁铸件质量(kg)637.44密度(kg/m3) 1.2×1037.8×103A.铁铸件是实心的B.铁铸件是空心的,空心部分的体积为2×10﹣4m3C.铁铸件是空心的,空心部分的体积为3×10﹣4m3D.铁铸件是空心的,空心部分的体积为4×10﹣4m32.甲、乙两物体,其质量m甲、m乙之比为2∶3,体积V甲、V乙之比为4∶3。
则它们的密度之比ρ甲∶ρ乙为()A.1∶2B.2∶1C.8∶9D.9∶83.小华在实验室里测量石块的密度,他在调节天平时,发现指针如图甲所示。
然后用调节好的天平测量小石块的质量,天平平衡时右盘中的砝码质量、游码在标尺上的位置如图乙所示,用量筒测量小石块的体积如图丙所示。
则下列说法正确的是()A.调节天平平衡时,平衡螺母应该向右调B.石块的质量是50.2gC.石块的体积是20m3D.石块的密度是2.6×103kg/m34.利用图象描述物理量之间的关系是物理学中常用的一种方法,以下图象描述正确的是()A.水沸腾时温度—时间图象B.匀速直线运动速度—时间图象C.凸透镜成实像时像距v—物距u图象D.同种物质质量—体积图象5.下列事例中,物体的质量发生变化的是()A.烧杯中正在沸腾的水B.由热变冷的铝锅C.从地球带到大空的食品D.铁球被压成铁饼6.a、b两个实心物体的体积与质量的关系如图所示。
下列说法正确的是()A.a物质的密度与它的质量、体积有关B.a物质的密度比b物质的大C.b物质的密度是a物质的2倍D.b物质的密度是2×103kg/m37.下列数据最接近实际的是()A.学生课桌的高度为1.5mB.一小瓶矿泉水的质量约为250gC.人的正常体温为38.5℃D.我国高速公路的最高限速为120m/s8.根据你的生活经验判断,下列数据中最接近生活实际的是()A.中学生步行的速度大约是5m/sB.一个苹果的质量大约为0.15kgC.教室内课桌的高度大约是28dmD.正常人脉搏跳动100次的时间约为5min9.“力拔山兮气盖世”是西楚霸王项羽的真实写照。
质量和密度(培优试卷1)一、选择题1.关于密度,下列说法错误的是( ) A .同种物质组成的不同物体,它们的质量跟体积成正比 B .体积相同的不同物质,它们的质量跟密度成正比 C .质量相同的不同物质,它们的体积跟密度成反比 D .物体的质量越大,密度越大 2.下列说法中正确的是( )A. 任何物体都有质量,没有质量的物体是不存在的B. 一个铜球放在空气或放在水中,质量是不同的C. 在国际单位制中,质量的基本单位是克D. 宇宙飞船里的苹果其质量为零3.3.5×107mg 可能是( ) A. 一头象的质量 B. 一个小学生的质量 C. 一只兔子的质量 D. 一只蚂蚁的质量4.质量相等的两种相溶液体,密度分别为ρ1和ρ2,混合后密度为( ) A. (ρ1+ρ 2 )/2 B. 2ρ1ρ2/(ρ1+ρ2) C. ρ1ρ1/(ρ1+ρ2) D. ρ1+ρ25.把一铁块浸没在盛满水的杯中,从杯中溢出10克水,若将该铁块浸没在盛满酒精的杯中,从杯中溢出的酒精的质量为(注:3333/108.0109.7m kg kg ⨯=⨯=酒精铁,ρρ)( ) A .10gB .8gC .79gD .9g6.一块冰全部化成水后,体积比原来(注:33109.0m kg ⨯=冰ρ) ( ) A .增大1/10B .减小 1/10C .增大1/9D .减小1/97.体积和质量都相等的铁球、铜球和铅球,已知ρρρ铁铜铅<<,则下列说法中正确的是 ( )A .如果铁球是实心的,则铜球和铅球一定是空心的B .如果铜球是实心的,则铁球和铅球一定是空心的C .如果铅球是空心的,则铁球和铜球一定是空心的D .三个球都可能做成空心的8.一个学生调节天平,使横梁平衡后,发现游码恰好在标尺中央,游码标尺的最大刻度为1g ,他用这个天平测量一物体的质量,把物体放在左盘,右盘放27g 砝码,又把游码拨到最左端,天平平衡,则被测物体的质量是( )A. 26.5gB. 27.5gC. 26gD. 28g 9.对密度定义式mVρ=的下列几种理解中,正确的是( ) A .密度与物体的质量成正比 B .密度与物体的体积成反比C .密度与物体的体积成正比D .密度是物质本身的一种特性,与物体的质量和体积无关 10.关于微观粒子,下列说法正确的是( )A .原子结构与西瓜很相似,西瓜籽就如同分布在原子中的电子B .原子结构与太阳系很相似,质子、中子和电子就象行星绕太阳运动一样在绕核运动C .原子核由质子和中子组成,质子和中子则由更小的粒子组成D .只要视力足够好,人们凭肉眼就能看到电子 二、填空题11.铝的密度为2.7×103kg/m 3,其物理意义是: 。
第六章:质量与密度1、单选题(共10题;共20分)1.关于对密度公式ρ= 的理解,下列说法正确的是( )m V A. 某种物质的密度与质量成正比B. 某种物质的密度与体积成反比C. 密度是物质的一种属性,只是在数值上等于质量和体积的比值D. 单位质量某种物质的体积越大,密度越大2.医院里有一只氧气瓶,它的容积是0.2m 3 , 里面装有密度为2.5 kg/m 3的氧气,某次抢救病人用去了0.1 kg 氧气,则瓶内剩余氧气的密度为( )A. 1 kg/m 3B. 2 kg/m 3C. 2.2 kg/m 3D. 2.5 kg/m 33.甲、乙两金属的密度分别为ρ甲、ρ乙 , 将等质量的甲、乙两金属制成合金,则合金密度为( )A. B. C. D.4.用密度不同的两种液体装满两个完全相同的烧杯甲和乙,甲杯中两种液体的质量各占一半,乙杯中两种液体的体积各占一半.两种液体的密度分别为ρ1和ρ2 , 且ρ1<ρ2 . 设两种液体之间不发生混合现象,若甲、乙两杯内液体的质量分别为m 甲和m 乙 , 则( )A. m 甲<m 乙B. m 甲=m 乙C. m 甲>m 乙D. 无法确定5.两个实心物体a 、b 的体积与质量的关系如图所示,下列说法正确的是()A. a 、b 的质量增大或体积减小时,它们的密度会增大B. 体积相同时,b 的质量是a 的2倍C. a 的密度是0.5 ×103kg/m 3D. a 的密度是b 的密度的2倍6.用托盘天平称量物体的质量时,将被称物体放在了右盘,而砝码放在了左盘,若天平平衡时,左盘放有100克和20克的砝码各1个,游码所对的刻度值是4克,则物体的质量为 ( )A. 124克B. 122克C. 118D. 116克7.甲物质的密度为5g/cm 3 , 乙物质密度为2g/cm 3 , 各取一定质量混合后密度为3g/cm 3 . 假设混合前后总体积保持不变,则所取甲、乙两种物质的质量之比是( ) A. 5:2 B. 2:5 C. 5:4 D. 4:58.在物理图像中不但纵坐标和横坐标分别代表一定的物理意义,而且斜率和面积也具有特定的物理意义 . 对图中的两个图像所含信息的理解,错误的是( ).A. 图a 中的斜率越大,表示物质的密度越大B. 图a 中阴影部分面积表示该物质的密度大小C. 图b 中水平直线表示物体做匀速直线运动D. 图b 中阴影部分面积表示该物体在对应时间内通过的路程9.如图在天平的左盘中放托里拆利的实验装置,并用铁架台固定玻璃管,使玻璃管口不接触烧杯底,加减砝码使天平平衡,则下列说法正确的是( )A. 平衡时天平读数等于左盘中烧杯加全部水银的质量之和B. 当外界大气压强增大时,天平仍然平衡C. 装置搬上楼玻璃管内水银柱升高,左端将升高D. 若采取适当办法将一些空气注入玻璃管上方时,右端将升高10.甲、乙两种物质的m-V 图象如图所示,分析图象可知( )A. 若甲、乙的质量相等,则甲的体积较大;B. 若甲、乙的体积相等,则甲的质量较小;C. 两物质的密度之比为4:1;D. 两物质的密度之比为1:4。
一、初中物理质量和密度问题1.下列客观估计符合生活实际的一项是()A.人的正常体温大约 39℃B.一只普通鸡蛋的质量 5kgC.教室的课桌的高度约 8dm D.一瓶矿泉水瓶的容积约 500L【答案】C【解析】【分析】【详解】A.人体的正常体温是37℃左右,故A不符合题意;B.一只普通鸡蛋的质量约为50g,故B不符合题意;C.普通中学生的身高约1.6m,教室的课桌的高度约为中学生身高的一半, 0.8m=8dm,故C符合题意;D.一瓶矿泉水瓶的容积约500mL,故D不符合题意。
2.以下各组器材中,不能测出长方体金属块密度的是()A.刻度尺、水、细线、烧杯B.天平和砝码、量筒、水、细线C.弹簧测力计、刻度尺、细线D.刻度尺、天平和砝码【答案】A【解析】【分析】【详解】选择项中能测金属块密度的,必须能测金属块的质量和体积A、刻度尺能测金属块的体积,但不能测出它的质量或重力,不能测出金属块密度.B、天平能测金属块质量,量筒水细线能测体积,故能测金属块密度.C、弹簧测力计能测金属块重力,从而得到质量,刻度尺能测出体积,故能测出金属块密度.D、天平砝码能测出金属块的质量,刻度尺能测出体积,故能测出金属块密度.3.以下是陈老师测定酒精密度的部分实验步骤:①用天平测出空矿泉水瓶的质量为m;②在矿泉水瓶中装满水,用天平测出总质量为m1;③将水倒出,在矿泉水瓶中装满酒精,用天平测出总质量m2;④用量筒测出矿泉水瓶中酒精的体积为V;⑤计算酒精的密度;这些步骤中可以省去的是()A.①或③B.①或②或④C.①或③或④D.前三个答案都错了【答案】B【解析】【分析】测定酒精密度的实验依据的原理是mVρ=,因此关键看所提供的步骤能否顺利测出酒精的质量与体积,只要能达这一实验目的就是可取的.分析时注意有些步骤是从不同的角度来达成同一目的,这样的步骤可以有所取舍。
【详解】仔细分析所提供的实验步骤可以看出,通过步骤①③可得出酒精的质量为m 2-m ,再利用④可得出酒精的体积V ,最后代入密度公式可得mVρ=,因此,步骤②可以省去;从另一角度分析,利用步骤①②可得出水的质量,已知水的密度可得出水的体积,水的体积就是瓶子的容积,也就是步骤③中所装的酒精的体积,再根据步骤①③可得出酒精的质量为m 2-m ,最后代入密度公式可得21m mm mρρ-=-水,因此步骤④可以省去;再换个角度分析,②在矿泉水瓶中装满水,用天平测出总质量为m 1;则可以列出等式1m V m ρ+=瓶水瓶③将水倒出,在矿泉水瓶中装满酒精,用天平测出总质量m 2;则可以列出等式2m V m ρ+=瓶瓶酒精二式联立可分别求得m 瓶和V 瓶,因此步骤①也可以省去。
一、初中物理质量和密度问题1.一个铜块温度从20℃升高到200℃时,下列说法正确的是( ) A .质量不发生变化 B .体积不发生变化 C .体积变小了 D .密度不发生变化【答案】A 【解析】 【详解】A .物体的质量与物体的温度、状态、形状、所处的空间位置变化无关,所以铜块的温度升高,它的质量不会发生变化,A 正确;B .根据热胀冷缩的规律,铜块温度升高,它的体积会变大,B 错误;C .由上述可知,它的体积会变大,C 错误;D .根据密度公式mVρ=,质量不变,它的体积变大,那么它的密度变小,D 错误。
2.如图所示,体积之比为1∶2的甲、乙两个实心物块,分别挂在杠杆两端,此时杠杆恰好水平平衡,则甲、乙两个物块的密度之比为( )A .1∶1B .1∶2C .4∶3D .2∶1【答案】C 【解析】 【分析】 【详解】由图知道,甲物体挂在左边第3格处,乙物体挂在右边第2格处,由杠杆的平衡条件知道,此时12G l G l =甲乙即32m g m g ⨯=⨯甲乙所以23m m 甲乙=,又因为V 甲/V 乙=1/2,甲、乙两个物块的密度之比是 241332m V m V ρρ===甲甲甲乙乙乙故C 正确。
故选C 。
3.小红用调好的天平测一木块的质量,天平的最小砝码是5克。
她记录了木块的质量最38.2g。
整理仪器时,才突然发现木块和砝码的位置放反了,则该木块的实际质量应是()A.33.2g B.43.2g C.31.8g D.35.8g【答案】C【解析】【分析】【详解】据题目可知,天平的最小砝码是5克,且木块的记录质量是38.2g,即1个20g的砝码,1个10g的砝码,还有一个5g的砝码,故此时游码的示数是-=8.2g5g 3.2g若木块和砝码质量放反,物体的质量等于砝码的质量减去游码对应的刻度值,则木块的质量为m=-=35g 3.2g31.8g故选C。
4.小明利用天平和量杯测量某种液体的密度,得到的数据如下表,根据数据绘出的图象如图所示。
一、初中物理质量和密度问题1.以下是一则新闻消息:“从国家发改委官方获悉,自2020年3月17日24时起,国内汽、柴油价格每吨分别降低1015元和975元.全国平均来看,92号汽油每升下调0.80元,0号柴油每升下调0.83元,……”据此估测0号柴油的密度约为(不考虑生产运输过程中密度的变化) ( ) A .0.75×103 g/cm 3 B .0.85×103 g/cm 3 C .0.75×103kg/m 3 D .0.85×103 kg/m 3【答案】D 【解析】 【分析】先根据数据得到下调1元对应的质量1m ,再根据数据求解升高1元对应的体积1V ,最后得到密度。
【详解】由0号柴油每吨降低975元,可算出降低1元对应的质量1m ,则11000kg1.03kg 975m =≈ 也就是1.03kg 的0号柴油下调价格是1元,由0号柴油每升降低0.83元,可算出下调1元对应的体积1V ,则3311L1.20L 1.2010m 0.83V -=≈=⨯ 也就是331.2010m -⨯的0号柴油下调价格是1元。
所以,0号柴油的密度33331.03kg 10kg m 1.2010mm V ρ-==≈0.85⨯⨯ 故选D 。
【点睛】本题关键是根据提供的数据得到油价下调一元对应的质量和体积,然后根据密度公式求解密度。
2.光敏电阻的阻值随着光照的强弱而改变.“光强”是表示光的强弱程度的物理量,照射光越强,光强越大,光强符号用E 表示,国际单位为坎德拉(cd).实验测得光敏电阻的阻值R 与光强E 间的关系如图所示,由图可知A .光敏电阻的阻值随光强的增强而变大B.光敏电阻的阻值随光强的增强而变小C.光敏电阻的阻值随光强的增强先变大后变小D.光敏电阻的阻值随光强的增强先变小后变大【答案】B【解析】【分析】【详解】这是一个反比例函数图像,由图知电阻与光强成反比,故随光强的增大而减小,随光强的减小而增大,故选B.3.以下各组器材中,不能测出长方体金属块密度的是()A.刻度尺、水、细线、烧杯B.天平和砝码、量筒、水、细线C.弹簧测力计、刻度尺、细线D.刻度尺、天平和砝码【答案】A【解析】【分析】【详解】选择项中能测金属块密度的,必须能测金属块的质量和体积A、刻度尺能测金属块的体积,但不能测出它的质量或重力,不能测出金属块密度.B、天平能测金属块质量,量筒水细线能测体积,故能测金属块密度.C、弹簧测力计能测金属块重力,从而得到质量,刻度尺能测出体积,故能测出金属块密度.D、天平砝码能测出金属块的质量,刻度尺能测出体积,故能测出金属块密度.4.同学们估测教室空气的质量,所得下列结果中最为合理的是(空气密度约为1.29kg/m3)A.2.5kg B.25kg C.250kg D.2500kg【答案】C【解析】【详解】教室的长、宽、高大约分别为a=10m,b=6m,h=3.5m所以教室的容积为V=abh=10m×6m×3. 5m=210m3,教室内空气的质量约为m=ρV=1.29kg/m3 ×210m3 =270.9kg,故选C.5.甲物质的密度为2g/cm3,乙物质的密度为5 g/cm3,各取一定质量的甲、乙混合后的密度为3 g/cm3。
《质量和密度》培优试卷
一、选择题
1.已知铁的密度比铜的密度小,现用铁和铜各做一个实心球,则下列陈述中不正确是()A.铁球的体积和质量都比铜球大
B.铁球的体积和质量都比铜球小
C.铁球的体积比铜球大,铁球的质量比铜球小
D.铁球的体积比铜球小,铁球的质量比铜球大
2.不同材料制成体积相同的实心小球甲和乙, 在天平左盘中放2 个甲球, 右盘中放3 个乙球, 天平刚好平衡,则( )
A.甲球质量是乙球1.5倍;
B.甲球的密度等于乙球的1.5倍;
C.乙球的密度等于甲球1.5倍;
D.甲球的密度等于乙球的密度。
3.有空心的铜球、铁球、铝球各一个, 体积和质量都相同, 这三个球空心部分体积最大的是()
A、铜球;
B、铁球;
C、铝球;
D、无法确定。
4.一个瓶子能装1 千克的水, 用这个瓶子能装煤油时( 煤油密度为800千克/米3), 最多能装()
A. 0.8千克;
B. 0.64千克;
C. 1 千克;
D. 1.25千克。
5.三只相同的杯子里盛有水, 将质量相等的实心铁块、铝块、铜块分别浸没在这三只杯子的水中, 水面高度相同, 则盛水最多的杯子是()
A.放入铜块的杯子;
B.放入铝块的杯子;
C.放入铁块的杯子;
D.无法判断
6.你所在的考场里空气的质量大约是( )(已知空气的密度是1.29 kg/m3)
A.几十克B.几千克C.几百千克D.几十毫克
二、实验探究题
7.小王用天平和量筒测量矿石的密度,
(1)有如下一些实验步骤:
①用调节好的天平测出矿石的质量m;
②向量筒中倒进适量的水,测出这些水的体积V1;
③根据密度的公式,求出矿石的密度ρ;
④将矿石浸没在量筒内的水中,测出矿石和水的总体积V2.他应采用的正确的实验步骤顺序为()
A.①②③④ B.①②④③ C.②③①④ D.②③④①
(2)由图可知,矿石的质量为_____g,矿石的体积为______cm3.矿石的密度为_________g/cm3.
8.某同学在实验室测量一块不规则的金属块的密度。
(1)把托盘天平放在水平桌面上,将游码移至标尺左端零刻线处。
观察到横梁指针指在分度盘中线的左侧,此时应向_______旋动平衡螺母。
(2)把金属块放在左盘,用镊子向右盘加减砝码后,观察到横梁指针的位置如图甲所示,此时应该调节,直到指针再次指在分度盘中线处。
游码的位置和右盘中的砝码如图乙所示,金属块的质量是g。
(3)把金属块浸没在装有50ml水的量筒中,这时量筒中的水面的位置如图丙所示。
金属块的密度为kg/m3。
9.小冬、小飞两位同学在做“用天平、量筒测液体密度”的实验中,每人都设计了一种实验方案.小冬:A、用天平称出烧杯的质量m1;B、用烧杯取适量的被测液体称出总质量m2;C、将烧杯中的液体倒入量杯中,读出液体的体积V;D、用公式算出液体的密度ρ液.
小飞:A、用天平称出烧杯的质量m;B、在烧杯中盛被测液体,称出它们的质量m1;C、把烧杯中的液体倒入量筒中一部分,记下量筒中的液体体积V;D、称出烧杯及杯中剩下液体的质量m2;E、用公式计算液体的密度ρ液.
(1)两种方法中误差较小的方案的设计者是但该方案中有一个多余的步骤
试用实验步骤中给定的数据表示这种液体的密度值:ρ液=
(2)说出另外一种方案的缺陷是什么?缺陷:
实验室的周老师认为只需将该方案的实验步骤调整一下就可以了,那改进后的步骤为(只需填序号)
10.小明在“探究物质的质量与体积的关系”实验中。
(1)用调节好的天平称一个物体的质量,当把物体放到天平左盘时,右盘中的砝码和游码所处的位置如图18甲所示,天平平衡,请你将数据记录在下表内。
(2)将该物体放到盛有70cm3水的量筒中,量筒中的水面如图18乙所示,将物体体积记录在下表内。
(3)按照上两步骤,小明继续测量了2个同种物质组成的物体的质量和体积,并将数据记录在下表一中,请你根据表中的数据在图19的坐标纸上用“×”描点,作出图像,观察图像并得出
结论: 。
表一: 表二:
(4)小明又测量了3个不同物体的质量和体积,并将数据记录在表二中,请你根据表中的数据在图19的坐标纸上用“×”描点。
观察分析做出判断: 。
(5)一个与D 相同物质组成的物体,体积是10cm3,它的质量是 g 。
11.小丽放学回家后在厨房发现一瓶酱油和醋,那酱油和醋的密度谁的更大呢?于是她决定到学校向老师借实验器材,来测定它们的密度。
⑴测定酱油和醋的密度分别采用了方案A 和方案B ,如下表:
就上述两种实验方案,方案 测量更精确,因为在另一种方案中物理量_____
的测量值误差较大,使测得的密度值偏 (选填“大”或“小”)。
⑵好动脑筋的小丽觉得,这两种方法测量液体密度太烦琐,她决定用天平(带砝码)、薄壁圆柱形烧杯(质量为20g ,底面积为20cm 2)、刻度尺来自制一种能直接测量液体密度的仪器,实验步骤如下:
第一步:在水平桌面上调平天平;
第二步:在天平的左盘放上烧杯,在右盘放入120g 的砝码并保持
不变;
第三步:将待测液体倒入烧杯中,直到天平横梁平衡(如图);
第四步:量出液体在烧杯中的高度并根据推导标出对应的密度值;
回答下列问题:
① 若将某液体倒入烧杯至B 点,此时天平恰好平衡,量得B 点高4cm ,则该液体密度为
______________ g/cm 3。
②将另一种液体倒入烧杯至A点,此时天平恰好平衡,如图,ρAρB(填
“>”“=”“<”);烧杯上刻度是的(均匀/不均匀)。
③写出液体密度ρ与液体在烧杯中深度h的关系式_____
13.用一只玻璃杯、水和天平测定石子密度,实验记录如下:杯子装满水后的总质量m1=200g,放入石子后,杯子、水、石子总质量m2=215g,取出石子后,杯子和水的总质量为m3=190g,求石子密度。
14.一容器装满某种液体后的总质量为540g,放入一小块密度为2.7 g/cm3的金属后溢出40g液体,这时总质量为635g,求该液体的密度
15.目前国际上酒的度数表示法有三种,其中一种称为标准酒度,是指在温度为20°C的条件下,每100毫升酒液中所含酒精量的毫升数。
中国也使用这种表示法,它是法国著名化学家盖·吕萨克制定的,又称盖·吕萨克酒度。
蒸馏出来的酒液需要进行勾兑,勾兑一方面为了保障酒的品质,另一方面可以调整酒的度数。
若现有60度和30度的酒液若干,酒液中的微量元素忽略不计。
求:
(1)60度酒液的密度
(2)如果用这两种酒液进行勾兑,获得42度、1000毫升的酒液,那么需要这两种酒液各多少毫升。
(已知ρ酒精=0.8×103kg/m3,ρ水=1.0×103kg/m3,不考虑酒液混合后的体积减少)。