T35-11系列轴流风机性能参数及外形尺寸表
- 格式:doc
- 大小:221.00 KB
- 文档页数:2
轴流风机的型号以及参数轴流风机型号1,T35-11轴流风机T35-11系列11.2号风机T35-11系列10号风机T35-11系列9号风机T35-11系列8号风机T35-11系列号风机T35-11系列6.3号风机T35-11系列5.6号风机T35-11系列5号风机T35-11系列号风机T35-11系列3.55号风机T35-11系列2.8号风机T35-11系列3.15号风机2,SWF低噪声混流式通风机SWF系列13 号风机SWF系列12 号风机SWF系列11 号风机SWF系列10 号风机SWF系列9 号风机SWF系列8 号风机SWF系列7 号风机SWF系列6 号风机SWF 系列5 号风机SWF系列 4.5 号风机SWF系列 4 号风机SWF系列 3.5 号风机SWF系列3 号风机SWF系列 2.5 号风机3,HTF消防高温排烟风机4,GXF SJG斜流式通风机GXF系列13 号风机GXF系列12 号风机GXF系列11 号风机GXF系列10 号风机GXF系列9 号风机GXF系列8 号风机GXF系列7 号风机GXF系列6 号风机GXF 系列5.5 号风机GXF系列 5 号风机GXF系列 4.5 号风机GXF系列 4 号风机5,DZ低噪声轴流风机DZ系列13 号风机DZ系列12 号风机DZ系列11 号风机6,DWT低噪声屋顶通风机DWT系列13 号风机DWT系列12 号风机DWT系列11 号风机DWT系列10 号风机DWT系列9 号风机DWT系列8 号风机DWT系列7 号风机DWT系列 6 号风机DWT系列5.5 号风机DWT系列5 号风机DWT系列4.5 号风机DWT系列4 号风机低噪声轴流风机参数低噪声轴流风机是高效、节能、超低噪声的新型轴流风机。
CDZ是T35-11的换代产品,除具备T35-11轴流风机的特点外,由于采用了宽型前掠式叶片等栅距结构,减少了气流在叶片表面上的分离和气流旋涡的形成,降低了风机内气流的二次损耗,减少了声源的空气动力噪声,气流稳定,对保护环境,节约能源,具有很好的社会经济效益。
浅析机电安装中T35-11型轴流通风机摘要:目前轴流式风机发展迅速,轴流式通风机在电站和煤矿等地方使用已有三十多年的历史,这类风机与离心风机相比具有布置简单、安装方便、节能效果明显等优点。
风机的节能效果与装置本身的大小,电机功率、长期运转的方式、电费的价格等因素有关。
动叶可调轴流式风机其效率曲线与矿井通风阻力曲线的夹角小,接近于平行,高效区范围宽广。
关键词:机电安装t35-11型轴流通风机特性与应用安装技术中图分类号:tu85文献标识码: a 文章编号:引言:通风机随着社会迅速的发展将进一步提高风机的气动效率、装置效率和使用效率,以降低电能消耗;用动叶可调的轴流风机代替大型离心风机;降低风机噪声;提高排烟、排尘风机叶轮和机壳的耐磨性,实现变转速调节和自动化调节。
1.机电安装的概述当今的企业大多数都具有自动化机器设备,机电安装行业因此而诞生。
一般工业和公共、民用建设项目的设备、线路、管道的安装,35千伏及以下变配电站工程,非标准钢构件的制作、安装。
机电安装是个工程规模比较大的工作,有些大型企业迁移,一个工程就需要花近半年来实施,而且,对于安装的技术要求,也是相当大的。
工程内容包括锅炉、通风空调、制冷、电气、仪表、电机、压缩机机组和广播电影、电视播控等设备。
2. t35-11型轴流通风机的特性与应用:2.1t35-11系列轴流式通风机是我国八十年代在t30-11的基础上改进的新型风机,它具有的特点:①结构更合理②性能有较大提高,全压效率为89.5%③噪声低,噪声(比a声级)降低3.6db(a)。
2.2本系列风机适用于输送非易燃易爆无腐蚀无显著粉尘的气体,环境温度不得超过60℃,广泛应用于一般工厂、仓库、办公室住宅内通风换气或强暖气散热,页可有较长的排气管道内间隔串联安装,以提高管道中的压力,卸下机壳还可做自由风扇用。
2.3风机叶轮直径由小到大共有三十个规格,每一规格风机的叶片数都为4片,叶片角度有15°,25°,25°,30°,35°五种,参数范围广,风量826-6789m3/h,风压3.9-48.3mmh2o(详见性能参数表)2.4风机主要有叶轮、机壳、集流器及电机等组成,叶轮与电机直联、叶轮转向为左盘。
T35-11(T40-11)系列轴流式通风机一、T35-11系列轴流风机概述T35-11系列轴流风机是我国八十年代在30-11的基础上改进设计的新型风机,它与30-11风机相比具有明显优点:①结构更合理:轮毂是圆筒形,减少流动损失,叶片根据强度高;②性能有较大提高;全压效率为89.5%,噪声降低3.6dB(A)。
本系列风机适用于输送非易爆无腐蚀无显著粉尘的气体,环境温度不得超过60℃,广泛应用于一般工厂、仓库、办公室、住宅内通风换气或强暖气散热,也可有较长的排气管道内间隔串联安装,以提高管道中的压力,卸下机壳还可做自由风扇用。
本系列风机叶轮直径由小到大共有三十个规格,每一规格风机叶片数都为4片,叶片角度有15°,20°,25°,30°,35°五种,参数范围广,风量826-67892m3/h,风压39pa-474pa(详见性能参数表)。
本系列风机主要有叶轮、机壳、集流器及电机等部件组成,叶轮与电机直联,叶轮转向为电机左旋(电机端看)。
防腐轴流式风机(FT35-11)是采用防腐电机,用于输送有腐蚀性的气体。
防腐轴流风机(BT35-11)也是T35-11的派生产品,用于输送易燃爆的场所,叶轮用铝合金加工而成,以防在运转中引起火花,电机配用隔爆型电机。
FT35-11和BT35-11型通风机的性能参数外形尺寸及其注意事项都同T35-11一样。
二、T35-11系列轴流风机安装1、安装前应详细检查风机是否有损坏变形,如有损坏变形,待修理妥善后,方可进行安装。
2、安装时要注意检查各联接部分有无松动,叶片与风筒间隙应均匀,不得相碰。
3、联接风口管道的重量不应由风机的风筒承受,安装时应另加支撑。
4、在风机风口端必须装修集风器,希望装置防护网。
5、风机底座必须与地基平面自然接合,不得敲打底座强制联接,以防底座变形,安装时应校正机座,加垫铁片,基本保持水平位置,然后拧紧地脚螺栓。
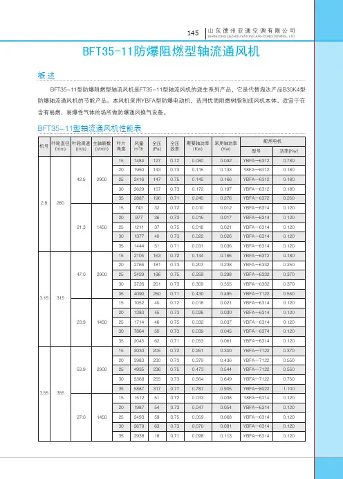
T35-11、BT35-11、BFT35-11型轴流通风机1.用途:T35型轴流通风机的主要目的是替代30K4型,30K4是20世纪50年代引进的前苏联产品和国外同类产品进行了分析对比,通过模型实验研究,确定了风机翼型,采用了圆筒形轮毂结构,电动机进行了改型设计,结构上减少了流动损失,因而使风机效率出口按圆面积计算提高到77%,按出口还面积计算提高到89.5%,噪声比A声降低了3.6dB,又增强了叶根处的强度,避免了叶片断裂现象。
BT35型防爆轴流通风机由于采用了防爆措施,并选用防爆电动机,故可用作非腐败的含有易燃、易爆气体的场所,作一般用途的防爆通风换气设备,T35、BT35型轴流通风机可做一般工厂、仓库、办公室、住宅内通风换气或加强暖气散热之用,若将机壳去掉,则可作自由风扇用。
也可在较长的排气管道内间隔串联安装,可提高管道中的风压。
2.形式:该系列产品按叶轮直接装载电动机轴上的直联结构。
在叶轮圆周速度不超过60m/s条件下配用三种转速:2900r/min、1450r/min、960r/min,在面对进风口方向看叶轮为逆时针转动,进气方向在叶轮端。
3.通过T35(BT35)风机的气体应无腐蚀性及显著粉尘,其温度不得超过40℃。
BFT35风机可通过各种具有腐蚀性气体(无任何粉尘),其温度不得超过60℃。
通风机出厂前,均经运转试验,确保运转平稳。
4.结构形式:BFT35风机主要由叶轮、即可、集风气器等组成,它们均为玻璃钢制成。
支架是由型材制成与风筒链接。
T35(BT35)风机主要由叶轮、机壳、集风器等三部分组成。
叶轮部由叶片和轮毂组成,均采用薄钢板制成,且按选定的安装角焊于轮毂上。
即可部由风筒、支架组成,均采用薄钢板及型材制成,风筒为圆筒型与叶轮之间有一定间隙。
集风器部由集风器法兰、集风器组成。
集风器为圆弧流线型,可减少气流入口的损失,由薄钢板制成。
5.性能与选用性能表中风机性能均指标准状态下(温度20℃、相对温度50%,大气压101.3X10³pa)气体密度1.2kg/m³)的空气性能。
T35-11型轴流通风机简介T35-11型轴流通风机是“六五”期间机械部《机械工业科学发展计划》重点改造项目之一。
T35-11型的主要目的是替代30K4型(又称03-11型)和T40型。
30K4型是五十年代引进苏联产品,T40是“全国风机行业30K4改造小组”于1977年为代替30K4而设计的产品,因而性能较30K4改造有所提高。
T35-11型对T40和国外同类产品进行了分析对比,通过模型级试验研究,确定了风机翼型,采用了圆筒型轮彀结构,电机进行了改型设计,结构上减少了流动损失,因之使风机效率出口按圆面积计算提高了77%,按出口环面积计算提高到了89.5%。
噪音比A声级降低了3.6dB,又增强了叶根处的强度,而避免了叶片断裂现象。
T35-11型轴流通风机可用作一般工厂、仓库、办公室、住宅内通风换气或加强暖气散热之用,若将机壳去掉,则可作自由风扇用,也可在较长的排气管道内间隔串联安装,以提高管道中的风压。
本系列产品按叶轮直径不同共分为十三种机号,依次排列为№2.8、3.15、3.55、4、4.5、5、5.6、6.3、7.1、8、9、10、11.2等。
每一种机号叶片又可安装15°、20°、25°、30°35°五种角度。
该风机可制作普通、防爆二种。
本系列产品均采用叶轮直接装在电机轴上的直联结构。
在叶轮圆周速度不超过60米/秒条件下配用三种转速:2900、1450、960转/分。
而对进风口方向看叶轮为逆时针转动,进气方向在叶轮端。
通过本风机的气体应无腐蚀性及显著粉尘,其湿度不得超过60℃。
本风机主要由叶轮、机壳、集风器等三部分组成。
叶轮部:由叶片和轮壳组成,叶片由玻璃钢压制而成,且按选定之安装角度于轮彀上。
机壳部:由风筒、支架组成。
均采用玻璃钢制成。
风筒为圆筒型与叶轮之间有一定间隙。
集风器部:由集风器法兰、集风器组成,集风器为圆弧流线型,可减少气流入口的损失,由玻璃钢制成。
T35-11 系列轴流风机性能参数及外形尺寸表(1)D1——风机进风处圆筒直径,mm; D3——风机圆筒直径, mm;L ——风机厚度, mm ;H ——风机圆筒中心至风机底座距离,mm;转速风量电机噪声( rpm)叶片(m3/h风压dB( A)机号角度(Pa)型号功率)151649152YSF-562270202167169YSF-562272 2900252685174YSF-563273外形尺寸( mm)留孔尺寸重量D1D3L H(mm)(kg)302921186YSF-563274353202232YSF-5632751582638YSF-56145520108643YSF-561457 145025134644YSF-561459 30146448YSF-56246035160560YSF-562462152339192YSF-632274203070214YSF-632276 2900253810220YSF-633277 304141300YSF-633278354545294YSF-71227915116948YSF-56145920153753YSF-562461 145025190555YSF-562462 30207259YSF-56246335227374YSF-562465153367241YSF-711276204426272YSF-712279 2900255484279YSF-712280 305965300YSF-713281356542373YSF-80228215168061YSF-56246120220868YSF-562463 145025273770YSF-562465 30297775YSF-56246635326593YSF-631468154806310YSF-771279206316345YSF-802280 2900257826354YSF-802283 308513380YSF-8022844359336474YSF90-28515240677YSF-56246520316386YSF-631467145025392088YSF-63146830426395YSF-632469354678119YSF-71147015342798YSF-631468204504110YSF-6324701450255881113YSF-711306070121YSF-712356658150YSF-712154700122YSF-711206178135YSF-7121450257655138YSF-712308327149YSF-801290365260200325400280220365440330240410500365265460550365300实际孔洞( D3/2+H)11土建留孔400X400实际孔洞442X442( D3/2+H)13土建留孔450X450实际孔洞464X464( D3/2+H)17土建留孔500X500实际孔洞515X515( D3/2+H)21土建留孔550X550实际孔洞575X575( D3/2+H)23土建留孔600X600实际孔洞621X6215510610365316土建留孔31 359133185YSF-802476650X65015314253YSF-80266296020412959YSF-80266425511761YSF-80266530556665YSF-80266635610481YSF-802668T35-11 系列轴流风机性能参数及外形尺寸表(2)转速叶片风量风压电机噪声外形尺寸( mm)机号(rpm )角度(3/h )()型号功率dB(A)D1 D3LHm Pa 留孔尺寸重量(mm )(kg)156595151YSF-712473208667169YSF-801475 14502510379174YSF-802477 3011682186YSF90S-4773512812232YSF90S-47915436267YSF-80266420537074YSF-802666 96025710176YSF-802667 30772481YSF-802669358471101YSF-802671159393192YSF-8024772012345214YSF90S-479 14502515297220YSF90L-480 3016639236YSF90L-4813518250294YSF100L-48115621984YSF-80266820817394YSF-802670 960251012896YSF-802671 3011016104YSF90S-6723512082128YSF90S-6741513444244YSF90L-4802017670272YSF100L-481 14502521895279YSF100L-482 3023815300YSF100L-43833526120373YSF112M-4484570680405350640750475392实际孔洞690X690(D3/2+H)42土建留孔700X700实际孔洞767X767(D3/2+H)58土建留孔800X800实际孔洞(D3/2+H)158902108YSF90S-672720835495438土建留孔682011700120YSF90S-6749602514498123YSF90S-6753015766131YSF90S-6763517296164YSF90S-6781519235310YSF100L-4822025280345YSF112M-448314502531325354YSF112M-44843034073380YSF132S-48583537070474YSF132M-4861512733136YSF90S-6742016733151YSF90S-676 9602520735155YSF100L-677 3022556167YSF100L-6783524739208YSF112M-6791518132172YSF100L-6782023830191YSF112M-67999602529529196YSF132S-63803032119211YSF13 3535227263YSF132 1524874213YSF112 2032691236YSF13810930580487910 1040 645550900X900实际孔洞952X952(D3/2+H)91土建留孔1000X1000实际孔洞1070X1070(D3/2+H)122土建留孔1100X1100实际孔洞(D3/2+H)109602540508242YSF132M-64813044062261YSF132M-64821010 1145 725600土建留孔1523548326324YSF160M-683 1534944267YSF132M-6483 2045927297YSF132M-6841200X1200实际孔洞1300X130096056909304YSF160M-685 253061091337YSF160L-6861130 1280 725660(D3/2+H)土建留孔1923567892407YSF160L-611881350X1350。
产品名称: T35-11系列轴流式通风机
广泛应用于厂房、仓库、办公楼、住宅等场所的通风换气
详细信息:
一、特性及应用
T35系列风机扭曲型叶片、高轮毂比、低风阻电机支架以及最佳叶棚参数,具有风量大、风压高、耗电省等优点,是一种新型、高效、节能型轴流风机,对于通风管道较长的场合可将数台风机串联安装,以提高风压。
注:FT35防腐型轴流通风机,用于输送有腐蚀性的气体;
BT35为防爆型轴流通风机,用于输送易燃易爆的气体;
FBT35为防腐防爆型轴流通风机,用于输送有腐蚀性且易燃易爆的气体。
一般T35系列风机为不带底脚供货,如需要请在订货时说明。
二、外形尺寸表
三、T35型风机性能参数表。