《建设工程文件归档整理规范》GB50328-2001
- 格式:doc
- 大小:698.00 KB
- 文档页数:19
《建设工程文件归档整理规范》(GB/T50328-2001)目录0、关于发布国家标准《建设工程文件归档整理规范》的通知----------00、前言-------------------------------------------------------0 1、总则-------------------------------------------------------0 2、术语-------------------------------------------------------0 3、基本规定----------------------------------------------------04、工程文件的归档范围及质量要求--------------------------------05、工程文件的立卷----------------------------------------------06、工程文件的归档----------------------------------------------07、工程档案的验收与移交----------------------------------------08、附录A:建设工程文件归档范围和保管期限表---------------------08.1工程准备阶段文件----------------------------------------08.2监理文件------------------------------------------------08.3施工文件------------------------------------------------08.4竣工图--------------------------------------------------08.5竣工验收文件--------------------------------------------09、本规范用词说明-----------------------------------------------0关于发布国家标准《建设工程文件归档整理规范》的通知建标[2002]8号根据我部“关于印发《二000至二00一年度工程建设国家标准制订、修订计划》的通知”(建标[2001]87号)的要求,由建设部会同有关部门共同制订的《建设工程文件归档整理规范》,经有关部门会审,批准为国家标准,编号为GB/T50328-2001,自2002年5月1日起施行。
建筑工程文件归档范围、保管期限和管理流向表12345671临时性支护工程 A 类和 B 类工程档案统一由建设单位保存。
891011121314152装饰性索膜工程 A 类和 B 类工程档案统一由建设单位保存。
163非政府工程的 A 类和 B 类工程档案统一由建设单位保存。
17181920212223243非政府工程的 A 类和 B 类工程档案统一由建设单位保存。
252627282930续表 30 文件归档文件名称序号⑽ 3-2-21-4 混疑土路面砖检验报告工程材料复试(检)验结果汇总与计算表砂浆试块核查汇总表及混凝土试块核查汇总表⑴⑵⑶⑷⑸ 3-2-21-5 ⑴ 3-2-21-6 ⑴⑵⑶ 3-2-21-7 ⑴ 3-2-21-8 ⑴印件加盖供货方公章)⑵⑶ 3-2-22 3-2-22-1 ⑴⑵⑶ 3-2-22-2 ⑴⑵⑶⑷⑸ 3-2-22-3 ⑴ 3-2-22-4 ⑴分部(子分部)工程施工技术准备文件分部(子分部)工程施工方案分项工程质量技术交底卡安装工程检测计量器具一览表施工及隐蔽工程验收记录室外管线工程设施隐蔽工程验收记录室外管道(沟)开槽施工记录生活给水系统消毒记录(通用)电缆敷设记录直埋电缆敷设记录施工测量记录室外管道(沟)竣工测量成果表施工试验及调试记录管道系统通水试验记录(通用)长期短期 BGD2302022SZ 长期长期短期 A GD2302SZ032 长期长期长期长期长期长期长期长期长期长期短期短期短期短期短期 A A A A A 套 GD2302070 套GD2302SZ027 GD2302017SZ GD2302025SZ GD2302026SZ 长期长期短期短期短期短期 B B B 无表式 GD2301003 GD2302006 工程材料(半成品)检验报告预拌混凝土出厂质量证明书长期长期短期短期混凝土试块试验结果汇总表砂浆试块试验结果汇总表水泥质保单、复试单汇总表混凝土抗压、抗折强度计算表砂浆抗压强度计算表检验批验收记录室外工程检验批质量验收记录工程质量检查验收记录工种(工序)间交接质量验收记录表分项工程质量验收记录分部(子分部)工程验收记录施工测量记录小区道路竣工测量成果表材料、构配件、设备质量证明文件工程材料(半成品)、构件、产品出厂合格证(复长期短期无表式无表式GD2101014 长期长期短期 A GD2301SZ055 长期长期长期长期短期长期长期 C A A GD2301063 GD25001 GD25002SZ 短期 C 检验批验收记录表保管期限和管理流向城建档案馆建设单位长期施工单位短期监理单位设计咨询管理流向 B GD2103008 对应表格长期长期长期长期长期长期长期长期长期长期长期长期长期长期长期长期长期长期 A A A A A A GD2301037 GD2301038SZGD2301039SZ GD2301044 GD2301040SZ GD2301041 B B B 室外管线工程 31续表 31 文件归档文件名称序号⑵⑶⑷⑸⑹⑺ 3-2-22-5 ⑴ 3-2-22-6 ⑴⑵⑶3-2-22-7 ⑴⑵⑶报告⑷⑸ 3-2-22-8 ⑴公章)、设备出厂合格证原件⑵ 3-2-22-9 ⑴⑵⑶ 3-2-23 工程材料(半成品)检验报告工程设备(材料)质量证明文件汇总表安装工程设备及主要材料产品质量证明文件汇总表安装工程设备及主要材料进场监理检查记录安装工程重要材料进场抽检报告汇总表长期长期长期长期长期长期短期短期短期 A A A GD2302002 GD2302003 GD2302004 长期短期管道阀门进场检测报告电线电缆进场检测报告材料、构配件、设备质量证明文件工程材料(半成品)、产品合格证(复印件加盖供货方长期短期 B B 无表式无表式长期长期短期短期 A A 无表式无表式管道系统(设备)水压试验记录(通用)密闭水箱(罐)水压试验记录(通用)阀门安装前试验记录(通用)室外排水管道灌水试验及通水试验记录管道焊接(连接)检查记录(通用)电气设备送电验收记录检验批验收记录室外管线工程检验批质量验收记录工程质量检查验收记录安装工程中间验收交接记录分项工程质量验收记录分部(子分部)工程验收记录工程材料复试(检)验报告塑料管材、管件性能检验报告 PVC 线槽线管进场检验报告硬聚氯乙烯塑料管材和管件用溶剂型胶粘剂进场检验长期长期长期短期短期短期 A A A 无表式无表式无表式长期长期长期长期短期长期长期 C A AGD2302001 GD25001 GD25002SZ 短期 C 检验批验收记录表保管期限和管理流向城建档案馆建设单位长期长期长期短期短期长期施工单位短期短期短期短期短期短期监理单位设计咨询管理流向 B B B B B B GD2302012SZGD2302009SZ GD2302010SZ GD2302021SZ GD2302011SZ GD2302035SZ 对应表格建筑地下室人防工程(参照民防办公室归档规范执行) 4、竣工图 4-1 1 2 3 4-2 1 2 3 建筑竣工图桩基础及结构竣工图安装竣工图总平面布置图总平面竖向布置图室外综合管网平面图综合竣工图永久永久长期长期长期长期长期长期长期 A A A 各专业竣工图长期永久长期长期长期长期长期长期长期 A A A 32续表 32 文件归档文件名称序号城建档案建设单位保管期限和管理流向施工单位监理单位设计咨询管理流向对应表格 5、竣工验收及备案文件馆 5-1 1 2 3 4 5 5-2 1 2 3 4 5 5-3 1 2 要功能抽查记录 3 4 5 5-4 1 2 3 4 5 6 7 8 9 10 11 5-5 1 2 3 单位(子单位)工程观感质量检查记录单位(子单位)工程质量竣工验收记录房屋建筑工程竣工验收报告工程竣工专项验收文件消防工程验收意见书电梯(扶梯)验收结果通知单燃气工程竣工验收报告施工安全与文明施工竣工评价书规划验收合格证(附《建设工程竣工验收测量报告及房屋建筑面积测绘报告》)环保验收合格证民防工程竣工验收报告噪声源治理工程验收合格证污水排放许可证其它专项验收证书白蚁防(整)治报告竣工结算文件工程造价三算核准表工程结算书工程造价审计书长期长期长期长期长期长期短期长期 A B A 无表式无表式无表式长期长期长期长期长期长期长期长期长期长期长期短期长期长期长期长期长期短期短期短期短期 A A A B A A A A A B B 无表式无表式无表式GD3016 无表式无表式无表式无表式无表式无表式无表式长期长期长期长期长期长期长期长期长期 B B A GD3003 GD3014 GD3015 工程竣工验收管理文件工程竣工验收申请表工程竣工验收会议纪要工程竣工验收整改意见工程验收整改意见处理报告竣工验收备案表工程质量评估与检查文件工程质量评估报告勘察文件质量检查报告设计文件质量检查报告建筑工程室内环境质量检测报告建筑工程土壤氡浓度检测报告工程竣工质量验收记录文件单位(子单位)工程质量控制资料核查记录单位(子单位)工程安全和功能检验资料核查及主长期长期长期长期 B B GD3001 GD3002 长期永久长期长期长期长期长期长期长期长期短期短期长期长期长期 A A A A A GD3004 GD3005 GD3006 无表式无表式长期长期长期长期长期长期长期长期长期长期长期长期长期长期长期 A A A A A GD3013 无表式 GD3SZ001 GD3SZ002 GD3017 33续表 33 文件归档文件名称序号 5-6 1 2 3 工程质量保证及保修文件房屋建筑工程质量保修书住宅质量保证书住宅使用说明书城建档案馆长期长期长期长期长期长期 B B B GD3010 GD3011 GD3012 建设单位保管期限和管理流向施工单位监理单位设计咨询管理流向对应表格 6、声像照片 6-1 6-2 1 2 3 4 6-3 1 2 3 4 6-4 建筑场地施工前地貌照片或录像工程建设过程主要阶段地基及桩基础施工照片或录像主体施工照片或录像建筑物封顶照片或录像其它重要的施工工序照片或录像重要活动照片或录像资料工程奠基或开工仪式照片或录像资料基础及主体中间验收会议照片或录像资料工程竣工验收及落成典礼照片或录像资料重要领导人参观工程或出席会议照片或录像资料工程竣工后建筑物照片或录像资料永久永久永久永久永久永久永久永久永久永久 A A A A A 无表式无表式无表式无表式无表式永久永久永久永久永久永久永久永久 A A A A 无表式无表式无表式无表式永久永久 A 无表式说明: 1.设计咨询指设计单位、勘察单位、招投标代理机构、造价咨询机构等; 2.列入 A 类归档的项目准备阶段文件、监理文件、竣工验收文件移交时需同时提供扫描文件或电子文件; 3.竣工图归档移交需同时提供内容一致的 CAD 电子文件; 4.C 类文件由文件形成单位自行归档; 5.永久是指工程档案需永久保存;长期是指工程档案的保存期限等于该工程的使用寿命;短期是指工程档案保存 20 年以下。
中华人民共和国国家标准建设工程文件归档整理规范GB/T50328-2001条文说明1.0.2建设工程文件归档整理除执行本规范外,尚应执行《科学技术档案案卷构成的一般要求》(GB/T11822—2000)、《技术制图复制图的折叠方法》(GB/10609.3—89)、《城市建设档案案卷质量规定》(建办「1995」697号)等规范或文件的规定。
1.0.3 电子文件和声像档案的归档整理,按有关规定执行。
2.0.13对一个建设工程而言,归档有两方面含义:一是建设、勘察、设计、施工、监理等单位在工程建设过程中形成的文件向本单位档案管理机构移交;二是勘察、设计、施工、监理等单位将本单位在工程建设过程中形成的文件向建设单位档案管理机构移交。
4.1.1此条款为确定归档范围的基本原则。
4.1.2对《建设工程项目文件归档范围和保管期限表》中所列城建档案管接收范围,各城市可根据本地情况适当拓宽和缩减。
4.2.2监理文件按《建设工程监理规范》(GB 50319—2000)编制;市政工程施工技术文件及其竣工验收文件按照建设部印发的《市政工程施工技术资料管理规定》(建城「1994」469号)编制,建筑安装工程施工技术及其竣工验收文件在建设部没有作出规定以前,按各省有关规定编制。
竣工图的编制应按国家建委1982年「建发施字50号」《关于编制基本建设竣工图的几项暂行规定》执行。
地下管线工程竣工图的编制,应按1995年中华人民共和国行业标准《城市地下管线探测技术规程》(CJJ61—94)中的有关规定执行。
5.1.1此条款为立卷的基本原则。
5.3.3案卷备考表的说明,主要说明卷内文件复印件情况、页码错误情况、文件的更换情况等。
没有需要说明的事项可不必填写说明。
5.3.4城建档案馆的分类号依据建设部《城市建设档案分类大纲》(建办档「1993」103号)编写,一般为大类号加属类号。
档号按《城市建设档案著录规范》(GB/T 50323—2001)编写。
建设工程资料归档规范根据我部“关于印发《二000至二00一年度工程建设国家标准制订、修订计划》的通知”(建标[2001]87号)的要求,由建设部会同有关部门共同制订的《建设工程文件归档整理规范》,经有关部门会审,批准为国家标准,编号为GB/T50328-2001,自2002年5月1日起施行。
本规范由建设部负责管理,建设部城建档案工作办公室负责具体技术内容的解释,建设部标准定额研究所组织中国建筑工业出版社出版发行。
前言本规范是根据我部“关于印发《二000至二00一年度工程建设国家标准制订、修订计划》的通知”(建标[2001]87号)的要求,由建设部城建档案工作办公室会同有关城建档案馆共同编制而成的。
在编制过程中,规范编制组开展了专题研究,进行了比较广泛的调查研究,总结了多年来建设工程文件归档整理工作的经验,参考中华人民共和国国家标准GB/T11822-2000《科学技术档案案卷构成的一般要求》,并以多种方式广泛征求了全国有关单位的意见,对主要问题进行了反复修改,最后经审定定稿。
本规范主要规定的内容有:工程文件的归档范围及质量要求,工程文件的立卷,工程文件的归档,工程档案的验收与移交。
本规范将来可能需要进行局部修订,有关局部修订的信息和条文信息将刊登在《工程建设标准化》杂志上。
为了提高本规范质量,请各单位在执行本规范的过程中,注意总结经验,积累资料,随时将有关的意见和建议寄行为表现建设部城建档案工作办公室(地址:北京三里河路9号,邮编:100835),以供今后修订时参考。
本规范主编单位:建设部城建档案工作办公室。
本规范参编单位:北京市城建档案馆、南京市城建档案馆、重庆市城建档案馆、广州市城建档案馆。
本规范主要起草人:王淑珍、姜中桥、苏文、周健民、周汉羽、蔡艳红。
1 总则1.0.1 为加强建设工程文件的归档整理工作,统一建设工程档案的验收标准,建立完整、准确的工程档案,制定本规范。
1.0.2 本规范适用于建设工程文件的归档整理以及建设工程档案的验收。
《建设工程文件归档整理规范》(GBT50328-2001)工程准备阶段文件一立项文件1 项目建议书永久√2 项目建议书审批意见及前期工作通知书永久√3 可行性研究报告及附件永久√4 可行性研究报告审批意见永久√5 关于立项有关的会议纪要、领导讲话永久√6 专家建议文件永久√7 调查资料及项目评估研究材料长期√二建设用地、征地、拆迁文件1 选址申请及选址规划意见通知书永久√2 用地申请报告及县级以上人民政府城乡建设用地批准书永久3 拆迁安置意见、协议、方案等长期√4 建设用地规划许可证及其附件永久√5 划拨建设用地文件永久√6 国有土地使用证永久√三勘察、测绘、设计文件1 工程地质勘察报告永久永久√2 水文地质勘察报告、自然条件、地震调查永久永久√3 建设用地钉桩通知单(书)永久√4 地形测量和拔地测量成果报告永久永久√5 申报的规划设计条件和规划设计条件通知书永久长期√6 初步设计图纸和说明长期长期7 技术设计图纸和说明长期长期8 审定设计方案通知书及审查意见长期长期√9 有关行政主管部门(人防、环保、消防、交通、园林、市政、文物、通讯、保密、河湖、教育、白蚁防治、卫生等)批准文件或取得的有关协议。
永久√10 施工图及其说明长期长期11 设计计算书长期长期12 政府有关部门对施工图设计文件的审批意见永久长期√四招投标文件1 勘察设计招投标文件长期2 勘察设计承包合同长期长期√3 施工招投标文件长期4 施工承包合同长期长期√5 工程监理招投标文件长期6 监理委托合同长期长期√五开工审批文件1 建设项目列入年度计划的申报文件永久√2 建设项目列入年度的批复文件或年度计划项目表永久√3 规划审批申报表及报送的文件和图纸永久4 建设工程规划许可证及其附件永久√5 建设工程开工审查表永久6 建设工程施工许可证永久√7 投资许可证、审计证明、缴纳绿化建设费等证明长期√8 工程质量监督手续长期√六财务文件1 工程投资估算材料短期2 工程设计概算材料短期3 施工图预算材料短期4 施工预算短期七建设、施工、监理机构及负责人1 工程项目管理机构(项目经理部)及负责人名单长期√2 工程项目监理机构(项目监理部)及负责人名单长期长期√3 工程项目施工管理机构(施工项目经理部)及负责人名单长期长期√监理文件1 监理规划<1> 监理规划长期短期√<2> 监理实施细则长期短期√<3> 监理部总控制计划等长期短期2 监理月报中的有关质量问题长期长期√3 监理会议纪要中的有关质量问题长期长期√4 进度控制<1> 工程开工/复工审批表长期长期√<2> 工程开工/复工暂停令长期长期√5 质量控制<1> 不合格项目通知长期长期√<2> 质量事故报告及处理意见长期长期√6 造价控制<1> 预付款报审与支付短期<2> 月付款报审与支付短期<3> 设计变更、洽商费用报审与签认长期<4> 工程竣工决算审核意见书长期√7 分包资质<1> 分包单位资质材料长期<2> 供货单位资质材料长期<3> 试验等单位资质材料长期8<1> 有关进度控制的监理通知长期长期<2> 有关质量控制的监理通知长期长期<3> 有关造价控制的监理通知长期长期9 合同与其他事项管理<1> 工程延期报告及审批永久长期√<2> 费用索赔报告及审批长期长期<3> 合同争议、违约报告及处理意见永久长期√<4> 合同变更材料长期长期√10 监理工作总结<1> 专题总结长期短期<2> 月报总结长期短期<3> 工程竣工总结长期长期√<4> 质量评价意见报告长期长期√施工文件一建设安装工程(一)土建(建筑与结构)工程1 施工技术准备文件<1> 施工组织设计长期<2> 技术交底长期长期<3> 图纸会审记录长期长期长期√<4> 施工预算的编制和审查短期短期<5> 施工日志短期短期2 施工现场准备<1> 控制网设置资料长期长期√<2> 工程定位测量资料长期长期√<3> 基槽开挖线测量资料长期长期√<4> 施工安全措施短期短期<5> 施工环保措施短期短期3 地基处理记录<1> 地基钎探记录和钎探平面布点图永久长期√<2> 验槽记录和地基处理记录永久长期√<3> 桩基施工记录永久长期√<4> 试桩记录长期长期√4 工程图纸变更记录<1> 设计会议会审记录永久长期长期√<2> 设计变更记录永久长期长期√<3> 工程洽商记录永久长期长期√5 施工材料预制构件质量证明文件及复试试验报告<1> 砂、石、砖、水泥、钢筋、防水材料、隔热保温、防腐材料、轻集料试验汇总表长期√<2> 砂、石、砖、水泥、钢筋、防水材料、隔热保温、防腐材料、轻集料出厂证明文件长期√<3> 砂、石、砖、水泥、钢筋、防水材料、轻集料、焊条、沥青复试试验报告长期√<4> 预制构件(钢、混凝土)出厂合格证、试验记录长期√<5> 工程物质选样送审表短期<6> 进场物质批次汇总表短期<7> 工程物质进场报验表短期6 施工试验记录<1> 土壤(素土、灰土)干密度试验报告长期√<2> 土壤(素土、灰土)击实试验报告长期√<3> 砂浆配合比通知单长期<4> 砂浆(试块)抗压强度试验报告长期√<5> 混凝土配合比通知单长期<6> 混凝土(试块)抗压强度试验报告长期√<7> 混凝土抗渗试验报告长期√<8> 商品混凝土出厂合格证、复试报告长期√<9> 钢筋接头(焊接)试验报告长期√<10> 防水工程试水检查记录长期<11> 楼地面、屋面坡度检查记录长期<12> 土壤、砂浆、混凝土、钢筋连接、混凝土抗渗试验报告汇总表长期√7 隐蔽工程检查记录<1> 基础和主体结构钢筋工程长期长期√<2> 钢结构工程长期长期√<3> 防水工程长期长期√<4> 高程控制长期长期8 施工记录<1> 工程定位测量检查记录永久长期√<2> 预检工程检查记录短期<3> 冬施混凝土搅拌测温记录短期<4> 冬施混凝土养护测温记录短期<5> 烟道、垃圾道检查记录短期<6> 沉降观测记录长期√<7> 结构吊装记录长期<8> 现场施工预应力记录长期√<9> 工程峻工测量长期长期√<10> 新型建筑材料长期长期√<11> 施工新技术长期长期√9 工程质量事故处理记录永久√10 工程质量检验记录<1> 检验批质量验收记录长期长期长期<2> 分面工程质量验收记录长期长期长期<3> 基础、主体工程验收记录永久长期长期√<4> 幕墙工程验收记录永久长期长期√<5> 分部(子分部)工程质量验收记录永久长期长期√(二)电气、给排水、消防、采暖、通风、空调、燃气、建筑智能化、电梯工程1 一般施工记录<1> 施工组织设计长期长期<2> 技术交底短期<3> 施工日志短期2 图纸变更记录<1> 图纸会审永久长期√<2> 设计变更永久长期√<3> 工程洽商永久长期√3 设备、产品质量检查、安装记录<1> 设备、产品质量合格证、质量保证书长期长期√<2> 设备装箱单、商检证明和说明书、开箱报告长期<3> 设备安装记录长期√<4> 设备试运行记录长期√<5> 设备明细表长期长期√4 预检记录短期5 隐蔽工程检查记录长期长期6 施工试验记录<1> 电气接地电阻、绝缘电阻、综合布线、有线电视末端等测试记录长期√<2> 楼宇自控、监视、安装、视听、电话等系统调试记录长期<3> 变配电设备安装、检查、通电、满负荷测试记录长期√<4> 给排水、消防、采暖、通风、空调、燃气等管道强度、严密性、灌水、通风、吹洗、漏风、试压、通球、阀门等试验记录长期√<5> 电梯照明、动力、给排水、消防、采暖、通风、空调、燃气等系统调试、试运行记录长期√<6> 电梯接地电阻、绝缘电阻测试记录;空载、半载、满载、超载试运行记录;平衡、运速、噪声调整试验报告长期√<7> 质量事故处理记录永久长期√<8> 工程质量检验记录<1> 检验批质量验收记录长期长期长期<2> 分项工程质量验收记录长期长期长期<3> 分部(子分部)工程质验收记录永久长期长期√(三)室外工程1 室外安装(给水、雨水、污水、热力、燃气、电讯、电力、照明、电视、消防等)施工文件长期√2 室钋建筑环境(建筑小品、水景、道路、园林绿化等)施工文件长期√二市政基础设施工程(一)施工技术准备1 施工组织设计短期短期2 技术交底长期长期3 图纸会记录长期长期√4 施工预算的编制和审查短期短期(二)施工现场准备1 工程定位测量资料长期长期√2 工程定位测量复核记录长期长期√3 导线点、水准点测量复核记录长期长期√4 工程轴线、定位桩、高程测量复核记录长期长期√5 施工安全措施短期短期6 施工环保措施短期短期(三)设计变更、洽商记录1 设计变更通知单长期长期√2 洽商记录长期长期√(四)原材料、成品、半成品、构配件、设备出厂质量合格证及试验报告1 砂、石、砌块、水泥、钢筋(材)、石灰、沥青、涂料、混凝土外加剂、防水材料、粘接材料、防腐保温材料、焊接材料等试验汇总表长期2 砂、石、砌块、水泥、钢筋(材)、石灰、沥青、涂料、混凝土外加剂、防水材料、粘接材料、防腐保温材料、焊接材料等质量合格证书和出厂检(试)验报告及现场复试报告长期√3 水泥、石灰、粉煤灰混合料;沥青混合料、商品混凝土等试验汇总表长期√4 水泥、石灰、粉煤灰混合料;沥青混合料、商品混凝土等出厂合格证和试验报告、现场复试报告长期√5 混凝土预制构件、管材、管件、钢结构构件等试验汇总表长期6 混凝土预制构件、管材、管件、钢结构构件等出厂合格证书和相应的施工技术资料长期√7 厂站工程的成套设备、预应力混凝土张拉设备、各类地下管线井室设施、产品等汇总表长期√8 厂站工程的成套设备、预应力混凝土张拉设备、各类地下管线井室设施、产品等出厂合格证书及安装使用说明长期√9 设备开箱报告短期(五)施工试验记录1 砂浆、混凝土试块强度、钢筋(材)焊连接、填土、路基强度试验等汇总表长期2 道路压实度、强度试验记录<1> 回填土、路床压实试验及土质的最大干密度和最佳含水量试验报告长期√<2> 石灰类、水泥类、二灰类无机混合料基层的标准击实试验报告长期√<3> 道路基层混合料强度试验记录长期√<4> 道路面层压实度试验记录长期√3 混凝土试块强度试验记录<1> 混凝土配合比通知单短期<2> 混凝土试块强度试验报告长期√<3> 混凝土试块抗渗、抗冻试验报告长期√<4> 混凝土试块强度统计、评定记录长期√4 砂浆试块强度试验记录<1> 砂浆配合比通知单短期<2> 砂浆试块强度试验报告长期√<3> 砂浆试块强度统计、评定记录长期√5 钢筋(材)焊、连接试验报告长期√6 钢管、钢结构安装及焊缝处理外观质量检查记录长期7 桩基础试(检)验报告长期√8 工程物质选样送审记录短期9 进场物质批次汇总记录短期10 工程物质进场报验记录短期(六)施工记录1 地基与基槽验收记录<1> 地基纤探记录及钎探位置图长期长期√<2> 地基与基槽验收记录长期长期√<3> 地基处理记录及示意图长期长期√2 桩基施工记录<1> 桩基位置平面示意图长期长期√<2> 打桩记录长期长期√<3> 钻孔桩钻进记录及成孔质量检查记录长期长期√<4> 钻孔(挖孔)桩混凝土浇灌记录长期长期√3 构件设备安装和调试记录<1> 钢筋混凝土大型预制构件、钢结构等吊装记录长期长期<2> 厂(场)、站工程大型设备安装调试记录长期长期√4 预应力张拉记录<1> 预应力张拉记录表长期√<2> 预应力张拉孔道压浆记录长期√<3> 孔位示意图长期√5 沉井工程下沉观测记录长期√6 混凝土浇灌记录长期7 管道、箱涵等工程项目推进记录长期√8 构筑物沉降观测记录长期√9 施工测温记录长期10 预制安装水池壁板缠绕钢丝应力测定记录长期√(七)预检记录1 模板预检记录短期2 大型构件和设备安装前预检记录短期3 设备安装位置检查记录短期4 管道安装检查记录短期5 补偿器冷拉及安装情况记录短期6 支(吊)架位置、各部位连接方式等检查记录短期7 供水、供热、供气管道吹(冲)洗记录短期8 保温、防腐、油漆等施工检查记录短期(八)隐蔽工程检查(验收)记录长期长期√(九)工程质量检查评定记录1 工序工程质量评定记录长期长期2 部位工程质量评定记录长期长期3 分部工程质量评定记录长期长期√(十)功能性试验记录1 道路工程的弯沉试验记录长期√2 桥梁工程的动、静载试验记录长期√3 无压力管道的严密性试验记录长期√4 压力管道的强度试验、严密性试验、通球试验等记录长期5 水池满水试验长期√6 消化池气密性试验长期√7 电气绝缘电阻、接地电阻测试记录长期√8 电气照明、动力试运行记录长期√9 供热管网、燃气管网等管网试运行记录长期√10 燃气储罐总体试验记录长期√11 电讯、宽带网等试运行记录长期√(十一)质量事故及处理记录1 工程质量事故报告永久长期√2 工程质量事故处理记录永久长期√(十二)竣工测量资料1 建筑物、构筑物竣工测量记录及测量示意图永久长期√2 地下管线工程竣工测量记录永久长期√竣工图一建筑安装工程竣工图(一)综合竣工图1 综合图√<1> 总平面布置图(包括建筑、建筑小品、水景、照明、道路、绿化等)永久长期√<2> 竖向布置图永久长期√<3> 室外给水、排水、热力、燃气等管网综合图永久长期√<4> 电气(包括电力、电讯、电视系统等)综合图永久长期√<5> 设计总说明书永久长期√2 室外专业图长期<1> 室外给水永久长期√<2> 室外雨水永久长期√<3> 室外污水永久长期√<4> 室外热力永久长期√<5> 室外燃气永久长期√<6> 室外电讯永久长期√<7> 室外电力永久长期√<8> 室外电视永久长期√<9> 室外建筑小品永久长期√<10> 室外消防永久长期√<11> 室外照明永久长期√<12> 室外水景永久长期√<13> 室外道路永久长期√<14> 室外绿化永久长期√(二)专业竣工图1 建筑竣工图永久长期√2 结构竣工图永久长期√3 装修(装饰)工程竣工图永久长期√4 电气工程(智能化工程)竣工图永久长期√5 给排水工程(消防工程)竣工图永久长期√6 采暖通风空调工程竣工图永久长期√7 燃气工程竣工图永久长期√二市政基础设施工程竣工图1 道路工程永久长期√2 桥梁工程永久长期√3 广场工程永久长期√4 隧道工程永久长期√5 铁路、公路、航空、水运等交通工程永久长期√6 地下铁道等轨道交通工程永久长期√7 地下人防工程永久长期√8 水利防灾工程永久长期√9 排水工程永久长期√10 供水、供热、供气、电力、电讯等地下管线工程永久长期√11 高压架空输电线工程永久长期√12 污水处理、垃圾处理处置工程永久长期√13 场、厂、站工程永久长期√竣工验收文件一工程竣工总结1 工程概况表永久√2 工程竣工总结永久√二竣工验收记录(一)建筑安装工程1 单位(子单位)工程质量验收记录永久长期√2 竣工验收证明书永久长期√3 竣工验收报告永久长期√4 竣工验收备案表(包括各专项验收认可文件)永久√5 工程质量保修书永久长期√(二)市政基础设施工程1 单位工程质量评定表及报验单永久长期√2 竣工验收证明书永久长期√3 竣工验收报告永久长期√4 竣工验收备案表(包括各专项验收认可文件)永久长期√5 工程质量保修书永久长期√三财务文件1 决算文件永久√2 交付使用财产总表和财产明细表永久长期√四声像、缩微、电子档案1 声像档案<1> 工程照片永久√<2> 录音、录像材料永久√2 缩微品永久√3 电子档案<1> 光盘永久√<2> 磁盘永久√。
建筑工程文件归档范围、保管期限和管理流向表
1临时性支护工程A类和B类工程档案统一由建设单位保存。
3非政府工程的A类和B类工程档案统一由建设单位保存。
说明:
1.设计咨询指设计单位、勘察单位、招投标代理机构、造价咨询机构等;
2.列入A类归档的项目准备阶段文件、监理文件、竣工验收文件移交时需同时提供扫描文件或电子文件;
3.竣工图归档移交需同时提供内容一致的CAD电子文件;
4.C类文件由文件形成单位自行归档;
5.永久是指工程档案需永久保存;长期是指工程档案的保存期限等于该工程的使用寿命;短期是指工程档案保存20年以下。
6市政工程项目准备阶段文件、监理文件、竣工验收文件移交时需同时提供扫描文件或电子文件参照此表。
工程竣工图章样式及要求GB/T 50328-2001《建设工程文件归档整理规范》中的竣工图章样式。
根据GB/T50328-2001《建设工程归档文件整理规范》中4.2.8条款中第4条,竣工图章应使用不易退色的红印泥,应盖在图标上方空白处。
所以,是盖红章。
一、工程竣工图章结构:二、竣工图章相关规定:1、竣工图章的内容应包括:“竣工图”字样、施工单位、编制人、审核人、技术负责人、编制日期、监理单位、现场监理、总监。
2、竣工图章尺寸:50mm×80 mm。
3、竣工图章应使用不易褪色的红印泥,应盖在图标栏上方空白处。
4、利用施工图改绘竣工图,必须标明变更修改依据;凡施工图结构、工艺、平面布置等有重大改变,或变更部分超过图面1/3的,应当重新绘制竣工图。
2010新版竣工内容提要:刻制竣工图章的统一格式和要求。
图章2010新版竣工图章概述:所有竣工图必须加盖竣工图章,竣工图章应使用不褪色的红色印泥盖印,加盖在蓝图右下角设计图签的上方或周围不压盖图形文字的地方;并应由施工单位、编制人、技术负责人签字确认,应经监理单位审核,总监理工程师签字认可。
一、规格:1、竣工图章整体长80mm,宽50mm。
2、第一栏为通栏,内容为竣工图三个字,表格高为15mm。
3、竣工图章共六格,除第一格为15mm外,其它为7mm。
4、第二栏为施工单位,第三栏为编制人和日期,第四栏为技术负责人和日期,第五栏为监理单位,第六栏为总监和日期。
各表格的宽度分别为20mm,30mm,10mm,20mm。
2010新版竣工图章的式样如下:竣工章上的相关人员理论上应是谁签字:竣工图章内容包括:××××工程竣工图、施工单位名称、编制人、审核人、技术负责人、编制日期、监理单位名称、总监、现场监理。
那从理论上讲,施工单位编制人应该是施工单位内业资料员,审核人应该是项目技术负责人,技术负责人应该是指施工单位的技术负责人。
建筑工程文件归档范围、保管期限和管理流向表1临时性支护工程A类和B类工程档案统一由建设单位保存。
2装饰性索膜工程A类和B类工程档案统一由建设单位保存。
3非政府工程的A类和B类工程档案统一由建设单位保存。
3非政府工程的A类和B类工程档案统一由建设单位保存。
文件序号归档文件名称保管期限和管理流向对应表格城建档案建设单位施工单位监理单位设计咨询管理流向5-6工程质量保证及保修文件1 房屋建筑工程质量保修书长期长期B GD30102住宅质量保证书长期长期B GD30113住宅使用说明书长期长期B GD30126、声像照片6-1建筑场地施工前地貌照片或录像永久永久A无表式6-2工程建设过程主要阶段1地基及桩基础施工照片或录像永久永久A无表式2主体施工照片或录像永久永久A无表式3建筑物封顶照片或录像永久永久A无表式4其它重要的施工工序照片或录像永久永久A无表式6-3重要活动照片或录像资料1工程奠基或开工仪式照片或录像资料永久永久A无表式2基础及主体中间验收会议照片或录像资料永久永久A无表式3工程竣工验收及落成典礼照片或录像资料永久永久A无表式4重要领导人参观工程或出席会议照片或录像资料永久永久A无表式6-4工程竣工后建筑物照片或录像资料永久永久A无表式说明:1.设计咨询指设计单位、勘察单位、招投标代理机构、造价咨询机构等;2.列入A类归档的项目准备阶段文件、监理文件、竣工验收文件移交时需同时提供扫描文件或电子文件;3.竣工图归档移交需同时提供内容一致的CAD电子文件;4.C类文件由文件形成单位自行归档;5.永久是指工程档案需永久保存;长期是指工程档案的保存期限等于该工程的使用寿命;短期是指工程档案保存20年以下。
6市政工程项目准备阶段文件、监理文件、竣工验收文件移交时需同时提供扫描文件或电子文件参照此表。
建筑工程文件归档范围、保管期限和管理流向表
1临时性支护工程A类和B类工程档案统一由建设单位保存。
3非政府工程的A类和B类工程档案统一由建设单位保存。
说明:
1.设计咨询指设计单位、勘察单位、招投标代理机构、造价咨询机构等;
2.列入A类归档的项目准备阶段文件、监理文件、竣工验收文件移交时需同时提供扫描文件或电子文件;
3.竣工图归档移交需同时提供内容一致的CAD电子文件;
4.C类文件由文件形成单位自行归档;
5.永久是指工程档案需永久保存;长期是指工程档案的保存期限等于该工程的使用寿命;短期是指工程档案保存20年以下。
6市政工程项目准备阶段文件、监理文件、竣工验收文件移交时需同时提供扫描文件或电子文件参照此表。
建筑工程文件归档范围、保管期限和管理流向表
续表1
续表2
1临时性支护工程A类和B类工程档案统一由建设单位保存。
续表11
续表12
续表13
续表15
2装饰性索膜工程A类和B类工程档案统一由建设单位保存。
3非政府工程的A类和B类工程档案统一由建设单位保存。
3非政府工程的A类和B类工程档案统一由建设单位保存。
续表25
续表26
续表29
说明:
1.设计咨询指设计单位、勘察单位、招投标代理机构、造价咨询机构等;
2.列入A类归档的项目准备阶段文件、监理文件、竣工验收文件移交时需同时提供扫描文件或电子文件;
3.竣工图归档移交需同时提供内容一致的CAD电子文件;
4.C类文件由文件形成单位自行归档;
5.永久是指工程档案需永久保存;长期是指工程档案的保存期限等于该工程的使用寿命;短期是指工程档案保存20年以下。
6市政工程项目准备阶段文件、监理文件、竣工验收文件移交时需同时提供扫描文件或电子文件参照此表。
建筑工程文件归档范围、保管期限和管理流向表1临时性支护工程A类和B类工程档案统一由建设单位保存。
3非政府工程的A类和B类工程档案统一由建设单位保存。
文件序号归档文件名称保管期限和管理流向对应表格城建档案建设单位施工单位监理单位设计咨询管理流向5-6工程质量保证及保修文件1 房屋建筑工程质量保修书长期长期B GD30102住宅质量保证书长期长期B GD30113住宅使用说明书长期长期B GD30126、声像照片6-1建筑场地施工前地貌照片或录像永久永久A无表式6-2工程建设过程主要阶段1地基及桩基础施工照片或录像永久永久A无表式2主体施工照片或录像永久永久A无表式3建筑物封顶照片或录像永久永久A无表式4其它重要的施工工序照片或录像永久永久A无表式6-3重要活动照片或录像资料1工程奠基或开工仪式照片或录像资料永久永久A无表式2基础及主体中间验收会议照片或录像资料永久永久A无表式3工程竣工验收及落成典礼照片或录像资料永久永久A无表式4重要领导人参观工程或出席会议照片或录像资料永久永久A无表式6-4工程竣工后建筑物照片或录像资料永久永久A无表式说明:1.设计咨询指设计单位、勘察单位、招投标代理机构、造价咨询机构等;2.列入A类归档的项目准备阶段文件、监理文件、竣工验收文件移交时需同时提供扫描文件或电子文件;3.竣工图归档移交需同时提供内容一致的CAD电子文件;4.C类文件由文件形成单位自行归档;5.永久是指工程档案需永久保存;长期是指工程档案的保存期限等于该工程的使用寿命;短期是指工程档案保存20年以下。
6市政工程项目准备阶段文件、监理文件、竣工验收文件移交时需同时提供扫描文件或电子文件参照此表。
建筑工程文件归档范围、保管期限和管理流向表文件序号归档文件名称保管期限和管理流向对应表格城建档案馆建设单位施工单位监理单位设计咨询管理流向1、项目准备阶段文件1-1立项审批文件1 立项申请报告批复文件* 永久长期 A 无表式2 项目可行性研究报告及评审文件⑴项目建议书(政府工程)永久长期 A 无表式⑵可行性研究报告(政府工程)永久长期 A 无表式⑶可行性研究报告评审文件(政府工程)永久长期 A 无表式3 项目环境影响评估报告书永久长期 A 无表式4 上级部门关于项目建设的决议、批示及重要会议纪要和指导性文件(政府工程)永久长期 A 无表式5 计划立项批文永久长期 A 无表式6 固定资产投资许可证永久长期 A 无表式1-2建设用地、征地、红线测量文件1 项目选址意见书、征用地申请批复文件永久长期 A 无表式2 建设用地规划许可证永久长期 A 无表式3 土地使用权出让合同书、补充协议书、合作开发协议书永久长期 A 无表式4 红线地界桩放点报告永久长期 A 无表式1-3工程场地勘察资料(单独立卷)1 工程地质勘察报告(含水文地质资料)永久长期长期 A 无表式2 场地地震评价报告永久长期长期 A 无表式1-4初步(方案)设计与审批文件1 主体结构信息及主体结构计算结果长期长期 A 无表式2 初步设计图纸和说明短期短期 B 无表式3 初步(方案)设计审查意见书长期长期长期 A 无表式4 施工图设计审查意见书长期长期长期 A 无表式5 消防设计审核意见及消防材料设备备案表长期长期长期 A 无表式6 民防地下室建设意见征询单及初步设计审查意见书长期长期长期 A 无表式7 燃气工程施工图审图意见长期长期长期 A 无表式8 供电审图意见长期长期长期 A 无表式9 供水审图意见长期长期长期 A 无表式10 锅炉及压力容器安装审图意见长期长期长期 A 无表式11 建筑抗震设计审查意见永久长期长期 A 无表式12 环境影响审查批复文件永久长期长期 A 无表式文件序号归档文件名称保管期限和管理流向对应表格城建档案馆建设单位施工单位监理单位设计咨询管理流向13 其他有关部门审查意见永久长期长期 A 无表式1-5招投标与合同文件1 工程招标书长期 B 无表式2 直接发包申请与批复文件长期长期 A 无表式3 设计咨询定标书、中标通知书长期长期短期 A 无表式4 工程造价咨询定标书、中标通知书长期长期短期 A 无表式5 设计定标书、中标通知书长期长期短期 A 无表式6 勘察定标书、中标通知书长期长期短期 A 无表式7 监理定标书、中标通知书长期长期短期 A 无表式8 工程施工定标书、中标通知书长期长期短期 A 无表式9 设计咨询合同长期长期长期 A 无表式10 招投标代理合同长期长期长期 A 无表式11 工程造价咨询合同长期长期长期 A 无表式12 设计合同长期长期长期 A 无表式13 勘察合同长期长期长期 A 无表式14 监理合同长期长期长期 A 无表式15 合同变更、争议、违约处理资料长期长期长期 A 无表式1-6开工许可与审批文件1建设工程规划许可与批准文件⑴建设工程规划许可证等工程规划许可文件及附件永久长期 A 无表式⑵桩基础提前开工证明书长期长期长期 A 无表式2 建设工程施工许可证及特种工程施工许可文件长期长期长期 A 无表式3 工程质量监督登记文件长期长期 A 无表式4 施工安全监督登记文件长期长期 A 无表式5 起重机械安装、改造施工核准通知长期长期 A 无表式6 建筑物命名批复书及更名文件长期长期 A 无表式7 市政(路口)审批文件及许可证长期长期 A 无表式8 工程建设前期法定建设程序检查表长期长期 A GD17001 1-7建设方管理机构文件1 建设方项目机构人员组成及负责人任命书长期长期 A 无表式2 建设方管理人员变更通知长期长期 A 无表式1-8工程咨询文件1 阶段设计监理审核报告长期短期 B 无表式2 设计监理审核总报告长期长期短期 A 无表式3 工程造价咨询报告长期长期短期 A 无表式4 招投标咨询报告长期短期 B 无表式续表2文件序号归档文件名称保管期限和管理流向对应表格城建档案馆建设单位施工单位监理单位设计咨询管理流向5 项目可行性咨询报告(政府工程)长期长期短期 A 无表式1-9工程概预算文件1 工程投资估算长期短期 B 无表式2 工程设计概算长期短期 B 无表式3 施工图预算长期短期 B 无表式2、施工监理文件2-1监理机构管理文件1 总监理工程师任命通知书长期长期短期 A GD2202SZ0012 监理机构设置通知书长期长期短期 A GD2202SZ0023 监理人员变更通知书长期长期短期 A GD2202SZ003 2-2资质管理文件1 监理单位资质证书(复印件加单位公章)长期短期 B 无表式2 监理人员执业证书(复印件加盖单位公章)长期短期 B 无表式3 施工分包单位资质审批表长期短期 A GD2202003 2-3监理技术文件1 监理规划长期短期 B 无表式2 监理实施细则短期 C 无表式3 旁站监理实施方案长期短期 B 无表式2-4工程技术联系文件1 监理工程师通知单长期短期 B GD22020112 监理工程师通知回复单长期短期 B GD22020063 监理工作联系单长期短期 B GD22020174 混凝土浇灌令长期短期 B GD2202SZ012 2-5进度控制文件1 工程开工/复工报审表长期长期短期 A GD22020012 工程临时延期申请表长期短期 B GD22020073 工程暂停令(停工令)长期长期短期 A GD22020124 工程临时延期审批表长期短期 B GD22020145 工程最终延期审批表长期长期短期 A GD2202015 2-6造价控制文件1 费用索赔申请表长期短期 B GD22020082 工程款支付申请表长期短期 B GD22020053 工程款支付证书长期长期短期 A GD22020134 工程款支付汇总表长期长期短期 A GD2202SZ0065 费用索赔审批表长期长期短期 A GD2202016 2-7监理工作记录文件序号归档文件名称保管期限和管理流向对应表格城建档案馆建设单位施工单位监理单位设计咨询管理流向1 设计变更登记表长期长期短期 A GD2202SZ0072 原材(试件)抽样检验汇总记录表长期长期短期 A GD2202SZ0083 旁站监理记录长期长期 B GD22020194 监理日志短期 C 无表式5 例会纪要短期 C 无表式2-8监理总结文件1 专题总结(桩基、基础、主体结构、质量事故)长期长期长期 A 无表式2 监理工作总结长期长期长期 A 无表式3 工程建设监理月报短期短期 B GD2202SZ0093、施工文件3-1施工管理文件3-1-1施工方机构管理文件⑴项目经理任命通知书长期长期短期 A GD2201SZ002⑵项目经理部人员设置通知书长期长期短期 A GD2201SZ003⑶项目经理部人员变更通知书长期长期短期 A GD2201SZ004 3-1-2施工许可与资质文件⑴建设工程及特种工程施工许可文件(副本)长期长期 B 无表式⑵施工营业执照及资格证书(复印件加盖单位公章) 长期短期 B 无表式⑶项目经理资格证书(复印件加盖单位公章)长期短期 B 无表式3-1-3 分包合同文件⑴施工合同长期长期短期 A 无表式⑵合同变更、争议、违约处理资料长期长期短期 A 无表式3-1-4材料、构配件、设备报审文件1 工程材料/构配件/设备报审表长期长期短期 A GD22020092 主要施工机械进退场报审表长期短期 B GD2202SZ011 3-1-5施工技术文件⑴施工现场质量管理检查记录短期短期 B GD2201001⑵单位工程开工申请报告长期长期短期 A GD2201002⑶施工组织设计(方案)报审表长期长期短期 A GD2202002⑷施工组织设计(方案)短期短期 B 无表式⑸单位工程竣工图登记表短期短期 B GD2201012⑹施工日志短期 C GD2201013 3-1-6质量控制与事故处理文件⑴工程质量事故报告永久长期长期 A GD2201007⑵工程事故调(勘)查记录永久长期长期 A 无表式⑶工程质量事故(停工)通知长期长期短期 A GD2201008续表4文件序号归档文件名称保管期限和管理流向对应表格城建档案馆建设单位施工单位监理单位设计咨询管理流向⑷工程事故处理报告永久长期长期 A GD2201009⑸工程复工通知书长期长期短期 A GD2201010 3-1-7图纸会审及变更洽商记录⑴图纸会审记录(一)永久长期长期 A GD2201004⑵图纸会审记录(二)永久长期长期 A GD2201005⑶设计变更洽商记录永久长期长期 A GD2201006⑷工程变更单永久长期长期 A GD2202018⑸施工现场签证单长期长期长期 A GD2201SZ005 2-10工程报验文件1 报验申请表(分项工程)长期短期 B GD22020042 工程竣工报验单(分部(子分部)工程、单位工程)长期长期长期 A GD2202010 3-1-7工程中间验收交接文件⑴分部(子分部)工程中间验收交接记录长期长期长期 A GD2201011 3-1-8施工总结文件⑴新技术(新工艺)施工总结长期长期长期 A 无表式⑵施工技术总结短期短期 B 无表式3-2建筑工程施工文件3-2-1地基与基础工程——天然基础与地基处理工程3-2-1-1分部(子分部)工程施工技术准备文件⑴分部(子分部)工程施工方案长期短期 B 无表式⑵分项工程质量技术交底卡短期短期 B GD2301003 3-2-1-2施工现场准备资料⑴挖填前后原地形测量记录网格图长期长期短期 A GD2301SZ002⑵工程基线复核表长期长期长期 A GD2301001⑶单位工程座标定位测量记录永久长期长期 A GD2301002 3-2-1-3施工记录⑴水泥土搅拌桩施工记录表长期长期长期 A GD2301026⑵水泥搅拌桩供灰记录表长期长期长期 A GD2301027⑶水泥土搅拌桩施工记录汇总表长期长期长期 A GD2301028⑷排水插板施工记录长期长期长期 A GD2301SZ006⑸振冲桩施工记录长期长期长期 A GD2301SZ007⑹喷、射混凝土施工记录长期长期长期 A GD2301SZ009⑺沉井(箱)施工记录长期长期长期 A GD2301SZ008⑻沉井下沉完毕检查记录长期长期长期 A GD2301022⑼地基基坑(槽)开挖、施工检查记录长期长期长期 A GD2301030 ⑽地基基坑(槽)回填施工检查记录长期长期长期 A GD2301031文件序号归档文件名称保管期限和管理流向对应表格城建档案馆建设单位施工单位监理单位设计咨询管理流向⑾土方回填隐蔽工程质量验收记录长期长期长期 A GD2301SZ026 3-2-1-4检验批验收记录⑴地基与基础工程检验批质量验收记录短期 C 检验批验收记录表3-2-1-5施工检(试)验报告⑴击实检验报告长期长期长期 A GD2107002⑵土工试验记录长期长期长期 A GD2107003⑶复合地基载荷试验检测报告长期长期长期 A 无表式⑷地基土载荷试验检测报告长期长期长期 A 无表式⑸地基动力触探试验检测报告长期长期长期 A 无表式⑹水泥搅拌桩轻便触探检验记录表长期长期长期 A GD2301029⑺地基标准贯入试验检测报告长期长期长期 A 无表式3-2-1-6工程质量验收记录⑴工种(工序)间交接质量检查记录表短期 C GD2301063⑵分项工程质量验收记录长期长期长期 A GD25001⑶分部(子分部)工程验收记录长期长期长期 A GD25002SZ3-2-1-7工程材料复试(检)验报告⑴水泥物理性能检验报告长期长期长期 A GD2101001⑵粉煤灰检验报告长期长期长期 A GD2101003⑶外加剂检验报告长期长期长期 A GD2101005⑷砂物理性能检验报告长期长期长期 A GD2101006⑸碎石或卵石检验报告长期长期长期 A GD2101007⑹混凝土拌和用水检验报告长期长期长期 A GD2101008⑺混凝土配合比设计报告长期长期长期 A GD2101009⑻混凝土试件抗折强度检验报告长期长期长期 A GD2101010⑼混凝土抗压强度检验报告长期长期长期 A GD2101011⑽砂浆试件抗压强度检验报告长期长期长期 A GD21010123-2-1-8工程材料复试(检)验结果汇总与计算表⑴砂浆试块核查汇总表及混凝土试块核查汇总表长期长期长期 A GD2301037⑵混凝土试块试验结果汇总表长期长期长期 A GD2301038SZ⑶砂浆试块试验结果汇总表长期长期长期 A GD2301039SZ⑷水泥质保单、复试单汇总表长期长期长期 A GD2301044⑸混凝土抗压强度计算表长期长期长期 A GD2301040SZ⑹砂浆抗压强度计算表长期长期长期 A GD23010413-2-1-9材料、构配件、设备质量证明文件⑴工程材料(半成品)、构件、产品出厂合格证(复印件加盖供货方公章)长期长期 B 无表式⑵工程材料(半成品)检验报告长期长期 B 无表式续表6文件序号归档文件名称保管期限和管理流向对应表格城建档案馆建设单位施工单位监理单位设计咨询管理流向⑶预拌混凝土出厂质量证明书长期长期长期 A GD21010143-2-2地基与基础工程——桩基础工程3-2-2-1分部(子分部)工程施工技术文件⑴分部(子分部)工程施工方案短期短期 B 无表式⑵分项工程质量技术交底卡短期短期 B GD2301003 3-2-2-2施工现场准备资料⑴挖填前后原地形测量记录网格图长期长期短期 A GD2301SZ002⑵工程基线复核表长期长期长期 A GD2301001⑶单位工程座标定位测量记录永久长期长期 A GD2301002 3-2-2-3施工记录⑴锤击沉管混凝土灌注桩工程施工工艺试验记录表长期长期长期 A GD2301008⑵锤击沉管混凝土灌注桩工程施工记录表长期长期长期 A GD2301009⑶内击式套管成孔灌注桩施工工艺试验记录表长期长期长期 A GD2301010⑷内击式套管成孔灌注桩施工记录表长期长期长期 A GD2301011⑸锤击式混凝土预制桩、钢桩施工工艺试验记录表长期长期长期 A GD2301012SZ⑹锤击式混凝土预制桩、钢桩施工记录表长期长期长期 A GD2301013SZ⑺静压混凝土预制桩、钢桩施工工艺试验记录表长期长期长期 A GD2301014⑻静压混凝土预制桩、钢桩施工验记录表长期长期长期 A GD2301015⑼挖孔桩成孔检查记录长期长期长期 A GD2301016 ⑽钻(冲、挖)孔桩钢筋笼安装隐藏验收记录表长期长期长期 A GD2301017 ⑾钻(冲)孔桩成孔施工记录长期长期长期 A GD2301018 ⑿护壁泥浆质量检查记录长期长期长期 A GD2301019 ⒀(钻)冲孔桩隐蔽验收记录长期长期长期 A GD2301020 ⒁钻(冲)孔桩地下连续墙灌注水下混凝土记录长期长期长期 A GD2301023 ⒂人工挖孔灌注桩施工资料汇总表长期长期长期 A GD2301024 ⒃钻(冲)孔灌注桩施工资料汇总表长期长期长期 A GD2301025 ⒄土方回填隐蔽工程质量验收记录长期长期长期 A GD2301SZ026 ⒅土方开挖后桩基础复核及桩质量检查表长期长期长期 A GD2301032 3-2-2-4检验批验收记录⑴桩基础工程检验批质量验收记录短期 C 检验批验收记录3-2-2-5施工检测报告⑴基桩竖向抗压静载试验检测报告长期长期长期 A 无表式⑵单桩竖向抗拨静载试验检测报告长期长期长期 A 无表式⑶单桩水平抗压静载试验检测报告长期长期长期 A 无表式⑷基桩钻芯法试验检测报告长期长期长期 A 无表式⑸基桩高应变法试验检测报告长期长期长期 A 无表式文件序号归档文件名称保管期限和管理流向对应表格城建档案馆建设单位施工单位监理单位设计咨询管理流向⑹基桩反射波法试验检测报告长期长期长期 A 无表式⑺基桩声波透射法试验检测报告长期长期长期 A 无表式3-2-2-6工程质量验收记录⑴工种(工序)间交接质量检查记录表短期 C GD2301063⑵分项工程质量验收记录长期长期长期 A GD25001⑶分部(子分部)工程验收记录长期长期长期 A GD25002SZ 3-2-2-7工程材料复试(检)验报告⑴水泥物理性能检验报告长期长期长期 A GD2101001⑵外加剂检验报告长期长期长期 A GD2101005⑶砂物理性能检验报告长期长期长期 A GD2101006⑷碎石或卵石检验报告长期长期长期 A GD2101007⑸混凝土拌和用水检验报告长期长期长期 A GD2101008⑹混凝土配合比设计报告长期长期长期 A GD2101009⑺混凝土试件抗折强度检验报告长期长期长期 A GD2101010⑻混凝土抗压强度检验报告长期长期长期 A GD2101011⑼砂浆试件抗压强度检验报告长期长期长期 A GD2101012 ⑽混凝土抗渗等级检验报告长期长期长期 A GD2101013 ⑾钢筋力学性能、工艺性能检验报告长期长期长期 A GD2102001 ⑿钢筋焊接接头检验报告长期长期长期 A GD2102005 ⒀钢筋机械连接接头拉伸检验报告长期长期长期 A GD2102007 3-2-2-8工程材料复试(检)验结果汇总与计算表⑴砂浆试块核查汇总表及混凝土试块核查汇总表长期长期长期 A GD2301037⑵混凝土试块试验结果汇总表长期长期长期 A GD2301038SZ⑶砂浆试块试验结果汇总表长期长期长期 A GD2301039SZ⑷钢材(钢筋、钢管)质保核查记录表长期长期长期 A GD2301042⑸钢筋(钢材、钢管)连接接头检验报告汇总长期长期长期 A GD2301043SZ⑹水泥质保单、复试单汇总表长期长期长期 A GD2301044⑺混凝土抗压强度计算表长期长期长期 A GD2301040SZ⑻砂浆抗压强度计算表长期长期长期 A GD2301041 3-2-2-9材料、构配件、设备质量证明文件⑴工程材料(半成品)、构件、产品出厂合格证(复印件加盖供货方公章)长期长期 B 无表式⑵工程材料(半成品)检验报告长期长期 B 无表式⑶预拌混凝土出厂质量证明书长期长期长期 A GD21010143-2-3地基与基础工程——地下支护工程13-2-3-1分部(子分部)工程施工技术文件1临时性支护工程A类和B类工程档案统一由建设单位保存。
一、关于发布国家标准《建设工程文件归档整理规范》的通知建标[2002]8号根据我部“关于印发《二000至二00一年度工程建设国家标准制订、修订计划》的通知”(建标[2001]87号)的要求,由建设部会同有关部门共同制订的《建设工程文件归档整理规范》,经有关部门会审,批准为国家标准,编号为GB/T50328-2001,自2002年5月1日起施行。
本规范由建设部负责管理,建设部城建档案工作办公室负责具体技术内容的解释,建设部标准定额研究所组织中国建筑工业出版社出版发行。
中华人民共和国建设部2002年1月10日二、前言本规范是根据我部“关于印发《二000至二00一年度工程建设国家标准制订、修订计划》的通知”(建标[2001]87号)的要求,由建设部城建档案工作办公室会同有关城建档案馆共同编制而成的。
在编制过程中,规范编制组开展了专题研究,进行了比较广泛的调查研究,总结了多年来建设工程文件归档整理工作的经验,参考中华人民共和国国家标准GB/T11822-2000《科学技术档案案卷构成的一般要求》,并以多种方式广泛征求了全国有关单位的意见,对主要问题进行了反复修改,最后经审定定稿。
本规范主要规定的内容有:工程文件的归档范围及质量要求,工程文件的立卷,工程文件的归档,工程档案的验收与移交。
本规范将来可能需要进行局部修订,有关局部修订的信息和条文信息将刊登在《工程建设标准化》杂志上。
为了提高本规范质量,请各单位在执行本规范的过程中,注意总结经验,积累资料,随时将有关的意见和建议寄行为表现建设部城建档案工作办公室(地址:北京三里河路9号,邮编:100835),以供今后修订时参考。
本规范主编单位:建设部城建档案工作办公室。
本规范参编单位:北京市城建档案馆、南京市城建档案馆、重庆市城建档案馆、广州市城建档案馆。
本规范主要起草人:王淑珍、姜中桥、苏文、周健民、周汉羽、蔡艳红。
1 总则1.0.1 为加强建设工程文件的归档整理工作,统一建设工程档案的验收标准,建立完整、准确的工程档案,制定本规范。
1.0.2 本规范适用于建设工程文件的归档整理以及建设工程档案的验收。
专业工程按有关规定执行。
1.0.3 建设工程文件的归档整理除执行本规范外,尚应执行现行有关标准的规定。
说明:1.0.3 建设工程文件归档整理除执行本规范外,尚应执行《科学技术档案案卷构成的一般要求》(GB/T 11822-2000)、《技术制图复制的折叠方法》(GB/10609.3-89)等规范的规定。
电子文件和声像档案的归档整理,按有关规定执行。
2 术语2.0.1 建设工程项目(construction project)经批准按照一个总体设计进行施工,经济上实行统一核算,行政上具有独立组织形式,实行统一管理的工程基本建设单位。
它由一个或若干个具有内存联系的工程所级成。
2.0.2 单位工程(single project)具有独立的设计文件,竣工后可以独立发挥生产能力或工程效益的工程,并构成建设工程项目的组成部分。
2.0.3 分部工程(subproject)单位工程中可以独立组织施工的工程。
2.0.4 建设工程文件(construction project document)在工程建设过程中形成的各种形式的信息记录,包括工程准备阶段文件、监理文件、施工文件、竣工图和竣工验收文件,也可简称为工程文件。
2.0.5 工程准备阶段文件(seedtime document of a construction project)开程开工以前,在立顶、审批、征地、勘察、设计、招投标等工程准备阶段形成的文件。
2.0.6 监理文件(project management document)监理单位在工程设计、施工等监理过程中形成的文件。
2.0.7 施工文件(constructing document)施工单位在工程设计、施工等监理过程中形成的文件。
2.0.8 竣工图(as-build drawing)工程竣工验收后,真实反映建设工程项目施工结果的图样。
2.0.9 竣工验收文件(handing over document)建设工程项目竣工验收活动中形成的文件。
2.0.10 建设工程档案(project archive)在工程建设活动中直接形成的具有归档保存价值的文字、图表、声像等各种形式的历史记录,也可简称工程档案。
2.0.11 案卷(file)由互有联系的若干文件组成的档案保管单位。
2.0.12 立卷(filing)按照一定的原则和方法,将有保存价值的文件分门别类的整理成案卷,亦称组卷。
2.0.13 归档(putting into record)文件形成单位完成其工作任务后,将形成的文件整理立卷后,按规定移交档案管理机构。
说明: 2.0.13 对一个建设工程而言,归档有两方面含义:一是建设、勘察、设计、施工、监理等单位将本单位在工程建设过程中形成的文件向本单位档案管理机构移交;二是勘察、设计、施工、监理等单位将本单位在工程建设过程中形成的文件向建设单位档案管理机构移交。
3 基本规定3.0.1 建设、勘察、设计、施工、监理等单位应将工程文件的形成和积累纳入工程建设管理的各个环节和有关人员的职责范围。
3.0.2 在工程文件与档案的整理立卷、验收移交工作中,建设单位应履行下列职责:1 在工程招标及勘察、设计、施工、监理等单位签订协议、合同时,应对工程文件的套数、费用、质量、移交时间等提出明确要求;2 收集和整理工程准备阶段、竣工验收阶段形成的文件,并应进行立卷归档;3 负责组织、监督和检查勘察、设计、施工、监理等单位的工程文件的形成、积累和立卷归档工作;4 收集和汇总勘察、设计、施工、监理等单位立卷归档的工程档案;5 在组织工程竣工验收前,应提请当地的城建档案管理机构对工程档案进行预验收;未取得工程档案验收认可文件,不得组织工程竣工验收;6 对列入城建档案馆(室)接收范围的工程,工程竣工验收后3个月内,向当地城建档案馆(室)移交一套符合规定的工程档案。
3.0.3 勘察、设计、施工、监理等单位应将本单位形成的工程文件立卷后向建设单位移交。
3.0.4 建设工程项目实行总承包的,总包单位负责收集、汇总各分包单位形成的工程档案,并应及时向建设单位移交;各分包单位应将本单位形成的工程文件整理、立卷后及时移交总包单位。
建设工程项目由几个单位承包的,各承包单位负责收集、整理立卷其承包项目的工程文件,并应及时向建设单位移交。
3.0.5 城建档案管理机构应对工程文件的立卷归档工作进行监督、检查、指导。
在工程竣工验收前,应对工程档案进行预验收,验收合格后,须出具工程档案认可文件。
4 工程文件的归档范围及质量要求4.1 工程文件的归档范围4.1.1 对与工程建设有关的重要活动、记载工程建设主要过程和现状、具有保存价值的各种载体的文件,均应收集齐全,整理立卷后归档。
说明:4.1.1 此条款为确定归档范围的基本原则。
4.1.2 工程文件的具体归档范围应符合本规范附录A的要求。
说明:4.1.2 对《建设工程项目文件归档范围和保管期限表》中所列城建档案馆接收范围,各城市可根据本地情况适当拓宽和缩减。
4.2 归档文件的质量要求4.2.1 归档的工程文件应为原件。
4.2.2 工程文件的内容及其深度必须符合国家有关工程勘察、设计、施工、监理等方面的技术规范、标准和规程。
说明: 4.2.2 监理文件按《建设工程监理规范》(GB503129-2000)编制;市政工程施工技术文件及其竣工接收文件在建设部印发的《市政工程施工技术资料管理规定》(城建[1994]469号)编制,建筑安装工程施工技术文件及其竣工验收文件在建设部没有作出规定以前,按各省有关规定编制。
竣工图的编制应按国家建委1982年[建发施字50号]《关于编制基本建设竣工图的几项暂行规定》执行。
地下管线工程竣工图的编制,应按1995年中华人民共和国行业标准《城市地下管线探测技术规程》(CJJ61-94)中的有关规定执行。
4.2.3 工程文件的内容及其深度必须符合国家有关工程勘察、设计、施工、监理等方面的技术规范、标准和规程。
4.2.4 工程文件应采用耐久性强的书写材料,如碳素墨水、蓝黑墨水,不得使用易褪色的书写材料,如:红色墨水、纯蓝墨水、圆珠笔、复写纸、铅笔等。
4.2.5 工程文件应字迹清楚,图样清晰,图表整洁,签字盖章手续完备。
4.2.6 工程文件中文字材料幅面尺寸规格宜为A4幅面(297mm*210mm)。
图纸宜采用国家标准图幅。
4.2.7 工程文件的纸张应采用能够长期保存的韧力大、耐久性强的纸张。
图纸一般采用蓝晒图,竣工图应是新蓝图。
计算机出图必须清晰,不得使用计算机出图的复印件。
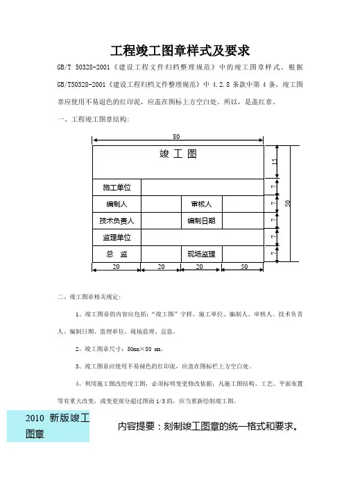
4.2.8 所有竣工图均应加盖竣工图章。
1 竣工图章的基本内容应包括:“竣工图”字样、施工单位、编制人、审核人、技术负责人、编制日期、监理单位、现场监理、总监。
2 竣工图章示例如下(图4.2.8):3 竣工图章尺寸为:50mm*80mm.4 竣工图章应使用不易褪色的红印泥,应盖在图标栏上方空白处。
4.2.9 利用施工图改绘竣工图,必须标明变更修改依据;凡施工图结构、工艺、平面布置等有重大改变,或变更部分超过图面1/3的,应当重新绘制峻工图。
4.2.10 不同幅面的工程图纸应按《技术制图复制图的折叠方法》(GB/10609.3-89)统一折叠成A4幅面(297mm*210mm),图标栏露在外面。
5 工程文件的立卷5.1 立卷的原则和方法5.1.1 立卷应遵循工程文件的自然形成规律,保持卷内文件的有机联系,便于档案的保管和利用。
说明:5.1.1 此条款为立卷的基本原则。
5.1.2 一个建设工程由多个单位工程组成时,工程文件应按单位工程组卷。
5.1.3 立卷可采用如下方法:1 工程文件可按建设程序划分为工程准备阶段的文件、监理文件、施工文件、竣工图、竣工验收文件5部分;2 工程准备阶段文件可按建设程序、专业、形成单位等组卷;3 监理文件可按单位工程、分部工程、专业、阶段等组卷;4 施工文件可按单位工程、分部工程、专业、阶段等组卷;5 峻工图可按单位工程、专业等组卷;6 竣工验收文件按单位工程、专业等组卷。
5.1.4 立卷过程中宜遵循下列要求:1 案卷不宜过厚,一般不超过40mm.2 案卷内不应有重份文件;不同载体的文件一般应分别组卷。
5.2 卷内文件的排列5.2.1 文字材料按事项、专业顺序排列。
同一事项的请示与批复、同一文件的印本与定稿、主体与附件不能分开,并按批复在前、请示在后,印本在前、定稿在后,主体在前、附件在后的顺序排列。
5.2.2 图纸按专业排列,同专业图纸按图号顺序排列。
5.2.3 既有文字材料又有图纸的案卷,文字材料排前,图纸排后。