公司图纸编号规范(终板)
- 格式:docx
- 大小:57.29 KB
- 文档页数:2
图纸图号编号规则引言图纸是工程设计中重要的工具之一,为了方便管理、索引和查找图纸,通常需要为每个图纸分配唯一的图号编号。
图纸图号编号规则可以确保图纸的唯一性,并提供了相关信息,方便人们快速定位图纸。
本文将介绍一种常见的图纸图号编号规则。
图纸图号编号规则概述图纸图号编号规则通常由一系列组成,每个组成部分表示不同的信息。
下面是一个常见的图纸图号编号规则的例子:A/B/C/D/E/F其中,A代表项目编号,B代表子系统或设备编号,C代表图纸类型,D代表图纸序号,E代表版本号,F代表修订号。
项目编号项目编号是用来标识不同项目的唯一序号。
它通常由几个数字组成,根据具体需求可以分配给不同项目。
项目编号可以根据公司的规定进行分配,也可以根据项目的先后顺序进行分配。
子系统或设备编号子系统或设备编号用于标识不同的子系统或设备。
它可以根据工程设计的需求进行分配,也可以根据具体项目的要求进行定义。
子系统或设备编号通常由字母和数字组成,也可以使用符号进行标识,比如使用斜杠(/)分隔不同的子系统或设备。
图纸类型图纸类型用于标识不同类型的图纸,比如平面图、剖面图、细部图等。
它可以使用字母或数字进行标识,也可以使用符号进行表示。
图纸类型通常是根据具体项目的要求和行业标准进行定义的。
图纸序号图纸序号是用于标识同一类型图纸中的不同图纸的序号,通常由数字组成。
图纸序号可以根据工程设计的需要进行分配,也可以根据图纸绘制的次序进行定义。
版本号和修订号版本号和修订号用于标识图纸的版本和修订情况。
版本号通常由数字组成,表示图纸的不同版本。
修订号通常由字母和数字组成,表示图纸在同一版本中的不同修订。
示例下面是一个示例图纸图号编号规则的完整示例:01/002/03/001/Rev.01该图纸图号编号的含义如下: - 项目编号为01 - 子系统或设备编号为002 - 图纸类型为03,表示为细部图 - 图纸序号为001 - 版本号为Rev.01,表示为第一版修订结论图纸图号编号规则是工程设计中的重要工具,它能够保证图纸的唯一性,并提供了相关的信息,方便人们对图纸进行管理和查找。
图纸编号规则文件号:ZH/QE-C06-01版本:A/0受控:编制:日期:审核:日期:批准:日期:2015-3-26发布2015-3-26实施文件修订记录一、目的为规范图纸编号及图纸标题栏的编制方法,统一编号形式和标题栏的使用,特制订本规定。
二、范围本规定适用于公司以下图纸编号的编制和标题栏的使用:1、零部件图纸2、电气图纸3、结构图纸4、安装布置图5、外来图纸6、任务单四、要求1、每种产品、部件、零件的图纸应遵循“一件一号”的原则,均应有独立的编号;2、同一产品、部件及零件的图纸用数张图纸绘出时,各张图纸号应相同。
3、通用件的编号可采用被通用件的图纸编号。
4、本公司出图的外购件、外协件,其图号由本厂给出;外购、外协件由外购、外协单位设计出图要由公司技术质保部给予验证确认,并给出公司内部图号。
5、产品开发中如出现零、部件相互借用时,图纸的编号应按最先开发的产品图纸编号为准,借用关系应借用最先开发的产品,不准间接借用。
6、产品中通用性高,使用范围较广的零部件应尽快转换为通用件。
技术部门应编制通用件目录和通用件图册,供相关部门查阅使用。
相关部门负责设计变更的申请与确认,并依技术部发布的设计变更通知单内容配合相关工作的实施与落实。
五、图纸编号的编制规则1、电气图纸编号规则电气图纸编号按产品名称分类编号的方法进行编号,分类编号其代号的基本部分由图纸识别码、特征号(图纸分类代码)、分类号(产品分类码)、识别号(产品零部件顺序号)四部分组成。
图纸编号区位及含义图纸分类含产品合同记录编号(《技术部工作流程记录表》编号)和图纸年份。
产品类别代码见表1。
表1产品类别代码图纸分类代码用短横线隔开,用于同一项目中相同产品的不同图纸中图号的区分,采用数字、字母或数字加字母的形式进行编号;图纸序号用短横线隔开,编号从01开始,依次顺延。
图纸的初始版本号为A,第一次改动,其版本号为B,第二次改动版本号为C,依次顺延。
(图纸版本号体现在标题栏内)电气图纸编号示例:ZH15001GY-01-01图纸顺序号图纸分类代码产品类别代码合同记录号图纸年份企业代号2、结构图纸编号规则结构图纸分为标准图纸和非标准图纸,标准图纸可以用于不同项目相同产品的设计中,非标准图纸需要针对不同项目进行新的设计。
图纸编号规则文件号:ZH/QE-C06-01版本:A/0受控:编制:日期:审核:日期:批准:日期:2015-3-26发布2015-3-26实施文件修订记录修订日期变更前版本变更后版本变更内容摘要修订者审核批准A/0 初版发行一、目的为规范图纸编号及图纸标题栏的编制方法,统一编号形式和标题栏的使用,特制订本规定。
二、范围本规定适用于公司以下图纸编号的编制和标题栏的使用:1、零部件图纸2、电气图纸3、结构图纸4、安装布置图5、外来图纸6、任务单四、要求1、每种产品、部件、零件的图纸应遵循“一件一号”的原则,均应有独立的编号;2、同一产品、部件及零件的图纸用数张图纸绘出时,各张图纸号应相同。
3、通用件的编号可采用被通用件的图纸编号。
4、本公司出图的外购件、外协件,其图号由本厂给出;外购、外协件由外购、外协单位设计出图要由公司技术质保部给予验证确认,并给出公司内部图号。
5、产品开发中如出现零、部件相互借用时,图纸的编号应按最先开发的产品图纸编号为准,借用关系应借用最先开发的产品,不准间接借用。
6、产品中通用性高,使用范围较广的零部件应尽快转换为通用件。
技术部门应编制通用件目录和通用件图册,供相关部门查阅使用。
相关部门负责设计变更的申请与确认,并依技术部发布的设计变更通知单内容配合相关工作的实施与落实。
五、图纸编号的编制规则1、电气图纸编号规则电气图纸编号按产品名称分类编号的方法进行编号,分类编号其代号的基本部分由图纸识别码、特征号(图纸分类代码)、分类号(产品分类码)、识别号(产品零部件顺序号)四部分组成。
图纸编号区位及含义区位1图纸识别码2分类号3特征号4识别号含义图纸分类加企业代码产品类别代码图纸分类代码产品图纸顺序号图纸分类含产品合同记录编号(《技术部工作流程记录表》编号)和图纸年份。
产品类别代码见表1。
表1产品类别代码产品代号产品名称代号产品名称GY 高压柜XB 箱式变电站DY 低压柜、配电柜、HW 高压环网柜三箱类图纸分类代码用短横线隔开,用于同一项目中相同产品的不同图纸中图号的区分,采用数字、字母或数字加字母的形式进行编号;图纸序号用短横线隔开,编号从01开始,依次顺延。
前言本标准为XXXXX制造企业技术标准。
本标准由技术质保部提出。
本标准主要起草人:XXX。
本标准由总工程师XXX审核、批准。
本标准自2011年12月起实施。
1.目的与围为规产品图样编号的编制方法,统一编号形式,使图样编号具有隶属性,便于查询、使用,特制订本规定。
本规定适用于公司所有产品图样编号的编制。
2.引用标准下列标准所包含的条文,通过在本标准中引用而构成为本标准的条文。
本标准出版时,所示版本均为有效:(1)/T5054.1-2000《产品图样及设计文件总则》(2)/T5054.4-2000《产品图样及设计文件编号原则》(3)/T5054.8-2001《产品图样及设计文件通用件管理办法》(4)/T5054.9-2001《产品图样及设计文件借用件管理办法》3.名词术语(1)借用件:借用件是在采用本企业已有产品隶属编号的图样中,使用已有产品的组成部分。
(2)通用件:在不同类型或同类型不同规格的产品中具有互换性的零部件。
(3)外购件:外购件是本企业产品及其组成部分中,采购其它企业的产品。
(4)外协件:是本企业产品图样委托其他企业加工制作的零部件或整机。
4.基本要求3.1每种产品、部件、零件的图样应遵循“一件一号”的原则,均应有独立的编号;3.2采用表格图时,表中每种规格产品、部件、零件都应标出独立的图号。
3.3同一产品、部件及零件的图样用数图纸绘出时,各图样号应相同。
3.4同一CAD文件使用两种以上的存储介质时,每种存储介质中的CAD文件都应标注同一图号3.5本公司出图的外购件、外协件,其图号由本厂给出;外购、外协件由外购、外协单位设计出图要由公司技术质保部给予验证确认,并给出公司部图号。
3.6对图样设计引用的国家标准件,仍按相应国家标准给出名称、及编号,引用标准要收集入档备查。
3.7产品开发中如出现零、部件相互借用时,图样的编号应按最先开发的产品图样编号为准,借用关系应借用最先开发的产品,不准间接借用。
"^展浩电气包头市展浩电气股份有限公司2015-3-26 发布 2015-3-26 实施图纸编号规则文件号:ZH/QE-C08-07版本:A/0受控: 编 制: 日 期: 审 核:日期:批准:日 期:文件修订记录、目的为规范产品图样编号及图纸标题栏的编制方法,统一编号形式和标题栏的使用,特制订本规定。
二、范围本规定适用于公司以下产品图样编号的编制和标题栏的使用:1、产品零部件图纸2、电气图纸3、结构图纸4、安装布置图四、要求1、每种产品、部件、零件的图样应遵循“一件一号”的原则,均应有独立的编号;2、同一产品、部件及零件的图样用数张图纸绘出时,各张图样号应相同。
3、通用件的编号可采用被通用件的图纸编号。
4、本公司出图的外购件、外协件,其图号由本厂给出;外购、外协件由外购、外协单位设计出图要由公司技术质保部给予验证确认,并给出公司内部图号。
5、产品开发中如出现零、部件相互借用时,图样的编号应按最先开发的产品图样编号为准,借用关系应借用最先开发的产品,不准间接借用。
6、产品中通用性高,使用范围较广的零部件应尽快转换为通用件。
技术部门应编制通用件目录和通用件图册,供相关部门查阅使用。
相关部门负责设计变更的申请与确认,并依技术部发布的设计变更通知单内容配合相关工作的实施与落实。
五、产品图样编号的编制规则1、电气图纸编号规则电气图纸编号按产品名称分类编号的方法进行编号,分类编号其代号的基本部分由图样识别码、特征号(图纸分类代码)、分类号(产品分类码)、识别号(产品零部件顺序号)、尾注号(图纸版本号)五部分组成。
图样编号区位及含义图样分类含产品合同记录编号(《技术部工作流程记录表》编号)和图纸年份。
表1产品类别代码图纸分类代码用短横线隔开,用于同一项目中相同产品的不同图纸中图号的区分,采用数字、字母或数字加字母的形式进行编号;产品图纸序号用短横线隔开,编号从01开始,依次顺延。
尾注号需用短横线隔开,图纸第一次改动,其版本号为A,第二次改动版本号为B, 依次顺延。
第1条 目的
为公司各种设计图纸文件的管理、发放、使用的有序和控制。
第2条 范围
适用公司的所有设计图纸文件。
第3条 职责
责任人负责编制、修改,项目负责人负责审核,总经理负责批准。
第4条 编码规则及结构
*** *** -***. ***.***- ***
总装图 ***-00 例如: 20吨路强仪 LQY20T-00
总装图里面的零件***-00-*** 例如: 螺丝 LQY20T-00-001
一级部装图 ***-** 例如: 轴承盖(20T )
LQY20T-01
一级部装图里面的零件 ***-**-*** 例如: 螺丝 LQY20T-01-001
二级部装图 ***-**.** 例如: LQY20T-01.01
二级部装图里面的零件***-**.**-*** 例如: LQY20T-01.01-001
以此类推
第5条文件保存命名规则
Solidworks文件保存命名规则:图号+图纸名称
Solidworks标准件保存命名规则:标准代码+名称+型号规格Solidworks外购件保存命名规则:型号代码
第6条本规则有设计部负责制定、解释,报总经理批准后执行,修改时亦同。
第7条本规则自颁布之日执行。
图纸图号编制要求
1.总则:
本公司图纸及有关技术文件的图号需按照规定的要求编制,图号共由:
三部分组成。
每部分的详情分别按下列要求执行。
2.编制部门:
该部分由编制图纸或技术文件的部分代号组成,本公司的主要部门代号分别为:
技术科———HJS 船体车间———HCT
质检科———HZJ 机电车间———HJD
船坞车间———HCW 涂装车间———HTZ
动力设备科———HDS 规划建设科HGJ 注:其余需出图部门相应编号在技质部备案。
3.产品工程编号:
该部分由公司工程的工程编号组成,如威航之星船修理的工程编号为VR0672A,则该工程图纸第二部分由VR0672A 组成。
4.类别、序列号:
类别分为总体、船体、机械、电器、涂装等部分,代号分别为Z、C、J、D、T等。
序列号由所编制图纸或技术文件的序列号组成,序列号由
00~99两位数组成。
5.示例:
由技术科编制的威航之星船修理工程轮机部分图纸,图号为第8份,则该图图号为:
HJS—VR0672A—J08。
`前言本规则是公司质量体系文件中的作业文件,为推行实施《文件和资料控制程序》而编制。
本规则由公司总工程师办公室提出和归口管理。
本规则负责编订:总工程师办公室。
第1页共5页目录目录1.目的 (1)2.适用范围 (1)3.职责 (2)4.编号规则 (2)第2页共5页1.0目的1.1对公司内技术管理文件、技术标准及工程图纸的编号作出统一规定,以确保各种场所下文件和资料编号的唯一性及可追溯性。
2.0适用范围2.1适用于本公司技术性文件和工程图纸的编号。
3.0定义3.1 技术性文件对需要协调统一的技术事项所制定的文件。
3.2工程图纸工程设计、施工过程中的所有设计的图纸。
4.0编号规则4.1技术文件编号规则4.1.1 技术文件的代号由单位名称代号、文件类别、文件层次代号、发布顺序号和发布年代号组成。
4.1.2 技术文件的编号规则4.1.3“JN”为公司的简写,作为单位名代号,写在文件代号前面,中间用斜线隔开。
4.1.4文件层次代号:用两位阿拉伯数字表示,一层次,质量手册,用“01”表示;二层次,程序文件,用“02”表示;技术文件用“03”表示。
4.1.5发布顺序号:作业文件按质量体系要素顺序及文件发布顺序表示,中间用“.”隔开;程序文件只按质量体系要素顺序表示,质量手册可省略质量要素及发布顺序号。
质量要素及发布顺序号各用两位阿拉伯数字表示。
第3页共5页4.1.6发布年代号用公历年号的数字表示。
4.1.7从属于某一个文件的工作表格,其编号为:4.2工程图纸的编号规则4.2.1 工程图纸的编号有工程号、专业代码、卷册号或区号和流水号组成,一般最后两位是00的为本专业目录图纸4.2.2专业代号:其中专业代号、卷册号、区号有总工程师办公室负责提供。
4.2.3工程号的编写:第4页共5页4.2.4图纸编号的说明有总工程师办公室统一编号。
第5页共5页。
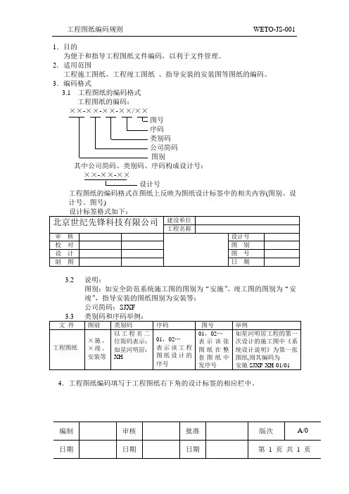
工程图纸编码规则WETO-JS-001 1.目的
为便于和指导工程图纸文件编码,以利于文件管理。
2.适用范围
工程施工图纸、工程竣工图纸、指导安装的安装图等图纸的编码。
3.编码格式
3.1 工程图纸的编码格式
工程图纸的编码:
××-××-××-××/××
图号
序码
类别码
公司简码
图别
其中公司简码、类别码、序码构成设计号:
××-××-××
设计号
工程图纸的编码格式在图纸上反映为图纸设计标签中的相关内容(图别、设计号、图号)
3.2 说明:
图别:如安全防范系统施工图的图别为“安施”,竣工图的图别为“安
竣”,指导安装的图纸图别为安装等;
公司简码:SJXF
4.工程图纸编码填写于工程图纸右下角的设计标签的相应栏中。
图纸编号规则文件号:ZH/QE-C06-01版本:A/0 受控:编制:日期:审核:日期:批准:日期:2015-3-26 发布 2015-3-26 实施文件修订记录一、目的为规范图纸编号及图纸标题栏的编制方法,统一编号形式和标题栏的使用,特制订本规定。
二、范围本规定适用于公司以下图纸编号的编制和标题栏的使用:1、零部件图纸2、电气图纸3、结构图纸4、安装布置图5、外来图纸6、任务单四、要求1、每种产品、部件、零件的图纸应遵循“一件一号”的原则,均应有独立的编号;2、同一产品、部件及零件的图纸用数张图纸绘出时,各张图纸号应相同。
3、通用件的编号可采用被通用件的图纸编号。
4、本公司出图的外购件、外协件,其图号由本厂给出;外购、外协件由外购、外协单位设计出图要由公司技术质保部给予验证确认,并给出公司内部图号。
5、产品开发中如出现零、部件相互借用时,图纸的编号应按最先开发的产品图纸编号为准,借用关系应借用最先开发的产品,不准间接借用。
6、产品中通用性高,使用范围较广的零部件应尽快转换为通用件。
技术部门应编制通用件目录和通用件图册,供相关部门查阅使用。
相关部门负责设计变更的申请与确认, 并依技术部发布的设计变更通知单内容配合相关工作的实施与落实。
五、图纸编号的编制规则1、电气图纸编号规则电气图纸编号按产品名称分类编号的方法进行编号,分类编号其代号的基本部分由图纸识别码、特征号(图纸分类代码)、分类号(产品分类码)、识别号(产品零部件顺序号)四部分组成。
图纸编号区位及含义图纸分类含产品合同记录编号(《技术部工作流程记录表》编号)和图纸年份。
产品类别代码见表1。
表1 产品类别代码图纸分类代码用短横线隔开,用于同一项目中相同产品的不同图纸中图号的区分,采用数字、字母或数字加字母的形式进行编号;图纸序号用短横线隔开,编号从01开始,依次顺延。
图纸的初始版本号为A,第一次改动,其版本号为B,第二次改动版本号为C,依次顺延。
机电公司图纸名称及编号方法文件号: JS-19-01版本:A/0 受控:编制:日期:审核:日期:批准:日期:2019-5-1 发布 2019-5-1 实施文件修订记录一、目的为规范产品图样名称及编号的编制方法,统一名称及编号形式,使图纸具有隶属性,便于查询、使用,特制订本规定。
二、范围本规定适用于公司所有产品图样名称编号的编制:1、外来产品图纸;2、用户测绘图纸;3、标准产品图纸分解零部件图纸。
三、名词术语1、借用件:借用件是在采用公司已有产品隶属编号的图样中,使用已有产品的组成部分。
2、通用件:在不同类型或同类型不同规格的产品中具有互换性的零部件。
3、外购件:外购件是本公司产品及其组成部分中,采购其它企业的产品。
4、外协件:是本公司产品图样委托其他企业加工制作的零部件或整机。
四、要求1、每种产品、部件、零件的图样应遵循“一件一号”的原则,均应有独立的编号;2、同一产品、部件及零件的图样用数张图纸绘出时,各张图样名称及编号应相同。
3、通用件的编号可采用被通用件的图纸编号。
4、产品如出现零、部件相互借用时,图样的编号应按最先出图的产品图样编号为准,借用关系应借用最先出图的产品。
5、所有产品的名称及编号应遵循本行业的规范,公司转化及分解图纸时,原名称及编号不变,另外增加公司及用户代码(或合同号)。
五、产品图样编号的编制方法产品图纸分为标准图纸和非标准图纸,标准图纸可以用于不同用户及合同的相同产品的图纸中,非标准图纸针对不同用户进行新的设计图纸或测绘图纸。
1、非标准图纸编号按产品名称、零件、部件分类编号的方法进行编号,分类编号其代号的基本部分由图样识别号、分类号(产品分类码)、特征号(图纸分类代码或原图号)、识别号(零部件图顺序号)、尾注号(零部件图版本号)五部分组成。
图样编号区位及含义图样分类含产品合同记录编号和图纸年份,特征号为图纸分类代码,用短横线隔开,用于同一项目合同中相同产品的不同图纸中图号的区分,采用数字、字母的形式进行编号。
图纸编码及填写规范技术部汪国平一目的加强对技术部文件、图纸的管理,使设计、工艺文件管理有规可寻,实现资源共享。
二适用范围适用于技术部所有设计、工艺图纸的编码及管理。
三定义本制度所述的技术文件包括产品零件图、装配图、工装、量具图,试制流程图、工艺规程、检验卡片、作业指导书、质量记录、文件资料等。
三主要内容1.软件的使用技术部机械制图统一采用AutoCAD(2D),Solidworks(3D);具体版本由技术部商讨决定。
2.图纸编号规则1)产品编号XX XX X机型号摸腔数量公司代号2)零件图编码规则产品编号:参照1;特征码(可增加):零件图——L;装配图——Z;电路图——D;液压图——Y;气路图——Q;加工工艺图——G;润滑系统——R;装配流程图——P;工装夹具图——J;组成号(可增加):提升机——01;理胚机——02;分胚——03;进胚——04;压胚——05;加温头——06;加温传动——07;加温自转链——08;换道机械手——09;模架——10;机架——11;外罩——12;零件号:从01-99进行编号;3)装配图编码规则产品编号:参照1;特征码:参照2;组成号:参照2;部件号:从01-99进行编号;4)电路、气路、液压图和润滑系统图编码规则产品编号:参照1;特征码:参照2;图号:从01-99进行编号;5)工装夹具图编码规则产品编号:参照1;特征码:参照2;组成号:从01-99进行编号;部件号:零件从01-99进行编号,装配图编号为00;6)加工工艺图编码规则产品编号:参照1;特征码:参照2;特征码:参照2;零件号:从01-99进行编号;7)装配流程图编码规则产品编号:参照1;特征码:参照2;图号:从01-99进行编号;8)标准件不进行编号,但必须写明对应国标、品名及规格等参数;9)在相应的图纸标题栏内必须填写相应的版本号;从A0、A1·····进行编写,以次类推;图纸换版是在图纸有很大改动的情况下,图纸勘误不能算换版。
常用图纸编号规则及图纸要求一、图纸编号规则简介:——说明:1、产品类型:由产品名称的几个主要字母组成;2、产品型号:由产品的主要特征参数+产品型号区分码(A 、B 、C.......Z )组成; 例:“20”其后面没有区分码表示基本型,“20A ”表示A 型;3、一级装配件:总机装配下的第一级子装配件,可编范围“01.....99”; 例:“CNFSQH20-010000-0000”表示总机装配下的第一个子装配件;4、二级装配件:一级装配件下的子装配件,可编范围“1.....9”; 例:“CNFSQH20-011000-0000”表示总机装配下第一个子装配件下的第一个子装配件;5、一级焊接件:总机装配或一级、二级装配件下的第一级子焊接件,可编范围“01.....99”; 例:“CNFSQH20-010010-0000”表示总机装配下第一个子装配件下的第一个子焊接件;6、二级焊接件;一级焊接件下的子焊接件,中编范围“1.....9”; 例:“CNFSQH20-010012-0000”表示总机装配下第一个子装配件下的第一个子焊接件的 第二个子焊接件;7、零部件区分代码:当该图表示的为零件时用“1”表示,当该图表示的为装配件或焊接件 时用“0”表示;8、零件代码:各装配件或焊接件下的零件,可编范围“01.....99”; 例:“CNFSQH20-010000-1010”表示总机装配下的第一个子装配件下的第一个零件;9、版本代码:产品定型后有部件或零件需要进行设计更改时,通过改变该数字进行区分, 可编范围“1.....9” 例:“CNFSQH20-010000-1011”表示总机装配下的第一个子装配件下的第一个零件的第 一次更改版本; 二、图纸要求;产品类别代码产品类别代码一级装配件代码二级装配件代码一级焊接件代码二级焊接件代码零部件区分代码零件代码版本代码1、图框要求a、标题栏b、阶加栏c、代号栏d、分区e、装订线2、标题栏要求a、企业名称:兴之源环保科技有限公司b、图号:左上角、右下角均有图号c、名称d、材料e、比例f、重量3、明细栏要求a、材料b、名称c、重量d、数量e、外购件备注栏内注明“品牌”,借用件备注栏内注明“借用”,无图件在备注栏内注明“无图”4、其他要求a、字体:GB宋体b、各线条颜色:待定c、版本:CAD 2004版。
图纸(图号)编码规则1、目的为公司各种设计图纸文件的管理、发放、使用的有序和控制。
2、适用范围适用公司的所有设计图纸文件。
3、职责和权限责任人负责编制、修改,项目负责人负责审核,经理室负责批准。
4、编码规则和结构:4.1 PCB、电路图图纸:4.1.1 类别ZP——主板DY——电源板AJ——按键板QD——驱动板GYT——高压条JS——接收板SN——声纳板ZJ——转接板LED——LED灯条SD——SD卡线路板FK——原理方框图FA——安装方案图4.1.2 序列号按画图的顺序编号4.1.3 版本号根据图纸的更改变动依次用数字升版。
例:第一版01,第二版02。
4.2 CAD图纸4.2.1 类别WK——外壳图(外观)QK——前壳HK——后壳CB——侧面壳或侧面安装板BK——边框BB——后壳背包XJ——小角AZ——安装板、隔离板、尾板、挡板DZ——底座、支架AJP——按键皮 BL——玻璃PM——泡沫ZX——纸箱XL——纸箱丝印NH——内盒、内垫、隔板MJ——模具、治具、夹具BQ——标签、标贴、铭牌、保修卡、合格证DX——导线FS——防水圈YP——压片SR——耳朵螺母OT——其它(除以上列的以外的)4.2.2 序列号按画图的顺序编号。
4.2.3 版本号根据图纸的更改变动依次用数字升版。
例:第一版01,第二版02。
5、相关文件《技术文件管理规定》6、质量记录《文件管理单》《文件发放/回收记录》。
公司设计图纸编号管理规范1 制定目的本规范规定了公司硬件研发中涉及到的各种设计图纸编号规则,主要目的是为电子和机械的设计工程师提供必需遵循的规则和约定,提高硬件设计的设计质量和设计效率,以及提高设计图纸的可维护性和可管理性。
2 适用范围本规范适用于公司硬件研发中设计到的电子方面和机械方面的图纸,主要包括:硬件原理图、印制电路板图(PCB)、机械原理图、机箱丝印图以及安装装配图。
3 编号方法1、设计文件的编号由企业代号、产品名称缩写、公司硬件产品编号、文件简号以及图纸序号组成2、图纸编号示例如下所示:Q/XX.XXXXXX.XXX.XX-XXXQ/XX:企业标准及公司标识XXXXXX:产品型号“-”后的所有字符XXX:硬件产品编号XX:DL(电路)、PB(PCB)、SY(丝印)、JX(机械)、AZ(安装)-XXX:图纸序号,000~9994 标题规范1、每张设计图纸都必须有标题栏2、标题栏位于设计图纸的右下角3、电路设计图标题栏格式:4、机械设计图标题栏格式:5、标题栏中需注明文件的编号、文件的名称、规定的材料以及设计的公差5 审核和批准1、图纸设计好后,由设计者签名,并且交由部门经理审核;2、审核通过后,由部门经理签字,交由总工程师批准;3、经过总工程师批准的图纸才正式生效;6 修改与变更1、经过更改的图纸需要填写“更改记录栏”,包括“标记”、“数量”、“更改单号”、“签名”和“日期”2、“标记”填写更改标记;3、“数量”填写同一更改标记下的更改数量;4、填写更改通知单的“更改单号”5、需要更改人签名和填写更改日期7 存储和管理1、设计图纸按产品目录存储,采用SVN管理;2、研发组的成员才有“读写”权限;3、由硬件部负责管理;4、每个产品的根目录下有一个设计图纸的“总装表”,里面详细列表有该产品的各种设计图纸;5、总装表的示例如下:。
DIG图纸、资料的编号管理要求
为规范公司技术出图,方便图纸管理,并适应今后三维制图的出图的要求,特将公司图纸编号方式要求如下。
1、编号构成:
项目编号+图纸类别编号+图纸编号
2、编号说明
编号共七位,用字母和数字表示:
○1、项目编号:公司每一个出图项目都有一个唯一的项目编号,项目编号由技术
部向公司申请。
项目编号由三位数组成,第一位采用字母表示,后两位采用数字表示,按顺序编号排序,
即;A01-A99,
B01-B99
……
Z01-Z99;
按26位英文字母顺序排列。
○2、图纸类别编号:该栏定义图纸的类别,采用英文大写字母按顺序标注。
具体规定如下:
A—机械图纸
B—电气图纸
C—液压、气动图纸
D—设计方案图纸
E—设备地基图纸
F—工装
G—设备说明书、图纸资料
H—操作规程图纸资料
I—包装、运输图纸资料
J---备品备件
……
○3、图纸编号:该号码是项目中的图纸的零件编号,由3位到4位数字组成。
即:1000张以内项目。
从000-999;3位数字组成;
10000张以内项目。
0000-9999;4位数字组成
为了适应SolidWorks三维出图零件编号不得重复要求,出图可按顺序编
制零件编号。
特别规定:000和0000作为总装图专用,零件图和部件图编号不得占用;
3、编号示例:
如公司摩擦搅拌焊项目,技术部想公司申请的项目号为A01。
则:
机械图纸编号为A01A000—A01A999
电气图纸编号为A01B000—A01B999
方案图纸编号为A01D000—A01D999
……
备品备件编号为A01J000—A01J999
其余依此类推;
4、图纸编号使用和图纸存档规范:
(1)编号使用规范:
每个项目开始,技术部都将申请一个项目号,并将此号交给项目的主管设计者,再由主管设计者酌情为每位设计者进行分配号段;为避免重号,每一位设计者的编号都不得超出主管设计者给定的范围;如分配的号段不够用,则要告知主管设计者,并由主设计另行再给空白号段进行编号。
为适应SolidWorks三维制图习惯,应每出一张图纸就给图纸规定一个图号;出图时,在装配图中,要求零件序号的引线按照顺时针方向顺序排布,明细表中“序号”一栏从下往上递增,“代号”栏中的图号可以无序排列。
为看图和查阅的方便,每个项目图纸完成后,设计者必须给出一张图纸清单,该清单要求显示出图纸的从属关系。
(2)、图纸存档规范:
技术部所有图纸都要求按照规定进行存档,要求文件目录明确,路径清晰。
其存档文件名采用统一的“代号+名称”的格式进行存档。
例如:代号为A01A008的零件,零件名为:传动轴。
则存档的模型的文件名为:A01A008传动轴.sldprt
CAD二维图纸为:A01A008传动轴.dwg
DIG自动化工程(武汉)有限公司技术部
2013.5.10。