图纸,文件编号规定的企业标准--2017-05-31
- 格式:doc
- 大小:637.50 KB
- 文档页数:18
为了更好管理公司的产品及模具图纸在生产过程中更好配合生产及以后图纸更改发挥作用,特制定技术图纸编号及管理的办法。
1、产品图纸编号:说明:××:表示客户的编号,以客户名称前两个汉语拼音字母表示。
××:产品类别用产品名称的两个汉语拼音字母表示。
×:图纸的类型:A:为技质部制作产品图纸 B:为外来产品图纸×××:图纸的编号,产品的图纸编号:如;001、002、003……;(×)表示图纸的版式本 1、模具图纸编号:说明:××:表示客户名称,以客户名称前两个汉语拼音字母表示(如:MD表示美的)。
××:模具编号(如:2004001表示2004年第1套模具)×:图纸的类型(如:装配图用P,散件图用S)××:图纸的版本号(如:A-00(01、02))2、图纸修改状态的规定: 2.1每个产品都只需一个图纸编号。
3、 3、技术图纸管理办法及要求3.1 图纸按一定比例绘制,图面应保持清晰、整洁、完整,不能无数据或数据不清楚或者图纸在复印时造成图面不详、数据不明时,生产部或外加工方应及时向技质部索取完整的图纸。
3.2 图纸应包括如下的资料:3.2.1制作的公差大小及零部件表面粗糙度。
3.2.2制作的要求应明确。
3.2.3图纸必须用三视图绘制,特殊符号应清晰、符合标准。
3.2.4标题栏应注明零件的规格,绘制的日期,图纸的名称、用量、比例、材质及表面处理、热处理,图纸编号及页数等一些相关内容。
3.2.5标题栏的左边应有设计人、审核人、批准人的签名处。
4、图纸的发放及生效:4.1图纸发放之前应由技质部加盖受控章以后方可生效。
由技质部分发给各部门;4.2图纸发到各部门后,当各部门需再一次复印分发给部门的人员使用时,各部门必须向技质部报告复印的数量,再分发下去,并做好相关的记录。
无锡新大力电机有限公司文件编号:XDL-QP-C01-01产品图纸、物料编号规定2017-05-31发布2017-05-31实施本规定由无锡新大力电机有限公司技术部发布1. 范围本文本规定了本公司产品图纸、物料的编号方法。
本文本适用于本公司产品图纸、物料的编号。
2. 引用标准JB/T 5054.4-2000 产品图样及设计文件编号原则JB/DQZ 0133.9 电工产品图样及技术文件编制导则产品图样及技术文件十进位分类编号法3. 一般要求3.1 每个产品、部件、零件的图样和文件均应有独立的代号。
3.2 采用表格图时,表中每种规格的产品、部件、零件都应标出独立的代号。
3.3 同一文件使用两种以上的存储介质时,每种存储介质中的文件都应标注同一代号。
3.4 借用件的编号应采用被借用件的代号。
3.5 所有编号若无特殊说明,均应紧密书写。
4. 图样编号4.1 图样编号采用分类编号的方法,即按对象(产品、零部件)功能、形状的相似性,采用十进位分类法进行编号。
4.2 产品组装表编号由产品类别号、产品系列号、中心高、流水号和派生顺序号五个部分组成。
4.3 产品零部件号由产品类别号、分类号、零部件特殊号、中心高和顺序号五个部分组成。
4.4 各级的内容规定见表1。
表1 产品类别号表2 产品系列号表3 产品特征号4.5 代号的组成主要是基本代号系统。
4.5.1 产品(组装表)基本代号系统的代号由五部分组成;a)产品类别号(见表1);b)产品系列号(见表2);c)电机中心高;d)流水号;e)泒生顺序号(基准序号为“000”)。
4.5.2 排列顺序如下:1 2 1 6 0 0 0 0 3 0 0 6说明:1)第一位“1”代表:电机总装配2)第二位“2”代表:变频电机3)第三~五位“160”代表:电机中心高1604)第六~九位“0003”代表:第3个产品流水号5)第十~十二位“006”代表:在160基础上泒生出的第6个系列,即YZPE + M4.5.3 零部件基本代号系统的代号由四部分组成;a)产品类别号(见表3);b)产品分类号(见表3);c)零部件特征号(见表3);d)中心高d)流水号;4.5.4 排列顺序如下:3 1 1 1 6 0 0 1 2 3说明:1)第一位“3”代表:结构件2)第二位“1”代表:机座3)第三位“1”代表:B3、铸件加工件4)第四~六位“160”代表:中心高1605)第七~十位“123”代表:第123个零部件流水号5. 设计文件的编号5.1 常用的(或专用的)设计文件代号,可由产品(或工件)的图样代号之后加上说明该文件性质的尾注号(用二个可三个汉语拼音字母表示)组成。
图纸编码及管理制度第一章总则第一条为了规范图纸编码及管理工作,提高工程施工效率,保证工程质量,制订本制度。
第二条本制度适用于所有涉及图纸编码及管理的工程项目,适用范围包括设计、施工、监理等各个环节。
第三条图纸编码及管理应遵循合理性、规范性、实用性和完备性的原则,确保图纸信息的准确性和一致性。
第四条各项目部门应根据工程实际情况,结合本制度制定相应的操作规程,并严格执行。
第五条图纸编码及管理工作应由专人负责,确保图纸的准确性和保密性。
第二章图纸编码第六条图纸编码是根据工程项目的实际需求对图纸进行编号管理的过程。
第七条图纸编码应遵循“工程代号+年份+编码”的原则,确保图纸编码的唯一性和规范性。
第八条图纸编码的规则包括以下几个方面:(一)工程代号:由工程项目的类型、地点、项目名称等信息组成,用于区分不同的工程项目。
(二)年份:表示图纸编码的年份,以便对图纸进行分类和管理。
(三)编码:根据工程建设的不同阶段、不同专业等信息对图纸进行分类编号。
第九条图纸编码应在图纸制作阶段确定,由专人负责统一管理,确保图纸编码的正确性和有效性。
第十条图纸编码应根据项目的实际情况进行调整,确保图纸信息的及时更新和管理。
第三章图纸管理第十一条图纸管理是指对图纸进行收集、整理、存档、传递等管理活动的过程。
第十二条图纸管理应遵循“一图一档、分类存档、保密存储、定期更新”的原则,确保图纸信息的安全性和可靠性。
第十三条各项目部门应制定相应的图纸管理规程,明确图纸管理人员的职责和权限,实行专人管理。
第十四条图纸管理包括以下几个方面:(一)图纸收集:在图纸制作阶段对图纸进行收集整理,并按照编码进行分类存放。
(二)图纸传递:确保图纸信息的传递顺畅,及时传达给相关部门或人员。
(三)图纸存档:对图纸进行规范存放,确保图纸信息的安全性和完整性。
(四)图纸更新:定期对图纸进行检查和更新,确保图纸信息的及时更新和管理。
第十五条图纸管理应定期开展检查和评估工作,确保图纸管理工作的有效性和规范性。
产品图样及设计⽂件编号规则1.⽬的为了统⼀产品图纸、设计⽂件的编号,便于公司内外的交流、协作,对图纸编号⽅法进⾏科学、合理的规定。
2. 范围本⽅法适⽤于公司所有图纸、设计⽂件的编号。
2.引⽤标准GB/T5054.4-2000 产品图样及设计⽂件编号原则GB/T17601.1-1989 技术制图标题栏GB/T14689-1993 技术制图图纸幅⾯和格式GB/T10609.2—1989 技术制图明细栏GB/T14690-1993 技术制图⽐例GB/T14691-1993 技术制图字体GB/T17450-1998 技术制图图线4. 总则4.1 每个产品、部件、零件的图样均应有独⽴的代号;4.2 采⽤表格图时,表中每种规格的产品、部件、零件都应标出独⽴的代号;4.3 同⼀产品、部件、零件的图样⽤数张图纸绘制时,各张图样标注同⼀代号;4.4 公司已有产品图纸的编号不变,⾃本标准实施之⽇起,新产品图纸按本标准编号;4.5 顾客原始设计的产品图纸采⽤外来⽂件的编号进⾏登记,当须对图纸进⾏转化时,零件图采⽤其原始编号不变,且应在标题栏正上⽅注明是依据顾客提供图纸进⾏重新绘制。
5. 图纸的编号5.1 基本符号图纸编号⼀般可采⽤下列字符:——0~9 阿拉伯数字;——A~Z 拉丁字母(O、I 除外);——短横线。
5.2 编号的组成5.2.1 本公司图纸按⾪属关系编号,⾪属编号是按产品、部件、零件的⾪属关系编号,⾪属编号其代号由产品代号和⾪属号组成。
5.2.2 ⾪属编号由数字组成。
产品代号占两位(由“01—99”表⽰)。
部件代号占四位,最多分四级,第⼀位代表⼀级部件,第四位代表四级部件(每⼀位由数字“1—9”表⽰,如只有两级部件,其后两位⽤“0”表⽰)。
零件代号占三位(由“001—999”表⽰,“000”表⽰部件)。
部件代号与零件代号中间⽤短横线隔开。
5.2.3 特征码由客户产品代号表⽰,基础型产品可以不带特征码。
特征码由字母和数字组成,码位不超过 8 位,如SX2190N车型其特征号为“SX2190N”。
产品图样、技术文件及工艺文件编号规定1 范围本部分规定了我公司开关电器设备产品的产品图样中的零部件标准名称、定义及其编号方法,同时规定了开关电器设备产品及其零部件在企业PDM管理系统中的编码原则。
本部分适用于开关电器设备产品的所有图样及相关技术文件的名称、编号的制定,以及适用于产品和零部件物料在PDM系统中的编码。
2 规范性引用文件下列文件中的条款通过本部分的引用而成为本部分的条款。
凡是注日期的引用文件,其随后所有的修改单(不包括勘误的内容)或修订版均不适用于本部分,凡是不注日期的引用文件,其最新版本适用于本部分。
3 开关电器设备图样和技术文件编号规则3.1图样编号有12位,形式如下:(其中“XDB”为企业代号)□XDB.□□□.□□□顺序号特征号类别号3.1.1类别号:表示图样类别,由一位数组成,具体如下:0类:主要用于技术文件。
2类:主要用于断路器、隔离开关、接地开关、负荷开关、特殊手车的总装图样。
3类:主要用于开关柜的总装图样,2类规定的总装图样代号可以出现在本类的总装图样中。
5类:主要用于2、3类规定的总装的部件图样。
8类:主要用于2、3、5类规定的零件图样。
3.1.2特征号:表示零部件用于具体位置的特征代号,由三位数组成。
具体对应关系见表1。
3.1.3顺序号:用以确定在该特征代号范围内的具体编号顺序,从三位数000开始,到三位数999结束。
3.2设计文件编号规则设计文件的编号采用在相应的产品总装图编号后加尾注号组成。
a.文件目录在产品总装图编码后加“WM”组成。
b.明细表在产品总装图编码后加“MX”组成。
3.3工艺文件编号规则工艺文件的编号采用在相应的产品图样编号后加尾注号组成。
a.工艺过程卡在产品图样编码后加“GK”组成。
b.关键工序装配工艺卡在产品总装图样编码后加“GJK”组成。
c.检验卡在产品图样编码后加“JK”组成。
表1 电器设备图样名称定义及其特征分类号表1(续一) 电器设备图样名称定义及其特征分类号表1(续二) 电器设备图样名称定义及其特征分类号表1(续三) 电器设备图样名称定义及其特征分类号表1(续四) 电器设备图样名称定义及其特征分类号表1(续五) 电器设备图样名称定义及其特征分类号表1(续六) 电器设备图样名称定义及其特征分类号表1(续七) 电器设备图样名称定义及其特征分类号表1(续八) 电器设备图样名称定义及其特征分类号表1(续九) 电器设备图样名称定义及其特征分类号表1(续十) 电器设备图样名称定义及其特征分类号4.开关电器设备非标产品设计图样和技术文件编号规则4.1图样编号规则图样编号由13位十进制数字和英文字母分3段构成,形式如下:(其中“XDB”为企业代号)□XDB.□□□.□□□ G非标标记顺序号特征号类别号4.1.1类别号:表示图样类别,由一位数组成,具体如下:0类:主要用于技术文件。
Q/FLT企业标准编号、格式编写规范开发有限公司发布目次前言 (II)1 范围 (1)2 规范性引用文件 (1)3 标准的格式和编写要素 (1)4 企业标准的编号 (1)5 附则................................................................ 错误!未定义书签。
企业标准编号编制说明 (7)前言为进一步加强公司标准化管理,规范企业标准的编写,建立有效的企业标准体系,特制定本标准。
本标准自2006年12月01日起实施。
企业标准编号、格式编写规范1 范围本标准规定了本公司企业标准的格式、编写要求及企业标准的编号规则。
本标准适用于本公司对搜集的国家法律、法规、外来标准的编码和企业标准的编写及编号。
2 规范性引用文件下列文件中的条款通过本标准的引用而成为本标准的条款。
凡是注日期的引用文件,其随后所有的修改单(不包括勘误的内容)或修订版均不适用于本标准,然而,鼓励根据本标准达成协议的各方研究是否可使用这些文件的最新版本。
凡是不注日期的引用文件,其最新版本适用于本标准。
GB/T 1.1-2000 标准化工作导则第1部分:标准的结构和编写规范GB/T 1.2-2002 标准化工作导则第2部分:标准中规范性技术要素内容的确定方法QP-4.2.3-2003《文件控制程序》质量管理体系3 标准的格式和编写要素企业标准的格式和编写要素,按GB/T 1.1-2000 及 GB/T 1.2-2002 规定执行。
4 企业标准的编号4.1 本公司企业标准代号为Q/FLT。
4.2 技术标准编号表达形式4.2.1 技术标准编号表达方式Q/FLT JXXXX - XXXX批准年代号(四位阿拉伯数字)顺序号(二位阿拉伯数字)技术标准类别代号(见表1)技术标准代号(大写拼音字母“J”)本公司企业标准代号(大写拼音字母)4.3 管理标准编号表达形式Q/FLT GXXXX – XXXX批准年代号(四位阿拉伯数字)顺序号(两位阿拉伯数字)管理标准类别代号(见表2)管理标准代号(大写拼音字母“G”)本公司企业标准代号(大写拼音字母)表 2 管理标准类别代号说明:本公司销售服务过程中,不涉及任何安装行为,因此特将”安装技术标准”和”安装管理标准”删除4.4 工作标准编号表达形式Q/FLT ZXXXX – XXXX批准年代号(四位阿拉伯数字)顺序号(二位阿拉伯数字)工作标准类别代号(见表3)工作标准代号(大写拼音字母“Z”)本公司企业标准代号(大写拼音字母)表 3 工作标准类别代号4.5 国家法律、法规编号表达形式Q/FLT FXXX – XXXX批准年代号(四位阿拉伯数字)顺序号(三位阿拉伯数字)国家法律、法规代号(大写拼音字母“F”)本公司企业标准代号(大写拼音字母)4.6 本公司所采用的国家标准、行业标准、地方标准,原编号继续有效,根据标准所属类别,按本标准的要求,再赋予该标准一个体系序号。
产品图样及设计文件编号规定版号2014A1、总则1.1本制度规定了产品图样及设计文件编号的办法。
1.2本制度参照相关标准,借鉴同行业其它厂家的经验,结合公司实际情况编制。
2、适用范围2.1本制度适用于公司变压器类产品、电机类产品及工艺守则、工装模具等图样及设计文件的编号。
2.2临时性产品、修理产品可以参照本制度执行。
3、引用标准1)J B/T5054.4-2000 产品图样及设计文件编号原则2)JB/T3837-1996变压器类产品图样编制办法(沈阳变压器研究所)3)鄂Q/XD 401-80产品及其组成的部件、零件和主要文件的编号办法。
4、职责4.1技术开发部部长负责维持本制度的有效运行,必要时作出修改,在适当的时机对产品登记序号重新分区。
4.2设计人员、工艺人员负责按本制度对产品图样及设计文件实施登记和编号。
5、基本要求5.1每个产品、部件、零件的图样及设计文件均应有独立代号。
5.2采用表格图时,表中每种规格的产品、部件、零件均应标出独立代号。
5.3同一产品、部件、零件的图样用数张图纸绘制时,各张图样应标注同一代号,以页码顺序区分。
通用件应有独立代号。
6、分类及编号原则6.1按对象(产品、部件、零件、设计文件)的特征和内容,采用十进制分类进行分类。
6.2十进制分类法,是将需要编号的图样、设计文件等,按其特征、结构或用途分为十级(0-9)。
由级、类、型、种四位数字组成类号(亦称特征代号)。
6.3级0-9级的内容规定如下“0级-技术文件1级-设备和产品(变压器类产品、电机类产品)2级-设备和产品(电器)3级-设备和产品(备用)4级-设备和产品(备用)5级-组件和部件6级-组件和部件7级-(备用)8级-零件9级-(备用)6.4分类6.4.21级-设备和产品6.4.32级-设备和产品6.4.43级和4-设备和产品(略)6.4.55级-组件和部件6.4.66级-组件和部件6.4.77级-组件和部件(备用)6.4.88级-零件7、 代号编制7.1 代号组成产品图样及设计文件的代号由企业号、特征代号、登记序号和类型号四个部分组成。
`前言本规则是公司质量体系文件中的作业文件,为推行实施《文件和资料控制程序》而编制。
本规则由公司总工程师办公室提出和归口管理。
本规则负责编订:总工程师办公室。
第1页共5页目录目录1.目的 (1)2.适用范围 (1)3.职责 (2)4.编号规则 (2)第2页共5页1.0目的1.1对公司内技术管理文件、技术标准及工程图纸的编号作出统一规定,以确保各种场所下文件和资料编号的唯一性及可追溯性。
2.0适用范围2.1适用于本公司技术性文件和工程图纸的编号。
3.0定义3.1 技术性文件对需要协调统一的技术事项所制定的文件。
3.2工程图纸工程设计、施工过程中的所有设计的图纸。
4.0编号规则4.1技术文件编号规则4.1.1 技术文件的代号由单位名称代号、文件类别、文件层次代号、发布顺序号和发布年代号组成。
4.1.2 技术文件的编号规则4.1.3“JN”为公司的简写,作为单位名代号,写在文件代号前面,中间用斜线隔开。
4.1.4文件层次代号:用两位阿拉伯数字表示,一层次,质量手册,用“01”表示;二层次,程序文件,用“02”表示;技术文件用“03”表示。
4.1.5发布顺序号:作业文件按质量体系要素顺序及文件发布顺序表示,中间用“.”隔开;程序文件只按质量体系要素顺序表示,质量手册可省略质量要素及发布顺序号。
质量要素及发布顺序号各用两位阿拉伯数字表示。
第3页共5页4.1.6发布年代号用公历年号的数字表示。
4.1.7从属于某一个文件的工作表格,其编号为:4.2工程图纸的编号规则4.2.1 工程图纸的编号有工程号、专业代码、卷册号或区号和流水号组成,一般最后两位是00的为本专业目录图纸4.2.2专业代号:其中专业代号、卷册号、区号有总工程师办公室负责提供。
4.2.3工程号的编写:第4页共5页4.2.4图纸编号的说明有总工程师办公室统一编号。
第5页共5页。
上海外高桥造船有限公司企业标准Q/SWS10-004-2001企业标准分类和编号规定2001-09-15发布 2001-10-08实施上海外高桥造船有限公司发布前言本企业标准为公司新编标准,在编制过程中,参阅1989年版《工业企业标准化升级指导》一书有关内容,并结合本公司的实际情况编制而成。
本标准由上海外高桥造船有限公司提出;本标准由公司技术中心归口;本标准起草部门:技术中心综合技术室;本标准主要起草人:周德兴;本标准由总工程师陶颖批准;本标准首次发布:2001年9 月15 日。
1 范围本标准规定了公司企业标准(以下简称企标)的分类、编号的构成、分类号的编写、编号方法示例、施工图号的编制、编号和施工图号的修改与管理。
本标准适用于本公司企标的分类和编号。
2 引用标准下列标准所包含的条文,通过在本标准中引用而构成为本标准的条文。
本标准出版时,所示版本均为有效。
所有标准都会被修订,使用本标准的各方应探讨使用下列标准最新版本的可能性。
CB/T370-84 标准产品施工图样编号(2001)07-02-002 船舶产品图样和技术文件修改规定3 企标的分类企标由管理标准、工作标准和技术标准三部分组成。
3.1 管理标准管理标准是企标的重要组成部分,是对公司组织管理、生产活动等所作的规定,按其业务管理标准主要内容为:a)公司组织、行政管理、党群工作、人力资源、教育培训、劳动工资、劳动定额、考核、奖惩、治安、消防、卫生、福利、后勤保障;b)经营计划、财务成本、统计信息、电脑、设备、工具、能源、基建、技改;c)生产、技术;d)物资供应、保管;e)质量管理;f)安全生产、环保;g)资料、档案。
3.2 工作标准工作标准是对公司人员和部门的工作范围、任务、内容、要求及考核等所作的规定,主要是指人(各类人员—领导层、管理层、执行层等)和部门(各组织—部、中心、室、业务班组、作业班组等)为对象。
按其对象工作标准主要内容为:a)a)各类人员—领导层、管理层、执行层职级和岗位;b)b)各部门—部、室、中心、业务班组、作业班组;c)c)专项通用,其他。
展浩电气包头市展浩电气股份有限公司图纸编号规则文件号:ZH/QE-C08-07版本:A/0受控:四、要求1、每种产品、部件、零件的图样应遵循“一件一号”的原则,均应有独立的编号;2、同一产品、部件及零件的图样用数张图纸绘出时,各张图样号应相同。
3、通用件的编号可采用被通用件的图纸编号。
4、本公司出图的外购件、外协件,其图号由本厂给出;外购、外协件由外购、外协单位设计出图要由公司技术质保部给予验证确认,并给出公司内部图号。
5、产品开发中如出现零、部件相互借用时,图样的编号应按最先开发的产品图样编号为准,借用关系应借用最先开发的产品,不准间接借用。
6、产品中通用性高,使用范围较广的零部件应尽快转换为通用件。
技术部门应1表1产品类别代码图纸分类代码用短横线隔开,用于同一项目中相同产品的不同图纸中图号的区分,采用数字、字母或数字加字母的形式进行编号;产品图纸序号用短横线隔开,编号从01开始,依次顺延。
尾注号需用短横线隔开,图纸第一次改动,其版本号为A,第二次改动版本号为B,依次顺延。
电气图纸编号示例:2分类代码)、小特征号(零部件图代码)、识别号(零部件图顺序号)、尾注号(零部件图版本号)五部分组成。
图样编号区位及含义图样分类含产品合同记录编号和图纸年份,大特征号为图纸分类代码,用短横线隔开,用于同一项目中相同产品的不同图纸中图号的区分,采用数字、字母或数字加字母的形式进行编号;小特征号代码为零件图代码LT、部件图代码BT,需用短00开A,第二企业代号2.2标准结构图纸编号按产品名称、零件、部件分类编号的方法进行编号,分类编号其代号的基本部分由图样识别号、分类号(产品分类码)、特征号(零部件图代码)、识别号(零部件图顺序号)、尾注号(零部件图版本号)四部分组成。
图样编号区位及含义00开A,第二次改动版本号为B,依次顺延。
构图纸编号示例:ZH15GY-LT01-A版本号LT:零件/BT:部件+序号产品名称图纸年份企业代号3、安装布置图纸编号规则布置图纸编号按项目分类编号的方法进行编号,分类编号其代号的基本部分由)六、标题栏编制规则1、每张图样右下角必须设有标题栏,标题栏由名称及代号区、签字区组成。
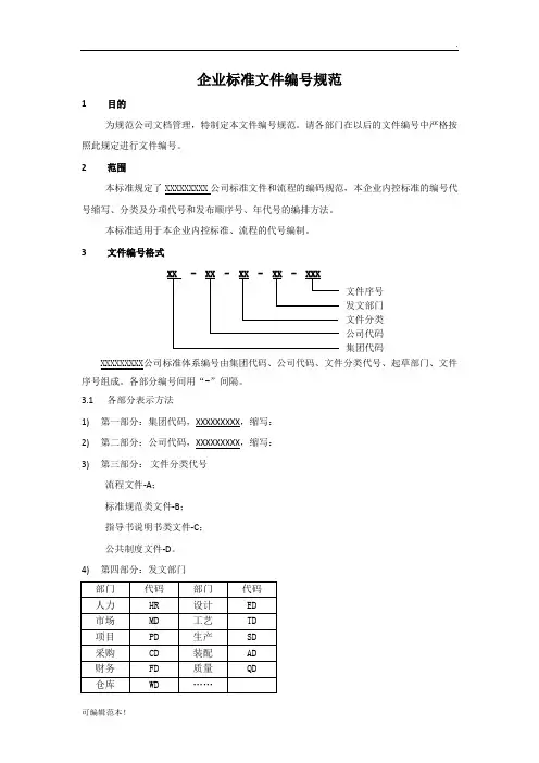
企业标准文件编号规范1目的为规范公司文档管理,特制定本文件编号规范。
请各部门在以后的文件编号中严格按照此规定进行文件编号。
2范围本标准规定了XXXXXXXXX公司标准文件和流程的编码规范,本企业内控标准的编号代号缩写、分类及分项代号和发布顺序号、年代号的编排方法。
本标准适用于本企业内控标准、流程的代号编制。
3文件编号格式文件序号发文部门文件分类公司代码集团代码XXXXXXXXX公司标准体系编号由集团代码、公司代码、文件分类代号、起草部门、文件序号组成。
各部分编号间用“-”间隔。
3.1各部分表示方法1)第一部分:集团代码,XXXXXXXXX,缩写:2)第二部分:公司代码,XXXXXXXXX,缩写:3)第三部分:文件分类代号流程文件-A;标准规范类文件-B;指导书说明书类文件-C;公共制度文件-D。
4)第四部分:发文部门5)第五部分:文件序号采用三位流水码,记录文件顺序号,以发布先后确定,即001、002…..099……999等。
3.2举例:文件编号:含义4文件编号格式4.1文件表头4.2页眉页脚5要求5.1 文件的编号由XXX负责,各部门使用时到XXX申请,不得自行编号及发行。
5.2 以XXX公司名义发布的文件必须由XXX登记编号。
5.3 已发布的标准如需修订并重新发布,其编号不变,只需要更改表头内的版本号。
标准修订及编号的改变应在修改履历中说明。
附件《标准文件模板》特别说明:文件编码编制前,请先对公司文件进行分类规划,根据分类规划情况,进行分级,及选择有代表意义的编码。
选择编码时,可以用分类名称的拼音字母首位表达,可以用其英文单词首位编码表达等。
新大力电机文件编号:XDL-QP-C01-01产品图纸、物料编号规定2017-05-31发布 2017-05-31实施本规定由新大力电机技术部发布1. 围本文本规定了本公司产品图纸、物料的编号方法。
本文本适用于本公司产品图纸、物料的编号。
2. 引用标准/T 5054.4-2000 产品图样及设计文件编号原则/DQZ 0133.9 电工产品图样及技术文件编制导则产品图样及技术文件十进位分类编号法3. 一般要求3.1 每个产品、部件、零件的图样和文件均应有独立的代号。
3.2 采用表格图时,表中每种规格的产品、部件、零件都应标出独立的代号。
3.3 同一文件使用两种以上的存储介质时,每种存储介质中的文件都应标注同一代号。
3.4 借用件的编号应采用被借用件的代号。
3.5 所有编号若无特殊说明,均应紧密书写。
4. 图样编号4.1 图样编号采用分类编号的方法,即按对象(产品、零部件)功能、形状的相似性,采用十进位分类法进行编号。
4.2 产品组装表编号由产品类别号、产品系列号、中心高、流水号和派生顺序号五个部分组成。
4.3 产品零部件号由产品类别号、分类号、零部件特殊号、中心高和顺序号五个部分组成。
4.4 各级的容规定见表1。
表1 产品类别号表2 产品系列号表3 产品特征号4.5 代号的组成主要是基本代号系统。
4.5.1 产品(组装表)基本代号系统的代号由五部分组成;a)产品类别号(见表1);b)产品系列号(见表2);c)电机中心高;d)流水号;e)泒生顺序号(基准序号为“000”)。
4.5.2 排列顺序如下:1 2 1 6 0 0 0 0 3 0 0 6说明:1)第一位“1”代表:电机总装配2)第二位“2”代表:变频电机3)第三~五位“160”代表:电机中心高1604)第六~九位“0003”代表:第3个产品流水号5)第十~十二位“006”代表:在160基础上泒生出的第6个系列,即YZPE + M4.5.3 零部件基本代号系统的代号由四部分组成;a)产品类别号(见表3);b)产品分类号(见表3);c)零部件特征号(见表3);d)中心高d)流水号;4.5.4 排列顺序如下:3 1 1 1 6 0 0 1 2 3说明:1)第一位“3”代表:结构件2)第二位“1”代表:机座3)第三位“1”代表:B3、铸件加工件4)第四~六位“160”代表:中心高1605)第七~十位“123”代表:第123个零部件流水号5. 设计文件的编号5.1 常用的(或专用的)设计文件代号,可由产品(或工件)的图样代号之后加上说明该文件性质的尾注号(用二个可三个汉语拼音字母表示)组成。
常用图纸编号规则及图纸要求一、图纸编号规则简介:——说明:1、产品类型:由产品名称的几个主要字母组成;2、产品型号:由产品的主要特征参数+产品型号区分码(A 、B 、C.......Z )组成; 例:“20”其后面没有区分码表示基本型,“20A ”表示A 型;3、一级装配件:总机装配下的第一级子装配件,可编范围“01.....99”;例:“CNFSQH20-010000-0000”表示总机装配下的第一个子装配件;4、二级装配件:一级装配件下的子装配件,可编范围“1.....9”;例:“CNFSQH20-011000-0000”表示总机装配下第一个子装配件下的第一个子装配件; 5、一级焊接件:总机装配或一级、二级装配件下的第一级子焊接件,可编范围“01.....99”; 例:“CNFSQH20-010010-0000”表示总机装配下第一个子装配件下的第一个子焊接件;6、二级焊接件;一级焊接件下的子焊接件,中编范围“1.....9”;例:“CNFSQH20-010012-0000”表示总机装配下第一个子装配件下的第一个子焊接件的 第二个子焊接件;7、零部件区分代码:当该图表示的为零件时用“1”表示,当该图表示的为装配件或焊接件 时用“0”表示;8、零件代码:各装配件或焊接件下的零件,可编范围“01.....99”;例:“CNFSQH20-010000-1010”表示总机装配下的第一个子装配件下的第一个零件;9、版本代码:产品定型后有部件或零件需要进行设计更改时,通过改变该数字进行区分, 可编范围“1.....9”例:“CNFSQH20-010000-1011”表示总机装配下的第一个子装配件下的第一个零件的第 一次更改版本;二、图纸要求;CNFSQH 20 00 0 00 0 0 00 0 产品类别代码 产品类别代码 一级装配件代码 二级装配件代码 一级焊接件代码 二级焊接件代码 零部件区分代码零件代码 版本代码1、图框要求a、标题栏b、阶加栏c、代号栏d、分区e、装订线2、标题栏要求a、企业名称:兴之源环保科技有限公司b、图号:左上角、右下角均有图号c、名称d、材料e、比例f、重量3、明细栏要求a、材料b、名称c、重量d、数量e、外购件备注栏内注明“品牌”,借用件备注栏内注明“借用”,无图件在备注栏内注明“无图”4、其他要求a、字体:GB宋体b、各线条颜色:待定c、版本:CAD 2004版欢迎您的下载,资料仅供参考!致力为企业和个人提供合同协议,策划案计划书,学习资料等等打造全网一站式需求d、e、。
企业标准编号企业标准编号由企业标准代号,标准发布顺序号,标准发布年代号组成。
企业标准一经制订颁布,即对整个企业具有约束性,是企业法律性文件,没有强制性企业标准和推荐性企业标准之分。
企业标准的编号格式为:Q/(企业代号)(四位顺序号)S──(年号)企业标准的代号用“Q/”(“企”汉语拼音“qi”的声母)加企业代号组成,企业代号可用汉语拼音字母或阿拉伯数字或两者兼用组成。
企业代号按企业隶属分别由上级行政主管部门会同同级标准化行政主管部门规定。
通常的企业标准的代号形式是“Q/xxx”。
企业标准的编号由企业标准的代号、标准顺序号和发布年代号组成。
有些企业按照GB/T 15496~15498-1995的规定,将其企业标准分为技术标准、管理标准、工作标准,并在其企业标准代号后面又加标准类别代号,其中技术标准加“/J”,管理标准加“/G”,工作标准加“/Z”。
还有的企业又在顺序号前增加标准分类代号或标准应用代号(如型号)。
在标准发布年代号上,各企业也是有着各自的规定,并不统一。
有的一律用四位数字,有的在某个年份前用两位数字表示,在某个年份(如2000年)后用四位数字表示。
鉴此,企业标准的编号会有以下几种形式:⑴ Q/ xxx xxxx-xxxx| | |____标准发布年代号| |______标准发布顺序号|_____企业标准代号⑵ Q/ xxx/x xxxx-xxxx|___ 类别代号(J-技术标准,G-管理标准, Z-工作标准)⑶ Q/ xxx/x-xx xxxx-xxxx|____分类号(或应用型号)欢迎您的下载,资料仅供参考!致力为企业和个人提供合同协议,策划案计划书,学习资料等等打造全网一站式需求。
Ver. 1.0QC/T-001质量规范–图纸、零件及工装夹具编号规则Specifications of Quality - Coding Rule ofDrawing, Products & Tooling and FixtureXXXX-XX-XX发布XXXX-XX-XX实施XXXXXXXX发布XX-QC/T-001-XXXX前言为了确保公司零部件编号、图纸编号的规范,便于查询,本公司特参照有国家标准及行业标准,制定出本企业标准。
本标准主要参照:1.QC/T265 – 2004 《汽车零部件编号规则》2.ISO/TS16949:2009 《汽车生产件及相关服务件的组织应用ISO9001:2008的特别要求》(第三版)3.XX-QP-QD-01 《文件与资料控制程序》本标准代替XX-QC/T-001-XXXX《产品编号规则》。
本标准与XX-QC/T-001-XXXX相比主要变化如下:——增加了图纸编号规则的内容(增加4.1条目,原4.1条目顺延调整为4.2条目)——调整了夹具(治具)的编号方法本标准由技术部提出。
本标准起草单位:技术部、质量部;修订单位:技术部、质量部本标准首次发布于XXXX年XX月XX日,于XXXX年XX月XX日进行修订。
XX-QC/T-001-XXXX零件、图纸、工装夹具编号规则1.目的为了确保公司工程图纸编号、零件编号以及相关工装模具编号的规范性,便于图纸、零件及相关工装模具的查找,且使图纸、零件及工装夹具保持版本一致,特编制本规则。
2.范围本标准规定了本公司所有产品零部件、图纸及工装部件的基本规则和方法。
本标准适用本公司所有产品零部件编号及工装编号(适用新开发产品模具编号)。
3.术语和定义下列术语和定义适用于本标准。
3.1 产品(Products)生产企业向用户或市场以商品形式提供的成品。
3.2零部件(Parts and components)包括总成、分总成、子总成、单元体、零件。
前言本标准为XXXXX制造企业技术标准。
本标准由技术质保部提出。
本标准主要起草人:XXX。
本标准由总工程师XXX审核、批准。
本标准自2011年12月起实施。
1.目的与围为规产品图样编号的编制方法,统一编号形式,使图样编号具有隶属性,便于查询、使用,特制订本规定。
本规定适用于公司所有产品图样编号的编制。
2.引用标准下列标准所包含的条文,通过在本标准中引用而构成为本标准的条文。
本标准出版时,所示版本均为有效:(1)/T5054.1-2000《产品图样及设计文件总则》(2)/T5054.4-2000《产品图样及设计文件编号原则》(3)/T5054.8-2001《产品图样及设计文件通用件管理办法》(4)/T5054.9-2001《产品图样及设计文件借用件管理办法》3.名词术语(1)借用件:借用件是在采用本企业已有产品隶属编号的图样中,使用已有产品的组成部分。
(2)通用件:在不同类型或同类型不同规格的产品中具有互换性的零部件。
(3)外购件:外购件是本企业产品及其组成部分中,采购其它企业的产品。
(4)外协件:是本企业产品图样委托其他企业加工制作的零部件或整机。
4.基本要求3.1每种产品、部件、零件的图样应遵循“一件一号”的原则,均应有独立的编号;3.2采用表格图时,表中每种规格产品、部件、零件都应标出独立的图号。
3.3同一产品、部件及零件的图样用数图纸绘出时,各图样号应相同。
3.4同一CAD文件使用两种以上的存储介质时,每种存储介质中的CAD文件都应标注同一图号3.5本公司出图的外购件、外协件,其图号由本厂给出;外购、外协件由外购、外协单位设计出图要由公司技术质保部给予验证确认,并给出公司部图号。
3.6对图样设计引用的国家标准件,仍按相应国家标准给出名称、及编号,引用标准要收集入档备查。
3.7产品开发中如出现零、部件相互借用时,图样的编号应按最先开发的产品图样编号为准,借用关系应借用最先开发的产品,不准间接借用。
公司文件编号规范为规范公司文档管理,特制定本文件编号规范。
请各部门在以后的文件编号中严格按照此规定进行文件编号。
文件命名基本格式:XXX - XX - XX - XXXXXX - XX版本号⑤发文日期④文件类型③发文机构②公司代码①一、文件编号由五部分组成,每部分之间用“—”连接。
第一部分:公司代码,表明发文公司第二部分:发文机构,表明公司内发文的部门第三部分:文件类型,表明文件所属性质第四部分:发文日期,表明发文时间第五部分:文件状态,表明文件版本号二、各部分表示方法1、公司代码由公司拼音首字母组成,具体为XTK2、发文机构发文机构的表达符号:HR 人事部Human ResourceED 工程部Engineering Department FD财务部Financial Department MD市场部Marketing Department AD行政部Administration Department3、文件类型类型表达符号文件类型说明INF. 资料性文件搜集的有参考价值的市场信息、政府政策等RUS. 规章制度和决议发布的规章制度SR. 会议简要记录重要会议的会议纪要SOP.工程作业流程GF. 公司表格Group Form4、发文日期由年月日YYYYMMDD表示,例如201605015、文件状态文件状态状态表达符号的说明:Add.版本号增编Corr.版本号更正Rev.版本号发布新发布或取代已发放的文件版本号的使用:第一版(原件)用Rev.1.0表示对第一版进行细部调整用“状态符号1.1 / 1.2 ……”表示对第一版进行结构修改用“状态符号2.0 / 3.0 ……”表示三、举例:工程部2015年4月13日发布的气压桶操作规范第一版文件编号:XTK-ED-SOP-20150413-REV.1.0五、公司行政类文件。
无锡新大力电机有限公司文件编号:XDL-QP-C01-01产品图纸、物料编号规定2017-05-31发布2017-05-31实施本规定由无锡新大力电机有限公司技术部发布1. 范围本文本规定了本公司产品图纸、物料的编号方法。
本文本适用于本公司产品图纸、物料的编号。
2. 引用标准JB/T 5054.4-2000 产品图样及设计文件编号原则JB/DQZ 0133.9 电工产品图样及技术文件编制导则产品图样及技术文件十进位分类编号法3. 一般要求3.1 每个产品、部件、零件的图样和文件均应有独立的代号。
3.2 采用表格图时,表中每种规格的产品、部件、零件都应标出独立的代号。
3.3 同一文件使用两种以上的存储介质时,每种存储介质中的文件都应标注同一代号。
3.4 借用件的编号应采用被借用件的代号。
3.5 所有编号若无特殊说明,均应紧密书写。
4. 图样编号4.1 图样编号采用分类编号的方法,即按对象(产品、零部件)功能、形状的相似性,采用十进位分类法进行编号。
4.2 产品组装表编号由产品类别号、产品系列号、中心高、流水号和派生顺序号五个部分组成。
4.3 产品零部件号由产品类别号、分类号、零部件特殊号、中心高和顺序号五个部分组成。
4.4 各级的内容规定见表1。
表1 产品类别号级内容级内容0 技术文件 5 部件【定子、定子铁心、定子线圈、转子、转子铁心、转子线圈、刷握等1 电机和变压器(总装配) 6 组件2 电器7 (备用)外购件【制动器、编码器、超速开关、测速发电机、旋转变压器、加热带、热敏电阻PTC、热敏开关、PT100等3 各种设备和产品(电机车、电炉等)8 零件【机座、端盖、轴、轴承盖、定转子冲片、压圈、扣片、锁紧圈等4 各种设备和产品(备用)9 (备用)标准件【螺栓、螺母、螺钉、平键、挡圈、轴承、垫圈等注:4、7、9级留给以后出现新类型的产品及其组成部分用。
表2 产品系列号级产品类别名称顺序号可泒生系列1 起重电机YZR起重及冶金用绕线转子三相异步电动机000001 YZ002 YZRE003 YZE004 YZRW005 YZR + C006 YZR + M007 YZR + CS008 YZR-H009 YZRD010 YZD…2 变频电机YZP起重及冶金用变频调速三相异步电动机000 YTSZ、YG、YGP001 YZPE002 YZP + C003 YZP + M004 YZP + MC005 YZPE + C006 YZPE + M007 YZPE + MC008 YP2(YTSP、YVP、YVF2)009 YP2E010 YP2 + M…3 防爆电机YBZ起重用隔爆型三相异步电动机000 YBZ、YBZS001 YBZE、YBZSE002 YBZP003 YBZPE004 YBZR005 YBZP + C006 YBZP + M007 YBZPE + M4 永磁电机TYCP稀土永磁变频调速电动机000 自带风扇 IC411001 轴流风机 IC4165 车用电机ZPJ蓄电池交流三相异步电动机000001 带制动器002TZ永磁同步电机000001YS交流异步电机0000016 其它YELJ力矩电机YLEJ力矩电机YX3、YE2高效率三相异步电动机YE3超高效率三相异步电动机WZ起重及冶金用涡流制动器7 备用8 备用9 备用0 备用表3 产品特征号类别号分类号零部件特征号0 原材料 1 圆钢 1 45#2 40Cr3 42CrMo2 硅钢片 1 50W4702 50W6003 50W8004 35W3003 漆包线 1 F(155)2 H(180)3 C(200)4 QBP(变频专用)4 铝锭 1 纯铝2 合金铝5 铜棒6 铝棒71 备用2 备用3 结构件 1 机座 1 B3铸件加工件2 B3铸件毛坯件3 B5铸件加工件4 B5铸件毛坯件5 B3钢板加工件6 B3钢板毛坯件7 B5钢板加工件8 B5钢板毛坯件9 机座筒2 端盖 1 B3铸件加工件2 B3铸件毛坯件3 B5铸件加工件4 B5铸件毛坯件5 B3钢板加工件6 B3钢板毛坯件7 B5钢板加工件8 B5钢板毛坯件9 轴承室3 轴承盖 1 内盖加工件2 内盖毛坯件3 外盖加工件4 外盖毛坯件5 轴承挡圈(轴承套、挡油盘)64 转轴 1 加工件2 焊接件3 毛坯5 接线盒 1 盖(铸件加工件)2 盖(铸件毛坯件)3 座(铸件加工件)4 座(铸件毛坯件)5 盖(钢板拉伸件)6 座(钢板拉伸件)7 盖(焊接件)8 座(焊接件)9 接线斗64 定子部件 1 定子总成00001~999992 有绕组定子铁心00001~999993 定子铁心00001~999994 定子冲片 1 2极2 4极3 6极4 8极5 10极6 12极及以上75 定子绕组 1 2极2 4极3 6极4 8极5 10极6 12极及以上76 其它零部件 1 定子端板、定子通风槽板片2 齿压片、槽压片3 定子通风槽板、定子齿压板4 定子扣片、定子压圈5 转子部件 1 转子总成 1 绕线转子(铜排转子)2 铸铝转子3 永磁转子42 转子铁心00001~999993 转子冲片 1 2极2 4极3 6极4 8极5 10极6 12极及以上74 铸铝转子 1 2极2 4极3 6极4 8极5 10极6 12极及以上70 其它零部件 1 转子端板片、转子通风槽板片2 转子通风槽板、转子齿压板3 转子端板、通风槽管4 转子压圈5 转子锁紧圈6 甩油环、曲路环、防水环7 转子连接螺杆6 电气件 1 槽绝缘件 1 相间绝缘2 槽绝缘3 半槽纸(层间绝缘)4 盖槽纸5 垫条、槽垫块6 绝缘纸7 薄膜8 扎带92 电器 1 引接线、测温元件2 接线头、线圈支架、端箍3 线夹、导线夹、夹子、弹簧夹4 绝缘板5 集电环总成6 电器线路图7 接头、螺纹套、并头套8 接线板、导电排93 铭牌0 铭牌坯件(空白)1 铭牌数据(铜质)2 铭牌数据(不锈钢)3 铭牌数据(铝质)44 标志 1 接地牌、警示牌、转向牌2 标签3 标志套管4 合格证7 总装配 1 总装图00001~999992 外形图00001~999993 端盖装配00001~999994 轴承装置00001~999995 转子组装00001~999996 接线盒00001~9999978 外购件 1 风罩00001~999992 风扇00001~999993 槽楔00001~999994 轴伸保护套00001~999995 出线装置00001~999996 冷却器 1 轴流风机2 背包风机(离心风机)37 其它 1 制动器2 编码器3 超速开关4 测速发电机5 旋转变压器6 加热带7 热敏电阻PTC8 热敏开关9 热电阻传感器PT1009 其它 1 风冷 1 导风板、挡风板2 风扇叶片3 罩壳、风罩窗、风罩圈4 通风罩、前后挡风罩5 风扇(自制)、风扇架、风扇罩6 叶架、衬套、风扇座7 百叶窗82 密封件 1 密封橡胶垫2 密封橡胶圈3 毡圈4 密封盖、塞、骨架密封盖、丝堵5 金属堵棒63 板类零件 1 压板、固定板、安装板2 顶板、挡板、撑板、板3 散热片4 底板、底脚垫板5 盖板、侧板6 机座壁、铁心环、环筋板7 盒座体、柱、座板8 隔板、衬板、轴伸防护板94 成型零件 1 连通节2 连接座、过渡板、集电环座3 支架座、温控接线座4 半圆板、(机座)法兰、法兰盘5 槽钢、角铁6 平衡环、圆环、连接环、衬套、套筒7 螺杆、油管8 幅板9 幅铁5 小零件 1 键2 平衡块、填充块3 弧键4 螺母、螺套5 吊耳6 固定块7 垫块、垫板8 搭子96 包装 1 总装图2 零件34567894.5 代号的组成主要是基本代号系统。
4.5.1 产品(组装表)基本代号系统的代号由五部分组成;a)产品类别号(见表1);b)产品系列号(见表2);c)电机中心高;d)流水号;e)泒生顺序号(基准序号为“000”)。
4.5.2 排列顺序如下:1 2 1 6 0 0 0 0 3 0 0 6派生顺序号流水号中心高产品系列号产品类别号说明:1)第一位“1”代表:电机总装配2)第二位“2”代表:变频电机3)第三~五位“160”代表:电机中心高1604)第六~九位“0003”代表:第3个产品流水号5)第十~十二位“006”代表:在160基础上泒生出的第6个系列,即YZPE + M4.5.3 零部件基本代号系统的代号由四部分组成;a)产品类别号(见表3);b)产品分类号(见表3);c)零部件特征号(见表3);d)中心高d)流水号;4.5.4 排列顺序如下:3 1 1 1 6 0 0 1 2 3顺序号中心高产品特征号产品分类号产品类别号说明:1)第一位“3”代表:结构件2)第二位“1”代表:机座3)第三位“1”代表:B3、铸件加工件4)第四~六位“160”代表:中心高1605)第七~十位“123”代表:第123个零部件流水号5. 设计文件的编号5.1 常用的(或专用的)设计文件代号,可由产品(或工件)的图样代号之后加上说明该文件性质的尾注号(用二个可三个汉语拼音字母表示)组成。
5.2 设计文件的尾注号见表4表4设计文件名称尾注号设计文件名称尾注号设计文件名称尾注号技术资料总目录Z 借(通)用件表J(T)Y 略图LT 文件目录WM 外购配件表WG 出口产品图样资料DWZF 图样目录TM 自制配件表ZB 产品质量特性重要性分级表ZP 技术条件JT 主要及特殊材料表TC 产品质量审核评级指导书(工件)明细表MX 合格证ZM 技术数据表SJ 标准紧固件表MXS 备件附件工具表MXB标准件表BZ 装配系统图ZX5.3 示例:电机产品的工件明细表代号尾注号表示产品改进和设计文件种类。
一般改进的尾注号用拉丁字母表示,设计文件尾注号用拼音字头表示。
6.工艺文件的编号6.1 系列产品、单个产品、或零部件的工艺文件代号应与设计文件代号相对应。
6.2 常用的工艺文件代号可由产品(或工件)的图样代号之后加上说明该文件性质的尾注号(用两个或三个汉语拼音字母表示)组成。
6.3 工艺文件尾注号见表5表5工艺文件名称尾注号工艺文件名称尾注号工艺文件名称尾注号工艺方案YF 材料定额汇总表CBZ 装配工艺过程卡ZLK 文艺过程卡LK 工艺卡片目录KM 进货检验指导书JK 工序卡SK 工艺文件总目录EM 检验流程图JL 机械加工工序卡SKJ 作业指导卡ZK 外协件明细表WX 检查卡NK 工艺关键件明细表GMX 通用性工艺文件目录TGM 专用工具明细表GB 工序质量分析表FX 过程检验指导书材料定额表CBX 产品质量控制点明细表DB制动器(8外购件、7其它、1制动器、1代表国产制动器,2代表进口制动器)电机机座号国产制动器“1”进口制动器“2”代号型号制动力矩代号型号制动力矩63 871101 SDZ1-02 271 871102 SDZ1-04 4 871201 BN-06 4 80 871103 SDZ1-08 7.5 871202 BN-08 8 90 871104 SDZ1-15 15 871203 BN-10 16 100 871105 SDZ1-30 30 871204 BN-12 32 112 871106 SDZ1-40 40 871205 BN-14 60 132 871107 SDZ1-80 75 871206 BN-16 80 160 871108 SDZ1-150 150 871207 BN-18 150 180 871109 SDZ1-200 200 871208 BN-20 260 200 871110 SDZ1-300 300 871209 BN-25 400 225 871111 SDZ1-450 450250 871112 SDZ1-600 600 871210 BN-30 1000 280 871113 SDZ1-850 850315 871114 SDZ1-2000 2000编码器(8外购件、7其它、2编码器、1代表国产编码器,2代表进口编码器)国产编码器“1”进口编码器“2”代号品牌型号代号品牌型号872101 上海禹萌HTB1024B1/107.806.JS 872201 德国HUBNER HOG 10N1024I+FSL 872102 HTB1024B1/108.806.JS 872202872103 HTB1024B1/107.806.ES 872203872104 HTB1024B1/108.806.ES 872204872105 HTB1000B1/107.810/C 872205872106 上海渡边HLE45-1024L-3F.AC 872206 德国kuebler 8.5020.4551.1024 872107 HLE30-1024L-3FC 872207 8.523.1831.1024 872108 872208872109 872209872110 872210872111 天津宜科EC100K-40K-P6PR-1024 872211 德国P+F872112 EC50W12-H6PR-1024 872212872113 EC50K12R-H6M8R-1024 872213872114 EC58A10-L6PR-1024 872214872115 872215872116 上海托菲ETF100-H 872216 德国施克872117 872217872118 872218872119 872219872120 872220872221 德国图尔克872222超速开关(8外购件、7其它、3超速开关)代号极数倍数整定转速代号极数倍数整定转速873101 4 1.1 1650 873201 6 1.1 1100 873102 1.15 1725 873202 1.15 1150 873103 1.2 1800 873203 1.2 1200 873104 1.25 1875 873204 1.25 1250 873105 873205873106 873206873107 873207873108 873208873109 873209873110 873210代号极数倍数整定转速代号极数倍数整定转速873301 8 1.1 825 873401 10 1.1 660 873302 1.15 862 873402 1.15 690 873303 1.2 900 873403 1.2 720 873304 1.25 937 873404 1.25 750 873305 873405873306 873406873307 873407873308 873408873309 873409873310 873410加热带(8外购件、7其它、6加热带)代号加热带型号功率(W)额定电压(V)代号加热带型号功率(W)额定电压(V)876101 KBQ 301A 10 220 876201 KBQ 301A 10 110 876102 KBQ 302A 20 220 876202 KBQ 302A 20 110 876103 KBQ 303A 30 220 876203 KBQ 303A 30 110 876104 KBQ 304A 40 220 876204 KBQ 304A 40 110 876105 KBQ 305A 50 220 876205 KBQ 305A 50 110 876106 KBQ 306A 60 220 876206 KBQ 306A 60 110 876107 KBQ 308A 80 220 876207 KBQ 308A 80 110 876108 KBQ 310A 100 220 876208 KBQ 310A 100 110 876109 KBQ 311A 110 220 876209 KBQ 311A 110 110 876110 876210热敏电阻PTC(8外购件、7其它、7热敏电阻PTC)【MZ6-XXX-D-S】代号电机绝缘等级极限工作温度(℃)所选热敏电阻(Tk)877001 Y 90 80~85 ℃877002 A 105 95~100 ℃877003 E 120 110~115 ℃877004 B 130 120~125 ℃877005 F 155 145~150 ℃877006 H 180 170~175 ℃877007 C 180以上180℃以上877008877009877010热敏开关(8外购件、7其它、8热敏开关)【MK1-XXX-D-S】代号电机绝缘等级极限工作温度(℃)所选热敏电阻(Tk)878001 Y 90 80~85 ℃878002 A 105 95~100 ℃878003 E 120 110~115 ℃878004 B 130 120~125 ℃878005 F 155 145~150 ℃878006 H 180 170~175 ℃878007 C 180以上180℃以上878008878009878010。