030绞股蓝成品质量标准
- 格式:doc
- 大小:47.50 KB
- 文档页数:2
绞股蓝总甙标准中华人民共和国卫生部WS3-Z-006-93(Z)部标准绞股蓝总甙Jiaogulan Zongdai本品为从葫芦科植物绞股蓝Gynostemme pentaphylium(Thunb.)Mak.全草中提取得到的总甙经精制而成。
〔性状〕本品为浅黄色粉末;气微,味微苦、甘。
在水及甲醇中易溶;在乙醚、氯仿中几乎不溶,在石油醚中不溶。
〔鉴别〕取本品加甲醇溶解,制成每1ml含10mg的溶液,作为供试品溶液;另取绞股蓝皂甙-A对照品,加甲醇溶解,制成每1ml 含1mg的溶液,作为对照品溶液。
照薄层色谱法(中国药典1990年版一部附录57页)试验,吸取供试品溶液及对照品溶液各2Ul,分别点于同一硅胶G薄层板上,以氯仿-醋酸乙酯-甲醇-水(15:40:22:10)10℃以下放置的下层溶液为展开剂,展开12cm,取出,挥尽残存溶剂,喷以10%硫酸乙醇溶液,热风吹至斑点显色清晰,在日光下及紫外光灯(365nm)下检视。
供试品色谱中,在与对照品色谱相应的位置上分别显相同颜色的斑点及荧光斑点。
〔检查〕干燥失重取本品适量,在105℃干燥至恒重,减失重量不得过5%(中国药典1990年版一部附录31页)。
炽灼残渣不得过1.5%(中国药典1990年版一部附录32页)。
〔含量测定〕对照品溶液的制备精密称取于60℃,减压2.67KPa以下干燥3小时的绞股蓝皂甙-A对照品适量,加甲醇溶解,制成每1ml含2mg的溶液。
供试品溶液的制备精密称取本品50mg,加甲醇溶解,制成每1ml含2mg的溶液。
测定法精密吸取对照品溶液及供试品溶液各100ul,分别置15ml具塞试管中,精密加入新鲜配制的含5%香草醛冰醋酸溶液与高氯酸(2.8V/V)的混合液2ml,摇匀,密塞,置60℃水浴中加热15分钟,取出,立即放入冰水中冷却2分钟,精密加入冰醋酸10ml,摇匀,以试剂作空白,照分光光度法(中国药典1990年版一部附录51页)试验,于555±5nm波长处测定吸收度,计算,即得。
目录2、生产工艺流程4、质量监控:见“SCGL517001 绞股蓝生产关键工序质量监控要点”。
5、原辅料、中间产品、成品质量标准5.1 绞股蓝原料质量标准:见“ZLJS100101 原药材质量标准”。
5.2 绞股蓝中间产品质量标准:见“ZLJS400101 饮片中间产品质量标准”。
5.3 绞股蓝成品质量标准:见“ZLJS500101 饮片成品质量标准”。
6、包材质量标准和文字说明6.1 包材质量标准:见“ZLJS300101~ZLJS300601包装材料质量标准”6.2 包装说明文字:品名:绞股蓝规格:产地:重量:产品批号:生产日期:贮藏:置干燥处生产企业:7、生产区的工艺卫生要求7.1 生产区卫生要求:执行“CSGL001401一般生产区环境卫生管理规程”, 7.2 生产区清洁工作要求:执行“CSSOP000301一般生产区厂房清洁规程”, 7.3 生产区人员卫生要求:执行“SCGL000101一般生产区个人卫生规程”, 7.4 生产区工作服管理要求:执行“SCGL005701一般生产区工作服管理规程”9、技术经济指标核算9.2包装材料物料平衡使用量+残损量+剩余量塑料袋物料平衡= ×100%(99.0-101.0%) 本批领用量使用数+残损数+剩余数标签物料平衡= ×100%(99.0-101.0%) 本批领用数10、技术安全及劳动保护10.1 员工转岗或新工上岗前均要进行安全操作培训,熟悉本岗位的操作要点、质控要点及注意事项。
10.2 严格按工艺规程和岗位标准操作程序操作,切忌擅改工艺和岗位操作方法,工作应严肃认真。
10.3 电机设备严禁用水直接冲洗,清洁时亦不可用湿布擦拭。
在确保一切准备工作就绪后方可开机,以防轧手等事故发生。
10.4 设备定期保养,严格按设备维护保养管理制度操作使用。
10.5 拣选、切药、干燥、筛分等产尘、产湿岗位应有除尘排湿装置。
11、劳动组织和岗位定员11.1 劳动组织11.1.1 由生产制造部下达生产指令,车间依此组织生产。
Q/JXJB 江西嘉博生物工程有限公司企业标准Q/JXJB048-2019天然植物饲料原料绞股蓝2019-08-21发布2019-08-31实施Q/JXJB048-2019前言本标准起草单位:江西嘉博生物工程有限公司。
本标准主要起草人:曹远东。
本标准为首次发布。
天然植物饲料原料绞股蓝1范围本标准规定了饲料原料绞股蓝粗提物和绞股蓝粗提液的要求、技术要求、试验方法、检验规则、标签、包装、运输和贮存。
本标准适用于饲料原料绞股蓝粗提物,由本企业以绞股蓝经提取、烘干、粉碎、粗提后制成的饲料原料绞股蓝粗提物。
本标准适用于以饲料原料绞股蓝经提取加工后制成的饲料原料绞股蓝粗提液。
2、规范性引用文件下列文件对于本文件的应用是必不可少的。
凡是注日期的引用文件,仅注日期的版本适用于本文件。
凡是不注日期的引用文件,具最新版本(包括所有修改)单适用于本文件。
GB/T5917.1饲料粉碎粒度测定两层筛筛分法GB/T6435饲料中水分的测定GB/T6438饲料中粗灰分的测定GB10648饲料标签GB13078饲料卫生标准GB/T9724化学试剂ph值测定通则GB/T13079饲料中总砷的测定GB/T13080饲料中铅的测定原子吸收光谱法GB/T13092饲料中霉菌总数的测定GB/T13091饲料中沙门氏菌的测定GB/T14699.1饲料采样GB/T18823饲料检测结果判定的允许误差《定量包装商品计量监督管理办法》国家质检总局令第75号《饲料原料目录》农业部公告第1773号《中华人民共和国兽药典》2015年版二部执行。
3、原料原料应符合《饲料原料目录》的要求。
4技术要求4.1感官指标粉状,色泽均匀一致,无结块、发霉变质及异味、异嗅。
液体,色泽均匀一致,无霉变质及异味、异嗅,久置有少量沉淀。
4.2成品粒度全部通过2.50mm编织筛。
4.3水分不大于12.0%。
4.4PH值PH值应为3.5~7.0。
4.5理化指标5试验方法5.1感官将样品放置在白瓷盘内,在非直射日光,光线充足,无异味的环境中,用眼睛观的方法观察其色泽、是否有霉变、结块及异物。
绞股蓝提取物质量标准绞股蓝提取物是一种常见的草本植物提取物,具有多种药用价值。
为了确保绞股蓝提取物的质量,制定相应的质量标准是非常重要的。
本文将就绞股蓝提取物的质量标准进行详细介绍,以期为相关行业提供参考。
一、外观特征。
绞股蓝提取物应呈现深蓝色至紫色的结晶状粉末,无明显异物和杂质,具有特有的草本气味。
二、理化指标。
1. 含量测定。
绞股蓝提取物中有效成分的含量应符合国家标准要求,一般为总黄酮含量不低于20%。
2. 溶解度。
绞股蓝提取物应在水中能够溶解,溶液呈现蓝紫色,溶解度符合国家标准要求。
三、微生物指标。
1. 细菌总数。
绞股蓝提取物中细菌总数不得超过国家标准规定的限量。
2. 霉菌和酵母菌数。
绞股蓝提取物中霉菌和酵母菌数不得超过国家标准规定的限量。
3. 大肠菌群。
绞股蓝提取物中不得检出大肠菌群。
四、重金属指标。
绞股蓝提取物中重金属含量应符合国家标准要求,包括铅、汞、镉、铬等重金属元素的含量限量。
五、农药残留。
绞股蓝提取物中农药残留量应符合国家标准要求,不得超过规定的最高残留限量。
六、贮存。
绞股蓝提取物应贮存在阴凉干燥处,避免阳光直射和潮湿环境,贮存期限一般不得超过两年。
七、包装。
绞股蓝提取物的包装应符合国家标准要求,采用防潮、防晒、防污染的包装材料,包装完好,标签清晰。
综上所述,绞股蓝提取物的质量标准是保障其药用价值和安全性的重要保障。
只有严格执行质量标准,才能确保绞股蓝提取物的质量稳定、安全可靠。
希望本文所述内容能够为相关行业提供参考,促进绞股蓝提取物质量管理水平的提升。
绞股蓝总苷标准1.植物来源2.绞股蓝总苷是从绞股蓝植物中提取的有效成分,具有清热解毒、止咳祛痰、降血脂、抗疲劳等功效。
3.提取工艺4.绞股蓝总苷的提取工艺包括以下步骤:(1)原料清洗:将绞股蓝植物新鲜采摘后,用清水冲洗干净。
(2)破碎:将绞股蓝植物破碎成小块。
(3)提取:将破碎的绞股蓝植物放入乙醇中浸泡一段时间,然后进行加热回流提取。
(4)过滤:将提取液过滤,去除残渣,得到提取液。
(5)浓缩:将提取液进行浓缩,得到浓缩液。
(6)干燥:将浓缩液干燥,得到绞股蓝总苷粉末。
5.质量标准6.绞股蓝总苷的质量标准应符合以下要求:(1)性状:绞股蓝总苷为淡黄色或类白色的无定形粉末。
(2)鉴别:用紫外光谱法和薄层色谱法等方法进行鉴别。
(3)检查:应符合药典中有关各项检查的规定。
7.成分含量8.绞股蓝总苷的成分含量应符合以下要求:(1)绞股蓝总苷含量:不得少于90%。
(2)其他成分含量:不得超过规定限度。
9.药理作用10.绞股蓝总苷具有多种药理作用,包括降血脂、抗疲劳、保护肝脏、抗肿瘤、抗炎等作用。
具体药理作用可参考相关文献报道。
11.安全性评估12.绞股蓝总苷的安全性较高,长期使用对机体无明显不良影响。
但需要注意的是,孕妇和哺乳期妇女慎用,过敏体质者禁用。
在使用过程中如有不适或过敏反应,应立即停止使用并寻求专业医生的帮助。
13.包装储存14.绞股蓝总苷应密封包装,置于阴凉干燥处保存,避免阳光直射和潮湿环境。
在使用期限内,应按照规定的储存条件进行保存和使用。
过期产品应按照规定进行处理,不得再次使用。
15.使用方法16.绞股蓝总苷的使用方法如下:用法用量:口服,一次2粒,一日3次,或遵医嘱。
对于降血脂的作用,一般建议连续使用3个月以上。
绞股蓝啤酒一、生产工艺1.皂苷液制备:绞股蓝是葫芦科多年生草质藤本植物,全世界共有13个品系,其中我国占11种,分布于秦岭以南诸省区的灌木丛中。
经分析,绞股蓝含有50多种皂苷,其中有4种相识于人参皂苷,含量为人参的8倍。
绞股蓝的总皂苷含量是人参的3倍。
绞股蓝富含人体必需的7种氨基酸、5种维生素,以及铁、镁、硅等多种微量元素。
被誉为“南方人参”和“第二人参”,具有滋补、提神、抗癌、抗衰老、消炎解毒、生津止咳等多种功效。
可将绞股蓝采用如下两法制备皂苷液:①醇浸法:将切成片的胶股蓝,用体积分数为70%~75%的食用酒精浸泡两遍后,再将2次浸出液合并、过滤,既得皂苷液。
②水浸法:将切成片的胶股蓝,加50倍的水浸泡后,煮沸5min过滤取汁液。
应优选胶股蓝品种,胶股蓝皂苷液有苦型、中型、甜型3重口味,一般使用中性者,也可根据按口味喜好选择其余两种。
2.皂苷液的加量及填加方式:加量以总皂苷量计,为4~6mg/L。
若加量太多,则影响啤酒口味,若加量太少,则起不到保健作用。
可采用以下三种方式填加:①在麦汁煮沸与酒花一起加入麦汁。
②加至主发酵结束后的嫩啤酒中,以后的工艺过程同一般啤酒生产。
③加至清酒中,需充分混合均匀。
二、产品质量指标1.感官指标:呈金黄色,清亮透明,泡沫洁白细腻,泡沫持续时间在5min 以上;具有明显的酒花香和胶股蓝芳香;口味纯正爽适,酒体协调,风味独特。
2.理化指标:原麦汁浓度为10%左右,酒精体积分数为3%,酸度小于2.5,色度为5~12EBC,真正发酵度为60%以上,双乙酰含量为0.15mg/L以下,CO2含量≥0.35。
附:绞股蓝的具体药理作用一、绞股蓝提高免疫力1、双向调节免疫系统绞股蓝能够提高巨噬能力,明显增高白细胞数,同时增加白细胞自身的吞噬功能,促进体内白介素的分泌,增加血清免疫蛋白的产生。
二、调节内分泌2、降血糖绞股蓝可以保护肾上腺和胸腺及内分泌器官,使之不随年龄的增长而萎缩,维持内分泌系统的正常机能。
绞股蓝地方标准嘿,朋友们!今天咱来聊聊绞股蓝地方标准这事儿。
你说绞股蓝啊,那可真是个宝贝!就好像咱生活里的贴心小助手。
它在不同的地方可能有不同的标准呢,这可重要了,就跟每个人都有自己的特点一样。
你想啊,要是没有一个统一的标准,那岂不是乱套啦?就好比去市场买东西,没有个价格标准,那还不得让人摸不着头脑呀!绞股蓝也是这样,有了明确的标准,我们才能更好地了解它、利用它。
咱说这绞股蓝地方标准,那就是给绞股蓝设定的一个规矩。
就像我们上学有校规,上班有工作纪律一样,它让绞股蓝的生产、加工、销售等等都有了可循的规则。
这可不是随便定的,那得综合考虑好多因素呢!比如它的生长环境、品质要求、检测方法等等。
比如说生长环境吧,不同的地方土壤不一样、气候不一样,绞股蓝长出来能一样吗?肯定不能啊!所以标准就得考虑这些,得保证我们用到的绞股蓝都是好的呀。
再说说品质要求,这就好比我们挑水果,总不能挑那些烂的吧?绞股蓝也得有个好品质,这样我们用起来才放心,效果才好呀。
还有检测方法呢,这就像是给绞股蓝做体检,得确保它是健康的、合格的。
不然我们用了不好的绞股蓝,那不就跟吃了坏东西一样嘛,能好受吗?那有人可能会问了,这绞股蓝地方标准到底有啥用呢?用处可大啦!它能保证我们买到的绞股蓝是真的好东西,不是那些以次充好的。
它还能促进绞股蓝产业的健康发展呢,让那些认真做事的人得到应有的回报,不好吗?而且啊,有了这个标准,我们也能更好地研究绞股蓝呀。
科学家们可以根据标准来做实验、搞研究,说不定能发现更多绞股蓝的好处呢!这不是造福我们大家嘛。
咱再想想,如果没有绞股蓝地方标准,那市场上不就乱哄哄的啦?谁都可以随便卖,质量参差不齐,我们消费者还怎么放心买呀?所以说,这标准可真是太重要啦!就像我们走路要有方向一样,绞股蓝也得有它的标准来指引呢。
总之,绞股蓝地方标准可不是什么可有可无的东西,它是保障我们能用上好绞股蓝的重要依据呀!大家可得重视起来,让我们一起为了更好的绞股蓝而努力吧!原创不易,请尊重原创,谢谢!。
绞股蓝提取物技术要求1范围本技术要求规定了保健食品原料绞股蓝提取物的技术要求、检验方法、检验规则和标签、包装、运输、贮存要求。
本技术要求适用于以绞股蓝为原料经提取而成并作为保健食品原料的提取物。
2规范性引用文件下列文件中的条款通过本技术要求的引用而成为本技术要求的条款。
凡是标注日期的引用文件,其随后所有的修改单(不包括勘误的内容)或修订版均不适用于本技术要求,但是,鼓励根据本技术要求达成协议的各方研究是否可使用这些文件的最新版本。
凡是不标注日期的引用文件,其最新版本适用于本技术要求。
GB/T 6682分析实验室用水规格和试验方法GB/T 5009.11食品中总碑及无机碑的测定GB 5009.12食品中铅的测定GB/T 5009.15食品中镉的测定GB/T 5009.17食品中总汞及有机汞的测定GB/T 5009.19食品中有机氯农药多组分残留量的测定GB 4789.1〜3、GB 4789.15食品微生物学检验标准汇编《中华人民共和国药典》2010年版一部《中华人民共和国药典》2010年版二部3结构式绞股蓝皂昔XL IX (Gypenoside XL IX),分子式为C52H86O21,分子量为1047.23。
图1绞股蓝皂昔XL IX4技术要求4.1工艺要求4.1.1植物基源为葫芦科植物绞股蓝Gynostemma pentaphyllum (Thunb.) Makino的干燥全草。
4.1.2工艺过程取绞股蓝全草,经拣选、洗涤后,切成2〜4cm段,加乙醇加热回流提取两次,提取液滤过,合并滤液,采用D101大孔吸附树脂和LSI-010脱盐树脂吸附净化,回收乙醇,浓缩成浸膏,70℃减压干燥,粉碎,过筛,装袋,封口,即得。
4.2感官指标应符合表1的规定4.3功效成分/标志性成分应符合表2的规定。
4.4理化指标应符合表3的规定。
34.5微生物指标应符合表4的规定。
表4微生物指标5检验方法5.1感官检验启开试样包装后,立即嗅其气味和品其滋味;取试样适量置于白色瓷盘中观察其色泽、外观,检查有无异物。
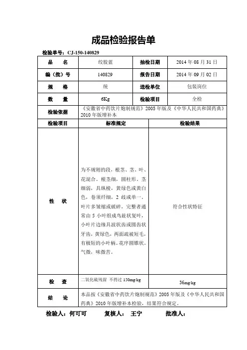
成品检验报告单
检验单号:CJ-150-140829
品名绞股蓝抽检日期2014年08月31日编(批)号140829 报告日期2014年09月02日规格统送检单位包装岗位数量6Kg 检验项目全检
检验依据《安徽省中药饮片炮制规范》2005年版及《中华人民共和国药典》2010年版增补本
检验项目标准规定检验结果
性状为不规则的段,根茎、茎、叶、
花混合。
根茎细,圆柱形。
茎
细弱,具纵棱,黄绿色或黄白
色,卷须纤细,2歧或单一。
叶片多皱缩或破碎,完整者通
常由5小叶组成鸟趾状复叶,
小叶片边缘具波状齿或圆齿状
牙齿,黄绿色,两面疏被短毛,
有极短的小叶柄。
花序圆锥状。
气微,味微苦。
符合性状特征
检查二氧化硫残留不得过150mg/kg36mg/kg
结论
本品按《安徽省中药饮片炮制规范》2005年版及《中华人民共和国
药典》2010年版增补本检验,结果符合规定。
检验人:何可可复核人:王宁批准人:。
021-绞股蓝饮片质量标准
一、目的:制定本标准为生产部生产绞股蓝饮片提供质量依据,确保符合规定。
二、范围:本标准只适用于绞股蓝饮片质量的规范。
三、职责:生产部依据本标准生产出合格的饮片,化验室依据本标准进行检验判断合格情况。
四、内容
1.本标准制定依据:浙江省中药饮片炮制规范2005年版。
2.质量标准
炮制取原药,除去杂质,洗净,切段,干燥。
性状呈段状。
茎细长,有棱。
卷须生于叶腋。
叶为鸟足状复叶,小叶5~7;小叶片椭圆状披针形至卵形,边缘有锯齿,两面脉上有时有短毛。
花序圆锥状;花冠5 裂。
浆果球形,成熟时黑色。
气微,味苦、淡或甘。
检查杂质不得过3% (中国药典2005 年版一部附录Ⅸ A )。
性味与
归经苦,寒。
功能与主治清热解毒,止咳化痰,镇静,安眠,降血脂。
用于慢性支气管炎,肝炎,胃、十二指肠溃疡,动脉硬化,白发,偏头痛,肿瘤。
用法与
用量 3~9g 。
复验按《物料储存期及复验管理规程》执行。
贮藏置干燥处。
文件标题
绞股蓝饮片质量标准文件编码 STP-ZL-05-021-00
页数共1页第1页起草部门
起草人审核人批准人质量部起草日期审核日期
批准日期颁发部门质量部
版本号 01-2014 执行日期分发部门化验室、质量部、生产部变更原因及目的:。
绞股蓝皂苷质量标准
绞股蓝皂苷是一种从绞股蓝中提取的有效成分,通常被用于药物制剂和保健品中。
以下是绞股蓝皂苷的一般质量标准,但请注意,具体的标准可能会因地区、用途和行业规定而有所不同:
含量测定:绞股蓝皂苷的含量应符合国家或行业标准规定的要求,通常以高效液相色谱法(HPLC)或紫外分光光度法(UV)进行测定。
外观:绞股蓝皂苷应为白色或微黄色结晶性粉末,无异物、结块或明显杂质。
溶解性:绞股蓝皂苷应在特定的溶剂中具有一定的溶解度,符合规定的溶解度要求。
残留溶剂:残留溶剂的含量应符合国家或行业标准规定的限量要求,通常采用气相色谱法(GC)进行检测。
重金属和有害元素:绞股蓝皂苷中重金属和有害元素的含量应符合国家或行业标准规定的限量要求,通常采用原子吸收光谱法(AAS)进行检测。
这些是一般来说对绞股蓝皂苷的质量标准,但具体标准还需要参考当地的法规和行业标准。
如果需要具体的产品质量标准,建议向生产商、药品监管部门或相关行业协会进行咨询。
国家质量监督检验检疫总局公告2004年第189号——平利绞股蓝原产地域保护文章属性•【制定机关】国家质量监督检验检疫总局(已撤销)•【公布日期】2004.12.13•【文号】国家质量监督检验检疫总局公告2004年第189号•【施行日期】2004.12.13•【效力等级】部门规范性文件•【时效性】现行有效•【主题分类】质量监督检验检疫其他规定正文国家质量监督检验检疫总局公告(2004年第189号)根据《中华人民共和国产品质量法》和《原产地域产品保护规定》,我局通过了对平利绞股蓝原产地域产品保护申请的审查,现批准自即日起对平利绞股蓝实施原产地域保护。
一、地域保护范围平利绞股蓝原产地域范围以陕西省平利县人民政府《关于界定平利绞股蓝原产地域产品保护范围的函》(平政字[2003]12号)提出的地域范围为准,为陕西省平利县现辖行政区域。
二、质量技术要求(一)栽培管理。
1.地域选择:选择保护区内海拔400至1600米之间的区域。
地势平坦,排灌便利,土层深厚,土壤肥沃,有机质含量大于2.0%,PH在6.0至7.5之间的沙壤土或壤土。
2.备种:在平利绞股蓝种子田中选择优良的种子,秋季采摘浆果,经过晾干后贮藏备用。
3.播种:当气温稳定在10℃时以上时即可播种,亩播种0.5至1公斤,留苗0.8至1.2万株。
4.田间管理:土壤湿度保持在70%至80%之间。
播种后及时人工除草,严禁化学除草。
(二)质量特色。
色泽翠绿,龙须密集,硒含量≥0.02mg/kg。
三、专用标志使用在平利绞股蓝原产地域范围内的生产者,如使用“原产地域产品专用标志”,须向设在当地质量技术监督局的平利绞股蓝原产地域产品保护申报机构提出申请,经初审合格,由国家质检总局公告批准后,方可使用平利绞股蓝“原产地域产品专用标志”。
自本公告发布之日起,各地质量技术监督部门开始对平利绞股蓝实施原产地域产品保护措施。
特此公告。
二00四年十二月十三日。
绞股蓝提取物企业标准一、范围本标准规定了绞股蓝提取物的术语和定义、技术要求、试验方法、检验规则、标志、包装、运输、贮存等内容。
本标准适用于以绞股蓝为原料制成的提取物产品。
二、规范性引用文件下列文件对于本文件的应用是必不可少的。
凡是注日期的引用文件,仅注日期的版本适用于本文件。
凡是不注日期的引用文件,其最新版本(包括所有的修改单)适用于本文件。
三、术语和定义1. 绞股蓝提取物:以绞股蓝为原料,经过提取、分离、浓缩等工艺制成的提取物产品。
2. 绞股蓝:一种草本植物,具有清热解毒、止咳祛痰、益气健胃等功效,常用于制作中药材和保健食品。
3. 提取物:从植物或动物材料中提取出来的有效成分,通常以浓缩的形式存在。
四、技术要求1. 外观:绞股蓝提取物应呈深绿色或棕褐色粉末或液体,无杂质、无异味。
2. 有效成分:绞股蓝提取物应含有丰富的皂甙、黄酮类化合物等有效成分,其含量应符合相关规定。
3. 稳定性:绞股蓝提取物应能在常温下保持稳定,不发生分层、沉淀等现象。
4. 安全性:绞股蓝提取物应无毒无害,符合国家相关规定。
五、试验方法1. 外观观察:取适量绞股蓝提取物,观察其颜色、状态和杂质情况。
2. 有效成分测定:按照相关方法测定绞股蓝提取物中皂甙、黄酮类化合物的含量。
3. 稳定性试验:将绞股蓝提取物置于常温条件下,观察其稳定性情况。
4. 安全性评价:按照相关方法对绞股蓝提取物进行急性毒性试验和亚慢性毒性试验,评价其安全性。
六、检验规则1. 出厂检验:每批绞股蓝提取物都应进行出厂检验,检验项目应包括外观、有效成分含量、稳定性等。
2. 型式检验:在下列情况下,应对绞股蓝提取物进行型式检验,以验证产品是否符合本标准的规定:a) 新产品试制或老产品转产时;b) 正式生产过程中,每半年进行一次;c) 当原材料、工艺等发生较大变化时;d) 产品停产半年以上重新恢复生产时;e) 国家质量监督机构提出型式检验要求时。
型式检验的项目应包括本标准规定的全部项目。
绞股蓝处方制剂的工艺及质量标准研究概况关键词:绞股蓝处方制剂工艺质量标准绞股蓝Gynostemmapentaphllum(Thunb.)Mak为葫芦科植物绞股蓝的根状茎或全草,又名“七叶胆”、“南方参”。
具有降血脂、抑制肥胖、抗衰防老等广泛的药理活性,并且具有人参样强壮补益功效。
多年来,一直是国内外医药人员研究的热点课题。
绞股蓝及其处方的制剂(包括胶囊、丸剂、冲剂等)的工艺及质量标准的研究较多,本文主要对绞股蓝及其含绞股蓝的述,。
1111(由绞股蓝、丹参、郁金、麦冬、茯苓、百合、甘草组成)从预防急性高原反应,治疗气阴两虚、身体衰弱及高血脂证的口服冲剂。
实验为筛选最佳煎煮工艺条件,选定加水量、浸泡时间、煎煮时间、煎煮次数4因素各3水平进行正交实验设计,以测定总固体收率为实验判断指标,拟定了合理的制备方法:绞股蓝等药物混合用水速洗一次,再加药材重量10倍量的水,煎煮1小时,同法煎煮3次,合并煎液滤过,浓缩,与糖粉(1∶5)充分搅拌混匀,过16目筛制成颗粒,干燥,整粒,即可分装。
实验中采用自然冷却沉淀处理,不仅可除去水不溶性杂质及泥沙,而且简便、经济,降低制剂成本(1)。
复方绞股蓝冲剂(由绞股蓝、虎杖、毛冬青、五脂毛桃等组成),用于解毒利湿、活血化瘀、健脾益气。
制备方法较简单:诸药合并用常法水煎两次(115小时/次),合并滤液浓缩成稠膏(1∶10),加适量白糖粉制颗粒,于80℃干燥,分装即得2。
112合剂1023合剂(由黄芪、绞股蓝、川芎、含硒绿茶组成)具抑瘤和阻癌作用。
为筛选抑瘤和阻癌作用皆为最佳的配方,将42验,究,实验结果:黄、川芎三药提取浓缩成1∶2浓度与含硒绿茶1∶1浓度组成方剂,其抑瘤和阻癌作用皆为最佳。
结果还提示,绞股蓝起主效应作()用3。
该实验提示,可通过处方的药理作用作为判断指标对其药物组成进行研究,筛选制剂的最佳配方。
113丸剂绞股蓝总甙微丸系采用绞股蓝总甙粉与甘露醇混匀,于包衣造粒机中以2%羟丙基甲基纤维素乙醇溶液为粘合剂,制备素丸,然后仍用同一溶液在机内包薄膜衣而得。
如对您有帮助,可购买打赏,谢谢
生活常识分享如何挑选绞股蓝
导语:绞股蓝是时下比较时尚的一种饮品,其中含有丰富的矿物质和微量元素。
在临床上绞股蓝的功能有很多,可以起到降脂、降压、降糖等作用,如果想
绞股蓝是时下比较时尚的一种饮品,其中含有丰富的矿物质和微量元素。
在临床上绞股蓝的功能有很多,可以起到降脂、降压、降糖等作用,如果想要减肥,经常喝绞股蓝也不错。
但是,很多人对绞股蓝并不是很熟悉,特别是在选购的技巧上。
那么,如何挑选绞股蓝?下面咱们就来看看购买绞股蓝的方法。
首先从气味上辨别
优质的尤其是野生的,有一股山野的清香,其气没有丝毫矫揉造作,自然清新,而且十分绵长,累月积年也依然保持,由于其人参类似皂甙含量很丰富,所以喝起来是人参的甘味,不会觉得太苦。
较差者,其臭很是浅薄或不自然。
粗劣者,如闻霉干菜味或者干脆无臭无味。
其次从热水冲泡的汤色看
其优者,水到色出,汤水色泽嫩绿,清澈透明,惹人喜爱,而且久泡不衰,多次冲泡依然不改其色。
较差者,恰如自知愧羞一般,久久不肯出色,出者其色老黄,一般冲上二回,已经色淡色衰。
伪劣者,其出色更是躲躲闪闪,好像难以见人,其汤色浅淡苍白。
再次观其冲泡之形
其优质野生的,冲泡后卷缩的嫩叶嫩茎须迅速张开,复叶五枚,叶缘浅齿,因为须细叶嫩,时有断片,然茎叶舒展,犹如轻燕振翅,体积倍增。
较差者茎老叶粗,甚者藤叶长连,不具雅态。
伪者更是长藤大叶,其形粗俗,很难与茶并列。
【目的】制定绞股蓝成品质量标准。
【适用范围】本标准适用于绞股蓝成品质量标准。
【责任】生产部、质量部。
【标准】1.标准依据:《湖南省中药材标准》(2009年版)。
2.品名、汉语拼音、拉丁文2.1品名:绞股蓝2.2汉语拼音:Jiaogulan2.3拉丁文:HERBA GYNOSTEMMATIS PENTAPHYLLI3.来源本品为葫芦科植物绞股蓝Gynostemma pentaphyllum (Thunberg) Makino 的干燥地上部分。
夏、秋季枝叶茂盛时,采割地上部分,除去杂草,洗净、干燥、即得。
4.性状本品常缠绕成团,茎纤细,淡棕色,具纵棱数条,有时带有卷须;叶多皱缩,灰绿色,展开后,掌状复叶多为5片小叶,膜质,叶脉被疏柔毛,叶柄长2~4cm,侧生小叶卵状长圆形或长圆状披针形,中央1片较大,长4~12cm,宽约2~3cm,先端渐尖,基部楔形,叶缘具粗锯齿;有时可见果实,圆球形,直径约6mm,近顶端具一横环纹。
气清香,味甘而微苦。
5.鉴别(1)本品粉末黄绿色。
非腺毛较易见,多破碎,由多细胞组成,完整者由2~14个细胞组成,有时可见萎缩细胞,表面具细密纵纹理,直径24~40μm。
腺毛呈长椭圆形,腺头由4个细胞组成,长约40μm,直径约24μm,内含淡黄色分泌物。
导管为具缘纹孔导管、螺纹导管、网纹导管。
纤维多破碎,壁厚约3~5μm。
淀粉粒多单粒,卵圆形,类圆形或类长椭圆形,脐点点状,人字状。
气孔为不定式,副卫细胞4~5个。
(2)取本品粉末1g,置试管中,加石油醚(60~90℃)4ml,置水浴上加热2分钟,弃去石油醚(60~90℃)液,残渣加醋酐2ml,置水浴上加热2分钟,滤过,取滤液0.5~1ml,置试管中,沿试管壁缓缓加入等量浓硫酸,置水浴上温热,两液交界面显棕色环。
(3)取本品粉末2g,加乙醇20ml,超声处理30分钟,滤过,滤液蒸干,残渣加7%硫酸与45%乙醇的等量混合溶液15ml,加热回流1小时,蒸至无醇味,用二氯甲烷10ml提取,分取二氯甲烷液,通过盛有适量无水硫酸钠的漏斗脱水,滤液浓缩至1ml,作为供试品溶液。
复方绞股蓝胶囊质量标准的修订
蒋振忠;唐学明;李晓梅;赵琪钟;冯德强
【期刊名称】《云南中医学院学报》
【年(卷),期】2010(033)004
【摘要】目的:研究修订本所医院制剂复方绞股蓝胶囊的质量标准.方法:依据中国药典一部对天然药物质量标准的相关规定,在"鉴别"项中选取处方中主要药物绞股蓝、麦冬与其对照药材进行薄层分析对照试验、分析、反复比较.结果:复方绞股蓝胶囊薄层色谱鉴别,供试品在与绞股蓝、麦冬对照药材色谱相应的位置上,显相同颜色斑点.结论:选取鉴别绞股蓝、麦冬的薄层色谱试验,作为复方绞股蓝胶囊质量标准的主要检测项目,专属性强,可控性高,重复性较好,能较好控制该制剂的内在质量.【总页数】2页(P10-11)
【作者】蒋振忠;唐学明;李晓梅;赵琪钟;冯德强
【作者单位】云南普洱市民族传统医药研究所,云南思茅,665000;云南普洱市民族传统医药研究所,云南思茅,665000;云南普洱市药品检验所,云南思茅,665000;云南普洱市药品检验所,云南思茅,665000;云南中医学院,云南昆明,650500
【正文语种】中文
【中图分类】R284.2
【相关文献】
1.复方绞股蓝胶囊质量标准研究 [J], 熊野娟
2.绞股蓝总苷胶囊质量标准研究 [J], 景冬樱;卞俊;宫丽;叶凯
3.复方绞股蓝胶囊的质量标准及药理研究 [J], 蒋振忠;冯德强;王海春
4.基于网络药理学和分子对接技术预测复方绞股蓝胶囊治疗口腔扁平苔藓的分子机制 [J], 李悦悦;章斌;陈慧瑾
5.绞股蓝丹胶囊质量标准研究 [J], 池明宇;梅学文;韩春玲;关书博
因版权原因,仅展示原文概要,查看原文内容请购买。
【目的】制定绞股蓝成品质量标准。
【适用范围】本标准适用于绞股蓝成品质量标准。
【责任】生产部、质量部。
【标准】
1.标准依据:《湖南省中药材标准》(2009年版)。
2.品名、汉语拼音、拉丁文
2.1品名:绞股蓝
2.2汉语拼音:Jiaogulan
2.3拉丁文:HERBA GYNOSTEMMATIS PENTAPHYLLI
3.来源
本品为葫芦科植物绞股蓝Gynostemma pentaphyllum (Thunberg) Makino 的干燥地上部分。
夏、秋季枝叶茂盛时,采割地上部分,除去杂草,洗净、干燥、即得。
4.性状
本品常缠绕成团,茎纤细,淡棕色,具纵棱数条,有时带有卷须;叶多皱缩,灰绿色,展开后,掌状复叶
多为5片小叶,膜质,叶脉被疏柔毛,叶柄长2~4cm,侧生小叶卵状长圆形或长圆状披针形,中央1片较大,长4~12cm,宽约2~3cm,先端渐尖,基部楔形,叶缘具粗锯齿;有时可见果实,圆球形,直径约6mm,近顶端具一横环纹。
气清香,味甘而微苦。
5.鉴别
(1)本品粉末黄绿色。
非腺毛较易见,多破碎,由多细胞组成,完整者由2~14个细胞组成,有时可见萎缩细胞,表面具细密纵纹理,直径24~40μm。
腺毛呈长椭圆形,腺头由4个细胞组成,长约40μm,直径约24μm,内含淡黄色分泌物。
导管为具缘纹孔导管、螺纹导管、网纹导管。
纤维多破碎,壁厚约3~5μm。
淀粉粒多单粒,卵圆形,类圆形或类长椭圆形,脐点点状,人字状。
气孔为不定式,副卫细胞4~5个。
(2)取本品粉末1g,置试管中,加石油醚(60~90℃)4ml,置水浴上加热2分钟,弃去石油醚(60~90℃)液,残渣加醋酐2ml,置水浴上加热2分钟,滤过,取滤液0.5~1ml,置试管中,沿试管壁缓缓加入等量浓硫酸,置水浴上温热,两液交界面显棕色环。
(3)取本品粉末2g,加乙醇20ml,超声处理30分钟,滤过,滤液蒸干,残渣加7%硫酸与45%乙醇的等量混合溶液15ml,加热回流1小时,蒸至无醇味,用二氯甲烷10ml提取,分取二氯甲烷液,通过盛有适量无水硫酸钠的漏斗脱水,滤液浓缩至1ml,作为供试品溶液。
另取人参二醇、人参三醇对照品,加无水乙醇制成每1ml各含1mg的混合溶液,作为对照品溶液。
照薄层色谱法(《中国药典》附录ⅥB)试验,吸取上述两种溶液各10μl,分别点于同一硅胶G薄层板上,以环己烷-丙酮(2:1)为展开剂,展开,取出,晾干,喷以10%的硫酸乙醇溶液,在105℃加热至斑点显色清晰。
分别置日光及紫外光灯(365nm)下检视。
供试品色谱中,在与对照品色谱相应的位置上,显相同颜色的斑点或荧光斑点。
6.检查
水分照水分测定法(《中国药典》附录ⅨH 第一法)测定,不得过15.0%。
7.饮片
【炮制】除去杂草,洗净,干燥。