密级配目标配合比设计 PPT
- 格式:ppt
- 大小:3.23 MB
- 文档页数:51
检验报告编号:委托试验单编号:公路工程试验检测中心高速公路车辙处治工程沥青路面上面层AC-16C改性沥青混凝土目标配合比设计报告委托单位:高速公路管理处工程名称:高速公路车辙处治工程受高速公路管理处的委托,省公路工程试验检测中心承担高速公路车辙处治工程改性沥青路面AC-16C型上面层目标配合比设计。
兹将试验结果报告如下:1.依据主要技术规范、试验规程1.1 JTG F40-2004《公路沥青路面施工技术规范》1.2 JTJ052-2000《公路工程沥青及沥青混合料试验规程》1.3 JTGE42-2005《公路工程集料试验规程》2.原材料性质分析高速高速公路沥青路面上面层采用AC-16C粗型密级配沥青混凝土。
试验所用的各种原材料均为委托单位提供,其中3种石灰岩碎石、1种石屑,产地均为石料厂,矿粉产地为偃师市香山水泥厂,沥青为克拉玛依的A-70#沥青,为改善沥青混合料的性能,特加入德国生产的多美克斯改性剂,并跟未加改性剂的混合料性能进行比较。
2.1 沥青本次所用的克拉玛依的A-70#沥青由委托单位提供,沥青检测由河南省公路工程试验检测中心进行,沥青与水的相对密度(25℃/25℃)=0.981。
2.2 矿料在上面层AC-16C粗型沥青混凝土目标配合比试验中,采用的矿料包括3种粗集料、1种细集料和1种矿粉填充料。
2.2.1 粗集料3种石灰岩碎石粗集料的规格分别为:小10mm~20mm、5mm~10mm、3mm~5mm,粗集料的试验项目及试验结果见表1。
表1 粗集料技术性质从表中可以看出,各种粗集料的质量指标均符合JTG F40-2004中关于高速公路及一级公路沥青路面上面层使用粗集料质量的技术要求。
2.2.2 细集料细集料采用石屑,细集料的试验项目及试验结果见下表2。
2.2.3 矿粉矿粉为石灰岩矿粉,试验结果见表3。
表3 矿粉技术性质3.AC-16C型沥青混合料配合比设计按照JTG F40-2004《公路沥青路面施工技术规范》的要求,AC-16C粗型密级配改性沥青混凝土上面层目标配合比设计,采用马歇尔试验配合比设计方法进行。
为应对高速公路通车后交通量迅速增长,大型车辆和严重超载等现象,避免沥青路面早期破坏,近几年我国开始应用推广以沥青碎石为代表的柔性基层。
沥青碎石基层可以增强路面排水能力,减少沥青层的温度收缩裂缝和防止反射裂缝的发生,改善路面使用性能,提高其使用寿命。
ATB称为密级配沥青稳定碎石混合料,它与普通沥青混凝土的区别主要是公称粒径的的不同,公称最大粒径通常≥26.5mm。
ATB沥青稳定碎石一般设计空隙率为3%-6%,铺筑层厚度较厚。
路面铺筑后具有良好的骨架结构,且具有防水、高温稳定、低温抗裂等特性,因此柔性基层路面结构具有优良的路面性能以及抵抗。
环境和重交通荷载疲劳作用的能力。
采用ATB—30沥青稳定碎石结构,是为了减少路面反射裂缝的出现,延长路面使用寿命。
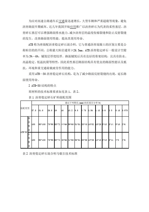
2 ATB-30结构的特点原材料的技术标准要求如见表1、表2。
表1 沥青稳定碎石矿料级配范围表2 沥青稳定碎石混合料马歇尔技术标准3.1.2 确定矿料合成级配该过程是确定各矿料的比例,并具有足够的密度和矿料间隙要求,使粗集料相互接触形成骨架,及较高的粘聚力和较高的内摩阻角。
根据单粒级集料筛分结果最终确定矿料合成级配见表6和矿料级配组成设计图。
为了反映其可比性,在ATB-30的工程级配范围内设计了三条合成级配曲线。
从表6和图2可以看出曲线走势为:级配A几乎走级配范围的中值,级配B走级配中值与上限之间,级配C走级配中值与下限之间。
采用上述三种级配进行一系列马歇尔试验。
表6矿料级配组成设计矿料级配组成设计图3.1.3 最佳沥青用量的确定三种级配分别采用2.5%、3.0%、3.5%、4.0%、4.5%的油石比制作马歇尔试件和轮碾成型后钻取芯样进行相关试验。
通过马歇尔试验测定试件密度、空隙率、矿料间隙率和沥青饱和度、稳定度、流值等,结果见表7。
表7沥青稳定碎石混合料马歇尔性能指标测定结果由表7的试验数据可以看出不同的制件方法对混合料性能有所影响。
用马歇尔试验方法确定最佳石油比。
论AC—16C粗型密级配沥青混合料配合比设计罗阳高速公路属于粤西北交通干道,交通量大,汕湛共线重载车多,尤其是重载车紧急刹车时产生的剪应力较大,要求路面材料的抗剪切强度高,抗变形能力强、耐久性和稳定性好,从沥青混凝土类型的选择、集料选择和混合料级配设计着手,提高面层抗滑能力,同时考虑该地区历史最高气温在33.4℃以上,历史最低气温在-1.8℃,路面沥青混凝土的最高使用温度可达到65℃~70℃,对沥青混凝土的高温稳定性和低温性能提出了较高的要求。
夏季温度高,高温持续时间长,降雨较多,交通量大,为了提高抗高温车辙能力和抗水损害能力,上面层沥青混合料选用AC-16C粗型密级配作为工程设计的矿料级配。
1 AC-16C配合比设计1.1 主要原材料1.1.1 沥青:AC-16C沥青混合料沥青采用壳牌SBS改性沥青。
1.1.2 集料原材料。
第一,粗集料:采用封開变质砂岩碎石,与沥青有较好的粘附性,为5级;压碎值为11.5%,吸水率为0.32%。
第二,细集料:0~3mm机制砂。
第三,抗剥落剂:P.C32.5R水泥。
第四,填料:石灰石矿粉。
1.2 目标配合比设计1.2.1 AC-16C矿料级配试配。
第一,经过AC-16C矿料级配试配,设计3组粗细不同的级配曲线,使绘制的设计级配线分别位于工程级配范围的上方及中值之间。
试验结果见表2:根据试验选择适宜的油石比,分别制作马歇尔试件,测定VMA值,试验结果见表3:初选空隙率为4.3%作为目标空隙率,选定级配2测定VMA值接近要求的级配作为工程设计级配。
1.2.2 马歇尔试验及确定最佳沥青用量(或油石比)。
第一,选定AC-16C上面层沥青混合料矿料合成级配见表4、表5、图1。
第二,根据热拌沥青混合料配合比设计方法,取五种不同的沥青油石比(油石比分别为3.6%、4.1%、4.6%、5.1%、5.6%)分别进行马歇尔击实成型试件,并进行了沥青混合料马歇尔试验,确定目标配合比的最佳沥青油石比,试验结果见表6:考虑本路段是炎热多雨及重载交通高速路段,可能产生较大车辙,选定AC-16C上面层沥青混合料最佳沥青用量为4.45%。