位移振动和速度振动单位换算
- 格式:docx
- 大小:11.10 KB
- 文档页数:1
测振仪单位mm、mms、mms²关系及换算振动一般可以用以下三个单位表示:mm、mm/s、mm/s²,即振幅、振动速度(振速)、振动加速度。
振幅是表象,速度和加速度是转子激振力的程度。
1、振动位移:理解成路程,单位是mm,一般用于低转速机械的振动评定;2、振动速度:理解成速度,单位是mm/s,一般用于中速转动机械的振动评定;3、振动加速度:理解成运动加速度,单位mm/s²,一般用于高速转动机械的振动评定。
工程实用的振动速度是速度的有效值,表征的是振动的能量。
加速度是用的峰值,表征振动中冲击力的大小。
速度描述的是运动快慢;振速就是振动快慢,一秒内能产生的振幅。
振幅相同的设备,它的振动状态可能不同,所以引入了振速。
位移、速度、加速度都是振动测量的度量参数。
就概念而言,位移的测量能够直接反映轴承固定螺栓和其它固定件上的应力状况。
例如通过分析透平机上滑动轴承的位移,可以知道其轴承内轴杆的位置和摩擦情况;速度反映轴承及其它相关结构所承受的疲劳应力,而这正是导致旋转设备故障的重要原因;加速度则反映设备内部各种力的综合作用。
表达上三者均为正弦曲线,分别有90度、180度的相位差。
现场应用上,对于低速设备(转速小于1000RPM)来说,位移是最好的测量方法。
而那些加速度很小位移较大的设备,一般采用折衷的方法,即采用速度测量。
对于高速度或高频设备,有时尽管位移很小速度也适中,但其加速度却可能很高的设备,采用加速度测量是非常重要的手段。
另外还需要了解传感器的工作原理及应用选择,提及一点,例如采用涡流传感器测量的位移和应用加速度传感器,通过两次积分输出的位移所得到的东西是完全不一样的。
涡流传感器测量轴承与轴杆之间的相对运动;加速度传感器测量轴承顶部的振动,然后转换成位移。
如整个轴承振动的很厉害,轴与轴承的相对运动很小,涡流传感器就不能反应出这样的状态,而加速度传感器则可以。
两种传感器测量两种不同的现象。
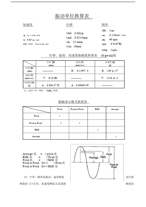
振动单位换算表加速度位移频率sec/0254.0sec /1sec /807.91sec /174.321m in m g ft g ===mmcm mm in mm mil inmil 1014.2510254.01001.01==== cpmrmp Hz rpm rpm Hz rad Hz cpsHz 110167.01601sec/159.0111=====位移、速度、加速度振幅值换算表(0-peak)值位移 [D] (mm) 速度[V] (mm/sec)加速度[A](g)位移[D] (mm) ---------------fV D /159.0=2/249f A D =速度[V] (mm/sec) fD V 28.6= ---------------f A V /1558=加速度[A](g)D f A 2004.0=fV A 00064.0=---------------注:适用于单一频率f (Hz)换算。
振幅表示模式换算表Peak Peak to PeakRMS AveragePeak 1 Peak to Peak2 1 RMS 1 Average1Average 值 =×peak 值 RMS 值 =×Peak 值 Peak 值 =×RMS 值Peak to Peak 值= 2 ×Peak 值 Peak to Peak 值=×RMS 值对一个单一频率的振动,速度峰值是位移峰值的2πf倍,加速度峰值又是速度峰值的2πf倍。
当然要注意位移一般用的峰峰值,速度用有效值,加速度用峰值。
还要注意现场测量的位移是轴和轴瓦的相对振动,速度和加速度测的是轴瓦的绝对振动。
假设一个振动的速度一定,是5mm/s,大家可以自己算下如果是低频振动,其位移会很大,但加速度很小。
高频振动位移则极小,加速度很大。
所以一般在低频区域都用位移,高频区域用加速度,中频用速度。
振动速度、加速度和位移是描述物体振动状态的重要物理量,它们之间的相位关系对于理解和分析振动运动至关重要。
下面通过分析振动速度、加速度和位移之间的相位关系,来探讨它们之间的关联。
1. 振动速度、加速度和位移的定义振动速度指的是物体在振动过程中的速度,通常用v来表示,单位是米每秒(m/s)。
加速度则是物体在振动过程中的加速度,通常用a 来表示,单位是米每秒平方(m/s^2)。
位移则是物体在振动过程中的位移量,通常用x来表示,单位是米(m)。
2. 三者之间的基本关系振动速度、加速度和位移之间的关系可以用微积分的概念进行描述。
假设物体在振动过程中的位移函数为x(t),则物体的速度函数v(t)和加速度函数a(t)可以分别用位移函数对时间的导数和二阶导数来表示:v(t) = dx(t)/dta(t) = d^2x(t)/dt^2这里,t表示时间。
根据导数的定义,速度函数v(t)表示物体在任意时刻的瞬时速度,而加速度函数a(t)表示物体在任意时刻的瞬时加速度。
3. 位移、速度和加速度的相位关系在简谐振动中,位移、速度和加速度之间存在一定的相位关系。
根据简谐振动的定义,位移、速度和加速度都可以表示为关于时间的正弦或余弦函数。
假设物体的振动周期为T,振动频率为f=1/T,角频率为ω=2πf,则位移函数、速度函数和加速度函数可以分别表示为:x(t) = A*sin(ωt + φ)v(t) = A*ω*cos(ωt + φ)a(t) = -A*ω^2*sin(ωt + φ)这里,A表示振幅,φ表示初相位。
根据上述函数表达式,位移、速度和加速度之间存在以下相位关系:位移x(t)与速度v(t)之间的相位关系为:v(t) = ω*x(t + π/2)位移x(t)与加速度a(t)之间的相位关系为:a(t) = -ω^2*x(t)由上面的推导可知,振动速度与位移之间存在90°的相位差,而振动加速度与位移之间存在180°的相位差。
振动单位换算表位移 [D] (mm)速度 [V] (mm/sec) 加速度 [A](g)位移 [D](mm)D 0.159V / fD 249A/ f 2 速度 [V](mm/sec)V 6.28fDV 1558 A / f加速度 [A](g)A 0.004f 2D A 0.00064 fVf (Hz) 振幅表示模式换算表PeakPeak to PeakRMSAveragePeak 1Peak to Peak21RMS1Average1Average 值 = ×peak 值 RMS 值 = ×Peak值 Peak 值 = ×RMS 值Peak to Peak 值= 2 ×Peak 值 Peak to Peak 值=×RMS 值对一个单一频率的振动,速度峰值 峰值的 2π f 倍,加速度峰值又是速度峰值的 2πf 倍。
加速度1g 32.174 ft /sec 1g 9.807 m / sec1in /sec 0.0254 m / sec位移1mil 0.001in 1mil 0.0254mm 1in 25.4mm 1cm 10mm频率1Hz 1cps 1Hz 0.159rad /sec 1Hz 60rpm 1rpm 0.0167Hz 1rmp 1cpm位移、速度、加速度振幅值换算表 (0-peak)值是位移当然要注意位移一般用的峰峰值,速度用有效值,加速度用峰值。
还要注意现场测量的位移是轴和轴瓦的相对振动,速度和加速度测的是轴瓦的绝对振动。
假设一个振动的速度一定,是5mm/s,大家可以自己算下如果是低频振动,其位移会很大,但加速度很小。
高频振动位移则极小,加速度很大。
所以一般在低频区域都用位移,高频区域用加速度,中频用速度。
但使用范围也有重叠。
位移值体现的是设备在空间上的振动范围,因此取其峰峰值,电力行业一般以位移为评判标准。
速度的有效值和振动的能量是成比例的,其大小代表了振动能量的大小,现在出了电力行业基本上都是以速度有效值为标准的。
振动一般可以用以下三个单位表示:mm、mm/s、mm/(s^2)。
mm振动位移:一般用于低转速机械的振动评定; mm/s振动速度:一般用于中速转动机械的振动评定; mm/(s^2)振动加速度:一般用于高速转动机械的振动评定。
现在的测振仪一般都采用压电式的,结构形式大致有二种:① 压缩式;② 剪切式,其原理是利用石英晶体和人工极化陶瓷(PZT)的压电效应设计而成。
当石英晶体或人工极化陶瓷受到机械应力作用时,其表面就产生电荷,所形成的电荷密度的大小与所施加的机械应力的大小成严格的线性关系。
同时,所受的机械应力在敏感质量一定的情况下与加速度值成正比。
在一定的条件下,压电晶体受力后产生的电荷与所感受的加速度值成正比。
产生的电荷经过电荷放大器及其它运算处理后输出就是我们所需要的数据了Q=dij·F=dij·m a式中:Q ── 压电晶体输出的电荷dij ── 压电晶体的二阶压电张量m ── 加速度的敏感质量a ── 所受的振动加速度值'. 压电加速度计承受单位振动加速度值输出电荷量的多少,称其电荷灵敏度,单位为pC/ms-2或pC/g(1g = 9.8ms-2)。
压电加速度计实质上相当于一个电荷源和一只电容器,通过等效电路简化以后,则可换算出加速度计的电压灵敏度为Sv = SQ/CaSv ── 加速度计的电压灵敏度 mV/ms-2SQ ── 加速度计的电荷灵敏度 pC/ms-2Ca ── 加速度计的电容量压电式速度传感器,它是通过在压电式加速度传感器上加一个积分电路,通过将加速度信号积一次分,可以得到振动的速度值!在振动测量时,应合理选择测量参数,如振动位移是研究强度和变形的重要依据;振动加速度与作用力或载荷成正比,是研究动力强度和疲劳的重要依据;振动速度决定了噪声的高低,人对机械振动的敏感程度在很大频率范围内是由速度决定的。
速度又与能量和功率有关,并决定动量的大小。
振动单位换算表加速度位移频率1mil 1Hz1cps 0.001in 0.159rad / sec1g 32.174 ft / sec 1Hz1mil0.0254mm60 rpm 1g 9.807 m / sec1Hz 1in / sec1in 25.4mm 0.0167Hz 0.0254 m / sec1rpm1cm 10mm1cpm1rmp位移、速度、加速度振幅值换算表(0-peak)值位移 [D] 速度 [V] 加速度 [A](mm)(mm/sec)(g)位移 [D] ---------------D 0.159V / f D 249 A / f2(mm) 速度 [V] V 6.28 fD ---------------V1558 A / f(mm/sec) 加速度 [A]A0.004 f 2DA0.00064 fV---------------(g)注:适用于单一频率f (Hz) 换算。
振幅表示模式换算表PeakPeak to Peak RMS AveragePeak1Peak to Peak21RMS1Average1Average 值 = ×peak 值 RMS 值 = ×Peak 值 Peak 值 = ×RMS 值 Peak to Peak 值= 2 ×Peak 值 Peak to Peak 值=×RMS 值对一个单一频率的振动,速度峰值是位移峰值的2πf 倍,加速度峰值又是速度峰值的2πf倍。
当然要注意位移一般用的峰峰值,速度用有效值,加速度用峰值。
还要注意现场测量的位移是轴和轴瓦的相对振动,速度和加速度测的是轴瓦的绝对振动。
假设一个振动的速度一定,是5mm/s,大家可以自己算下如果是低频振动,其位移会很大,但加速度很小。
高频振动位移则极小,加速度很大。
所以一般在低频区域都用位移,高频区域用加速度,中频用速度。
但使用范围也有重叠。
振动一般可以用以下三个单位表示:mm、mm/s、mm/(s^2)。
mm振动位移:一般用于低转速机械的振动评定; mm/s振动速度:一般用于中速转动机械的振动评定; mm/(s^2)振动加速度:一般用于高速转动机械的振动评定。
现在的测振仪一般都采用压电式的,结构形式大致有二种:① 压缩式;② 剪切式,其原理是利用石英晶体和人工极化陶瓷(PZT)的压电效应设计而成。
当石英晶体或人工极化陶瓷受到机械应力作用时,其表面就产生电荷,所形成的电荷密度的大小与所施加的机械应力的大小成严格的线性关系。
同时,所受的机械应力在敏感质量一定的情况下与加速度值成正比。
在一定的条件下,压电晶体受力后产生的电荷与所感受的加速度值成正比。
产生的电荷经过电荷放大器及其它运算处理后输出就是我们所需要的数据了Q=dij·F=dij·m a式中:Q ── 压电晶体输出的电荷dij ── 压电晶体的二阶压电张量m ── 加速度的敏感质量a ── 所受的振动加速度值'. 压电加速度计承受单位振动加速度值输出电荷量的多少,称其电荷灵敏度,单位为pC/ms-2或pC/g(1g = 9.8ms-2)。
压电加速度计实质上相当于一个电荷源和一只电容器,通过等效电路简化以后,则可换算出加速度计的电压灵敏度为Sv = SQ/CaSv ── 加速度计的电压灵敏度 mV/ms-2SQ ── 加速度计的电荷灵敏度 pC/ms-2Ca ── 加速度计的电容量压电式速度传感器,它是通过在压电式加速度传感器上加一个积分电路,通过将加速度信号积一次分,可以得到振动的速度值!在振动测量时,应合理选择测量参数,如振动位移是研究强度和变形的重要依据;振动加速度与作用力或载荷成正比,是研究动力强度和疲劳的重要依据;振动速度决定了噪声的高低,人对机械振动的敏感程度在很大频率范围内是由速度决定的。
速度又与能量和功率有关,并决定动量的大小。
此文档下载后即可编辑 振动单位换算表 加速度位移 频率 sec /0254.0sec /1sec/807.91sec/174.321m in m g ft g === mm cm mmin mm mil in mil 1014.2510254.01001.01==== cpm rmp Hzrpm rpm Hz rad Hz cps Hz 110167.01601sec /159.0111=====位移、速度、加速度振幅值换算表(0-peak)值 位移 [D] (mm) 速度[V] (mm/sec) 加速度[A] (g) 位移[D] (mm) --------------- f V D /159.0= 2/249f A D = 速度[V] (mm/sec) fD V 28.6= --------------- f A V /1558= 加速度[A] (g)D f A 2004.0= fV A 00064.0= ---------------振幅表示模式换算表Peak Peak to Peak RMS Average Peak1 0.5 1.414 1.570 Peak to Peak2 1 2.828 3.140 RMS0.707 0.354 1 1.110 Average0.637 0.319 0.901 1Average 值 =0.637×peak 值 RMS 值 =0.707×Peak 值 Peak 值 =1.414×RMS 值 Peak to Peak 值= 2 ×Peak 值 Peak to Peak 值=2.828×RMS 值对一个单一频率的振动,速度峰值是位移峰值的2πf倍,加速度峰值又是速度峰值的2πf倍。
当然要注意位移一般用的峰峰值,速度用有效值,加速度用峰值。
还要注意现场测量的位移是轴和轴瓦的相对振动,速度和加速度测的是轴瓦的绝对振动。
测振仪单位mm、mms、mms²关系及换算振动一般可以用以下三个单位表示:mm、mm/s、mm/s²,即振幅、振动速度(振速)、振动加速度。
振幅是表象,速度和加速度是转子激振力的程度。
•振动位移:理解成路程,单位是mm,一般用于低转速机械的振动评定;•振动速度:理解成速度,单位是mm/s,一般用于中速转动机械的振动评定;•振动加速度:理解成运动加速度,单位mm/s²,一般用于高速转动机械的振动评定。
工程实用的振动速度是速度的有效值,表征的是振动的能量。
加速度是用的峰值,表征振动中冲击力的大小。
速度描述的是运动快慢;振速就是振动快慢,一秒内能产生的振幅。
振幅相同的设备,它的振动状态可能不同,所以引入了振速。
位移、速度、加速度都是振动测量的度量参数。
就概念而言,位移的测量能够直接反映轴承固定螺栓和其它固定件上的应力状况。
例如通过分析透平机上滑动轴承的位移,可以知道其轴承内轴杆的位置和摩擦情况;速度反映轴承及其它相关结构所承受的疲劳应力,而这正是导致旋转设备故障的重要原因;加速度则反映设备内部各种力的综合作用。
表达上三者均为正弦曲线,分别有90度、180度的相位差。
现场应用上,对于低速设备(转速小于1000RPM)来说,位移是最好的测量方法。
而那些加速度很小位移较大的设备,一般采用折衷的方法,即采用速度测量。
对于高速度或高频设备,有时尽管位移很小速度也适中,但其加速度却可能很高的设备,采用加速度测量是非常重要的手段。
另外还需要了解传感器的工作原理及应用选择,提及一点,例如采用涡流传感器测量的位移和应用加速度传感器,通过两次积分输出的位移所得到的东西是完全不一样的。
涡流传感器测量轴承与轴杆之间的相对运动;加速度传感器测量轴承顶部的振动,然后转换成位移。
如整个轴承振动的很厉害,轴与轴承的相对运动很小,涡流传感器就不能反应出这样的状态,而加速度传感器则可以。
两种传感器测量两种不同的现象。
振动单位换算表振动单位换算表:1 Hz = 1 cps1 Hz = 0.159 rad/sec1 g = 32.174 ft/sec1 g = 9.807 m/sec1 in/sec = 0.0254 m/sec1 mil = 0.001 in1 mil = 0.0254 mm1 in = 25.4 mm1 cm = 10 mm1 Hz = 60 rpm1 rpm = 0.0167 Hz1 rpm = 1 cpm位移、速度、加速度振幅值换算表(0-peak)值:位移[D] (mm) 速度[V] (mm/sec) 加速度[A] (g)位移[D] (mm) --------------- 速度[V] (mm/sec) 加速度[A] (g) D = 0.159V/f --------------- D = 249A/f^2V = 6.28fDA = 0.004f^2DV = 1558A/f --------------- A = 0.fV注:适用于单一频率f(Hz)换算。
振幅表示模式换算表:Peak Peak to Peak RMS AveragePeak 1 2 0.707 0.637Peak to Peak 0.5 1 0.354 0.319 RMS 1.414 2.828 1 0.901 Average 1.570 3.140 1.110 1其中。
Average值 = 0.637 × peak值RMS值 = 0.707 × Peak值Peak值 = 1.414 × RMS值Peak to Peak值 = 2 × Peak值Peak to Peak值 = 2.828 × RMS值对于单一频率的振动,速度峰值是位移峰值的2πf倍,而加速度峰值是速度峰值的2πf倍。
需要注意的是,位移一般使用峰峰值,速度使用有效值,加速度使用峰值。
此外,现场测量的位移是轴和轴瓦的相对振动,而速度和加速度测量的是轴瓦的绝对振动。
振动单位换算表 加速度 位移 频率sec /0254.0sec /1sec/807.91sec/174.321m in m g ft g === mm cm mmin mm mil in mil 1014.2510254.01001.01==== cpm rmp Hzrpm rpm Hz rad Hz cpsHz 110167.01601sec /159.0111=====位移、速度、加速度振幅值换算表(0-peak)值注:适用于单一频率f (Hz)换算。
振幅表示模式换算表Average 值 =0.637×peak 值RMS 值 =0.707×Peak 值Peak 值 =1.414×RMS 值Peak to Peak 值= 2 ×Peak 值Peak to Peak 值=2.828×RMS 值对一个单一频率的振动,速度峰值是位移峰值的峰值的2πf 倍,加速度峰值又是速度2πf倍。
当然要注意位移一般用的峰峰值,速度用有效值,加速度用峰值。
还要注意现场测量的位移是轴和轴瓦的相对振动,速度和加速度测的是轴瓦的绝对振动。
假设一个振动的速度一定,是5mm/s,大家可以自己算下如果是低频振动,其位移会很大,但加速度很小。
高频振动位移则极小,加速度很大。
所以一般在低频区域都用位移,高频区域用加速度,中频用速度。
但使用范围也有重叠。
位移值体现的是设备在空间上的振动范围,因此取其峰峰值,电力行业一般以位移为评判标准。
速度的有效值和振动的能量是成比例的,其大小代表了振动能量的大小,现在出了电力行业基本上都是以速度有效值为标准的。
加速度和力成正比,一般用其峰值,其大小表示了振动中最大的冲击力,冲击力大设备更容易疲劳损坏,现在没有加速度的标准。
振动幅值的表达式是正弦函数形式的,位移微分得到速度,速度微分得到加速度。
则:振动位移方程式: Y=Asinωt振动速度方程式: V= -Aωcosωt振动速度方程式: G= -Aωωsinωt如果振动频率为f的话,那么ω=2πf 其中π=3.1415926如果是单频率f的振动,位移的幅值为A,则速度幅值为2πfA,加速度幅值为2πf*2πfA。
位移振动和速度振动单位换算Document number【AA80KGB-AA98YT-AAT8CB-2A6UT-A18GG】关于振动单位峰峰值mm和速度值mm/s之间的区别和联系峰峰值是指振幅,速度是指速度的最大值,还有一个是加速度,也就是速度的变化的快慢.位移对时间的导数是速度,速度对时间的导数就是加速度2π×频率×振动位移值=振动速度值(3000r/min对应50HZ,振动稳定时,该公式差不多)就EPRO系统而讲。
瓦振在正常校验卡件时所用是速度传感器。
其测量出是振幅的特征值。
如物理公式。
设振动运动方程是正弦波。
A=asinwt则速度为V=awsinwt它们的特征值相差如上楼所说。
所以一般TSI厂家校验振动探头时给出速度传感器的灵敏度。
而后根据卡件的量程设定算出应该的正弦波有效值。
不仔细说了。
总之在相同的有效电压输入下,频率低则峰峰值高。
而且现场带度传感器过来的信号不能简单地用万用表测量。
它们可能分为不同的倍频进行问题分析。
大多数电厂都不引进分析系统。
所以振动专家也不容易呀。
对于轴振则不用非常考虑频率的问题。
但新的数字卡件也引入了很多这方面的功能。
这太深了。
知道上述问题也就可以在电厂够应用了。
mm/s是振动速度值,一般采用10~1KHz范围内的均方根值,也就是说的振动烈度。
7丝就是70um,是振动位移值。
一般衡量汽机或者大型设备采用振动位移标准来衡量设备振动情况,普通的电机或者泵采用振动速度值,详见国标10086。
mm是振动幅值,用户,特别是电厂,考核的是振动幅值。
mm/s是振动速度,电机的国家标准考核的就是振动速度。
mm/(s^2)是振动加速度,一般用于高速电机的振动评定。
在实际应用中,有可能振动幅值合格,但振动速度不合格;也有可能振动速度合格,但振动幅值不合格,在实际应用中出现过这种情况的。
一般电机厂用的测振动的仪器有三档,分别测振幅、振动速度和振动加速度。
mm、mm/s、mm/(s^2)是不可能相互转换的。
API标准振动值计算公式常用的振动测量参数有振幅、振动速度(振速)、振动加速度。
对应单位表示为:mm、mm/s、mm/s²。
振幅是表象,定义为在波动或振动中距离平衡位置或静止位置的最大位移。
振幅在数值上等于最大位移的大小。
振幅是标量,单位用米或厘米表示。
它描述了物体振动幅度的大小和振动的强弱。
系统振动中最大动态位移,称为振幅。
在下图中,位移y表示波的振幅。
振动速度反映的是振动能量的大小,振动加速度则表征的是转子激振力的大小程度。
λ=wavelength,y=amplitude2.位移、速度、加速度三者的区别位移、速度、加速度都是振动测量的度量参数。
就概念而言,位移的测量能够直接反映轴承/固定螺栓和其它固定件上的应力状况。
例如:通过分析汽轮机上滑动轴承的位移,可以知道其轴承内轴杆的位置和摩擦情况。
速度反映轴承及其它相关结构所承受的疲劳应力。
而这正是导致旋转设备故障的重要原因。
加速度则反映设备内部各种力的综合作用。
表达上三者均为正弦曲线,分别有90度,180度的相位差。
现场应用上,对于低速设备(转速小于1000rpm)来说,位移是最好的测量方法。
而那些加速度很小,其位移较大的设备,一般采用折衷的方法,即采用速度测量,对于高速度或高频设备,有时尽管位移很小,速度也适中,但其加速度却可能很高的设备采用加速度测量是非常重要的手段。
3.现场的一般选用原则振动位移:与频率f无关,特别适合低频振动(<10Hz))选用,一般用于低转速机械的振动评定。
振动速度:速度V=Xω,与频率f成正比,通常推荐选用,一般用于中速转动机械(或中频振动(10~1000Hz))的振动评定。
振动加速度:A=Vω=Xω²,与频率f²成正比,特别适合高频振动选用,一般用于高速转动机械(或高频振动(>1000Hz))的振动评定。
其中:工程上对于大多数机器来说,最佳诊断参数是速度(速度的有效值),因为它是反映诊断强度的理想参数,表征的是振动的能量;所以国际上许多振动诊断标准都是采用速度有效值作为判别参数。
振动单位换算表加速度位移频率sec/0254.0sec /1sec /807.91sec /174.321m in m g ft g ===mmcm mm in mm mil inmil 1014.2510254.01001.01==== cpmrmp Hz rpm rpm Hz rad Hz cpsHz 110167.01601sec/159.0111=====位移、速度、加速度振幅值换算表(0-peak)值注:适用于单一频率f (Hz)换算。
振幅表示模式换算表Average 值 =0.637×peak 值 RMS 值 =0.707×Peak 值 Peak 值 =1.414×RMS 值 Peak to Peak 值= 2 ×Peak 值 Peak to Peak 值=2.828×RMS 值对一个单一频率的振动,速度峰值是位移峰值的峰值的2πf 倍,加速度峰值又是速度2πf倍。
当然要注意位移一般用的峰峰值,速度用有效值,加速度用峰值。
还要注意现场测量的位移是轴和轴瓦的相对振动,速度和加速度测的是轴瓦的绝对振动。
假设一个振动的速度一定,是5mm/s,大家可以自己算下如果是低频振动,其位移会很大,但加速度很小。
高频振动位移则极小,加速度很大。
所以一般在低频区域都用位移,高频区域用加速度,中频用速度。
但使用范围也有重叠。
位移值体现的是设备在空间上的振动范围,因此取其峰峰值,电力行业一般以位移为评判标准。
速度的有效值和振动的能量是成比例的,其大小代表了振动能量的大小,现在出了电力行业基本上都是以速度有效值为标准的。
加速度和力成正比,一般用其峰值,其大小表示了振动中最大的冲击力,冲击力大设备更容易疲劳损坏,现在没有加速度的标准。
振动幅值的表达式是正弦函数形式的,位移微分得到速度,速度微分得到加速度。
则:振动位移方程式: Y=Asinωt振动速度方程式: V= -Aωcosωt振动速度方程式: G= -Aωωsinωt如果振动频率为f的话,那么ω=2πf 其中π=3.1415926如果是单频率f的振动,位移的幅值为A,则速度幅值为2πfA,加速度幅值为2πf*2πfA。
振速与振幅对照表
1、mm是振幅值,mm/s是振速,也叫振动烈度。
不同的转机可能按照制造厂的出厂说明采取不同的单位来考核。
换算公式可以用:A=V×1000×60×2^(0.5)/(pi×w)A是振动位移峰峰值,单位um。
V是振动烈度,w是转速(r/min)。
2、风机运行工况一般通过测量其轴承温度和振动来判定。
振动大小可通过测量振动位移、振动速度、振动加速度的方式来判定。
太仓港环保发电有限公司送风机和一次风机测量的是振动速度(单位为mm/s),引风机测量的是振动位移(单位为um)。
通常大家习惯于测量振动位移(即振幅),这就存在振动位移和振动速度二者相互换算,其换算公式为: Veff=7.4×10-5ns Veff---振动速度,单位为mm/s s------振动位移, 单位为um n------风机转速, 单位为r/min
3、mm/s指振速,mm指振幅,因为不能输入公式编辑器,简单地说二者换算关系为:Sf≈0.225vf/f,式中Sf 为振动的位移幅值,vf 为主频率为f的振动速度的均方根值。
一般f值均为10Hz,所以Sf≈0.0225vf 。
举例说如果vf =1.00mm/s,那么换算成振幅则为Sf≈0.0225mm。
友情提示:本资料代表个人观点,如有帮助请下载,谢谢您的浏览!。
关于振动单位峰峰值mm和速度值mm/s之间的区别和
联系
?
峰峰值是指振幅,速度是指速度的最大值,还有一个是加速度,也就是速度的变化的快慢.位移对时间的导数是速度,速度对时间的导数就是加速度?
2π×频率×振动位移值=振动速度值
(3000r/min对应50HZ,振动稳定时,该公式差不多)
就EPRO系统而讲。
瓦振在正常校验卡件时所用是速度传感器。
其测量出是振幅的特征值。
如物理公式。
设振动运动方程是正弦波。
A=asinwt则速度为V=awsinwt它们的特征值相差如上楼所说。
所以一般TSI厂家校验振动探头时给出速度传感器的灵敏度。
而后根据卡件的量程设定算出应该的正弦波有效值。
不仔细说了。
总之在相同的有效电压输入下,频率低则峰峰值高。
而且现场带度传感器过来的信号不能简单地用万用表测量。
它们可能分为不同的倍频进行问题分析。
大多数电厂都不引进分析系统。
所以振动专家也不容易呀。
对于轴振则不用非常考虑频率的问题。
但新的数字卡件也引入了很多这方面的功能。
这太深了。
知道上述问题也就可以在电厂够应用了。
mm/s是振动速度值,一般采用10~1KHz范围内的均方根值,也就是说的振动烈度。
7丝就是70um,是振动位移值。
一般衡量汽机或者大型设备采用振动位移标准来衡量设备振动情况,普通的电机或者泵采用振动速度值,详见国标10086。
mm是振动幅值,用户,特别是电厂,考核的是振动幅值。
mm/s是振动速度,电机的国家标准考核的就是振动速度。
mm/(s^2)是振动加速度,一般用于高速电机的振动评定。
在实际应用中,有可能振动幅值合格,但振动速度不合格;也有可能振动速度合格,但振动幅值不合格,在实际应用中出现过这种情况的。
一般电机厂用的测振动的仪器有三档,分别测振幅、振动速度和振动加速度。
mm、mm/s、mm/(s^2)是不可能相互转换的。
mm是距离单位;mm/s是速度单位;mm/(s^2)是加速度单位。
mm振动位移:一般用于低转速机械的振动评定; mm/s振动速度:一般用于中速转动机械的振动评定; mm/(s^2)振动加速度:一般用于高速转动机械的振动评定。
?
mm/s也不是mm和s去和设备转动中的位移和时间挂钩,只是速度的单位,说的是转动造成的设备振动速度的大小。
同样的mm/(s^2)说的是振动的加速度的大小。
工程实用的速度是速度的有效值,表征的是振动的能量,加速度是用的峰值,表征振动中冲击力的大小
为什么要测振动加速度:如果有裂痕或松动的话,机械会产生振动,测振动加速度可以大概判断故障程度,可以预防严重的破坏
磁电式速度传感器不需要物理接触,通过磁电感应原理来测量速度的,而压电加速度计需要必要的物理接触,通过感知力的大小而转化成对应的速度显示出来的,测量振动,要用加速度传感器.F=at .加速度才可以真实反映振动力.。