乙酸异戊酯的制备1讲解
- 格式:ppt
- 大小:287.00 KB
- 文档页数:20
乙酸异戊酯的制备碱洗原理
乙酸异戊酯的制备通常涉及碱洗步骤,以下是这个过程的原理:
1. 初步反应:首先,将异戊醇和乙酸加入反应釜中,通常加入一定量的酸类催化剂,如硫酸。
此时,反应形成异戊醇酸酯(异戊酸)。
2. 碱洗:为了纯化和分离异戊酸,需要进行碱洗。
在碱洗步骤中,一般使用碱性溶液,如氢氧化钠(NaOH)溶液。
碱洗的主要原理是利用乙酸在碱性条件下与碱发生酸碱中和反应,生成相应的乙酸钠盐。
反应方程式如下:
2CH3COOH + 2NaOH →2CH3COONa + 2H2O
通过碱洗,乙酸形成的乙酸钠溶解于水中,而异戊酯不溶于水。
3. 分离:碱洗后,通过分离离心或其他类型的分离方法将乙酸钠溶液和异戊酯层分离。
通常,乙酸钠溶液可以被酸化,重新生成乙酸。
4. 纯化:最后,将异戊酯经过蒸馏等纯化方法,得到纯净的乙酸异戊酯。
需要注意的是,实际生产中的具体条件和操作方法可能会有所不同,这取决于具
体的制备工艺和要求。
在进行任何实验或工业操作之前,请确保详细了解相关的安全措施和实验条件。
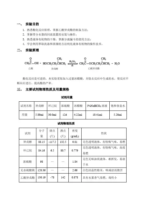
一、 实验目的1.熟悉酯化反应原理,掌握乙酸异戊酯的制备方法; 2.掌握带分水器的回流装置的安装与操作;3.熟悉液体有机物的干燥,掌握分液漏斗的使用方法; 4.学会利用萃取洗涤和蒸馏的方法纯化液体有机物的操作技术。
二、 实验原理酯化反应是可逆的,本实验采取加入过量冰醋酸,并除去反应中生成的水,使反应不断向右进行,提高酯的产率。
三、 主要试剂物理性质及用量规格试剂用量试剂物理性质CH 3C O OH+HOCH 2CH 2CHCH 3CH 3CH 3C O OCH 2CH 2CHCH 3CH 3+H 2O乙酸异戊醇乙酸异戊酯冰醋酸60.05 16.6 118 1.049 无色透明溶液,有刺激性气味其他试剂饱和食盐水、5%NaHCO3溶液四、实验仪器及装置仪器:圆底烧瓶(100mL)、球形冷凝管、分水器、蒸馏烧瓶(100mL)、分液漏斗(100mL) 量筒、温度计(200℃)、锥形瓶(100mL)、直形冷凝管带有分水器的回流装置蒸馏装置五、实验步骤及现象时间步骤现象1:20 在干燥的100ml圆底烧瓶中加入5.89mL异戊醇和4.22ml冰醋酸,在振摇与冷却下加入12d浓硫酸,30.0ml环己烷,混匀后放入少量粒沸石。
浑浊半透明液体1:27 安装带分水器的回流装置,分水器中事先充水至离支管口1cm处,上口接一回流冷凝管。
分水器里加水23.0ml1:35 将烧瓶置于石棉网上,小火加热回流。
1:39溶液沸腾;1:40第一滴回流液滴下;上层开始浑浊2:46 不再有水生成,停止回流。
总共分出水28.9ml即从原溶液中分出水5.9ml2:54-2:59 把反应液倒入分液漏斗中,用25.0ml水洗一次,静置分层,分液,取有机层下层透明,上层半透明浑浊液体3:17-3:21 再用5%NaHCO3溶液洗至中性,静置分层,分液,取有机层大量小气泡生成,下层透明,上层半透明浑浊液体;PH试纸显绿色;用掉5%NaHCO3溶液10.41ml;六、 产率计算锥形瓶质量=40.23 g锥形瓶和产品总质量=64.30 g所得产品的质量m=64.30 g-40.23 g=24.07g理论产量=5.89÷6×0.055×130=7.019g 实际产量=24.07÷5=4.814g实际产率=实际产量÷理论产量×100%=4.814÷7.019×100%=68.59%七、 结果与讨论实验注意事项1、加浓硫酸时,要分批加入,并在冷却下充分振摇,以防止异戊醇被氧化。
乙酸异戊酯制备实验报告乙酸异戊酯制备实验报告引言:乙酸异戊酯是一种常见的有机化合物,常用于食品香料和溶剂制备等领域。
本实验旨在通过酯化反应制备乙酸异戊酯,并对反应条件进行优化。
实验步骤:1. 实验前准备首先,准备所需的实验器材和试剂,包括乙酸、异戊醇、硫酸、酸化石墨、冷却水等。
2. 反应体系的搭建将酸化石墨加入反应瓶中,加入适量的乙酸和异戊醇,然后加入少量的硫酸作为催化剂。
3. 反应条件的优化为了得到较高的产率和纯度,我们需要对反应条件进行优化。
首先是温度的选择,我们将反应瓶放入恒温水浴中,控制温度在60℃左右。
然后是反应时间的控制,反应进行2小时后,取样检测产物纯度。
如果纯度不够高,可以延长反应时间。
4. 产物的提取和纯化反应结束后,将反应瓶取出,加入适量的冷却水进行冷却。
然后,用饱和氯化钠溶液洗涤产物,将有机相收集。
最后,用无水硫酸钠干燥有机相,并用旋转蒸发仪去除溶剂,得到纯净的乙酸异戊酯。
结果与讨论:经过优化后,我们成功制备了乙酸异戊酯。
通过红外光谱和质谱分析,确认了产物的结构和纯度。
实验结果显示,乙酸异戊酯的产率达到了90%以上,纯度超过99%。
这表明我们所选择的反应条件和催化剂是合适的。
结论:本实验通过乙酸异戊酯的制备,展示了酯化反应的基本原理和实验操作。
通过对反应条件的优化,我们成功地制备了高产率和高纯度的乙酸异戊酯。
这对于相关领域的研究和应用具有重要意义。
总结:乙酸异戊酯是一种重要的有机化合物,本实验通过酯化反应制备了乙酸异戊酯,并对反应条件进行了优化。
实验结果显示,我们成功地制备了高产率和高纯度的乙酸异戊酯。
这为相关领域的研究和应用提供了可靠的实验基础。
通过本实验,我们不仅掌握了酯化反应的操作技巧,还深入了解了反应条件对产物纯度和产率的影响。
这对于我们今后的科研工作和实验设计具有重要的指导意义。
一、实验目的1、了解酯的制备方法2、掌握分水、回流、熟悉盐析中和及蒸馏操作二、实验原理乙酸异戊酯为无色透明液体,不溶于水,易溶于乙醇、乙醚等有机溶剂。
它是一种香精,因具有香蕉气味,又称为香蕉油。
实验室通常采用冰醋酸和异戊醇在浓硫酸的催化下发生酯化反应来制取。
反应式如下:酯化反应是可逆的,本实验采取加入过量冰醋酸,并除去反应中生成的水,使反应不断向右进行,提高酯的产率。
三、主要试剂及物理性质异戊醇:无色液体,有不愉快的气味。
微溶于水,可混溶于醇、醚等有机溶剂。
冰醋酸:纯乙酸在16℃以下时能结成冰状的固体,所以常称为冰醋酸。
易溶于水、乙醇、乙醚和四氯化碳。
四、主要试剂用量及规格异戊醇6ml(0,055mol)、冰醋酸4ml(0.07mol)、浓硫酸0.6ml 、环己烷25ml 、碳酸氢钠溶液、饱和食盐水、无水硫酸镁五、仪器装置三颈烧瓶(250mL)、球形冷凝管、分水器、蒸馏烧瓶(100mL)、直形冷凝管、接液管、分液漏斗(100mL)、量筒(25mL )、温度计(200℃)、锥形瓶(100mL)、电磁炉CH 3C OOH +HOCH 2CH 2CHCH 3CH 3CH 3C O OCH 2CH 23CH 3+ H 2O乙酸异戊醇乙酸异戊酯六、实验步骤及现象1、将6ml异戊醇、4ml冰醋酸、0.6ml浓硫酸和几粒沸石加入到100ml;圆底烧瓶中,摇匀,装上分水器。
(溶液浑浊)2、接回流冷凝管,水浴加热回流。
(第一滴液体滴下,之后,上层液体开始变浑浊,有水珠落入分水器中,上层的浑浊逐渐变厚)3、停止加热。
(没有水滴生成)4、称量所得水的体积。
(接收水1.2ml)5、将反应液倒入分液漏斗中,用25ml水洗,再用5%碳酸氢钠溶液洗涤至中性,静置分液。
(液体分层,上层半透明液体,下层透明液体。
加入碳酸氢钠后,有气泡生成)6、用5ml饱和食盐水洗一次,再用无水硫酸镁干燥。
(无水硫酸镁不变色)7、将干燥后的含有粗酯的环己烷溶液进行蒸馏,先收集环己烷。
三氯化铁乙酸异戊酯的催化合成及香水的配制1.实验目的(1)掌握带分水器的回流装置的安装与操作;(2)熟悉酯化反应原理,掌握乙酸异戊酯的制备方法;(3)学会利用萃取洗涤和蒸馏的方法纯化液体有机物的操作技术。
(4)熟悉液体有机物的干燥,掌握分液漏斗的使用方法;2. 实验原理(1)试剂物理性质乙酸异戊酯:乙酸异戊酯是无色透明的液体,又称香焦油,具有水果香气。
它是香蕉、生梨等果实的芳香成分,也存在于酒等饮料和酱油等调味品中。
在许多水果型特别是梨和香蕉香精中,大量使用乙酸异戊酯。
也常用于配制酒和烟叶用香精。
乙酸异戊酯易溶于乙醇、乙醚、苯,难溶于水,不容于甘油,易燃,毒性小,刺激眼睛和气管黏膜。
它更大的应用是涂料、皮革等工业中作为溶剂使用。
三氯化铁:黄褐色液体分子式:FeCl3 分子量:162.2 比重:1.35 ~1.45 g/cm3 20°C(2)乙酸异戊酯的合成条件与方法反应式如下:实验室通常采用冰醋酸和异戊醇在浓硫酸的催化下发生酯化反应来制取。
由于硫酸为催化剂存在着设备腐蚀严重,后处理过程中产生的废液污染环境等问题,本次采用三氯化铁FeCl3·6H2O为催化剂(可回收使用),乙酸和异戊醇为原料合成乙酸异戊酯。
酯化反应是可逆的,本实验采取加入过量冰醋酸,并除去反应中生成的水,使反应不断向右进行,提高酯的产率。
异戊醇:冰醋酸=1 : 1.2 ,145士2℃下回流1.0h,乙酸异戊酯的收率超过95%。
生成的乙酸异戊酯中混有过量的冰醋酸、未完全转化的异戊醇、及副产物醚类,经过洗涤、干燥和蒸馏予以除去。
3. 仪器药品仪器:铁架台、三口烧瓶(250mL)、球形冷凝管、分水器、蒸馏烧瓶(100mL)、直形冷凝管、接液管、分液漏斗(100mL)、量筒(25mL)、温度计(200℃)、锥形瓶(100mL)、电热套、沸石、天平。
药品:异戊醇(0. 3mol)、冰醋酸(0. 36 mol)、三氯化铁FeCl3·6H2O(0. 88g )、饱和碳酸钠溶液(10%)、饱和氯化钠溶液、饱和氯化钙溶液、硫酸镁(无水)。
实验项目名称乙酸异戊酯的合成一、实验目的和要求1、了解羧酸酯的制备和酯化反应的特点;2、熟悉在酯化反应中催化剂作用和试剂用量对反应平衡的影响;3、掌握回流、萃取、干燥、蒸馏操作要点。
二、实验基本原理乙酸异戊酯具有水果香味和梨香香韵。
可广泛用于配制食用香精。
在油漆、皮革和化妆品工业中也得到广泛应用。
乙酸异戊酯可由乙酸和异戊醇在硫酸的催化下加热制得。
反应式如下:CH3COOH+HOCH2CH2CH(CH3)2H2SO4CH3COOCH2CH2CH(CH3)2酯化反应是可逆的,在平衡时只有三分之二的酸和醇转化成酯。
为了提高产率,常用不断移去产物或使一种原料过量的方法,使平衡向生成酯的方向移动。
因乙酸比异戊醇价廉易得,且易从产物中除去,故本实验采用乙酸过量的方法。
三、主要试剂及产品的物理常数:(文献值)四、主要仪器设备及实验耗材:实验耗材:异戊醇6.6 g(8.1 mL,0.075 mol),冰醋酸10.2 g(9.6 mL,0.17 mol),5%碳酸氢钠水溶液,饱和氯化钠水溶液,无水硫酸镁,浓硫酸。
主要仪器:100 mL圆底烧瓶,冷凝管,分液漏斗,蒸馏装置等。
五、实验步骤在干燥的100mL圆底烧瓶中加入8.1ml异戊醇和9.6mL冰醋酸,摇动下慢慢加入0.5mL 浓硫酸,充分混合均匀,加入2~3粒沸石,装上回流冷凝管,在石棉网上小火加热回流,保持沸腾1 h。
将反应物冷至室温,小心转入分液漏斗中,用20mL冷水洗涤烧瓶,并将涮洗液合并至分液漏斗中。
振摇后静止,分出下层水溶液,有机相用10mL5%碳酸氢钠溶液洗涤,以除去粗酯中少量的醋酸杂质。
静止后分去下层水溶液,再用10mL5%的碳酸氢钠溶液洗涤一次,至溶液呈碱性。
然后再用7mL饱和氯化钠水溶液洗涤一次。
分出水层,酯层转入锥形瓶中,用0.5~1 g无水硫酸镁干燥。
粗产物滤入干燥的园底烧瓶中。
安装一套普通蒸馏装置,在装有粗酯的圆底烧瓶中放入1~2粒沸石,加热蒸馏。
一、实验项目名称: 乙酸异戊酯的合成二、实验目的三、熟悉酸催化合成有机酸酯的基本反应原理和方法, 掌握乙酸异戊酯的制备方法;学会利用萃取洗涤和蒸馏的方法纯化液体有机物的操作技术。
四、实验基本原理萃取: 利用化合物在两种互不相容或微溶的溶剂中溶解度或分配系数的不同, 使化合物从一种溶剂内转移到另一种溶剂中。
蒸馏: 利用不同物质沸点的差异对液体混合物进行分离和提纯。
乙酸异戊酯的合成CH3COOH+(CH3)2CHCH2CH2OH CH3COOCH2CH2CH(CH3)2+H2O五、主要试剂及主、副产物的物理常数六、主要试剂规格及用量主要仪器: 100ml圆底烧瓶, 冷凝管, 分液漏斗, 蒸馏装置等七、主要试剂:异戊醇 6.6g(8.1ml, 0.075mol), 冰乙酸10.2g(9.6ml,0.17mol), 5%碳酸氢钠水溶液, 饱和氯化钠水溶液, 无水硫酸镁, 浓硫酸, PH试纸。
八、实验简单操作步骤1.在100ml的干燥的圆底烧瓶中先加入8.1ml异戊醇,再加入9.6ml的冰醋酸, 充分搅拌均匀后, 在慢慢加入浓硫酸2ml, 混合均匀后加入2-3粒沸石,2、装上球形回流冷凝管, 在石棉网上用小火加热回流一小时将反应物冷至室温, 拆除回流装置将其小心转入分液漏斗中, 用20ml的冷水洗涤烧瓶内壁, 并将洗液合并到分液漏斗中。
要振荡后静置, 分去下层水溶液, 酯层用10ml 5%的碳酸氢钠水溶液洗涤, 静置后分去下层水液, 再用10ml 5%的碳酸氢钠水溶液洗涤, 静置后分出下层溶液, 直至水溶液对pH试纸呈碱性为止。
然后再用7ml的饱和氯化钠水溶液洗涤一次, 分出水层。
再用0.5~1g无水硫酸镁干燥, 过滤。
将粗产物滤入圆底烧瓶中, 依次装好实验装置(温度计放在装置上方使下方与蒸馏瓶的气体通过处相平行, 再依次放上直形冷凝管、接引管、锥形瓶), 向圆底烧瓶中加入沸石、塞好蒸馏瓶的塞子, 冷凝管从下方通入冷水上方流出, 用酒精灯加热。
一、 实验目的1、熟悉酯化反应原理,掌握乙酸异戊酯的制备方法;2、掌握带分水器的回流装置的安装与操作;3、熟悉液体有机物的干燥,掌握分液漏斗的使用方法;4、进一步熟悉有机物的蒸馏提纯的基本操作;二、实验原理乙酸异戊酯为无色透明液体,实验室通常采用冰醋酸和异戊醇在浓硫酸的催化下发生酯化反应来制取。
制备乙酸异戊酯的反应式:酯化反应是可逆的,本实验采取加入过量冰醋酸,并除去反应中生成的水,使反应不断向右进行,提高酯的产率。
三、主要试剂及物理性质1、主要试剂:异戊醇、冰醋酸、浓硫酸(98%)、环己烷、碳酸氢钠溶液(10%)、饱和食盐水、硫酸镁(无水)、沸石2、主要化合物的物理性质异戊醇:无色液体,有刺激性的气味。
分子量为88,熔点为-117.2 ℃,沸点为132.5℃,其密度0.81g∕ml 。
微溶于水,可混溶于醇、醚。
环己烷:有汽油气味的无色流动性液体。
分子量为84,熔点为 6.5℃,沸点为80.7℃,其密度为0.7739 g/ml 。
不溶于水,可与乙醇、乙醚、丙酮、苯等多种有机溶剂混溶。
乙酸异戊酯:无色透明液体,较强的新鲜果香,稍甜。
分子量为130,熔点为-78℃,沸点为143℃,其密度为0.88g∕ml 。
不溶于水和甘油,可混溶于乙醇、乙醚、苯、乙酸乙酯、二硫化碳等多数有机溶剂。
在弱酸性介质中尚稳定,在碱性介质中不稳定,不易变色。
四、实验装置1、主要仪器:圆底烧瓶(100mL )、球形冷凝管、分水器、直形冷凝管、分液漏斗(100mL ) 、量筒(50mL )、量筒(10ml )、温度计(200℃)、锥形瓶(100mL )、电炉、玻璃棒、烧杯(100ml )等2、异戊醇的反应装置C H 3C OO H+HO C H 2C H 2C HC H 3C H 3C H 3COO C H 2C H 2C HC H 3C H 3+H 2O乙酸异戊醇乙酸异戊酯3、蒸馏装置五、实验步骤及现象七、实验数据计算1、乙酸异戊酯的产率=(实际值∕理论值)*100℅2、(5组和在一起)异戊醇(反应物)为30ml(0.275mol),则乙酸异戊酯的理论值为35.75g;锥形瓶的质量为80.03g,锥形瓶和产品的质量为102.56g,则产品的质量为22.53g。
一、实验目的1. 了解酯化反应的原理,掌握乙酸异戊酯的制备方法;2. 通过实验,熟悉并掌握有机合成实验的基本操作,提高实验技能;3. 学习并掌握分液、蒸馏等实验操作,了解有机合成中常见的分离纯化方法。
二、实验原理乙酸异戊酯是一种具有香蕉香味的有机溶剂,在化学工业中具有广泛的应用。
本实验通过乙酸与异戊醇在酸性催化剂的作用下进行酯化反应,生成乙酸异戊酯。
反应方程式如下:CH3COOH + C5H10OH → CH3COOC5H10 + H2O三、实验材料与仪器1. 实验材料:- 乙酸(分析纯)- 异戊醇(分析纯)- 浓硫酸(分析纯)- 无水硫酸镁(分析纯)- 碳酸钠(分析纯)- 蒸馏水- 氢氧化钠(分析纯)2. 实验仪器:- 反应瓶(100mL)- 温度计- 冷凝管- 分液漏斗- 蒸馏装置- 集气瓶- 铁架台- 铁夹- 烧杯- 玻璃棒四、实验步骤1. 配制反应液:将15mL乙酸和10mL异戊醇混合,加入5mL浓硫酸作为催化剂,搅拌均匀。
2. 加热回流:将反应液置于反应瓶中,放入50℃~60℃的水浴中加热回流1小时。
3. 冷却:将反应瓶取出水浴,待反应液冷却至室温。
4. 分液:将反应液倒入分液漏斗中,加入适量碳酸钠溶液,充分振荡,静置分层。
5. 收集乙酸异戊酯:待分层后,将下层水溶液从分液漏斗下口放出,上层乙酸异戊酯从上口倒出。
6. 干燥:将乙酸异戊酯倒入烧杯中,加入少量无水硫酸镁,充分振荡,静置干燥。
7. 蒸馏:将干燥后的乙酸异戊酯倒入蒸馏装置中,加热蒸馏,收集143℃~144℃的馏分。
8. 收集产物:将蒸馏出的乙酸异戊酯收集于集气瓶中,待其冷却后,用玻璃棒搅拌均匀,观察其颜色和气味。
五、实验结果与分析1. 产物颜色:无色透明液体2. 产物气味:具有香蕉香味3. 产物沸点:143℃~144℃六、实验讨论1. 酯化反应过程中,硫酸作为催化剂,其作用是提高反应速率。
实验中,硫酸的浓度对反应速率有一定影响,但过高的浓度会导致副反应的发生,降低产率。