片石换填安全技术交底
- 格式:docx
- 大小:111.00 KB
- 文档页数:6
一、工程概况1. 工程名称:________________________2. 施工单位:________________________3. 施工地点:________________________4. 施工期限:________________________5. 施工内容:手摆片石施工二、施工安全注意事项1. 人员配备:- 施工人员必须经过专业培训,具备相关操作技能。
- 施工现场必须配备足够的施工人员,确保施工进度和质量。
2. 安全防护措施:- 施工人员必须佩戴安全帽、安全带等个人防护用品。
- 施工现场设置安全警示标志,明确危险区域。
- 施工现场应设置安全通道,确保人员安全通行。
3. 材料与设备:- 所用片石材料应符合设计要求,表面无裂缝、无夹层。
- 所用设备应完好无损,定期检查维护。
- 施工现场不得存放易燃易爆物品。
4. 施工工艺:- 施工前,对下承层进行平整处理,确保坚实、平整。
- 严格按照设计标高进行施工,确保工程质量。
- 手摆片石时,从路边开始,逐步推向路中,确保片石纵横错缝排列。
- 铺设片石时,底部靠紧,尖端朝上,不得倾斜及相互领先架空。
- 片石摆放好后,用碎石填充紧密,最后用小型压路机压实。
三、施工质量控制1. 原材料控制:- 片石材料应符合设计要求,表面无裂缝、无夹层。
- 下承层应平整、坚实,没有任何松散的材料和软弱的地点。
2. 施工过程控制:- 严格按照设计标高进行施工,确保工程质量。
- 片石纵横错缝排列,确保施工质量。
- 施工过程中,严格控制砂浆配合比,确保砂浆质量。
3. 验收标准:- 施工完成后,按照相关规范进行验收,确保工程质量。
四、应急处置1. 火灾事故:- 施工现场严禁使用明火,严禁存放易燃易爆物品。
- 发生火灾时,立即报警,并组织人员疏散。
2. 触电事故:- 施工现场用电设备必须符合安全标准,定期检查维护。
- 发生触电事故时,立即切断电源,并组织人员救援。
一、交底对象1. 项目全体施工人员;2. 相关管理人员;3. 施工监理人员。
二、交底目的为确保浆砌片石施工过程中的安全,预防安全事故发生,特进行本次安全技术交底。
三、交底内容1. 施工现场安全注意事项(1)施工人员必须佩戴安全帽、安全带、防尘口罩等个人防护用品。
(2)施工人员不得在施工现场吸烟、饮酒,不得酒后上岗。
(3)施工现场禁止乱扔垃圾、乱堆放材料,保持现场整洁。
(4)施工过程中,注意高空坠落、物体打击、机械伤害等安全隐患。
2. 施工工艺安全要点(1)施工前,必须进行现场勘查,了解地形、地质条件,制定合理的施工方案。
(2)施工过程中,严格按照施工图纸和施工规范进行施工。
(3)浆砌片石时,确保石块之间的连接牢固,防止因石块脱落造成安全事故。
(4)砌筑过程中,注意石块尺寸、形状的匹配,避免因石块过大、过小或形状不规则导致砌筑不稳定。
(5)砌筑完成后,对砌体进行检查,确保砌体垂直、平整、牢固。
3. 机械设备安全操作(1)机械设备操作人员必须经过专业培训,取得操作资格证书。
(2)操作机械设备前,必须检查设备各部件是否完好,安全防护装置是否齐全。
(3)操作过程中,严格按照设备操作规程进行操作,不得违规操作。
(4)机械设备停用时,必须切断电源,确保设备处于安全状态。
4. 施工用电安全(1)施工现场用电必须符合国家规定,严禁私拉乱接电线。
(2)施工用电线路应采用绝缘电缆,并设置保护装置。
(3)施工用电设备必须符合安全要求,严禁使用不合格设备。
(4)施工人员不得擅自拆改用电设备,确保用电安全。
四、安全责任1. 施工单位负责施工现场的安全管理,确保施工安全。
2. 施工监理单位对施工现场进行监督检查,确保施工安全。
3. 施工人员必须遵守施工现场安全规定,自觉维护施工现场安全。
4. 施工管理人员应加强对施工人员的安全教育,提高安全意识。
五、交底要求1. 施工单位应将本次安全技术交底记录在案,并定期进行复查。
2. 施工人员应认真学习本次安全技术交底内容,确保掌握安全操作技能。
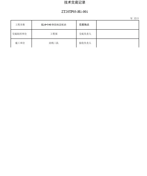
技术交底记录ZT20TP03-H1-001年月曰交底内容:基底换填浆砌片石技术规范:一、材料1•石料应符合设计规定的类别和强度,石质应均匀、不易风化、无裂纹。
片石屮部不应小于150 mm (卵形和薄片者不得采用)。
2•砂浆强度等级为M7.5,所用水泥、砂、水等材料的质量标准宜符合混凝土工程相应的质量标准。
3•砂浆中所用砂,宜采用中砂或粗砂,砂的最大粒径,当用于砌筑片石时,不宜超过5mm,;砂浆的配合比可通过试验确定,可采用质量比,并应满足该规范中的技术条件的要求。
4•砂浆应用机械拌合,拌合时间宜为3'5分钟。
砂浆配制应采用质量比,砂浆应随拌随用,保持适宜的稠度,一般宜在3〜4小时内使用兀毕;气温超过30度时,宜在2'3小时内使用兀毕。
在运输过程或在储存器中发生离析、泌水的砂浆,砌筑前应重新拌合;已凝结的砂浆,不得使用。
二、砌筑1 •基底换填片石比基础两边各宽50 emo2•片石在使用前表面如有泥土、水锈必须清理。
3•砌筑基础的第一层片石时,基底为土质,可直接坐浆砌筑。
4•砌体应分层砌筑,宜以2'3层片石组成一个工作层,每一个工作层的水平缝应大致找平。
各工作层竖缝应相互错丿F,不得贯通。
分段设沉降缝或伸缩缝,各段水平砌筑应一致。
换填浆砌片石的沉降缝应该和涵洞基础、墙身、盖板同一竖直线。
5•各砌层的片石应安放稳固,片石间应砂浆饱满,粘结牢固,不得直接贴靠或脱空。
砌筑时,底浆应铺满,竖缝砂浆应先在已砌石块侧面铺放一部分,然后与片石放好后填满捣实。
6•砌筑上层片石时,应避免振动下层片石。
砌筑工作屮断后回复砌筑时,已砌筑的砌层表面应加以清扫或湿润。
接收负责人:年月日编制: 复核: 签发:。
浆砌片石安全技术交底范本一、目的和背景本次交底的目的是提供给相关从业人员,使其了解并掌握浆砌片石施工的安全技术要求,以保障施工过程的安全,预防事故的发生。
浆砌片石施工是一项涉及到高处作业、起重作业等危险性较高的工作,需要操作人员严格按照安全要求进行操作,以确保施工过程中的人员安全。
二、施工环境和风险评估1.施工环境:浆砌片石的施工环境通常是在高处,存在坠落、滑倒等风险。
施工现场常常有建筑垃圾、材料和机具等堆放,容易造成触碰、扎伤等伤害。
2.风险评估:根据施工环境的描述,存在以下风险:(1)坠落风险:由于浆砌片石施工通常在高处进行,工人易因不稳定的工作平台、失去平衡等原因导致坠落。
(2)机械伤害风险:施工现场存在大量材料和机具,操作人员如不小心触碰、扎伤。
(3)滑倒风险:施工现场常有建筑垃圾和水泥渣等,易造成操作人员滑倒。
三、安全技术要求1.个体防护:(1)穿戴安全帽,以防止物体坠落砸伤头部。
(2)佩戴防滑鞋,提高在高处作业时的稳定性。
(3)穿戴防护手套,以防止触碰到锋利的材料或机具。
(4)佩戴护目镜和口罩,防止灰尘和异物进入眼睛和呼吸道。
2.作业平台的搭设:(1)搭设稳定、牢固的作业平台,确保施工人员能够安全稳定地进行工作。
(2)禁止在不稳定的作业平台上工作,如脚手架、梯子等存在不稳定的情况,应及时修复或更换。
3.高处作业的安全要求:(1)禁止进行未经培训的高处作业。
(2)施工人员在高处作业时,应紧扣安全绳,保持身体平衡。
(3)高处作业时不得随意移动或踩踏脚手架或其他临时设施。
4.起重作业的安全要求:(1)提前进行起重设备的维护和检修,确保其正常运行。
(2)起重作业时应保证操作人员清晰地看到起重物体的运动轨迹和周围环境。
(3)起重作业时,应根据起重物体的重量和形状,选择合适的起重设备和起重工艺。
四、应急预案1.突发事故的应急处理:(1)一旦发生坠落、滑倒等事故,应立即停止工作,确保施工人员的安全。
一、交底目的为确保片石施工过程中的安全,提高施工人员的安全意识,现将片石施工过程中应注意的安全事项进行安全技术交底。
二、交底内容1. 施工现场安全(1)施工前,应对施工现场进行全面检查,确保施工区域内的安全隐患得到消除。
(2)施工现场应设置明显的安全警示标志,施工区域与非施工区域应明确划分。
(3)施工现场应配备必要的安全防护设施,如安全网、防护栏、警示灯等。
2. 施工人员安全(1)施工人员必须佩戴安全帽、安全带等个人防护用品,确保自身安全。
(2)施工人员应接受安全教育培训,熟悉施工过程中的安全操作规程。
(3)施工人员应遵守施工现场的安全规章制度,严禁酒后作业、疲劳作业。
3. 施工机械安全(1)施工机械必须符合国家相关安全标准,并定期进行维护保养。
(2)施工机械操作人员应具备相应的操作技能和资质,确保操作安全。
(3)施工机械应放置在稳固的位置,防止因倾斜、滑移等导致安全事故。
4. 片石施工安全(1)片石应选用合格的产品,确保质量符合设计要求。
(2)片石堆放应整齐,高度不宜超过 1.5米,防止因堆放不稳导致片石滑落伤人。
(3)片石运输过程中,应确保车辆平稳,防止因颠簸导致片石掉落。
(4)片石铺设过程中,应按照设计要求进行,确保施工质量。
(5)片石施工过程中,应随时检查施工质量,发现问题及时整改。
三、安全注意事项1. 施工人员应遵守施工现场的安全规定,严禁违章作业。
2. 施工过程中,应密切注意施工环境变化,发现异常情况及时上报。
3. 施工现场应保持整洁,施工垃圾应及时清理。
4. 施工现场应设置消防设施,确保火灾事故发生时能够及时扑救。
四、应急措施1. 发生安全事故时,应立即停止施工,组织人员进行救援。
2. 事故发生后,应迅速上报相关部门,配合事故调查。
3. 事故原因查明后,应采取措施防止类似事故再次发生。
五、交底要求1. 施工单位应将安全技术交底内容传达给所有施工人员。
2. 施工人员应认真听取安全技术交底,确保掌握施工过程中的安全注意事项。
砌片石安全技术交底4篇【第1篇】高边坡浆砌片石平安交底技术交底内容:本工点位于柳河北山1#号大桥秦端与柳河北山2#大桥之间,以挖方利用剥蚀残丘及丘间凹地,路堑边坡坡度:护墙面坡为1:1.0;护墙背坡1:0.95 。
在施工过程中应该注重以下几个平安问题:1. 进场所有作业人员必需佩戴平安帽。
2. 砌筑边坡高的段落时,要挂好平安带,防止高空坠落。
3. 通过吊车吊运片石时,工作前必需检查机械设备有无故障。
4. 砂浆搅拌机工作前也应该全面检查机械。
5. 工地用电必需符合标准,不得乱拉乱接电线。
6. 因7. 在施工中,施工人员必需时时注重坡面上堆码的石料,禁止将石料堆码在护坡边缘。
8. 在施工过程中必需有专人对现场举行盯控,时时注重,时时警醒,对可能存在的平安质量隐患举行提示和指导。
【第2篇】浆砌片石拱形骨架护坡技术平安交底(一)设计说明拱形骨架空心砖防护设施应在稳定的基脚和坡体上施工,防护的坡体表面应举行检查处理,防护设施应与坡面密贴结合。
使用的砂浆或混凝土必需有协作比和强度实验,并留够试件。
石子强度应符合设计要求。
施工用砂浆、混凝土,应用机械拌合,不应直接在砌风光上或路面上以人工拌合,并应随拌随用。
混凝土空心砖间砂浆应饱满,砌筑后外面整齐,各方向接缝顺直。
勾缝应于路堤己趋稳定后举行。
(二)施工预备1、技术预备施工前组织技术人员仔细学习实施性施工组织设计,阅图、审核施工图纸,澄清有关技术问题,认识规范和技术标准。
按照图纸和规范编制施工计划、作业指导书和技术交底。
2、机械、人员预备1)人员配臵要求:队长1名; 技术负责人1名; 质量员1名; 测量员1名; 实验员1名; 平安员1名; 材料员1名; 领工员1名; 施工人员40人; 2)每个工作面配被机械数量: 台拌合站1 台; 挖机1 台; 运送车1 台; 装载机1 台3、材料预备石料应符合设计要求,石材应质地坚硬、不易风化、无裂纹,表面的污染应予清晰。
砂浆水泥采纳p042.5水泥,砂浆用砂采纳砂石场生产的中砂。
2024年浆砌片石安全技术交底一、浆砌片石作业主要存在列危险源、危害因素:1、未按规定使用劳保用品,造成物体打击事故。
2、边坡上下同时作业,滚石落下造成人员伤亡。
3、搬运石头由于人员疏忽大意砸伤脚。
4、雾雨天未设防滑设施和安全警示牌,造成其他伤害。
5、现场用电不符合要求,造成触电事故。
二、预防措施:1.操作人员必须经过培训上岗,遵守操作安全规程。
进入施工现场所有作业人员佩戴好安全帽,不得穿拖鞋、短裤进入施工现场,遵章守纪,听从指挥,严禁酒后作业,。
2.在基坑周围两米范围设密目网,并挂安全警示牌。
3.施工操作平台必须按规范要求搭设、稳固可靠,并经安全员验收合格后方可使用。
4、所有作业人员上岗前接受安全技术、环保交底,熟悉相关安全操作规程。
5、石料的质量和规格及砂浆所用材料的质量和规格应符合设计要求,按规定配合比施工。
6、砌筑片石的地基承载力必须满足设计要求。
7、砌筑应分层错缝,浆砌时坐浆挤紧,嵌填饱满密实,不得有空洞;干砌时不得松动、叠砌和浮塞。
8、作业人员在搬运石头的时候应注意安全,要量力而行,防止搬运石头砸伤脚,并注意滚石危险;在破解片石时,要背向行人方向,以免片石飞溅伤人。
9、在砌筑片石时边坡上下不得同时作业,上下作业应距离5米以上的距离,防止滚石落下伤人。
10、进行砌筑时应检查和注意边坡土质情况的变化,材料堆放应距离边坡1米以外。
11、遇雨天应做好防雨准备,设置安全警示标志,防止坍塌事故的发生。
12、现场用电设施必须有专人负责,必须三级配电两极保护,每台用电设备接电按一机、一闸、一漏、一箱配置,野外作业照明应用防爆型灯具和防水插座,另设开关箱,并且配电箱要在下班后上锁。
13、发电机、配电箱、开关箱、电焊机、电动机等用电设施设备均应挂设触电警示标志,现场照明设施及其它用电设备的电线必须埋地60cm以上,严禁现场乱拉乱扯。
14、施工现场的发电机、用电设备必须做好防雨设施,照明的碘钨灯必须有可靠的安全防护装置。
片石换填安全技术交底交底内容及完成要求:一、换填1施工前期准备①施工准备施工前应对换填的范围和深度进行核实,当采用机械挖除换填时,应预留30~50cm的保护层由人工清理。
收集场地工程地质资料和水文地质资料。
施工前应合理确定填料的粒径大小、铺料厚度和碾压遍数等参数。
②测量放样根据设计图纸要求,放出软土地基处理地段各点(起点、终点桩号,两侧宽度),并复核处理宽度和原地表标高。
画好平面图,经监理工程师和现场技术人员认可后,方可进行开挖施工。
2基坑检查检查基坑开挖是否达到设计要求,基坑基础承载力是否达到设计要求,基坑开挖尺寸是否满足施工要求。
采用水平分层填筑、分层压实方法施工。
在软基处理前将路基表土及淤泥清除干净后,先用透水性材料回填做好路拱,然后进行回填合适填料。
并控制松铺厚度30cm左右,如遇地下渗水可适当加厚填料厚度。
如果用推土机进行摊铺松,回填材料地基底面宜铺设在同一高程上,如深度不同时,基土面应按施工图挖成台阶或斜坡搭接,搭接处应夯实,施工应按先深后浅的顺序进行。
3分层压实①为保证换填填料压实的均匀性和密实度,在重型碾压机碾压前,应整平面层。
②控制碾压机械的速度,经静压2遍后,采用强振8~10遍。
③换填材料粒径太大时,应破碎,以保证上下材料结合良好。
④夯实先四周后再中间。
4找平验收①最后一层碾压完成后,需检查高程和平整度。
各项指标符合规范要求②低洼处及时补充填料。
二、人员机械安全措施1对新进场的工人进行安全生产的教育和培训,经考核合格后,方准许其进入操作岗位。
2对起重和车辆驾驶等特殊工种的工人,要求持证上岗,并进行专门的安全操作训练。
3为了保障施工人员的安全,施工人员穿着醒目的服装,戴安全帽、穿施工鞋。
4在施工中,遇有地下电缆等情况,采取可靠安全防护措施,确保施工安全。
5所有的电器设备、运输设备、场内机动车辆等,必须加强保养,使其保持良好的工作状态及具有完备的安全装置,所有机具设备的操作人员必须经过培训考试合格,持证上岗,并严格遵守操作规程,严禁违章作业。
一、工程概况1. 工程名称:____________________2. 施工单位:____________________3. 施工地点:____________________4. 施工内容:需换填片石工程施工二、施工方案及工艺1. 施工方案:采用分层压实、分段施工的方法进行片石填充。
2. 施工工艺:先进行测量放线,然后分层进行片石填充,最后进行压实、整平。
三、安全注意事项1. 人员安全:(1)所有施工人员必须经过专业培训,了解片石施工的安全知识和操作技能。
(2)施工前,必须进行安全交底,确保每位施工人员明确安全注意事项。
(3)施工过程中,必须佩戴安全帽、安全带等防护用品。
2. 施工设备安全:(1)所有机械设备必须符合国家安全标准,并进行定期检查、维护。
(2)机械设备操作人员必须持证上岗,严格遵守操作规程。
(3)施工区域内的机械设备必须进行统一管理,确保安全运行。
3. 施工材料安全:(1)片石材料必须符合设计要求,质量合格。
(2)施工过程中,严禁使用过期、变质或不符合要求的材料。
4. 施工现场安全:(1)施工区域必须设置明显的安全警示标志,确保施工人员安全通行。
(2)施工现场必须设置专职安全员,负责现场安全监督和指导。
(3)施工现场应保持整洁,防止滑倒、摔伤等事故发生。
四、质量控制要求1. 片石填充质量:(1)严格按照设计文件和施工规范进行施工。
(2)分层压实,确保压实度达到设计要求。
(3)施工过程中,定期进行检测,确保施工质量。
2. 施工测量:(1)认真做好测量放线控制工作,确保施工精度。
(2)放样和标记工作要准确、清晰。
3. 施工记录:(1)做好施工记录,包括施工日期、施工人员、施工内容、质量检测等。
(2)确保施工记录的完整性和准确性。
五、应急措施1. 人员伤害事故:(1)立即停止施工,组织人员将伤者送往医院救治。
(2)及时报告事故情况,按照相关规定进行处理。
2. 设备故障:(1)立即停止使用故障设备,排除故障。
浆砌片石安全技术交底范本第一章:安全技术交底的目的和要求1.1目的本安全技术交底的目的是为了保障施工场所的安全以及保证施工人员的人身安全,确保项目的顺利进行。
1.2要求在进行浆砌片石施工前,施工单位必须对相关施工人员进行安全技术交底,做好相关安全保障工作。
第二章:施工现场安全管理措施2.1现场布置在施工现场进行相关片石浆砌施工前,必须确保施工场地的整体布局合理,设备、物资摆放有序,通道畅通。
2.2安全设施2.2.1安全警示标识在施工现场必须设置明显的安全警示标识,警示标识应包括相关施工安全事项和要求。
2.2.2安全防护设施对于有高处作业的地方,必须设置安全防护设施,如安全网、防护栏杆等。
2.2.3消防设备在施工现场必须设立消防器材,以供及时灭火应急使用。
2.3施工环境管理2.3.1施工场地的清洁施工场地必须保持清洁,禁止乱堆乱放,杂物堆积等行为。
2.3.2施工场地的通风施工现场必须保持通风畅通,有利于维护作业人员的身体健康。
2.4临时用电安全2.4.1电气设备的安装临时用电设备必须正确安装,并进行必要的验收。
禁止私拉乱接电线。
2.4.2电箱的管理电箱必须设置在防潮、防尘的地方,并设立警示标识。
2.4.3用电操作规范必须严格按照电气设备的操作规程进行操作,禁止未经许可的人员接触电缆、开关等。
第三章:浆砌片石作业安全交底3.1施工人员安全防护装备3.1.1头盔施工人员必须佩戴可靠的防护头盔,有效防护头部受伤。
3.1.2安全带对于需要进行高空作业的人员,必须佩戴安全带,确保人员安全。
3.2浆砌片石施工作业要点3.2.1熟悉图纸和方案施工人员必须熟悉施工图纸和方案,了解相关施工要点和安全措施。
3.2.2正确设置施工脚手架施工人员必须正确设置脚手架,并加固牢固,以保证人员的安全。
3.2.3材料运输要注意的事项材料运输时,必须合理摆放,保证安全行驶,并注意材料的稳固。
3.2.4使用工具和设备的安全操作规程施工人员必须按照使用工具和设备的安全操作规程进行操作,禁止擅自改变设备的结构。
新建兴国至泉州铁路兴国至宁化段XQXN-1标段路基换填施工技术交底书交底单位第一架子队编号L201802-20-3009接底单位软基处理二工班日期2019年3 月30 日工程名称DK8+495-DK8+527段路基技术交底内容:1、技术交底范围路基施工的范围:DK8+495-DK8+527段路基。
长度为32m,附断面图一、准备工作测量班用GPS确定出基坑开挖边线;施工队配合测量员用白灰撒出开挖线。
人工配合挖机清除坑内杂物及浮泥,挖到基底通知技术员联系试验员进行动力触探试验,用水泵抽净基坑内积水,排水要通过纵向排水沟排出路基以外。
二、材料选择选用强度大于15Mpa的优质片石作为回填的填料。
石料的最大粒径不得超过30cm或摊铺厚度的2/3 ,超过的应破碎。
三、填筑方法填筑时,采用分层填筑,填筑厚度不大于50cm,逐层填筑时应安排石料运输路线,专人指挥,按水平分层,先低后高,先两侧后中央卸料,并用大型推土机摊平。
个别不平处应配合人工用细石块、石屑找平。
回填片石时,应先铺填大块石料,大面向下,小面向上,摆设平稳,再用小石块找平,石块之间的空隙可以扫入石渣、砂砾石使空隙填满。
为确保压实效果,用振动重型压路机碾压,应无漏压、无死角,在横向接头重叠0.4~0.5m进行压实,分层压实。
1为保证换填填料压实的均匀性和密实度,在重型碾压机碾压前,应平整面层。
2控制碾压机械的速度,经静压2遍后,采用强振6遍。
3换填材料粒径太大时,应破碎,以保证上下材料结合良好。
4夯实先四周后再中间。
5每层填筑压实完成通知现场技术员与实验员做K30试验。
四、安全保证措施4.1路基施工安全措施4.1.1、开展安全教育,上岗前,由安质部负责组织全体人员,认真学习有关施工安全规则和安全技术操作规程,提高全员安全生产意识。
特殊工种进行岗前培训,持证上岗。
4.1.2、施工时,要做好截、排水,并随时注意检查,开挖后保持排水畅通。
4.1.3、施工现场做到布局合理,场地平整,道路畅通,机械设备安置稳固、材料堆放整齐。
换填施工安全交底一、前言在进行施工作业前,为了确保施工过程中的安全性,必须进行换填施工安全交底。
本文档将详细介绍换填施工安全交底的内容和注意事项。
二、换填施工的定义和流程换填施工是一种土方工程施工方法,主要用于土地平整、填筑或挖掘等工作中。
其流程主要包括以下几个步骤:1.确定施工区域:根据工程设计要求和工程进度安排,确定施工的具体区域。
2.制定施工方案:根据工程设计和施工要求,制定详细的施工方案,包括施工方法、工期计划等内容。
3.准备施工材料和设备:根据施工方案,准备所需的施工材料和设备,确保其质量和数量符合要求。
4.组织施工人员:根据施工方案和工期计划,组织合适的施工人员参与施工作业。
5.开展施工作业:按照施工方案和工期计划,进行土方的填筑或挖掘工作。
6.安全交底:在施工作业开始前,进行施工安全交底,确保所有参与施工的人员了解并遵守相关的安全规定和操作要求。
三、施工安全交底的内容施工安全交底是指在施工作业开始前,组织相关人员进行安全规定和操作要求的交流和沟通。
其内容主要包括以下几个方面:1. 工程概况交底人员应介绍工程的概况,包括工程的地点、性质、工程量、工期等信息,使参与施工的人员了解工程的基本情况。
2. 风险提示交底人员应详细介绍施工现场可能存在的危险和风险源,如陷阱、高处作业、机械设备等,并告知相关防范措施和注意事项,以提醒施工人员注意安全。
3. 安全规定和操作要求交底人员应说明施工作业中的安全规定和操作要求,包括但不限于以下方面:•个人防护:要求施工人员必须佩戴个人防护用品,如安全帽、安全鞋、手套等。
•作业流程:详细描述施工的步骤和工序,并强调安全操作的重要性。
•紧急情况处理:告知施工人员在紧急情况下应如何处理,包括火灾、电击、突发意外等。
•禁止行为:列举施工作业中禁止的行为,如吸烟、乱丢垃圾、随意调动设备等。
4. 施工现场安全措施交底人员应介绍施工现场的安全措施,包括但不限于以下方面:•施工区域划定:明确施工区域,并设立警示标识,确保非施工人员不靠近施工区域。
一、交底对象本次安全技术交底的对象为参与片石砼施工的全体施工人员、技术人员及管理人员。
二、交底目的为确保片石砼施工过程中的安全,提高施工质量,特进行本次安全技术交底。
三、施工工艺及要求1. 施工工艺流程:施工准备→基础处理→模板安装→钢筋绑扎→混凝土浇筑→养护→拆模→验收。
2. 施工要求:(1)基础处理:确保基础表面平整、坚实,满足设计要求。
(2)模板安装:模板应选用符合设计要求的材料,安装牢固,确保模板不变形、不漏浆。
(3)钢筋绑扎:钢筋绑扎应符合设计要求,确保钢筋间距、位置准确,绑扎牢固。
(4)混凝土浇筑:混凝土应采用现场搅拌,确保质量。
浇筑过程中,应严格控制混凝土坍落度,防止离析。
(5)养护:混凝土浇筑完成后,应及时进行养护,保证混凝土强度达到设计要求。
四、安全注意事项1. 人员安全:(1)施工人员必须佩戴安全帽、安全带等个人防护用品。
(2)施工过程中,禁止酒后作业、疲劳作业。
(3)高空作业时,必须系好安全带,严禁攀登模板、脚手架等。
2. 设备安全:(1)机械设备操作人员必须持证上岗,严格遵守操作规程。
(2)机械设备运行过程中,严禁操作人员靠近或触摸运动部件。
(3)施工现场应保持整洁,及时清理杂物,防止机械设备发生故障。
3. 施工环境安全:(1)施工现场应设置安全警示标志,确保施工区域安全。
(2)施工过程中,注意防滑、防坠落,确保施工环境安全。
(3)施工现场应设置消防设施,定期检查消防器材,确保消防设施完好。
五、应急措施1. 人员受伤:立即拨打急救电话,同时采取现场急救措施,如止血、包扎等。
2. 机械设备故障:立即停止设备运行,切断电源,防止事故扩大。
3. 消防事故:立即拨打消防电话,同时组织人员疏散,确保人员安全。
六、交底人及时间交底人:[姓名]交底时间:[日期]请全体施工人员认真学习本次安全技术交底内容,确保施工过程中严格遵守安全操作规程,共同保障施工安全。
[单位名称][日期]。
片石、块石填筑路基施工技术交底适用于路基填筑,路基换填,基坑换填。
其方法如下:
一、准备工作
人工清除坑内杂物及浮泥,用水泵抽净基坑内积水,排水要通过纵向排水沟排出路基以外。
二、材料选择
选用强度大于15Mpa的优质片石作为回填的填料。
石料的最大粒径不得超过压实层厚的2/3,超过的应破碎。
三、填筑方法
填筑时,采用分层填筑,填筑厚度不大于50cm,逐层填筑时应安排石料运输路线,专人指挥,按水平分层,先低后高,先两侧后中央卸料,并用大型推土机摊平。
个别不平处应配合人工用细石块、石屑找平。
回填片石时,应先铺填大块石料,大面向下,小面向上,摆设平稳,再用小石块找平,石块之间的空隙可以扫入石渣、砂砾石使空隙填满。
为确保压实效果,用20t振动重型压路机碾压,应无漏压、无死角,在横向接头重叠0.4~0.5m进行压实,前后两相邻的两区段重叠
1.0~1.5m进行压实,一般碾压10遍。
压实度判别用标高控制法(沉降法)即每个路段设置临时水准点,用50cm的钢针插入结构层,并使其顶面同回填料顶面齐。
测点间距为25米,检测频率不足2000m2至少设8个测点,不足200m2至少设置2个测点。
碾压10遍后在片石顶面布点,再检测碾压一遍,若观测点碾压后沉降量小于5mm时即为压实合格,否则继续碾压。
一、工程名称:________________________二、交底时间:________________________三、交底人:________________________四、接受交底人:________________________五、交底内容:一、工程概况1. 工程名称:________________________2. 施工地点:________________________3. 施工单位:________________________4. 施工单位负责人:________________________二、安全技术交底1. 施工前的准备工作(1)施工人员必须接受安全技术培训,了解片石混凝土施工的基本知识和安全操作规程。
(2)施工前应检查施工现场,确保施工区域安全,无安全隐患。
(3)施工材料应符合国家相关标准,确保质量。
2. 施工过程中的安全注意事项(1)施工人员应佩戴安全帽、安全带、防护眼镜等个人防护用品。
(2)施工区域应设置警示标志,提醒施工人员注意安全。
(3)施工过程中,严禁酒后作业、疲劳作业。
(4)施工人员应严格遵守操作规程,不得擅自更改施工工艺。
(5)施工过程中,严禁操作人员站在模板上作业。
3. 基坑开挖安全措施(1)开挖前,需对开挖区域内的地质情况进行调查,了解土层结构、地下水情况等。
(2)开挖过程中,应严格按照设计要求进行,确保边坡稳定。
(3)开挖过程中,应定期进行监测,发现异常情况立即采取措施。
4. 模板及支撑系统安全措施(1)模板及支撑系统应选用合格材料,确保其强度、刚度、稳定性。
(2)模板及支撑系统安装前,应进行严格的检查,确保无变形、裂纹等缺陷。
(3)模板及支撑系统安装后,应进行预压,消除非弹性变形。
(4)施工过程中,严禁擅自拆除模板及支撑系统。
5. 施工用电安全措施(1)施工现场用电应符合国家相关标准,确保用电安全。
(2)施工用电设备应定期检查,确保其绝缘性能良好。
一、工程概况1. 工程名称:[项目名称]2. 施工部位:[具体施工部位,如:基础工程、挡土墙等]3. 施工时间:[预计施工时间]4. 施工班组:[班组名称]二、安全技术措施1. 人员安全- 所有参与施工人员必须经过专业培训,了解片石混凝土浇筑的施工工艺和安全注意事项。
- 施工人员必须佩戴安全帽、安全带、防尘口罩等个人防护用品。
- 严禁酒后作业,确保施工人员身体健康。
2. 材料安全- 所有材料必须符合国家相关标准和规范要求,确保材料质量。
- 片石应选用坚实、未风化、无裂缝、洁净的石料,强度等级不低于MU30。
- 混凝土原材料必须按照配合比进行严格称量,确保混凝土质量。
3. 机械设备安全- 机械设备必须经过定期检查和维护,确保设备运行正常。
- 搅拌机、振捣器等机械设备操作人员必须熟悉操作规程,严禁违规操作。
- 机械设备操作区域应设置明显的警示标志,确保人员安全。
4. 施工环境安全- 施工现场应保持整洁,施工通道畅通,确保人员通行安全。
- 施工现场应设置消防设施,并定期检查消防设施的有效性。
- 施工现场应设置安全警示标志,提醒施工人员注意安全。
三、施工步骤及注意事项1. 施工准备- 清理施工现场,确保施工区域整洁、畅通。
- 检查机械设备,确保设备运行正常。
- 准备施工材料,确保材料质量。
2. 浇筑施工- 浇筑前,先铺一层不少于8~15厘米厚的混凝土打底。
- 铺上毛石,毛石插入混凝土约一半后,再浇灌振捣混凝土,填满所有空隙。
- 逐层放置毛石和浇筑混凝土,直至顶面,保持毛石顶部有不少于10厘米厚的混凝土覆盖层。
- 毛石放置应均匀排列,毛石间距一般不小于10厘米,离开模板或槽壁距离不小于15厘米。
3. 注意事项- 浇筑过程中,应严格控制混凝土的坍落度,确保混凝土质量。
- 浇筑过程中,应避免混凝土离析,确保混凝土均匀性。
- 浇筑过程中,应确保混凝土振捣充分,消除气泡,提高混凝土密实度。
- 施工过程中,应随时检查施工质量,确保工程质量符合要求。
编号:AQ-GL-03863
( 安全管理)
单位:_____________________
审批:_____________________
日期:_____________________
WORD文档/ A4打印/ 可编辑
片石换填安全技术交底
Technical disclosure of rubble replacement and filling safety
片石换填安全技术交底
备注:企业安全管理的目的就是提高生产,而同时又不造成安全事故。
一个出过安全事故的企业,不管在劳动者还是消费者的心中都是没有可信度的。
所以只有加强企业的安全管理,才能树立良好的企业形象,从而赢得市场。
交底内容及完成要求:
一、换填
1施工前期准备
①施工准备
施工前应对换填的范围和深度进行核实,当采用机械挖除换填时,应预留30~50cm的保护层由人工清理。
收集场地工程地质资料和水文地质资料。
施工前应合理确定填料的粒径大小、铺料厚度和碾压遍数等参数。
②测量放样
根据设计图纸要求,放出软土地基处理地段各点(起点、终点桩号,两侧宽度),并复核处理宽度和原地表标高。
画好平面图,经监理工程师和现场技术人员认可后,方可进行开挖施工。
2基坑检查
检查基坑开挖是否达到设计要求,基坑基础承载力是否达到设计要求,基坑开挖尺寸是否满足施工要求。
采用水平分层填筑、分层压实方法施工。
在软基处理前将路基表土及淤泥清除干净后,先用透水性材料回填做好路拱,然后进行回填合适填料。
并控制松铺厚度30cm左右,如遇地下渗水可适当加厚填料厚度。
如果用推土机进行摊铺松,回填材料地基底面宜铺设在同一高程上,如深度不同时,基土面应按施工图挖成台阶或斜坡搭接,搭接处应夯实,施工应按先深后浅的顺序进行。
3分层压实
①为保证换填填料压实的均匀性和密实度,在重型碾压机碾压前,应整平面层。
②控制碾压机械的速度,经静压2遍后,采用强振8~10遍。
③换填材料粒径太大时,应破碎,以保证上下材料结合良好。
④夯实先四周后再中间。
4找平验收
①最后一层碾压完成后,需检查高程和平整度。
各项指标符合规范要求
②低洼处及时补充填料。
二、人员机械安全措施
1对新进场的工人进行安全生产的教育和培训,经考核合格后,方准许其进入操作岗位。
2对起重和车辆驾驶等特殊工种的工人,要求持证上岗,并进行专门的安全操作训练。
3为了保障施工人员的安全,施工人员穿着醒目的服装,戴安全帽、穿施工鞋。
4在施工中,遇有地下电缆等情况,采取可靠安全防护措施,确保施工安全。
5所有的电器设备、运输设备、场内机动车辆等,必须加强保养,使其保持良好的工作状态及具有完备的安全装置,所有机具设备的操作人员必须经过培训考试合格,持证上岗,并严格遵守操作规程,严禁违章作业。
6自卸汽车卸料前,司机先察看周围环境,确认安全后方可卸料。
严禁酒后驾驶车辆。
7对从施工现场出入的车辆做到有人指挥,有人防护,确保安全。
三、文明施工
1施工现场要布置井然有序,规划合理。
2工程实施时,严格遵守《建设工程现场文明施工管理暂行规定》,并积极创建文明施工工地。
3施工场地标示牌设置清晰、内容齐全。
4施工场地平整、无积水,施工期间内的沟、井、坑均加设安全防护措施和安全防护标志。
5管理人员及工人必须佩戴安全帽及上岗证。
6现场布置合理,水、电、便道及场地三通一平。
7现场各种施工机械设备及材料放置井然有序。
8施工中,树立良好的企业形象,不盲目、野蛮施工,尊重当地老百姓的生活习惯、民俗习惯,处理好跟当地老乡的关系。
9要尊重当地人的风俗习惯,与当地人和睦相处,不得与当地人
发生冲突,严格遵守“三大纪律·十项注意”。
接受交底人:
这里填写您的公司名字
Fill In Your Business Name Here。