10.用钢轨探伤仪探测钢轨水平裂纹
- 格式:doc
- 大小:43.50 KB
- 文档页数:3
技能认证钢轨探伤工高级考试(习题卷4)说明:答案和解析在试卷最后第1部分:单项选择题,共59题,每题只有一个正确答案,多选或少选均不得分。
1.[单选题]根据( )等基础资料,结合历年水害特征,制定汛期出巡、列车限速或封锁雨量警戒值,严格执行汛期行车雨量警戒制度。
A)地质地形条件B)路基状态C)周边环境D)以上都是2.[单选题]Ⅱ级探伤人员应不少于探伤人员总数的( )。
A)10%B)20%C)30%D)50%3.[单选题]37°探头探测60Kg/m钢轨断面时,无底角反射波是因为( )。
[331020119]A)灵敏度低B)不符合反射定律C)螺孔阻挡D)灵敏度高4.[单选题]超声波探伤,若仪器的重复频率过高,示波屏上将产生( )信号,易造成错判。
A)草状回波B)固定回波C)幻像D)杂波5.[单选题]A型显示探伤仪,上下移动时基线的旋钮是( )。
[311010328]A)聚焦旋钮B)辉度旋钮C)水平旋钮D)垂直旋钮6.[单选题]铝热焊焊缝中( )缺陷形成原因是砂模封口不准,使混入溶液中的砂粒无法溢出。
[321030225]A)夹渣B)气孔C)疏松D)夹砂C)15MHz探头D)25MHz探头8.[单选题]TB/T2340-2012标准规定钢轨探伤仪37°探头探测在深度20㎜到距离幅度特性曲线最高点范围内,△W≤12dB。
距离幅度特性曲线最高点到深度150㎜范围内,△W≤( )。
[321010334]A)8dBB)12dBC)14dBD)16dB9.[单选题]( )应用延伸度法对缺陷进行定量。
[311030202]A)大于声束截面的缺陷B)小于声束截面的缺陷C)点状缺陷D)平面型缺陷10.[单选题]轨头纵向裂纹,可使用0°探头置于轨头( )进行确定。
A)轨面B)轨端C)截面D)侧面11.[单选题]用试块对比法求得的缺陷大小( )。
A)称为当量B)与实际大小相等C)是缺陷的最大长度D)是缺陷的最大宽度12.[单选题]气压焊焊缝中( )缺陷形成原因是温度低或顶锻力不足,造成钢轨接触面的不连续性、火焰不正常、出现回火、放炮等导致端面污染和氧化。
铁路职业技能鉴定非标准化试卷(非规章)一、填空题1. TB/T 2340-2000标准规定,钢轨超声波探伤仪的动态范围抑制最大时为2—6dB 。
2. TB/T 2340-2000标准规定,钢轨超声波探伤仪距离幅度特性的测试点不应少于6个。
3. 在超声波探伤中,由于波的传播方向改变使声程增加或由于波型转换后使声速变慢出现的波形通常称为迟到波。
4. 晶片尺寸较小的探头发射的超声波束,其远场覆盖面积大。
5. 37°探头探测钢轨轨底中心的横向裂纹,是根据超声波的直角反射原理来发现的。
6. 使用0°探头,探测钢轨时,探测面和仪器工作正常,但仪器常报警,且无回波,应考虑钢轨内部有纵向裂纹。
7. A型显示超声波探伤仪荧光屏上时基线是由扫描电路产生的锯齿波形成的。
8. 超声场中,当X≥3N时,长横通孔的反射声压与长横孔直径的平方根成正比,与距离的3/2次方成反比。
9. 在对尖轨探伤时,尖轨轨面宽度大于50mm 为探伤仪探测范围。
10. 超声波在介质中传播形成衰减的主要原因有,•声场扩散、材质散射和材质吸收。
11. 在声程大于3N时,•垂直入射到平底孔的超声波,当平底孔的直径增加一倍时,其反射声压增加12dB 。
12. A型显示超声波探伤仪各单元电路的工作是由同步电路协调的。
13. 大型钢轨探伤车冬季探伤作业,为了防止耦合水冻结,常在水中加入的防冻液是乙二醇。
14. 使用前37°探头,探测钢轨第一孔向前向下的斜裂纹时,其裂纹波出波顺序应出现在孔波和颚部波之间。
15. 使用直射70°探头有利于发现轨头三角区部位的核伤。
16. 凹面形状的缺陷将引起反射波束的聚集。
17. 超声波探伤仪的垂直线性不好会给判定缺陷的大小带来误差。
18. 超声波探伤仪抑制旋钮的作用是将不必要的杂波去掉,使波形清晰、易于观察,但抑制加大后也会漏掉较小缺陷的危险。
19. 大型钢轨探伤车采用的是轮探头,每个轮探头内装有3个70°、一个0°和一个45°探头。
单位内部认证无损检测员中级考试(试卷编号191)1.[单选题]厚钢板内部与探测面呈45°倾斜的平滑片状缺陷,最有效的探伤方法是( )。
A)单探头纵波法B)单探头横波法C)双斜探头前后串列法答案:A解析:2.[单选题]用单斜探头检验厚焊缝容易漏掉( )。
A)线状夹渣B)与探测面垂直的大而平的缺陷C)密集气孔D)未焊透答案:A解析:3.[单选题]脉冲是指振荡持续时间( )。
A)连续的波B)很长的波C)无穷的波D)很短的波答案:A解析:4.[单选题]纵波直探头的近场长度不取决于下述何种因素( )。
A)换能器的直径B)换能器的频率C)声波在试件中的传播速度D)耦合剂的声阻抗答案:A解析:5.[单选题]根据TB/T2340-2000标准要求,蓄电池的容量应能满足探伤仪连续工作( )的需要。
A)16小时B)6小时C)10小时D)8小时答案:D6.[单选题]表示超声波通过不同物质的速率的术语是( )。
A)频率B)声速C)波长D)脉冲长度答案:A解析:7.[单选题]钢轨探伤仪0°探头探测螺孔时,呈现螺孔波、水平裂纹波、轨底波同时显示的瞬间,该螺孔可能存在( )。
A)上斜裂纹B)水平裂纹C)单侧水平裂纹D)下斜裂纹答案:C解析:8.[单选题]0°探头的探测范围为声程1:2.5,50kg/m钢轨轨底波出现在( )。
A)5.0B)5.6C)6.08D)7.04答案:C解析:9.[单选题]每平方厘米一根磁感应线的度量单位为( )A)1奥斯特B)1欧姆C)1高斯D)1安培答案:A解析:10.[单选题]探头折射角在37°~45°之间时,误差应不超过( )A)≤1°B)≤1.5°C)≤2°D)≤2.5°答案:B解析:A)联结B)关联C)联网D)联络答案:D解析:12.[单选题]0°探头连接通道的扫描线按纵波声程1∶2.5标定,水平裂纹距轨面的深度为150mm,则回波在荧光屏刻度( )显示。
钢轨探伤漏检螺孔裂纹的原因分析和应对措施摘要:在钢轨检测过程中,充分合理利用超声波进行检测,具有其自身的独特优势,主要是通过声学原理,避免在实质性上损坏钢轨,而且检测结果的准确性非常高。
据此,本文主要对钢轨超声波探伤漏检的原因进行了详细分析,并提出了一些有效的改进措施。
关键词:钢轨;超声波;探伤;漏检前言现阶段,利用超声波探伤技术在钢轨检测中的应用越来越深入和广泛,其主要原理是利用声学原理,对物体内部所具有的声学特征和性质对超声波传播带来影响作为检测的基础所在。
超声波检测技术不会对材料带来实质的破坏,可以在保证材料完整性的基础上对材料内部和表面的缺陷大小、形状和分布状况进行检测。
采用超声波检测可以有效确保设备材料的可靠性,以保证其品质。
目前,正是由于超声波探伤技术所具有的安全、可靠等一系列明显优势,使得其在国内外获得了非常广泛的应用。
目前使用的超声波探伤仪种类非常繁多,其中尤以脉冲反射式超声波探伤仪应用最为深入和广泛。
通常情况下,对于均匀的材料中,如果存在缺陷就会造成材料的不连续性,而该种不连续性又会造成声阻抗的不一致,根据反射定律,超声波在两种不同声阻抗的介质的交界面上将会发生反射,反射回来的能量的大小与交界面两边介质声阻抗的差异和交界面的取向、大小有关。
1钢轨使用过程中容易出现的缺陷钢轨容易出现损伤过程主要是钢轨制造以及安装焊接、列车车轮频繁的冲击力和载荷以及所处的环境因素等。
钢轨制造以及安装焊接采用的材料不恰当、焊接母材选取不合适、制造工艺以及焊接工艺不合理等,钢轨就容易出现微裂纹、灰板、焊接点脱落、鱼鳞纹以及掉块等损伤。
由于列车承重量大以及运输次数的频繁,钢轨可能发生擦伤、剥离掉块、变形以及滚动接触疲劳损伤等缺陷,在外界环境的影响下,雨水浸湿、氧化腐蚀钢轨。
总之,对于钢轨运作过程中,铁路相关部门应做好钢轨施工质量的监督和后续的检测以及保护,以避免因钢轨的伤损而发生安全事故。
2钢轨探伤技术的应用目前,钢轨无损探伤技术主要有超声波无损探伤、射线无损探伤、激光无损探伤、渗透无损探伤、目视无损探伤、涡流无损探伤等。
技能认证钢轨探伤工初级考试(习题卷7)第1部分:单项选择题,共45题,每题只有一个正确答案,多选或少选均不得分。
1.[单选题]在水/钢界面上,水中入射角为7°,在钢中主要存在的振动波形是( )。
A)纵波B)横波C)纵波和横波D)表面波答案:C解析:2.[单选题]一个与板面呈45°倾斜角的内部缺陷,检出它的最有效的方法是( )。
A)垂直法B)表面波法C)斜射法D)6db法答案:C解析:3.[单选题]机械的种类繁多,形式各异,但其共性特征有( )。
A)3个B)4个C)2个D)1个答案:A解析:4.[单选题]钢板探伤时,若提高声波的频率,则( )。
A)声速加快B)声速减低C)声速不变D)声速不确定答案:C解析:5.[单选题]某探头晶片材料标识为P,它的材料是( )。
A)钛酸钡陶瓷B)锆钛酸铅陶瓷C)钛酸铅陶瓷D)石英答案:B解析:6.[单选题]在给定距离时,( )材料的工件对超声波衰减最大。
答案:B解析:7.[单选题]表示声速、频率、波长三者关系的公式是C=l·f,当波长变化时( )。
A)频率变化B)声速变化C)声速不变D)频率变化而声速不变答案:D解析:8.[单选题]靠近探头的干涉区,常被称为( )。
A)近场区B)声阻抗C)指数场D)相位区答案:A解析:9.[单选题]超声波波形上的某一点到相邻的同相位点之间的距离称为( )。
A)频率B)波长C)速度D)脉冲长度答案:B解析:10.[单选题]在声波到达工件底面之前,由于声束扩散在试件侧面可能导致( )。
A)多次底面反射B)多次界面反射C)波形的转换D)入射声能的损失答案:C解析:11.[单选题]能沿圆滑过渡的边角传播而几乎不造成反射的超声波为( )。
A)横波B)表面波C)切变波D)纵波答案:B解析:12.[单选题]超声检验中,脉冲的持续时间称为( )。
A)脉冲宽度B)脉冲振幅C)脉冲形状13.[单选题]横波的质点振动方向( )。
2021年钢轨探伤工(铝热焊缝母材)抽考题和答案(5)共5种题型,共110题一、单选题(共35题)1.GHT-5试块分为0°探头分轨头、轨腰探头区和()三个区。
A:70°探头区B:37°探头区C:轨底探头区D:双探头区【答案】:C2.在规定的()灵敏度下发现钢轨内部裂纹时应判为重伤。
A:组合B:扫查C:检查D:探伤【答案】:D3.同一固体,横波声速()瑞利波声速。
A:大于B:小于C:等于D:大于或等于【答案】:A4.普速线路钢轨其他重伤可采取修理或()方法处理,处理前可根据现场实际情况采取限速措施。
A:焊复B:焊补C:更换D:替换【答案】:A5.现场探伤作业,某一通道仪器耦合报警,应检查的部位有()。
A:探头位置B:注水情况C:探头耦合与连接D:探头位置、注水情况、探头耦合与连接【答案】:D6.钢轨受竖向力作用时,会在接触面产生很大的()应力。
A:竖向B:横向C:接触D:垂直【答案】:C7.鱼鳞剥离末端很容易产生()。
A:水平裂纹B:螺孔裂纹C:纵向裂纹D:核伤【答案】:D8.利用CSK-1A试块上∮50mm曲面和∮1.5mm横孔可测定斜探头()。
A:折射角B:前沿长度C:分辨力D:声轴偏斜角【答案】:A9.钢轨探伤仪37°探头不能发现轨腰水平裂纹的原因()。
A:没有反射波B:接收不到反射波C:灵敏度过低D:裂纹长度不够【答案】:B10.GHT-1型试块属于()。
A:标准试块B:焊缝探伤对比试块C:灵敏度调整对比试块D:钢轨母材探伤对比试块【答案】:B11.同一固体,纵波声速()横波声速。
B:小于C:等于D:大于或等于【答案】:A12.超声波的入射角()。
A:大于反射角B:小于反射角C:等于与入射波波形相同的反射角D:与反射角无关【答案】:C13.在线路允许速度Vmax≤60km/h区段,本线来车时,作业人员应距列车不少于()下道完毕。
A:500mB:800mC:1400mD:2000m【答案】:A14.70°探头探测钢轨时,使用的是()。
技能认证钢轨探伤工初级考试(习题卷10)第1部分:单项选择题,共45题,每题只有一个正确答案,多选或少选均不得分。
1.[单选题]A型显示的探伤仪时基线纵坐标代表( )。
A)回波幅度B)回波时间C)回波声程D)探头位移距离答案:A解析:2.[单选题]超声波在相同的材料中传播,波长最短的超声波频率是( )。
A)1MHzB)2.5MHzC)5MHzD)10MHz答案:D解析:3.[单选题]在远场同直径横孔声程增大1倍,不计材质衰减,则声压减少( )。
A)6dBB)9dBC)3dBD)12dB答案:B解析:4.[单选题]探头发射的声能聚集而形成声束线聚焦应选用的声透镜为( )。
A)圆柱曲面B)球面曲面C)凸面形D)凹面形答案:A解析:5.[单选题]探测面光洁度分别具有直径、取向、距离都相同的横通孔,在以相同探伤灵敏度下将波束垂直射至孔面,则回波高度( )。
A)相同B)△的高C)△的低D)都不是答案:C解析:D)PU60AP1答案:B解析:7.[单选题]超声波探伤用的面积-幅度对比试块的人工缺陷形式为( )。
A)平底孔B)横通孔C)圆锥孔D)V形槽答案:B解析:8.[单选题]接头夹板以外钢轨材质不良造成的钢轨横向折断的代码为( )。
A)20620B)20623C)20622D)30020答案:D解析:9.[单选题]因表面粗糙使超声波束产生的漫射称为( )。
A)角度调整B)散射C)折射D)扩散答案:B解析:10.[单选题]钢中频率为2MHz,其横波波长为( )。
A)1.6mmB)2.36mmC)2.25mmD)2.95mm答案:A解析:11.[单选题]仪器测距标尺满刻度已校准为深度200mm,如缺陷回波前沿显示于刻度3.5上,则该缺陷的深度为( )。
A)35mmB)70mmC)47.5mmD)65mm答案:B解析:12.[单选题]37°探头测得螺栓孔斜上裂纹回波,在时基线上裂纹回波水平位移的最前点,与该螺栓孔回波最前点的相对位置( )。
2021年钢轨探伤工(铝热焊缝母材)抽考题和答案(3)共5种题型,共110题一、单选题(共35题)1.利用CSK-1A试块上R50和R100圆弧面可调节斜探头()。
A:探测范围B:折射角C:分辨力D:声束宽度【答案】:A2.铝热焊缝中()缺陷产生在轨底三角区部位。
A:夹渣B:夹沙C:疏松D:缩孔【答案】:C3.超声波探伤,从各个方向都能探测到的缺陷是()缺陷。
A:平面形B:圆柱形C:点状形D:片状形【答案】:C4.在线路允许速度60km/h<Vmax≤120km/h区段,本线来车时,作业人员应距列车不少于()下道完毕。
A:500mB:800mC:1400mD:2000m【答案】:B5.利用CSK-1A试块上∮50mm曲面和∮1.5mm横孔可测定斜探头()。
A:折射角B:前沿长度C:分辨力D:声轴偏斜角【答案】:A6.用K2探头探测T=30mm的对接焊缝,仪器按水平l:1调节扫描速度,探伤中示波屏上水平刻度5格发现一缺陷波,此缺陷的深度()。
A:2.5mmB:5mmC:7.5mmD:10mm【答案】:B7.TB/T1632.3-2014标准规定:经打磨后的铝焊接头轨头下颏与焊缝边缘交界处半径为2mm的区域内,出现()个最大尺寸为1mm的夹砂为合格。
A:1B:2C:3D:4【答案】:A8.铝热焊缝中()缺陷特征是断口处存在不规则体积型夹杂,一般呈暗灰色。
A:夹渣B:夹沙C:气孔D:缩孔【答案】:A9.超声波的三大特征值是()。
A:纵波、横波、表面波B:折射、反射、透射C:声阻抗、纵波、反射D:声压、声强、声阻抗【答案】:D10.当缺陷取向与探头波束轴线()时最不容易发现。
A:平行B:垂直C:成30°角D:成45°角【答案】:A11.如果探测面毛糙,应该采用()的探头。
A:不太高频率B:较高频率C:硬保护膜D:大晶片【答案】:A12.普速线路钢轨与()不匹配地段,应适当增加探伤遍数。
钢轨探伤工技师题库(三)三、判断题(正确的请在括号内打"√",错误的打"×",每题分,共题)1.从各个方向都能探测到的缺陷是平面状缺陷。
()答案:×2.超声波对直角的声压反射率是随入射角或折射角的变化而变化。
()答案:√3.对于钢工件,超声波直角反射的横波声压当入射角在33°~57°之间声压反射率最大。
()答案:√4.对于钢工件,超声波直角反射的横波声压当入射角在29°和61°附近时声压反射率最小。
()答案:√5.超声波的平面波由水入射至钢的凸曲面时透射波是聚焦的()答案: ×6.超声波的平面波由钢的凸曲面入射至水时透射波是聚焦的()答案:√7.斜探头近场区长度的计算是按晶片在投影后的有效面积计算()答案:√8.缺陷所反射的回波大小只取决于缺陷大小。
()答案: ×9.在远场区中同声程的横孔从φ2增大到φ8,其回波声压提高9dB。
()答案:×10.钢轨探伤仪调整到实际钢轨探伤状态,探伤灵敏度适当,在正常探测速度下推行,应能捡出GTS-60试块上除15°下裂以外的各种人工缺陷,并能正常报警。
()答案:√11.探伤中使用的探头上应有编号、生产日期和探头型号铭牌。
()答案:×12.前37°探头探测第一孔时,•假如没有缺陷存在,则将依次显示的波形是①螺孔波、②断面鄂部反射波、③轨端顶角反射波、④倒打螺孔波。
()答案:13.前37°探头探测第一孔时,•假如有一向轨端下斜裂纹,则将依次显示的波形顺序为①螺孔波、②轨端顶角反射波、③断面鄂部反射波、④裂纹波、⑤倒打螺孔波。
()答案:√14.轨面鱼鳞状缺陷波一般出现在二次波范围,且波的位移量较大。
()答案:√15.轨面鱼鳞状缺陷极易发展成轨头带帽的核伤。
()答案:√16.夹渣可能产生在接触焊缝的任何部位。
钢轨探伤工初级工操作技能考核准备通知单(11)试题名称:用钢轨探伤仪探测钢轨纵向裂纹考核时间:20分钟。
一、鉴定站准备1.材料准备(1)耦合剂:黄油(或凡士林、润滑脂)1盒、水10升、机油500g。
(2)棉纱若干。
(3)砂纸若干。
(4)钢丝刷1把。
(5)书写板(每人1个)。
2.设备准备(1)钢轨探伤仪1台(状态良好,水箱注满水)。
(2)GTS-60C试块2块。
(3)钢轨探伤仪备用探头1套。
(4)探伤用60kg/m钢轨5根, 每根长度约为1.8m, 两端按标准轨尺寸钻孔,用夹板连接,其中有钢轨纵向裂纹2处;引轨2根,每根长度为1m~1.5m, 一端按标准轨尺寸钻孔并用夹板与探伤用轨连接。
3.工、量、刃、卡具准备(1)专用工具包1个。
(2)150mm活动扳手1把。
(3)150mm~300mm钢板尺1个。
(4)钢卷尺1个。
4.考场准备(1)光照:自然光或照明设备。
(2)考位安静与外界隔离。
(3)面积不小于20m2。
(4)室温保持常温。
二、考生准备(1)劳动保护用品、函数计算器及记录笔等。
(2)准考证、身份证。
钢轨探伤工初级工操作技能考核试卷(11) 试题名称:用钢轨探伤仪探测钢轨纵向裂纹一、技术要求钢轨探伤仪、探头各项技术指标应符合TB/T 2340-2012中的有关规定,仪器调整状态应符合《钢轨探伤管理规则》中的有关规定。
二、考核要求1.遵守考场纪律和考核时间,文明生产。
2.探伤灵敏度调整要在GTS-60C试块上进行。
3.正确执行安全技术操作规程。
4.考试场地整洁,设备、工具及备品摆放整齐,工作服装穿戴齐全。
三、考核时限1.准备时间:5分钟。
2.正式操作时间:20分钟。
3.计时从________开始, 到________结束。
4.规定时间内全部完成不加分, 也不扣分。
每超时1分钟, 从总分中扣1分, 总超时5分钟停止作业。
四、考核评分1.考评人数:3人或以上。
2.评分要点:探伤方法正确,数据记录清楚,伤损判定准确。
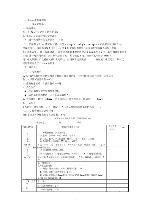
一、钢轨水平裂纹探测(一)、准备通知单1、场地准备不小于 50m2且采光良好平整地面。
2、工具、设备及材料鉴定站准备(1)超声波钢轨探伤专用仪器 1 台。
(2)长度不少于 2m 的短轨 7 根,轨型( 43kg/m 、50kg/m 、60 kg/m )可根据实际情况自定,但必须统一。
轨面光洁度不低于▽ 3。
将 2 根带有标准螺栓孔的短轨用钢轨接头夹板(鱼尾板)相互连接,用于仪器调试。
其中探测用的 5 根钢轨中水平裂纹不少于 6 处(其中钢轨端面至少1 处;第一螺孔向轨端 1 处;钢轨颚部 1 处;其它螺孔 3 处,裂纹长度不低于 8mm )。
同一螺孔原则上不设置两处及以上的裂纹,并用钢轨接头夹板(鱼尾板)相互连结。
钢轨连接处不应有大于1mm 的错牙。
(3)清洁水。
(二)、考核要求1、使用钢轨超声波探伤仪对水平裂纹进行正确判定,对检出的缺陷定位定量,并填在考卷上(探测试卷见附件 1-1)。
2、作业程序正确,作业准备应加口述。
3、安全生产(1)能正确执行安全技术操作规程;(2)做到工作场地整洁;工具备品摆放整齐。
4、考核时间:作业20min ,从开机时起,到关机时止;填试卷10min 。
5、劳动组合2 人作业,其中考核 1 人,辅助 1 人(未从事钢轨探伤工作的人员)。
(三)、操作要点及评分标准操作要点及评分标准见考核评分表,下同。
钢轨探伤工钢轨水平裂纹探测考核评分表准考证号姓名单位项目及配分考核内容及评分标准扣分因素得分及扣分作1、开机前检查工具及备品等(1)备品:信号旗、口笛、响墩、对讲机。
业(2)工具:扳手、手工检查锤、螺丝刀、卷尺、毛笔、白铅油。
准备(3)备用配件:校对用 70°探头、保险管。
(10 分)每缺一项扣 1 分。
考生不检查,考评人员可提示,每提示一次扣 2 分检1、校对仪器探伤灵敏度查(1)将仪器抬上钢轨,开机。
作(2)首先校对 1、2 通道的灵敏度;其次校对3、4 通道的灵敏度;业最后校对 5 通道灵敏度。
试题名称:用钢轨超声波探伤仪探测钢轨伤损...................................................................................... - 2 - 试题名称:用超声波探伤仪探测钢轨轨面鱼鳞纹下的核伤 .................................................................. - 6 - 试题名称:用超声波探伤仪探测钢轨剥离层下的核伤 .......................................................................... - 9 - 试题名称:用焊缝或通用探伤仪探测钢轨焊缝全断面缺陷 ................................................................ - 12 - 试题名称:数字式焊缝(通用)探伤仪数据下载及分析 ........................................................................ - 15 - 试题名称:编写焊缝全断面探伤工艺.................................................................................................... - 18 - 试题名称:撰写探伤工作技术总结........................................................................................................ - 21 - 试题名称:钢轨焊缝探伤仪轨腰串列式扫查时无回波外部故障处理及确定探伤灵敏度................. - 24 - 试题名称:对钢轨焊缝缺陷造成的断轨进行分析................................................................................ - 27 - 试题名称:简述对钢轨焊缝平面缺陷的探伤(扫查)方法 .................................................................... - 30 - 试题名称:制作焊缝探伤仪各通道DAC曲线并对焊缝进行探伤 .......................................................... - 33 - 试题名称:编写可动心道岔组件探伤工艺............................................................................................ - 37 -钢轨探伤工高级技师操作技能考核准备通知单(1) 试题名称:用钢轨超声波探伤仪探测钢轨伤损考核时间:20分钟。
无损检测员中级考试(试卷编号291)1.[单选题]锻件探伤时,调节灵敏度的方式是( )。
A)没有特定方式B)大平底方式和试块方式C)槽形反射孔方式答案:A解析:2.[单选题]在固体表面能沿园滑过渡的边角传播的超声波称为( )。
A)横波B)表面波C)纵波答案:A解析:3.[单选题]钢轨探伤仪后37°探头探测螺孔向上斜裂纹时( )。
A)先显示裂纹波再显示螺孔波B)先显示螺孔波再显示裂纹波C)螺孔波和裂纹波同时显示D)不显示螺孔波只显示裂纹波答案:A解析:4.[单选题]相同的探伤灵敏度探测位于粗晶铸件和经过调质锻件中的缺陷,如两者探测面状态一样,同处深度200mm的缺陷回波高度也一样,则两者的缺陷( )。
A)当量相同B)铸件中的大C)锻件中的大D)大小关系不确定答案:B解析:5.[单选题]电路中的导线、开关、电表等,用来连接电源与负载,使电源与负载连成一个( )回路。
A)导通B)连接C)闭合D)电流答案:C6.[单选题]钢轨探伤仪保护膜衰减值测试,调节仪器衰减器,使最高反射波为( )时记下衰减器读数。
A)20%B)40%C)80%D)60%答案:C解析:7.[单选题]从业人员在任职、提职、改职前,必须经过( )以上单位进行安全技术教育培训,考试合格后,持铁路岗位培训合格证书上岗。
A)段或段B)车间或车间C)班组或班组D)局或局答案:A解析:8.[单选题]轴承压装后在规定的轴向推(拉)力下测量轴向游隙值,353130B型轴承为( )。
A)0.02~0.54mmB)0.05~0.45mmC)0.02~0.58mmD)0.07~0.56mm答案:A解析:9.[单选题]隧道、( )、灰坑、水沟地段是螺孔裂纹多发区域,要注意变形螺孔和螺孔裂纹回波的鉴别。
A)道口B)桥上C)站台旁D)小腰答案:A解析:10.[单选题]钢轨探伤仪前37°探头能发现第3螺孔、( )象限间螺孔水平裂纹。
A)Ⅱ、ⅣB)Ⅰ、ⅡC)Ⅱ、ⅢD)Ⅰ、Ⅳ答案:D11.[单选题]使用四点定位法对核伤定位时,67°探测探头核伤距轨面深度应用公式( )计算。
钢轨探伤漏检螺孔裂纹的原因分析和应对措施发表时间:2017-10-30T09:21:23.030Z 来源:《基层建设》2017年第20期作者:侯文[导读] 摘要:目前钢轨探伤车在国内普速铁路及高速铁路得到广泛应用。
呼和浩特铁路局乌海工务车探伤车间内蒙古乌海 016000摘要:目前钢轨探伤车在国内普速铁路及高速铁路得到广泛应用。
由于受探伤车能力限制、车下机械架构调整不到位、检测参数设置不合理、线路及钢轨状态不良等内外部因素影响,钢轨探伤车陆续产生漏检伤损的问题。
在本文之中,主要是针对了钢轨探伤漏检螺孔裂纹的原因分析和应对措施进行了全面的分析研究,并且在这个基础之上也是提出了下文之中的一些内容,希望能够给与在同行业进行工作的人员可以提供出一定价值的参考。
关键词:钢轨探伤;漏检;螺孔裂纹;原因;应对措施;分析1导言当前我国铁路基本上均采用小型超声波钢轨探伤仪器来检查钢轨的质量状况,在钢轨探伤工作人员的辛勤劳动下,很多重伤钢轨被及时发现和更换,从而使险情一次又一次地排除掉,保证了列车的安全运行。
然而伴随着社会经济的发展和进步,运量和运能之间的矛盾越来越大,可以说目前钢轨探伤模式已经无法适应铁路发展的要求。
如何提高钢轨探伤质量成为了社会的重要话题。
要知道钢轨作为铁路轨道的关键组成部分,需要承受来自列车车轮的荷载,并且正确引导机车车辆车轮前进。
正常运营的钢轨状况如何直接影响了列车的安全性、平稳性和不间断性。
2钢轨探伤现状简析钢轨伤损是铁路轨道交通中较为严重的问题,直接影响了列车运行的安全与平稳,与运输成本、钢轨材料的选定以及相关的设计制造有着密切的关系。
钢轨需要支持并且引导机车按照规定的方向来行驶。
然而在长期的使用过程中,钢轨会出现损伤,例如常见的折断、裂纹以及其他影响性能的各种情况。
只有明确钢轨伤损及其成因,才能更好地提高钢轨探伤的工作质量。
2.1钢轨核伤主要是因为钢轨在冶炼或者是轧制的过程中,所使用的材质比较差,或者是在使用过程中存在着缺陷,使得机车在反复荷载的作用下,应力得以集中,疲劳源不断增加并且扩展。
钢轨探伤工初级工操作技能考核准备通知单(10) 试题名称:用钢轨探伤仪探测钢轨水平裂纹
考核时间:20分钟。
一、鉴定站准备
1.材料准备
(1)耦合剂:黄油(或凡士林、润滑脂)1盒、水10升、机油500g。
(2)棉纱若干。
(3)砂纸若干。
(4)钢丝刷1把。
(5)书写板(每人1个)。
2.设备准备
(1)钢轨探伤仪1台(状态良好,水箱注满水)。
(2)GTS-60C试块2块。
(3)钢轨探伤仪备用探头1套。
(4)探伤用60kg/m钢轨5根, 每根长度为1.8m, 两端按标准轨尺寸钻孔,用夹板连接,其中有钢轨水平裂纹2处;引轨2根,每根长度为1m~1.5m, 一端按标准轨尺寸钻孔并用夹板与探伤用轨连接。
3.工、量、刃、卡具准备
(1)专用工具包1个。
(2)150mm活动扳手1把。
(3)150mm~300mm钢板尺1个。
(4)钢卷尺1个。
4.考场准备
(1)光照:自然光或照明设备。
(2)考位安静与外界隔离。
(3)面积不小于20m2。
(4)室温保持常温。
二、考生准备
(1)劳动保护用品、函数计算器及记录笔等。
(2)准考证、身份证。
钢轨探伤工初级工操作技能考核试卷(10) 试题名称:用钢轨探伤仪探测钢轨水平裂纹
一、技术要求
钢轨探伤仪、探头各项技术指标应符合TB/T 2340-2012中的有关规定,仪器调整状态应符合《钢轨探伤管理规则》中的有关规定。
二、考核要求
1.遵守考场纪律和考核时间,文明生产。
2.探伤灵敏度调整要在GTS-60C试块上进行。
3.正确执行安全技术操作规程。
4.考试场地整洁,设备、工具及备品摆放整齐,工作服装穿戴齐全。
三、考核时限
1.准备时间:5分钟。
2.正式操作时间:20分钟。
3.计时从________开始, 到________结束。
4.规定时间内全部完成不加分, 也不扣分。
每超时1分钟, 从总分中扣1分, 总超时5分钟停止作业。
四、考核评分
1.考评人数:3人或以上。
2.评分要点:探伤方法正确,数据记录清楚,伤损判定准确。
3.评分程序:检查探伤方法,分析伤损判定结果。
4.评分规则:各项配分扣完为止,不出现负分;考评员按考核评分记录表各自打分,取平均分数为总分,按技能考核评分记录表计算总分。
五、否定项
若考生发生下列情况之一,则应及时终止其考试,考生该试题成绩记为零分。
1.未按规定时间到达考场或擅自离开考场。
2.无准考证或其身份与准考证不符。
3.违反考场纪律,不听考评员指挥、利用通讯设备相互传送探伤结果及故意损坏机具等。