新国标:非车载充电机与BMS通信协议详解
- 格式:docx
- 大小:73.71 KB
- 文档页数:3
非车载充电机(充电桩)与电动汽车BMS通讯协议解析CANScope协议解析功能介绍CANScope分析仪广州致远电子股份有限公司研发的一款综合性的CAN总线开发与测试的专业工具,集海量存储示波器、网络分析仪、误码率分析仪、协议分析仪及可靠性测试工具于一身,并把各种仪器有机的整合和关联;重新定义CAN总线的开发测试方法,可对CAN网络通信正确性、可靠性、合理性进行多角度全方位的评估;帮助用户快速定位故障节点,解决CAN 总线应用的各种问题,是CAN总线开发测试的终极工具。
CANScope支持各种车载CAN-bus应用协议的解析,特别是支持充电桩与电动汽车BMS(电池管理系统)的通讯协议解析与验证,只要用户将CANScope接入被测系统,即可实现协议数据的解析。
可用于电动汽车CAN协议解析、正确性验证等,如图 1所示。
图 1 CANScope总线分析仪解析示意图操作步骤1. 将仪器测试头接入被测系统CAN总线,打开CANScope软件,选择正确的波特率,启动。
如果正确连接与设置,将会有数据出现,如图 2所示;图 2 打开CANScope软件2. 点击菜单“高级”操作中的“报文解析列表”,进入解析界面,如图 3所示;图 3 打开报文解析列表3. 报文解析列表界面中,点击“加载协议”,选择“J1939_bms.dbc”文件打开,然后点击菜单栏上的“分类显示”,如图 4所示。
图 4 加载DBC文件4. 此时接收数据即可进行协议解析,用户可以使用分类显示获取实时值或者刷新显示查看具体的帧时序关系。
如图 5所示,为握手阶段的解析。
图 5 握手阶段的解析如图 7所示,为充电阶段的解析。
图 7 充电阶段的解析图 8 充电结束阶段的解析小技巧:在动态测量时,软件会将有变化的数据标红,这是由于这个数据有变化。
测试与仿真插件为了方便客户测试充电机与BMS的通讯协议完整性,CANScope中带有协议测试与仿真插件,如图9所示。
国标充电桩通讯协议
国标充电桩通讯协议是指充电桩与车载 BMS 电池管理系统之间
的通信协议。
根据最新发布的《电动汽车充电接口及通信协议国家标准》(GB/T 32185-2018) 规定,充电桩与车载 BMS 之间的通信采用CAN 通讯方式。
在充电桩与车载 BMS 之间的通信中,充电桩会发送一系列的帧ID,车载 BMS 会对这些帧 ID 进行识别,并根据国标协议对报文内
容进行解析。
具体来说,国标充电桩通讯协议包括以下帧 ID:
- 充电请求帧 ID:用于充电桩向车载 BMS 发送充电请求。
- 充电应答帧 ID:用于车载 BMS 向充电桩发送充电应答。
- 充电状态帧 ID:用于充电桩向车载 BMS 发送充电状态信息。
- 充电完成帧 ID:用于充电桩向车载 BMS 发送充电完成信息。
- 故障帧 ID:用于充电桩向车载 BMS 发送故障信息。
充电桩与车载 BMS 之间的通信协议采用 CAN 通讯方式,充电桩会发送一系列的 CAN 报文,车载 BMS 会对这些报文进行识别和解析,以实现充电桩与车载 BMS 之间的通信。
具体 CAN 报文格式可以参考国标协议。
电动汽车电池管理系统与非车载充电机之间的通信协议编制说明一、 制定背景和意义电动汽车产业化现阶段面临的最大困难是技术的成熟度问题,要实现产业化,其前提必然是统一的标准和规范。
为保证电动汽车充电设施的规范化和标准化,需制定电动汽车充电通信协议的标准,目前针对电动汽车的非车载充电通信协议国内外没有统一的标准。
本标准的目的就是针对电动汽车非车载充电在行业内形成统一的标准,为建立标准化、规范化的电动汽车充电设施奠定良好的基础。
本标准由全国汽车标准化技术委员会电动车辆分技术委员会动力蓄电池及其应用工作组通讯协议标准起草组负责起草。
二、 制定原则本标准的制定原则是立足国内,参考国际上在该领域的现有成果,结合中国的具体情况,本着科学、开放、适用和促进国内技术发展的原则,对电动汽车电池管理系统与非车载充电机之间的通信协议进行深入研究,制定出适合我国国情并且反应国内外电动汽车充电通信协议研究领域最新成果的标准。
三、 标准起草过程1.2009 年3 月27 日,电动车辆分技术委员会电动汽车用动力蓄电池及其应用标准化工作组在天津召开了工作组首次会议。
根据会上讨论意见,电动车辆分技术委员会秘书处走访了相关单位,综合各单位对该标准参与起草的申请情况和企业技术基础,确定了通讯协议标准起草组。
根据第一次工作组会议精神,标准起草工作组各成员单位按照分工进行了诸多富有成效的工作。
标准起草工作组在广泛收集资料并深入研究的基础上形成了标准草案稿。
2.2009年8月17日,在天津召开标准讨论会,针对该标准草案进行了讨论,会后,对标准草稿进行了讨论和修改。
3.2009年9月,标准起草工作组在天津与日产(中国)投资有限公司与日本东京电力公司进行了技术交流,了解了目前国外标准制定情况。
4.2010年1月13—14日,在天津召开标准讨论会,会后,对标准草案进行了修订。
5.2010年3月10日,形成标准征求意见稿。
四、 标准说明1、标准内容总体概括本标准共6章,1个规范性附录。
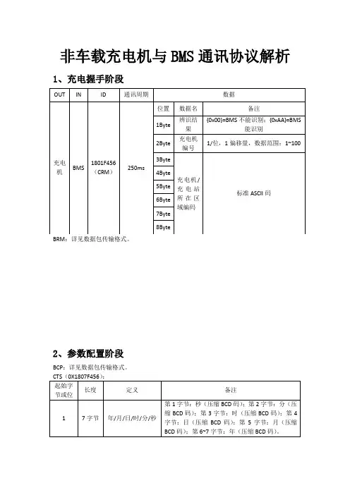
非车载充电机与BMS通讯协议解析1、充电握手阶段
BRM:详见数据包传输格式。
2、参数配置阶段
BCP:详见数据包传输格式。
3、充电阶段
BCS:详见数据包传输格式。
4、充电结束阶段
5、数据包传输格式
整个快充报文交互过程中,以下地址以数据包的格式发送信息:BRM(BMS和车辆辨识报文)、BCP(动力蓄电池充电参数)、BCS(电池充电总状态)。
整个充电过程中,数据包均以以下格式进行传输:
帧ID 数据长度数据备注
1CECxxxx 0x08 10 xx xx xx xx ?? ?? ?? 通知发送数据包1CECxxxx 0x08 11 xx xx xx xx ?? ?? ?? 应答接收数据包1CEBxxxx 0x08 01 xx xx xx xx xx xx xx 数据
1CEBxxxx 0x08 02 xx xx xx xx xx xx xx 传输
1CEBxxxx 0x08 03 xx xx xx xx xx xx xx 内容
·
·
·
1CECxxxx 0x08 13 xx xx xx xx ?? ?? ?? 结束应答
注释:xx为数据包个数,??为参数组编号(PGN)。
BRM的PGN:000200H;
BCM的PGN:000600H;
BCS的PGN:001100H。
非车载传导式充电机与电动汽车之间的数字通信协议
非车载传导式充电机与电动汽车之间的数字通信协议通常采用以下几种:
1. SAE J1772:这是一种北美标准的数字通信协议,用于交流
充电接口的通信。
它定义了一种基于串行通信的消息传输方式,用于车载充电机与充电桩之间的通信。
2. GB/T 20234.3-2011:这是中国国家标准的数字通信协议,
主要用于交流和直流充电桩之间的通信。
它定义了一种基于串行通信的消息传输方式,支持多种通信协议和数据格式。
3. CHAdeMO:这是一种由日本电动车协会开发的通信协议,
主要用于直流快充充电接口的通信。
它定义了一种基于CAN
总线的消息传输方式,支持车载充电机与充电桩之间的双向通信。
4. CCS:这是一种由欧洲汽车制造商协会和美国汽车制造商协会合作开发的通信协议,主要用于直流快充充电接口的通信。
它基于CAN总线和以太网技术,支持车载充电机与充电桩之
间的双向通信。
这些协议通常规定了通信的消息格式、数据传输速率、错误检测和纠正等方面的规范,以确保充电机与电动汽车之间的可靠通信。
充电机—BMS通信协议测试方法本文主要针对GB/T27930《电动汽车非车载传导充电机和电池管理系统之间的通信协议》中规定的充电机与BMS交互报文的协议ID及通信速率的测试方法进行说明。
测试工具是金楚瀚BMS模拟器,这是一款按国标制作的标准BMS通信模块,主要模拟BMS报文发送机制。
用来测试充电机的报文是否符合国标。
一、操作界面:二、连接方式:模拟系统的CANH,CANL分别和充电枪的CANL,CANL连接。
模拟系统外加24V电源使人机界面能正常显示。
三、报文交互:此BMS系统以CHM或CRM报文检测为起始,可模拟SOC显示、BEM发送。
报文内容可填。
在此我们主要分析报文头部分,也即CAN ID。
报文ID报文内容(暂略)发送方0x1826f456充电机0x182756f4BMS0x1801f4560000000000000000充电机0x1801f456Aa00000000000000充电机0x1cec56f410290006ff000200BMS0x1cec56f40000000000000600BMS0x1807f456充电机0x1808f456充电机0x100956f4BMS0x100af456充电机0x181056f4BMS0x181156f4BMS0x1812f456充电机0x181356f4BMS0x1cec56f40000000000001500BMS0x1cec56f40000000000001600BMS0x181756f4BMS0x101956f4BMS0x101af456充电机0x181c56f4BMS0x181df456充电机四、参数设置五、显示及调试如上图所示,如通信不能正常进行,主页会显示错误具体原因,软件工程师即可从此定位具体哪条报文出错,并检查报文格式与通讯速率。
新国标非车载充电机与BMS通信协议详解随着电动汽车的发展,非车载充电机的应用越来越广泛。
为了保证充电的安全和效率,充电机与电池管理系统(BMS)之间需要进行通信。
因此,新国标出台了非车载充电机与BMS通信协议。
新国标的通信协议主要包括通信协议的物理层、数据链路层和应用层。
首先是物理层,物理层主要定义了通信所需要的硬件电气特性,包括电压、电流、传输速率等。
新国标规定了通信的电压范围为9V到40V,电流范围为0A到50A,传输速率为250kbps到2Mbps。
其次是数据链路层,数据链路层主要负责数据包的传输和错误检测。
新国标使用了CAN总线作为数据链路层的传输介质,CAN总线能够提供可靠的传输和错误检测。
数据包分为两种类型:命令帧和数据帧。
命令帧用于控制充电机的行为,数据帧用于传输电池的状态。
数据包还包括校验码,用于检测数据传输过程中是否出现错误。
最后是应用层,应用层主要定义了充电机与BMS之间的通信协议。
通信协议中包括了多个命令和数据的定义,用于实现充电机和BMS之间的功能交互。
其中,命令包括启动充电、停止充电、查询电池信息等;数据包括电池的电量、电流、电压等信息。
通信协议还定义了命令和数据的格式和长度,以及对应的数据类型和单位。
总的来说,新国标的非车载充电机与BMS通信协议详细规定了通信的物理特性、数据传输方式和通信命令的定义。
这样一来,充电机和BMS之间可以进行可靠、安全、高效的通信,提高了充电的效率和充电系统的安全性。
通过此协议的实施,能够有效促进充电设备的互操作性和标准化,推动电动汽车的发展。
新国标:非车载充电机与BMS 通信步骤详解一. 握手阶段(1) 充电机发送CRM 报文(ID:1801F456)其中第一个Byte 为00(表示此时充电机主动发送识别,请求握手)。
(2) 当BMS 收到充电机的CRM 报文后,启动数据传输协议TCPM (由于数据长度大于8,共41)传输电池组身份编码信息BRM:① 首先BMS 发送RTS 报文(ID:1CEC56F4),通知充电机准备发送多少包数据。
② 当充电机收到BMS 发送的RTS 报文后,作出应答信号,回复CTS 给BMS(ID:1CECF456)。
③ 当BMS 接收到充电机的应答报文CTS 后,开始建立连接发送数据DT (数据长度为41Byte ,共分为6包,ID :1CEB56F4)。
④ 当充电机接受到了接收完BMS 发送到数据报文DT 后,回复CM 给BMS 用于消息结束应答(ID :1CECF456)。
(3) 当充电机接收到了BMS 发送到电池身份编码信息BRM 后,回复辨识报文CRM 给BMS(ID:1801F456第一个Byte 为AA)。
(4) 若上述3步中任何1步骤出现异常,通讯将不能往下进行,等待超时复位。
握手阶段CAN 卡接收数据解释:帧ID 帧格式 帧类型 数据长度 数据1801F456 数据帧 扩展帧 0x08 00 01 00 00 00 00 00 00 CRM1CEC56F4 数据帧扩展帧 0x08 10 29 00 06 ff 00 02 00TPCM_RTS 1CECF456 数据帧 扩展帧 0x08 11 06 01 ff ff 00 02 00 TPCM_CTS 1CEB56F4 数据帧 扩展帧1CEB56F4 数据帧 扩展帧1CEB56F4 数据帧 扩展帧 0x08 03 ff ff ff ff ff ff ff 1CEB56F4 数据帧 扩展帧 0x08 04 ff ff ff ff ff ff ff 1CEB56F4 数据帧 扩展帧1CEB56F4 数据帧 扩展帧1CECF456 数据帧 扩展帧 0x08 13 29 00 06 ff 00 021801F456 数据帧 扩展帧 0x08 aa 01 00 00 00 00 00 00 CRM二. 参数配置阶段(1) BMS 发送蓄电池充电机参数BCP 给充电机,启动数据传输协议TCPM (由于数据长度大于8,共13)。
充电机与BMS通讯报文分析说明充电机与BMS之间的通讯是通过CAN总线进行的。
CAN总线是一种高性能、多主机、多节点的串行通信协议,具有高可靠性和抗干扰能力。
CAN总线上的通讯数据以报文的形式传输,报文由报文头和报文体两部分组成。
报文头部包含了报文的标识符和报文的长度等信息。
标识符用于标识报文的类型,比如充电机向BMS请求电量信息的报文的标识符可以是0x200,而BMS回复电量信息的报文的标识符可以是0x300。
报文长度字段表示了报文体的长度,用于指示报文体占用的字节数。
报文体部分包含了具体的数据内容。
对于充电机与BMS之间的通讯,报文体可以包含以下几类数据:1. 充电机请求数据:充电机可以向BMS请求电池的状态信息,如SOC(State of Charge)、SOH(State of Health)和电压等。
充电机发送请求数据的报文时,会在报文体中指定请求的数据类型,例如请求SOC 信息的报文体可以是0x01,请求电压信息的报文体可以是0x022.BMS回复数据:BMS在接收到充电机的请求数据后,会根据请求类型将对应的数据发送给充电机。
BMS回复数据的报文体中包含了具体的数据值,例如SOC的值可以是0-100,电压的值可以是具体的电压数值。
3.充电机控制指令:充电机也可以向BMS发送控制指令,以实现对电池充电过程的控制。
例如,充电机可以向BMS发送控制指令,要求BMS停止充电、降低充电速度或执行其他相关操作。
4.BMS监控信息:BMS也会周期性地发送监控信息给充电机,以便充电机了解电池的实时状态。
监控信息可以包括电池的温度、电流、充电状态等。
以上是充电机与BMS通讯报文的基本分类和内容。
实际上,充电机和BMS之间的通讯协议并非仅止于以上所述,具体的通讯协议和报文格式还需根据具体的充电机和BMS设备进行定制和协商。
不同厂家的充电机和BMS设备可能会有不同的通讯协议和报文格式。
总结来说,充电机与BMS之间的通讯报文包含了充电机请求数据、BMS回复数据、充电机控制指令和BMS监控信息等内容。
非车载传导式充电机与电动汽车之间的数字通信协议第2部涵盖了充电机与电动汽车之间的通信方式和数据传输格式。
该协议基于CAN(控制器局域网)通信协议制定,采用主从应答模式进行通信。
充电机作为主设备,汽车作为从设备。
充电机向从设备发送的命令都以0x开头,从设备接收到命令后,根据接收到的命令码来确定是否执行命令。
充电机发送的数据位流中包含有充电电流或电压调整步长、通信速率、通信校验等参数,这些参数对从设备的响应和充电控制至关重要。
具体的通信过程包括充电机发送充电控制命令和数据位流、从设备响应并反馈状态信息、充电机根据状态信息进行充电控制等步骤。
在充电过程中,充电机和从设备之间的通信主要用于调整充电电流或电压,以及获取充电状态信息。
以上内容仅供参考,建议咨询专业人士获取更准确的信息。
新国标充电CAN协议定义——BMS一、握手阶段:(098765)1、ID:1801F456(充电机发送给BMS请求握手,数据长度8个字节,周期250ms)2、ID:180256F4(BMS发送给充电机回答握手,数据长度41个字节,周期250ms,需要通过多包发送,多包发送过程见后文)二、充电参数配置阶段:1、ID:180656F4(BMS发送给充电机,动力蓄电池配置参数,数据长度13个字节,周期500ms,需要通过多包发送,多包发送过程见后文)三、充电过程:1、ID:181056F4(BMS发送给充电机,电池充电需求,数据长度5个字节,周期50ms)2、ID:181156F4(BMS发送给充电机,电池充电总状态,数据长度9个字节,周期250ms,需要通过多包发送,多包发送过程见后文)5、ID:181556F4(BMS发送给充电机,电池单体电压信息,数据长度不定,周期1s,需要通过多包发送,多包发送过程见后文)6、ID:181656F4(BMS发送给充电机,电池温度信息,数据长度不定,周期1s,需要通过多包发送,多包发送过程见后文)7、ID:181756F4(BMS发送给充电机,电池预留报文,数据长度不定,周期1s,需要通过多包发送,多包发送过程见后文)8、ID:101956F4(BMS发送给充电机,BMS中止充电,数据长度4个字节,周期10ms)1、BMS中止充电原因:a)1~2位:达到所需求的SOC目标值(00:未达到,01:达到需求,10:不可信状态);b)3~4位:达到总电压的设定值(00:未达到总电压设定值,01:达到设定值,10:不可信状态);c)5~6位:达到单体电压的设定值(00:未达到,01:达到,10:不可信状态)2、BMS中止充电故障原因:a)1~2位:绝缘故障(00:正常,01:故障,10:不可信状态)b)3~4位:输出连接器过温故障(00:正常,01:故障,10:不可信状态)c)5~6位:BMS原件、输出连接器过温(00:正常,01:故障,10:不可信状态)d)7~8位:充电连接器故障(00:正常,01:故障,10:不可信状态)e)9~10位:电池组温度过高故障(00:正常,01:故障,10:不可信状态)f)11~12位:其它故障(00:正常,01:故障,10:不可信状态)3、BMS中止充电错误原因:a)1~2位:电流过大(00:正常,01:电流超过需求值,10:不可信状态)b)3~4位:电压异常(00:正常,01:电压异常,10:不可信状态)9、ID:101AF456(充电机发送给BMS,充电机中止充电,数据长度4个字节,周期10ms)1、充电机中止充电原因:a)1~2位:达到充电机设定的条件中止(00:正常,01:达到设定条件中止,10:不可信状态)b)3~4位:人工中止(00:正常,01:人工中止,10:不可信状态)c)5~6位:故障中止(00:正常,01:故障中止,10:不可信状态)2、充电机中止充电故障原因:a)1~2位:充电机过温故障(00:温度正常,01:充电机过温,10:不可信状态)b)3~4位:充电连接器故障(00:连机器正常,01:故障,10:不可信状态)c)5~6位:充电机内部过温故障(00:内部温度正常,01:内部过温,10:不可信)d)7~8位:所需电量不能传送(00:传送正常,01:不能传送,10:不可信)e)9~10位:充电机急停故障(00:正常,01:急停,10:不可信状态)f)11~12位:其它故障(00:正常,01:故障,10:不可信状态)3、充电机中止充电错误原因:a)1~2位:电流不匹配(00:电流匹配,01:电流不匹配,10:不可信状态)b)3~4位:电压异常(00:正常,01:异常,10:不可信状态)四、充电结束阶段:1、ID:181C56F4(BMS发送给充电机,BMS统计数据,数据长度7个字节,周期250ms)五、发生错误:六、多包发送过程:3、0x1CEB56F4(BMS多包发送信息,周期根据国标定义)。
27930-2023标准宣贯
GB/T 27930-2023是新国标充电CAN协议定义,该标准规定了非车载传导式充电机与电动汽车之间的数字通信协议。
在实施新国标充电CAN协议时,需要注意以下几点:
1.握手阶段:在握手阶段,充电机发送请求握手的数据包给BMS,BMS 需要对数据包进行辨识和确认。
如果BMS不能辨识数据包,则不能进行后续的通信。
2.通信协议:新国标充电CAN协议定义了通信协议。
包括数据格式、传输速率、消息类型等内容。
在实现通信时,需要按照协议规定进行数据的发送和接收。
3.数据交互:在数据交互阶段,充电机和BMS之间需要进行数据的交换和协商。
充电机需要向BMS发送充电请求和状态信息,而BMS需要向充电机发送电池状态信息和充电接受指令等。
4.安全性:新国标充电CAN协议规定了通信数据的加密和认证方式,以确保数据的安全性和可靠性。
同时。
在通信过程中也需要对数据进行校验和错误处理,以避免出现错误或异常情况。
总之,实施新国标充电CAN协议需要严格按照标准规定进行操作,以确保充电过程的安全性和可靠性。
同时,在实际应用中也需要根据具体情况进行适当的调整和完善。
制定:审核:批准:。
电动汽车直流充电通信协议GB/T 27930-2015解读中国电力企业联合会南瑞集团公司2016年3月4日-范围-规范性引用文件-术语和定义-总则-物理层-数据链路层-应用层-充电总体流程-报文分类-报文格式和内容-附录A 充电流程-附录B 充电机和BMS故障诊断报文-附录C 充电过程故障处理方式-附录D 报文开始发送条件和中止发送条件☐本标准规定了电动汽车非车载传导式充电机(以下简称充电机)与电池管理系统(Battery Management System,以下简称BMS)之间基于控制器局域网(CAN)的通信物理层、数据链路层及应用层的定义。
☐本标准适用于采用GB/T18487.1规定的充电模式4的充电机与BMS之间的通信,也适用于充电机与具有充电控制功能的车辆控制单元之间的通信。
☐充电机与BMS之间通信网络采用CAN2.0B通信协议。
☐在充电过程中,充电机和BMS监测电压、电流和温度等参数,同时BMS 管理整个充电过程。
☐充电机与BMS之间的CAN通信网络应由充电机和BMS两个节点组成。
☐本标准数据信息传输采用低字节先发送的格式。
☐正的电流值代表放电,负的电流值代表充电。
☐执行本标准的充电机和BMS宜具备向前兼容性。
物理层☐采用本标准的物理层应符合ISO11898-1:2003、SAE J1939-11:2006中关于物理层的规定。
☐本标准充电机与BMS的通信应使用独立于动力总成控制系统之外的CAN 接口。
☐充电机与BMS之间的通信速率采用250kbit/s。
注:在通信环境恶劣的专用场合(如通信距离较长的商用车充电站),经供电设备制造商和电动汽车制造商协商一致,可采用50kbit/s通信速率。
应用层☐报文选项分为必须项和可选项,对于同一帧报文中全部内容为可选项的,该报文可以选择不发送(如CTS、BMV、BMT、BSP报文)。
☐对于同一帧报文中部分内容为可选项的,可选项所有位按照本标准规定格式发送或填充1(如CRM、BRM报文等)。
非车载充电机与BMS通讯协议解析1、充电握手阶段
BRM:详见数据包传输格式。
2、参数配置阶段
BCP:详见数据包传输格式。
3、充电阶段
BCS:详见数据包传输格式。
4、充电结束阶段
5、数据包传输格式
整个快充报文交互过程中,以下地址以数据包的格式发送信息:BRM(BMS和车辆辨识报文)、BCP(动力蓄电池充电参数)、BCS(电池充电总状态)。
整个充电过程中,数据包均以以下格式进行传输:
帧ID 数据长度数据备注
1CECxxxx 0x08 10 xx xx xx xx ?? ?? ?? 通知发送数据包1CECxxxx 0x08 11 xx xx xx xx ?? ?? ?? 应答接收数据包1CEBxxxx 0x08 01 xx xx xx xx xx xx xx 数据
1CEBxxxx 0x08 02 xx xx xx xx xx xx xx 传输
1CEBxxxx 0x08 03 xx xx xx xx xx xx xx 内容
·
·
·
1CECxxxx 0x08 13 xx xx xx xx ?? ?? ?? 结束应答
注释:xx为数据包个数,??为参数组编号(PGN)。
BRM的PGN:000200H;
BCM的PGN:000600H;
BCS的PGN:001100H。
新国标:非车载充电机与BMS通信步骤详解
一.握手阶段
(1)充电机发送CRM报文(ID:1801F456)其中第一个Byte为00(表示此时充电机主动发送识别,请求握手)。
(2)当BMS收到充电机的CRM报文后,启动数据传输协议TCPM(由于数据长度大于8,共41)传输电池组身份编码信息BRM:
①首先BMS发送RTS报文(ID:1CEC56F4),通知充电机准备发送多少包数
据。
②当充电机收到BMS发送的RTS报文后,作出应答信号,回复CTS给
BMS(ID:1CECF456)。
③当BMS接收到充电机的应答报文CTS后,开始建立连接发送数据DT
(数据长度为41Byte,共分为6包,ID:1CEB56F4)。
④当充电机接受到了接收完BMS发送到数据报文DT后,回复CM给BMS
用于消息结束应答(ID:1CECF456)。
(3)当充电机接收到了BMS发送到电池身份编码信息BRM后,回复辨识报文CRM给BMS (ID:1801F456第一个Byte为AA)。
(4)若上述3步中任何1步骤出现异常,通讯将不能往下进行,等待超时复位。
握手阶段CAN卡接收数据解释:
帧ID 帧格式帧类型数据长度数据
1801F456 数据帧扩展帧0x08 00 01 00 00 00 00 00 00 CRM
1CEC56F4 数据帧扩展帧0x08 10 29 00 06 ff 00 02 00 TPCM_RTS
1CECF456数据帧扩展帧0x08 11 06 01 ffff 00 02 00 TPCM_CTS
1CEB56F4 数据帧扩展帧0x08 01 00 01 00 04 8c 0a f8
1CEB56F4 数据帧扩展帧0x08 02 15 ff ff ff ff ff ff TPCM
1CEB56F4 数据帧扩展帧0x08 03 ffffff ff ff ff ff
1CEB56F4 数据帧扩展帧0x08 04 ff ff ff ff ff ff ff TPCM_DT
1CEB56F4 数据帧扩展帧0x08 05 ff ff ff ff ff ff ff
1CEB56F4 数据帧扩展帧0x08 06 ff ff ff ff ff ff ff
1CECF456 数据帧扩展帧0x08 13 29 00 06 ff 00 02 00
1801F456 数据帧扩展帧0x08 aa 01 00 00 00 00 00 00 CRM
二.参数配置阶段
(1)BMS发送蓄电池充电机参数BCP给充电机,启动数据传输协议TCPM(由于数据长度大于8,共13)。
①首先BMS发送RTS报文(ID:1CEC56F4),通知充电机准备发送多少包数据。
②当充电机收到BMS发送的RTS报文后,作出应答信号,回复CTS给BMS
(ID:1CECF456)。
③当BMS接收到充电机的应答报文CTS后,开始建立连接发送数据DT(数
据长度为13Byte,共分为2包,ID:1CEB56F4)。
④当充电机接受到了接收完BMS发送到数据报文DT后,回复CM给BMS
用于消息结束应答(ID:1CECF456)。
(2)充电机发送时间同步信息CTS给BMS(ID:1807F456)。
(3)充电机最大输出级别CML给BMS(ID:1808F456)。
(4)BMS发送电池充电准备就绪状态BRO给充电机(ID:100956F4)。
(5)充电机接收到BMS发送到BRO信息后回应充电机输出准备就绪状态CRO (ID:100AF456)。
(6)若上述5个步骤中任一步骤出现异常通讯将不能往下进行,等待超时复位。
参数配置阶段CAN接收数据帧解释:
1CEC56F4 数据帧扩展帧0x08 10 0d 00 02 ff 00 06 00 TPCM_RTS
1CECF456 数据帧扩展帧0x08 11 02 01 ff ff 00 06 00 TPCM_CTS
1CEB56F4 数据帧扩展帧0x08 01 a2 01 76 0c 8c 0a e2TPCM_DT
1CEB56F4 数据帧扩展帧0x08 02 18 66 f4 01 9a 16 ff TPCM
1CECF456 数据帧扩展帧0x08 13 0d 00 02 ff 00 06 00TPCM_EM
1807F456 数据帧扩展帧0x07 00 00 00 00 00 00 00CTS
1808F456 数据帧扩展帧0x06 68 10 d0 07 b8 0b CML
100956F4 数据帧扩展帧0x01 aa BRO
100AF456 数据帧扩展帧0x01 aa CRO
三.充电阶段
(1)BMS发送电池充电级别BCL给充电机(ID:181056F4).Byte1和Byte2是电压,Byte3和Byte4是电流。
(2)BMS发送电池充电总状态BCS给充电机,启动数据传输协议TCPM(由于数据长度大于8,共9)。
①首先BMS发送RTS报文(ID:1CEC56F4),通知充电机准备发送多少包数据。
②当充电机收到BMS发送的RTS报文后,作出应答信号,回复CTS给BMS
(ID:1CECF456)。
③当BMS接收到充电机的应答报文CTS后,开始建立连接发送数据DT(数
据长度为9Byte,共分为2包,ID:1CEB56F4)。
④当充电机接受到了接收完BMS发送到数据报文DT后,回复CM给BMS
用于消息结束应答(ID:1CECF456)。
(3)充电机发送充电状态CCS给BMS (ID:1812F456)。
(4)BMS通过数据传输协议发送单体电压BMV给充电机(具体步骤和握手阶段的数据传输协议一样)可选。
(5)BMS发送蓄电池组温度BMT给充电机.(具体步骤和握手阶段的数据传输协议一样)可选。
上述所有充电参数,在充电过程中按照协议要求的报文周期固定的发送,当充电过程中出现异常或者充电满时将停止充电,同时发送充电停止报文如下:
(6)BMS发送终止充电报文BST给充电机命令其结束充电及充电结束的原因(ID:101956F4)。
(7)充电机发送终止充电报文CST告知BMS充电结束及充电结束的原因。
(ID: 101AF456)。
上述任一步骤异常都将导致充电机终止充电。
充电阶段阶段CAN接收数据帧解释:
181056F4 数据帧扩展帧0x05 e2 18 76 0c 02BCL
1CEC56F4 数据帧扩展帧0x08 10 09 00 02 ff 00 11 00 TPCM_RTS
1CECF456 数据帧扩展帧0x08 11 02 01 ff ff 00 11 00 TPCM_CTS 1CEB56F4 数据帧扩展帧0x08 01 9a 16 a0 0f 7d 51 32TPCM_DT
1CEB56F4 数据帧扩展帧0x08 02 58 02 ff ff ff ff ff TPCM
1CECF456 数据帧扩展帧0x08 13 09 00 02 ff 00 11 00TPCM_EM
1812F456 数据帧扩展帧0x06 00 00 a0 0f 00 00CCS
181356F4 数据帧扩展帧0x07 40 42 02 40 02 00 10BSM
1CEC56F4 数据帧扩展帧0x08 10 09 00 02 ff 00 15 00 TPCM_RTS
1CECF456 数据帧扩展帧0x08 11 02 01 ff ff 00 15 00 TPCM_CTS 1CEB56F4 数据帧扩展帧0x08 01 9a 16 a0 0f 7d 51 32TPCM_DT
1CEB56F4 数据帧扩展帧0x08 02 58 02 ff ff ff ff ff TPCM
1CECF456 数据帧扩展帧0x08 13 09 00 02 ff 00 1500TPCM_EM
1CEC56F4 数据帧扩展帧0x08 10 09 00 02 ff 00 16 00 TPCM_RTS
1CECF456 数据帧扩展帧0x08 11 02 01 ff ff 00 16 00 TPCM_CTS 1CEB56F4 数据帧扩展帧0x08 01 9a 16 a0 0f 7d 51 32TPCM_DT
1CEB56F4 数据帧扩展帧0x08 02 58 02 ff ff ff ff ff TPCM
1CECF456 数据帧扩展帧0x08 13 09 00 02 ff 00 16 00TPCM_EM
101956F4 数据帧扩展帧0x04 00 00 00 00BST
101AF456数据帧扩展帧0x04 00 00 00 00CST
四.充电结束阶段
(1)BMS发出统计数据BSD (ID:181C56F4)。
(2)充电机发出统计数据CSD (ID:181DF456)。
(3)若上述两步骤正常发送充电机将恢复到原始状态,重新请求握手。