一体化读卡器简易操作说明书(WG26)
- 格式:doc
- 大小:59.00 KB
- 文档页数:1
远距离读卡器说明书此说明书将指导您如何使用读卡器。
请在使用读卡器前,仔细阅读此说明书。
一、产品概述随着社会现代化进程的不断推进,人们不断追求高品质生活,汽车已逐步成为人们出行的交通工具。
车辆的迅猛发展给传统的手动刷卡停车场管理系统也带了巨大压力。
上、下班高峰期排队等候刷卡、上坡车道停车刷卡、雨雪天气伸手刷卡等有诸多不便。
科技的发展,先进技术的应用,也更好的解决了传统产品的不足。
远距离不停车自动感应产品的诞生,以便捷、减排、省时、节油等传统产品无法比拟的优势,将全面取代传统式手工刷卡的停车场系统。
因停车场系统应用的特殊性,并不是任何一款远距离读卡设备都能发挥应有的功能,在实际应用中信号能否穿透汽车隔热膜、相临车道信号干扰、跟车信号干扰、微波辐射危害、信号衰减、电磁兼容等关键技术成为产品稳定性的重要因素。
我公司生产的定向远距离读卡器利用红外和微波同步通讯技术,充分考虑产品在停车场系统和ETC系统应用的特点,是国内目前唯一能解决准确定位和互相干扰的远距离读卡设备。
二、产品性能三、系统原理该款远距离定向读卡器结合了红外与射频通讯特点,互补两个不同频率通道的工作优势,相互进行信息传递。
射频是一个无方向的电磁波,难以准确定向,但通讯速度快;而红外具有严格的角度定位,但通讯速度慢;在停车场实际应用中选用某一个通道通讯难以达到理想的使用要求。
原理:读卡器发射60度红外扫描信号,红外信号是经过加密的数据,包含了唤醒编码、机器编码信息;当休眠中的远距离卡进入读卡器发送的红外信号范围时,立即被唤醒工作,发射射频电磁波发送远距离卡内码,在发送卡内码的同时也将读卡器机器码附带传递给读卡器;读卡器接收到卡号后对首先对机器码验证,与该机身码相符的为有效卡直接上传给上位机,与该机器码不符的直接删除,避免了临近车道和跟车的串号干扰。
四 、产品特点⑪穿透性:可穿透任何金属汽车防爆膜,远距离卡放置到车内,无需摇窗户可自动识别感应; ⑫方向性:采用红外定位射频传输双通道模式方式工作,具有严格的方向性和稳定性,读卡区60度以外绝不读卡。
读卡器使用说明
一、安装驱动
1、认真阅读HCE-300U安装说明。
2、安装HCE-300读写机演示程序。
3、把读卡器接头插到电脑的USB口上。
4、安装USB读卡器程序。
5、重启电脑。
6、打开电脑设备管理器,看一下端口号(不一定是18)。
二、软件设置
1、打开软件,找到功能设置-基本信息设置,勾选使用磁卡存折,选
择com端口号。
2、如果更换读卡器的USB位置,com端口号可能改变,软件设置要相应改变。
三、使用流程
1、流动股入股
2、打印完毕增股凭条后,开始写磁卡。
3、开始写卡,写入信息。
需要注意的是:刷卡的方向由开口向指示灯方向;磁卡面向HCE字体,背对指示灯一面。
4、读取磁卡信息时,鼠标点击股金账号的文本框,此时读卡器绿灯亮,按照刷卡动作进行操作读取磁卡信息(注意如果超时或者进行其他操作将报错,取消错误后重新点击文本框进行读取操作即可)。
BU-900S-W 一体机读写器使用说明书产品特点:一体机固定式射频读写器(BU-900S-W)是本公司自主研发的高端UHF RFID读写器。
能够快速高效识别符合EPC Gen2或是ISO18000-6B电子标签,并将卡号信息传送给控制器或PC机。
读卡器具备客户最常用的数据接口RS232和WG26,可供用户选择。
识别距离远:3~10米(可调节)。
读卡速度快:大于等于60张/S。
读卡灵敏度高:目标运动速度≤100Km/h。
密集读卡器能力强:多台读卡器近距离可同时工作,影响小。
防水防尘:达到IP54的防水、防尘等级,可在野外使用。
易于使用:接线简单,无需复杂调试即可使用。
LED指示灯:天线面板的正下方,有两个蓝色的LED指示灯,根据读卡器工作的状态不同会有不同的反应:1.当读卡器上电时,LED闪烁并傍有声音提示,每3秒一次,持续30s;2.读卡探测时,LED快速微光闪烁,亮度低,每秒10次;3.读到卡片时,LED快速高亮闪烁,亮度高伴有蜂鸣器鸣叫,每秒10次。
读卡器工作模式BU-900S-W有三种工作模式:连续模式、触发模式、命令模式;设置为不同的工作模式,BU-900S-W会有不同的工作表现,此三种工作模式是由工程应用经验总结得来各有特点。
出厂默认为连续读卡模式。
上传数据格式WG26、 WG34、RS232三种数据上传格式与地感检测器连接BU-900S-W跟地感检测器相连是为了实现,来车时触发读卡器读卡这项功能。
车辆轧到地感线圈后,地感检测器向BU-900S-W给出触发信号,BU-900S-W开始读卡,地感信号消失之后,读卡器具有延时读卡的功能,持续2秒。
与WG控制器连接BU-900S-W有两路WG输出,默认情况下使用第一路即W1-0、W1-1、GND。
施工请使用带屏蔽双绞线,并尽量保证长度不超过50米为宜。
电气性能指标支持标签协议EPC Gen2,ISO18000-6B频率范围902MHz ~928MHz工作方式以广谱跳频(FHSS)或定频方式读标签距离3~10米(可调节)标签数据率40Kbps识别速度达到60张每秒信号调制方式ASK占据的频率带宽≤250KHz频率稳定性≤±100 ppm在-25ºC ~65 ºCRS232波特率9600bps、57600bps、115200bps Wiegand传输脉宽为100us,脉冲间隔1ms(可调)电源DC9V~12V,电流≥4A 常见故障处理方法使用串口无法连接900M例程确认网线没有连接,确认COM口选择正确,确认波特率被更改,默认为115200。
附录:读卡器与电控锁专用电源盒、信源中控系统连接图注意:本讲台采用全钢结构,为了使用安全,请务必将讲台进行可靠接地处理,强烈建议安装漏电保护器。
感谢您选用信源产品,为了您更好地使用本产品,请仔细阅读本手册。
专用遥控器) ⊕极(绿线)⊖极(蓝线))网络控制器一、设置管理卡拉出安装有读卡器的讲台抽屉,用小木棒按下抽屉侧面读卡器设置孔内的按钮2秒以上,此时读卡器前面板上绿色LED 指示灯闪亮,蜂鸣器发出2长1短的叫声,表示进入设置功能。
在绿色指示灯闪亮的10秒内将您的ID 卡插入读卡器内,读卡器读到卡后蜂鸣器发出1短声,绿色指示灯自动熄灭,说明该张ID 卡已设置成管理卡。
注意:有些ID 卡片内感应线圈偏向一边,因此,当将ID 卡插入读卡器如无反应时,请换个方向插。
管理卡只能是1张,如果丢失或更换,将新卡按以上方法重新设置,新管理卡生效后,原管理卡就自动失效。
※ 除了管理卡的设置外,其余设置都必须在刷管理卡后才能进行操作 ※二、添加用户卡如果您需要给ID 卡授权,通过添加用户卡的操作来进行(您最大可以添加1000张用户卡),设置都需用管理卡+专用红外遥控器配合进行:插入管理卡,绿色指示灯闪亮,读卡器发出嘟1声,读卡器进入设置状态,拔出管理卡,用遥控器对准读卡器插卡口按一下按键【3】后再按一下【*】键,读卡器发出嘟嘟2声,进入设置添加用户卡功能,将未授权的ID 卡插入读卡器,嘟1声后说明这张卡已添加,需要添加第2张卡,这时只要将第2张卡插入,随后再发出嘟1声,第2张卡添前面板双色指示灯红:电源指示 绿:设置指示加完成,如此重复将所有需要授权的用户卡添加完成。
刷管理卡或按一下遥控器【*】键,嘟嘟2声结束添加。
读卡器在20秒内没有添加用户卡,蜂鸣器嘟嘟嘟3声,绿色指示灯熄灭,读卡器也将自动退出设置状态,进入正常工作方式。
在添加用户卡时蜂鸣器响3声表示该卡已存在,此时为重复添加。
蜂鸣器响4短声表示卡数量已满,不能再添加。
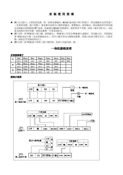
安装使用指南◆JP1为主接口:主要包括电源、第一组继电器输出、RS485通讯接口和门铃接口。
继电器输出为多用途口(见菜单设置:端口设置),继电器可选择为门锁控制输出、报警输出、闹铃输出。
继电器的常开常闭通过电路板后面的跳线JP7选择。
电脑通过RS485转换器后,能控制多个考勤一体机(最多255台)。
为此要为网络中所用考勤一体机设置唯一不重复的机号。
◆JP2为第一组W26接口和门磁、按钮输入:W26接口可设为W26输入或输出。
设为输入时,可驳接标准W26的读卡器(支持带键盘读头)。
其中门磁可设为火警联动报警,即接口收到火警信号后,门禁考勤一体机打开管辖的所有门;◆JP3为第二组W26接口和第二路门禁控制:各接口功能同第一路。
一体机接线说明后视接线端子JP1Red Black Blue Purple Yellow Green Grey Grey 12V+ GND LS1 LS1 485+ 485- BP1 BP2JP2Red Black Green White Yellow Orange 12V+ GND D0-1 D1-1 OP1 MC1JP3 Green White Yellow Orange Blue Purple D0-2 D1-2 OP2 MC2 LS2 LS2接线示意图主菜单|—时钟管理| |—设置时间| |—误差校准| | |—无需调整| | |—每天调快| | |—每天调慢| |—报闹时间| |—闹铃01->| | |—开启闹铃| | |—报闹时间| | |—持续时间| | |—闹铃星期—星期日、星期一…星期六| | 。
| |—闹铃16->| (同上)|—卡片管理| |—增加卡片| |—修改卡片| |—删除卡片||—系统设置| |—设备机号| |—背光模式—关闭、常开、自动、时区| |—发音提示—键盘音、闹铃音、提示音| |—通讯速率—2400bps、4800bps、9600bps、19200bps| |—记录选项—进门记录、出门记录、事件记录、记满循环、| 禁止相同、容量预警,5位卡号| |—菜单密码| |—资源统计| |—清除系统| |—软件升级||—门禁管理| |—设置门1| | |—权限设置| | | |—时段表—(时段0——时段31)| | | |—时区表—(时区0——时区63)| | | |—节假日| | | |—应用群组—(应用群组0——应用群组15)| | || | |—管制类型—进出双管、进入单管、进管出任、潜回互锁| | |—进入方式—只需刷卡、只需密码、卡加密码| | |—门磁类型—门磁常开、门磁常闭、火警常开、火警常闭、无效| | |—开门按钮—常开、常闭、无效| | |—开门时间| | |—关门时间| | |—首入常开—开启首开、关闭首开| | |—胁迫密码| | |—开门密码| || |—设置门2| | (同上面设置门1)| |—复制1->2门| |—复制2->1门||—端口设置| |—继电器1—门锁1、门锁2、电铃、报警、无效| |—继电器2—门锁1、门锁2、电铃、报警、无效| |—W26接口1—进门1、出门1、进门2、出门2、W26输出、无效| |—W26接口2—进门1、出门1、进门2、出门2、W26输出、无效| |—本机读卡—进门1、出门1、进门2、出门2、无效||—菜单语言—简体中文、English 一体机功能简介◆1个内置读卡器,2组WG26接口,2组门磁输入,2组开门按钮输入,2组继电器输出,1组门铃接口和1组RS485通讯接口。
一体化远距离读卡器简易使用说明一、 指示灯说明(如下图)VDS :车辆检测器输入指示灯,当车辆检测器检测到车辆时,指示灯亮。
未检测到车辆时,指示灯不亮; ADD ::天线ID 设置指示灯(此功能用与读卡器被动上传协议控制器如PORIS ),当控制器中的天线ID设置正确时,指示灯闪亮.WORK: 工作状态指示灯,当主机处于正常工作状态时,指示灯均匀闪烁S1:地感功能启用指示灯。
当开启地感功能时,此灯熄灭;关闭地感功能时,此灯长亮(默认值)。
S2:485 接口传输方式指示灯。
当设为主动上传时,此灯熄灭;被动上传时长亮(默认值)。
S3:韦根数据输出格式。
当设为韦根34bit 输出时,此灯熄灭;韦根 26bit 输出时长亮(默认值)。
S4:备用;AD1...AD5: 地址选择指示灯(备用)。
二、 按键开关功能作用是对地感功能、485接口传输方式、韦根数据输出格式等作功能的选择及调整。
(如下图):A. 主机部分A 键(功能选择):连续点按此键可以选择从S1……AD5的功能选择,对应功能的指示灯闪亮;与B键配合使用。
B 键(功能确认):点按此键可以确认A 键所选择的功能; 当选定其功能时,对应的指示灯亮或灭。
B. 天线部分C 键(模式切换):点按此键可将两种模式进行切换(自动模式/手动摸式);调节时请观察模式状态指示灯。
D 键(信号调节):点按此键可调节红外信号的强弱,控制读卡距离及角度。
调节时观察信号强度指示灯(信号强度指示灯全亮时信号最强)。
读卡器天线工作模式有两种:室外工作模式(自动信号调节模式)适用于露天停车场;室内工作模式(手动信号调节模式)适用于地下停车场。
三、 读卡器接口引脚定义:(如下图)从左至右,6芯线序与主板丝印对应为:1.黑色2.红色3. 空4. 空5. 空6. 黄色7. 绿色8. 蓝色9. 棕色 10.空从左至右,主板丝印顺序依次为:1.电源地2.电源正极3.485通讯正端4.485通讯负端5.公共地端6.韦根DO 端7.韦根D1端8.公共地端9.地感检测端 10.公共地。
门禁一体机说明书使用前请仔细阅读本说明书一、产品简介本产品是普通刷卡门禁机:具有操作简单,运行稳定等优点,支持外接读卡器、可做读卡器使用,多种验证方式密码开门、卡开门、卡+密码开门三种开门方式。
使用范围:任何需要权限控制的通道1、技术参数序号项目指标1电压DC+8V—+15V(标准12V)2电流不驱动锁时≤70mA3开锁电流≤1000mA4工作温度-10℃—70℃5工作湿度0—100%6频率125KHz(EM卡)13.56MHz(M1卡)7最大刷卡距离15—20厘米2、功能介绍序号项目指标1容量400张,可扩至3000张2验证方式卡、密码、卡+密码3最大刷卡距离15—20厘米4初始编程密码1234565控制器本身内置一个读头,可以外接一个W26读头6机器本身可以做读头使用二、接线示意图门禁接线座专用电源接线座专用门禁锁+12V GND COM NO NC KEY D0D1BELL1BELL2门禁机连线图三、增加删除用户1、验证方法1、卡用户:直接刷卡验证成功后,绿灯点亮,输出开门信号2、密码用户:先输入密码,最后按#,成功后,绿灯点亮,输出开门信号3、卡+密码:先刷卡,再输入密码,按#号结束验证,绿灯点亮,输出开门信号2、增加用户A 、刷卡注册户卡:1、依次按“#”→“*”→“123456”→“#”,蜂鸣器滴滴响两声,绿灯点亮,进入设置模式2、依次按“5”→可连续刷卡登记→按“#”蜂鸣器响两声,成功提示,按2下“*”退出编程B 、输入卡号注册:1、依次按“#”→“*”→“123456”→“#”,蜂鸣器滴滴响两声,绿灯点亮,进入设置模式2、依次按“2”→输入ID 10位数编号→按“#”蜂鸣器响两声,成功提示,按2下“*”退出编程C 、密码注册:1、依次按“#”→“*”→“123456”→“#”,蜂鸣器滴滴响两声,绿灯点亮,进入设置模式2、依次按“3”→输入6位任意数字→按“#”蜂鸣器响两声,成功提示,按2下“*”退出编程3、删除用户依次按“#”→“*”→“123456”→“#”,蜂鸣器滴滴响两声,绿灯点亮,进入设置模式A 、刷卡删除:依次按“8”→按“1”→可连续刷卡删除→按“#”蜂鸣器响两声,成+12V GND PUSH NO GND NC出门按钮门铃WG26输出和输入专用门禁锁#5#1#切换输出模式功提示,按2下“*”退出编程B、输入卡号删除:依次按“8”→按“2”→输入10位卡号→按“#”蜂鸣器响两声,成功提示,若要继续删除,请重新按“2”→输入10位卡号→按“#”,按2下“*”退出编程C、密码删除:依次按“8”→按“3”→输入密码→按“#”蜂鸣器响两声,成功提示若要继续删除,请重新按“3”→输入密码→按“#”结束,按2下“*”退出编程四、卡+密码注册1、依次按“#”→“*”→“123456”→“#”,蜂鸣器滴滴响两声,绿灯点亮,进入设置模式2、依次按“4”→输入ID10位数编号→再输入6位任意数字→按“#”蜂鸣器响两声,成功提示,按2下“*”退出编程五、设置开门时间:(默认开门6秒)1、依次按“#”→“*”→“123456”→“#”,蜂鸣器滴滴响两声,绿灯点亮,进入设置模式2、依次按“7”→输入1-9数字→按“#”蜂鸣器响两声,成功提示,按2下“*”退出编程1------2秒4------8秒7------14秒2------4秒5------10秒8------16秒3------6秒6------12秒9------18秒六、修改编程密码及机器初始化1、修改编程密码1、依次按“#”→“*”→“123456”→“#”,蜂鸣器滴滴响两声,绿灯点亮,进入设置模式2、依次按“1”→输入新编程密码→按“#”,按2下“*”退出编程2、删除所有登记过的注册信息1、依次按“#”→“*”→“123456”→“#”,蜂鸣器滴滴响两声,绿灯点亮,进入设置模式2、依次按“9”→按“#”→输入123→按“#”蜂鸣器响四声,成功提示,按2下“*”退出编程3、恢复出厂设置门禁机在通电的时候用导体将Reset(A、B)脚短路一下,蜂鸣器滴滴五声响,即恢复出厂设置成功!恢复出厂设置将包括的内容有:1.编程密码2.超级用户验证密码3.开门时间。
多功能读卡器怎么用详细教程读卡器是一种读卡设备,常用于插入电脑读取SD卡、TF卡等数据。
读卡器按所存储卡的种类分分为CF卡读卡器、SM卡读卡器、PCMICA卡读卡器以及记忆棒读写器等,还有双槽读卡器可以同时使用两种或两种以上的卡;按端口类型分可分为串行口读卡器、并行口读卡器、USB读卡器。
有些读卡器只可以访问一种存储卡,另一些就是多合一读卡器。
现在市面上存储卡种类多,比较常见的存储卡有SD Memory (SD卡)CompactFlash(CF卡)、MemoryStick(索尼记忆棒)、MultiMediaCard(MMC卡)、XD-Picture(XD卡)、IBM Microdrive(IBM微型硬盘),Micro SD Card(TF卡)等。
不同格式的存储卡需要不同格式的读卡器,在这种需求下诞生了多功能读卡器。
多功能读卡器读卡器分为接触式读卡器,非接触式读卡器,单界面读卡器和双界面读卡器以及多卡座接触式读写器。
读卡器的体积一般都不大,分内置和外置两种。
外置的便于携带,一般使用USB接口。
同时还有一些专业的读卡器,像POS机、银行柜台使用的键盘、ATM 机都带有读卡器。
可读IC卡、RF卡、磁卡。
多功能读卡器使用领域很多:教育领域身份证读卡器已经应用到各个领域中去,作为教育行业的大学也开始逐渐引进身份证读卡器,以适合当下形势的需求。
报名对于大学而言,身份证信息的登记随处可见。
学生入学信息登记,大型考试身份核验,办理证件手续时尚读卡器等等,都需要使用身份证。
大学学生众多,如果每个学生的信息都采用手工登记的话,就花费了很大的精力和时间,往往会造成信息的错漏。
为了有效地避免这些情况的发生,提高学校的工作效率,学校需要引进一款身份证读卡器,更加方便地读取录入学生的身份证信息。
考场众所周知,考试考场存在着这样种种的问题:持假身份证考试、替考等行为,严重破坏了考场的正常秩序,扰乱了公平公正和谐的考场;考生人数过多,对考生的身份信息核验存在一定的不足,不仅影响到正常考试的时间,也为考场的工作人员带来了工作的不便。
红外读卡器操作说明一、基础参数二、接线定义SW0-1:ON:入口 OFF:出口SW0-234:2代表4号地址 3代表2号地址 4代表1号地址SW1-1:ON:压地感读卡 OFF:不压地感读卡SW1-2:ON:不校验有效期 OFF:822读卡器SW1-3:ON:WG34 OFF:WG26SW1-4:ON:反潜回 OFF:无反潜三、软件操作1、打开软件供应商_反潜回选择好串口(串口即选择发卡器或读卡器连接的串口,默认是打开连接COM1)2、读卡器密码的下载选择串口连接打开后,在下载区选择设置读头和发卡器密码这一项。
在串口选择的下面有个,原密码填写这个读卡器之前使用的密码(出厂默认为6个F)密码位置填写现在要使用的密码,填写好之后点击在下载区的下载按钮,在下方有提示成功或失败。
3、发卡器密码下载及卡片加密选择串口连接打开后,在下载区选择设置读头和发卡器密码这一项。
在串口选择的下面有个,原密码填写之前发卡器使用的密码(出厂默认为6个F)密码位置填写卡片之前使用的密码(卡片默认出厂为6个F)。
填写好之后点击在下载区的下载按钮,在下方有提示成功或失败。
下载完发卡器密码后在下载区选择写卡密码,在密码位置填入与之读卡器相同的密码。
点击下载,把卡片拿至距发卡器感应区10CM的位置,点击下载,在下方有提示成功或失败。
4、写卡有效期、权限卡片加密之后,选择下载区的写卡有效期、权限点击下载,在下载按键下面提示成功或者失败(有效期默认为2个月,不可更改)权限控制选择根据现场情况勾选(默认为全选)5、写挂失卡选择写挂失卡,在挂失卡号位置填入你要挂失的卡号,拿一张新卡至发卡器感应区10CM位置点下载提示下载成功,把这张卡拿到读卡器上去读一下蓝色灯闪烁但没有什么提示(播报语音、开闸等),表示挂失成功。
(注:用来挂失的卡以后只能做挂失卡使用)6、写在场或者不在场根据现场情况,当车主开车已经在场内时,在办理卡片是请写入在场标志。
反之。
一体化读卡器产品使用手册安全性须知1 为避免可能的电击造成严重损害,在接触任何读卡器组件时,先拔掉读卡器的电源线。
2 当您要从主板连接或拔除任何的数据线之前,请确定所有的电源线已事先拔掉。
3 在使用控制板之前,我们建议您可以先寻求专业人士的协助。
4 请确定电源的电压设置已调整到本国/本区域所使用的电压标准值。
若您不确定您所属区域的供应电压值为何,那么请就近询问当地的电力公司人员。
5 如果电源已损坏,请不要尝试自行修复。
请将之交给专业技术服务人员或经销商来处理。
6 若在本产品的使用上有任何的技术性问题,请和经过检定或有经验的技术人员联系。
关于这本用户手冊本说明仅介绍停车场读卡器硬件部分技术参数,可供工程安装配置人员、系统管理维护人员及系统操作人员参考使用。
产品用户手册包含了下面几个章节所组成:第一章:产品介绍第二章:功能介绍本章节描述该产品强大功能,以方便用户了解其性能特点。
第二章:硬件设备信息本章节描述读卡器的详细硬件参数以及安装操作规范。
第三章:功能设置本章节描述如何使按键系统的配置设置。
一、产品介绍■支持RS-485输出采用双绞线作为传输媒介的RS-485传输方式是差分传输方式,具有极强的抗共模干扰的能力,传输信号可传送至千米之外。
RS-485提供最大约1219米的通信距离,最大传输速率为10Mb/S。
当然,用户可以使用485中继器进一步延伸传输距离。
另外RS-485采用三线制,安装非常便捷。
■支持Viegand26输出Wiegand协议是由美国工业安全委员SIA(Security Industry Association)制定的一个关于存取控制的标准协议。
它是一个关于非接触式IC卡读写器接口和输出的协议。
Wiegand26的理论通信距离为120米,实际应用上一般控制在100米以内。
■支持地感输入开启读卡器压地感应功能可以以触发方式启动红外信号发射,该功能能够有效解决停车场系统中进出入口通道相隔近引起的干扰现象。
指纹读卡器用户手册版权所有©杭州海康威视数字技术股份有限公司2019。
保留一切权利。
本手册的任何部分,包括文字、图片、图形等均归属于杭州海康威视数字技术股份有限公司或其子公司(以下简称“本公司”或“海康威视”)。
未经书面许可,任何单位和个人不得以任何方式摘录、复制、翻译、修改本手册的全部或部分。
除非另有约定,本公司不对本手册提供任何明示或默示的声明或保证。
关于本手册本手册描述的产品仅供中国大陆地区销售和使用。
本手册作为指导使用。
手册中所提供照片、图形、图表和插图等,仅用于解释和说明目的,与具体产品可能存在差异,请以实物为准。
因产品版本升级或其他需要,本公司可能对本手册进行更新,如您需要最新版手册,请您联系我们。
海康威视建议您在专业人员的指导下使用本手册。
商标声明为海康威视的注册商标。
本手册涉及的其他商标由其所有人各自拥有。
责任声明●在法律允许的最大范围内,本手册所描述的产品(含其硬件、软件、固件等)均“按照现状”提供,可能存在瑕疵、错误或故障,本公司不提供任何形式的明示或默示保证,包括但不限于适销性、质量满意度、适合特定目的、不侵犯第三方权利等保证;亦不对使用本手册或使用本公司产品导致的任何特殊、附带、偶然或间接的损害进行赔偿,包括但不限于商业利润损失、数据或文档丢失产生的损失。
●若您将产品接入互联网需自担风险,包括但不限于产品可能遭受网络攻击、黑客攻击、病毒感染等,本公司不对因此造成的产品工作异常、信息泄露等问题承担责任,但本公司将及时为您提供产品相关技术支持。
●使用本产品时,请您严格遵循适用的法律。
若本产品被用于侵犯第三方权利或其他不当用途,本公司概不承担任何责任。
如本手册内容与适用的法律相冲突,则以法律规定为准。
前言本节内容的目的是确保用户通过本手册能够正确使用产品,以避免操作中的危险或财产损失。
在使用此产品之前,请认真阅读产品手册并妥善保存以备日后参考。
概述本手册适用于指纹读卡器,适用型号如下:符号约定对于文档中出现的符号,说明如下所示。
读卡器操作手册本操作手册旨在为使用读卡器提供指导和帮助。
读卡器是一种用于读取和传输数据的安全设备,广泛用于各种行业和领域,如金融、医疗、政府等。
本手册将涵盖读卡器的使用、维护以及常见故障排除等内容。
读取各种类型的卡片,如磁条卡、IC卡、射频卡等;连接读卡器:将读卡器通过USB接口或串口连接至计算机或终端设备;启动设备:启动计算机或终端设备,并确保已经安装了相应的驱动程序;插入卡片:将需要读取的卡片插入读卡器插槽中;开始读取:启动读卡器软件,选择相应的卡片类型和操作选项,开始读取卡片数据;数据传输:数据读取成功后,可以通过软件界面查看和导出数据;关闭设备:在操作完成后,请关闭读卡器并断开连接。
请确保读卡器连接正确,避免接口松动或接触不良;请勿在读卡器工作过程中拔插卡片,以免损坏读卡器或卡片;请确保使用的计算机或终端设备已经进行安全防护和杀毒处理,以防止恶意攻击和数据泄露;在使用过程中如遇到问题,请技术支持或查阅用户手册获取帮助。
在使用过程中如遇到问题,可以参考以下步骤进行故障排除:检查读卡器与计算机或终端设备的连接是否正常;尝试重新启动计算机或终端设备,并重新启动读卡器软件;如果问题仍然存在,请技术支持或查阅用户手册获取帮助。
随着科技的快速发展,无线射频识别(RFID)技术已经广泛应用于各种领域,如供应链管理、安全认证、物流跟踪等。
RFID系统主要由读写器、标签和天线组成。
其中,标签天线的设计与测量对于整个RFID系统的性能至关重要。
本文将探讨RFID系统标签天线的设计与测量。
RFID标签天线主要分为两种类型:内置天线和外部天线。
内置天线通常直接蚀刻或印刷在RFID芯片上,而外部天线则是一个独立的结构,通过连接线与RFID芯片相连。
根据应用需求,可以选择合适的类型。
标签天线的材料对天线的性能有很大影响。
常用的材料包括铜、铝、不锈钢等。
选择合适的材料可以优化天线的阻抗和辐射效率。
标签天线的尺寸和形状对天线的性能有很大影响。
一、产品简介本系列产品采用新型ARM内核32位微控制器设计,功能强大,稳定可靠,是新一代多功能门禁一体机,可以包括读卡器模式、一体机模式等多种功能,可应用于不同的场合,广泛适用于办公、家庭、别墅、银行、监狱等场所。
三、技术参数操作电流: ≤100mA 工作电压: DC12-24V 环境湿度: 0~95%静态电流: ≤35mA环境温度: -40~60℃开门方式: 指纹,卡,密码,多种组合开门方式,手机APP二、功能特点特点说明读卡类型按键操作输出方式开门方式管理卡用户卡容量可选同时读125KHz的EM和HID卡可选同时读13.56MHz的IC和CPU卡金属透光按键操作具有读卡器专用模式,输出格式可用户调整支持卡加密码、多卡开门方式支持增加卡、删除卡10000五、接线标功能线序颜色符号功能描述1绿D0D1OPEN(BEEP)+12VGNDNOCOMNC2白3黄4红5黑678蓝紫橙韦根输入(读卡器模式韦根输出)韦根输入(读卡器模式韦根输出)出门按钮输入端(读卡器模式蜂鸣器控制输入)电源正极电源负极继电器常开端继电器公共端继电器常闭端四、安装方法根据产品尺寸开好孔,用配备的螺钉固定好底壳。
将引出线从底壳出线孔穿出,根据需要的功能接线,且包好不用的线,以防短路。
接完线后将前壳装到底壳上,拧好螺丝,安装完成。
(如下图)安装示意图六、接线图6.1 普通电源接线图6.2 门禁专用电源接线图七、指示灯和蜂鸣器状态八、 常规操作指示灯工作状态蜂鸣器嘀-嘀嘀嘀嘀-嘀嘀-嘀嘀呜呜红色慢闪红色绿色红色慢闪红色慢闪红色慢闪橙色绿色红色快闪待机模式操作成功操作失败卡加密码模式读卡后多卡开门读卡未完进入管理主菜单进入设置状态开锁期间蜂鸣器报警输入开门密码中按*键按数字键管理卡退出时管理卡进入时6.3 读卡器接线图九、 高级应用操作11.1增加卡操作12.1修改用户密码13.1取消报警温馨提示* 请不要私自修理机器,如有问题,请返回厂家维修。
门禁一体机使用说明书一、产品外观二、产品简介本门禁内嵌入了个ID或IC读卡模块,或还可外接个Wiegand26的读卡器,双向开门,可接出门按钮开门,并支持门常开、常闭功能,可输入卡号删除用户信息,防卡片丢失后的尴尬,支持阴极锁、阳极锁,可设置刷卡开门、密码开门、卡或密码开门,卡加密码开门方式,6位密码,安全性好,独有增加卡、删除卡管理卡功能,加卡删卡特方便;且有报警能输出,支持胁迫码开门,外接报警器可报警或其它用途。
三、门禁一体机编程方法:1、“*”+“#”,进入编程模式(1)按“*”不放,再按“#”,松开键盘,再输入6位管理员密码,按“#”确认键,蜂鸣器嘀、嘀,进入编程主模式,此时绿灯闪,要求输入功能码。
2、“00”功能码,设置门常开(1)按“0”键,再按“0”键,按确认键“#”,蜂鸣器嘀、嘀,设置门常开,返回主模式。
3、“01”功能码,设置门常闭(1)按“0”键,再按“1”键,按确认键“#”,蜂鸣器嘀、嘀,设置门常闭,返回主模式。
4、“02”功能码,设置常态(1)按“0”键,再按“2”键,按确认键“#”,蜂鸣器嘀、嘀,恢复常态,返回主模式。
5、“03”功能码,修改管理员密码(1)按“0”键,再按“3”键,按确认“#”,进入修改管理员密码设置,此时绿灯、橙灯同时闪,要求输入新的管理员密码;(2)输入新的6位管理员密码,按“*”则取消重输,按“#”确认,蜂鸣器嘀、嘀表示成功设置,返回主模式。
6、“04”功能码,按卡号键盘增加用户(1)按“0”键,再按“4”键,按确认键“#”,进入键盘增加用户设置,此时绿灯、橙灯同时闪,要求输入卡片的10位卡号;(2)输入10位要增加卡的卡号,按“*”则取消重输,按“#”确认,蜂鸣器嘀、嘀表示增加成功,返回(1)继续增加其它的卡号,按“#”则退出本功能码返回主模式;7、“05”功能码,卡号键盘删除用户卡(1)按“0”键,再按“5”键,近确认键“#”,进入键盘删除卡设置,此时绿灯、橙灯同时闪,要求输入卡片的10位卡号;(2)输入10位要删除卡的卡号,按“*”则取消重输,按“#”确认,蜂鸣器嘀、嘀表示删除成功,返回(1)继续删除其它的卡,按“#”则退出本功能码返回主模式;8、“06”功能码,刷卡删除用户卡(1)按“0”键,再按“6”键,按确认键“#”,进入刷卡删除用户卡模式,此时绿灯、橙灯同时闪,要求刷卡;(2)刷要删除的用户卡,蜂鸣器嘀、嘀表示删除成功,可连续删除多张用户卡,按“#”键退出该模式,返回主模式。
一体化远距离读卡器简易使用说明一、 指示灯说明(如下图)VDS :车辆检测器输入指示灯,当车辆检测器检测到车辆时,指示灯亮。
未检测到车辆时,指示灯不亮; ADD ::天线ID 设置指示灯(此功能用与读卡器被动上传协议控制器如PORIS ),当控制器中的天线ID设置正确时,指示灯闪亮.WORK: 工作状态指示灯,当主机处于正常工作状态时,指示灯均匀闪烁S1:地感功能启用指示灯。
当开启地感功能时,此灯熄灭;关闭地感功能时,此灯长亮(默认值)。
S2:485 接口传输方式指示灯。
当设为主动上传时,此灯熄灭;被动上传时长亮(默认值)。
S3:韦根数据输出格式。
当设为韦根34bit 输出时,此灯熄灭;韦根 26bit 输出时长亮(默认值)。
S4:备用;AD1...AD5: 地址选择指示灯(备用)。
二、 按键开关功能作用是对地感功能、485接口传输方式、韦根数据输出格式等作功能的选择及调整。
(如下图):A. 主机部分A 键(功能选择):连续点按此键可以选择从S1……AD5的功能选择,对应功能的指示灯闪亮;与B键配合使用。
B 键(功能确认):点按此键可以确认A 键所选择的功能; 当选定其功能时,对应的指示灯亮或灭。
B. 天线部分C 键(模式切换):点按此键可将两种模式进行切换(自动模式/手动摸式);调节时请观察模式状态指示灯。
D 键(信号调节):点按此键可调节红外信号的强弱,控制读卡距离及角度。
调节时观察信号强度指示灯(信号强度指示灯全亮时信号最强)。
读卡器天线工作模式有两种:室外工作模式(自动信号调节模式)适用于露天停车场;室内工作模式(手动信号调节模式)适用于地下停车场。
三、 读卡器接口引脚定义:(如下图)从左至右,颜色依次为:1.黑色2.红色3. 黄色4. 绿色5. 空6. 空7. 空8. 蓝色9. 棕色 10.空从左至右,功能依次为:1.电源地2.电源正极3.485通讯正端4.485通讯负端5.公共地端6.韦根DO 端7.韦根D1端8.公共地端9.地感检测端 10.公共地。
读卡器操作手册第一章:引言1.1 关于本手册本手册是为了帮助用户更好地使用读卡器而设计的。
在本手册中,您将了解到读卡器的基本操作和功能,以及常见问题的解决办法。
1.2 适用对象本手册适用于所有使用读卡器的用户,不论是初学者还是有一定经验的用户。
1.3 安全提示在使用读卡器之前,请确保已经仔细阅读并理解本手册中的所有安全提示。
不正确的操作可能会造成设备损坏或丧失数据。
第二章:读卡器概述2.1 读卡器简介读卡器是一种设备,用于读取储存在各种存储介质上的数据。
它可以连接到计算机或其他设备,并从存储介质读取数据或向存储介质写入数据。
2.2 读卡器的类型根据不同的存储介质类型,读卡器可分为多种类型,包括SD卡读卡器、USB读卡器、SIM卡读卡器等。
每种类型的读卡器对应着不同的存储介质。
第三章:准备工作3.1 驱动程序安装在使用读卡器之前,您需要确认电脑上是否已安装相关的驱动程序。
如果没有安装,您可以从官方网站或者光盘中获取并安装驱动程序。
3.2 读卡器与计算机的连接根据读卡器类型的不同,连接方式也会有所不同。
通常情况下,您只需要将读卡器插入计算机的USB接口即可。
第四章:读卡器的操作4.1 读取数据在连接好读卡器后,您可以打开相关的读卡器软件或者操作系统自带的文件管理器,选择读取数据的存储介质,并将其插入读卡器中。
然后,您可以通过读卡器软件或者文件管理器浏览、复制、粘贴或删除文件。
4.2 写入数据如果您想将文件从计算机写入到存储介质中,只需要选择存储介质,并将其插入读卡器中。
然后,您可以通过读卡器软件或者文件管理器将文件拖放到存储介质中。
4.3 格式化存储介质如果您需要清空存储介质或解决一些存储介质的问题,您可以选择格式化存储介质。
在读卡器软件或者文件管理器中,选择存储介质,并选择格式化选项,然后按照提示进行操作。
第五章:常见问题解决5.1 读卡器无法被识别如果您的读卡器无法被计算机识别,首先请检查是否已正确连接读卡器。
一体化远距离读卡器简易使用说明
一、 指示灯说明(如下图)
VDS :车辆检测器输入指示灯,当车辆检测器检测到车辆时,指示灯亮。
未检测到车辆时,指示灯不亮; ADD ::天线ID 设置指示灯(此功能用与读卡器被动上传协议控制器如PORIS ),当控制器中的天线ID
设置正确时,指示灯闪亮.
WORK: 工作状态指示灯,当主机处于正常工作状态时,指示灯均匀闪烁
S1:地感功能启用指示灯。
当开启地感功能时,此灯熄灭;关闭地感功能时,此灯长亮(默认值)。
S2:485 接口传输方式指示灯。
当设为主动上传时,此灯熄灭;被动上传时长亮(默认值)。
S3:韦根数据输出格式。
当设为韦根34bit 输出时,此灯熄灭;韦根 26bit 输出时长亮(默认值)。
S4:备用;AD1...AD5: 地址选择指示灯(备用)。
二、 按键开关功能作用是对地感功能、485接口传输方式、韦根数据输出格式等作功能的选择及调整。
(如
下图):
A. 主机部分
A 键(功能选择):连续点按此键可以选择从S1……AD5的功能选择,对应功能的指示灯闪亮;与B
键配合使用。
B 键(功能确认):点按此键可以确认A 键所选择的功能; 当选定其功能时,对应的指示灯亮或灭。
B. 天线部分
C 键(模式切换):点按此键可将两种模式进行切换(自动模式/手动摸式);调节时请观察模式状态指示灯。
D 键(信号调节):点按此键可调节红外信号的强弱,控制读卡距离及角度。
调节时观察信号强度指示
灯(信号强度指示灯全亮时信号最强)。
读卡器天线工作模式有两种:
室外工作模式(自动信号调节模式)适用于露天停车场;
室内工作模式(手动信号调节模式)适用于地下停车场。
三、 读卡器接口引脚定义:(如下图)
从左至右,6芯线序与主板丝印对应为:
1.黑色
2.红色
3. 空
4. 空
5. 空
6. 黄色
7. 绿色
8. 蓝色
9. 棕色 10.空
从左至右,主板丝印顺序依次为:
1.电源地
2.电源正极
3.485通讯正端
4.485通讯负端
5.公共地端
6.韦根DO 端
7.韦根D1端
8.公共地端
9.地感检测端 10.公共地。