九年级上册物理 第十二章 机械能和内能专题练习(解析版)
- 格式:doc
- 大小:415.50 KB
- 文档页数:18
物理九年级上册第十二章机械能和内能单元综合测试(Word版含答案)一、初三物理第十二章机械能和内能易错压轴题提优(难)1.李华同学发现建筑工人在铺设水泥路时,有时要在水泥里面掺入少量纤维材料.他想通过实验来探究在水泥中掺入纤维材料是否会影响水泥路面的牢固程度.关于水泥路面的牢固程度与哪些因素有关,和同学们讨论后,他们提出了以下猜想:猜想1:与是否掺入纤维有关;猜想2:与纤维掺入量有关;猜想3:与纤维材料的种类有关。
经过思考后,他们利用图中装置,将铁锤通过电磁铁从某一高度处由静止释放,对水泥样品进行连续撞击,直至水泥样品断裂,收集的数据记录在下表中。
(1)铁锤撞击水泥样品时的动能是由________转化来的。
实验时通过__________________来比较水泥样品的牢固程度。
(2)比较实验序号1、2的两组数据,可得出的结论是:水泥路面的牢固程度与是否掺入纤维________(选填“有关”或“无关”)。
(3)比较序号2、3、4三组数据,可得出的结论是:在水泥中掺入适量纤维时,掺入纤维材料越多,水泥路面越________(选填“牢固”或“不牢固”)。
(4)比较序号2、5、6的三组数据,________(选填能或不能)比较得出:在水泥中掺入等量不同纤维材料,掺入C纤维材料水泥路面最牢固,你判断的理由是______(5)为缩短上述样品的实验时间,需减少碰撞次数,可采用的方法是_____【答案】重力势能水泥样品断裂时所承受的撞击次数有关牢固能在水泥中掺入C 纤维材料,水泥样品断裂时所承受的撞击次数最多,说明该水泥路面最牢固增加铁锤下落时的高度或增加铁锤质量【解析】【分析】【详解】(1)[1]铁锤下落过程中,重力势能转化为动能,所以铁锤撞击水泥样品时的动能由重力势能转化而来。
[2]实验通过水泥样品断裂时所承受的撞击次数反映水泥样品的牢固程度。
断裂时承受的撞击次数越多水泥样品越牢固。
(2)[3]比较实验序号1、2的两组数据,水泥样品厚度、水泥样品面积、铁锤高度相同,但第一次实验不参入纤维,第二次实验参入纤维,第二次承受的撞击次数多,可知水泥路面的牢固程度与是否掺入纤维有关。
物理九年级上册第十二章机械能和内能检测题(Word版含答案)一、初三物理第十二章机械能和内能易错压轴题提优(难)1.如图所示,甲、乙、丙图中装置完全相同,燃料的质量都是10g,烧杯内的液体初温相同。
(1)比较不同燃料的热值,应选择____两图进行实验;比较不同物质的比热容,应选择____两图进行实验;在实验中,三个烧杯中a、b液体的质量必须___(填“相等”或“不相等”);(2)在研究不同燃料热值实验时,记录数据如下表:燃料加热前液体温度/℃燃料燃尽时液体温度/℃燃料的热值/(J/kg)12040 2.4×10622030根据表中数据计算:完全燃烧20g燃料1放出的热量为_____J,燃料2的热值是____J/kg;(3)比较不同物质的比热容实验时,记录数据如下表:加热时间/min0123456液体a25262728293031液体b25272932343638可知道:对液体a和液体b都加热6min,液体a吸收热量________(选填“大于”或“小于”或“等于”),比热容较大的是__________。
【答案】甲乙甲丙相等 4.8×104 1.2×106等于液体a【解析】【分析】【详解】(1)[1]比较不同燃料的热值,应用不同的燃料给相同的液体加热,所以应选择甲乙两图进行实验。
[2]比较不同物质的比热容,应用相同的燃料给不同的液体加热,所以应选择甲丙两图进行实验。
[3]在实验中用上控制变量法进行探究,所以要探究不同燃料的热值,除了燃料种类不同,其它物理量要控制相同,即液体的种类及其质量、初温要相同;同理要探究不同物质的比热容时,除了液体种类不同,其它物理量要相同,即热源、燃料的质量要相同。
(2)[4]由表格数据知,完全燃烧20g燃料1放出的热量Q放=m1q1=0.02kg×2.4×106J/kg=4.8×104J[5]完全燃烧10g燃料1放出的热量4414.8101J2J122.410Q Q===⨯⨯⨯放放而甲图中,液体a吸收的热量等于燃料燃烧放出的热量,设液体的质量为m,据Q吸=cm(t-t0)得,液体a的比热容()34110J22.4 1.210J()(0)40QQcm t t m t t m m⨯====--⋅⨯-吸放℃℃乙图中,燃料燃烧放出的热量Q放2 =Q吸2=cm(t'-t0')=341.210J(3020) 1.210Jmm⋅-=⨯⨯⋅℃℃则燃料2的热值4621.210J1.210J/kg0.01kgQqm⨯===⨯放2燃料(3)[6][7]在甲和丙中,用相同的热源给液体加热,在相同的时间内放出的热量相同,则a、b液体吸收的热量相同。
2023-2024学年苏教版初中物理单元测试学校:__________ 班级:__________ 姓名:__________ 考号:__________注意事项:1.答题前填写好自己的姓名、班级、考号等信息;2.请将答案正确填写在答题卡上;一、选择题(本大题共计15小题,每题3分,共计45分)1.下列四幅图中,属于利用热传递改变物体内能的()A.双手摩擦能生热B.烧水时水温升高C.锯木材锯子发烫D.钻木取火【答案】B【解析】解: A.搓手取暖时两手相互摩擦做功,机械能转化为内能,是通过做功改变物体的内能,故 A错误;B.用煤气烧水,属于热传递改变物体内能,故 B正确;C.锯木头时锯和木头相互摩擦做功,机械能转化为内能,锯条温度升高,所以锯条发热,此过程是通过做功改变物体的内能,故 C错误;D.古代的人钻木取火是通过做功改变物体的内能,故 D错误.故选: B.2.关于温度、比热容、热量、内能,以下说法正确的是()A. 一个物体吸收了热量,它的温度一定会升高B. 一块0\^circ C 的冰没有内能,它的分子不会运动C. 用水作为汽车发动机散热器的冷却剂,其主要原因是水的比热容较小D. 一个物体的温度升高了,它的内能一定增加【答案】D【解析】解:A 、一个物体吸收了热量,它的温度不一定会升高,如晶体熔化、液体沸腾时,都要吸收热量,但温度不变;故A错误.B、因为物体的分子永不停息地做无规则的运动,所以任何物体都有内能,0^\circ C 的冰仍具有内能,故B错误.C 、因为水的比热容较大,相同质量的水和其它物质比较,升高相同的温度,水吸收的热量多,所以可作为冷却剂.故C错误.D、对物体做功或吸收热量,都能使物体温度升高,内能增加,故D正确.故选D.3.两个相同的容器内分别装有质量相同的甲、乙两种液体,用同一热源分别加热,液体温度与加热时间的关系如图所示.下列说法中正确的是()A. 如果升高相同的温度,乙液体吸收的热量多B. 如果吸收相同的热量,乙液体升高的温度多C. 甲液体的比热容大于乙液体的比热容D. 加热相同的时间,甲液体吸收的热量小于乙液体吸收的热量【答案】A【解析】由图象可以看出:A 、升高相同温度时,甲需要的时间较短,乙需要的时间较长,也就是甲需要的热量较少,乙液体吸收的热量较多。
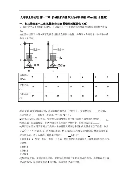
九年级上册物理第十二章机械能和内能单元达标训练题(Word版含答案)一、初三物理第十二章机械能和内能易错压轴题提优(难)1.某同学学习了燃料的热值后,自己设计了一个实验来探究煤油和菜籽油的热值大小关系。
他实验时组装了如图8所示的两套规格完全相同的装置,并每隔1分钟记录一次杯中水的温度(见下表)。
加热的时0123456间/min甲杯水温25272932343638 /℃乙杯水温25262728293031 /℃(1)在安装、调整实验器材时,科学合理的顺序是(甲图中):先调整固定______的位置,再调整固定______的位置(均选填“A”或“B”)。
(2)为保证实验结论的可靠,实验时应控制两套装置中相同的量有加热时间和水的______;(3)通过表中记录的数据,你认为煤油和菜籽油两种燃料中,热值较大的是______;(4)该同学实验前用天平测出了烧杯中水的质量及两油灯中燃料的质量并记录了数据,利用=∆计算出了水吸收的热量,他认为通过这些数据能准确地计算出煤油和菜公式Q c m t籽油的热值。
你认为他的计算结果可靠吗?______,为什么?________。
【答案】B A质量、初温煤油不可靠燃料燃烧的热量有损失(或煤油菜籽油不能完全燃烧)【解析】【分析】【详解】(1)[1][2]在安装、调整实验器材时,需要先根据酒精灯外焰调整B的高度,再根据温度计调整A的高度,所以要先固定B的位置,再调整固定A的位置。
(2)[3]为保证实验结论的可靠,实验时应控制两套装置中相同的量有:加热时间和水的质量、水的初温。
(3)[4]通过表中记录的数据可知,加热时间相同,甲杯水温上升快,故甲杯水吸收的热量多,由Q qm =放知,相同时间内煤油燃烧放出的热量多,所以煤油和菜籽油两种燃料中,热值较大的是煤油。
(4)[5][6]不可靠。
煤油、菜籽油不可能完全燃烧,且伴有热量损失,故结果不准确。
2.用如图甲所示装置进行实验,比较A 、B 两种不同物质的吸热能力。
九年级物理上册第十二章机械能和内能(篇)(Word版含解析)一、初三物理第十二章机械能和内能易错压轴题提优(难)1.(提出问题)水和空气哪种物质的导热性能好?(猜想与假设)小明进行了如下猜想:猜想一:水的导热性能好;猜想二:空气的导热性能好(设计与进行实验)小明用两个相同的牛奶瓶,都装入热牛奶,一个放在温度与室温相同的水中,另一个放在空气中,为了尽量减少其他因素的影响,他把两个瓶都用木块垫起来,放在同一个桌面上,如上图所示,实验时他每隔一定的时间记录一次甲、乙两温度计的示数,得到的数据如下表:(实验结论)(1)分析表中数据,可得出结论:_____(评估与交流)(2)对甲、乙两个瓶中的牛奶,除了要控制它们的初温相同外,还要控制它们的_____相同(3)热牛奶放在水中温度下降是通过_____方式来_____(选填“增加”或“减少”)内能(4)进一步分析表中甲的示数,小明又发现,在冷却过程中,牛奶冷却的快慢前后并不一致,是越来越___的(实验拓展)(5)如果有一天,你要喝一杯奶茶,下列两种冷却方法中,效果较好的是_____A.将滚烫的热茶冷却5分钟,然后加适量冷牛奶B.先将适量的冷牛奶加进滚烫的热茶中,然后冷却5min(6)物理学中我们用速度来表示物体运动的快慢,若小明用“冷却速度”来表示物体冷却快慢,则“冷却速度”可定义为:质量为1千克的物体,_____叫做冷却速度【答案】在水中冷却比在空气中冷却效果要好质量热传递减少慢A单位时间内降低的温度【解析】【详解】(1)分析可知,在相同时间内水中冷却速度更快,所以在水中比空气中冷却效果更好;(2)在研究空气和水的导热性时,应该保证其它条件相同,除了水的初温外还要保证水的质量相等;(3)由于水与牛奶瓶有温度差,所以要发生热传递,即牛奶温度下降是由于热量传递减少其内能;(4)这是由于随着牛奶温度下降,周围水的温度在升高,使牛奶冷却的速度变慢,因此牛奶冷却的快慢还会受到温度的影响.所以当实验时间较长时,相同时间内牛奶降温的速度逐渐变慢,就是指冷却速率变慢.(5)根据(4)中的结论,物体冷却随时间推移是先快后慢,本质原因是温差逐渐缩小,奶茶热的时候温度下降得快,开始快后来越来越慢,开始先让它保持较高的温度,可以在五分钟内放出更多的热量,然后加入冷牛奶,利用热传递使其再次降温。
九年级物理上册 第十二章 机械能和内能专题练习(解析版)一、初三物理第十二章 机械能和内能 易错压轴题提优(难)1.在做“观察水的沸腾”实验时,甲、乙、丙三个实验小组的同学用相同规格、酒精灯火焰大小一样的实验器材,如图A 装置进行实验。
(1)图B 中,温度计的示数为________℃;(2)三组同学都根据自己的实验数据描绘了图象(如图C ),不计能量损耗,则三烧杯中的水的质量:m a ______m b ;m b ______m c 。
由图象还可以判断水面上方的气压________一个标准大气压(以上三空均选填“>”“=”或“<”);(3)水的比热容为4.2×103 J/(kg ·℃),质量为200 g 的水从30 ℃加热到80 ℃,水吸收的热量是________J 。
【答案】47 < > < 42000【解析】【分析】【详解】(1)[1]在温度计上,10℃之间有10个小格,一个小格代表1℃,所以此温度计的分度值为1℃;“50”在“40”以上,说明温度高于0℃,为47℃。
(2)[2][3][4]由图2可以看出,a 、b 、c 的沸点相同,其中a 、b 初温相同,加热到沸腾所用的时间不同,则两条图线描绘的是“初温相同质量不同的水”的加热情况;初温相同,b 的加热时间比a 的长,故b 的质量大与a 的质量;a 、c 的温度随时间变化的图象是平行的,在相同时间内升高的温度相同,故a 的质量等于c 的质量,所以可得a cb m m m =<由图象还可以得出,此时水的沸点是98℃,由液体的沸点跟气压的关系可知,此时水面上方的气压小于一个标准大气压。
(3)[5]水吸收的热量为()34.210J/(kg C)0.2kg 80C-30C =42000J Q c m t =∆=⨯⋅︒⨯⨯︒︒2.《民法典》要求物业服务企业等建筑物管理人员应采取必要的安全保障措施,防止高空抛物现象发生。
小明对物体从高空落到地面的破坏力进行模拟探究:实验器材:几张大小相同的普通白纸、表面涂有黑色粉末的篮球、刻度尺实验过程:将同一个篮球从不同高度由静止释放,落到铺在地面的白纸上,实验记录如下表(1)实验中,蓝球从高空坠落的破坏力可以通过__________反映出来,这种研究物理的方法是_________ 法;(2)根据实验现象,可以得出的结论是_____________;(3)在建筑高层楼房时,为了避免高空施工建筑物坠落砸伤地面上的人,请你为工程队提一条预防措施________________________(合理即可)【答案】篮球在白纸上留下的圆斑大小转换质量相等的物体,所处的高度越高,落到地面破坏力越大在主通道顶部装设安全防护棚(安装防护棚网或封闭作业)【解析】【分析】【详解】(1)[1][2]实验中,为了能够比较物体从高空坠落的破坏力大小,我们可以通过篮球在在白纸上留下的圆斑大小来反映,这种方法称之为转换法。
苏科版九年级物理上册第十二章机械能和内能难点解析考试时间:90分钟;命题人:物理教研组考生注意:1、本卷分第I卷(选择题)和第Ⅱ卷(非选择题)两部分,满分100分,考试时间90分钟2、答卷前,考生务必用0.5毫米黑色签字笔将自己的姓名、班级填写在试卷规定位置上3、答案必须写在试卷各个题目指定区域内相应的位置,如需改动,先划掉原来的答案,然后再写上新的答案;不准使用涂改液、胶带纸、修正带,不按以上要求作答的答案无效。
第I卷(选择题 30分)一、单选题(10小题,每小题3分,共计30分)1、如图四幅图片,其说明的物理知识错误的是()A.悬挂重物不能把两铅块分开,说明分子间存在引力,没有斥力B.加热水产生的蒸汽使橡胶塞冲出,利用做功和热传递都能改变物体的内能C.抽掉玻璃板气体会变色,实验中气体的摆放位置没有问题D.压下活塞后硝化棉燃烧,实验过程中是机械能转化为内能2、下列关于热机说法正确的是()A.热机是利用热量做功的机械B.吊车上使用的滑轮组是一种热机C.热机是将内能转化为机械能的机械D.随着技术的进步,热机的效率能达到100%3、下列生活现象中,关于分子和物体内能,下列说法正确的是()A.杯子里的水可以任意倒出,说明水分子间没有引力B.用透明胶带揭下纸上写错的字,是因为胶带与纸分子之间有斥力C.“花气袭人知骤暖”说明分子的热运动与温度有关D.用力搓手,手发热是通过热传递增加手的内能4、下列有关温度、热量和内能的说法正确的是()A.物体放出热量,温度一定降低B.热量都是从内能多的物体向内能少的物体传递C.物体的温度升高,内能一定增大D.80℃的水一定比30℃的水含有的热量多5、一名游客蹦极时下落过程的v-t图像(忽略空气阻力)如图所示。
已知t1时刻,弹性绳处于自然伸直状态;t3时刻,游客达到最低点。
则下列说法正确的是()A.在0~t3时间段内,人的动能一直在增大B.在t1~t3时间段内,弹性绳弹性势能逐渐增大C.在t2~t3时间段内,重力不做功D.在t2时,弹性绳弹性势能最大6、如图a,用加热器给初温均为20℃的甲、乙两种液体加热(m甲<m乙),两种液体每秒吸收的热量相同,这两种液体的温度—加热时间的图线如图b所示,则()A.第60s时,乙吸收的热量比甲的多B.甲液体的比热容比乙液体的小C.甲液体的比热容与乙液体的一样大D.甲液体第30s时的内能小于第35s时的内能7、关于热学知识,下列说法错误的是()A.物体温度升高,分子运动将更剧烈B.升高相同温度,比热容大的物体吸收的热量多C.物体吸收热量,温度不一定会升高D.热量可以从内能小的物体传递给内能大的物体8、如图所示的某单缸四冲程汽油机说法正确的是()A.飞轮惯性完成冲程的是甲、乙、丁B.四冲程内燃机在一个工作循环中工作过程依次是丁丙甲乙C.丙图中气缸内气体温度会上升D.飞轮转速3000r/min则该汽油机1s钟能做功25次9、关于汽油机和柴油机的区别,下列说法中你认为不妥的是()A.柴油机比汽油机费用低廉,但比较笨重B.柴油机的效率一般比汽油机的效率高C.一个工作循环中汽油机做功一次,柴油机做两次功D.在构造上,柴油机汽缸顶部有喷油嘴而没有火花塞10、如图所示,对于图片中所描述的物理过程,下列分析中错误的是()A.酒精灯中酒精用掉一半后,剩余酒精的热值、比热容、密度均不变B.抽出玻璃板,上方瓶中的空气逐渐变红,说明分子在不停地做无规则运动C.活塞向上运动时,是内燃机的压缩冲程,此时内能转化为机械能D.玻璃筒内的空气被压缩是通过做功的方式使空气的内能增加第Ⅱ卷(非选择题 70分)二、填空题(5小题,每小题4分,共计20分)1、如图甲所示,小明同学用水冷却牛奶,将盛着牛奶的密闭容器浸在质量为2kg的水中,牛奶的内能是通过 _____(选填“做功”或“热传递”)的方式减小的。
九年级物理上册第十二章机械能和内能单元达标训练题(Word版含答案)一、初三物理第十二章机械能和内能易错压轴题提优(难)1.如图所示,甲、乙、丙图中装置完全相同,燃料的质量都是10g,烧杯内的液体初温相同。
(1)比较不同燃料的热值,应选择____两图进行实验;比较不同物质的比热容,应选择____两图进行实验;在实验中,三个烧杯中a、b液体的质量必须___(填“相等”或“不相等”);(2)在研究不同燃料热值实验时,记录数据如下表:燃料加热前液体温度/℃燃料燃尽时液体温度/℃燃料的热值/(J/kg)12040 2.4×10622030根据表中数据计算:完全燃烧20g燃料1放出的热量为_____J,燃料2的热值是____J/kg;(3)比较不同物质的比热容实验时,记录数据如下表:加热时间/min0123456液体a25262728293031液体b25272932343638可知道:对液体a和液体b都加热6min,液体a吸收热量________(选填“大于”或“小于”或“等于”),比热容较大的是__________。
【答案】甲乙甲丙相等 4.8×104 1.2×106等于液体a【解析】【分析】【详解】(1)[1]比较不同燃料的热值,应用不同的燃料给相同的液体加热,所以应选择甲乙两图进行实验。
[2]比较不同物质的比热容,应用相同的燃料给不同的液体加热,所以应选择甲丙两图进行实验。
[3]在实验中用上控制变量法进行探究,所以要探究不同燃料的热值,除了燃料种类不同,其它物理量要控制相同,即液体的种类及其质量、初温要相同;同理要探究不同物质的比热容时,除了液体种类不同,其它物理量要相同,即热源、燃料的质量要相同。
(2)[4]由表格数据知,完全燃烧20g燃料1放出的热量Q放=m1q1=0.02kg×2.4×106J/kg=4.8×104J[5]完全燃烧10g燃料1放出的热量4414.8101J2J122.410Q Q===⨯⨯⨯放放而甲图中,液体a吸收的热量等于燃料燃烧放出的热量,设液体的质量为m,据Q吸=cm(t-t0)得,液体a的比热容()34110J22.4 1.210J()(0)40QQcm t t m t t m m⨯====--⋅⨯-吸放℃℃乙图中,燃料燃烧放出的热量Q放2 =Q吸2=cm(t'-t0')=341.210J(3020) 1.210Jmm⋅-=⨯⨯⋅℃℃则燃料2的热值4621.210J1.210J/kg0.01kgQqm⨯===⨯放2燃料(3)[6][7]在甲和丙中,用相同的热源给液体加热,在相同的时间内放出的热量相同,则a、b液体吸收的热量相同。
第十二章机械能和内能一、选择题1.微波炉是一种家用的食品加热炉,它利用()A. 电流的热效应B. 微波的能量C. 光波的能量D. 红外线的热作用2.泉州地处沿海,其昼夜气温变化不如地处沙漠的吐鲁番大,其主要原因是海水与沙石相比有较大的()A. 热量B. 密度C. 比热容D. 内能3.冬天,我们常用热水袋取暖,这主要是因为水具有()A. 较大的比热容B. 较大的密度C. 较高的沸点D. 较大的质量4.关于内能,下列说法正确的是( )A.0℃以下的物体,没有内能B.0℃以下且静止的物体,没有内能C.温度低的物体可能比温度高的物体内能多D.物体内能增加,一定要从外界吸收热量5.四冲程汽油机工作时,主要将机械能转化为内能的冲程是()A. 吸气冲程B. 压缩冲程C. 做功冲程D. 排气冲程6.将一瓶酒精用去三分之二,则剩余部分酒精的质量、比热容和热值()A. 都变为原来的三分之一B. 热值、比热容不变,质量变为原来的三分之一C. 都不变D. 热值不变,质量、比热容变为原来的三分之一7.下列关于能量的转化和守恒的说法,正确的是()A. 柴油机的压缩冲程将机械能转化为内能B. 火力发电厂主要把煤的化学能直接转化为电能C. 由能量守恒定律可知,永动机总有一天可以制造成功D. 由能量守恒定律可知,只要尽可能减小绳子与滑轮之间摩擦,滑轮组的机械效率可能会达到100%8. 下列关于热现象的说法中正确的是()A. 温度高的物体含有的热量多B. 物体的内能增加,一定时从外界吸收了热量C. 液体的沸点随液面上方气压的增大而降低D. 冰水混合物吸热时,温度不变,内能增大9.下列说法中正确的是()A. 物体运动越快,内能越大B. 物体运动越快,温度越高C. 物体运动越快,它的动能越大D. 物体运动越快,它的机械能越大10.用相同的酒精灯分别对a、b两液体加热(如图2,根据测得数据分别描绘出两液体的温度随加热时间变化的图象(如图乙).在相同的时间内两液体吸收的热量相等,不计液体热量散失,分别用m a,m b,c a,c b表示a、b两液体的质量和比热容,则结合图中信息作出的下列推断正确的是()A. 若m a=m b,则c a>c bB. 若m a=m b,则c a=c bC. 若c a=c b,则m a<m bD. 若c a=c b,则m a>m b11.关于温度、热量和内能,下列说法正确的是()A. 物体的温度越高,所含的热量越多B. 物体的温度升高,内能增大C. 进行热传递时,热量总是从内能大的物体向内能小的物体传递D. 冬天用热水袋取暖是通过做功方式改变内能的12.小明将一次性纸杯倒满开水,已知水的比热容为4.2×103J/(kg•℃),这杯水温度降低到可以饮用时,放出的热量最可能是()A. 1×104JB. 4.2×104JC. 1×105JD. 1.5×105J二、填空题13.如图所示,用力划火柴,是利用增大________ 的方法增大摩擦力,从能量的转化角度来看,它与汽油机的________ 冲程能量转化相同。
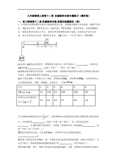
九年级物理上册第十二章 机械能和内能专题练习(解析版)一、初三物理第十二章 机械能和内能 易错压轴题提优(难)1.小明利用如图装置研究做功与能量的转化关系。
重物通过细绳与木块相连,细绳不可伸长,AQ 为水平面,AP 段长为L ,表面光滑;PQ 段粗糙,实验开始时,木块的细绳拉直,质量为M 的木块位于P 点,质量为m 的重物恰好置于地面,将木块从P 向右拉至A ,放手后木块向左运动,最终停在B 点,PB 长为x 。
不计空气阻力、滑轮摩擦。
(1)木块在AB 段运动过程中,重物的重力做功为(用字母表示)___________;木块经过PB 段内能______________(选填“不变”、“增大”或“减小”);(2)观察实验并联系生活实际,小明提出猜想:重物和木块获得的总动能与重物重力做功多少有关。
他提出猜想的生活依据是:________________ ;(3)为了验证猜想,小明做了以下实验,重物100g m =,木块900g M =,改变木块从P 点右移的距离L ,测得一组数据,记录如下:(g 取10N/kg ) 序号 1 2 3 4 5 6 PA 的长/m L0.1 0.15 0.2 0.35 0.45 0.5 木块在P 点的速度平方()221/m s v -⋅ 0.2 0.3 0.4 0.7 0.9 1.0①已知物体动能的表达式为212mv ,分析重物和木块获得的总动能与重物的重力做功的多少,可知猜想是____________(选填“正确”或“错误”)的,得出的结论是__________。
在AP 段滑行的过程中,该系统(重物和木块)的机械能____________(选填“守恒”或“不守恒”);②利用实验信息分析,当0.7m L =时,木块M 在P 点获得的动能是___________________J ;(4)如果上述结论具有普遍性,则一个物体从高为h 的光滑斜面顶端,由静止开始滑下,不计空气阻力,物体滑到斜面底端时的速度v =_____________(用字母表示)。
苏科版物理-九年级上册-第十二章-机械能和内能-同步练习一、单选题1.游乐场中的翻滚过山车是一种惊险、刺激的游戏,如图是翻滚过山车的简化模型,图中B 点为最低点,C点为轨道弧形部分的最高点。
翻滚过山车在运动过程中。
下列说法正确的是()A. 运动到B 点时,动能最大B. 运动到C 点时,重力势能最大C. 从B 点到C 点,重力势能减小,动能增大D. 从A 点到B 点,重力势能增大,动能减小2.下列关于温度、内能和热量的说法中,正确的是()A. 物体凝固,其内能一定减小B. 物体熔化,一定放出热量C. 物体的内能增加,一定吸收了热量D. 物体的温度不变,其内能一定不变3.发生形变的物体具有弹性势能,下列事例中不是利用弹性势能工作的是()A. 利用撑竿跳高B. 利用跳板跳水C. 利用玩具弹簧枪将“子弹”射出D. 用力踩自行车能上到较高处4.如图所示,小球沿光滑斜面从顶端滚至底端的过程中,小球的速度V、通过的距离S、机械能E和动能E K随时间t的变化图象中正确的是()A. B. C. D.5.质量相等、初温相同的a、b两种不同液体,分别用两个完全相同的加热器加热。
加热过程中,温度随时间变化的图线如右图所示,根据图线比较,两液体的比热容是()。
A. a液体比热容大B. b液体比热容大C. 两种液体比热容一样大D. 无法判断6.如图所示,在大口厚玻璃瓶内装入少量的水,并滴入几滴酒精,塞紧塞子后,用气筒往瓶内打气,当塞子跳出时,看到瓶口有白雾出现,下列关于该实验的分析错误的是()A. 往瓶内打气时,外界对瓶内气体做功B. 往瓶内打气时,瓶内气体内能变小C. 瓶塞跳出时,瓶内气体温度降低D. 瓶塞跳出时,瓶内气体对外做功7.下列家用电器中,主要将电能转化为机械能的是()A. 微波炉B. 电熨斗C. 电风扇D. 电视机8.如图所示的是一种叫做蹦极的游戏。
游戏者将一根有弹性的绳子一端系在身上,另一端固定在高处,从高处跳下。
苏科版九年级物理第十二章机械能和内能练习题注意事项:1.答题前填写好自己的姓名、班级、考号等信息2.请将答案正确填写在答题卡上第I卷(选择题)一、选择题(题型注释)A. 内能与温度有关,0℃的冰没有内能B. 物体吸收热量越多,物体的温度上升的越高C. 只要物体的温度不变,物体的内能不变D. 物体温度下降,物体的内能一定减小2.下列有关热机的说法错误的是A. 如图是某汽油机做功冲程B. 柴油机在吸气冲程里吸进汽缸的只有空气,没有柴油C. 汽油机在做功冲程中,汽缸温度降低,内能减小D. 无论科技如何发达,内燃机的效率一定低于100%3.下列说法中正确的是A. 1千克0℃的冰和1千克0℃的水的内能相等B. 物体具有内能,也可以同时具有机械能C. 具有机械能的物体不一定具有内能D. 物体内能越大含有热量越多4.双燃料汽车以天然气或汽油作为燃料,以下说法正确的是A. 热机做一定的有用功,消耗的燃料越少,效率一定越高B. 汽油的热值是4.6×l07J/kg,说明燃烧1kg汽油所放出的热量是4.6×l07JC. 汽车发动机用水做冷却物质,是因为水的比热容较小D. 燃料的热值越大,燃烧时放出的热量越多5.在进行如图所示的实验或有关装置工作时,将内能转化为机械能的是A. 丙和丁B. 乙和丁C. 甲和乙D. 甲和丙6.关于温度、热量和内能,下列说法中正确的是A. 温度高的物体其内能一定多B. 物体不从外界吸收热量,其内能也可能增加C. 物体的内能增加,其温度一定升高D. 物体的质量越大,温度越高,其所含的热量越多第II卷(非选择题)二、填空题______冲程;它将______能转化成______能。
若飞轮的转速为1800r/min,则此汽油机每秒钟对外做功______次。
科学家发明了一款单缸六冲程内燃机,它每一个工作循环的前四个冲程与单缸四冲程内燃机相同,在第四冲程结束后,立即向汽缸内喷水,水在高温汽缸内迅速汽化成高温、高压水蒸气,推动活塞再次做功,水蒸气温度______(填“升高”“降低”或“不变”),这样燃烧同样多的燃料获得了更多的机械能,提高了热机的______。
2023-2024学年苏教版初中物理单元测试学校:__________ 班级:__________ 姓名:__________ 考号:__________注意事项:1.答题前填写好自己的姓名、班级、考号等信息;2.请将答案正确填写在答题卡上;一、选择题(本大题共计8小题,每题3分,共计24分)1.关于温度、热量和内能,下列说法正确的是()A. 温度相同的物体内能一定相等B. 汽油机做功冲程中燃气的内能减小C. 我们不敢大口喝热气腾腾的汤,是因为汤含有的热量较多D. 电能可以使灯泡发光,同时产生内能,这些内能又可以自动地转化为电能【答案】B【解析】解: A .内能跟物体的质量、状态、温度有关,温度相同的物体,内能不一定相同,故 A错误;B.汽油机的做功冲程中,燃气对活塞做功,燃气的内能转化为机械能,所以燃气的内能减少,故 B正确;C .我们不敢大口地喝热气腾腾的汤,是因为热汤的温度高,热量是一个过程量,不能说物体含有多少热量,故 C错误;D.电能可以使电灯发光,同时产生内能,而这些内能无法自动地转化为电能,是因为能量的转化是有方向性的,故 D错误.故选 B.2.如图所示,对于下列实验所描述的物理过程,说法正确的是()A. 甲图试管内的水蒸气推动塞子冲出去时,塞子的机械能减少B. 将乙图装置的玻璃板抽去,两瓶中气体逐渐混合均匀,说明空气的密度比二氧化氮大C. 往丙图瓶中打气,瓶内的空气推动塞子跳起时,瓶内空气的内能增大D. 丁图厚玻璃管中的空气被压缩时,管内空气的内能增大【答案】D【解析】解: A.甲图中试管内的水蒸气推动塞子冲出时,水蒸气对塞子做功,水蒸气的内能减少,塞子的机械能增大,故 A错误;B.抽去玻璃隔板,两瓶中气体逐渐混合均匀,说明分子在不停地做无规则运动,故 B 错误;C.给瓶内打气,瓶内的空气推动塞子跳起来时,瓶内空气对塞子做功,瓶内空气的内能减小,故 C错误;D.丁图下压活塞,活塞对管内空气做功,管内空气内能增大,故 D正确.故选 D.3.笔记本电脑发热会影响使用寿命。
苏科版九年级物理上册第十二章机械能和内能定向测试考试时间:90分钟;命题人:物理教研组考生注意:1、本卷分第I卷(选择题)和第Ⅱ卷(非选择题)两部分,满分100分,考试时间90分钟2、答卷前,考生务必用0.5毫米黑色签字笔将自己的姓名、班级填写在试卷规定位置上3、答案必须写在试卷各个题目指定区域内相应的位置,如需改动,先划掉原来的答案,然后再写上新的答案;不准使用涂改液、胶带纸、修正带,不按以上要求作答的答案无效。
第I卷(选择题 30分)一、单选题(10小题,每小题3分,共计30分)1、关于热学知识,下列说法错误的是()A.物体温度升高,分子运动将更剧烈B.升高相同温度,比热容大的物体吸收的热量多C.物体吸收热量,温度不一定会升高D.热量可以从内能小的物体传递给内能大的物体2、冰在熔化过程中,下列判断正确的是()A.内能不变,比热容不变B.比热容、内能、温度都不变C.吸收热量,内能增加,温度不变D.比热容变大,内能增加,温度升高3、如图所示,上、下两个广口瓶分别装有空气和二氧化氮气体,中间用玻璃板隔开,抽去玻璃后()A .二氧化氮向上方扩散,空气不会向下方扩散B .空气向下方扩散,二氧化氮不会向上方扩散C .当两种气体分布均匀后,分子就不会向上或向下运动了D .当两种气体分布均匀后,分子仍会向上或向下不断运动4、2022年北京冬奥会和冬残奥会即将开幕,在比赛期间所有冬奥场馆将全部使用“绿电”,(“绿电”是指在发电过程中,二氧化碳排放量为零或趋近于零,比火力发电等其他方式对环境的影响大幅度减小)。
这将是奥运史上首次实现全部场馆100%绿色电能供应,预计消耗“绿电”约8410kW h ⨯⋅,可以节约81.2810kg ⨯标准煤,减排二氧化碳83.210kg ⨯。
若所节约的标准煤完全燃烧,则放出的热量约为(q 标准煤媒约为72.910J /kg ⨯)。
( )A .153.710J ⨯B .159.310J ⨯C .163.710J ⨯D .169.310J ⨯5、下列事例中,属于内能转化为机械能的是( )A .用气筒给自行车打气时,气筒会发热B .开水倒入杯中逐渐冷却C .水壶中水沸腾后,壶盖被水蒸气顶起D .流星与空气摩擦生热发光6、小东用相同的加热装置,分别给质量相同的a 、b 两种物质加热,记录了加热时间t 和与之对应的两种物质的温度T 。
苏科版初中物理九年级上册第十二章《机械能和内能》课时练及参考答案苏科版初中物理九年级上册第十二章 机械能和内能课时练课时1 动能 势能 机械能[课堂巩固]1. 如下图12.1.1,让小车分别从不同高度由静止开始滑下,(1)小车运动到水平表面时,___图中的小车速度大;(2)___图中的木块被撞后移动的距离长;(3)___图中的小车对木块做的功多,它具有的动能____。
图12.1.1 图12.1.22如图12.1.2,它是用来研究动能大小与物体_____的关系的。
实验表明:丁图中的小车到达水平表面时,能使木块运动的距离____些(选填“大”或“小”)。
3综合第6、7两题的结论,可以发现:运动物体的动能大小与物体的___和__都有关系,物体的_____越大,_____越大,它具有的动能就越大。
4如图12..1.3所示,将一张卡片对折,在开口的一边剪两刀,然后将橡皮筋套在开口边,就做成了一个会跳的卡片,卡片能跳起来的原因是_______________。
5、发生______的物体能对其他物体做功,这种由于发生_______而具有的能量叫弹性势能。
物体由于被举高而具有的能量是_______。
一个物体的_____越大,被举起得越高,它的_____能就越多。
6.下列过程中动能转化为势能的是 ( )A .钟表里旋紧的发条,带动齿轮转动B .重锤从高处下落C .压缩的弹簧将物体弹射出去D .向上抛出的石块的上升过程7.下列物体中,既有动能又有势能的是 ( )A .在平地上滚动的足球B .被运动员举着的杠铃C .在空中飞行的小鸟D .被压扁了的皮球8.关于功和能的关系,下列说法正确的是 ( )A .物体具有的能越多,它做的功越多B .物体有了能就一定正在做功C .做功的物体一定具有能D .物体做功的多少与它具有的能无关甲乙 丙 丁 图12.1.39.下列说法正确的是 ( )A .甲物体比乙物体所处的位置高,则甲的势能比乙的势能大B .甲物体比乙物体的速度大,则甲的动能比乙的动能大C .一个物体能够做功,说明它具有能D .一个物体具有能,说明它正在做功[课后提升]10.体积相同的铜块和铁块,从同一高度沿光滑的斜面滑下,下列说法正确的是( )A .在顶端势能一样多,底端铜块的动能大于铁块的动能B .与铁块相比铜块在顶端势能少,到底端动能也少C .与铜块相比铁块在顶端势能少,到底端动能也少D .两金属块在顶端势能不一样,到底端动能一样11.跳伞运动员在空中匀速下落,则 ( )A .势能减少,机械能减少B .势能减少,动能增加C .势能减少,机械能不变D .动能不变,机械能不变12. 一只在空中飞行的小鸟,具有的动能是15J ,具有的机械能是90J ,那么这只小鸟具有的重力势能是多少J ?课时2 动能和势能的相互转化[课堂巩固]1. 物体由于_____而具有的能量叫动能;物体由于被举高而具有的能量叫___;物体由于发生弹性形变而具有的能量叫______。
第十二章专题训练机械能和内能实验探究1.如图甲是探究“物体动能的大小与哪些因素有关”的实验装置,实验中让体积不同的实心钢球从斜面上同一高度处由静止滚下,碰到同一木块上;图乙是研究“阻力对物体运动的影响”的实验装置,实验中让同一小车从斜面上相同的高度由静止滚下,在粗糙程度不同的水平面上运动。
请回答以下问题:(1)设计甲实验的目的是研究钢球动能的大小与________的关系;(2)甲实验是通过观察_______,从而间接判断钢球动能的大小;乙实验是通过______判断小车所受摩擦力的大小。
(3)由图乙实验并进行推理,总结了牛顿第一定律:_______。
(4)拓展应用:①小球或小车由高处向低处运动的过程中,由_______能转化为_______能,机械能________(选填“增大”、“不变”或“变小”)。
①交通法规规定:大货车按规定载货量行驶,并严禁超载就是与_______实验的结论相符合2.如图所示,是探究“比较水和煤油吸热能力”的实验装置。
(1)加热过程中用搅拌棒搅动的目的是_______,水和煤油吸收热量的多少是通过_______(选填“温度计的示数”或“加热时间”)来反映的。
(2)实验记录的数据如下表所示m水=m煤油=100g①分析表中的数据,得到的结论是_______。
①从表中提取能得到该结论的信息是_______。
3.在探究“物体动能的大小与哪些因素有关”的实验中,让质量不同的铁球从斜面的同一高度由静止释放,撞击同一木块,能将木块撞出一段距离。
如甲图所示。
请回答下列问题:(1)该实验的目的是研究铁球的动能大小与______的关系,从同一高度由静止释放的目的是______;(2)有同学将实验装置改进成图乙所示,利用质量不同的铁球将弹簧压缩相同程度静止释放,撞击同一木块,该实验方案是否可行?答______。
若他按此方案操作,他会看到的现象是______。
4.如图,某实验小组在“探究物体的动能跟哪些因素有关”的实验中,让小球从同一斜面某处由静止释放,撞击同一水平面上的同一木块,木块移动一段距离后停止。
九年级上册物理 第十二章 机械能和内能专题练习(解析版)一、初三物理第十二章 机械能和内能 易错压轴题提优(难)1.小明利用如图装置研究做功与能量的转化关系。
重物通过细绳与木块相连,细绳不可伸长,AQ 为水平面,AP 段长为L ,表面光滑;PQ 段粗糙,实验开始时,木块的细绳拉直,质量为M 的木块位于P 点,质量为m 的重物恰好置于地面,将木块从P 向右拉至A ,放手后木块向左运动,最终停在B 点,PB 长为x 。
不计空气阻力、滑轮摩擦。
(1)木块在AB 段运动过程中,重物的重力做功为(用字母表示)___________;木块经过PB 段内能______________(选填“不变”、“增大”或“减小”);(2)观察实验并联系生活实际,小明提出猜想:重物和木块获得的总动能与重物重力做功多少有关。
他提出猜想的生活依据是:________________ ;(3)为了验证猜想,小明做了以下实验,重物100g m =,木块900g M =,改变木块从P 点右移的距离L ,测得一组数据,记录如下:(g 取10N/kg ) 序号 1 2 3 4 5 6 PA 的长/m L0.1 0.15 0.2 0.35 0.45 0.5 木块在P 点的速度平方()221/m s v -⋅ 0.2 0.3 0.4 0.7 0.9 1.0①已知物体动能的表达式为212mv ,分析重物和木块获得的总动能与重物的重力做功的多少,可知猜想是____________(选填“正确”或“错误”)的,得出的结论是__________。
在AP 段滑行的过程中,该系统(重物和木块)的机械能____________(选填“守恒”或“不守恒”);②利用实验信息分析,当0.7m L =时,木块M 在P 点获得的动能是___________________J ;(4)如果上述结论具有普遍性,则一个物体从高为h 的光滑斜面顶端,由静止开始滑下,不计空气阻力,物体滑到斜面底端时的速度v =_____________(用字母表示)。
【答案】mgL 增大 物体下落过程中速度越来越快 正确 重物和木块获得的总动能与重物重力做功的多少相等 守恒【解析】【分析】【详解】(1)[1]由题意可知,重物的重力是G mg =,木块在AB 段运动过程中,重物下降的高度是L ,那么重物的重力做功大小是W mgL =重[2]木块经过PB 段由于受到摩擦力的作用,内能会增大。
(2)[3]重物和木块获得的总动能与重物重力做功多少有关,随着重物重力做功越来越大,速度也越来越大,所以这个依据是物体下落过程中速度越来越快。
(3)[4]由表中数据可看到,PA 的数值越大,木块在P 点的速度越大,动能越大,所以猜想是正确的。
[5]由表中数据可知,第1次实验中重物和木块获得的总动能是()()2-1110.1kg 0.9kg 0.2m s 0.1J 2W =⨯+⨯⋅=总动能 重物的重力做功是110.1kg 10N/kg 0.1m 0.1J W mgL ==⨯⨯=重力第2次实验中重物和木块获得的总动能是()()2-1210.1kg 0.9kg 0.3m s 0.15J 2W =⨯+⨯⋅=总动能 重物的重力做功是 220.1kg 10N/kg 0.15m 0.15J W mgL ==⨯⨯=重力同理,第3、4、5、6次实验也可以得到这样的数据,所以可得出结论:重物和木块获得的总动能与重物重力做功的多少相等。
[6]AP 段是光滑的,所以势能完全转化为动能,系统机械能守恒。
[7]比较表中数据可知,2v 与L 成正比,当0.1m L =时,()22-10.2m s v =⋅,那么 ()2-10.2m s 0.1m k ⋅=⨯ 解得22m/s k =,可得到222m/s v L =⨯,当0.7m L =时22222m/s 0.7m 1.4m /s v =⨯=所以可知木块M 在P 点获得的动能是222110.9kg 1.4m /s 0.63J 22W Mv ==⨯⨯= (4)[8]一个物体从高为h 的光滑斜面顶端,由静止开始滑下,不计空气阻力,则机械能是守恒的,物体重力所做的功转化为动能,可以得到关系式212mgh mv =解得v2.小明家买了一台太阳能热水器,他发现真空管是太阳能热水器的核心部件,那热水器内水吸收热量的多少与什么因素有关呢?他把问题告诉物理小组的成员,大家一起做出了如下猜想:猜想一:热水器内水吸收的热量多少与环境温度有关;猜想二:热水器内水吸收的热量多少与光照强度有关;猜想三:热水器内水吸收的热量多少与真空管的材料有关。
(1)经查阅资料发现,真空管在内玻璃管的表面上涂有吸收涂层,用来吸收太阳辐射,其中太阳能属于________(选填“可再生”或“不可再生”)能源。
经阳光照射,太阳能转化成内能,水从涂层吸收热量,水温升高,质量________,密度________(后两空均选填“变大”“变小”或“不变”),热水向上运动。
(2)实验小组在两根完全相同的真空管内装入初温、质量________的水,分别面对太阳光放入光照强度相同但温度不同的环境中,经过相同时间后测量水温,发现水温几乎相等。
由此得出猜想一是______(选填正确或错误)的。
(3)小组成员联系实际,想到夏天如果没有阳光,热水器的水温就较低,而冬天如果有太阳,热水器内水温就很热,于是他们得出结论:热水器内水吸收热量的多少与光照强度________(选填“无关”或“有关”)。
(4)在探究猜想三的实验中,该小组找到了三根外形相同但材料不同的真空管,给管内灌满水,面对阳光,每隔相同的时间检测罐内水的温度,得到的实验数据如下表所示,为了更好地利用太阳能,你建议他家应选择________制成的热水器。
【答案】可再生不变变小相同错误有关紫金管【解析】【分析】【详解】(1)[1]再生能源是不需人为参与,可以循环再生的能源,如太阳能、水能、风能、潮汐能、地热能等。
[2][3]水从涂层吸收热量,水温升高,水的多少没有变化,所以睡得质量不变,但由于水吸收热量,水的体积会增大,所以水的密度会变小。
(2)[4]实验要探究热水器内水吸收的热量多少与光照强度、环境温度、真空管的材料等因素的关系,要控制真空管内水的初温、质量相同。
[5]其它条件相同,而环境温度不同时,经过相同时间后水温几乎相等,说明热水器内水吸收的热量多少与环境温度无关。
说明“猜想一”是错误的。
(3)[6]夏天如果没有阳光,热水器的水温就较低,而冬天如果有太阳,热水器内水温就很热,说明热水器内水吸收热量的多少与光照强度有关。
(3)[7]通过实验数据可知,在日照时间相同时,紫金管温度变化量大,所以应选择紫金管制成的热水器。
3.小明用三根材料和厚度相同但长宽不同的橡皮条、一个弹珠,探究“影响橡皮条弹性势能的因素”。
他依次将橡皮条固定在弹弓上,如图所示,在弹性限度范围内,拉伸相同的伸长量,将弹珠在同一位置沿水平方向弹射出去,测得弹射的水平距离,数据如下表:次数橡皮条橡皮条宽(cm)橡皮条长(cm)弹射的水平距离/m1a0.52010.12b0.5308.23c 1.02014.0请回答以下问题:(1)实验中是通过比较________________来间接反映橡皮条的弹性势能大小,下列实验中采取的方法与这一方法不同的是________(填字母)。
A.在研究影响电热大小的因素时,我们可以将电热的多少转换成液柱上升的高度B.判断电路中是否有电流时,我们可通过电路中的灯泡是否发光去确定C.研究电流时,将它比作水流(2)比较第1、2次实验可知,拉伸相同的伸长量,橡皮条的弹性势能与橡皮条的________有关;比较第1、3次实验可知,拉伸相同的伸长量,橡皮条的弹性势能还与橡皮条的________有关;你猜想影响橡皮条弹性势能的因素可能还有______________。
(3)用同种材料同厚度的橡皮条,拉伸相同的伸长量,弹性势能最大的橡皮条是________。
A.窄而长的 B.宽而长的 C.窄而短的 D.宽而短的(4)请你对小明的实验做出评价_________(写出一条即可)。
【答案】弹珠被弹射的水平距离C长度宽度橡皮条的厚度D多做几次实验,使实验结果具有普遍性【解析】【分析】【详解】(1)[1]实验通过弹珠被弹射的水平距离反映橡皮条的弹性势能大小,弹珠弹射的越远,说明皮条的弹性势能转化为弹珠的动能越多,说明皮条具有的弹性势能越多。
[2]AB.电热的多少转化为液柱上升的高度,是否有电流转化为灯泡是否发光,应用的转化法与实验中的方法相同,故AB不符合题意;C.研究电流时,将它比作水流,是类比法,与实验中的方法不同,故C符合题意。
故选C。
(2)[3]比较第1、2次实验,橡皮条宽相同,橡皮条长不同,弹射的水平距离不同,说明拉伸相同的伸长量,橡皮条的弹性势能与橡皮条的长度有关。
[4]比较第1、3次实验,橡皮条长相同,橡皮条宽不同,弹射的水平距离也不同,说明拉伸相同的伸长量,橡皮条的弹性势能与橡皮条的宽度有关。
[5]影响橡皮条弹性势能的因素除橡皮条的长度和厚度外,可能还与橡皮的厚度有关。
(3)[6]由实验数据可知,橡皮条的弹性势能与橡皮条的长度和宽度有关,在伸长量相同时,长度越短弹性势能越大,宽度越宽弹性势能越大,所以弹性势能最大的橡皮条应当选短而宽的橡皮条,故选D。
(4)[7]实验设计应用了控制变量法和转化法,但实验次数太少,使实验结论得出具有偶然性,应当多做几次实验,使实验结果具有普遍性。
4.甲同学用如图所示的实验装置探究阻力对小车运动的影响。
他在水平桌面上分别铺上毛巾、棉布、木板,让小车从斜面上的同一位置由静止滑下,在水平面上分别标记出小车停下的位置。
(1)标记③是小车在_______表面上停下的位置;(2)分析可知:水平表面越光滑,小车受到的阻力越小,速度减小得越_______。
(选填“快”或“慢”)推理可知:运动小车如果不受阻力作用,它将_______;(3)乙同学用此装置让同一小车从不同高度处滑下,均在铺有木板的水平面上滑行,发现高度越高,小车在水平面上滑行距离_______,由此可知:小车重力势能的大小与小车所处_______有关。
【答案】木板慢一直做匀速直线运动越远高度【解析】【分析】【详解】(1)[1]小车在水平桌面上所受的阻力越小,移动的距离越大,而水平桌面上铺上毛巾、棉布、木板时,小车在木板上受到的阻力最小,则移动的距离最大,故标记③是小车在木板表面上停下的位置。
(2)[2]水平表面越光滑,小车受到的阻力越小,速度减小得越慢。
[3]由以上实验探究知,小车在水平桌面上受到的阻力越小,移动的距离就越小,由此可知,运动小车如果不受阻力作用,它将一直做匀速直线运动。