土方路基检验批质量检验记录(1)推荐word
- 格式:pdf
- 大小:156.97 KB
- 文档页数:8
土方填方路基(路床)检验批质量验收记录范本一:正式风格【文档标题】土方填方路基(路床)检验批质量验收记录【1、引言】本次土方填方路基(路床)检验批质量验收记录,旨在对工程施工过程中土方填方路基(路床)的质量进行验收,确保工程质量达到要求。
【2、验收对象】2.1 工程名称:xxxx2.2 工程位置:xxxx2.3 施工单位:xxxx2.4 监理单位:xxxx【3、检验依据】3.1 《土方工程施工规范》(GB 50029-2019)3.2 《路基与路面工程质量验收规范》(JTG D20-2017)3.3 相关设计文件和规范要求【4、检验内容】4.1 现场勘察和见证4.2 原材料验收4.3 填方土质检验4.4 压实度检查4.5 路基平整度检查4.6 路基坡度检查【5、检验方法】5.1 现场勘察和见证:由监理工程师进行现场勘察和见证,确认施工过程符合设计要求。
5.2 原材料验收:按照规范要求对填方土进行取样,进行化验分析,确保原材料质量符合设计要求。
5.3 填方土质检验:采用现场取样测试、实验室试验等方法,对填方土质进行检验,包括土壤颜色、土壤含水量等指标。
5.4 压实度检查:通过现场动力触探、静力触探等方法,对路基进行压实度检查。
5.5 路基平整度检查:使用平整仪或光纤激光器等工具,对路基平整度进行测量。
5.6 路基坡度检查:使用水平仪、经纬仪等工具,对路基坡度进行测量。
【6、检验结果】根据以上检验方法,对土方填方路基进行检验,结果如下:6.1 原材料验收合格,填方土质符合设计要求。
6.2 压实度达到设计要求。
6.3 路基平整度符合设计要求。
6.4 路基坡度满足设计要求。
【7、质量验收结论】根据上述检验结果,土方填方路基(路床)质量验收合格,符合设计和规范要求。
【8、附件】本文档涉及附件:xxxx(附件名称),详见附件。
【9、法律名词及注释】9.1 土方工程施工规范:国家关于土方工程施工的技术规范,指导土方填方路基(路床)的施工质量要求。
土方路基(路床)检验批质量检验记录20221011.docx范本一:一、土方路基(路床)检验批质量检验记录1. 检验项目:土方路基(路床)质量检验2. 检验批次:202210113. 检验日期:2022年10月11日4. 检验单位:xxx工程有限公司5. 检验人员:检验员A、检验员B、检验员C6. 检验标准:按照《公路工程土方路基质量检验规范》(JTG D20-2014)执行7. 检验内容:7.1 路基填筑前土方开挖情况检验7.2 每个填方和挖方的标准压实度检验7.3 路基填筑前土壤质量检验7.4 路基填筑后路面平整度检验7.5 路基填筑后地面排水情况检验7.6 其他相关检验项目8. 检验结果:8.1 路基填筑前土方开挖情况检验:合格8.2 每个填方和挖方的标准压实度检验:合格8.3 路基填筑前土壤质量检验:合格8.4 路基填筑后路面平整度检验:合格8.5 路基填筑后地面排水情况检验:合格8.6 其他相关检验项目:合格9. 检验结论:本次土方路基(路床)检验批质量合格附件:无法律名词及注释:1. 《公路工程土方路基质量检验规范》(JTG D20-2014):是指国家交通运输部于2014年发布的公路工程土方路基质量检验的标准规范。
范本二:一、土方路基(路床)检验批质量检验记录1. 检验项目:土方路基(路床)质量检验2. 检验批次:202210113. 检验日期:2022年10月11日4. 检验单位:xxx工程有限公司5. 检验人员:检验员A、检验员B、检验员C6. 检验标准:按照《公路工程土方路基质量检验规范》(JTG D20-2014)执行7. 检验内容:7.1 路基填筑前土方开挖情况检验7.2 每个填方和挖方的标准压实度检验7.3 路基填筑前土壤质量检验7.4 路基填筑后路面平整度检验7.5 路基填筑后地面排水情况检验7.6 其他相关检验项目8. 检验结果:8.1 路基填筑前土方开挖情况检验:合格8.2 每个填方和挖方的标准压实度检验:不合格8.3 路基填筑前土壤质量检验:合格8.4 路基填筑后路面平整度检验:合格8.5 路基填筑后地面排水情况检验:合格8.6 其他相关检验项目:合格9. 异常情况处理:9.1 对于每个填方和挖方的标准压实度不合格结果,工程施工方应及时采取补充压实措施,并重新进行检验。
土方路基(路床)检验批质量检验记录土方路基(路床)检验批质量检验记录一、前言土方路基(路床)是道路建设中重要的基础工程,对道路的稳定性和使用寿命有着直接影响。
为确保土方路基(路床)的质量满足设计要求,进行质量检验是必要的。
本旨在提供土方路基(路床)检验批质量检验的详细记录,以供参考。
二、检验项目本次土方路基(路床)检验批质量检验涉及的项目包括但不限于以下内容:1. 土方路基(路床)的强度检验1.1 回弹法测定土方路基(路床)的强度1.2 压实度试验测定土方路基(路床)的强度2. 土方路基(路床)的密实度检验2.1 土方路基(路床)的最大干密度和最佳含水率试验2.2 土方路基(路床)的现场干密度和含水率试验3. 土方路基(路床)的厚度检验4. 土方路基(路床)的平整度检验5. 土方路基(路床)的排水性能检验6. 土方路基(路床)的抗渗性能检验7. 土方路基(路床)的稳定性检验三、检验方法和标准本次土方路基(路床)检验批质量检验采用以下方法和标准:1. 土方路基(路床)的强度检验采用回弹法测定强度和压实度试验测定强度, 标准为《公路路面工程土工试验规程》(JTG E40-2007)。
2. 土方路基(路床)的密实度检验采用最大干密度和最佳含水率试验以及现场干密度和含水率试验,标准为《公路路面工程土工试验规程》(JTG E40-2007)。
3. 土方路基(路床)的厚度检验采用直接测量法,标准为《公路工程施工质量验收规范》(JTG F40-2004)。
4. 土方路基(路床)的平整度检验采用直线度和横坡测量,标准为《公路工程施工质量验收规范》(JTG F40-2004)。
5. 土方路基(路床)的排水性能检验采用试块法和试验板法,标准为《公路工程施工质量验收规范》(JTG F40-2004)。
6. 土方路基(路床)的抗渗性能检验采用孔隙系数法,标准为《公路工程施工质量验收规范》(JTG F40-2004)。
7. 土方路基(路床)的稳定性检验采用追加荷载试验,标准为《公路工程施工质量验收规范》(JTG F40-2004)。
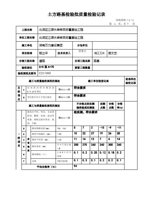
土方路基检验批质量检验记录市政质检·1·1第 1 页,共 7 页施工单位检查意见质检员签名:年月日监理单位验收结论监理工程师签名:年月日土方路基检验批质量检验记录市政质检·1·1 工程名称北湖区江源水库移民安置基础工程单位工程名称北湖区江源水库移民安置基础工程施工单位湖南万力建设集团分包单位项目经理杨立平技术负责人雷赛男施工工长周文艺分部工程名称道路分项工程名称路基验收部位A+70至A+190 要紧工程数量验收规范及图号CJJ1-2008施工与质量验收规范的规定施工单位检查记录监理单位验收记录主控项目1压实度应符合规范表6.3.12-2规定第6.8.1-1条符合要求2弯沉值不应大于设计规定第6.8.1-2条符合要求施工与质量验收规范的规定不合格点的实测偏差值或实测值应测点数合格点数合格率(%)一样项目1路床应平坦、坚实,无显著轮迹、翻浆、波浪、起皮等现象,路堤边坡应密实、稳固、平顺。
第6.8.1-4条经实测,符合要求2承诺偏差路床纵断高程(mm) -20,+106 9 2 -16 -9 73 路床中线偏位(mm)≤3017 25 24 10 25 274 路床平坦度(mm)≤1513 16 13 7 14 145 路床宽度(mm)不小于设计值+B260 270 200 240 300 240 6 路床横坡(%)±0.3%且不反坡0.12 0.12 0.25 0.12 0.18 0.127 边坡不陡于设计值0.11 0.13 0.1 0.12 0.2 0.1平均合格率(%)95施工单位检查意见质检员签名:年月日监理单位验收结论监理工程师签名:年月日土方路基检验批质量检验记录市政质检·1·1 工程名称北湖区江源水库移民安置基础工程单位工程名称北湖区江源水库移民安置基础工程施工单位湖南万力建设集团分包单位项目经理杨立平技术负责人雷赛男施工工长周文艺分部工程名称道路分项工程名称路基验收部位A+190至A+373.056 要紧工程数量验收规范及图号CJJ1-2008施工与质量验收规范的规定施工单位检查记录监理单位验收记录主控项目1压实度应符合规范表6.3.12-2规定第6.8.1-1条符合要求2弯沉值不应大于设计规定第6.8.1-2条符合要求施工与质量验收规范的规定不合格点的实测偏差值或实测值应测点数合格点数合格率(%)一样项目1路床应平坦、坚实,无显著轮迹、翻浆、波浪、起皮等现象,路堤边坡应密实、稳固、平顺。
土方路基(路床)工程检验批质量验收记录
质验表(路)— 1 建设单位:南京市浦口区经济开发总公司监理单位:江苏金丰华工程监理咨询有限公司合同号:
施工单位:南京东南路桥工程有限公司编号:
单位(子单位)工程名称标准化厂房附属道路项目经理范翔
分部(子分部)工程名称道路路基执行标准CJJ 1-2008 验收部位1-2-9-10# 厂房西侧道路 6%灰土填筑 NO.2
施工质量验收规范的规定施工单位检查评定记录监理单位验收记录
主项目实测值
控
项
目
应符合第 6.3.12-2 93.5 93.3 94.0 94.5
1 压实度( %)
条要求
2 弯沉值( mm)不大于设计规定符合要求
一项目允许偏差( mm)偏差值
般路床应平整、坚实,无显著轮迹、翻浆、
项
1 波浪、起皮等现象,路堤边坡应密实、符合要求
目稳定、平顺等。
2 纵断高程-20, +10 +7 -9 -12 -16 +8 +5
-16 +7 -8 +5
3 中线偏位≤ 30 22 15 13 16 18 18
4 平整度≤1
5 9 8 8 11 7 15
5 宽度不小于设计值 (8.88m) 8.89 8.90 8.90 8.88 8.91 8.90
6 横坡± 0.3%且不反坡-0.2 -0.1 -0.2 0.1 -0.2 0.1
-0.2 -0.1 0.1 -0.2 -0.1 0.2
7 边坡不陡于设计值符合设计要求
专业工长(施工员)陈佳炜施工班组长刘尚明施工单位检查评定结果
质量检查员:年月日监理单位验收结论
专业监理工程师:年月
南京市市政公用工程质量安全监督站监制
日。
土方填方路基路床检验批质量检验记录一、检验项目:土方填方路基路床质量检验记录二、检验标准:根据《公路工程施工质量验收规范》(JTG F30-2004)进行检验。
三、检验依据:根据工程设计文件及施工组织设计要求,质量检查手册和验收规范进行检验。
四、检验日期和时间:2022年10月20日上午9:00-12:00五、检验地点:某工程项目路基路床填方区域六、检验人员:甲方监理工程师、乙方施工单位质检人员七、检验设备:测土仪、试验桩、平板尺、钢尺、刷子等八、检验内容及结果:1. 原材料检验:a) 检验项目:土方填方材料试验b) 检验方法:依据设计要求和施工组织设计方案,对填方土的筛选分析、质量指标和含水率进行检测。
c) 检验结果:经过检验,填方土的质量指标满足设计要求,含水率符合施工组织设计。
2. 土方填筑检验:a) 检验项目:土方填筑的厚度、均匀性、密实度等检验b) 检验方法:采用测土仪测量填方土的厚度,并使用试验桩进行均匀性检验;对填方土进行压实度试验。
c) 检验结果:填方土的厚度符合设计要求,均匀性良好,达到设计要求的压实度。
3. 路基路床检验:a) 检验项目:路基路床的平整度、坡度和横向坡度等检验b) 检验方法:使用平板尺测量路基路床的平整度,并采用钢尺检测坡度和横向坡度。
c) 检验结果:路基路床的平整度及坡度符合设计要求,横向坡度满足施工要求。
4. 清理整治:a) 检验项目:路基路床清理整治情况检验b) 检验方法:对路基路床进行视觉检查,清理破碎石块、垃圾等杂物。
c) 检验结果:路基路床清理整治完毕,无杂物、破碎石块等影响道路稳定的物品。
九、检验结论:经过本次检验,土方填方路基路床质量全部合格,符合设计要求及施工组织设计要求。
十、现场签名:甲方监理工程师:__________乙方施工单位质检人员:__________十一、备注:经检验发现问题(如有),应及时整改并重新检验。
土方路基检验批质量检验记录一、检验批概述本次土方路基检验批共包含X个断面,包括A路段、B路段和C路段,总长度为X公里。
本次检验旨在对土方路基的质量进行检验,确保土方路基的设计要求和施工规范的要求得到满足。
二、检验依据1. 《公路工程土方路基施工规范》(JTG D30-2004)2. 《公路工程质量检验评定规程》(JTJ 270-98)三、检验目的1. 验证土方路基施工过程中土壤的合理配合比是否符合设计要求;2. 检验土方路基的填筑和夯实工艺是否符合规范要求;3. 确保土方路基的稳定性、密实度达到设计要求。
四、检验内容1. 配合比试验在每个断面中,从不同位置采集X个土壤样品,并进行物理性质试验和化学性质试验。
根据试验结果确定土方路基施工过程中需要添加的掺合料,确保土方路基的合理配合比。
2. 填筑工艺检验对每个断面的填筑过程进行现场观察和记录,包括填筑层次、填筑厚度、填筑平整度等。
同时,利用护坡机和压路机对填筑土进行夯实,确保土方路基的稳定性和均匀性。
3. 密实度检验采用速度和重度判别法,对每个断面进行密实度检验。
具体方法为在随机选取的位置,用压路机对土方路基进行压实,然后采集取样,并测定其干密度和水含量。
根据试验结果评定土方路基的密实度。
五、检验结果1. 配合比试验结果根据物理性质试验和化学性质试验的结果,确定了每个断面中土方路基所需的掺合料种类和添加量。
掺合料的使用将有效提高土方路基的稳定性和抗渗性。
2. 填筑工艺检验结果填筑过程中实施了正确的层次和厚度,填筑土的平整度满足规范要求。
护坡机和压路机的使用确保了土方路基的均匀性以及夯实度。
3. 密实度检验结果通过速度和重度判别法的检验,每个断面中土方路基的密实度均达到了规范要求。
填筑土的干密度和水含量在设计范围内,确保了路基的稳定性和承载能力。
六、检验结论本次土方路基检验批的质量检验结果显示,土方路基施工过程中的配合比、填筑工艺和密实度均符合设计要求和规范要求。
土方路基检验批质量检验记录
一、检验记录概述
本文档旨在记录土方路基的质量检验过程,为工程施工提供数据支持。
土方路基是基础工程建设中至关重要的一部分,其质量直接影响工程的稳定性和使用寿命。
因此,及时准确地进行土方路基的质量检验工作,对于保障工程质量具有重要意义。
二、检验项目及标准
1.土方路基的密实度检验
标准:按照《土方工程施工及验收规范》(GB50122-2008)的要求进行,要求土方路基在施工过程中达到规定的密实度标准。
2.土方路基的含水率检验
标准:按照《土方工程施工及验收规范》(GB50122-2008)的要求进行,要求土方路基在施工过程中达到规定的含水率标准。
3.土方路基的平整度检验
标准:按照《土方工程施工及验收规范》(GB50122-2008)的要求进行,要求土方路基在施工过程中达到规定的平整度标准。
三、检验过程及结果
1.检验项目:土方路基的密实度检验
- 检验时间:2022年1月1日
- 检验工具:密实度试验棒
- 检验方法:每隔一定距离,将试验棒垂直插入土方路基中,记录插入深度,并根据深度判断路基的密实度。
- 检验结果:按照规定的标准,土方路基的密实度达到了合格要求。
2.检验项目:土方路基的含水率检验
- 检验时间:2022年1月2日
- 检验工具:含水率测定仪
- 检验方法:取土方路基样品,使用含水率测定仪测量土方路基的含水率。
土方路基检验批质量验收记录一、项目概述项目名称:土方路基施工工程工程编号:XXX-XXXX施工单位:XXX建设集团监理单位:XXX监理工程有限公司验收日期:XXXX年XX月XX日二、验收目的本文档旨在对土方路基施工工程的质量验收进行记录,确保工程质量符合规范要求,保证工程的安全性和可靠性。
三、检验批基本信息检验批编号:XXX施工部位:XXX路段施工日期:XXXX年XX月XX日-XXXX年XX月XX日施工标准:XXX标准四、验收内容1. 施工工艺和方案的符合性验收检查施工单位提交的施工工艺和方案文件,包括挖土、填土、夯实等工艺步骤,确保施工工艺和方案符合设计要求和规范要求。
2. 施工材料的质量验收a. 检查施工单位提供的土方材料进场合格证明,确认材料的来源和质量合格。
b. 抽取土方材料进行实验室检测,包括粒度分析、含水率测试等,确保土方材料符合规范要求。
3. 施工机械设备的验收检查施工单位使用的挖掘机、推土机等施工机械设备的有效合格证明,确保设备的运行状态良好,能够满足工程施工要求。
4. 施工现场的验收a. 检查施工现场的布置是否合理,是否符合安全生产要求。
b. 检查施工单位组织的现场施工操作是否规范,人员是否佩戴安全防护装备。
c. 检查施工单位的现场作业记录,确认施工过程中是否执行了相应的工艺要求和安全措施。
5. 土方路基的验收a. 检查土方路基的挖土、填土、夯实等施工工艺是否按照设计要求进行。
b. 对土方路基的表面平整度进行测量和评估,并与规范要求进行对比,确保平整度符合规范要求。
c. 对土方路基的稳定性进行评估,包括承载力、抗滑性等指标,确认路基具备良好的稳定性。
五、验收结果经过对土方路基施工工程的质量验收,结果如下:1. 施工工艺和方案的符合性:通过 / 不通过2. 施工材料的质量验收:合格 / 不合格3. 施工机械设备的验收:合格 / 不合格4. 施工现场的验收:合格 / 不合格5. 土方路基的验收:合格 / 不合格六、不合格处理措施1. 对于施工工艺和方案不符合性的情况,要求施工单位进行整改,并重新提交符合要求的文件。
土方挖方路基(路床)检验批质量检验记录文章一:土方挖方路基(路床)检验批质量检验记录项目名称:检验日期:工程名称:检验编号:工程地点:一:检验目的:对土方挖方路基(路床)进行质量检验,以确保符合设计要求。
二:检验范围:本次检验范围包括土方挖方路基(路床)的材料选择、施工工艺与工序、设备检测等。
三:检验方法:1. 材料选择:1.1 确认土质的分类与含水量;1.2 根据设计要求选择适当的土方挖方方式;1.3 审核土方挖方施工方案。
2. 施工工艺与工序:2.1 严格按照施工方案进行土方挖方;2.2 控制土方挖方的坡度和边坡形状;2.3 进行土方挖方前的控制措施。
3. 设备检测:3.1 对挖掘机进行检测,包括驾驶员资质、设备状态;3.2 监测挖掘机挖方的深度和坡度。
四:检验结果:1. 材料选择:1.1 土质分类为xx类;1.2 含水量符合设计要求。
2. 施工工艺与工序:2.1 施工方案符合要求;2.2 土方挖方坡度和边坡形状符合设计要求;2.3 土方挖方前的控制措施有效。
3. 设备检测:3.1 驾驶员具备相应的资质;3.2 挖掘机状态良好;3.3 挖掘机挖方的深度和坡度控制准确。
五:附件:本文档涉及附件,请参阅附件。
六:法律名词及注释:1. 土质分类:根据土壤的颗粒组成、粒径分布、工程性质等进行分类的方法;2. 含水量:土壤中含有的水分所占的比例;3. 施工方案:针对工程具体情况制定的具体施工方法和步骤;4. 坡度:指土方挖方后的路基表面与水平面之间的夹角;5. 边坡形状:土方挖方后路基侧边的形状。
——————————————————————文章二:土方挖方路基(路床)检验批质量检验记录项目名称:检验日期:工程名称:检验编号:工程地点:一:检验目的:本次检验旨在对土方挖方路基(路床)的质量进行评估,以确保其符合设计要求,并保证工程施工的顺利进行。
二:检验范围:本次检验内容相对较广,包括土方挖方路基(路床)的材料选择、施工工艺与工序、设备检测等多个方面。
土方路基检验批质量检验记录土方路基检验批质量检验记录
1. 起因
1.1 项目名称:
1.2 施工单位:
1.3 检验目的:
1.4 检验依据:
1.5 检验批次:
2. 检验标准
2.1 相关规范:
2.2 技术要求:
3. 检验项目
3.1 检验项目1:
3.1.1 检验方法:
3.1.2 检验仪器:
3.1.3 检验结果:
3.2 检验项目2:
3.2.1 检验方法:
3.2.2 检验仪器:
3.2.3 检验结果:
...(依次所有检验项目)
4. 检验结果与评定
4.1 合格情况:
4.2 不合格情况:
4.2.1 不合格项目1:
4.2.1.1 不合格原因: 4.2.1.2 处理措施: 4.2.2 不合格项目2:
4.2.2.1 不合格原因:
4.2.2.2 处理措施:
5. 相关文件
5.1 相关设计文件:
5.2 施工图纸:
5.3 图片或照片:
5.4 其他相关文件:
6. 附件
(列出本文档所涉及的附件)
7. 法律名词及注释
(列出本文档所涉及的法律名词及相应的注释)本次检验记录完整无误,符合执法要求。
路基清表检验批质量验收记录表
土方路基检验批质量检验记录
土方路基检验批质量检验记录
土方路基检验批质量检验记录
土方路基检验批质量检验记录
土方路基检验批质量检验记录
G2-1-2 土方路基(路床)检验批质量检验记录表
CJJ1-2008
软土地基(砂垫层处理)施工检验批质量检验记录表
注: 1 B为施工时必要的附加宽度。
2 主控项目、一般项目的检查结果,需用语言描述的项,应按CJJ1-2008的要求详实描述;主控项目的计数检验项先填写“检验批主控项目计数检验记录表”(G1-1-1),然后将计数检验结果填写在本表相应的检查结果栏内;检验批一般项目计数检验数据较多、本表空格不够填写的项,可填写“检验批一般项目计数检验记录表”(G1-1-2),将该表作为本表的附页。
3:7灰土稳定土类基层及底基层施工检验批
质量检验记录表
CJJ1—2008
续上页
混凝土垫层工程检验批质量验收记录表
WSZL-5
水泥混凝土路面检验批质量验收记录
料石人行道铺砌面层(含盲道砖)工程检验批质量验收记录表
WSZL-5
人行道水泥混凝土垫层检验批质量验收记录表
GB50209—2002。
路基清表检验批质量验收记录表
土方路基检验批质量检验记录
土方路基检验批质量检验记录
土方路基检验批质量检验记录
土方路基检验批质量检验记录
土方路基检验批质量检验记录
G2-1-2 土方路基(路床)检验批质量检验记录表
CJJ1—2008
软土地基(砂垫层处理)施工检验批质量检验记录表
注: 1 B为施工时必要的附加宽度.
2 主控项目、一般项目的检查结果,需用语言描述的项,应按CJJ1-2008的要求详实描述;主控项目的计数检验项先填写“检验批主控项目计数检验记录表”(G1-1-1),然后将计数检验结果填写在本表相应的检查结果栏内;检验批一般项目计数检验数据较多、本表空格不够填写的项,可填写“检验批一般项目计数检验记录表”(G1—1—2),将该表作为本表的附页.
3:7灰土稳定土类基层及底基层施工检验批
质量检验记录表
CJJ1—2008
续上页
混凝土垫层工程检验批质量验收记录表
WSZL-5
水泥混凝土路面检验批质量验收记录
料石人行道铺砌面层(含盲道砖)工程检验批质量验收记录表
WSZL-5
人行道水泥混凝土垫层检验批质量验收记录表
GB50209-2002。
土方路基检验批质量检验记录质检·1·1第页,共页第页,共页第页,共页路肩检验批质量检验记录市政质检·1·4第页,共页砂垫层软土路基检验批质量检验记录市政质检·1·5第页,共页反压护道路基检验批质量检验记录市政质检·1·6第页,共页土工材料处理软土路基检验批质量检验记录市政质检·1·7第页,共页袋装砂井检验批质量检验记录市政质检·1·8第页,共页塑料排水板检验批质量检验记录市政质检·1·9第页,共页砂桩处理软土路基检验批质量检验记录市政质检·1·10第页,共页碎石桩处理软土路基检验批质量检验记录市政质检·1·11第页,共页粉喷桩处理软土路基检验批质量检验记录市政质检·1·12第页,共页湿陷性黄土强夯路基检验批质量检验记录市政质检·1·13第页,共页石灰稳定土,石灰、粉煤灰稳定砂砾(碎石),粉煤灰稳定钢渣基层及底基层检验批质量检验记录市政质检·1·14第页,共页水泥稳定土类基层及底基层检验批质量检验记录市政质检·1·15第页,共页级配砂砾(级配砂石)基层及底基层检验批质量检验记录市政质检·1·16第页,共页级配碎石及级配碎砾石基层和底基层检验批质量检验记录市政质检·1·17第页,共页沥青混合料(沥青碎石)基层检验批质量检验记录市政质检·1·18第页,共页沥青贯入式基层检验批质量检验记录市政质检·1·19第页,共页热拌沥青混合料检验批质量检验记录市政质检·1·20第页,共页热拌沥青混合料面层检验批质量检验记录市政质检·1·21第页,共页第页,共页第页,共页第页,共页沥青贯入式面层检验批质量检验记录市政质检·1·26第页,共页沥青表面处治施工检验批质量检验记录市政质检·1·27第页,共页。
填土方路基检验批质量检验记录填土方路基检验批质量检验记录日期:XXXX年X月X日地点:XXXX工地检验人员:XXX检验项目:填土方路基检验目的:通过对填土方路基进行质量检验,确保填土质量符合设计要求,保障工程质量。
检验仪器:塌落度试验器、颗粒分析仪、压实度试验器等。
检验方法:根据施工方案和相关规范,采取抽样检验的方式。
一、检验前的准备工作1.确认填土方路基施工情况,包括填土材料种类、填土工艺、填土层数等。
2.检查填土方路基施工的相关文件,包括施工方案、批准图纸等。
3.准备好所需的检验仪器和设备,并进行仪器的校准。
二、取样检验1.根据工程要求和规范,选择代表性的填土样品进行取样。
2.取得填土样品后,进行标识,包括采样点位、取样日期、代号等。
三、检验项目1.塌落度试验使用塌落度试验器对填土样品进行塌落度试验,测量填土的塌落度。
2.颗粒分析试验使用颗粒分析仪对填土样品进行筛分,分析填土的颗粒组成和颗粒分布情况。
3.压实度试验使用压实度试验器对填土样品进行压实度试验,测量填土的压实度。
四、检验结果记录1.对每个样品的检验结果进行记录,包括塌落度、颗粒分析结果和压实度。
2.根据设计要求和规范,对填土的质量进行评判,确定是否符合要求。
3.将每个样品的检验结果整理成表格,包括样品编号、塌落度、颗粒分析结果和压实度等。
五、分析和控制1.根据检验结果进行分析,找出填土方路基施工中存在的问题和不足。
2.针对问题和不足提出相应的整改措施,并制定质量控制计划。
3.对填土方路基进行监督和管理,确保整改措施的实施和效果。
六、检验报告1.编制填土方路基检验报告,包括检验目的、检验方法、检验结果和分析等内容。
2.将检验报告送交施工单位和监理单位,供其参考。
以上是对填土方路基检验批质量检验记录的详细描述。
通过此次检验,我们能够及时发现填土方路基的质量问题,并提出相应的整改措施,确保工程质量的合格和安全。
同时,通过检验记录的整理和报告的编制,我们能够对填土方路基的质量状况进行跟踪和监控,为后续施工和验收提供科学的依据。
填土方路基检验批质量检验记录一、项目概况填土方路基是道路建设中的重要环节之一,为确保路基的质量达到设计要求,需要进行填土方路基检验批的质量检验。
本文档旨在记录填土方路基检验批的质量检验过程与结果。
二、检验批信息检验批编号:_____填土路基工程名称:_____施工单位:_____检验日期:_____三、检验内容填土方路基检验包括但不限于以下内容:1.土方的填筑质量检验2.填筑层厚度测量3.填筑层的批处理均匀性检验5.填土坡度和变形检验6.填土路基的稳定性检验四、检验步骤及结果1.土方的填筑质量检验:检验人员应对填土材料进行抽样分析,包括颗粒大小、含水量和塑性指数等参数。
根据设计要求进行比对,确保填土材料的质量符合标准。
2.填筑层厚度测量:使用专用测量仪器,对填土路基进行厚度测量。
测量结果应与设计要求相符,确保填土层的厚度满足设计要求。
3.填筑层的批处理均匀性检验:从填土区域内随机选择若干个点位,进行土壤颜色、松实度和含水量等参数的检测。
检验结果应表明填土层的均匀性合格,无明显的密实度差异和含水量变化。
采用专用平整度检测仪器对填土面层进行检测。
检验结果应符合设计要求,保证填土路基表面平整度合格。
5.填土坡度和变形检验:对填土路基的坡度和变形进行检验。
使用专门的测量工具,测量填土路基在不同位置的坡度和变形情况。
检验结果应与设计要求相符,确保填土路基的坡度和变形都在允许范围内。
6.填土路基的稳定性检验:通过负荷试验或者其他相关试验方法,对填土路基的稳定性进行检验。
检验结果应符合设计要求,保证填土路基的稳定性合格。
五、结论根据以上的填土方路基检验批质量检验过程与结果,可以得出结论:填土方路基的质量检验合格。
六、存在问题及改进措施在填土方路基的质量检验过程中,可能会出现以下问题:1.填土材料不符合设计要求;2.填土层厚度不满足设计要求;3.填土层的批处理不均匀;4.填土路基的平整度不达标;5.填土路基的坡度和变形超过允许范围;6.填土路基的稳定性存在问题。
路基清表检验批质量验收记录表
工程名称亭口镇西塬村井坳组3:7灰土路面及排水沟工程分部工程
名称
路基
分项工程
名称
施工单位咸阳鸿泰建筑工程有限公司专业工长项目经理检验批名称、部位
分包单位\分包项目经
理
\施工班组长
质量验收规范的规定施工单位检查评定记录监理(建设)单位
验收记录
主控项目1
清表宽度符合设计及验收规
范要求
2 清表后用压路机碾实
3 清表后压实度符合规范要求
一般项目
1 宽度
2 深度施工单位
检查评定结果项目专业质量检查员:
项目专业质量(技术)负责人:年月日
监理(建设)单位
验收结论监理工程师:
(建设单位项目专业技术负责人):年月日
土方路基检验批质量检验记录
工程名称亭口镇西塬村井坳组3:7灰土路面及排水沟工程
施工单位咸阳鸿泰建筑工程有限公司
单位工程名称道路工程分部工程名称路基
分项工程名称土方路基验收部位K0+000~K0+240
工程数量长240米
宽3.5米
项目经理吴朝辉技术负责人王勇
制表人颜彬彬施工负责人李文胜质量检验员何少强交方班组接方班组检验日期
序号主控项目
检验依据/允许偏
差(规定值或±偏
差值)(mm)
检验结果/实测点偏差值或实测值
1 2 3 4 5 6 7 8 9 10
应测点数
合格点数合格率(%)
1 路基压实
度
0-80CM≥95
80-150㎝≥93
>150㎝≥90
符合要求100
2 弯沉值不大于设计规定符合要求100
土路基允许偏差应符合下表
序号一般项目
允许偏差
检验结果/实测点偏差值或实测值
1 2 3 4 5 6 7 8 9 10 应测点数合格点数
合格率
(%)
1 路床纵断高程-20 +10 -8 7 -9 -8 -7 9 -21
2 10 9 8 88.9
(mm)
2 路床中线高程
(mm)
≤30 19 22 24 18 25 18 24 21 28 9 9 100
3 路床平整度
(mm)
≤15
13 7 12 17 8 10 14 9 5
9 8 88.9
4 路床平宽度
(mm)
不小于设
计值+B
55995 56260 56950 58392 59620
9 9 100
61705 61900 63850 65501
5 路床横坡±0.3%且不
反坡
0.14 0.3 -0.15 -0.21 0.3 0.21 0.19 -0.2 0.22
9 9 100
6 边坡不陡于设计
值
1:1.5
1:1.4
8
1:1.4
7
1:1.5
1:1.48
1:1.5
1
1:1.4
8
1:1.5
1:1.52
9 8 88.9
平均合格率(%)94.45%
检验结论主控项目全部合格,一般项目满足规范规定要求
监理(建设)单位验
收结论专业监理工程师:
(建设单位项目专业技术负责人):年月日
土方路基检验批质量检验记录
工程名称亭口镇西塬村井坳组3:7灰土路面及排水沟工程
施工单位咸阳鸿泰建筑工程有限公司
单位工程名称道路工程分部工程名称路基
分项工程名称土方路基验收部位K0+000-K0+240
工程数量长240米
宽3.5米
项目经理吴朝辉技术负责人王勇
制表人颜彬彬施工负责人李文胜质量检验员何少强交方班组接方班组检验日期
序号主控项目
检验依据/允许偏
差(规定值或±偏
差值)(mm)
检验结果/实测点偏差值或实测值
1 2 3 4 5 6 7 8 9 10
应测点数
合格点数合格率(%)
1 路基压实
度
0-80CM≥95
80-150㎝≥93
>150㎝≥90
见压实报告100
2 弯沉值不大于设计规定符合要求100
土路基允许偏差应符合下表
序号一般项目
允许偏差
检验结果/实测点偏差值或实测值
1 2 3 4 5 6 7 8 9 10 应测点数合格点数
合格率
(%)
1 路床纵断高程
(mm)
-20 +10
4 8 9 -10 -22 9 10 13 9
9 8 88.9
2 路床中线高程
(mm)
≤30 22 25 24 16 21 18 23 31 21 9 8 88.9
3 路床平整度
(mm)
≤15
13 7 11 12 11 6 10 13 14
9 9 100
4 路床平宽度
(mm)
不小于设
计值+B
52560 54050 54460 56740 56790
9 9 100
53705 55530 53850 55501
5 路床横坡±0.3%且不
反坡
-0.15 -0.33 0.21 0.16 0.19 -0.25 0.29 0.16 -0.2
9 8 88.9
6 边坡不陡于设计
值
1:1.4
9
1:1.5
1:1.4
9
1:1.5
1
1:1.50 1:1.4
9
1:.47 1:1.5
1:1.48
9 8 88.9
平均合格率(%)92.6%
检验结论主控项目全部合格,一般项目满足规范规定要求
监理(建设)单位验
收结论专业监理工程师:
(建设单位项目专业技术负责人):年月日
土方路基检验批质量检验记录
工程名称
亭口镇西塬村井坳组3:7灰土路面及排水沟工程
施工单位咸阳鸿泰建筑工程有限公司
单位工程名称道路工程分部工程名称路基
分项工程名称土方路基验收部位K0+000-K0+240
工程数量长240米
宽3.5米
项目经理吴朝辉技术负责人王勇
制表人颜彬彬施工负责人李文胜质量检验员何少强交方班组接方班组检验日期
序号主控项目
检验依据/允许偏
差(规定值或±偏
差值)(mm)
检验结果/实测点偏差值或实测值
1 2 3 4 5 6 7 8 9 10
应测点数
合格点数合格率(%)
1 路基压实
度
0-80CM≥95
80-150㎝≥93
>150㎝≥90
见压实度报告100
2 弯沉值不大于设计规定符合要求100
土路基允许偏差应符合下表
序号一般项目
允许偏差
检验结果/实测点偏差值或实测值
1 2 3 4 5 6 7 8 9 10 应测点数合格点数
合格率
(%)
1 路床纵断高程
(mm)
-20 +10
-10 10 9 10 13 9 7
7 7 100
2 路床中线高程
(mm)
≤30 21 28 24 18 25 18 24 7 7 100
3 路床平整度
(mm)
≤15
7 11 12 16 6 10 13
7 6 85.7
4 路床平宽度
(mm)
不小于设
计值+B
51900 53850 55501 59000 59620
7 7 100
51705 54235
5 路床横坡±0.3%且不
反坡
-0.15 -0.30 0.21 0.16 0.19 -0.25 0.19
7 7 100
6 边坡不陡于设计
值
1:1.4
9
1:1.5
1
1:1.5
1:1.4
8
1:.49 1:1.5
1:1.4
8
1:1.4
8 7 7 100
平均合格率(%)97.6%
检验结论主控项目全部合格,一般项目满足规范规定要求
监理(建设)单位验
收结论专业监理工程师:
(建设单位项目专业技术负责人):年月日
土方路基检验批质量检验记录
工程名称亭口镇西塬村井坳组3:7灰土路面及排水沟工程程施工单位咸阳鸿泰建筑工程有限公司
单位工程名称道路工程分部工程名称路基分项工程名称土方路基验收部位K0+000-K0+240
工程数量长240米
宽3.5米
项目经理吴朝辉技术负责人王勇
制表人颜彬彬施工负责人李文胜质量检验员何少强交方班组接方班组检验日期
序号主控项目
检验依据/允许偏
差(规定值或±偏
差值)(mm)
检验结果/实测点偏差值或实测值
1 2 3 4 5 6 7 8 9 10
应测点数
合格点数合格率(%)
1 路基压实
度
0-80CM≥95
80-150㎝≥93
>150㎝≥90
见压实度报告100
2 弯沉值不大于设计规定符合要求100
土路基允许偏差应符合下表
序号一般项目
允许偏差
检验结果/实测点偏差值或实测值
1 2 3 4 5 6 7 8 9 10 应测点数合格点数
合格率
(%)
1 路床纵断高程-20 +10 4 8 9 -10 -2
2 9 10 1
3 9
4 9 8 88.9。