土方路基隐蔽工程检查验收记录质检表-04
- 格式:pdf
- 大小:188.11 KB
- 文档页数:1
土方路基隐蔽工程检查验收记录一、项目基本情况项目名称:XX桥路隧道隐蔽工程建设单位:XX市政工程有限公司施工单位:XX建筑工程有限公司监理单位:XX工程监理有限公司验收日期:xxxx年xx月xx日二、验收人员建设单位:xxx(职务)施工单位:xxx(职务)监理单位:xxx(职务)三、隐蔽工程验收内容1.根据工程设计图纸要求,对土方路基部分的施工过程、质量进行查验。
2.检查土方路基的填筑层数、填筑材料,与设计图纸要求进行对比核实。
3.检查土方路基坡度、坡高、坡宽,与设计要求进行对比并测量。
4.检查土方路基的压实度,混合土的含水率和承载力等指标,与设计要求进行对比并进行抽样检测。
5.检查土方路基的排水设施、防渗措施、边坡防护设施等是否按照设计要求进行施工。
6.梳理土方路基施工过程中的隐蔽工程验收记录,包括方案设计、机械设备检查记录、质量检测记录等。
四、验收结果1.根据实地检查和对比设计要求的结果,土方路基的施工质量达到了设计要求,并符合相关标准规范。
2.土方路基的填筑层数、填筑材料、坡度、压实度以及边坡防护设施等均符合设计要求。
3.土方路基的排水设施和防渗措施完善,具备较好的抗渗和排水能力。
4.监理单位提供的隐蔽工程验收记录齐全、完整,施工单位按照设计要求进行施工,并及时处理了施工中的问题。
5.经现场实地检查,土方路基施工质量可靠,对后续的工程施工起到了基础保证作用。
五、存在的问题与建议1.在验收过程中,未发现明显的施工质量问题和设计偏差,施工单位的施工质量较好。
2.建议保持施工质量,按照相关规范要求进行工程施工,确保后续工程的顺利进行。
六、总结与建议该土方路基隐蔽工程的检查验收过程中,没有发现明显的质量问题与设计偏差,采用的施工工艺与工程设计要求相符,施工质量可靠。
建议施工单位继续保持良好的工程质量,并进行后续工程的无缝衔接。
七、附件1.土方路基隐蔽工程设计图纸2.土方路基施工质量检测报告3.隐蔽工程验收记录表格以上是本次土方路基隐蔽工程的检查验收记录,经核实无误。
隐蔽工程验收记录表Q/CSG表BJ2-1 编号:工程名称验收项目土方工程验收日期验收部位验收依据:施工图图号设计变更/洽商(编号/ )及有关国家现行标准等。
主要材料名称规格、型号:验收内容:1.基底土质;2.基底清理情况;3.基底标高;4.基坑轮廓尺寸。
检查意见:经检查:基底土质为强风化砂砾岩层;基底标高、基坑轮廓尺寸符合设计要求;清槽工作到位,未出现地下水,同意进行下道工序。
检查结论:□√同意隐蔽□不同意,修改后进行复查复查结论:/复查人:复查日期:签字栏监理(建设)单位施工单位专业技术负责人项目专业质量检查员专业工长(施工员)隐蔽工程验收记录表Q/CSG表BJ2-1 编号:工程名称验收项目钢筋工程验收日期验收部位验收依据:施工图图号设计变更/洽商(编号 / )及有关国家现行标准等。
主要材料名称规格、型号:钢筋HRB4006、10、12。
验收内容:1.原材料产品质量;2.钢筋的品种、级别、规格;3.钢筋的配筋数量、位置、间距;4.钢筋绑扎、安装情况;5.保护层厚度。
检查意见:经检查:钢筋有质量证明书,复试合格,外观均无锈蚀、无污染,已清理干净;钢筋的品种、级别、规格、配筋数量、位置、间距符合设计要求;钢筋绑扎安装质量牢固,无漏扣现象;保护层厚度符合要求。
检查结论:□√同意隐蔽□不同意,修改后进行复查复查结论:/复查人:复查日期:签字栏监理(建设)单位施工单位专业技术负责人项目专业质量检查员专业工长(施工员)隐蔽工程验收记录表Q/CSG表BJ2-1 编号:工程名称验收项目砖砌体工程验收日期验收部位内外墙验收依据:施工图图号设计变更/洽商(编号/ )及有关国家现行标准等。
主要材料名称规格、型号:普天烧结砖验收内容:1.砖的强度等级及规格;2.砖砌体平整度;3.砖砌体垂直度;4.组砌方法。
5.砖砌体砂浆饱满度6.水平灰缝厚度及竖缝宽度;检查意见:经检查:砖强度等级、规格符合设计要求,灰缝横平竖直,砂浆密实饱满;砖砌体垂直度、表面平整度、组砌方法、水平灰缝厚度及竖缝宽度偏差符合规范要求。
年月日工程名称龙山大道建设工程工程(Ⅲ标段)施工单位中国十七冶市政建设公司隐检项目雨水沟槽隐检部位K1+640~K1+740隐检检查内情容况及1、原状地基土无扰动、受水浸泡或受冻;2、地基承载力满足设计要求;3、槽底高程;4、槽底中线每侧宽度;以上均二项均符合设计及规范规定要求。
验收意见处理情况复查人:年月日建设单位监理单位施工项目技术负责人质检员年月日年月日工程名称印山路(慈湖河路-霍里山大道)道路工程施工(二标段)施工单位铜陵市市政建设(集团)公司隐检项目雨水沟槽隐检部位K1+500~K1+600隐检检查内情容况及1、原状地基土无扰动、受水浸泡或受冻;2、地基承载力满足设计要求;3、槽底高程;4、槽底中线每侧宽度;以上均二项均符合设计及规范规定要求。
验收意见处理情况复查人:年月日建设单位监理单位施工项目技术负责人质检员年月日工程名称印山路(慈湖河路-霍里山大道)道路工程施工(二标段)施工单位铜陵市市政建设(集团)公司隐检项目雨水沟槽隐检部位K1+220~K1+330隐检检查内情容况及1、原状地基土无扰动、受水浸泡或受冻;2、地基承载力满足设计要求;3、槽底高程;4、槽底中线每侧宽度;以上均二项均符合设计及规范规定要求。
验收意见处理情况复查人:年月日建设单位监理单位施工项目技术负责人质检员年月日年月日2009年月日。
基础挖土验槽隐蔽工程检查验收记录
工程名称:建设单位:图号:
隐蔽部位:施工单位:隐蔽日期:年月日
专业技术负责人:质量检查员:填表人:
注:本表适用于基础挖土验槽隐蔽工程。
说明
基础挖土验槽隐蔽工程验收内容:
1.基坑内地下水以及地表水情况及其处理情况。
2.基坑(槽)开挖尺寸(长、上下口宽、深)、有无加宽、加深、换土等情况。
3.基土遇有坑、井、人工土、障碍物等的数量、位置及清除情况。
4.地下遇有电缆、旧的管道、旧房基等位置、数量及处理情况。
5.遇有流砂等不良地基的处理。
隐蔽工程检查验收记录2012年11月27 日编号:DLTLJ-08-1隐蔽工程检查验收记录2010年11月27 日编号:DLTLJ-08-2隐蔽工程检查验收记录Array年月日编号:路基—填筑—002隐蔽工程检查验收记录隐蔽工程检查验收记录隐蔽工程验收记录地基验槽年月日年月日年月日年月日年月日本表一式四份,由承包单位填写并存两份。
监理单位、建设单位各一份。
(地下混凝土结构工程)(地下防水、防腐工程)编号:隐蔽工程验收记录(钢筋工程)工程埋件、埋管、螺栓(隐蔽)会签单编号:隐蔽工程验收记录(混凝土工程结构施工缝)编号:(屋面工程)编号:(____________工程)编号:隐蔽工程检查验收记录(____________工程)编号:检表4表4检表4表4隐蔽工程检查验收记录工程名称施工单位隐检项目 污水检查井砌筑 隐检范围 xxxx 污水井检 查 情 况隐 检 内 容 及隐检内容:污水检查井外观质量,检查井内、外壁抹灰平整度 检查情况:符合规范及设计要求验 收 意 见处 理 情 况复查人: 年 月 日 建设单位监理单位施工项目技术负责人质检员质控(建)表4.1.5.3共页第页质控(建)表4.1.5.3共页第页质控(建)表4.1.5.3共页第页质控(建)表4.1.5.3共页第页质控(建)表4.1.5.3共页第页质控(建)表4.1.5.3共页第页质控(建)表4.1.5.3共页第页质控(建)表4.1.5.3共页第页质控(建)表4.1.5.3共页第页质控(建)表4.1.5.3共页第页质控(建)表4.1.5.3共页第页质控(建)表4.1.5.3共页第页。
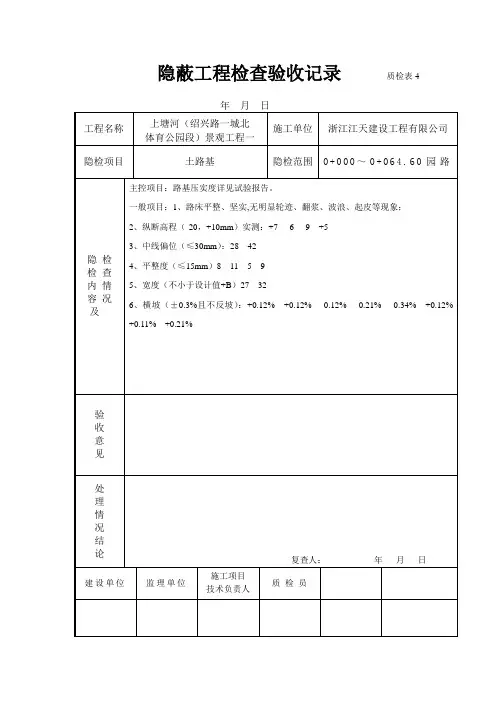
隐蔽工程检查验收记录质检表4年月日工程名称徐州新城区供电服务中心道路工程施工单位江苏江中集团有限公司隐检项目土路基整平隐检范围运行检修楼北6m宽路隐检内容及检查情况隐检内容:压实度、厚度、平整度、宽度、中线高程、横坡。
压实度、厚度、平整度、宽度、中线高程、横坡均在允许偏差范围内。
验收意见处理情况及结论复查人:年月日监理单位施工项目技术负责人质检员隐蔽工程检查验收记录质检表4年月日工程名称徐州新城区供电服务中心道路工程施工单位江苏江中集团有限公司隐检项目土路基整平隐检范围生产办公楼西6m宽路隐检内容及检查情况隐检内容:压实度、厚度、平整度、宽度、中线高程、横坡。
压实度、厚度、平整度、宽度、中线高程、横坡均在允许偏差范围内。
验收意见处理情况及结论复查人:年月日监理单位施工项目技术负责人质检员隐蔽工程检查验收记录质检表4年月日工程名称徐州新城区供电服务中心道路工程施工单位江苏江中集团有限公司隐检项目土路基整平隐检范围生产办公楼东10m宽路隐检内容及检查情况隐检内容:压实度、厚度、平整度、宽度、中线高程、横坡。
压实度、厚度、平整度、宽度、中线高程、横坡均在允许偏差范围内。
验收意见处理情况及结论复查人:年月日监理单位施工项目技术负责人质检员隐蔽工程检查验收记录质检表4年月日工程名称徐州新城区供电服务中心道路工程施工单位江苏江中集团有限公司隐检项目土路基整平隐检范围运行检修楼南8m宽路隐检内容及检查情况隐检内容:压实度、厚度、平整度、宽度、中线高程、横坡。
压实度、厚度、平整度、宽度、中线高程、横坡均在允许偏差范围内。
验收意见处理情况及结论复查人:年月日监理单位施工项目技术负责人质检员隐蔽工程检查验收记录质检表4年月日工程名称徐州新城区供电服务中心道路工程施工单位江苏江中集团有限公司隐检项目土路基整平隐检范围运行检修楼东6m宽路隐检内容及检查情况隐检内容:压实度、厚度、平整度、宽度、中线高程、横坡。
压实度、厚度、平整度、宽度、中线高程、横坡均在允许偏差范围内。
隐蔽工程检查验收记录
年 月 日质检表4工程名称年产两万吨苯并噁嗪树脂项目施工单位河南长兴建设集团有限公司隐检项目土方路基隐检范围装卸车区北侧运输道路K0+00~K0+54.19隐检
内容
及检查
情况
验
收
意
见符合有关标准的规定,经抽检复测其有关数据与实际情况相符。
抽检复测数据如下:中线高程51.93 51.94平整度10 2宽度9.95 9.86横坡
1.2% 1.4%同意下道工序施工。
现场驻地监理工程师: (签名)
处
理
情
况及
结
论无需要处理的问题。
复查人:
年 月 日建设单位监理单位施工项目
技术负责人质检员。