实验七 移位寄存器及其应用
- 格式:docx
- 大小:241.41 KB
- 文档页数:7
实验七移位寄存器及其应用一、实验目的1.移位寄存器74LS194的逻辑功能及使用方法;2.熟悉4位移位寄存器的应用。
二、实验预习要求1.了解74LS194的逻辑功能;2.用4位移位寄存器构成8位移位寄存器;3.了解移位寄存器构成环形计数器的方法。
三、实验原理1.移位寄存器是指寄存器中所存的代码能够在移位脉冲的作用下依次左移或右移。
74 LS194是一个4位双向移位寄存器, 最高时钟脉冲为36MHz, 其逻辑符号及引脚排列如如图7.1所示。
图实验7.1 74 LS194逻辑符号及引脚排列其中: D0~D1为并行输入端;Q0~Q3为并行输出端;SR-右移串引输入端;SL-左移串引输入端;S1.S0-操作模式控制端;/CR-为直接无条件清零端;CP-为时钟脉冲输入端。
74LS194模式控制及状态输出如表实验7.1所示。
2.用74LS194构成8位移位寄存器电路如实验7.2所示, 将芯片(1)的Q3接至芯片(2)的SR,将芯片(2)的Q4接至(1)的SL, 即可构成8位的移位寄存器。
注意: /CR端必须正确连接。
3.74LS194构成环形计数器把位移寄存器的输出反馈到它的串行输入端, 就可以进行循环移位, 如图实验7.3所示。
设初态为Q3Q2Q1Q0=1000,则在CP作用下, 模式设为右移, 输出状态依次为:表实验7.1 74LS194工作状态表图实验7.2 8位移位寄存器图实验7..3 环形计数器四、实验仪器设备1.TPE-AD数字实验箱 1台2.四位双向移位寄存器74LS194 2片3.四两输入集成与非门74LS00 1片五、实验内容及方法1.测试74LS194(或CC40194)的逻辑功能参图实验7.1接线, /CR 、S1.S0、SL、SR、D3.D2.D1.D0分别接逻辑电平开关输出插孔;Q3Q2Q1Q0用LED电平显示, CP接单脉冲源输出插孔。
按表实验7.1进行逐项对比测试。
(1)清零: 令=0, 此时Q3Q2Q1Q0=0000。
移位寄存器课程设计报告(一)实验原理移位寄存器是用来寄存二进制数字信息并且能进行信息移位的时序逻辑电路。
根据移位寄存器存取信息的方式可分为串入串出、串入并出、并入串出、并入并出4种形式。
74194是一种典型的中规模集成移位寄存器,由4个RS触发器和一些门电路构成的4位双向移位寄存器。
该移位寄存器有左移,右移、并行输入数据,保持及异步清零等5种功能。
有如下功能表(三)实验内容1.按如下电路图连接电路十个输入端,四个输出端,主体为74194.2.波形图参数设置:End time:2us Grid size:100ns波形说明:clk:时钟信号; clrn:置0s1s0:模式控制端 sl_r:串行输入端abcd:并行输入 qabcd:并行输出结论:clrn优先级最高,且低有效高无效;s1s0模式控制,01右移,10左移,00保持,11置数重载;sl_r控制左移之后空位补0或补1。
3.数码管显示移位(1)电路图(2)下载验证管脚分配:a,b,c,d:86,87,88,89 bsg[3..0]:99,100,101,102clk:122 clk0:125 clrn:95q[6..0]:51,49,48,47,46,44,43 s0,s1:73,72sl_r:82,83结论:下载结果与仿真结果一致,下载正确。
一、实验日志1.移位寄存器的实验真的挺纠结的,本来想用7449的,但是下载结果出现了错误,想到它在这个电路图中的功能比较单一,就自己写了一个my7449,终于对了。
五、思考题(1)简单说明移位寄存器的概念及应用情况?概念:移位寄存器是用来寄存二进制数字信息且能进行信息移动的时序逻辑电路。
根据移位寄存器存取信息的方式不同可以分为串入串出,串入并出,并入串出,并入并处4种形式。
应用:移位寄存器可以构成计数器,顺序脉冲发生器,串行累加器,串并转换,并串转换等。
(2)仿真常规方法步骤是什么?有什么注意事项?a)新建波形文件后波形图参数设置b)添加结点或总线后信号整合与位置分配c)激励输入及分段仿真注意事项:1.激励输入信号与待分析输出信号上下放置,界限分明;时钟信号置顶,其他输入信号可按异步控制,同步控制,数据输入顺序向下放置;同一元器件的控制信号就近放置;同一功能的控制信号就近放置;2.符合总线形式的IO信号优先整合;同一器件和同一属性的控制信号优先整合;脉冲信号一般不整合;整合前信号应按高位到低位顺序向下放置;整合后信号名以能直观反映该信号功能为宜;3.首先设置时钟信号等系统信号激励完成电路初始状态,其次将时间轴划分为连续的时间段,一时间段完成一小步实验内容。
实验移位寄存器及其应用一、实验目的1、掌握中规模4位双向移位寄存器逻辑功能及使用方法。
2、熟悉移位寄存器的应用—实现数据的串行、并行转换和构成环形计数器。
二、实验原理1、寄存器是一个具有移位功能的寄存器,是指寄存器中所存的代码能够在移位脉冲的作用下一次左移或右移。
既能左移又能右移的称为双向移位寄存器,只需要改变左、右移的控制信号便可实现双向移位要求。
根据移位寄存器存取信息的方式不同分为:串入串出、串入并出、并入串出、并入并出四种形式。
2、本实验选用的4位双向通用移位寄存器,型号为CC40194或74LS194,两者功能相同,可互换使用,其逻辑符号及引脚排列如图所示。
其中D0、D1、D2、D3为并行输入端;Q0、Q1、Q2、Q3为并行输出端;S R为右移串行输入端,S L为左移串行输入端;S1、S0为操作模式控制端;C R为直接无条件清零端;CP为时钟脉冲输入端。
功能见表8-1。
表8-1CC40194功能表功能输入输出CP R C S1S0S R S L D0D1D2D3Q0Q1Q2Q3清除×0××××××××0000送数↑111××a b c d a b c d右移↑101D SR×××××D SR Q0Q1Q2左移↑110×D SL××××Q1Q2Q3D SL保持↑100××××××Q0n Q1n Q2n Q3n保持↓1××××××××Q0n Q1n Q2n Q3n3、移位寄存器的应用可构成移位寄存器形计数器;:顺序脉冲发生器;串行累加器;可用作数据转换,即把串行数据转换为并行数据等。
实验七 移位寄存器及其应用一、实验目的:1.掌握中规模4位双向移位寄存器的逻辑功能及使用方法。
2.熟悉移位寄存器的应用——实现数据的串/并转换、构成环形计数器和扭环型计数器。
二、实验原理:寄存器是计算机和其它数字系统中用来存储代码或数据的逻辑部件。
它的主要组成部分是触发器。
一个触发器能存储1位二进制代码,所以要存储n 位二进制代码的寄存器就需要用n 个触发器组成。
把若干个触发器串接起来,就可以构成一个移位寄存器。
移位寄存器是一个具有移位功能的寄存器,是指寄存器中所存的代码能够在移位脉冲的作用下依次左移或右移。
既能左移又能右移的称为双向移位寄存器,只需要改变左、右移的控制信号便可实现双向移位要求。
根据移位寄存器在存取信息时的方式不同分为:串入串出、串入并出、并入串出、并入并出四种形式。
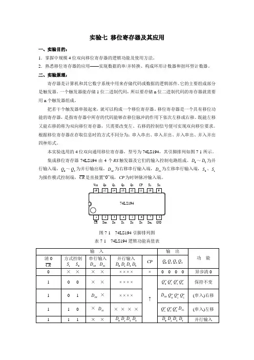
本实验选用的4位双向通用移位寄存器,型号为74LS194,其引脚排列如图7-1所示。
集成移位寄存器74LS194由4个RS 触发器及它们的输入控制电路组成。
0D ~3D 为并行输入端,0Q ~3Q 为并行输出端,SR D 为右移串行输入端,SL D 为左移串行输入端,0S 、1S 为操作模式控制端,CR 是直接置“0”端,CP 为时钟脉冲输入端。
V CCQ 0Q 1Q 2Q 3CPS 1S 0图7-1 74LS194引脚排列图 表7-1 74LS194逻辑功能真值表1.环形计数器环形计数器具有如下特点:⑴ 进位模数与移位寄存器触发器数相等; ⑵ 结构上其反馈函数n n Q Q Q Q f =)(21 。
图7-2是用74LS194构成的四位环形计数器及其状态迁移图。
如起始态为10003210=Q Q Q Q ,其状态迁移为1000 → 0100 → 0010 → 0001,但存在无效循环和死态(如0000和1111),即无自校正功能。
图7-2 四位环形计数器2.扭环形计数器扭环形计数器(又称为约翰逊计数器)具有如下特点: ⑴ 进位模为移位寄存器触发器级数n 的二倍,即为2n ; ⑵ 电路结构上其反馈函数n n Q Q Q Q f =)(21 ; ⑶ 相邻两个态仅有一位代码不同。
实验八移位寄存器及其应用一、实验目的1.掌握4位双向移位寄存器74LS194的逻辑功能及使用方法。
2.熟悉移位寄存器的应用——构成环形计数器和串行累加器。
二、预习要求1.复习寄存器及累加运算的有关内容。
2.了解74LS194的逻辑功能、移位寄存器构成环形计数器和串行累加器的方法。
三、实验原理1.移位寄存器是指寄存器中所存的代码能够在移位脉冲的作用下依次左移或右移。
既能左移又能右移的称为双向移位寄存器。
根据移位寄存器存取信息的方式不同分为:串入串出、串入并出、并入串出、并入并出四种形式。
本实验选用的是4位双向移位寄存器,型号为74LS194(TTL器件)或CC40194 (CMOS器件),两者功能完全相同,可以互换使用。
74LS194的最高时钟脉冲为36MHZ,其逻辑符号及引脚排列如图8-1 所示:图8-1 74LS194的逻辑符号及引脚排列其中:D0~D1为并行输入端;Q0~Q3为并行输出端;S R――右移串行输入端;S L--左移串行输入端;S1、S0――操作模式控制端;――为直接无条件清零端;CP――为时钟脉冲输入端。
74LS194模式控制及状态输出如表8.1所示:表8.1 LS194模式控制及状态输出表2、移位寄存器的应用移位寄存器的应用范围很广,可构成移位寄存器型计数器;顺序脉冲发生器;串行累加器;可用作数据转换,即把串行数据转换为并行数据,或把并行数据转换为串行数据等。
本实验研究移位寄存器用作环形计数器和串行累加器的线路及其原理。
(1)环形计数器把移位寄存器的输出反馈到它的串行输入端,就可以进行循环移位,如图8-2所示。
把输出端Q0和右移串行输入端S R相连,设初态为Q3Q2Q1Q0=1000,则在CP作用下,模式设为右移,输出状态依次为:1000 →0100 →0010 →0001图8-2所示电路是一个有四个有效状态的计数器,这种类型计数器通常称为环形计数器。
同时输出端输出脉冲在时间上有先后顺序,因此也可以作为顺序脉冲发生器。
移位寄存器实验报告参考(一)实验原理移位寄存器是用来寄存二进制数字信息并且能进行信息移位的时序逻辑电路。
根据移位寄存器存取信息的方式可分为串入串出、串入并出、并入串出、并入并出 4 种形式。
74194 是一种典型的中规模集成移位寄存器,由 4 个 RS触发器和一些门电路构成的 4 位双向移位寄存器。
该移位寄存器有左移,右移、并行输入数据,保持及异步清零等 5 种功能。
有如下功能表CLRN CLK S1工作状态0×S0清零10×保持1↑×并行置数, Q为ABCD1↑×串行右移,移入数据位×为 SRS11↑1串行左移,移入数据位1为 SLS11↑0保持11(二)实验框图串行输入并行输入ABCD清零输入模式控制输入时钟脉冲输入(三)实验内容1.按如下电路图连接电路74194移位寄存器并行输出QA 、QB 、 QC、QD十个输入端,四个输出端,主体为74194.2.波形图参数设置:End time :2us Grid size:100ns波形说明:clk: 时钟信号;clrn:置0s1s0: 模式控制端sl_r:串行输入端abcd:并行输入qabcd:并行输出结论:clrn优先级最高,且低有效高无效;s1s0 模式控制, 01 右移, 10 左移,00 保持, 11 置数重载; sl_r控制左移之后空位补0 或补 1。
3.数码管显示移位(1)电路图(2)下载验证管脚分配:a,b,c,d:86,87,88,89 bsg[3..0]:99,100,101,102clk:122clk0:125clrn:95q[6..0]:51,49,48,47,46,44,43 s0,s1:73,72sl_r:82,83结论:下载结果与仿真结果一致,下载正确。
一、实验日志1.移位寄存器的实验真的挺纠结的,本来想用 7449 的,但是下载结果出现了错误,想到它在这个电路图中的功能比较单一,就自己写了一个my7449,终于对了。
数电实验之移位寄存器移位寄存器一实验目的1.学习用D触发器构成移位寄存器(环行计数器)2.掌握中规模集成电路双向移位寄存器逻辑功能及使用方法二实验原理1、用4个D触发器组成4位移位寄存器,将每位即各D触发器的输出Q1、Q2、Q3、Q4分别接到四个0—1指示器(LED)将最后一位输出Q4反馈接到第一位D触发器的输入端,则构成一简单的四位移位环行计数器。
2、移位寄存器具有移位功能,是指寄存器中所存的代码能够在时钟脉冲的作用下依次左移或右移。
对于即能左移又能右移的寄存器称为双向移位寄存器。
只需要改变左移、右移的控制信号便可实现双向移位的要求。
根据移位寄存器存取信息的方式不同分为:串入串出、串入并出、并入串出、并入并出四种形式。
本实验选用的4位双向移位寄存器,型号为74LS194A(或CD40194),两者功能相同,其引脚分布图如下图18.1所示:其中A、B、C、D为并行输入端,A为高位依次排列;QA、QB、QC、QD为并行输出端;SR为右移串行输入端;SL为左移串行输入端;S1、S0为操作模式控制端;CLR为异步清零端;低电平有效;CLK为CP时钟脉冲输入端。
74LS194A有5种工作模式:并行输入,右移(QD→QA),左移(QD←QA),保持和清零。
74LS194功能表如表18.1所示:表18.1三实验器件数字实验箱集成电路芯片:74LS74×2 (CD4013×2);74LS75 ;74LS76 ;74LS194A(CD40194)。
图18.1四实验内容1.用74LS74组成移位寄存器,使第一个输出端点亮LED并使其右移循环。
顺序是FF1、FF2、FF3、FF4。
A) 1. 用两个74LS74按图18.2连接:图18.21. CP时钟输入先不接到电路中(单步脉冲源或连续脉冲源);1. 连接线路完毕,检查无误后加+5V电源;2. 观察4个输出端的LED应该是不亮的,如果有亮的话,应按清零端的逻辑开关,(给出一个低电平信号清零后,再将开关置于高电平)即将4个D触发器输出端的LED清零。
电学实验报告模板实验原理移位寄存器是逻辑电路中的一种重要逻辑部件,它能存储数据,还可以用来实现数据的串行-并行转换、数据的运算和处理。
1.寄存器(1)D触发器图1 D触发器图1所示D触发器。
每来一个CLK脉冲,触发器都在该CLK脉冲的上升沿时刻,接收输入数据D,使之作为触发器的新状态。
D触发器的特性方程为(2)用D触发器构成并行寄存器图2 用D触发器构成并行寄存器图2所示为用D触发器构成四位并行寄存器。
为异步清零控制端,高电平有效。
当时,各触发器输出端Q的状态,取决于CLK上升沿时刻的D端状态。
2.移位寄存器(1)用D触发器构成移位寄存器图3 用D触发器构成4位串行移位寄存器图3所示为用D触发器构成的4位串行移位寄存器。
其中左边第一个触发器的输入端接收输入数据,其余的每一个触发器的输入端均与左边相邻的触发器的Q端连接。
当时钟信号CLK的上升沿时刻,各触发器同时接收输入数据。
四位寄存器的所存数据右移一位。
(2)双向移位寄存器74LS194图4 双向移位寄存器74LS194逻辑框图图4 所示为集成电路芯片双向移位寄存器74LS194逻辑框图。
为便于扩展逻辑功能,在基本移位寄存器的基础上增加了左右移控制、并行输入、保持和异步清零等功能。
74LS194的逻辑功能如表1所列。
表13.用移位寄存器构成计数器(1)环形计数器图5 环形计数器如果将移位寄存器的串行移位输出端接回到串行移位输入端,如图5所示。
那么,在时钟CLK的作用下,寄存器里的数据将不断循环右移。
例如,电路的初始状态为,则电路的状态转换图如图6所示。
可以认为,这是一个模4计数器。
图6 环形计数器状态转换图实验内容及步骤1. 用两片74LS74构成四位移位寄存器(1)74LS74引脚图图10 74LS74引脚图(2)用74LS74构成四位移位寄存器图11 用74LS74构成四位移位寄存器实验电路按照图11连接电路。
首先设置,使寄存器清零。
然后,设置,在CLK输入端输入单次脉冲信号当作时钟信号,通过输出端的发光二极管观察的状态,判断移位的效果。
EDA 实验报告实验目的:1.触发器的工作原理。
2.基本时序电路的VHDL 代码编写。
3.按键消抖电路应用。
4.定制LPM 原件。
5.VHDL 语言中元件例化的使用。
6.移位寄存器的工作原理及应用。
实验要求:1.运用LPM 原件定制DFF 触发器,并调用LPM 定制的DFF 触发器,用VHDL 语言的元件例化实现消抖电路并了解其工作原理。
2. 移位寄存器是用来寄存二进制数字信息且能进行信息移位的时序逻辑电路。
根据移位寄存器存取信息的方式不同可分为串入串出、串入并出、并入串出、并入并出4种形式,并通过数码管显示出来。
实验原理:1.消抖电路由于一般的脉冲按键与电平按键采用机械开关结构,其核心部件为弹性金属簧片。
按键信号在开关拨片与触点接触后经多次弹跳才会稳定。
本实验采用消抖电路消除抖动以获得一个稳定的电平信号。
2.移位寄存器移位寄存器具有左移、右移、并行输入数据、保持及异步清零5种功能。
其中A 、B 、C 、D 为并行输入端,A Q 、B Q 、C Q 、D Q 为并行输出端;SRSI 为右移串行输入端,SLSI 为左移串行输入端;S1、S0为模式控制端;CLRN 为异步清零端;CLK 为时钟脉冲输入端。
实验具体步骤:1.消抖电路(1).用lpm 定制DFF<1>.设置lpm_ff 选择Installed Plug-Ins →Storage →lpm_ff 项;<2>.设置输入data 为1位,clock 为时钟信号,类型为D 型;<3>.添加异步清零和异步置1;其VHDL 语言为:LIBRARY ieee;USE ieee.std_logic_1164.all;LIBRARY lpm;USE lpm.all;ENTITY mydff ISPORT(clock : IN STD_LOGIC ;data : IN STD_LOGIC ;q : OUT STD_LOGIC);END mydff;ARCHITECTURE SYN OF mydff ISSIGNAL sub_wire0 : STD_LOGIC_VECTOR (0 DOWNTO 0);SIGNAL sub_wire1 : STD_LOGIC ;SIGNAL sub_wire2 : STD_LOGIC ;SIGNAL sub_wire3 : STD_LOGIC_VECTOR (0 DOWNTO 0);COMPONENT lpm_ffGENERIC (lpm_fftype : STRING;lpm_type : STRING;lpm_width : NA TURAL);PORT (clock : IN STD_LOGIC ;q : OUT STD_LOGIC_VECTOR (0 DOWNTO 0);data : IN STD_LOGIC_VECTOR (0 DOWNTO 0) );END COMPONENT;BEGINsub_wire1 <= sub_wire0(0);q <= sub_wire1;sub_wire2 <= data;sub_wire3(0) <= sub_wire2;lpm_ff_component : lpm_ffGENERIC MAP (lpm_fftype => "DFF",lpm_type => "LPM_FF",lpm_width => 1)PORT MAP (clock => clock,data => sub_wire3,q => sub_wire0);END SYN;(2).VHDL结构式描述顶层--Top level entity xiaodoulibrary ieee;use ieee.std_logic_1164.all;entity xiaodou isport( d_in,clk:in std_logic;clk_out:out std_logic);end xiaodou;architecture xiaodou_arch of xiaodou is component mydff is --元件例化PORT(clock : IN STD_LOGIC ;data : IN STD_LOGIC ;q : OUT STD_LOGIC);END component;signal x,y:std_logic;begindff1:mydff port map(clock=>clk,data=>d_in,q=>x); dff2:mydff port map(clk,x,y);clk_out<=x and (not y);end xiaodou_arch;(3).功能仿真波形:2.移位寄存器(1).74194功能验证电路(2).74194功能仿真结果仿真分析:clrn=1,clk上升时,s为11,移位寄存器并行置数,此时abcd=1010,q_abcd=1010;clrn=0,移位寄存器进行清零,此时有q_abcd=0000;clrn=1,clk上升时,s为01,sl_sr为01,移位寄存器串行右移补1,输出q_abcd=1000;clrn=1,clk上升时,s为01,sl_sr为10,移位寄存器串行右移补0,输出q_abcd=0100;clrn=1,clk上升时,s为10,sl_sr为10,移位寄存器串行左移补1,输出q_abcd=1001;clrn=1,clk上升时,s为10,sl_sr为01,移位寄存器串行左移补0,输出q_abcd=0010。
移位寄存器实验报告篇一:移位寄存器实验报告移位寄存器实验报告(一)实验原理移位寄存器是用来寄存二进制数字信息并且能进行信息移位的时序逻辑电路。
根据移位寄存器存取信息的方式可分为串入串出、串入并出、并入串出、并入并出4种形式。
74194是一种典型的中规模集成移位寄存器,由4个RS触发器和一些门电路构成的4位双向移位寄存器。
该移位寄存器有左移,右移、并行输入数据,保持及异步清零等5种功能。
有如下功能表(三)实验内容1. 按如下电路图连接电路十个输入端,四个输出端,主体为74194. 2. 波形图参数设置:End time:2usGrid size:100ns 波形说明:clk:时钟信号;clrn:置0 s1s0:模式控制端 sl_r:串行输入端 abcd:并行输入 qabcd:并行输出结论:clrn优先级最高,且低有效高无效;s1s0模式控制,01右移,10左移,00保持,11置数重载;sl_r控制左移之后空位补0或补1。
3. 数码管显示移位(1)电路图(2)下载验证管脚分配:a,b,c,d:86,87,88,89 bsg[3..0]:99,100,101,102 clk:122 clk0:125 clrn:95 q[6..0]:51,49,48,47,46,44,43 s0,s1:73,72 sl_r:82,83 结论:下载结果与仿真结果一致,下载正确。
一、实验日志1.移位寄存器的实验真的挺纠结的,本来想用7449的,但是下载结果出现了错误,想到它在这个电路图中的功能比较单一,就自己写了一个my7449,终于对了。
五、思考题(1)简单说明移位寄存器的概念及应用情况?概念:移位寄存器是用来寄存二进制数字信息且能进行信息移动的时序逻辑电路。
根据移位寄存器存取信息的方式不同可以分为串入串出,串入并出,并入串出,并入并处4种形式。
应用:移位寄存器可以构成计数器,顺序脉冲发生器,串行累加器,串并转换,并串转换等。
实验七移位寄存器及其应用一、实验目的1. 掌握中规模4位双向移位寄存器逻辑功能及使用方法。
2. 熟悉移位寄存器的应用——环形计数器。
二、实验原理1. 移位寄存器是一个具有移位功能的寄存器,是指寄存器中所存的代码能够在移位脉冲的作用下依次左移或右移。
既能左移又有右移的称为双向移位寄存器,只需要改变左、右移的控制信号便可实现双向移位要求。
根据移位寄存器存取信息的方式不同分为:串入串出、串入并出、并入串出、并入并出四种形式。
本实验选用的4位双向通用移位寄存器,型号为74LS194或CC40194,两者功能相同,可互换使用,其逻辑符号及引脚排列如图1所示。
图 1 74LS194的逻辑符号及其引脚排列其中D3、D2、D1、D为并行输入端,Q3、Q2、Q1、Q为并行输出端;SR为右移串行输入端,SL 为左移串行输入端,S1、S为操作模式控制端;CR为直接无条件清零端;CP为时钟脉冲输入端。
74LS194有5种不同操作模式:即并行送数寄存,右移(方向由Q3→Q0),左移(方向由Q→Q3),保持及清零。
S1、S和CR端的控制作用如表1所示。
表12.移位寄存器应用很广,可构成移位寄存器型计数器;顺序脉冲发生器;串行累加器;可用作数据转换,即把串行数据转换为并行数据,或把并行数据转换为串行数据等。
本实验研究移位寄存器用作环形计致器和串行累加器的线路及其原理。
(1) 环形计数器:把移位寄存器的输出反馈到它的串行输入端,就可以进行循环移位,如图2所示,把输出端Q0和右移串行输入端SR相连接,设初始状态Q3Q2Q1Q=1000,则在时钟脉冲作用下Q3Q2Q1Q将依次变为0100→0010→0001→1000→……,可见它是具有四个有效状态的计数器,这种类型的计效器通常称为环形计数器。
图2电路可以由各个输出端输出在时间上有先后顺序的脉冲,因此也可作为顺序脉冲发生器。
图 2(2)串行累加器(了解内容)累加器是由移位寄存器和全加器组成的一种求和电路,它的功能是将本身寄存的数和另一个输入的数相加,并存放在累加器中。
实验六移位寄存器及其应用
一、实验目的
1、掌握中规模4位双向移位寄存器逻辑功能及使用方法。
2、熟悉移位寄存器的应用—实现数据的串行、并行转换和构成环形计数器。
二、实验原理
1、移位寄存器是一个具有移位功能的寄存器,是指寄存器中所存的代码能够在移位脉冲的作用下依次左移或右移。
既能左移又能右移的称为双向移位寄存器,只需要改变左、右移的控制信号便可实现双向移位要求。
根据移位寄存器存取信息的方式不同分为:串入串出、串入并出、并入串出、并入并出四种形式。
本实验选用的4位双向通用移位寄存器,型号为CC40194或74LS194,两者功能相同,可互换使用,其逻辑符号及引脚排列如图10-1所示。
图10-1 CC40194的逻辑符号及引脚功能
其中 D
0、D
1
、D
2
、D
3
为并行输入端;Q
、Q
1
、Q
2
、Q
3
为并行输出端;S
R
为右
移串行输入端,S
L 为左移串行输入端;S
1
、S
为操作模式控制端;R
C为直接无
条件清零端;CP为时钟脉冲输入端。
CC40194有5种不同操作模式:即并行送数寄存,右移(方向由Q
0→Q
3
),左移
(方向由Q
3→Q
),保持及清零。
S 1、S
和R C端的控制作用如表10-1。
2、移位寄存器应用很广,可构成移位寄存器型计数器;顺序脉冲发生器;串行累加器;可用作数据转换,即把串行数据转换为并行数据,或把并行数据转换为串行数据等。
本实验研究移位寄存器用作环形计数器和数据的串、并行转换。
(1)环形计数器
把移位寄存器的输出反馈到它的串行输入端,就可以进行循环移位,
如图10-2所示,把输出端 Q
3和右移串行输入端S
R
相连接,设初始状态Q
Q
1
Q
2
Q
3
=1000,则在时钟脉冲作用下Q
0Q
1
Q
2
Q
3
将依次变为0100→0010→0001→1000→……,
如表10-2所示,可见它是一个具有四个有效状态的计数器,这种类型的计数器通常称为环形计数器。
图10-2 电路可以由各个输出端输出在时间上有先后顺序的脉冲,因此也可作为顺序脉冲发生器。
图 10-2环形计数器
如果将输出Q
O 与左移串行输入端S
L
相连接,即可达左移循环移位。
(2)实现数据串、并行转换
①串行/并行转换器
串行/并行转换是指串行输入的数码,经转换电路之后变换成并行输出。
图10-3是用二片CC40194(74LS194)四位双向移位寄存器组成的七位串/并行数
据转换电路。
图10-3 七位串行 / 并行转换器
电路中S 0端接高电平1,S 1受Q 7控制,二片寄存器连接成串行输入右移工作模式。
Q 7是转换结束标志。
当Q 7=1时,S 1为0,使之成为S 1S 0=01的串入右移工作方式,当Q 7=0时,S 1=1,有S 1S 0=10,则串行送数结束,标志着串行输入的数据已转换成并行输出了。
串行/并行转换的具体过程如下:
转换前,R C 端加低电平,使1、2两片寄存器的内容清0,此时S 1S 0=11,寄存器执行并行输入工作方式。
当第一个CP 脉冲到来后,寄存器的输出状态Q 0~Q 7为01111111,与此同时S 1S 0变为01,转换电路变为执行串入右移工作方式,串行输入数据由1片的S R 端加入。
随着CP 脉冲的依次加入,输出状态的变化可列成表10-3所示。
表10-3
由表10-3可见,右移操作七次之后,Q
7变为0,S
1
S
又变为11,说明串行输
入结束。
这时,串行输入的数码已经转换成了并行输出了。
当再来一个CP脉冲时,电路又重新执行一次并行输入,为第二组串行数码转换作好了准备。
②并行/串行转换器
并行/串行转换器是指并行输入的数码经转换电路之后,换成串行输出。
图10-4是用两片CC40194(74LS194)组成的七位并行/串行转换电路,它比
图10-3多了两只与非门G
1和G
2
,电路工作方式同样为右移。
图10-4 七位并行 / 串行转换器
寄存器清“0”后,加一个转换起动信号(负脉冲或低电平)。
此时,由于
方式控制S
1S
为11,转换电路执行并行输入操作。
当第一个CP脉冲到来后,
Q 0Q
1
Q
2
Q
3
Q
4
Q
5
Q
6
Q
7
的状态为0D
1
D
2
D
3
D
4
D
5
D
6
D
7
,并行输入数码存入寄存器。
从而使得G
1
输
出为1,G
2输出为0,结果,S
1
S
2
变为01,转换电路随着CP脉冲的加入,开始执行
右移串行输出,随着CP脉冲的依次加入,输出状态依次右移,待右移操作七次后,
Q 0~Q
6
的状态都为高电平1,与非门G
1
输出为低电平,G
2
门输出为高电平,S
1
S
2
又变为
11,表示并/串行转换结束,且为第二次并行输入创造了条件。
转换过程如表10-4所示。
中规模集成移位寄存器,其位数往往以4位居多,当需要的位数多于4位时,可把几片移位寄存器用级连的方法来扩展位数。
三、实验设备及器件
1、+5V直流电源
2、单次脉冲源
3、逻辑电平开关
4、逻辑电平显示器
5、 CC40194×2(74LS194) CC4011(74LS00) CC4068(74LS30)
四、实验内容
1 、测试CC40194(或74LS194)的逻辑功能
按图10-5接线,R C、S
1、S
、S
L
、
S R 、D
、D
1
、D
2
、D
3
分别接至逻辑开关的
输出插口;Q
0、Q
1
、Q
2
、Q
3
接至逻辑电平
显示输入插口。
CP端接单次脉冲源。
按
表10-5所规定的输入状态,逐项进行测
试。
图10-5 CC40194逻辑功能测试
(1)清除:令R C=0,其它输入均为任意态,这时寄存器输出Q0、Q1、Q2、
Q
3
应均为0。
清除后,置R C=1 。
(2)送数:令R C=S
1=S
=1 ,送入任意4位二进制数,如D
D
1
D
2
D
3
=abcd,加
CP脉冲,观察CP=0 、CP由0→1、CP由1→0三种情况下寄存器输出状态的变化,观察寄存器输出状态变化是否发生在CP脉冲的上升沿。
(2)右移:清零后,令R C=1,S
1=0,S
=1,由右移输入端S
R
送入二进
制数码如0100,由CP端连续加4个脉冲,观察输出情况,记录之。
(4) 左移:先清零或予置,再令R C=1,S
1=1,S
=0,由左移输入端S
L
送
入二进制数码如1111,连续加四个CP脉冲,观察输出端情况,记录之。
(5) 保持:寄存器予置任意4位二进制数码abcd,令R C=1,S
1=S
=0,加CP
脉冲,观察寄存器输出状态,记录之。
2、环形计数器
自拟实验线路用并行送数法予置寄存器为某二进制数码(如0100),然后进行右移循环,观察寄存器输出端状态的变化,记入表10-6中。
3、实现数据的串、并行转换
(1)串行输入、并行输出
按图10-3接线,进行右移串入、并出实验,串入数码自定;改接线路用左移方式实现并行输出。
自拟表格,记录之。
(2)并行输入、串行输出
按图10-4接线,进行右移并入、串出实验,并入数码自定。
再改接线路用左移方式实现串行输出。
自拟表格,记录之。
五、实验报告
1、分析表10-4的实验结果,总结移位寄存器CC40194的逻辑功能并写入表格功能总结一栏中。
1、根据实验内容2 的结果,画出4位环形计数器的状态转换图及波形图。