市政工程施工危险源辨识清单
- 格式:doc
- 大小:364.50 KB
- 文档页数:8
市政道路工程重大危险源清单及辨识表背景市政道路工程为城市改造和发展提供了必要的基础设施,但在建设过程中,也会产生一定的危险源。
为了确保市政道路工程的安全,必须建立和完善相关的安全管理体系,以减少工程建设中可能出现的人身伤害和财产损失。
为了实现市政道路工程的安全建设,需要制定清单和辨识表,明确市政道路工程中可能存在的危险源以及辨识方式,加强工程安全管理,确保工程施工期间和交付后的运营经营安全。
市政道路工程重大危险源清单1. 施工人员操作不当施工人员操作不当是市政道路工程中最常见的危险源之一。
施工人员操作车辆和机械设备时,如果不能熟练掌握设备的操作方法,或者操作不当,很容易发生危险事故,造成人身伤害和财产损失。
辨识标准•在施工现场,应设立明显的安全提示标识,提醒施工人员遵守相关的操作规程和操作指导;•对从未操作过某种设备的施工人员,应进行相关的操作培训和考核,确保操作能力符合要求;•对每台设备都应进行定期的安全检查,确保设备运转正常。
2. 高空作业市政道路工程中需要进行一些高空作业,如桥梁施工、挂悬线路等。
高空作业极易造成人身伤害和财产损失,因此需要采取有效的防范措施,避免发生危险事故。
辨识标准•针对每个高空作业项目,需要制定详细的操作方法和安全操作规程,并由专业人员进行现场指导和监督;•在高空作业现场应设置围挡和安全防护网等安全设施,防止人员和物品从高处坠落。
3. 掘进施工在市政道路工程中,需要进行掘进施工,如隧道和桥梁基础施工。
掘进施工容易造成地质灾害和结构灾害,因此需要采取相应的安全措施,确保施工过程中人身安全和工程质量。
辨识标准•在进行掘进施工前,必须对地质情况进行全面了解,制定相应的措施和方案,确保掘进过程中的稳定和安全;•对于大型掘进施工,应进行严格的安全评估和预警,确保施工期间人身安全和工程质量。
4. 燃气与电气设施施工市政道路工程中需要施工燃气和电气设施,如市政排水设施、市政供电设施、道路照明设施等。
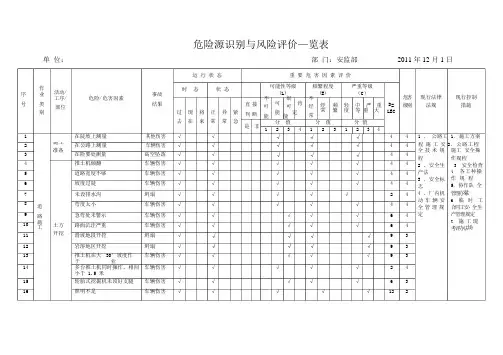
危险源识别与风险评价—览表部 门:安监部2011 年 12 月 1 日单 位:运 行 状 态重 要 危 害 因 素 评 价作活动/ 序 业 工序/危险/危害因素事故时 态 状 态可能性等级(L) 不 很频繁程度 严重等级(E) (C )不危害 现行法律现行控制 号类 部位结果直 接 可 肯可 可 经 经 频 轻 中 严 重 D= 级别 法规 措施 别过 现 将 正 异 紧 判 断 能 能 能 定 去 在 来 常 常 急 分 值是 非常 繁 度 等 重 大 常分 值 分 值LEC准备全 技 术 规 程 2 、安全生产法 3 .安全标志 4 .厂内机动 车 辆 安全 管 理 规定施工 安全操作规程3. 安全检查4. 各工种操作 规 程5.协作队 全管理办安法 6. 临 时 工合同工安、全生产管理规定 7. 施 工 现考评办法场 3 在险要处测量 高空坠落 √ √ √√ √ 4 4 4 推土机倾翻 车辆伤害 √ √ √ √ √ 4 4 5 道路宽度不够 车辆伤害 √ √ √ √ √ 4 4 6 坡度过陡 车辆伤害 √ √ √ √ √ 4 4 7 未设排水沟坍塌 √ √ √ √ √ 2 4 8 道 弯度太小 车辆伤害 √ √ √√ √ 4 49 路 急弯处未警示 车辆伤害 √ √ √ √ √ 6 4 10 施 土方 工路面沆洼严重 车辆伤害 √ √√√ √ 6 4 11 开挖滑坡地段开挖 坍塌 √ √ √ √ √9 3 12 岩溶地区开挖坍塌√√√√√9 3 13推土机在大 30°坡度作 车辆伤害 √√√√√93于 业14多台推土机同时操作,相间 车辆伤害 √√√√√24小于 1.5 米15 轮胎式挖掘机未顶好支腿 车辆伤害 √ √√√√6 3 16 照明不足车辆伤害√√√√√1221 2 3 41 2 3 1 2 3 41 在陡坡上测量其他伤害 √ √ √ √ √ 4 4 1 . 公路工 1.施工方案 2施工 在公路上测量 车辆伤害 √ √√√ √ 4 4 程 施 工 安 2.公路工程危险源识别与风险评价—览表部门:安监部2011 年12 月1 日单位:运行状态重要危害因素评价作活动/序业工序/危险/危害因素事故时态状态可能性等级(L)不很频繁程度严重等级(E)(C)不危害现行法律现行控制措号类部位结果直接可肯可可经经频轻中严重D= 级法规施别过现将正异紧判断能能能定常常繁度等重大LEC 别是非路照明不足1..公路工程施工安全技术规程2..安全标志3..厂内机动车辆安全管理规定1.施工方案2.公路工程施工安全操作规程3.安全检查4.各工种操作规程5.协作队安全管理办法6.临时工、合同工安全生产管理规定7.施工现场考评办法去在来常常急分值分值分值1234123123417 机械掏没挖土坍塌√√√√√9318 雨天作业坍塌√√√√√2419 不及时处理松动土坍塌√√√√√6420 取土场坍塌区未设警示人员误入其他伤害√√√√√6421 作业无专人指挥车辆伤害√√√√√6422 多台铲运机作业相间距车辆伤害√√√√√64离小于 2 米23 运输车辆离合器制动失道车辆伤害√√√√√64灵24 车辆伤害√√√√√6425 施弃土场不及时推平整理工坍塌√√√√√6426 车辆超载车辆伤害√√√√√6427 装载不匀车辆伤害√√√√√6428 弃土危险地段卸土无人指挥车辆伤害√√√√√12 4场29 翻斗卸顶过快车辆伤害√√√√√6430 车辆卸土太靠边车辆伤害√√√√√9431 照明不足车辆伤害√√√√√93危险源识别与风险评价—览表单 位:部 门:安监部2011 年 12 月 1 日运 行 状 态重 要 危 害 因 素 评 价作活动/ 序 业 工序/危险/危害因素事故时 态 状 态 可能性等级(L) 不 很 频繁程度(E)不严重等级 (C ) 危害 现行法律法 现行控制措 号类 部位结果直接 可 肯 经 频 可 可 经 轻 中 严 重 D= 级规 施 别过 现 将 正 异 紧 判断 能 能 能 定 常常 繁 去 在 来 常 常 急 分 值 分 值是 非度 等 重 大 LEC 别分 值1 2 3 4 1 2 3 1 2 3 432 无证人员上岗操作 机械伤人 √ √ 1 1 .安全生产 1.施工方案33 作业面未设警戒标志 车辆伤害 √ √ √ √ √ 4 4 法 2 .公路工程 2 . 公路工程 施工安全操34 车辆行驶太靠边 车辆伤害 √ √ √ √ √ 4 4 施工安全技 作规程35 土石 倒车车速过快车辆伤害√ √ √ √ √ 4 4 术规程3.安全检查 方填3.安全标志 4 .各工种操 36 机械带病作业 筑 车辆伤害 √ √ √ √ √ 4 4 4 . 厂内机动 作规程37无证驾驶车辆伤害√ √ 1 车辆安全管5.协作队安理规定 管全理办法38 道 车斗、驾驶楼外侧带人 车辆伤害 √ √ 1 6.临时工、39 路 不听从现场指挥 车辆伤害 √ √ √ √ √ 4 4 同合工安全生产 管理规定施 40 工高处作业脚手无防护栏 坠落 √ √ √ √ √ 12 3 7.施工现场41 作业脚手坍塌坠落√ √ √ √ √ 12 3评考办法 42 高处抛物掷物品物体打击 √√√√√44高边43 坡作 交叉作业 物体打击 √ √ √ √√8 3 44 业 探头脚手板 坠落 √ √ √ √ √ 6 4 45 坍塌区未设警戒 其他 伤害 √ √ √ √ √ 6 4 46未及时清除浮土坍塌√√√√√64单位:部门:安监部2011 年12 月1 日运行状态重要危害因素评价作活动/序业工序/危险/危害因素事故时态状态可能性等级(L)不很频繁程度(E)不严重等级(C)危D=害现行法律法规现行控制措施号类部位结果直接可肯可可经经频轻中严重LE 级别过现将正异紧判断能能能定常常繁去在来常常急分值分值是非474849505152535455565758 度等重大C分值别1.公路工程施工安全技术规程2.中华人民共和国道路交通规则3.有毒作业危害分级监察规定4.施工现场临时用电安全技术规范1.施工方案2.公路工程施工安全操作规程3.安全检查4.各工种操作规程5.协作队安全管理办法6.临时工、合同工安全生产管理规定7.施工现场考评办法12341231234排水搅拌机安全装置失灵机械伤害√√√√√83沟砌筑搅拌机漏电触电√√√√√83高坡滚石物体打击√√√√√64超速行驶车辆伤害√√√√√12 3超载行驶车辆伤害√√√√√83道路违章带人车辆伤害√√√√√64施无证驾驶车辆伤害√√√1工路面酒后驾驶车辆伤害√√√1工程倒车车速过快车辆伤害√√√√√83安全装置失灵机械伤害√√√√√12 3摊铺机作业无专人指挥车辆伤害√√√√√83沥青作业中毒√√√√√83单位:部门:安监部2011 年12 月1 日运行状态重要危害因素评价作活动/序业工序/危险/危害因素事故时态状态可能性等级(L)不很频繁程度(E)不严重等级(C)危D=害现行法律现行控制措号类部位结果直接可肯可可经经频轻中严重LE 级法规施别596061626364道路65施工666768697071过现将正异紧判断能能能定常常繁去在来常常急分值分值是非度等重大C分值别1.施工临时用电安全技术规范2.焊接与切割安全3.有毒作业分级4.氧气及相关气体安全技术规程5.劳动防护服、防寒保暖要求1.施工方案2..公路工程施工安全操作规程3.安全检查4..各工种操作规程5.协作队安管全理办法6.临时工、同合工安全生产管理规定 7.施工现场评考办法12341231234刻缝机安全装置失灵机械伤害√√√√√64乙炔、氧气安全距离不够爆炸火灾√√√√√12 2电焊作业尘肺√√√√√83电焊强光灼烫√√√√√83路面氧气、乙炔瓶高温暴晒爆炸√√√√√24 1工程水泥搅拌粉尘√√√√√83电线、电机漏电触电√√√√√83烈日作业高温√√√√√83严寒作业低温√√√√√83线路零乱、超负火灾√√√√√12 2临时一闸多机火灾√√√√√83用电电机不接零、不接地触电√√√√√12 2缺相使用火灾√√√√√44单位:部门:安监部2011 年12 月1 日运行状态重要危害因素评价作活动/序业工序/危险/危害因素事故时态状态可能性等级(L)不很频繁程度(E)不严重等级(C)危D=害现行法律现行控制措号类部位结果直接可肯可可经经频轻中严重LE 级法规施别596061626364管道65施工666768697071 沟槽、坑开挖槽、坑内施工顶管作业过现将正异紧判断能能能定常常繁去在来常常急分值分值是非度等重大C分值别1.施工临时用电安全技术规范2.焊接与切割安全3.有毒作业分级4.氧气及相关气体安全技术规程5.劳动防护服、防寒保暖要求1.施工方案2..公路工程施工安全操作规程3.安全检查4..各工种操作规程5.协作队安管全理办法6.临时工、同合工安全生产管理规定 7.施工现场评考办法12341231234人工开槽作业间距过小物体打击√√√√√83掏洞、从下向上拓槽土方坍塌√√√√√12 2临边防护不到位高处坠落√√√√√83槽边堆物堆料土方坍塌√√√√√12 2机械开槽指挥不当机械伤害√√√√√12 2触及地下电缆触电√√√√√83槽坡土体不稳土方坍塌√√√√√83槽坡放坡、支护不当土方坍塌√√√√√12 2人员上下沟槽高处坠落√√√√√83管前超挖土方坍塌√√√√√12 2地下水位高、土质不良管前坍塌√√√√√83顶距过长、长时间停顿窒息√√√√√12 2坑内用电非安全电压触电√√√√√44单位:部门:安监部2011 年12 月1 日运行状态重要危害因素评价作活动/序业工序/危险/危害因素事故时态状态可能性等级(L)不很频繁程度(E)不严重等级(C)危D=害现行法律现行控制措号类部位结果直接可肯可可经经频轻中严重LE 级法规施别727374757677管道78施79工8081828384 顶管作业装配式检查井、雨水口安装过现将正异紧判断能能能定常常繁去在来常常急分值分值是非度等重大C分值别1.施工临时用电安全技术规范2.焊接与切割安全3.有毒作业分级4.氧气及相关气体安全技术规程5.劳动防护服、防寒保暖要求1.施工方案2..公路工程施工安全操作规程3.安全检查4..各工种操作规程5.协作队安管全理办法6.临时工、同合工安全生产管理规定 7.施工现场评考办法12341231234油泵高压管松落物体打击√√√√√83顶铁过长或变形物体打击√√√√√83防护不到位物体打击√√√√√83顶进中顶铁两侧站人物体打击√√√√√83附近有煤气天然管线中毒√√√√√12 2坑内吸烟使用明火火灾√√√√√83上下投掷物料工具物体打击√√√√√83设备缺陷机械伤害√√√√√83作业人不佩戴防护用品物体打击、机械伤害√√√√√83人工安装装配式雨水口物体打击√√√√√83检查井预支砌块的搬运物体打击√√√√√83砌筑施工现场无安全警示标志物体打击√√√√√83夜间作业照明不足物体打击√√√√√44单位:部门:安监部2011 年12 月1 日运行状态重要危害因素评价作活动/序业工序/危险/危害因素事故时态状态可能性等级(L)不很频繁程度(E)不严重等级(C)危D=害现行法律现行控制措号类部位结果直接可肯可可经经频轻中严重LE 级法规施别85868788起重89 吊装管道90管91道施92工939495电气96 焊接作业9798过现将正异紧判断能能能定常常繁去在来常常急分值分值是非度等重大C分值别1.施工临时用电安全技术规范2.焊接与切割安全3.有毒作业分级4.氧气及相关气体安全技术规程5.劳动防护服、防寒保暖要求1.施工方案2..公路工程施工安全操作规程3.安全检查4..各工种操作规程5.协作队安管全理办法6.临时工、同合工安全生产管理规定 7.施工现场评考办法12341231234起重臂下站人物体打击√√√√√83靠近高压线吊装触电√√√√√83违反“十不吊”作业物体打击√√√√√83指挥不当物体打击√√√√√83机具支腿不稳物体打击√√√√√83防护装置、设施缺陷物体打击√√√√√83钢丝卸卡不合格物体打击√√√√√83钢丝绳出现断裂物体打击√√√√√83作业人不佩戴防护用品物体打击、机械伤害√√√√√83氧气乙炔瓶过近火灾爆炸√√√√√83个人防护不当触电、烫伤√√√√√83液压阀、压力表顺坏火灾爆炸√√√√√83防回火装置失灵爆炸√√√√√83无证上岗触电√√√√√12 2。
市政工程施工危险源识别与风险评估清单完整市政工程施工过程中存在许多危险源,为确保工程施工的安全性和可持续性,必须对这些危险源进行正确的识别和评估。
本文档旨在提供一份完整的市政工程施工危险源识别与风险评估清单,以协助工程团队准确地识别各种潜在危险,并评估其对施工过程和工人安全的风险级别。
施工区域危险源识别清单以下是针对施工区域可能存在的危险源的识别清单:1. 高处作业风险:施工区域是否存在高空作业的需求?是否提供安全护栏和安全网?是否有合适的安全设备和保护措施?2. 资料堆放风险:施工现场是否存在堆放大量材料的情况?是否会对人员的安全和通行带来影响?是否采取了合理的堆放控制措施?3. 机械设备危险:施工区域是否存在机械设备操作风险?是否有合格的操作人员?是否对机械设备进行定期维护和检查?4. 施工场地排水风险:是否存在施工场地积水或排水问题?是否采取了相应的排水措施?是否有必要进行地下管线探测?工人操作风险识别清单以下是针对施工工人操作可能面临的风险的识别清单:1. 高处作业风险:工人是否需要进行高空作业?是否提供了合适的安全设备和保护措施?是否进行了相关的培训和指导?2. 机械设备操作风险:工人是否需要使用各类机械设备进行施工操作?是否具备相关的操作技能和知识?是否严格遵守操作规程和安全规范?3. 物料搬运风险:工人是否需要进行重物搬运工作?是否提供了合适的劳动保护用具?是否进行了相关的人员培训和技能指导?风险评估方法在识别危险源的基础上,需要对每个危险源的风险进行评估。
以下是常用的风险评估方法:1. 可能性评估:根据危险源的性质和施工条件,判断发生事故的可能性。
2. 严重性评估:评估事故发生时对施工人员和项目的潜在影响和损害程度。
3. 风险级别评估:根据可能性和严重性的评估结果,确定每个危险源的风险级别,例如高风险、中风险或低风险。
安全控制措施清单根据风险级别的评估结果,需要采取相应的安全控制措施来降低风险并保障施工过程的安全。
市政、建筑工程危险源辨识与
风险评价清单
目录
1、引用的参考标准及说明 (1)
2、土方工程 (2)
3、钢筋工程 (5)
4、管道工程 (9)
5、给排水工程 (12)
6、混凝土工程 (15)
7、砌体工程 (19)
8、模板工程 (23)
9、屋面工程 (27)
引用的参考标准及说明:
JGJ46-2005《施工现场临时用电安全技术规范》JGJ59-99《建筑施工安全检查标准》
JGJ130-2011《扣件式钢管脚手架安全技术规范》JGJ80-91《建筑施工高处作业安全技术规范》《中华人民共和国行业标准电业安全工作规程》《劳动法》
《危险化学品安全管理条例》
《市政项目部安全生产管理制度》
《建筑施工安全技术措施》
《劳动保护用品管理规定》
五、混凝土工程。
市政道路工程重大危险源清单及辨识表2036市政道路工程重大危险源清单施工单位:XXX项目名称:仙寓山路道路工程序号。
涉及区域作业/场所重大危险源。
可能导致的事故。
应采取的控制措施1.基坑开挖放坡坡度不够。
坍塌等模板坍塌、物体打击触电等人身伤害、财产损失。
支护方案施工按要求进行,确保坡度符合要求2.土方开挖基坑支护未按支护方案施工。
设备倾覆、人身伤害触电等死亡人身伤害、财产损失。
按支护方案施工,确保支撑系统符合要求3.积土、料具等堆放造成坑边超载。
坍塌等模板坍塌、物体打击触电等人身伤害、财产损失。
坑边堆放物品时注意均匀分布,避免超载7.模板工程无针对混凝土输送的安全措施。
坍塌等模板坍塌、物体打击触电等人身伤害、财产损失。
针对混凝土输送制定安全措施,确保施工安全8.模板上施工荷裁超重或堆放不均。
坍塌等模板坍塌、物体打击触电等人身伤害、财产损失。
严格控制荷裁,均匀堆放,确保模板安全9.施工用电。
触电等人身伤害、财产损失、火灾。
严格执行电气安全操作规程,确保用电安全10.管沟开挖。
坍塌等模板坍塌、物体打击触电等人身伤害、财产损失。
安全施工,确保管沟开挖安全11.管材吊装。
坍塌等模板坍塌、物体打击触电等人身伤害、财产损失。
操作人员持证上岗,严格遵守操作规程,确保吊装安全12.车辆出入。
车辆碰撞、行人被撞伤。
划出施工警戒区,加设围栏,严禁无关人员进入13.项目部用电。
触电等人身伤害、财产损失、火灾。
严格执行电气安全操作规程,确保用电安全14.外电防护措施缺乏或不符合要求。
触电等人身伤害、财产损失、火灾。
安装外电防护设备,确保用电安全15.火灾。
火灾。
安装火灾报警器,定期检查,确保施工现场消防安全市政道路工程施工现场危险源辨识施工单位:XXX项目名称:仙寓山路道路工程序号。
施工工序或活动地点。
作业项目/部位。
危害因素。
应采取的控制措施1.材料加工厂、现场临时用电。
电气设备。
触电等人身伤害、财产损失、火灾。
严格执行电气安全操作规程,确保用电安全2.拌合站、施工现场用水带电设备。
市政道路工程的重大危险源清单及辨识表市政道路工程是城市建设的重要组成部分,贯穿于城市各个角落,为人民出行带来很大的便利。
但是,市政道路工程的施工过程中存在着一些危险源,如果不及时识别和控制,可能会对施工人员及周边居民造成不可挽回的损失。
因此,建立市政道路工程的重大危险源清单及辨识表是非常重要的。
一、市政道路工程施工中存在的危险源1.高空作业危险。
市政道路工程中,常常需要进行高空作业,如建立高架桥、拆除建筑物等。
高空作业需要采用专业的设备和安全措施,否则容易发生高空坠落等事故。
2.地下管线危险。
市政道路工程施工过程中,需要进行各种管线敷设,如排水管、燃气管、电缆等。
如果不确定管线的位置及管线的状态,会对施工人员造成危害,并可能引发火灾、爆炸等事故。
3.机械设备危险。
市政道路工程中,使用大量的机械设备,如挖掘机、压路机等。
如果机械设备操作不当,容易发生机械挤压、机械碰撞等事故。
4.施工物坍塌危险。
市政道路工程中,常常需要进行土方作业、围挡施工等。
如果不加强监管,土方坍塌等事故可能会引发多人伤亡。
5.环境污染危险。
市政道路工程中,可能会产生大量垃圾、粉尘等,如果不及时处理,会造成环境污染,从而影响周边居民的健康。
二、市政道路工程施工中重大危险源的辨识为了减少市政道路工程施工中重大危险源的发生,对市政道路工程施工中的危险源进行辨识至关重要。
下面列举了一些常用的辨识方法:1.安全巡查。
施工过程中安排专人负责安全巡查,定期检查每个危险源的状态,并制定相应的防范措施。
2.预先规划。
制定前期规划和设计方案,确定每一个施工环节所涉及到的危险源,并制定应对措施。
3.经验共享。
通过与其他相关单位交流和学习,财富施工经验,学习致命事故的案例,总结经验,并加以改进。
4.监控技术。
市政道路工程施工中,应使用现代技术,如监控摄像头等,用于监测每个危险源的状态和施工进度,及时掌握问题和及时解决危险源。
三、市政道路工程的重大危险源清单为了帮助施工人员及有关部门更好地识别和控制危险源,下面列出市政道路工程的重大危险源清单:危险源名称主要危害序号序危险源名称主要危害号1高空作业高空坠落、物品掉落、视力受损等2地下管线爆炸、火灾、中毒等3机械设备机械挤压、机械碰撞、触电等4施工物坍塌大面积垮塌、碎石伤人、身体挤压等5环境污染垃圾污染、空气污染、水源污染等6渣土车交通危险车祸、人员撞伤、行人被绊倒等7高温作业危险中暑、热伤、脱水等8火灾危险(电焊、切割、喷灯火灾、爆炸等作业)9道路施工误导行车道路拥堵、行车事故、行人伤害等10突发状况(天气变化、环境突易发病、安全事故等变等)注:上表仅部分列出市政道路工程的危险源,实际工程中还存在其他冷门危险源需要关注。
[市政工程建设施工场所危险源清单]危险源辨识清单及措施危险性较大分部分项工程清单土方工程作业过程:土方工程表1 项目活动、产品或服务中的危险源控制措施物理性危险危害因素设备设施缺陷临边防护不稳定,缺少扫地杆,部分基坑缺少防护按照临边防护规定设置1-1.2M,扫地离地面10CM的保护栏杆并加固,符合安全要求后方能投入使用作业人员上下基坑没有设置斜道由架工设置1:3的斜道,两边的防护栏杆高度为1-1.2M 基坑上下人员的斜道扶手不符合安全要求(没有设防滑条或防护栏杆高度不够)同上水泵在使用前没有进行绝缘测试机电人员在使用前对水泵进行检测,符合安全要求的投入使用作业人员没有戴安全帽或没有正确戴安全帽按照《职业健康安全管理制度》的规定进行处理,加强安全教育及配戴防护用品的教育防护缺陷作业人员没有穿防水鞋或光脚作业同上漏电保护器失灵机电人员及时更换,安装完毕后方能投入使用电危害潮湿场所没有使用安全电压由机电人员及时安装安全电压灯具,符合安全要求后方可投入使用碘钨灯的保护零线接触不良按照JGJ46-20__标准,对保护接零检查符合安全要求后,方可投入使用风稿使用给操作者配发耳塞,合理安排作息时间空气压缩机的使用合理确定放置地点,尽量避免对作业人员的影响运动物危害拉土方车辆在施工场地的行使对作业人员的危害根据实际情况,设置安全标志,专人监护挖掘机工作中对周围作业人员的伤害配备专人监护,设立警戒区作业过程:土方工程表2 项目活动、产品或服务中的危险源控制措施心里生理性危害因素负荷极限:体力、听力、视力超过极限重体力劳动时间过长影响作业人员身体健康项目部根据实际情况,合理安排作息时间心理异常心情烦躁、紧张、低落易发生安全问题根据实际情况调整工作时间行为性危害因素指挥失误挖掘机在作业过程中,其他人员离挖掘机的距离过近配备专职人员进行现场监护土方作业前施工人员没有对作业人员进行安全交底按照《职业健康安全管理制度》的规定执行,施工员在岗前进行安全技术交底操作失误机械作业人员没有经过培训,无证上岗项目部组织,由建设行政主管部门进行培训,严禁无证上岗钢筋工程作业过程:钢筋工程表1 项目活动、产品或服务中的危险源控制措施物理性危险危害因素设备设施缺陷钢筋切断机外壳脱落,松动由机电人员进行维修加固钢筋切断机刀口有两处破损由机电人员更换,更换后经检查符合安全要求方可投入使用钢筋机具没有重复接地由机电人员按照JGJ46-20__标准要求增加电危害设备外壳没有保护接零(接地)由机电人员按照JGJ46-20__标准增设重复接地,其电阻值不大于4Ω 机具开关箱没有拉闸上锁,作业或维修中他人可能进行操作依据《职业健康安全管理制度》有关条款对相关人员处罚并组织安全教育,加强管理力度平板车转运钢筋装车不合理时,钢筋散落容易砸伤工人对工人加强安全教育增加自我防范意识,运输钢筋时捆绑牢固后,方可运输。
市政工程建设施工场所危险源清单一、引言市政工程建设是指政府主导的城市基础设施建设项目,包括道路、桥梁、排水系统等,为城市的发展和改善提供了重要的支持。
然而,在市政工程建设施工过程中,存在着各种各样的安全隐患和危险源。
本文旨在总结和归纳市政工程建设施工场所中存在的危险源,并提出相应的安全防范措施,以确保工人和周围居民的安全。
二、常见危险源清单1. 高处作业市政工程建设中常涉及到高处作业,例如建造高架桥、维修高楼等。
这种作业存在着人员坠落、物体掉落等风险。
为了防范此类危险,应提供牢固的工作平台、安全护栏以及安全带等保护措施。
2. 施工机械市政工程建设中使用了大量的施工机械,如挖掘机、推土机等。
这些机械的操作不当或维护不及时可能导致事故发生。
因此,必须对施工机械进行定期检查和维修,并确保操作人员具备相关的技能和证书。
3. 施工现场交通市政工程施工现场通常会有工程车辆和行人交通,缺乏有效的交通管理可能导致交通事故的发生。
应设立临时的交通标志、警示牌和指示牌,引导交通流动,并设置合理的施工通道和行人通道,保证施工现场的安全。
4. 施工现场物料储存市政工程建设过程中涉及大量的物料储存,如水泥、砂石等。
不合理的堆放和储存可能导致物料倾斜、倒塌等事故。
应确定安全的储存位置和方法,并确保储存的物料牢固可靠,不会对周围环境和人员造成影响。
5. 通风与防火市政工程建设中涉及到隧道、地下室等封闭空间,通风和防火是关键的安全问题。
工程施工过程中应保证通风系统的正常运行,以防止有害气体的积累,同时配置合适的防火设备和灭火器材,提高应急处理能力。
6. 环境污染市政工程施工可能会产生粉尘、噪音和废水等环境污染问题,对施工现场及周边环境造成不利影响。
应加强施工现场管理,合理安排作业时间,采取有效的防尘、降噪和废水处理措施,确保环境污染控制达标。
三、安全防范措施1. 建立安全管理制度对市政工程建设项目,应建立完善的安全管理制度,明确责任分工和安全标准,并进行相关人员的培训,提高安全意识。
建筑、轨道交通、市政路桥施工项目危险源辨识清单序场所 / 可能造成的风险类型风险源辨识标准(按照后果号位置GB6441)1、场地排水不畅导致边坡基坑开挖坍塌造成的人员伤害;1 基坑及基础施2、附加荷载导致边坡坍塌人员伤亡坍塌工程工中边坡造成的人员伤害;经济损失坍塌3、不按方案施工导致边坡坍塌造成的人员伤害。
1、搭设材料缺陷导致的坍脚手基坑开挖塌事故;及基础施2、搭设方案设计缺陷导致架和工、结构施的坍塌事故;模板工中脚手3、施工工艺不当导致的坍人员伤亡2 支撑坍塌架及模板塌事故;经济损失体系、支撑体系4、临时结构构造缺陷导致卸料及卸料平的坍塌事故;平台台坍塌5、超载使用造成的坍塌事故。
二次结构1、场地排水不畅导致边坡及机电安市政坍塌造成的人员伤害;人员伤亡3 装阶段市坍塌管沟2、附加荷载导致边坡坍塌经济损失政管沟坍造成的人员伤害。
塌临时工程扫尾临建拆除过程中临建失稳人员伤亡4 阶段临建坍塌建筑坍塌,造成人员伤害。
经济损失拆除动火基坑开挖1、动火作业导致的火灾事人员伤亡作业及基础施故;5 经济损失火灾场所、工、结构施2、易燃易爆物品、危险化学环境影响危化工、二次结品(如涂料、卷材、油漆、序 场所 /风险源辨识标准可能造成的(按照 号位置后果GB6441)品 使 构及机电 稀料)存放使用过程导致的用 及 安装、装修 火灾事故。
储 存 工程 场所物 料 基坑开挖 1、堆放区地基失稳造成的堆 放 物料倾覆事故;及基础施 人员伤亡 6 区、模 2、物料堆放无序、超高、超物体打击板 堆工、结构施 载造成的倾覆事故;经济损失工放区 3、大模板倾覆造成的事故。
物 料 二次结构 1、堆放区地基失稳造成的物料倾覆事故;人员伤亡 7 堆 放 及机电安2、物料堆放无序、超高、超 物体打击区、 装经济损失载造成的倾覆事故。
基坑开挖及基础施工 程 工、结构施 机动车辆在行驶中由于碰8车 辆 工、二次结 撞、碾轧、刮擦、翻车、坠 人员伤亡 行 驶 构及机电 车等引起人员伤亡或经济车辆伤害经济损失区域安装阶段、 损失。