安全标准化示范班组评定标准和考评细则
- 格式:pptx
- 大小:1.83 MB
- 文档页数:87
安全生产标准化班组考评标准
一、本考评标准适用于各单位安全生产标准化班组达标升级和考评验收、等级评定。
二、安全生产标准化班组评分办法按照10项考评类目进行评分,总分100分。
具体分值明细见表1。
三、本考评标准中累计扣分的,直到该考评项目分数扣完为止。
如发现弄虚作假现象,所考评项目单项得分视为0分。
四、对照考评内容、评分办法,对考评类目和项目进行定量考评。
依据各考评类目实际得分,最终换算成安全标准化百分制得分。
换算公式如下:标准化得分(百分制)=标准化工作评定得分÷(100-不参与考评内容分数之和)×100。
最后得分采用四舍五入,取小数点位后两位数。
五、安全生产标准化班组等级共分为三个等级,一级为最高等级。
评审等级须同时满足标准化得分和安全绩效得分两个指标,取其中较低的等级确定最后标准化等级。
具体等级划分见表2。
六、事故否决和降级
1、班组参加等级评定前的一年内发生轻伤以上事故的,不得参与班组等级考评;
2、凡考评合格的班组,如果发生轻伤以上事故,取消安全生产标准化班组称号;
3、凡考评合格的班组,如果发生微伤事故,属二级以上班组则予以降级;三级班组应当重新考评并确定安全生产标准化等级。
七、《安全生产标准化班组考评办法》见表3。
表1:安全生产标准化班组考评类目与分值表
表2:安全生产标准化班组评定表
表3:安全生产标准化班组考评办法
附件:
作业区班组岗位应急演练(岗位练兵)记录
11。
标准化班组评价标准和考核办法细则
(修改说明)
一、本细则沿用百分制评分办法,评价标准分为十大项,每项10分,共计100分,考评获80分以上的并没有发生否决项的班组,为达到标准化班组条件。
大部分考评项目采用扣分法,扣分不受基本分限制,少部分考评项目可以加分,累计最多可加至140分。
二、标准化班组的否决条件,均为一票否决。
对否决项,本《细则》中不用扣分办法处理。
否决条件为下列其中之一的:
1.年度内未全面完成生产任务和考核指标;
2.年度和申报期内发生轻伤及以上人身事故;
3.年度和申报期内发生责任设备事故、责任质量事故;
4.年度和申报期内有受行政记过以上处分或受拘留以上刑事处罚的职工;
5.现场管理、班容班貌明显脏、乱、差的。
标准化班组评价标准和考核办法细则
︶。
安全标准化示范班组评定标准和考评细则一、评定标准1. 安全生产意识评定标准:评估班组对安全生产的认知、重视程度、责任感和主动控制风险的能力等方面,包括以下方面:(1)班组成员认识安全标准化的重要性及其实施要求;(2)班组成员能否重视安全生产、认识风险;(3)班组成员对安全生产负有的主体责任;(4)班组成员能否掌握相关安全生产法律法规和标准,对安全风险进行评估和控制;(5)班组成员能否在工作中合理利用安全设施,落实安全生产措施。
2. 安全生产控制评定标准:评估班组对工作风险的掌控和控制能力,是否能够依照标准要求进行安全生产的管理和实施。
(1)班组成员在工作中遵循安全规章制度,是否能够有效控制危险源;(2)班组成员在工作中能否根据标准要求使用防护用品,避免安全事故的发生;(3)班组成员能否按照安全生产要求开展工作,是否能够有效预防和控制事故发生;(4)班组成员在应对安全突发事件时的应急反应和处理能力;(5)班组成员能否合理利用现有资源,控制人力、财力和物力的投入,提高安全生产的效益。
3. 安全经验总结评定标准:评估班组在安全管理措施、应急处理、安全生产责任制度等方面的经验总结和不足,并能够提出相应的改进措施,包括以下方面:(1)班组成员对安全管理措施的理解和实施情况;(2)班组成员对事故原因的追查和分析,总结安全生产经验;(3)班组成员对工作中出现的安全生产问题的主动发现和解决能力;(4)班组成员对已有安全管理措施不足之处的反思,并能够提出相应的改进措施;(5)班组成员对日常工作中安全生产制度和管理规定的遵守情况,是否存在违规行为等情况。
二、考评细则1. 评估班组成员对安全标准化的理解和实施情况。
分别对班组成员进行面试、问卷调查、文献资料的查阅等方式,了解班组成员对安全标准化的认知程度和组织实施情况,并对答题情况进行记录打分。
2. 评估班组成员在日常工作中的安全生产控制能力。
督促班组成员按照安全规章制度和标准要求进行操作和使用防护用具,现场实操观察和评估成员对危险源控制和风险防范措施的实施情况,并对实操情况进行打分。
XXX公司安全标准化班组创建考评办法第一章总则第一条为了全面落实XXX公司(以下简称公司)各级岗位人员安全生产主体责任,夯实公司安全生产基层、基础管理,推进公司安全文化建设,提高企业班组安全科技管理、规范管理、标准化管理水平,根据根据国家电监会《关于加强电力企业班组安全建设的指导意见》(电监安全〔2012〕28号)、《发电企业安全生产标准化规范及达标评审标准》(电监安全〔2011〕23号)以及公司安全文化建设的实际情况,特制定本制度。
第二条本制度规定了公司开展“安全标准化班组”的创建工作内容和考评标准。
第三条本制度适用于本公司各单位生产性班组开展“安全标准化班组”达标活动。
第二章组织领导第四条公司“安全标准化班组”考评领导小组组长:总经理副组长:生产副总经理成员:安全监察部、人力资源部、发电部、设备部、维护部及各外委项目部行政第一负责人。
第五条公司“安全标准化班组”考评领导小组下设办公室,办公室挂靠在安全监察部。
主任:安全监察部部长副主任:安全监察部副部长(或助理)成员:安全监察部全体成员及大监督人员第六条部门贯标创建领导小组组长:各部门行政第一负责人副组长:各部门行政副职(或助理)成员:部门安全员、部门所属班组长、班组安全员第七条工作职责(一)公司考评领导小组职责:负责研究决策、组织领导、检查指导、总结考评“安全标准化班组”创建工作的有序开展。
(二)基层贯标创建领导小组职责:负责组织发动、宣传培训、贯彻实施、检查改进、总结自评、对标申报等具体工作的开展,确保“安全标准化班组”创建目标的实现。
(三)常设办公室职责:负责组织策划、宣传布置、督促指导、检查纠正、考评验收、总结表彰公司“安全标准化班组”创建工作的开展,确保基层“安全标准化班组”创建目标的实现。
第三章申报和验收第八条公司级“安全标准化班组”申报,由各班组对照《安全标准化班组考核验收标准》进行创建、贯标和自评,部门贯标创建领导小组审核,且自评得分在85分以上的,填报《安全标准化班组申报表》报送公司领导小组办公室。
附件1安全管理标准化示范班组评定标准为了贯彻落实《国务院关于进一步加强企业安全生产工作的通知》、《企业安全生产标准化基本规范》等法律法规和标准,推动企业基层班组安全管理规范化、标准化工作,特制定本标准。
第一章总则第一条本标准适用于各类工矿商贸及服务类企业安全管理标准化示范班组的创建、培训、咨询、服务和评审.第二条本标准依据《关于进一步加强企业安全生产工作的通知》国发[2010] 23号、《安全生产事故隐患排查治理暂行规定》国家安监总局令第16号、《关于深入开展企业安全生产标准化岗位达标工作的指导意见》《企业安全生产标准化基本规范》AQ/T 9006—2010等国家法律、法规和标准编制。
第三条标准中所涉及的班组是指:企业中最小的行政单位,是企业内部最基层的劳动和管理组织.是在劳动分工的基础上,把生产过程中相互协同的同工种工人、相近工种或不同工种工人组织在一起,从事生产活动的一种组织。
第四条标准中所涉及本质安全的定义为:本质安全是指通过设计等手段使生产设备或生产系统本身具有安全性,即使在误操作或发生故障的情况下也不会造成事故的功能。
本质安全,就是通过追求企业生产流程中人、物、系统、制度等诸要素的安全可靠和谐统一,使各种危害因素始终处于受控制状态,进而逐步趋近本质型、恒久型安全目标.本质安全型员工包括两方面基础性含义:一是在本质上有着对安全的需要。
二是通过教育引导和制度约束,可以实现系统及个人岗位的安全生产无事故。
通俗的说就是:想安全,会安全,能安全。
本质安全型班组是指,班组建立和形成了安全生产长效机制,即使在存在安全隐患的条件下,也能够依靠班组内部的功能保障和制度约束,实现本班组及岗位长效安全生产.第五条安全管理标准化示范班组评定标准(以下称评定标准)可概括为“5831”模型:即五项基础、八大支柱、三项支撑和一个目标。
上述四大模块共同构建成一个“班组安全屋”。
第二章一般要求第六条班组安全管理工作,应遵循“安全第一、预防为主、综合治理”的方针;坚持以人为本,激发班组活力;根据安监总管四[2011]82号《关于深入开展企业安全生产标准化岗位达标工作的指导意见》的要求,做到“岗位有职责、作业有程序、操作有标准、过程有记录、绩效有考核、改进有保障”。
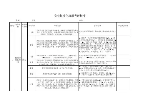
安全生产标准化示范班组达标评级标准单位名称:班组名称:第三章安全基础管理3.1 岗位与职责(10分)序号项目内容标准分评分标准实得分3.1.1 班组长班组长是班组安全工作的第一责任人,对班组安全工作负全责。
2①未建立组长是班组安全工作的第一责任人,不得分。
②指标不全面、内容有缺失,扣1分。
③指标不明确,不易于员工获取并贯彻落实,扣1分。
④未以正式方式下达,扣1分。
3.1.2 安全员班组应按要求设置兼职安全员,其职责是协助班组长开展班组安全管理工作。
2①未设置兼职安全员的,不得分。
②职责不明确、不具体,未结合岗位特点,扣2分。
3.1.3 群众安全监督员班组必须按要求设兼职的群众安全监督员,其业务受车间的领导,主要职责是监督班组长、班组安全员是否按上级要求认真开展班组安全管理工作,是否遵章守纪,是否按“五同时”的要求开展安全生产工作。
群众安全监督员发现班组安全管理存在的问题时,要及时通过各种有效方式逐级反馈。
2①未设兼职的群众安全监督员的不得分。
②未制定监督班组长、班组安全员考核职责办法的,扣2分。
③群众安全监督员发现班组安全管理存在的问题时,未及时通过各种有效方式逐级反馈的,扣1分。
3.1.4 临时负责人班组分散作业时,每个分散工作团队的负责人即为安全负责人。
安全员不在岗时,班组长必须明确安全代管人员。
班组长不在岗时,安全员有权安排班组有关人员处理与安全有关的工作。
2①分散作业时,未明确负责人即为安全负责人的,不得分。
②安全员不在岗时,班组长必须未明确安全代管人员的,扣2分。
③班组长不在岗时,安全员为未明确班组有关人员处理与安全有关的工作的,扣1分。
3.1.5 员工建立班组成员“一岗双责”,明确各岗位在完成生产任务的同时应履行的安全责任。
2①未建立班组成员“一岗双责”的,不得分。
②未明确各岗位在完成生产任务的同时应履行的安全责任的,扣2分。
3.2 制度、规程和标准(12分)序号项目内容标准分评分标准实得分3.2 .1 规章制度班组应建立健全安全生产规章制度,并发放到员工,规范员工的生产作业行为。