无刷直流电动机PWM 控制方案
- 格式:doc
- 大小:916.50 KB
- 文档页数:11
0 前言在电气时代的今天,电动机一直在现代化的生产和生活中起着十分重要的作用,无论在工业农业生产、交通运输、国防航空航天、医疗卫生、商务与办公设备,还是在日常生活中的家用电器,都在大量地使用着各式各样的电动机。
据资料统计,现在有的90%以上的动力源来自于电动机,电动机与人们的生活息息相关,密不可分。
随着现代化步伐的迈进,人们对自动化的需求越来越高,使电动机控制向更复杂的控制发展。
直流电动机具有优良的调速特性,调速平滑、方便,调速范围广,过载能力大,能承受频繁的冲击负载,可实现频繁的无级快速起动、制动和反转,能满足生产过程自动化系统各种不同的特殊运行要求。
直流调速技术不断发展,走向成熟化、完善化、系列化、标准化,在可逆脉宽调速、高精度的电气传动领域中仍然难以替代。
直流电机的数字控制是直流电动机控制的发展趋势,用单片机的数字控制的发展趋势,用单片机进行控制是实现电动机数字控制的最常用的手段。
由于电网相控变流器供电的直流电机调速系统能够引起电网波形畸变、降低电网功率因数,除此之外,该系统还有体积大、价格高、电压电流脉动频率低、有噪声等缺点。
而采用直流电动机的PWM调速控制系统可以克服电网相控调速系统的上述诸多缺点。
电动机的控制技术的发展得力于微电子技术、电力电子技术、传感器技术、永磁材料技术、电动控制技术、微机应用技术的最新发展成果。
正是这些技术的进步使电机控制技术在近20多年内发生了翻天覆地的变化,其中电动机的控制部分已由模拟控制逐渐让位于以单片机为主的微处理器控制,形成数字和模拟的混合控制系统和纯数字控制的应用,并曾向全数字化控制方向快速发展。
电动机的驱动部分所用的功率器件经历了几次更新换代,目前开关速度更快、控制更容易的全控型功率器件MOSFET和IGBT成为主流。
功率器件控制条件的变化和微电子技术的使用也使新型的电动控制方法能够得到实现,脉宽调制控制方法(PWM和SPWM),变频技术在直流调速和交流调速中获得广泛的应用。
无刷直流电机pwm调速原理
无刷直流电机(BLDC)是一种电动机,其转子上没有传统的电刷。
相比传统的有刷直流电机,BLDC电机拥有更高的效率和可靠性。
为了实现BLDC电机的调速,通常使用PWM(脉宽调制)技术。
PWM调速原理如下:在电机电源上加上一个有特定占空比的方波信号,即PWM信号。
PWM信号的占空比决定了电机的平均电压,从而决定了电机的转速。
当PWM信号的占空比增加时,电机的平均电压也会增加,电机的转速也会随之增加。
反之,当PWM信号的占空比减小时,电机的平均电压也会减小,电机的转速也会减小。
BLDC电机的控制主要包括两个方面:判断当前转子位置和根据位置控制电机。
判断转子位置通常采用霍尔传感器或反电动势感应法。
在控制电机时,可以采用开环控制或闭环控制。
开环控制指直接根据PWM信号控制电机转速;闭环控制则需要通过传感器反馈来调整PWM信号的占空比,使电机达到预期转速。
PWM调速技术不仅可以用于BLDC电机,也可以用于其他类型的电机调速。
通过合理的PWM信号设置,可以实现电机的精确调速和控制。
- 1 -。
直流电动机的PWM调压调速原理
直流电动机的PWM调压调速是指通过调节脉宽调制(PWM)信号的占空比,控制直流电动机的电压和转速。
其原理是利用数字信号的高低电平与时间的对应关系,通过高电平和低电平的时间比例来控制脉冲信号的平均值,从而实现对电动机的调压和调速。
具体来说,PWM调压调速主要包括以下几个步骤:
1.信号发生器:使用微控制器或其他信号发生器产生一个固定频率的方波信号,通常频率为几千赫兹到几十千赫兹。
这个信号称为PWM基准信号。
2.调制器:通过控制占空比,将PWM基准信号转换为调制后的PWM信号。
占空比是指高电平持续的时间与一个周期的比值。
例如,占空比为50%的PWM信号表示高电平和低电平持续时间相等。
调制器可以是硬件电路或者软件控制的。
3.电压调节:将调制后的PWM信号经过滤波器平滑输出,形成电压调节信号。
滤波器通常使用低通滤波器,将PWM信号的高频成分滤除,得到平均电压。
4.转速控制:通过调节占空比,改变PWM信号的高电平时间,从而改变直流电动机的平均电压。
占空比越大,输出电压就越高;占空比越小,输出电压就越低。
5.转速反馈:为了实现闭环控制,通常需要通过传感器获取直流电动机的转速,并将转速信息反馈给调速控制器。
调速控制器会根据反馈信号与设定的转速进行比较,调节占空比控制电动机的转速。
总结起来,PWM调压调速原理就是通过调节PWM信号的占空比控制直流电动机的电压和转速。
通过改变占空比,可以改变PWM信号的高电平时间,从而改变电动机的平均电压和转速。
同时,结合转速反馈,可以实现封闭环控制,使电动机的转速能够与设定值保持一致。
无刷电机PWM控制有哪三种算法?
无刷电机属于自换流(方向变换),所以控制比较复杂。
无刷电机控制要求了解电机转子的位置和机制。
闭环速度控制有两个附加要求,即测量转子速度/或电机电流和PWM信号,以控制电机速度和功率。
根据应用要求边排或中心排PWM信号。
大部分应用程序只需要速度变化操作,PWM信号将在6个独立边缘排列。
这就提供了高的分辨率。
如果应用程序需要服务器定位、能耗刹车或功率倒转,建议使用补充中心来排列PWM信号。
许多不同的控制算法用于控制无刷电机。
典型地,将功率晶体管用作线性稳压器来控制电机电压。
这种方法在驱动高功率电机时并不实用。
高功率无刷电机必须由PWM控制,并要求微控制器提供启动和控制功能。
控制算法必须具备以下三个特点:
1、用来控制电机速度的PWM电压。
2、无刷电机进整流换向机制。
3、使用反电动势或霍尔传感器预测转子位置的方法。
脉宽调制只适用于对电机绕组施加可变电压。
有效电压与PWM占空度成正比。
在适当的整流换向下,无刷电机具有与直流电机相同的转矩速度特性。
可调电压可用于控制电机速度和可调转矩。
pwm直流电机控制原理
PWM(脉宽调制)是一种控制技术,可以用于控制直流电机的转速和方向。
它通过改变信号的脉冲宽度来控制电机驱动电压的大小。
在PWM控制中,周期性地产生一个固定频率的方波信号,即PWM信号。
这个信号的高电平时间(脉冲宽度)可以根据需要进行调整。
脉冲宽度越长,电机接收到的驱动电压就越高,转速也会相应增加。
脉冲宽度越短,则驱动电压越低,转速也会减小。
PWM信号的周期必须远远小于电机的机械响应时间,以确保控制的稳定性。
频率一般设定在几千赫兹到几十千赫兹之间,以避免电机产生噪音。
脉冲宽度的调整则通过改变占空比(高电平时间与周期的比值)来实现。
在具体的实现中,通常使用微控制器或专用的PWM控制器来产生PWM信号。
通过改变占空比的值,控制电机的转速。
例如,当占空比为50%时,电机接收到的驱动电压为平均值的一半,电机转速为额定转速的一半;当占空比为100%时,电机接收到的驱动电压为最大值,电机转速为最大转速。
为了实现方向控制,可以使用H桥电路。
H桥电路可以控制电流的方向,从而改变电机的转向。
通过控制H桥的开关状态,可以将电机正反转。
综上所述,PWM控制技术通过改变信号的脉冲宽度来控制直
流电机的转速和方向。
通过微调占空比的值,可以精确控制电机的转速,并利用H桥电路控制电机的转向。
直流无刷电机的控制系统设计方案1 引言1.1 题目综述直流无刷电机是在有刷直流电机的基础上发展起来的,它不仅保留了有刷直流电机良好的调试性能,而且还克服了有刷直流电机机械换相带来的火花、噪声、无线电干扰、寿命短及制造成本高和维修困难等等的缺点。
与其它种类的电机相比它具有鲜明的特征:低噪声、体积小、散热性能好、调试性能好、控制灵活、高效率、长寿命等一系列优点。
基于这么多的优点无刷直流电机有了广泛的应用。
比如电动汽车的核心驱动部件、电动车门、汽车空调、雨刮刷、安全气囊;家用电器中的DVD、VCD、空调和冰箱的压缩机、洗衣机;办公领域的传真机、复印机、碎纸机等;工业领域的纺织机械、医疗、印刷机和数控机床等行业;水下机器人等等诸多应用[1]。
1.2 国内外研究状况目前,国内无刷直流电机的控制技术已经比较成熟,我国已经制定了GJB1863无刷直流电机通用规范。
外国的一些技术和中国的一些技术大体相当,美国和日本的相对比较先进。
当新型功率半导体器件:GTR、MOSFET、IGBT等的出现,以及钕铁硼、钐鈷等高性能永磁材料的出现,都为直流电机的应用奠定了坚实的基础。
近些年来,计算机和控制技术快速发展。
单片机、DSP、FPGA、CPLD等控制器被应用到了直流电机控制系统中,一些先进控制技术也同时被应用了到无刷直流电机控制系统中,这些发展都为直流电机的发展奠定了坚实的基础。
经过这么多年的发展,我国对无刷电机的控制已经有了很大的提高,但是与国外的技术相比还是相差很远,需要继续努力。
所以对无刷直流电机控制系统的研究学习仍是国内的重要研究内容[2]。
1.3 课题设计的主要内容本文以永磁方波无刷直流电机为控制对象,主要学习了电机的位置检测技术、电机的启动方法、调速控制策略等。
选定合适的方案,设计硬件电路并编写程序调试,最终设计了一套无位置传感器的无刷直流电机调速系统。
本课题涉及的技术概括如下:(1)学习直流无刷电机的基本结构、工作原理、数学模型等是学习电机的前提和首要内容。
PWM调速原理
占空比:高电平时间比整个周期的时间。
PWM的占空比决定输出到直流电机的平均电压.
PWM不是调节电流的.PWM的意思是脉宽调节,也就是调节方波高电平和低电平的时间比,一个20%占空比波形,会有20%的高电平时间和80%的低电平时间,而一个60%占空比的波形则具有60%的高电平时间和40%的低电平时间,占空比越大,高电平时间越长,则输出的脉冲幅度越高,即电压越高.如果占空比为0%,那么高电平时间为0,则没有电压输出.如果占空比为100%,那么输出全部电压.所以通过调节占空比,可以实现调节输出电压的目的,而且输出电压可以无级连续调节.
在使用PWM控制的直流无刷电动机中,PWM控制有两种方式:
1.使用PWM信号,控制三极管的导通时间,导通的时间越长,那么做功的时间越长,电机的转速就越高
2.使用PWM控制信号控制三极管导通时间,改变控制电压高低来实现
有用CPWM SPWM.....来调速
调速不只是改变电压(电源电压或者控制电压),改变电流也可以。
(控制回路的电流,而不是PWM信号的电流)
不知楼主是用几相PWM控制的直流电动机啊
PWM信号是一个矩形的方波,他的脉冲宽度可以任意改变,改变其脉冲宽度控制控制回路输出电压高低或者做功时间的长短,实现无级调速。
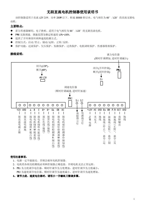
1无刷直流电机控制器使用说明书
该控制器适用于直流12V/24V、功率200W 以下、转速30000转以内、电气相位为60°/120°的直流无刷电动机。
主要特点:
霍尔传感器解码、电子换相、适用于电气相位为60°/120°的无刷直流电机。
PWM 无级调速,调速范围为额定转速的10%-100%。
提供了开环和闭环两种速度检测方式。
控制方式:启动/停止、制动/运转、正转/反转。
保护功能:过流保护、欠压保护、短路保护、过热保护、电机堵转保护、传感器错相保护。
使用注意事项:
1、电源一定不能接反,否则会损坏电机控制器。
2、电机的各相及检测线必须和控制器正确连接,否则电机无法正常运转。
3、PR1为力度调节电位器,顺时针调节为力度增加,逆时针调节为力度减小;
PR2为速度调节电位器,顺时针调节为速度减小,逆时针调节为速度增加。
4、调节力度、速度电位器时,请用小一字螺丝刀微调多圈。
- 接直流电源正极 - 接直流电源
地 - 接电机绕组A (粗
白线)- 接电机绕组B (粗蓝线)- 接电机绕组C (
粗绿线)- 接红色线(细线) - 接黑色线(细线) - 接电机相位检测器A
(细白线) - 接电机相位检测器B (细蓝线) - 接电机相位检测器C
(细绿线
)
- 接地线(停止)、悬空(运- 未定义 - +15V 电源
- 接地线(正转
)
、
悬
空
(
反- 故障
输出-
地线
电源
指示灯 故障指示灯 - 地线- 接地线(运转)、悬空(制。
单片机原理及应用—— P W M直流电机调速控制系统概括直流电动机具有良好的启动性能和调速特性。
具有起动转矩大、调速平稳、经济大范围、调速容易、调速后效率高等特点。
本文设计的直流电机调速系统主要由51单片机、电源、H桥驱动电路、LED 液晶显示器、霍尔测速电路和独立按键组成的电子产品组成。
电源采用78系列芯片,采用PWM波方式实现电机+5V、+15V调速,PWM为脉宽调制,通过51单片机改变占空比实现。
通过独立的按键实现电机的启停、调速和转向的手动控制,LED实现测量数据(速度)的显示。
电机转速采用霍尔传感器检测输出方波,通过51单片机统计1秒内方波脉冲个数,计算电机转速,实现直流电机的反馈控制。
关键词:直流电机调速; H桥驱动电路; LED显示屏; 51单片机目录摘要2摘要错误!未定义书签。
目录3第 1 章引言41.1 概述41.2 国外发展现状41.3 要求51.4 设计目的及6第 2 章项目论证与选择72.1 电机调速模块72.2 PWM调速工作模式72.3 PWM脉宽调制方式错误!未定义书签。
2.4 PWM 软件实现错误!未定义书签。
第三章系统硬件电路设计83.1 信号输入电路83.2 电机PWM驱动模块电路9第 4 章系统的软件设计104.1 单片机选型104.2 系统软件设计分析10第 5 章 MCU 系统集成调试135.1 PROTEUS 设计与仿真平台错误!未定义书签。
18传统开发流程对比错误!未定义书签。
第一章简介1.1 概述现代工业的电驱动一般要求部分或全部自动化,因此必须与各种控制元件组成的自动控制系统相联动,而电驱动可视为自动电驱动系统的简称。
在这个系统中,生产机械可以自动控制。
随着现代电力电子技术和计算机技术的发展以及现代控制理论的应用,自动电驱动正朝着计算机控制的生产过程自动化方向发展。
以实现高速、高质量、高效率的生产。
在大多数集成自动化系统中,自动化电力牵引系统仍然是不可或缺的组成部分。
直流无刷电机pwm频率范围
直流无刷电机是一种常用的电动机,它通过调节PWM(脉宽调制)频率来控制电机的转速。
那么,PWM频率的范围是多少呢?
在直流无刷电机的控制中,PWM频率通常是指控制信号的频率,它决定了电机的响应速度和效果。
一般来说,直流无刷电机的PWM 频率范围在几千赫兹到几十千赫兹之间。
较低的PWM频率可以带来更高的转矩,适用于需要高扭矩的场景,例如启动电机或者负载较大的情况下。
而较高的PWM频率则可以提供更平滑的转速控制和更高的效率,适用于需要精确控制和较小负载的场景。
不同的应用场景对PWM频率的要求也不同。
例如,对于一些需要快速响应的应用,如无人机或机器人等,通常需要更高的PWM频率来实现精确的控制。
而对于一些功耗要求较低的应用,如电动工具或家用电器等,较低的PWM频率已经可以满足要求。
PWM频率还需要考虑电机自身的特性。
电机的电感和电容等参数会对PWM频率的选择产生影响。
一般来说,较高的电感和较低的电容对应着较低的PWM频率,而较低的电感和较高的电容则对应着较高的PWM频率。
直流无刷电机的PWM频率范围在几千赫兹到几十千赫兹之间,具体的选择需要根据应用场景和电机特性来确定。
通过合理选择PWM
频率,可以实现对电机转速的精确控制,提高电机的效率和性能。
中國計量學院課程設計設計報告書題目:PWM控制的直流電動機調速系統設計二級學院現代科技學院專業電氣工程及自動化班級電氣062姓名*****學號**********同組同學姓名 ****** ******* 同組同學學 *********** *********2009年 12 月 23 日設計題目:PWM控制的直流電動機調速系統設計1、前言近年來,隨著科技的進步,電力電子技術得到了迅速的發展,直流電機得到了越來越廣泛的應用。
直流它具有優良的調速特性,調速平滑、方便,調速範圍廣;超載能力大,能承受頻繁的衝擊負載,可實現頻繁的無級快速起動、制動和反轉;需要能滿足生產過程自動化系統各種不同的特殊運行要求,從而對直流電機的調速提出了較高的要求,改變電樞回路電阻調速,改變電樞電壓調速等技術已遠遠不能滿足要求,這時通過PWM方式控制直流電機調速的方法應運而生。
採用傳統的調速系統主要有以下缺陷:模擬電路容易隨時間漂移,會產生一些不必要的熱損耗,以及對雜訊敏感等。
而在用了PWM技術後,避免了以上的缺陷,實現了用數字方式來控制模擬信號,可以大幅度降低成本和功耗。
另外,由於PWM 調速系統的開關頻率較高,僅靠電樞電感的濾波作用就可獲得平穩的直流電流,低速特性好;同樣,由於開關頻率高,快速回應特性好,動態抗干擾能力強,可以獲得很寬的頻帶;開關器件只工作在開關狀態,主電路損耗小,裝置效率高。
PWM 具有很強的抗噪性,且有節約空間、比較經濟等特點。
2、設計要求及組內分工2.1設計要求(1)根據電機與拖動實驗室提供的直流電動機,設計基於PWM的電動機調速方案。
(2)選用合適的功率器件,設計電動機的驅動電路。
(3)設計PWM波形發生電路,使能通過按鍵對電機轉速進行調節,要求至少有兩個速度控制按鍵,其中一個為加速鍵(每按一次,使電機轉速增加);另一個為減速鍵,功能與加速鍵相反。
(4)撰寫課程設計報告。
2.2組內分工(1)負責直流電動機調速控制硬體設計及電路焊接:主要由胡佳春和葉秋平完成(2)負責調速控制軟體編寫及調試:主要由朱健和葉秋平完成(3)撰寫報告:主要由胡佳春和朱健完成3、系統設計原理脈寬調製技術是利用數字輸出對模擬電路進行控制的一種有效技術,尤其是在對電機的轉速控制方面,可大大節省能量,PWM控制技術的理論基礎為:衝量相等而形狀不同的窄脈衝加在具有慣性的環節上時,其效果基本相同,使輸出端得到一系列幅值相等而寬度不相等的脈衝,用這些脈衝來代替正弦波或其他所需要的波形。
无刷直流控制方案引言无刷直流(BLDC)电机由于其高效率、长寿命和高功率密度等优点,已经广泛应用于许多领域,如电动车、无人机、工业自动化等。
为了实现对无刷直流电机的精确控制,需要采用适当的控制方案。
本文将介绍几种常用的无刷直流控制方案,并讨论其优缺点。
基于PWM的无刷直流控制方案基于脉宽调制(PWM)的无刷直流控制方案是最常用的一种控制方法。
该方法通过控制电机驱动器的输入电压的脉宽和频率,来实现对电机速度和转矩的控制。
控制原理基于PWM的无刷直流控制方案实质上是一种开关控制方法。
通过在电机驱动器中采用适当的开关器件(通常为MOSFET),将输入电压转换为高频脉冲。
这些脉冲的宽度和频率可以通过调整PWM信号的占空比和频率来控制。
当PWM信号为100%时,开关器件始终处于导通状态,电机将以最大速度运行。
当PWM信号为0%时,开关器件始终处于断开状态,电机停止运行。
通过调整PWM信号的占空比,可以控制电机的转速。
例如,当PWM信号的占空比为50%时,电机将以一半的速度运行。
优点•简单、成本低廉:基于PWM的控制方案只需要一个PWM信号源和一些开关器件,成本较低。
•精确控制:通过调整PWM信号的占空比和频率,可以实现对电机的精确控制。
缺点•存在开关损耗:由于开关器件的导通和断开,会引起开关损耗。
这将导致电机驱动的功耗增加,并可能产生热量。
•PWM噪声:由于PWM信号是高频脉冲,可能会产生电磁干扰和噪声。
在某些应用中,这可能是一个问题。
基于传感器反馈的无刷直流控制方案基于传感器反馈的无刷直流控制方案是一种更高级的控制方法。
该方法通过使用传感器(如霍尔传感器)来测量电机的转子位置和速度,从而实现对电机的更精确控制。
控制原理基于传感器反馈的无刷直流控制方案通过将传感器与电机驱动器连接,实时测量电机的转子位置和速度。
这些信息可以帮助控制器更准确地计算电机所需的电压和电流,从而实现对电机的精确控制。
通过传感器反馈,控制器可以实时监测电机的转速和转子位置,并调整PWM 信号的占空比和频率,以实现所需的转速和转矩。
无刷直流电动机P W M控制方案(总13页)本页仅作为文档封面,使用时可以删除This document is for reference only-rar21year.March第三章、用EL-DSPMCKIV实现无刷直流电动机PWM 控制方案实验概述:本实验是一个无刷直流电动机的PWM控制系统。
结构简单,用到的模块也较少。
下面给出每个模块的输入与输出量名称及其量值格式(一)、无刷直流电动机PWM 控制原理简介无刷直流电动机从结构上讲更接近永磁同步电动机(我们在下一章节中做详细介绍),控制方法也很简单,主要是通过检测转子的位置传感器给出的转子磁极位置信号来确定励磁的方向,从而保证转矩角在90 度附近变化,保证电机工作的高效率。
定子换相是通过转子位置信号来控制,转矩的大小则通过PWM的方法控制有效占空比来调控。
我公司提供过两种直流无刷电机,一种以前提供过的57BL-02直流无刷电机的额定电压为24V,额定转速为1600rpm,转子极数为4,也就是2 极对,还有一种是现在提供的57BL-0730N1直流无刷电机,该电机额定转速为3000rpm,转子极数为10,也就是5极对,这两种电机的转子位置都由霍尔传感器提供,同时由此计算出电机的转速,控制程序样例没有电流环。
(二)、系统组成方案及功能模块划分本实验为开环和闭环实验,通过几个模块信号处理最终用BLDCPWM模块产生IPM驱动信号来控制直流无刷电机转动。
下图为一个开环控制的系统功能框图,参考占空比信号经由RMP2CNTL 模块处理,变成缓变信号送到PWM产生模块。
霍尔传感器的输出脉冲信号,经由DSP 的CAP1、CAP2、CAP3端口被DSP获取。
通过霍尔提供的转子位置信息HALL3_DRV模块判断转子位置,并将该转子位置信息通过计数器传递给BLDC_3PWM_DRV 模块,该模块通过占空比输入、设定开关频率以及转子的位置信息产生相应的PWM 信号作用于逆变器中的开关管,从而驱动电动机旋转。
第三章、用EL-DSPMCKIV实现无刷直流电动机PWM 控制方案实验概述:本实验是一个无刷直流电动机的PWM控制系统。
结构简单,用到的模块也较少。
下面给出每个模块的输入与输出量名称及其量值格式(一)、无刷直流电动机PWM 控制原理简介无刷直流电动机从结构上讲更接近永磁同步电动机(我们在下一章节中做详细介绍),控制方法也很简单,主要是通过检测转子的位置传感器给出的转子磁极位置信号来确定励磁的方向,从而保证转矩角在90 度附近变化,保证电机工作的高效率。
定子换相是通过转子位置信号来控制,转矩的大小则通过PWM的方法控制有效占空比来调控。
我公司提供过两种直流无刷电机,一种以前提供过的57BL-02直流无刷电机的额定电压为24V,额定转速为1600rpm,转子极数为4,也就是2 极对,还有一种是现在提供的57BL-0730N1直流无刷电机,该电机额定转速为3000rpm,转子极数为10,也就是5极对,这两种电机的转子位置都由霍尔传感器提供,同时由此计算出电机的转速,控制程序样例没有电流环。
(二)、系统组成方案及功能模块划分本实验为开环和闭环实验,通过几个模块信号处理最终用BLDCPWM模块产生IPM 驱动信号来控制直流无刷电机转动。
下图为一个开环控制的系统功能框图,参考占空比信号经由RMP2CNTL 模块处理,变成缓变信号送到PWM产生模块。
霍尔传感器的输出脉冲信号,经由DSP的CAP1、CAP2、CAP3端口被DSP获取。
通过霍尔提供的转子位置信息HALL3_DRV模块判断转子位置,并将该转子位置信息通过计数器传递给BLDC_3PWM_DRV 模块,该模块通过占空比输入、设定开关频率以及转子的位置信息产生相应的PWM 信号作用于逆变器中的开关管,从而驱动电动机旋转。
(三)、系统测试步骤和方法进行该系统测试的前提是已经在电脑上安装好版本的软件了,我们提供的软件是在版本下进行调试的,尤其是我们提供的工作环境wks 文件是在此版本下保存的,在不同的版本下并不兼容,所以建议客户安装版本,如果非要在CCS 其他版本下运行该套软件,请客户自行建立工作环境wks文件。
另外该系统测试的前提也认为是将DSP的USB仿真驱动也已经安装好了。
首先将公司提供的光盘根目录下的mckiv文件夹拷贝到电脑E 盘的根目录下,由于TI 公司的CCS 集成软件是有路径记忆功能的,所以最好是拷贝到E盘。
首先按照以下方法连接好控制器和机组:1. 将控制器背板上的带单芯插头的灰色大地线插到直流有刷电机机组上。
2. 将 M002 号电缆的10 芯航空插头连接到控制器的背板上。
将另一头4 芯航空插头连接到直流无刷电机的5芯插座上。
3. 将M007号霍尔信号电缆一端的9芯航空插头连接到直流无刷电机的9芯航空插座上,另一端9芯航空插头连接到控制器前面DSPCPU板下面的那块接口板INF2上的9芯航空插座上,并将INF2上的JP1拨向左侧,标有“LINE1000”字样。
4. 将连接在磁粉制动器上的M006号负载电缆的4芯卡式插头连接到控制器背板的4芯圆形卡式插座上。
5. 将仿真器连接到DSP28335CPU板上的J8上(右上角14P插座)。
6. 将3芯电源线插入控制器的背板上,并将电源线插在电源接线板上,注意,一定要确保插座板上的大地线是接触良好的。
7. 打开控制器背板上的的红色船形电源开关,如果有电,此开关的指示灯应点亮。
同时控制器前面的液晶显示器应显示开机画面,然后停留在菜单画面。
9. 启动CCS软件(CCStudio )(在此之前应该已经用Setup CCStudio 文件设置好CPU 类型和仿真器类型),如果8 秒之内还没有进入到CCS 软件的操作页面,并且发现DSPCPU 板上的“LED3”指示灯不闪烁,请按DSPCPU 板上的复位键(在LED4灯的右边),直到该指示灯闪烁为止,然后就应该能进入了。
注意.软件界面出现后,在界面的右下角出现如下提示:说明软件没有连接目标CPU,所以此时要用“Debug--Collect”命令来连接目标CPU,执行完后再界面的右下角会出现如下提示:说明软件可以正常使用了。
最后用“File—Workspace—Load Workspace…”菜单命令打开E:MCKIV\28335soft\bldc305\DMC\C28\V32X\sys\BLDC3_1_2833x\cfloat\build \ bldc_2833x\Debug”文件夹下的工作环境文件“”文件。
步骤 1、开环启动,寻找最佳换相表测试此实验用RMP2_CNTL、MOD6_CNT和 BLDCPWM及硬件电路连接来实验直流无刷电机的开环控制,通过实验过程来验证以上几个模块及逆变电路工作是否正常,并分析模块在系统中的作用,关键是通过转子在不同起始位置的不同换相控制表来找到让转矩和转子正交的最佳换相表。
图4-1-1和图4-1-2分别给出了此步骤的功能框图和软件流程图。
以下给出步骤1中的控制参数及其调节范围:仿真测试具体操作方法如下:1. 将头文件“”中的编译指令BUILDLEVEL设为“LEVEL1”,目前公司配置的直流无刷电机是5 极对的,以前公司配置过2 极对的直流无刷电机,如果电机是2极对的,请打开“”头文件,并修改这一行程序:#define P 10 #define BASE_FREQ 250 将250修改为50如果是5极对电机则不用修改。
然后用“Project--Build”指令重新编译连接程序;2. 用“File--Load Program”菜单命令加载“”文件到目标板,此时注意观察加载的文件“”是否您刚才编译链接生成的文件,看一下文件的生成时间就知道了,如果所有源文件都没有修改,此时“”的生成时间不会变化;如果想证实源文件编译是否执行,可以在主程序中随便修改一点注释内容,那么编译的时候就肯定会生成新时间的输出文件。
3. 点击“Debug--Real time Mode”选择实时模式,此时出现一个对话框,选择“是(Y)”,再点击“Debug--Run”或者点击左侧运行图标运行程序,此时程序在实时运行模式下运行。
4. 在“Watch window”窗口中左键点击“Build1”标签并在空白处点击右键,选择连续刷新模式“Continuous Refresh”,此时应能观察到“BackTicker”变量在不断变化,说明主程序已经运行。
在控制器面板上进行电机选择,选择直流无刷电机正确后,进入状态页面(F1),打开主电源(按钮:电源)。
将电机转子转动到任意一个可识别的位置,例如,将轴的安装端面水平,或者将安装销位置朝上,或者给转子贴一个标记,让标记朝上,目的就是要能识别这个位置,然后在下次启动是能让转子相对这个位置转动一个角度,然后设置变量“EnableFlag”为1,此时应能观察到变量“IsrTicker”也在不断变化,说明主中断服务程序已经正常运行,此时如果各电路部分正确,机组连接正确的话,电机应稳定运行。
如果电机没有运转,请检查各电缆是否连接可靠,检查INF2电路板上的JP1拨动开关是否拨向左侧,都没有错误的话,检查INF2 上的LED2 是否熄灭,如果熄灭,说明产生了功率保护中断,更换DSPCPU板后实验现象依旧,则可能需要返修。
5. 分别右键点击图形显示窗口“Channel1&2”、“Channel3&4”,选择连续刷新模式“Continuous Refresh”,观察、、以及的波形,如图4-1-3,图4-1-4 所示。
是检测到的转子换相计数器,从0 到5 之间变化,表示的是转子换相对应的霍尔状态,表示的是检测到了换相的信号标志,表示的也是换相标志。
记录下此时的“Build1”标签中的变量FirstHallState,这是转子在启动之初的霍尔位置,再记录下“Build1”标签中的,这是电机当前的转速,再记录下[0]~ [5]这个数组的6 个值,这就是换相表。
这三部分的变量值记录下来以后,点击“Debug--Halt”,再点击“Debug--Real time Mode”,最后点击“Debug--Reset CPU”和“Debug—Restart”,退出实时运行模式,将转子转动到和刚才的初始位置偏移30度左右的位置,然后点击“Debug--Real time Mode”选择实时模式,此时出现一个对话框,选择“是(Y)”,再点击“Debug--Run”或者点击左侧运行图标运行程序,此时程序在实时运行模式下运行。
电机应该运行起来,记录下此时的“Build1”标签中的变量FirstHallState,“Build1”标签中的,再记录下[0]~ [5]这个数组的6个值,然后又退出实时模式,电机停止运行,再次转动转子的初始位置,和刚才第二次的位置相差30度左右,如此循环下去,直到转子6个初始位置都试运行完成,我们会发现,电机在相同的转矩作用下,速度相差较多,其中那个转速最快的换相表就是我们需要的保证转矩和转子正交的换相表,一般情况下,应该是[0]~ [5] 中的数值为“ 451326 ”,最后点击“Debug--Halt”,再点击“Debug--Real time Mode”,最后点击“Debug--ResetCPU”,退出实时运行模式。
公司原先配套的直流无刷电机为2 极对的,所以转子机械位置从0 到360 度对应转子电气位置有两个360 度,具体表现就是转子在某一个位置的霍尔位置信号和转子转动180 度后的霍尔位置信号是相同的。
现在配置的是5 极对的直流无刷电机,那么转子转动一圈,会有5 个电气周期,每次手动转的角度就要更小了。
6. 打开“”源文件,找到“float32 DFuncDesired = ;;”这一行,将修改为,编译文件,重新下载“”文件到28335CPU目标板,重复4,5,6 步,找到电机反转时的最佳换相表。
一般情况下,应该是[0]~ [5]中的数值为“645132”,这就是电机反转时的最佳换相表。
最后点击“Debug--Halt”,再点击“Debug--Real time Mode”,最后点击“Debug--Reset CPU”,退出实时运行模式。
7. 完成 4,5,6,7 步后找到电机正转和反转的最佳换相表后,打开“”源文件,找到“float32 DFuncDesired = ;;”这一行,将修改为,编译文件,重新下载“”文件到28335CPU目标板,让电机运行起来,在“Watch window”窗口中的“Build2”标签中双击DFuncDesired变量右侧的数据,输入要改变的值,观察电机速度的变化,例如输入后回车,观察电机速度的变化,然后改变为后回车观察电机速度的变化。