建筑普通螺栓的种类模版
- 格式:pptx
- 大小:1.29 MB
- 文档页数:52
地脚螺栓类型地脚螺栓是一种用于固定建筑物基础的重要连接件,它的种类繁多,每种类型都有其特定的应用场景和优势。
下面将介绍几种常见的地脚螺栓类型。
1. 混凝土地脚螺栓混凝土地脚螺栓是最常见的一种地脚螺栓类型。
它通常由钢筋混凝土制成,具有较高的强度和耐久性。
混凝土地脚螺栓适用于大多数建筑物的基础固定,特别是在需要承受较大荷载和抗震要求较高的情况下。
它们的安装相对简单,只需将螺栓插入预先钻好的孔中,然后灌入混凝土固定即可。
2. 锚固螺栓锚固螺栓是一种专门用于固定金属构件的地脚螺栓。
它们通常由高强度钢制成,具有极高的抗拉强度和抗剪强度。
锚固螺栓适用于需要固定钢结构、金属设备或其他重型构件的场合。
使用锚固螺栓时,需要将螺栓穿过构件的孔洞,然后用螺母和垫圈将其固定在位。
3. 膨胀螺栓膨胀螺栓是一种常用于固定混凝土和砖石结构的地脚螺栓。
它们通常由不锈钢制成,具有较好的耐腐蚀性。
膨胀螺栓的安装相对简单,只需在预先钻好的孔洞中插入螺栓,然后用扳手旋转螺母,使螺栓的底部扩张,从而固定在结构中。
4. 螺旋地脚螺栓螺旋地脚螺栓是一种用于固定木结构的地脚螺栓。
它们通常由镀锌钢制成,具有较好的耐候性和抗腐蚀性。
螺旋地脚螺栓适用于需要在土壤中固定木结构的场合,如木质平台、楼梯和围栏等。
安装时,只需用扳手将螺栓旋入土壤中,使其稳固地固定木结构。
5. 预埋地脚螺栓预埋地脚螺栓是一种在混凝土浇筑前预先安装的地脚螺栓。
它们通常由镀锌钢制成,具有较好的耐腐蚀性。
预埋地脚螺栓适用于需要将建筑物与地基牢固连接的场合,如桥梁、大型工业设备等。
在混凝土浇筑前,将螺栓固定在模板中,然后浇筑混凝土,使螺栓与混凝土紧密连接。
总结起来,地脚螺栓是固定建筑物基础的重要连接件,不同类型的地脚螺栓适用于不同的应用场景。
选择合适的地脚螺栓类型可以确保建筑物的牢固性和稳定性。
在安装地脚螺栓时,需要注意选择适当的螺栓材料和安装方法,以确保其良好的使用效果。
预埋螺栓标准一、预埋螺栓的种类和规格预埋螺栓是指在混凝土浇筑过程中,预先埋设的用于固定钢筋、模板和支撑结构的螺栓。
根据使用场合和要求的不同,预埋螺栓的种类和规格也有所不同。
常见的预埋螺栓有普通螺栓、铰制孔螺栓、螺纹钢等。
二、预埋螺栓的材质和性能要求预埋螺栓的材质一般为Q235、Q345等钢材,其中Q345具有较好的韧性和抗疲劳性能,适用于需要承受较大载荷的场合。
此外,根据使用要求的不同,预埋螺栓的性能要求也有所不同,一般要求具有良好的耐磨性、抗拉强度和屈服强度等。
三、预埋螺栓的安装要求和方法1. 预埋螺栓的安装位置应严格按照施工图纸要求进行确定,确保其位置准确、牢固。
2. 安装前应对螺栓进行清洗和检查,确保其表面无油污、毛刺和变形等质量问题。
3. 安装时应按照先装大直径螺栓,后装小直径螺栓的顺序进行,并应使用定位板固定螺栓,确保其位置准确。
4. 安装过程中应避免螺栓与模板、支撑结构等产生摩擦和碰撞,以免影响安装质量和精度。
5. 安装后应对螺栓的位置、直径、长度等进行检查和调整,确保其符合设计要求和使用要求。
四、预埋螺栓的试验和检验方法1. 试验方法:对预埋螺栓进行拉伸试验和弯曲试验,以检验其抗拉强度和弯曲性能是否符合设计要求。
2. 检验方法:对预埋螺栓的外观质量进行检查,包括其表面质量、螺纹质量、尺寸精度等;对预埋螺栓的位置、角度、标高等进行检查,确保其符合设计要求和使用要求。
3. 验收标准:预埋螺栓的外观质量应符合设计要求和使用要求,位置、角度、标高等应符合设计要求,抗拉强度和弯曲性能应符合设计要求。
五、预埋螺栓的验收标准和注意事项1. 外观质量:预埋螺栓的表面应无油污、毛刺和变形等质量问题,螺纹部分应完好无损。
2. 位置和角度:预埋螺栓的位置和角度应符合施工图纸要求,偏差应在允许范围内。
3. 标高:预埋螺栓的标高应符合施工图纸要求,允许偏差为±5mm。
4. 抗拉强度:预埋螺栓的抗拉强度应符合设计要求,试验时应按照相关标准进行。
螺栓规格尺寸对照表
1. 螺栓规格分类
螺栓是一种常用的固定连接元件,按照螺纹形状和使用场景的不同,可以分为普通螺栓、高强螺栓、螺柱等多种类型。
在实际应用中,了解螺栓的规格参数对于正确选择和使用螺栓至关重要。
2. 螺栓尺寸对照表
下表列出了常见的螺栓规格尺寸对照表,供参考:
螺栓规格直径(mm)长度(mm)
M4 4 10
M5 5 12
M6 6 15
M8 8 20
M10 10 25
3. 螺栓材质选择
除了尺寸之外,螺栓的材质也是选择的关键因素。
常见的螺栓材质包括碳钢、合金钢、不锈钢等,根据使用环境和承受力大小选择适合的材质是确保螺栓连接牢固的重要保障。
4. 使用注意事项
在使用螺栓时,需要注意以下几个问题: - 拧紧力度:螺栓拧紧力度不宜过大或过小,需要根据螺栓规格和承受力来确定适当的力度; - 表面处理:对于在恶劣环境中使用的螺栓,应考虑进行防腐蚀处理,以延长使用寿命; - 定期检查:定期检查螺栓的连接状态,如发现松动或变形应及时更换。
5. 结语
螺栓作为机械设备中常用的连接元件,其规格尺寸对照表对于正确选择和使用螺栓至关重要。
通过了解不同规格的螺栓尺寸和材质选择,可以有效提高螺栓连接的可靠性和安全性。
在使用过程中,注意螺栓的拧紧力度,表面处理和定期检查,可以保障螺栓连接的稳定性和耐久性。
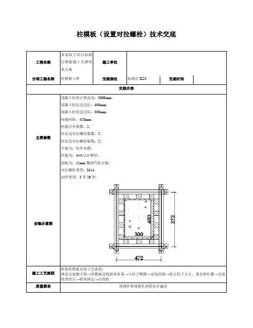
柱模板(设置对拉螺栓)技术交底使用。
5、为防止模底烂根,放线后应用水泥砂浆找平并加垫海绵。
6、所有柱子模板拼缝、梁与柱、柱与梁等节点处均用海绵胶带贴缝,楼板缝用胶带纸贴缝,以确保混凝土不漏浆。
7、模板安装应严格控制轴线、平面位置、标高、断面尺寸、垂直度和平整度,模板接缝隙宽度、高度、脱模剂刷涂及预留洞口、门洞口断面尺寸等的准确性。
严格控制预期拼模板精度。
8、严格执行预留洞口的定位控制,预留洞口时,木工严格按照墨线留洞。
9、每层主轴线和分部轴线放线后,规定负责测量记录人员及时记录平面尺寸测量数据,并要及时记录墙、柱、成品尺寸,目的是通过数据分析梁体和柱子的垂直度误差。
并根据数据分析原因,将问题及时反馈到有关生产负责人,及时进行整改和纠正。
10、所有竖向结构的阴、阳角均须加设橡胶海绵条于拼缝中,拼缝要牢固。
11、阴、阳角模必须严格按照模板设计图进行加固处理。
12、为防止梁模板安装出现梁身不平直、梁底不平下挠、梁侧模胀模等质量问题,支模时应将侧模包底模,梁模与柱模连接处,下料尺寸应略为缩短等。
安全保证措施1、模板安装高度在2m及以上时,应符合现行国家标准《建筑施工高处作业安全技术规范》JGJ 80的有关规定。
2、模板及其支撑系统在安装过程中必须设置防倾覆的可靠临时设施。
3、登高作业时,各种配件应放在工具箱或工具袋中严禁散放在模板或脚手板上,各种工具应系挂在操作人员身上或放在工具袋中,不得掉落。
4、安装模板时,上下应有人接应,随装随运,严禁抛掷。
且不得将模板支搭在门窗框上,也不得将脚手板支搭在模板上,并严禁将模板与上料井架及有车辆运行的脚手架或操作平台支成一体。
5、当模板安装高度超过3.0m时,必须搭设脚手架,除操作人员外,脚手架下不得站其他人。
高处作业时,操作人员应佩戴安全帽、系安全带、穿防滑鞋。
安全帽和安全带应定期检查,不合格者严禁使用。
6、作业人员严禁攀登模板、斜撑杆、拉条或绳索等,不得在高处的墙顶、独立梁或在其模板上行走。
普通螺栓检验报告模板检验项目- 外观检验- 尺寸检验- 材质检验- 强度检验- 螺纹检验检验标准- GB/T 34657-2017《螺纹连接技术普通螺纹螺栓和螺钉检验规程》- GB/T 3098.1-2010《紧固件机械性能的分类第1部分:螺栓、螺钉和螺栓螺母组合件》检验设备- 螺纹卡规- 量具(卡尺、外径千分尺等)- 强度测试仪- 显微镜- 化学成分分析仪外观检验项目:表面质量- 检验要求:无明显划痕、锈蚀、裂纹等缺陷- 检验结果:合格/不合格项目:螺纹质量- 检验要求:螺纹清晰,无损伤、划痕等缺陷- 检验结果:合格/不合格尺寸检验项目:直径- 检验要求:符合标准要求,误差范围±0.1mm - 检验结果:合格/不合格项目:长度- 检验要求:符合标准要求,误差范围±0.2mm - 检验结果:合格/不合格材质检验项目:材料- 检验要求:根据订单或图纸指定的材料- 检验结果:合格/不合格项目:化学成分- 检验要求:符合标准要求- 检验结果:合格/不合格强度检验项目:抗拉强度- 检验要求:符合标准要求- 检验结果:合格/不合格项目:屈服强度- 检验要求:符合标准要求- 检验结果:合格/不合格项目:延伸率- 检验要求:符合标准要求- 检验结果:合格/不合格螺纹检验项目:螺纹规格- 检验要求:符合标准要求- 检验结果:合格/不合格项目:螺距- 检验要求:符合标准要求- 检验结果:合格/不合格检验结论此次检验的普通螺栓通过了外观检验、尺寸检验、材质检验、强度检验和螺纹检验,各项指标符合标准要求,因此被判定为合格品。
检验员签名:________________检验日期:__________________。
模板分为大模板、滑模、爬模、飞模大模板大模板为一大尺寸的工具式模板,一般是一块墙面用一块大模板。
大模板由面板、加劲肋、支撑桁架、稳定机构等组成。
面板多为钢板或胶合板,亦可用小钢模组拼;加劲肋多用槽钢或角钢;支撑桁架用槽钢和角钢组成。
大模板之间的连接:内墙相对的两块平模是用穿墙螺栓拉紧,顶部用卡具固定。
外墙的内外模板,多是在外模板的竖向加劲肋上焊一槽钢横梁,用其将外模板悬挂在内模板上。
用大模板浇筑墙体,待浇筑的混凝土的强度达到1MPa就可拆除大模板,待混凝土强度达到4MPa及以上时才能在其上吊装楼板。
大模板的特点:大模板是采用专业设计和工业化加工制作而成的一种工具式模板,一般与支架连为一体。
由于它自重大,施工时需配以相应的吊装和运输机械,用于现场院筑混凝土墙体。
它具有安装和拆除简便、尺寸准确、板面平整、周转使用次数多等优点。
采用大模板进行建筑施工的工艺特点是:以建筑物的开间、进深、层高为基础进行大模板设计、制作,以大模板为主要施工手段,以现浇钢筋混凝土墙体为主导工序,组织有节奏的均衡施工。
这种施工方法工艺简单,施工速度快,工程质量好,结构整体性强,抗震能力好,混凝土表面平整光滑,可以减少抹灰湿作业。
由于它的工业化、机械化施工程度高,综合技术经济效益好,因而受到普遍欢迎。
滑模滑模定义滑模工程技术是我国现浇混凝土结构工程施工中机械化程度高、施工速度快、现场场地占用少、结构整体性强、抗震性能好、安全作业有保障、环境与经济综合效益显著的一种施工技术,通常简称为“滑模”。
但滑模不仅包含普通的模板或专用模板等工具式模板,还包括动力滑升设备和配套施工工艺等综合技术,目前主要以液压千斤顶为滑升动力,在成组千斤顶的同步作用下,带动1米多高的工具式模板或滑框沿着刚成型的混凝土表面或模板表面滑动,混凝土由模板的上口分层向套槽内浇灌,每层一般不超过30cm厚,当模板内最下层的混凝土达到一定强度后,模板套槽依靠提升机具的作用,沿着已浇灌的混凝土表面滑动或是滑框沿着模板外表面滑动,向上再滑动约30cm左右,这样如此连续循环作业,直到达到设计高度,完成整个施工。
建筑工地采购螺栓合同模板甲方(采购方):乙方(供应方):根据《中华人民共和国合同法》的有关规定,经甲乙双方平等友好协商,达成如下协议,以供双方共同遵守。
一、产品规格型号及价格1. 产品名称:螺栓2. 规格型号:根据甲方提供的具体项目需求进行定制3. 材质:根据甲方提供的具体要求,如Q235、45#等4. 单价:元/件(具体价格根据市场行情和乙方报价进行协商确定)5. 数量:根据甲方提供的需求数量进行协商确定6. 总价:元(大写:人民币整)(单价×数量)二、产品要求1. 乙方必须保证产品螺栓材质、尺寸、强度等符合甲方要求,且无任何质量问题。
如出现质量问题,乙方需承担相应的违约责任。
2. 乙方应提供产品合格的检测报告,以证明产品符合国家相关标准。
三、交货期限1. 乙方保证于本合同签署之日起,在个工作日内,将甲方采购的螺栓全部送达指定地点。
如延迟交货,乙方应从最迟交货日的次日起,每日向甲方支付延迟交货部分货款的1%的违约金,并赔偿因此给甲方造成的其他损失。
四、交货及付款方式1. 甲乙双方签订合同后,甲方向乙方支付总价款的30%作为定金,乙方交货经甲方验收合格后,一次性付清尾款。
2. 付款方式:银行转账、现金支付等,具体方式双方协商确定。
五、其他事项1. 本合同未尽事宜,双方友好协商。
2. 本合同一式两份,经双方签字盖章后生效。
甲、乙双方各持一份,具同等法律效力。
甲方(采购方):乙方(供应方):委托代理人签字:委托代理人签字:日期:年月日日期:年月日请注意,以上合同模板仅供参考,具体合同内容需根据双方实际情况进行调整。
在签订合同时,请务必仔细阅读合同条款,确保双方权益。
如有需要,请咨询专业律师。
考试题(建筑施工模板安全技术规范JGJ162-2008)一、选择1、《建筑施工模板安全技术规范》自起实施。
A. 2008年5月1日B. 2008年6月1日C. 2008年10月1日D. 2008年12月1日2、建筑施工模板工程中的面板是指直接接触新浇混凝土的板。
A. 支撑B. 承力C. 荷载D. 受力3、进行模板工程设计和施工时,应从工程实际情况出发,合理选用和构造措施。
A. 机具、设备B. 材料、构件C. 材料、方案D.工具、方案4、建筑施工模板工程中的支架是指支撑面板用的楞梁、立柱、连接件、斜撑、剪刀撑和等构件的总称。
A. 斜撑拉条B. 水平拉条C. 竖向拉条D. 垂直拉条5、爬模是指以建筑物的墙体为支承主体,依靠自升式爬升支架使大模板完成提升、下降、就位、校正和固定等工作。
A.素混凝土B.钢筋混凝土C.毛石混凝土D.商品混凝土6、新浇混凝土对模板的最小侧压力标准值的表示为A. QB. EC. FD. G7、建筑施工模板工程中连接用的普通螺栓应符合现行国家标准《六角头螺栓C.级》(GB./T5780)和《》(GB./T5782)的规定。
A.内六方螺栓B.六角头螺栓C.平头螺栓D.四角头螺栓8、建筑施工模板工程中进场的胶合模板除应具有外,还应保证外观及尺寸合格。
A.产品检验证B.生产许可证C.出厂质量合格证D.质量认证9、模板结构构件的受压构件长细比:支架立柱及桁架不应大于。
A. 135B. 140C. 145D. 15010、模板结构构件的受拉构件长细比:钢杆件不应大于。
A. 250B. 300C. 350D. 40011、建筑施工模板工程中,当计算直接支承小梁的主梁时,均布活荷载标准值可取1.5 kN/m2;当计算支架立柱及其它支承结构构件时,均布活荷载标准值可取kN/m2。
A. 1.0B. 1.5C. 2.0D. 2.512、模板及其支架的设计应根据工程和材料等条件进行。
A.结构形式、荷载大小、地基土类别、施工设备B.结构形式、荷载大小、地基土类别、起重设备C.结构类别、荷载大小、地基土类别、施工设备D.结构形式、荷载大小、土石方类别、施工设备13、现浇钢筋混凝土梁、板,当设计无具体要求时,起拱高度宜为全跨长度的。
常用对拉螺栓
对拉螺栓(对拉螺杆),用于墙体内、外侧模板之间的拉结,承受混凝土的侧压力和其他荷载,确保内外侧模板的间距能满足设计要求,同时也是模板及其支撑结构的支点。
常用的对拉螺栓种类有很多,具体如下:
1. 两端套丝的圆钢螺栓,又称穿墙螺栓,也有用扁钢两端留长孔用楔形铁插入固定楔紧。
2. 圆柱头、圆头、双头丝等。
3. 中文名对拉螺栓,别名穿墙螺栓,又称止水螺栓。
4. 收起筛选人气排序综合排序机械性能4.8级8.8级3.6 4.8
5.6 5.8 8.8 9.8 10.9。
此外,还有扁方头对拉螺栓、加长对拉螺栓、山形外六角对拉螺栓、蝴蝶扣对拉螺栓等,具体选择哪种类型的对拉螺栓应根据实际情况而定。
以上内容仅供参考,建议咨询建筑行业专业人员获取具体信息。
一、模板的分类按材料分:有木模板、竹模板、钢木模板、钢模板、塑料模板、铸铝合金模板、玻璃钢模板等。
按工艺分:有组合式模板、大模板、滑升模板、爬升模板、X性模板以及飞模、模壳等。
模板系统的组成:包含模板板块和支架两大部份。
模板板块是由面板、次肋、主肋等组成。
支架则有支撑、桁架、系杆及对拉螺栓等不同的形式二、模板的种类组合式模板组合模板是一种工具式的定型模板,由具有肯定模数的假设干类型的板块、角模、支撑和连接件组成,拼装灵敏,可拼出多种尺寸和几何形状,通用性强,适应各类建筑物的梁、柱、板、墙、根底等构件的施工需要,也可拼成大模板、隧道模和台模等。
组合式钢模板钢定型模板由边框、面板、横肋组成,面板为2.3~2.5mm的钢板,模板类型主要有平面模板、阴角模板、阳角模板和连接模板,连接件主要有U型卡、钩头螺栓、对拉螺栓和扣件等。
钢模板一次性投资大,需屡次周转使用才有经济效益,工人操作劳动强度大,回收及修整的难度大,钢定型模板已逐渐较少使用。
钢木定型模板面板由钢板改为复塑竹胶合板、纤维板等,自重比钢模轻1/3,用钢量减少1/2,是一种针对钢模板投资大、工人劳动强度大的改进模板。
覆塑竹胶合模板覆塑竹胶合模板是目前广泛使用的一种模板。
有单面覆塑和双面覆塑,规格为2440~1220mm,厚度10~12mm。
竹胶合模板组织严密、坚硬强韧,板面平坦光滑,可钻可锯、耐低温高温,可用于施工现浇清水砼专用模板。
模壳是用于钢筋砼密肋楼板的一种工具式模板。
密肋楼板由薄板与间距较小的密肋组成,模板的拼装难度大,且不经济。
采纳塑料或玻璃钢按密肋楼板的规格尺寸加工成需要的模壳,则具有一次成型、屡次周转的便利。
X性模板又称一次消耗模板,即在现浇砼结构浇筑后不再撤除,有的模板与现浇结构叠合成共同受力构件。
X性模板分为压型钢板和配筋的砼薄板两种,多用于现浇钢筋混凝土楼〔屋〕面板,X性模板简化了现浇结构的支模工艺,改善了劳动条件,节约了拆模用工,加快了工程进度,提高了工程质量。
建筑铝模板(对拉螺栓体系)施工工艺详细要求一、材料要求1、墙面组成材料:墙面板,平板厚度为4mm,边肋高度65mm,标准墙板高度2550mm,宽度为100mm、120mm>130mm>150mm>180mm> 200mm>250mm>300mm>350mm>400mm o压槽板:用于窗口企口及内、外碎墙与砌体墙面交界的位置(含风井等)。
K板:两层连接外墙交界面,外墙包底。
阴角板:阴角连接处设置。
阳角铝条:阳角连接处设置在梁墙交接位置,墙端头。
墙柱端头模板:型材厚度墙板板模板,主要用在墙柱端头、梁底。
140角铝:一侧开孔,用于墙根部封堵,高度选择150/20Omm。
2、梁板组成材料标准板:平板厚度为4mm,边肋高度65mm,标准顶板长度I1OOmm,宽度为100mm>120mm>130mm>150mm>180mm>200mm>250mm>300m m>350mm>400mm o板面内拐角:板材厚度4mm,边肋高度:65mm,厚度为8mm,顶板90°转角的主要构件。
梁底托头(梁底早拆头):连接梁底及梁侧的主要构件,承受梁重,早拆模体系主要构件。
板底托头(板底早拆头):构造要求:由早拆头、早拆铝梁、锁条及长销钉销片组成。
早拆铝梁:由早拆头、早拆铝梁、锁条及长销钉销片组成。
阳角铝锁边:165角铝,厚度6mm,两侧开孔壁厚采用6.5mm;3、支撑加固材料对拉螺丝:墙体紧固构件,直径=18mm.销钉、销片:模板紧固、连接的构件,①16销钉,销片厚度为4mm o支撑体系,早拆模重要组成部分,备三层料斜撑:钢号为Q420第一根要求角度为45-60°,第二根为10-20°O背楞:矩形方管,墙体主龙骨加固使用4、铝模板选用标准铝模板选用6000系列铝合金材料,采用一次性挤压成型的整体型材模板(不推荐用型材与铝板拼接的型材拼接模板),模板厚度最薄处24mm;钢撑、销钉、销片、背楞等钢配件,采用Q300材质,表面热镀锌处理;标准模板宽度N400mm,尽量采用400U或450U的标准模板;对铝模板表面进行金属粉喷涂处理(以提高碎观感质量);脱模剂选用以水为介质的乳油性脱模剂。
预埋螺栓知识点总结预埋螺栓是一种用来固定建筑物和结构物的螺栓,通常由螺栓、螺母和垫圈组成。
预埋螺栓安装在混凝土或其他建筑材料中,用来连接构件或设备,提供稳固的支撑和固定。
预埋螺栓广泛应用于桥梁、隧道、地下车库、港口、码头、地铁、高铁等工程中,起到了重要的连接和固定作用。
下面将对预埋螺栓的相关知识点进行总结。
一、预埋螺栓的种类1.按螺纹分:普通螺栓、螺母对,并指的是普通螺母和垫圈。
2.按规格分:常用规格有M12、M16、M20、M24等,根据具体的工程需求选择合适的规格。
二、预埋螺栓的安装1.预埋螺栓的定位:在混凝土浇筑之前,根据设计要求,确定预埋螺栓的位置和数量。
2.预埋螺栓的固定:将螺栓固定在模板上,位置准确,固定牢靠。
3.混凝土浇筑:在预埋螺栓周围浇筑混凝土,在浇筑之前,还需要做好螺栓的保护措施,以免混凝土渗入螺栓孔内影响固定效果。
三、预埋螺栓的质量要求1.预埋螺栓的材质:一般采用碳素钢或合金钢制作,根据具体的工程要求选择材质。
2.预埋螺栓的强度等级:根据设计要求选择合适的强度等级,一般为8.8级或10.9级。
四、预埋螺栓的质量检测1.外观检查:检查螺栓表面是否光滑、无裂缝、无锈蚀等缺陷。
2.尺寸检查:检查螺栓的直径、长度、螺纹等尺寸是否符合设计要求。
3.力学性能检查:通过拉伸试验、扭转试验等检测螺栓的拉伸强度、抗扭强度等力学性能指标。
五、预埋螺栓的使用注意事项1.正确安装:根据设计要求正确安装预埋螺栓,保证其固定效果。
2.保护措施:在混凝土浇筑之前,做好螺栓的保护措施,避免混凝土渗入螺栓孔内。
3.螺栓紧固:在使用过程中,螺栓的紧固力要适中,过紧或过松都会影响其固定效果。
六、预埋螺栓的施工注意事项1.了解设计要求:在施工之前,要详细了解设计要求,准确确定预埋螺栓的位置和数量。
2.浇注混凝土:混凝土浇筑时,避免混凝土渗入螺栓孔内,影响螺栓的固定效果。
3.施工质量检验:在施工过程中,定期进行预埋螺栓的质量检验,确保其质量合格。
《建筑施工模板安全技术规范》(JGJ162-2008)1 总则1.0.1 为在工程建设模板工程施工中贯彻国家安全生产的方针和政策,做到安全生产、技术先进、经济合理、方便适用,制定本规范。
1.0.2 本规范适用于建筑施工中现浇混凝土工程模板体系的设计、制作、安装和拆除。
1.0.3 进行模板工程的设计和施工时,应从工程实际情况出发,合理选用材料、方案和构造措施,应满足模板在运输、安装和使用过程中的强度、稳定性和刚度要求,并宜优先采用定型化、标准化的模板支架和模板构件。
1.0.4 建筑施工模板工程的设计、制作、安装和拆除除应符合本规范的要求外,尚应符合国家现行有关标准的规定。
2 术语、符号2.1 术语2.1.1 面板surface slab直接接触新浇混凝土的承力板,包括拼装的板和加肋楞带板。
面板的种类有钢、木、胶合板、塑料板等。
2.1.2 支架support支撑面板用的楞梁、立柱、连接件、斜撑、剪刀撑和水平拉条等构件的总称。
2.1.3 连接件pitman面板与楞梁的连接、面板自身的拼接、支架结构自身的连接和其中二者相互间连接所用的零配件。
包括卡销、螺栓、扣件、卡具、拉杆等。
2.1.4 模板体系shuttering由面板、支架和连接件三部分系统组成的体系,可简称为“模板”。
2.1.5 小梁minor beam直接支承面板的小型楞梁,又称次楞或次梁。
2.1.6 主梁main beam直接支承小楞的结构构件,又称主楞。
一般采用钢、木梁或钢桁架。
2.1.7 支架立柱support column直接支承主楞的受压结构构件,又称支撑柱、立柱。
2.1.8 配模matching shuttering在施工设计中所包括的模板排列图、连接件和支承件布置图,以及细部结构、异形模板和特殊部位详图。
2.1.9 早拆模板体系early unweaving shuttering在模板支架立柱的顶端,采用柱头的特殊构造装置来保证国家现行标准所规定的拆模原则下,达到早期拆除部分模板的体系。
桥梁常规支架计算方法XXXXXX公司施工技术2XXX年XX月近年来,公司承建的桥梁项目不断增多,桥型也出现多样化。
目前在建难度较大的桥梁均不同程度使用了落地(悬空)支架来进行施工,比如:XX客专翁梅立交连续梁采用临时支墩、贝雷梁及小钢管多层组合支架进行现浇,XX高速高尧I号大桥150m主跨的0号块、1号块均采用了托架悬空浇筑,西平铁路1-80m钢-混凝土组合桁梁拟定采用落地支架原位拼装等等。
由于支架施工具有普遍性,公司施工技术部根据以往桥梁施工特点编写了本手册,主要对比较常规的几种桥梁支架形式的计算方法进行介绍。
计算过程中个别数值(参数)或分析方法可能存在一定的理解偏差甚至错误,但其计算思路是可以参考和借鉴的。
本手册共分十个部分,主要内容包括:桥梁支架计算依据和荷载计算、箱梁模板设计计算、小钢管满堂支架计算、临时墩(贝雷梁)组合支架计算、预留孔穿销法计算、抱箍设计计算、预埋牛腿悬空支架计算、托架设计计算、简支托梁设计计算、附件。
附件1、2表中介绍了支架立杆、分配梁常用材料的力学参数,对手册2.3章节进行了补充;附件3介绍了预应力张拉引伸量的计算方法,特别是针对非对称预应力张拉的伸长值计算。
由于时间有限,不当之处在所难免,如发现需要修改和补充完善之处,请及时与中铁一局五公司施工技术部联系(电话:0917-XXXXXXXXXXX)。
1支架在桥梁施工的用途 (7)2支架计算依据和荷载计算 (7)2.1设计计算依据 (7)2.2施工荷载计算及其传递 (7)2.2.1侧模荷载 (7)2.2.2底模荷载 (8)2.2.3横向分配梁 (8)2.2.4纵梁 (8)2.2.5立杆(临时墩) (8)2.2.6地基荷载为立杆(临时墩)下传集中荷载。
(9)2.3材料及其力学的性能 (9)2.3.1竹(木)胶板 (9)2.3.2热(冷)轧钢板 (9)2.3.3焊缝 (9)2.3.4连接螺栓 (10)2.3.5模板拉杆 (10)2.3.6方木 (10)2.3.7热轧普通型钢 (10)2.3.8地基或临时墩扩大基础(桩基础) (11)2.3.9相关建议 (11)2.4贝雷梁 (11)2.4.1国产贝雷梁简介 (11)2.4.2桁架片力学性质 (12)2.4.3桁架片组合成贝雷梁的力学性能 (12)2.4.4桁架容许内力 (12)3箱梁模板设计计算 (12)3.1箱梁侧模 (12)3.1.1侧模面板计算 (13)3.1.2竖向次楞计算 (13)3.1.3水平主楞(横向背肋)计算 (14)3.1.4对拉杆计算 (15)3.2箱梁底模 (15)3.2.1底模面板计算 (16)3.3.2底模次楞(横向分配梁)计算 (16)3.2.3底模主楞(纵梁)计算 (17)4满堂支架计算 (17)4.1立杆及底托 (18)4.1.1立杆强度及稳定性(通过模板下传荷载) (18)4.1.2立杆强度及稳定性(依照《建筑施工扣件式钢管脚手架安全技术规范》) (18)4.1.3立杆压缩变形 (19)4.2地基承载力 (20)4.3支架总体弹性沉降值 (21)5临时墩(贝雷梁)组合支架 (21)5.1荷载计算 (21)5.1.1箱梁断面划分区间 (21)5.1.2荷载计算(顺桥方向) (21)5.2纵梁设计检算 (22)5.2.1单片贝雷桁架片荷载 (22)5.2.2贝雷桁架检算 (22)5.2.3计算补充说明 (22)5.3横梁检算 (23)5.3.1横梁的荷载 (23)5.3.2横梁选材和计算 (23)5.4支墩稳定性 (23)5.4.1强度验算 (23)5.4.2稳定验算 (24)5.4.3局部稳定验算 (24)5.4.4支墩计算的补充说明 (24)5.5混凝土基础及地基 (25)5.5.1地基计算 (25)5.5.2混凝土基础 (25)6悬空支架-预留孔穿销法 (26)6.1盖梁底模支撑纵、横梁的计算 (26)6.1.1施工荷载计算 (26)6.1.2纵向分配梁计算 (26)6.1.3横梁计算 (27)6.2销轴计算 (27)6.2.1销轴抗弯计算 (28)6.2.2销轴抗剪计算 (28)6.2.3合成应力 (28)6.3墩身混凝土局部受压计算 (28)7悬空支架-抱箍法 (28)7.1螺栓直径的选择 (29)7.2螺栓孔距及抱箍高度的确定 (29)7.3抱箍耳板宽度的确定 (29)7.4抱箍板厚的确定 (29)7.4.1从截面受拉方面考虑 (29)7.4.2从截面受剪方面考虑 (29)7.5抱箍耳板厚度确定 (30)7.6连接板焊缝计算 (30)8悬空支架-预设牛腿法 (30)8.2焊缝连接计算 (31)8.3预埋钢筋计算 (31)8.3.1预埋筋承载力计算 (31)8.3.2预埋筋锚固长度的计算 (31)8.4预埋钢板厚度的计算 (31)9悬空支架-三角托架 (31)9.1三角托架及其使用材料 (31)9.1.1纵向分配梁 (32)9.1.2主横梁 (32)9.1.3落梁楔块 (32)9.1.4三角托架 (32)9.1.5预埋牛腿 (32)9.2施工荷载的计算 (34)9.2.1混凝土荷载 (34)9.2.2模板荷载 (34)9.2.3内外模桁架或支架 (34)9.2.4临时荷载 (34)9.3纵向分配梁计算 (34)9.3.1箱梁腹板位置纵向分配梁 (34)9.3.2箱梁底板位置纵向分配梁计算 (35)9.3.3翼板下面纵向分配梁 (35)9.4主横梁计算 (35)9.4.1中间位置主横梁检算 (35)9.4.2靠近墩身位置主横梁检算 (36)9.5砂桶计算 (36)9.6托架计算 (36)9.5.1托架水平撑 (37)9.5.2托架斜撑 (37)9.5.3水平撑牛腿 (37)9.5.4斜撑牛腿 (37)10悬空支架-简支托梁 (38)10.1简支托梁及其使用材料 (38)10.1.1横向分配梁 (38)10.1.2简支纵梁 (38)10.1.3落梁楔块 (38)10.2横向分配梁计算 (39)10.3纵梁计算 (39)10.4横向托梁 (39)10.5牛腿检算 (39)11补充说明 (40)附表一:支架施工常用的立杆(临时支墩)材料 (41)附表二:支架施工常用的分配梁(横纵梁)材料 (42)附件三:预应力筋单双向张拉(非对称)的伸长值计算 (44)1张拉伸长值的重要性 (44)2后张法预应力筋理论伸长值计算公式说明 (44)2.1 预应力筋伸长值计算的分段原则 (44)2.2 AB段截面拉力、截面平均拉力和伸长值 (44)2.4 CD段截面平均拉力和伸长值 (45)2.5预应力筋张拉施工总伸长值计算 (45)3对不同张拉方式伸长值计算实例 (45)3.1 单向张拉实例 (46)3.2 双向张拉实例 (46)4理论伸长值与设计图纸数值偏差的原因 (48)5理论伸长值与实际伸长值偏差的原因 (48)6伸长值计算补充说明 (48)1支架在桥梁施工的用途支架在桥梁的施工方面有着比较广泛的作用,可以作为现浇梁、盖梁施工的主要承力结构,墩身施工的工作平台,内模的横(竖)向支撑系统,施工人员下上的通行斜道,材料、机具运输的吊装设施等等。
一、模板的分类按材料分:有木模板、竹模板、钢木模板、钢模板、塑料模板、铸铝合金模板、玻璃钢模板等。
按工艺分:有组合式模板、大模板、滑升模板、爬升模板、永久性模板以及飞模、模壳等。
模板系统的组成:包括模板板块和支架两大部份。
模板板块是由面板、次肋、主肋等组成。
支架则有支撑、桁架、系杆及对拉螺栓等不同的形式二、模板的种类组合式模板组合模板是一种工具式的定型模板,由具有一定模数的若干类型的板块、角模、支撑和连接件组成,拼装灵活,可拼出多种尺寸和几何形状,通用性强,适应各类建筑物的梁、柱、板、墙、基础等构件的施工需要,也可拼成大模板、隧道模和台模等。
组合式钢模板钢定型模板由边框、面板、横肋组成,面板为2.3~2.5mm的钢板,模板类型主要有平面模板、阴角模板、阳角模板和连接模板,连接件主要有U型卡、钩头螺栓、对拉螺栓和扣件等。
钢模板一次性投资大,需多次周转使用才有经济效益,工人操作劳动强度大,回收及修整的难度大,钢定型模板已逐渐较少使用。
钢木定型模板面板由钢板改为复塑竹胶合板、纤维板等,自重比钢模轻1/3,用钢量减少1/2,是一种针对钢模板投资大、工人劳动强度大的改良模板。
覆塑竹胶合模板覆塑竹胶合模板是目前广泛使用的一种模板。
有单面覆塑和双面覆塑,规格为2440~1220mm,厚度10~12mm。
竹胶合模板组织严密、坚硬强韧,板面平整光滑,可钻可锯、耐低温高温,可用于施工现浇清水砼专用模板。
模壳是用于钢筋砼密肋楼板的一种工具式模板。
密肋楼板由薄板与间距较小的密肋组成,模板的拼装难度大,且不经济。
采用塑料或玻璃钢按密肋楼板的规格尺寸加工成需要的模壳,则具有一次成型、多次周转的便利。
永久性模板又称一次消耗模板,即在现浇砼结构浇筑后不再拆除,有的模板与现浇结构叠合成共同受力构件。
永久性模板分为压型钢板和配筋的砼薄板两种,多用于现浇钢筋混凝土楼(屋)面板,永久性模板简化了现浇结构的支模工艺,改善了劳动条件,节约了拆模用工,加快了工程进度,提高了工程质量。
建筑施工模版材料中对钢材的标准要求1选用钢材应具有抗拉强度、伸长率、屈服强度和硫、磷含量的合格保证,用于承重模板结构的冷弯薄壁型钢的带钢或钢板,还应具有冷弯试验合格保证,对焊接结构尚应具有碳含量的合格保证。
对低温施工环境,应具有相应冲击韧性的合格保证。
钢材选材应符合现行国家标准《钢结构设计标准》GB50017-2017要求。
2模板的支架立杆和水平杆材料宜优先选用钢材。
钢材宜优先采用Q235钢或Q355钢。
3施工方案应明确选择钢材牌号、质量等级、几何特征、连接材料和型号、必要时尚应注明对材料所要求的机械性能和化学成分及附加保证项目。
4模板工程的钢材或铸钢制作的构配件的材质和制作质量应符合下列标准规定:1)钢材应符合现行国家标准《碳素结构钢》GB/T700或《低合金高强度结构钢》GB/T1591的规定;2)焊接钢管应符合现行国家标准《直缝电焊钢管》GB/T13793或《低压流体输送用焊接钢管》GB/T3091中规定的Q235或Q355普通钢管有关规定和《焊接钢管尺寸及单位长度》GB/T21835的要求;3)无缝钢管应符合现行国家标准《结构用无缝钢管》GB/T8162的有关规定。
4)型钢应符合现行国家标准《热轧型钢》GB/T706或《冷弯薄壁型钢结构技术规范》GB50018的规定;5 )组合钢模板及配件制作质量应符合现行国家标准《组合钢模板技术规范》GB50214的规定。
钢铸件应符合现行国家标准《一般工程用铸造碳钢件》GB/T11352中规定的ZG270—500号钢的要求;6 模板的支架钢管质量,钢管外径、壁厚及外形允许偏差需满足现行标准《建筑施工脚手架安全技术统一标准》GB51210规定;7 )碗扣式钢管脚手架的构件质量要求和允许偏差应符合现行国家标准《建筑施工碗扣式钢管脚手架》JGJ166的规定;8 )承插型盘扣式钢管脚手架的构件、材料和其制作质量应符合现行行业标准《承插型盘扣式钢管脚支架构件》JG/T503的规定。
《建筑施工模板安全技术规范》题库一、判断题:(40题)1、各层板的原材含水率不应大于15%,且同一胶合模板各层原材间的含水率差别不应大于5%。
(√)2、模板及其支架的设计应根据工程结构形式、荷载大小、地基土类别、施工设备和材料等条件进行。
(√)3、模板及其支架构造应简单,装拆方便,便于钢筋的绑扎、安装和混凝土的浇筑、养护等要求。
(√)4、模板结构构件受拉构件长细比:钢杆件不应大于250:木杆件不应大于250。
(˟)5、模板安装应按设计与施工说明书顺序拼装。
木杆、钢管、门架及碗扣式等支架立柱可以混用。
(˟)6、模板及其支架在安装过程中,必须设置有效防倾覆的临时固定设施。
(√)7、现浇钢筋混凝土梁、板,当跨度大于4m时,模板应起拱;当设计无具体要求时,起拱高度宜为全跨长度的1/1000~3/1000。
(√)8、当层间高度大于5m时,应选用桁架支模或钢管立柱支模。
当层间高度小于或等于5m 时,可采用木立柱支模。
(√)9、拼装高度为2m以上的竖向模板,不得站在下层模板上拼装上层模板。
安装过程中应设置临时固定设施。
(√)10、支撑梁、板的支架立柱安装时梁和板的立柱,纵横向间距应相等或成倍数。
(√)11、施工时,在已安装好的模板上的实际荷载不得超过设计值。
已承受荷载的支架和附件,不得随意拆除或移动。
(√)12、当模板安装高度超过2.0m时,必须搭设脚手架,除操作人员外,脚手架下不得站其他人。
(˟)13、木料应堆放于下风向,离火源不得小于30m,且料场四周应设置灭火器材。
(√)14、钢管规格、间距、扣件应符合设计要求。
每根立柱底部应设置底座及垫板,垫板厚度不得小于50mm。
(√)15、立柱接长严禁搭接,必须采用对接扣件连接,相邻两立柱的对接接头不得在同步内,且对接接头沿竖向错开的距离不宜小于500mm,各接头中心距主节点不宜大于步距的1/3。
(√)16、当支架立柱高度超过5m时,应在立柱周圈外侧和中间有结构柱的部位,按水平间距6~9m,竖向间距2~3m与建筑结构设置一个固结点。